Application of a
area
-Approach for Fatigue Assessment of Cast Aluminum Alloys at Elevated Temperature
Abstract
1. Introduction
- Investigation of the fatigue strength of Al-Si cast materials at an elevated temperature of 150 C
- Assessment of statistically defect distribution regarding spatial extent and shape
- Investigation of damage mechanisms at enhanced operating temperatures
- Evaluation of the material constants , and m of Murakami’s concept for elevated temperatures
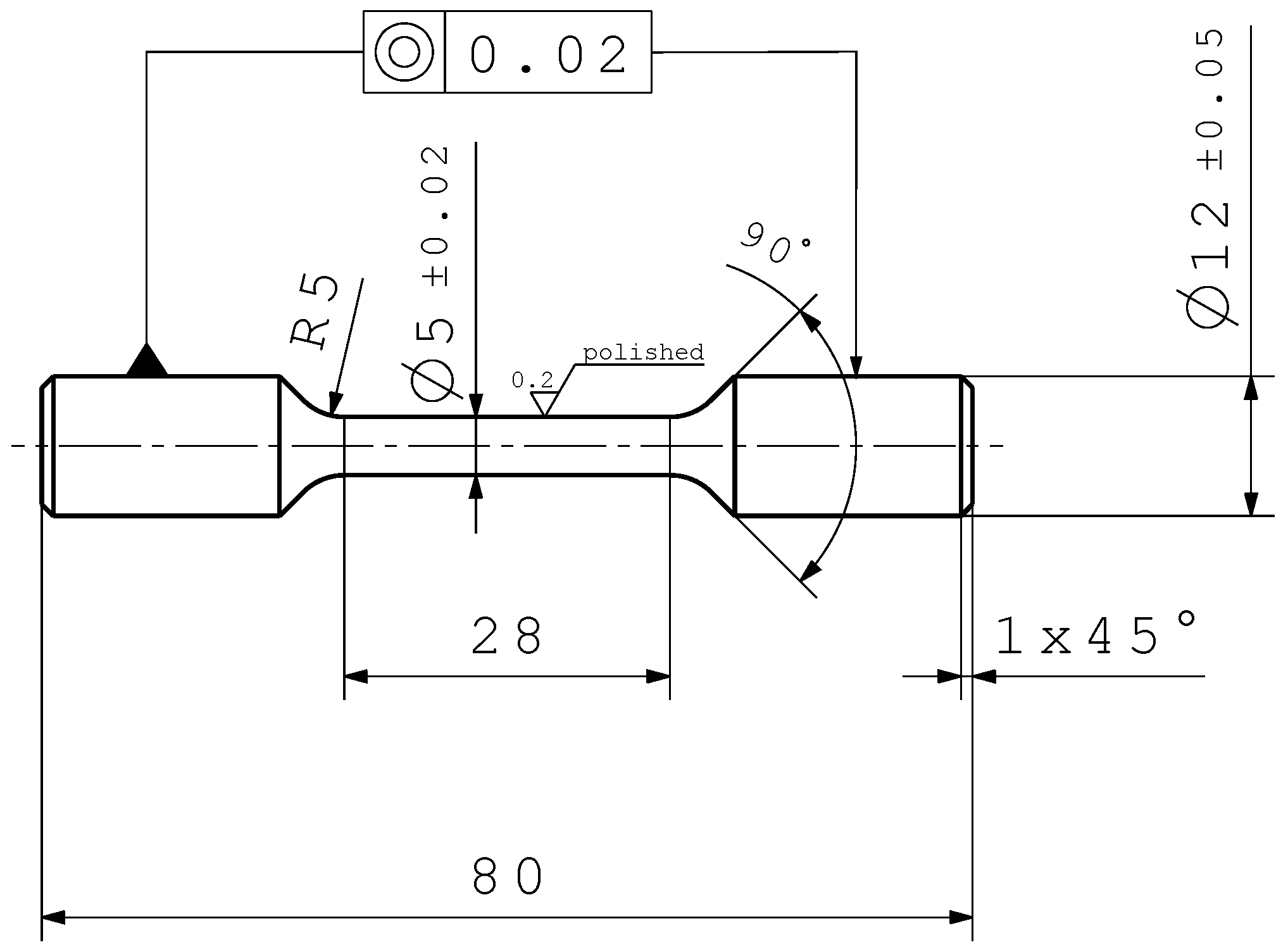
2. Materials and Methods
2.1. Materials
2.2. sDAS and Metallographic Analysis
2.3. Quasi-Static and Fatigue Testing
2.4. X-ray Computed Tomography
3. Results
3.1. Tensile Tests
3.2. Hardness Measurements
3.3. Fatigue Tests
3.4. Fatigue Assessment Model
4. Discussion
5. Conclusions
- The statistically evaluated fatigue strength of all tested alloys drops when being exposed at elevated temperatures compared to fatigue lifetime at room temperature.
- A significant change in damage mechanism at elevated temperatures is observed. A major part of the specimens taken from both EN AC-46200 Pos #1, as well as EN AC-45500 Pos #1, maintain slipping areas as crack origins.
- While the original model proposed by Murakami provides a sound fit for room temperature with a slope of , the slope changes at elevated temperature. The estimated slope suggests an increased long crack threshold at elevated temperature, caused by more pronounced plasticity-induced crack closure effects. Therefore, the impact of increasing defect sizes on the anticipated fatigue resistance generally declines at elevated temperatures.
- Comparing the fatigue strength of the introduced extension of Murakami’s model for higher operating temperatures, the experiments reveal a proper relationship. The mean value of the suggested model turns out to be slightly conservative.
Author Contributions
Acknowledgments
Conflicts of Interest
Abbreviations
| RT | Room temperature |
| ET | Elevated temperature |
| Location parameter of the Gumbel distribution | |
| Scale parameter of the Gumbel distribution | |
| GEV | Generalized Extreme Value distribution |
| Shape, scale, and location parameter of the GEV | |
| Long-life fatigue strength amplitude at load cycles | |
| Long-life fatigue strength range at load cycles | |
| Fatigue strength amplitude | |
| HV | Vickers hardness |
| , ,m | Constants of the approach by Murakami |
| sDAS | Secondary dendrite arm spacing |
| YS | Yield strength |
| UTS | Ultimate tensile strength |
| HCF | High-cycle fatigue |
| E | Young’s modulus |
| A | Fracture elongation |
| Number of load cycles at transition knee point of S/N-curve | |
| N | Number of load cycles until failure |
| Slope in the finite life region of S/N-curve | |
| Scatter band of S/N-curve in the HCF region | |
| BHN | Brinell hardness number |
| SEM | Scanning-electron-microscopy |
| XCT | X-ray computed tomography |
| Equivalent circle diameter | |
| Maximal spatial extent of an inhomogeneity | |
| Shape factor | |
| n | Number of defects |
| , , | Parameters of the extended approach for elevated temperatures |
| Stress intensity factor | |
| Maximal stress intensity factor | |
| Long crack threshold | |
| Effective crack threshold | |
| Y | Geometry factor |
| Cyclic plastic zone | |
| Monotonic plastic zone | |
| Scatter band of the validation of the fatigue assessment model |
References
- Di Sabatino, M.; Arnberg, L. Castability of aluminium alloys. Trans. Indian Inst. Met. 2009, 62, 321–325. [Google Scholar] [CrossRef]
- Canales, A.A.; Carrera, E.; Silva, J.T.; Valtierra, S.; Colás, R. Mechanical properties in as-cast and heat treated Al-Si-Cu alloys. Int. J. Microstruct. Mater. Prop. 2012, 7, 281. [Google Scholar] [CrossRef]
- González, R.; González, A.; Talamantes-Silva, J.; Valtierra, S.; Mercado-Solís, R.D.; Garza-Montes-de Oca, N.F.; Colás, R. Fatigue of an aluminium cast alloy used in the manufacture of automotive engine blocks. Int. J. Fatigue 2013, 54, 118–126. [Google Scholar] [CrossRef]
- Mattos, J.; Uehara, A.Y.; Sato, M.; Ferreira, I. Fatigue properties and micromechanism of fracture of an AlSiMg0.6 cast alloy used in diesel engine cylinder head. Procedia Eng. 2010, 2, 759–765. [Google Scholar] [CrossRef]
- Mbuya, T.O.; Sinclair, I.; Moffat, A.J.; Reed, P. Micromechanisms of fatigue crack growth in cast aluminium piston alloys. Int. J. Fatigue 2012, 42, 227–237. [Google Scholar] [CrossRef]
- Javidani, M.; Larouche, D. Application of cast Al–Si alloys in internal combustion engine components. Int. Mater. Rev. 2014, 59, 132–158. [Google Scholar] [CrossRef]
- Tabibian, S.; Charkaluk, E.; Constantinescu, A.; Guillemot, G.; Szmytka, F. Influence of process-induced microstructure on hardness of two Al–Si alloys. Mater. Sci. Eng. A 2015, 646, 190–200. [Google Scholar] [CrossRef]
- Lu, L.; Nogita, K.; Dahle, A.K. Combining Sr and Na additions in hypoeutectic Al–Si foundry alloys. Mater. Sci. Eng. A 2005, 399, 244–253. [Google Scholar] [CrossRef]
- Yang, H.; Ji, S.; Fan, Z. Effect of heat treatment and Fe content on the microstructure and mechanical properties of die-cast Al–Si–Cu alloys. Mater. Des. 2015, 85, 823–832. [Google Scholar] [CrossRef]
- Garb, C.; Leitner, M.; Grün, F. Effect of elevated temperature on the fatigue strength of casted AlSi8Cu3 aluminium alloys. Procedia Struct. Integr. 2017, 7, 497–504. [Google Scholar] [CrossRef]
- Molina, R.; Amalberto, P.; Rosso, M. Mechanical characterization of aluminium alloys for high temperature applications Part1: Al-Si-Cu alloys. Metall. Sci. Tecnol. 2011, 29, 5–15. [Google Scholar]
- Özdeş, H.; Tiryakioğlu, M. On estimating high-cycle fatigue life of cast Al-Si-Mg-(Cu) alloys from tensile test results. Mater. Sci. Eng. A 2017, 688, 9–15. [Google Scholar] [CrossRef]
- Ceschini, L.; Morri, A.; Toschi, S.; Seifeddine, S. Room and high temperature fatigue behaviour of the A354 and C355 (Al–Si–Cu–Mg) alloys: Role of microstructure and heat treatment. Mater. Sci. Eng. A 2016, 653, 129–138. [Google Scholar] [CrossRef]
- Konečná, R.; Nicoletto, G.; Kunz, L.; Riva, E. The role of elevated temperature exposure on structural evolution and fatigue strength of eutectic AlSi12 alloys. Int. J. Fatigue 2016, 83, 24–35. [Google Scholar] [CrossRef]
- Tiryakioğlu, M. Statistical distributions for the size of fatigue-initiating defects in Al–7%Si–0.3%Mg alloy castings: A comparative study. Mater. Sci. Eng. A 2008, 497, 119–125. [Google Scholar] [CrossRef]
- Gumbel, E.J. Statistics of Extremes; Columbia University Press: New York, NY, USA, 1958. [Google Scholar]
- Jenkinson, A.F. The frequency distribution of the annual maximum (or minimum) values of meteorological elements. Q. J. R. Meteorol. Soc. 1955, 87, 145–158. [Google Scholar] [CrossRef]
- Tiryakioğlu, M. Relationship between Defect Size and Fatigue Life Distributions in Al-7 Pct Si-Mg Alloy Castings. Metall. Mater. Trans. A 2009, 40, 1623–1630. [Google Scholar] [CrossRef]
- Murakami, Y. Metal Fatigue: Effects of Small Defects and Nonmetallic Inclusions; Elsevier: Amsterdam, The Netherlands, 2002. [Google Scholar]
- Murakami, Y. Material defects as the basis of fatigue design. Int. J. Fatigue 2012, 41, 2–10. [Google Scholar] [CrossRef]
- Garb, C.; Leitner, M.; Grün, F. Application of √area-concept to assess fatigue strength of AlSi7Cu0.5Mg casted components. Eng. Fract. Mech. 2017, 185, 61–71. [Google Scholar] [CrossRef]
- Leitner, M.; Garb, C.; Remes, H.; Stoschka, M. Microporosity and statistical size effect on the fatigue strength of cast aluminium alloys EN AC-45500 and 46200. Mater. Sci. Eng. A 2017, 707, 567–575. [Google Scholar] [CrossRef]
- Garb, C.; Leitner, M.; Grün, F. Fatigue Strength Assessment of AlSi7Cu0.5Mg T6W Castings Supported by Computed Tomography Microporosity Analysis. Procedia Eng. 2016, 160, 53–60. [Google Scholar] [CrossRef]
- DIN EN 515. Aluminium and Aluminium Alloys-Wrought Products-Temper Designations; Beuth Verlag: Berlin, Germany, 2017. [Google Scholar]
- Sjölander, E.; Seifeddine, S. The heat treatment of Al–Si–Cu–Mg casting alloys. J. Mater. Process. Technol. 2010, 210, 1249–1259. [Google Scholar] [CrossRef]
- Vandersluis, E.; Ravindran, C. Comparison of Measurement Methods for Secondary Dendrite Arm Spacing. Metallogr. Microstruct. Anal. 2017, 6, 89–94. [Google Scholar] [CrossRef]
- Zhang, L.Y.; Jiang, Y.H.; Ma, Z.; Shan, S.F.; Jia, Y.Z.; Fan, C.Z.; Wang, W.K. Effect of cooling rate on solidified microstructure and mechanical properties of aluminium-A356 alloy. J. Mater. Process. Technol. 2008, 207, 107–111. [Google Scholar] [CrossRef]
- DIN EN ISO 6892-1. Metallic Materials-Tensile Testing-Part 1: Method of Test at Room Temperature; Beuth Verlag: Berlin, Germany, 2016. [Google Scholar]
- DIN EN ISO 6892-2. Metallic Materials-Tensile Testing-Part 2: Method of Test At Elevated Temperature; Beuth Verlag: Berlin, Germany, 2011. [Google Scholar]
- Zhu, X.; Shyam, A.; Jones, J.; Mayer, H.; Lasecki, J.V.; Allison, J.E. Effects of microstructure and temperature on fatigue behavior of E319-T7 cast aluminum alloy in very long life cycles. Int. J. Fatigue 2006, 28, 1566–1571. [Google Scholar] [CrossRef]
- Rincón, E.; López, H.F.; Cisneros, M.M.; Mancha, H.; Cisneros, M.A. Effect of temperature on the tensile properties of an as-cast aluminum alloy A319. Mater. Sci. Eng. A 2007, 452-453, 682–687. [Google Scholar] [CrossRef]
- Zamani, M.; Seifeddine, S.; Jarfors, A.E. High temperature tensile deformation behavior and failure mechanisms of an Al–Si–Cu–Mg cast alloy—The microstructural scale effect. Mater. Des. 2015, 86, 361–370. [Google Scholar] [CrossRef]
- Mohamed, A.; Samuel, F.H.; Kahtani, S.A. Microstructure, tensile properties and fracture behavior of high temperature Al–Si–Mg–Cu cast alloys. Mater. Sci. Eng. A 2013, 577, 64–72. [Google Scholar] [CrossRef]
- Khan, S.; Ourdjini, A.; Named, Q.S.; Alam Najafabadi, M.A.; Elliott, R. Hardness and mechanical property relationships in directionally solidified aluminium-silicon eutectic alloys with different silicon morphologies. J. Mater. Sci. 1993, 28, 5957–5962. [Google Scholar] [CrossRef]
- Cahoon, J.R.; Broughton, W.H.; Kutzak, A.R. The determination of yield strength from hardness measurements. Metall. Trans. 1971, 2, 1979–1983. [Google Scholar] [CrossRef]
- DIN EN ISO 6507. Metallic Materials-Vickers Hardness Test-Part 1: Test Method; Beuth Verlag: Berlin, Germany, 2018. [Google Scholar]
- Tiryakioğlu, M.; Robinson, J.S.; Salazar-Guapuriche, M.A.; Zhao, Y.Y.; Eason, P.D. Hardness–strength relationships in the aluminum alloy 7010. Mater. Sci. Eng. A 2015, 631, 196–200. [Google Scholar] [CrossRef]
- Rometsch, P.; Schaffer, G. An age hardening model for Al–7Si–Mg casting alloys. Mater. Sci. Eng. A 2002, 325, 424–434. [Google Scholar] [CrossRef]
- Tiryakioğlu, M.; Campbell, J.; Staley, J.T. On macrohardness testing of Al–7 wt.% Si–Mg alloys: II. An evaluation of models for hardness-yield strength relationships. Mater. Sci. Eng. A 2003, 361, 240–248. [Google Scholar] [CrossRef]
- Drouzy, M.; Jacob, S.; Richard, M. Interpretation of tensile results by means of quality index and probable Yield Strength-application to Al-Si7 Mg foundry alloys. Int. Cast Met. J. 1980, 5, 43–50. [Google Scholar]
- ASTM International E 739. Standard Practice for Statistical Analysis of Linear or Linearized Stress-Life (S-N) and Strain Life (E-N) Fatigue Data; ASTM International: West Conshohocken, PA, USA, 1998. [Google Scholar]
- Dengel, D.; Harig, H. Estimation of the fatigue limit by progressively-increasing load tests. Fatigue Fract. Eng. Mater. Struct. 1980, 3, 113–128. [Google Scholar] [CrossRef]
- Dengel, D. Die arc sin √P-Transformation—Ein einfaches Verfahren zur grafischen und rechnerischen Auswertung geplanter Wöhlerversuche. Materialwissenschaft und Werkstofftechnik 1975, 6, 253–261. [Google Scholar] [CrossRef]
- Leitner, H. Simulation des Ermüdungsverhaltens von Aluminiumguslegierungen. Ph.D. Thesis, Montanuniversität Leoben, Leoben, Austria, 2001. [Google Scholar]
- McKelvey, S.A.; Lee, Y.L.; Barkey, M.E. Stress-based uniaxial fatigue analysis using methods described in FKM-guideline. J. Failure Anal. Prev. 2012, 12, 445–484. [Google Scholar] [CrossRef]
- Sonsino, C.M.; Dieterich, K. Einfluss der Porosität auf das Schwingfestigkeitsverhalten von Aluminium-Gusswerkstoffen. II. Giessereiforschung 1991, 43, 131–140. [Google Scholar]
- Sonsino, C.M.; Dieterich, K. Einfluss der Porosität auf das Schwingfestigkeitsverhalten von Aluminium-Gusswerkstoffen. I. Giessereiforschung 1991, 43, 119–130. [Google Scholar]
- Aigner, R.; Leitner, M.; Stoschka, M. Fatigue strength characterization of Al-Si cast material incorporating statistical size effect. MATEC Web Conf. 2018, 165, 14002. [Google Scholar] [CrossRef]
- González, R.; Martínez, D.I.; González, J.A.; Talamantes, J.; Valtierra, S.; Colás, R. Experimental investigation for fatigue strength of a cast aluminium alloy. Int. J. Fatigue 2011, 33, 273–278. [Google Scholar] [CrossRef]
- Tiryakioğlu, M. On the size distribution of fracture-initiating defects in Al- and Mg-alloy castings. Mater. Sci. Eng. A 2008, 476, 174–177. [Google Scholar] [CrossRef]
- Beretta, S.; Murakami, Y. Statistical analysis of defects for fatigue strength prediction and quality control of materials. Fatigue Fract. Eng. Mater. Struct. 1998, 21, 1049–1065. [Google Scholar] [CrossRef]
- Souza, D.; Menegalli, F.C. Image analysis: Statistical study of particle size distribution and shape characterization. Powder Technol. 2011, 214, 57–63. [Google Scholar] [CrossRef]
- Garb, C.; Leitner, M.; Tauscher, M.; Weidt, M.; Brunner, R. Statistical analysis of micropore size distributions in Al-Si castings evaluated by X-ray computed tomography. Int. J. Mater. Res. 2018, 109, 889–899. [Google Scholar] [CrossRef]
- Makhlouf, K.; Jones, J. Near-threshold fatigue crack growth behaviour of a ferritic stainless steel at elevated temperatures. Int. J. Fatigue 1992, 14, 97–104. [Google Scholar] [CrossRef]
- Alvarez Holston, A.M.; Stjärnsäter, J. On the effect of temperature on the threshold stress intensity factor of delayed hydride cracking in light water reactor fuel cladding. Nuclear Eng. Technol. 2017, 49, 663–667. [Google Scholar] [CrossRef]
- Ritchie, R.O. Near-threshold fatigue-crack propagation in steels. Int. Met. Res. 2013, 24, 205–230. [Google Scholar] [CrossRef]
- Irwin, G.R. Analysis of stresses and strains near the end of a crack traversing a plate. J. Appl. Mech. 1957, 24, 361–364. [Google Scholar]
- Pippan, R.; Hohenwarter, A. Fatigue crack closure: A review of the physical phenomena. Fatigue Fract. Eng. Mater. Struct. 2017, 40, 471–495. [Google Scholar] [CrossRef]
- McClung, R.C. Crack closure and plasitc zone sizes in fatigue. Fatigue Fract. Eng. Mater. Struct. 1991, 14, 455–468. [Google Scholar] [CrossRef]
- Hou, C.; Charng, J. Estimation of plasticity-induced crack closure in a pre-existing plastic zone. Int. J. Fatigue 1996, 18, 463–474. [Google Scholar] [CrossRef]
- Zhang, W.; Liu, Y. Plastic zone size estimation under cyclic loadings using in situ optical microscopy fatigue testing. Fatigue Fract. Eng. Mater. Struct. 2011, 34, 717–727. [Google Scholar] [CrossRef]















| Alloy | Si [%] | Cu [%] | Fe [%] | Mn [%] | Mg [%] | Ti [%] | Al [-] |
|---|---|---|---|---|---|---|---|
| EN AC-46200 | 7.5–8.5 | 2.0–3.5 | 0.8 | 0.15–0.65 | 0.05–0.55 | 0.25 | balance |
| EN AC-45500 | 6.5–7.5 | 0.2-0.7 | 0.25 | 0.15 5 | 0.45 | 0.20 | balance |
| Part | Position | Alloy | Modifier | Heat Treatment | sDAS [μm] | |
|---|---|---|---|---|---|---|
| CH | Pos #1 | EN AC-46200 | Sr | T5 | 24 ± 4.8 | |
| CC | Pos #2 | EN AC-46200 | Sr | T6 | 30 ± 7.3 | |
| CC | Pos #3 | EN AC-46200 | Sr | T6 | 72 ± 24.9 | |
| CH | Pos #1 | EN AC-45500 | Sr | T6 | 27 ± 6.6 |
| Abbreviation | Temperature | UTS [MPa] | YS [MPa] | A [%] | |
|---|---|---|---|---|---|
| EN AC-46200 Pos #2 | RT | 326 | 277 | 1.58 | |
| EN AC-46200 Pos #2 | ET | 265 | 245 | 2.96 | |
| EN AC-46200 Pos #3 | RT | 208 | 207 | 0.18 | |
| EN AC-46200 Pos #3 | ET | 187 | 187 | 0.19 | |
| EN AC-46200 Pos #1 | RT | 287 | 198 | 2.31 | |
| EN AC-46200 Pos #1 | ET | 234 | 184 | 5.25 | |
| EN AC-45500 Pos #1 | RT | 334 | 273 | 6.78 | |
| EN AC-45500 Pos #1 | ET | 259 | 233 | 9.55 |
| Abbreviation | Temperature | ||||
|---|---|---|---|---|---|
| EN AC-46200 Pos#2 | RT | 0.245 | 3.58 | 1.256 | |
| EN AC-46200 Pos#2 | ET | 0.241 | 5.85 | 1.391 | |
| EN AC-46200 Pos#3 | RT | 0.176 | 5.13 | 1.278 | |
| EN AC-46200 Pos#3 | ET | 0.172 | 6.41 | 1.210 | |
| EN AC-46200 Pos#1 | RT | 0.332 | 7.40 | 1.147 | |
| EN AC-46200 Pos#1 | ET | 0.244 | 10.65 | 1.115 | |
| EN AC-45500 Pos#1 | RT | 0.348 | 6.22 | 1.140 | |
| EN AC-45500 Pos#1 | ET | 0.291 | 7.48 | 1.206 |
| Abbreviation | |||||
|---|---|---|---|---|---|
| EN AC-46200 Pos #1 | 0.03 | 39.03 | 104.60 | 0.52 | |
| EN AC-46200 Pos #2 | −0.12 | 29.83 | 85.10 | 0.48 | |
| EN AC-46200 Pos #3 | −0.19 | 168.57 | 444.88 | 0.60 | |
| EN AC-45500 Pos #1 | 0.06 | 14.50 | 36.08 | 0.49 |
© 2018 by the authors. Licensee MDPI, Basel, Switzerland. This article is an open access article distributed under the terms and conditions of the Creative Commons Attribution (CC BY) license (http://creativecommons.org/licenses/by/4.0/).
Share and Cite
Aigner, R.; Garb, C.; Leitner, M.; Stoschka, M.; Grün, F.
Application of a
Aigner R, Garb C, Leitner M, Stoschka M, Grün F.
Application of a
Aigner, Roman, Christian Garb, Martin Leitner, Michael Stoschka, and Florian Grün.
2018. "Application of a
Aigner, R., Garb, C., Leitner, M., Stoschka, M., & Grün, F.
(2018). Application of a

