Abstract
Tungsten fibre nets reinforced tungsten composites (Wf/W) containing four net layers were fabricated by spark plasma sintering (SPS), hot pressing (HP) and cold rolling after HP (HPCR), with the weight fraction of fibres being 17.4%, 10.5% and 10.5%, respectively. The relative density of the HPCRed samples is the highest (99.8%) while that of the HPed composites is the lowest (95.1%). Optical and scanning electron microscopy and electron back scattering diffraction were exploited to characterize the microstructure, while tensile and hardness tests were used to evaluate the mechanical properties of the samples. It was found that partial recrystallization of fibres occurred after the sintering at 1800 °C. The SPSed and HPed Wf/W composites begin to exhibit plastic deformation at 600 °C with tensile strength (TS) of 536 and 425 MPa and total elongation at break (TE) of 11.6% and 23.0%, respectively, while the HPCRed Wf/W composites exhibit plastic deformation at around 400 °C. The TS and TE of the HPCRed Wf/W composites at 400 °C are 784 MPa and 8.4%, respectively. The enhanced mechanical performance of the Wf/W composites over the pure tungsten can be attributed to the necking, cracking, and debonding of the tungsten fibres.
1. Introduction
Tungsten (W) with a high melting temperature, high erosion resistance, excellent thermal conductivity and low tritium retention has been applied in the manufacturing and electronic industries, lighting engineering, medical, aerospace and military fields, and more recently in the nuclear fields served as the plasma-facing materials [1,2,3]. However the inherent low-temperature brittleness and recrystallization or irradiation induced embrittlement of tungsten severely limit its application in the extreme conditions of simultaneous high temperature and high flux neutron irradiation [4,5,6]. So it is important to decrease the embrittlement of tungsten materials.
Two ways are usually employed to enhance the toughness of tungsten: one is by particle dispersion strengthening, and the other is via fibre reinforcement. Different from the dispersion strengthening by adding oxides like La2O3 [7] and Y2O3 [8] or carbides like TiC [9] and ZrC [10] particles, the fibre strengthening by adding fibres such as carbon fibres [11], SiC fibres [12,13], short fibres of tantalum [14] and tungsten fibres [15] is considered to be an effective approach to improve the toughness via micro-cracking, twinning, bridging, debonding and pullout or a mixture of them [15]. Among the different fibres, tungsten fibres possess high strength, fine ductility, high recrystallization temperature (>1800 °C) and plastic rupture [16], which could contribute substantially to the toughness of tungsten matrix. Riesch and Du et al. carried out extensive studies on small-size fabrication of tungsten fibre reinforced tungsten composites by chemical vapor infiltration or chemical vapor deposition [17,18,19,20,21]. Three-point bending and fibre pullout tests of the samples indicated that tungsten fibres could enhance the toughness of tungsten or tungsten alloy. However, on the economic aspect for low utilization rate of raw materials and harsh reaction conditions, chemical deposition method seems unfavorable. Composites of Wf/W have been prepared by powder metallurgical method, but the density of the materials needs to be improved [22,23] and other preparation methods need to be exploited.
In our previous work [16,24], the spark plasma sintering (SPS) method was exploited to prepare tungsten-fibre reinforced tungsten composites (Wf/W), and compact composites were obtained because of the unique features of SPS (large pulsed DC current provides fast heating/cooling rate and short consolidation time, which helps obtain high density and fine grains). However, the non-uniform temperature distribution limits the large-scale production of Wf/W composites. Except for SPS, the hot pressing (HP) method is also used to consolidate composite materials, and is able to provide more uniform heat distribution and enables preparation of large-size samples. In addition, cold rolling is a promising method to enhance material properties due to the porosity reduction and texture evolution in the rolling process [25], thus the cold rolling after HP (HPCR) may further improve the performance of the composites. In this work, different preparation methods based on SPS, HP and HPCR were exploited to prepare tungsten-fibre-net reinforced Wf/W samples. The influences of preparation method on the microstructure, Vickers hardness and tensile properties of the Wf/W composites were comparatively investigated.
2. Experimental Section
2.1. Preparation and Characterization
Commercial K-doped tungsten fibres with diameter of 150 μm were purchased from Honglu Molybdenum Company, Xiamen, China. The chemical composition of the fibres is given in our previous work [16,24]. The theoretical density of the W fibres can be considered as 19.3 g/cm3, as same as the value of pure tungsten. Long tungsten fibres were woven into a net-like shape using a braider, as presented in Figure 1. The fibres along the YO direction act as supporting effect of the nets, while the fibres along the XO direction (which is also the tensile and rolling direction) will play the major role in improving the toughness. The diameter of the nets is about 20 mm for SPS as shown in Figure 1a and about 60 mm for HP and HPCR as shown in Figure 1b. The enlarged picture at the part I in Figure 1b is shown in Figure 1I for clarity. In this work, each sample contained four tungsten-fibre-net layers according to the optimization of fibre contents in our earlier work [24].
Figure 1.
Photograph of a tungsten fibre net for SPSed samples (a), HPed and HPCRed samples (b), and the enlarged picture at the part I in b (I).
Pure tungsten powders (purity > 99.9%, average particle size 600 nm) were ball-milled for 4 h in a planetary ball mill in argon atmosphere to increase the activity with a powder-to-ball weight ratio of 1:8 and rotation speed of 240 rpm. During ball milling, tungsten carbide balls and mortars were used to minimize the possible contamination by impurities. Tungsten fibre nets were buried in the tungsten powders. To keep a roughly equal distance between the net layers (about 750 μm), equal amount of W powder was put into the space between the neighboring net layers. The fibre mass fraction in the composite was calculated just by weighting the fibres and matrix powders respectively before mixing.
The samples with the diameter of 20 mm were sintered by spark plasma sintering (SPS, FCT systeme GmbH, Rauenstein, Germany) according to the procedure as described in [26], which is shown in Figure 2a again for clarity, where the temperature was 1800 °C and the pressure was 47 MPa. The samples with the diameter of 60 mm were sintered in a hot-pressing vacuum furnace (HP, Shanghai Chen Xin Electric Furnace Co., Ltd., CXZT-60-23Y, Shanghai, China) with a heating or cooling rate of about 10 °C/min. The detailed temperature and pressure profile of the HP sintering program were illustrated in Figure 2b: (i) heated from room temperature to 700 °C and held for 60 min; (ii) heated to 1300 °C and held for 180 min; (iii) heated to the sintering temperature 1800 °C and held for 90 min; and (iv) cooled down to room temperature (RT). At the same time, the pressure in the graphite die was increased linearly to 56 MPa with a changing rate of about 0.28 MPa/min, held for 300 min and then decreased to zero. After that, The HPed samples were preheated in a high temperature furnace (KSL-1100X, Hefei Kejing Materials Technology Co., Ltd., Hefei, China) at 1100 °C for 5 min, and then rolled by a rolling machine (Wuxi Guancheng Machinery Co., Ltd., Wuxi, China) with the roller radius of 100 mm, the roller length of 200 mm and the rotating speed of 500 r/min [27]. The samples were also preheated between the successive rolling. The HPed plates were rolled three times with a total thickness reduction of 38%. Hereafter, the cold rolled HPed samples were abbreviated as HPCRed ones.
Figure 2.
Temperature and pressure profile of SPS and HP procedure: (a) SPS and (b) HP.
2.2. Testing Procedure
The density of samples was determined by Archimedes principle. The sintered samples and the inlaid original wire were polished and then chemically etched with a 10% aqueous solution of K3Fe(CN)6 and NaOH. The distribution of the tungsten fibres in the composites was investigated by optical microscopy (ZEIZZ-Axio Scope.Al, Carl Zeiss AG, Oberkochen, Germany). The Vickers micro-hardness of the sample was tested by the Vickers Indenter (HV-1000 A, Laizhou ITC Test Instrument Co., Ltd, Laizhou, China) at room temperature with a load of 200 g and a dwell time of 10 s. The hardness of matrix was tested along the direction either perpendicular or parallel to the pressing direction, either close to or away from the fibre. Each sample was indented for 8 times in different locations and the average value was adopted.
In order to obtain information about the grain size, aspect ratio of grains, angles of grain boundary and anisotropy or isotropy of fibre and matrix in samples, the Electron Back Scattering Diffraction (EBSD) measurements were carried out. The samples for EBSD were mechanically polished and then electro polished by NaOH (2%) aqueous solution. The EBSD data was collected and analyzed using the software of HKL Tango (Version-2010, Oxford Instruments, Oxford, UK) with the resolution rate of 80–90% and a step from 0.25 to 0.4 μm depending on the grain size, and the raw data was presented. Microstructure of the samples and the fracture surfaces of the tensile tested samples were characterized with a field-emission scanning electron microscope (FESEM Sirion 200, FEI, Hillsboro, OR, USA).
The dog-bone-shaped tensile samples were cut along the XO direction with a working length of 5 mm as in [9] and a cross-section of 1.4 × 1.5, 1.4 × 2.2, 1.4 × 1.8 mm2 for the SPS, HP, and HPCR samples, respectively. Tensile experiments were carried out at various temperatures using an Instron-5967 machine (Instron Corporation, Boston, MA, USA) with a constant displacement rate of 0.06 mm/min. In this work, the loading direction is parallel to the XO direction due to high mechanical performance [28], the number of tested samples was three to five.
3. Results and Discussion
3.1. Density and Vickers Hardness
The mass fraction of W fibres, relative density and Vickers hardness of the Wf/W composites are listed in Table 1. The estimated mass fraction of fibres in SPSed, HPed and HPCRed samples is 17.4%, 10.5% and 10.5%, respectively. As listed in Table 1, the relative densities of the SPSed (97.5%) and HPed composites (95.1%) are a little lower than that of the HPCRed samples (99.8%), which is close to 100% of pure dense tungsten. The overall average hardness of fibres in composites is approximately 537 ± 7 HV0.2 for all three kinds of samples, which is about 100 HV0.2 smaller than that of the original tungsten fibre (623.6 ± 11 HV0.2) due to the grain growth of fibre in the sintering process [29], and more details will be analyzed in the following sections. Indicated by the lower density, the hardness of the matrix in the HPed samples (331.3 ± 8 HV0.2) is lower than that of the SPSed (431.3 ± 8 HV0.2) and HPCRed samples (488.2 ± 810 HV0.2).
Table 1.
Density, Mass fraction of fibres and Vickers micro-hardness of the fibre and matrix in the SPSed, HPed and HPCRed samples.
3.2. Distribution of Fibres
To investigate the distribution of the tungsten-fibre-nets in the SPSed, HPed and HPCRed samples, cross-sectional optical micrographs of the samples with a low magnification are shown in Figure 3. Due to different grain size and grain orientation, the fibres and matrix show different corrosion extent by the etching solution. All the darker areas indicate the tungsten fibres, where the wave strips are the fibres in YO orientation while the round circles represent fibres in XO orientation. From Figure 3a it can be seen that the fibres distribute neatly in the net layer of the SPSed samples, and the net layers are separated one by one with a nearly equal distance. In the HPed samples (Figure 3b), the fibre layers are also evenly and regularly aligned. After cold rolling, the HPCRed samples are much thinner so that a slight variation in the fibre distribution and orientations can be obtained from the tomographic visualization as shown in Figure 3c. Before the rolling phase of preparation, the fibres have a circular shape with an interlayer spacing of about 560 μm. After rolling, the fibres present elliptical shape with an interlayer spacing of about 350 μm. The 38% reduction in spacing is consistent with the thickness reduction of the whole sample.
Figure 3.
Optical micrographs of the Wf/W composites: (a) SPSed, (b) HPed, and (c) HPCRed.
The SEM images are presented in Figure 4 for (a) SPSed, (b) HPed and (c) HPCRed samples fractured at RT. It can be seen that there is no debonding seen in any of the samples between the tungsten fibre and the matrix. In addition, the cross section of fibre in the SPSed and HPed samples is almost circular, while that in the HPCRed samples is elliptical with an aspect ratio of about 5:2 owing to the rolling.
Figure 4.
The Scanning Electron Microscope (SEM) images of the Wf/W composites: (a) SPSed, (b) HPed, and (c) HPCRed.
3.3. Microstructure of the Original and Sintered Fibres
Figure 5a shows the EBSD results of the original and sintered W fibres, where the black lines mean the high-angle grain boundaries (θ > 10°) while the gray lines mean the low-angle grain boundaries (θ < 10°). Figure 5(a1) shows the EBSD results of the original W fibres. The ZO direction is perpendicular to the XO and YO directions. The texture of the original tungsten fibre is <101> as shown in Figure 5(a2). Figure 5(a1) also indicates that the grains of the original tungsten fibre are tens of microns long in the XO direction and several microns wide in the YO and ZO directions, corresponding to a length/width aspect ratio of about 5.2:1 (as shown in Figure 5(a3)). It is interesting to note that the elongated mother-grains (θ > 10°) are composed of fine equiaxed sub-grains (θ < 10°) with the grain size less than 1 μm. In addition, the ratio of small angle grain boundaries in the original fibres is as high as 60%.
Figure 5.
The Electron Backscattered Diffraction (EBSD) images of a fibre in original W fibres-a, SPSed-b, HPed-c, HPCRed-d samples: (1) grain boundary and Euler angle map, (2) the inverse pole figures, (3) length-to-diameter ratio, and (4) grain boundary misorientation map.
It is well known that the mechanical properties are determined by the microstructure of materials, so it is necessary to investigate the microstructure of a fibre and matrix in the sintered samples. The microstructure of fibres in the SPSed, HPed and HPCRed samples is clearly demonstrated by the EBSD results as shown in Figure 5b–d, respectively. According to the deformation texture analysis, the grain width at the edge of the fibre in SPSed samples is a little larger than that in the central, as shown in Figure 5(b1). However, the texture of fibre in SPSed samples is <101>, which is consistent with the original fibre, as shown in Figure 5(b2). On the other hand, the average aspect ratio of grains with misorientation angles θ > 10° is about 3.7:1 (Figure 5(b3)). From the grain boundary misorientation map shown in Figure 5(b4), it can be noted that the percentage of grains with misorientation angle <10° decreases from the value of 60% in the original fibre to 31.5%. The elimination of some small angle grain boundaries indicates that partial recrystallization occurred in the SPS sintering process. For the HPed samples the texture of fibre is also <101>, as shown in Figure 5(c1,c3). However, the average aspect ratio of grains with misorientation angles θ >10° is about 3.2:1, as shown in Figure 5(c3), which is a little smaller than that in the SPSed samples. The percentage of grains with misorientation angles θ < 10° decreases to 26.8%, indicating that partial recrystallization occurred in the HP sintering process more severely than in the SPS process. For the HPCRed samples, however, the texture density of fibres in the XO direction decreases, and the orientation disperses along <111> in both the YO and ZO directions as shown in Figure 5(d1,d2). According to Figure 5(d3), the grains become longer and the average aspect ratio is about 5.8:1. Furthermore, the proportion of grains with θ < 10° is increased to 31.6% (Figure 5(d4)). All the variation of the grains in the fibres could be attributed to the rolling process.
As well known, high temperature annealing can result in reduction of dislocation density and elimination of some low-angle grain boundaries [30]. Therefore, during the high temperature sintering, stress in the grain of fibre is gradually released and the number of small angle grain boundaries decreases due to grain growth and coalesce. As a result, the percentage of grains with misorientation angle <10° decreases from the value of 60% in the original fibre to 31.5% in SPSed and 26.8% in the HPed samples. However the grains are still filiform and the texture of fibre in both SPSed and HPed samples is almost same. On the other hand, the cold rolling exhibits the opposite effect to sintering, and after rolling the percentage of grains with misorientation angle <10° increases from 26.8% in the HPed samples to 31.6% in the HPCRed samples. Meanwhile, pressure exerted in the ZO direction could result in grain elongation along the XO direction when sintering. This is why the average length-to-diameter ratio of the grain increased from 5.2:1 in the original fibres to 3.7:1, 3.2:1, and 5.8:1 in the fibres of the SPSed, HPed, and HPCRed samples, respectively.
3.4. Grains of Matrix
In order to research the influence of tungsten fibres on the size and misorientation angle of grains in matrix, the EBSD results of the matrix area near and far away from the tungsten fibres in the SPSed, HPed and HPCRed samples were studied. Figure 6 shows the EBSD results of the tungsten matrix near and far away from a fibre in the SPSed samples. There is no preferred orientation of tungsten grains as shown in the grain boundary—inverse pole figure map (Figure 6(a1)). The average size of grains with misorientation angles θ > 10° is 4.3 μm which is calculated from the distribution range from about 2 to 10 μm (as shown in Figure 6(a2)), while the grains with small misorientation angle (θ < 10°) take a very small proportion (6.8%). As a contrast, Figure 6(b1) shows the EBSD results of the W matrix far away from the fibre in the SPSed samples. There is also no preferred orientation of tungsten grain. However, the average size of grains with misorientation angles θ > 10° and the percentage of grains with a small misorientation angle (θ < 10°) decreases to 3.6 μm and 4.2%, respectively.
Figure 6.
EBSD images of tungsten matrix near the fibre-a, far away from the fibre-b in SPSed samples: (1) grain boundary and IPF map (inset), (2) grain size, and (3) grain boundary misorientation map.
For the HPed samples, the EBSD results of W matrix near and far away from tungsten fibre were shown in Figure 7. Comparing Figure 7(a1) with Figure 7(b1), there is no obvious texture, but the grain size is much different. The average size of grains with large misorientation angle (θ > 10°) is 8.1 μm near the tungsten fibre and 11.4 μm far away from the fibre. In addition, the percentage of grains with small misorientation angle (θ < 10°) near and far away from tungsten fibre in the HPed samples is 7.8% and 12.0%, respectively.
Figure 7.
EBSD images of tungsten matrix near the fibre-a, far away from the fibre-b in HPed samples: (1) grain boundary and IPF map (inset), (2) grain size, and (3) grain boundary misorientation map.
Figure 8 shows the EBSD results of tungsten matrix near and far away from tungsten fibre in the HPCRed samples, which is indicated by white (high-angle grain boundaries) and black lines (low-angle grain boundaries). Intuitively, tungsten grains in the matrix are elongated along the rolling direction in the HPCRed samples and the average grain length/width ratio is about 2.6:1 near the fibre (see Figure 8(a2)) and 2.1:1 away from the fibre (see Figure 8(b2)). There is also a large number of small angle grain boundaries and the proportion of grains with small misorientation angles (θ < 10°) is about 72.7% near the fibre (see Figure 8(a3)) and 78.3% away from the fibre (see Figure 8(b3)).
Figure 8.
EBSD images of tungsten matrix near the fibre-a, far away from the fibre-b in HPCRed samples: (1) grain boundary and IPF map, (2) length-diameter ratio, and (3) grain boundary misorientation map.
To sum up, the EBSD results of all samples were shown in Table 2. It can be seen that the W fibres embedded in the W matrix have great influence on the microstructure of the tungsten matrix during different sample preparation. In the SPS sintering process, because of the non-uniform current distribution and the higher density of fibre than matrix, the temperature is higher in and near the fibre, which can lead to grain growth in the fibre as shown in Figure 6(a1), and result in the lower proportion of small angle grain boundaries (θ < 10°) and the larger grain size near the fibre. However, the exposure time to high temperature is not long enough to make the grains change from the strip-like to the equiaxed in tungsten fibres. In the HP sintering process, although the temperature is more uniform, the long exposure time to high temperature can result in a lower percentage of small angle grain boundaries in the fibre and the larger grain size in the matrix owing to the recrystallization. In the HPCRed samples the plenty of small angle boundaries in the matrix both near and far away from the fibre and the small grain size of W matrix can be attributed to the severe plastic deformation and dynamic recrystallization during rolling, as in the cold rolled pure W samples [31].
Table 2.
Small angle grain boundaries (θ < 10°) and grain size of the original fibre, the fibre and matrix in SPSed, HPed and HPCRed samples.
3.5. Tensile Properties and Fracture Microstructure
Tensile tests were performed at different temperatures for the SPSed, HPed and HPCRed samples, and the curves of engineering stress versus strain were shown in Figure 9. From such curves the average tensile strength (TS) and total elongation at break (TE) at different temperatures can be obtained. For the SPSed and HPed samples, there is almost no plastic deformation at 500 °C. When tested at 600 °C, the TS values of SPSed and HPed samples are 536 and 425 MPa, which are higher than that of pure tungsten [32], while the TE values are 11.6% and 23.0%, respectively. Because the recrystallization occurred in the HP sintering process is more severe than in the SPS process as shown in Figure 6 and Figure 7, the smaller grain size in the matrix can enhance the TS at comparative temperature, and the SPSed samples with the smaller grain size exhibit higher TS. As for the HPCRed samples, it exhibits almost no plastic deformation at 300 °C, but the TS at 300 °C is as high as 816 MPa. When tested at 400 °C, the HPCRed samples undergo observable plastic deformation with a TE of 8.4% and a TS of 784 MPa. At 500 °C, the TE further increase up to 17.5% and the TS reduces to 750 MPa. The fracture energy of the HPCRed samples is obviously larger than that of the SPSed and HPed samples, because the proportion of small angle grain boundaries is higher than others in both the fibres and matrix. The mechanical properties of the composites were studied preliminary, and other methods will be used to improve that.
Figure 9.
Tensile behavior of the Wf/W composites prepared with different methods between 300 °C and 600 °C.
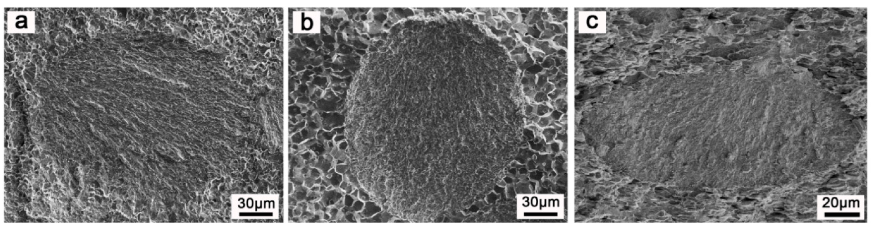
The ductile fracture surfaces of the SPSed, HPed and HPCRed tensile tested specimens were shown in Figure 10. The SPSed (Figure 10a) and HPed samples (Figure 10b) show fibre cracking and necking at 600 °C, which can be seen more clearly from the insets. In the HPCRed samples, fibre crack can be identified in Figure 10(c2) at 400 °C and Figure 10(d2) at 500 °C, whereas the matrix shows intergranular fracture behavior in both cases. This suggests that the enhanced tensile strength of the HPCRed samples over the SPSed and HPed samples can be mainly attributed to the elongated grains. However, a necking behavior instead of a plastic plateau after reaching the ultimate stress makes the HPCR method a bit defective, and whether a modified HPCR method is satisfied to obtain compact and tough Wf/W composites needs more research.
Figure 10.
SEM micrographs of fracture surface in Wf/W composites tensile-tested at different temperatures: (a) SPS-600 °C, (b) HP-600 °C, (c) HPCR-400 °C, and (d) HPCR-500 °C. The insets on the top right corner of (a,b) are the enlarged views over a single fibre.
4. Conclusions
Tungsten-fibre-net-reinforced tungsten composites (Wf/W) containing four layers of nets with enhanced fracture energy were synthesized by three different methods including spark plasma sintering (SPS), hot pressing (HP), and cold rolling after hot pressing (HPCR). The total thickness of the SPSed, HPed and HPCRed samples were 2.18, 3.52 and 2.08 mm, respectively, with corresponding fibre mass fraction of 17.4%, 10.5% and 10.5%, respectively. The microstructure, tensile property and fibre texture of these samples were investigated. The main results derived from such investigations can be concluded as follows:
The relative density of all samples was above 95.10%, while the highest relative density of 99.80% is reached in the HPCRed samples. The hardness of the sintered fibres in all samples is around 537 HV0.2 which is smaller than the value of the original fibres (about 624 HV0.2). The proportion of grains with low misorientation angles <10° decreased from the value of 60% in the original fibre to 27–32%. However, the texture of fibres is not significantly affected by the high temperature (1800 °C) sintering, which is <101> in fibre direction. These results indicate that partial recrystallization of fibres occurred at the 1800 °C sintering processes. To avoid such partial recrystallization of fibres lower sintering temperature should be adopted.
The SPSed and HPed Wf/W composites begin to exhibit ductile behavior at 600 °C. The tensile strength of the SPSed and HPed samples at 600 °C is 536 and 425 MPa, and the total elongation at break is 11.6% and 23.0%, respectively. The HPCRed Wf/W composites however, begin to exhibit plastic deformation at 400 °C, and the TS and TE are 784 MPa and 8.4%, respectively. The enhanced mechanical performance of the Wf/W composites can be attributed to the necking, cracking, and debonding of fibres.
Acknowledgments
This work was supported by the National Magnetic Confinement Fusion Program (Grant No. 2015GB112000), and the National Natural Science Foundation of China (Grant Nos. 51301164, 11274305, 11475216, 11674319, 51601189), and the Anhui Provincial Natural Science Foundation of China (1408085QE77).
Author Contributions
L.Z. and Y.J. carried out all the experiments and prepared the draft of the manuscript. Q.F. and X.W. suggested the original ideas and modified the manuscript. R.L., Z.X., T.Z. and C.L. gave suggestions in the discussion.
Conflicts of Interest
The authors declare no conflict of interest.
References
- Chong, F. Feasibility of employing tungsten for plasma facing material in fusion devices. Mater. Rev. 2016, 30, 39–41. [Google Scholar]
- Hao, J.; Shu, X.; Jin, S.; Zhang, X.; Zhang, Y.; Lu, G.-H. A comparison of interatomic potentials for modeling tungsten nanocluster structures. Nucl. Instrum. Methods Phys. Res. Sect. B Beam Interact. Mater. Atoms 2017, 393, 180–185. [Google Scholar] [CrossRef]
- Wang, K.; Bannister, M.E.; Meyer, F.W.; Parish, C.M. Effect of starting microstructure on helium plasma-materials interaction in tungsten. Acta Mater. 2017, 124, 556–567. [Google Scholar] [CrossRef]
- Hu, X.; Koyanagi, T.; Fukuda, M.; Kumar, N.A.P.K.; Snead, L.L.; Wirth, B.D.; Katoh, Y. Irradiation hardening of pure tungsten exposed to neutron irradiation. J. Nucl. Mater. 2016, 480, 235–243. [Google Scholar] [CrossRef]
- Khan, A.; Elliman, R.; Corr, C.; Lim, J.J.H.; Forrest, A.; Mummery, P.; Evans, L.M. Effect of rhenium irradiations on the mechanical properties of tungsten for nuclear fusion applications. J. Nucl. Mater. 2016, 477, 42–49. [Google Scholar] [CrossRef]
- Van Renterghem, W.; Uytdenhouwen, I. Investigation of the combined effect of neutron irradiation and electron beam exposure on pure tungsten. J. Nucl. Mater. 2016, 477, 77–84. [Google Scholar] [CrossRef]
- Cui, K.; Shen, Y.Z.; Yu, J.; Ji, B. Microstructural characteristics of commercial purity W and W-1% La2O3 alloy. Int. J. Refract. Met. Hard Mater. 2013, 41, 143–151. [Google Scholar] [CrossRef]
- Liu, R.; Xie, Z.M.; Hao, T.; Zhou, Y.; Wang, X.P.; Fang, Q.F.; Liu, C.S. Fabricating high performance tungsten alloys through zirconium micro-alloying and nano-sized yttria dispersion strengthening. J. Nucl. Mater. 2014, 451, 35–39. [Google Scholar] [CrossRef]
- Miao, S.; Xie, Z.M.; Yang, X.D.; Liu, R.; Gao, R.; Zhang, T.; Wang, X.P.; Fang, Q.F.; Liu, C.S.; Luo, G.N.; et al. Effect of hot rolling and annealing on the mechanical properties and thermal conductivity of W-0.5 wt. % TaC alloys. Int. J. Refract. Met. Hard Mater. 2016, 56, 8–17. [Google Scholar] [CrossRef]
- Xie, Z.M.; Liu, R.; Miao, S.; Yang, X.D.; Zhang, T.; Fang, Q.F.; Wang, X.P.; Liu, C.S.; Lian, Y.Y.; Liu, X.; et al. High thermal shock resistance of the hot rolled and swaged bulk W-ZrC alloys. J. Nucl. Mater. 2016, 469, 209–216. [Google Scholar] [CrossRef]
- Kanerva, M.; Johansson, L.S.; Campbell, J.M.; Revitzer, H.; Sarlin, E.; Brander, T.; Saarela, O. Hydrofluoric-nitric-sulphuric-acid surface treatment of tungsten for carbon fibre-reinforced composite hybrids in space applications. Appl. Surf. Sci. 2015, 328, 418–427. [Google Scholar] [CrossRef]
- Shi, X.L.; Wang, M.; Zhang, S.; Zhang, Q.X. Fabrication and properties of W-20Cu alloy reinforced by titanium nitride coated SiC fibers. Int. J. Refract. Met Hard Mater. 2013, 41, 60–65. [Google Scholar] [CrossRef]
- Guo, C.Y.; Zhang, C.B.; He, L.L.; Jin, B.H.; Shi, N.L. Microstructure characterization of long W core SiC fiber. J. Mater. Sci. Technol. 2007, 23, 677–684. [Google Scholar]
- Livramento, V.; Nunes, D.; Correia, J.; Carvalho, P.; Mateus, R.; Hanada, K.; Shohoji, N.; Fernandes, H.; Silva, C.; Alves, E. Tungsten-tantalum composites for plasma facing components. Mater. Energy 2010, 4–8. [Google Scholar]
- Riesch, J.; Buffiere, J.Y.; Hoschen, T.; di Michiel, M.; Scheel, M.; Linsmeier, C.; You, J.H. In situ synchrotron tomography estimation of toughening effect by semi-ductile fibre reinforcement in a tungsten-fibre-reinforced tungsten composite system. Acta Mater. 2013, 61, 7060–7071. [Google Scholar] [CrossRef]
- Jiang, Y.; Zhang, L.H.; Fang, Q.F.; Zhang, T.; Wang, X.P.; Hao, T.; Liu, C.S. Toughness enhancement of tungsten reinforced with short tungsten fibres. Mater. Sci. Eng. A 2017, 690, 208–213. [Google Scholar] [CrossRef]
- Riesch, J.; Hoschen, T.; Linsmeier, C.; Wurster, S.; You, J.H. Enhanced toughness and stable crack propagation in a novel tungsten fibre-reinforced tungsten composite produced by chemical vapor infiltration. Phys. Scr. 2014, T159, 1–8. [Google Scholar] [CrossRef]
- Riesch, J.; Aumann, M.; Coenen, J.W.; Gietl, H.; Holzner, G.; Höschen, T.; Huber, P.; Li, M.; Linsmeier, C.; Neu, R. Chemically deposited tungsten fibre-reinforced tungsten—The way to a mock-up for divertor applications. Nucl. Mater. Energy 2016, 9, 75–83. [Google Scholar] [CrossRef]
- Du, J.; Hoschen, T.; Rasinski, M.; You, J.H. Interfacial fracture behavior of tungsten wire/tungsten matrix composites with copper-coated interfaces. Mater. Sci. Eng. A Struct. Mater. Prop. Microstruct. Process. 2010, 527, 1623–1629. [Google Scholar] [CrossRef]
- Du, J.; Hoschen, T.; Rasinski, M.; Wurster, S.; Grosinger, W.; You, J.H. Feasibility study of a tungsten wire-reinforced tungsten matrix composite with ZrOx interfacial coatings. Compos. Sci. Technol. 2010, 70, 1482–1489. [Google Scholar] [CrossRef]
- Du, J.; Hoeschen, T.; Rasinski, M.; You, J.H. Shear debonding behavior of a carbon-coated interface in a tungsten fiber-reinforced tungsten matrix composite. J. Nucl. Mater. 2011, 417, 472–476. [Google Scholar] [CrossRef]
- Jasper, B.; Coenen, J.W.; Riesch, J.; Höschen, T.; Bram, M.; Linsmeier, C. Powder metallurgical tungsten fiber-reinforced tungsten. Mater. Sci. Forum 2015, 825–826, 125–133. [Google Scholar] [CrossRef]
- Coenen, J.W.; Mao, Y.; Almanstötter, J.; Calvo, A.; Sistla, S.; Gietl, H.; Jasper, B.; Riesch, J.; Rieth, M.; Pintsuk, G.; et al. Advanced materials for a damage resilient divertor concept for DEMO: Powder-metallurgical tungsten-fibre reinforced tungsten. Fusion Eng. Des. 2016. [Google Scholar] [CrossRef]
- Zhang, L.H.; Jiang, Y.; Fang, Q.F.; Zhang, T.; Wang, X.P.; Liu, C.S. Toughness and microstructure of tungsten fibre net-reinforced tungsten composite produced by spark plasma sintering. Mater. Sci. Eng. A Struct. Mater. Prop. Microstruct. Process. 2016, 659, 29–36. [Google Scholar] [CrossRef]
- Huang, Q.Y.; Tang, A.T.; Ma, S.D.; Pan, H.C.; Song, B.; Gao, Z.Y.; Rashad, M.; Pan, F.S. Enhancing thermal conductivity of Mg-Sn alloy sheet by cold rolling and aging. J. Mater. Eng. Perform. 2016, 25, 2356–2363. [Google Scholar] [CrossRef]
- Xie, Z.M.; Liu, R.; Fang, Q.F.; Zhou, Y.; Wang, X.P.; Liu, C.S. Spark plasma sintering and mechanical properties of zirconium micro-alloyed tungsten. J. Nucl. Mater. 2014, 444, 175–180. [Google Scholar] [CrossRef]
- Zeng, L.F.; Gao, R.; Fang, Q.F.; Wang, X.P.; Xie, Z.M.; Miao, S.; Hao, T.; Zhang, T. High strength and thermal stability of bulk Cu/Ta nanolamellar multilayers fabricated by cross accumulative roll bonding. Acta Mater. 2016, 110, 341–351. [Google Scholar] [CrossRef]
- Zhang, B.; Fu, H.M.; Sha, P.F.; Zhu, Z.W.; Dong, C.; Zhang, H.F.; Hu, Z.Q. Anisotropic compressive deformation behaviors of tungsten fiber reinforced Zr-based metallic glass composites. Mater. Sci. Eng. A Struct. Mater. Prop. Microstruct. Process. 2013, 566, 16–21. [Google Scholar] [CrossRef]
- Chen, Z.C.; Zuo, T.Y.; Zhou, M.L. The recrystallization mechanism of doped tungsten wire. J. Mater. Sci. Lett. 1990, 9, 782–784. [Google Scholar]
- Xia, F.; Wang, M.; Li, Z.; Wei, H.; Chen, C.; Jia, Y.; Lei, Q. Recrystallization and texture of tungsten strip. J. Cent. South Univ. Sci. Technol. 2013, 44, 1359–1366. [Google Scholar]
- Reiser, J.; Hoffmann, J.; Jantsch, U.; Klimenkov, M.; Bonk, S.; Bonnekoh, C.; Rieth, M.; Hoffmann, A.; Mrotzek, T. Ductilisation of tungsten (W): On the shift of the brittle-to-ductile transition (BDT) to lower temperatures through cold rolling. Int. J. Refract. Met. Hard Mater. 2016, 54, 351–369. [Google Scholar] [CrossRef]
- Xie, Z.M.; Zhang, T.; Liu, R.; Fang, Q.F.; Miao, S.; Wang, X.P.; Liu, C.S. Grain growth behavior and mechanical properties of zirconium microalloyed and nano-size zirconium carbide dispersion strengthened tungsten alloys. Int. J. Refract. Met. Hard Mater. 2015, 51, 180–187. [Google Scholar] [CrossRef]
© 2017 by the authors. Licensee MDPI, Basel, Switzerland. This article is an open access article distributed under the terms and conditions of the Creative Commons Attribution (CC BY) license (http://creativecommons.org/licenses/by/4.0/).









