Effect of Trace Rare Earth Elements (Ce) on the Corrosion Resistance of High-Strength Weathering Bridge Steels
Abstract
1. Introduction
2. Materials and Methods
2.1. Experimental Materials
2.2. Experimental Methods
3. Results
3.1. Mechanism of Rare Earth Element Ce on Inclusions
3.2. Simulated Marine Atmospheric Environment
3.2.1. Corrosion Rate
3.2.2. Corrosion Macroscopic Morphology
3.2.3. Micro-Morphology of Corrosion Products
3.2.4. Cross-Section Morphology and Element Distribution of the Rust Layer of Q370qENH Steel with Different Ce Contents
3.2.5. Analysis of Corrosion Products
3.3. Analysis of the Properties of Corrosion Products in Outdoor Exposure Experiments
3.3.1. Macroscopic Morphology of Outdoor Exposure Corrosion
3.3.2. Outdoor Exposure Corrosion Micro-Morphology
3.3.3. Corrosion Products
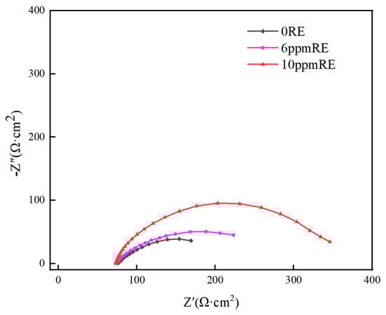
3.4. Electrochemical Properties Analysis of Trace Rare Earth Elements in the Corrosion Products of Q370qENH Bridge Steel
3.4.1. Polarization Curve
3.4.2. Electrochemical Impedance Spectroscopy
4. Conclusions
Author Contributions
Funding
Data Availability Statement
Acknowledgments
Conflicts of Interest
References
- Wang, Z.; Liu, J.; Wu, L.; Han, R.; Sun, Y. Study of the corrosion behavior of weathering steels in atmospheric environments. Corros. Sci. 2013, 67, 1–10. [Google Scholar] [CrossRef]
- Morozov, Y.; Calado, L.; Shakoor, R.; Raj, R.; Kahraman, R.; Taryba, M.; Montemor, M. Epoxy coatings modified with a new cerium phosphate inhibitor for smart corrosion protection of steel. Corros. Sci. 2019, 159, 108128. [Google Scholar] [CrossRef]
- Guo, A.; Zou, D. Current situation of steel for bridges in China and the development of weathering-resistant bridge steel. China Steel 2008, 9, 18–23. [Google Scholar]
- Díaz, I.; Cano, H.; Lopesino, P.; De la Fuente, D.; Chico, B.; Jiménez, J.A.; Medina, S.F.; Morcillo, M. Five-year atmospheric corrosion of Cu, Cr, and Ni weathering steels in a wide range of environments. Corros. Sci. 2018, 141, 146–157. [Google Scholar] [CrossRef]
- Morcillo, M.; Díaz, I.; Chico, B.; Cano, H.; de la Fuente, D. Weathering steels: From empirical development to scientific design. A review. Corros. Sci. 2014, 83, 6–31. [Google Scholar] [CrossRef]
- Liu, C.; Revilla, R.I.; Liu, Z.; Zhang, D.; Li, X.; Terryn, H. Effect of inclusions modified by rare earth elements (Ce, La) on localized marine corrosion in Q460NH weathering steel. Corros. Sci. 2017, 129, 82–90. [Google Scholar] [CrossRef]
- Lian, X.; Zhao, H.; Chen, L.; Liu, T.; Feng, Q.; Li, H.; Shi, Y.; Dong, H. Effects of Rare Earth Elements on Microstructure and Corrosion Resistance of Low Alloy Steel Based on Ultra-Thin Cast Strip Process. Metal 2023, 13, 66. [Google Scholar] [CrossRef]
- Hou, Y.; Zhou, S.; Li, G.; Moelans, N. Study on the Occurrence State of Lanthanum in Rust Layer and Mechanism of Its Influence on Invasion State of Corrosion Atoms. Steel Res. Int. 2023, 93, 2200166. [Google Scholar] [CrossRef]
- Liu, Z.; Lian, X.; Liu, T.; Yang, Y.; Zhu, J.; Dong, H. Effects of rare earth elements on corrosion behaviors of low-carbon steels and weathering steels. Mater. Corros. 2019, 71, 258–266. [Google Scholar] [CrossRef]
- Qinmu, Y.; Xiong, Y.; Weiyu, Y. Development of Q690CF high strength steel containing rare earth in Baotou Steel. Baogang Sci. Technol. 2020, 46, 52–55. [Google Scholar]
- Yang, X.; Wei, H.; Wang, Q.; Huang, L. Development of high-performance rare earth weathering bridge steel Q345qFNH. Hot Work. Process 2022, 51, 93–96. [Google Scholar]
- Lian, X.; Zhu, J.; Wang, R.; Liu, T.; Xu, J.; Xu, D.; Dong, H. Effects of Rare Earth (Ce and La) on Steel Corrosion Behaviors under Wet-Dry Cycle Immersion Conditions. Corros. Sci. 2020, 10, 1174. [Google Scholar] [CrossRef]
- Gong, W.; Yang, B.; Chen, H.; Chen, Y.; Shen, X.; Hao, W.; Wang, X.; Huang, L. Effects of Ce-La rare earth microalloying on the microstructure and corrosion characteristics of Q420 high-strength steel. Int. J. Electrochem. Sci. 2023, 18, 100242. [Google Scholar] [CrossRef]
- Misawa, T.; Asami, K.; Hashimoto, K.; Shimodaira, S. The mechanism of atmospheric rusting and the protective amorphous rust on low alloy steel. Cheminform 1974, 5, 279–289. [Google Scholar] [CrossRef]
- Zhang, T.; Hao, L.; Jiang, Z.; Liu, C.; Zhu, L.; Cheng, X.; Liu, Z.; Wang, N.; Li, X. Investigation of rare earth (RE) on improving the corrosion resistance of Zr-Ti deoxidized low alloy steel in the simulated tropic marine atmospheric environment. Corros. Sci. 2023, 221, 111335. [Google Scholar] [CrossRef]
- Ruifeng, D.; Hua, L.; Xiaoyu, Z.; Xiangtao, D.; Qingling, C.; Jiquan, C.; Xiong, Y.; Jianwei, L. The influence of rare earth elements lanthanum on corrosion resistance of steel plate for offshore platform. Mater. Res. Express 2021, 8, 096526. [Google Scholar] [CrossRef]
- Xiaoyu, Z.; Ruifeng, D.; Bo, G.; Jiquan, C.; Zhipeng, M.; Weizhe, Z.; Xiong, Y. Effect of trace rare earth elements(Ce) on corrosion resistance of high strength steel used for offshore platform. Mater. Res. Express 2023, 10, 036514. [Google Scholar] [CrossRef]
- GB/T 714-2015; Structural Steel for Bridge. China Standards Press: Beijing, China, 2015.
- GB/T 228.1-2010; Tensile Test of Metal Materials Part 1: Room Temperature Test Method. China Standards Press: Beijing, China, 2011.
- GB/T10125-2012; Salt Spray Test of Artificial Atmosphere Corrosion Test. China Standards Press: Beijing, China, 2012.
- GB/T 14165-2008; Corrosion of Metals and Alloys-Atmospheric Corrosion Testing-General Requirements for Field Tests. China Standards Press: Beijing, China, 2008.
- ASTM G 1-03; Standard Practice for Preparing, Cleaning, and Evaluating Corrosion Test Specimens. American Association for Materials and Testing: West Conshohocken, PA, USA, 2017.
- Cao, Y.; Li, G.; Hou, Y.; Moelans, N.; Guo, M. DFT study on the mechanism of inclusion-induced initial pitting corrosion of Al-Ti-Ca complex deoxidized steel with Ce treatment. Phys. B-Condens. Matter 2019, 558, 10–19. [Google Scholar] [CrossRef]
- Niu, G.; Yuan, R.; Misra, R.D.K.; Gong, N.; Zhang, Z.-H.; Chen, H.-X.; Wu, H.-B.; Shang, C.-J.; Mao, X.-P. Effect of La on the Corrosion Behavior and Mechanism of 3Ni Weathering Steel in a Simulated Marine Atmospheric Environment. Acta Metall. Sin. 2024, 37, 308–324. [Google Scholar] [CrossRef]
- Changer, C. Surface treatment technology for atmospheric corrosion-resistant steel plates in Japan. Mater. Prot. 1999, 22, 9. [Google Scholar]
- Yang, J.; Lu, Y.; Guo, Z.; Gu, J.; Gu, C. Corrosion behaviour of a quenched and partitioned medium carbon steel in 3.5wt.%NaCl solution. Corros. Sci. 2018, 130, 64–75. [Google Scholar] [CrossRef]
- Zhang, S.; Liu, J.; Tang, M.; Zhang, X.; Wu, K. Role of rare earth elements on the improvement of corrosion resistance of micro-alloyed steels in 3.5wt.%NaCl solution. J. Mater. Res. Technol. 2021, 11, 519–534. [Google Scholar] [CrossRef]
- Wang, R.; Chen, L.; Zhi, J.; Lian, X.; Guo, L.; Dong, H. Corrosion Behavior of Weathering Steels with Different Contents of Rare Earth Elements La and Ce. Corrosion 2022, 75, 437–448. [Google Scholar] [CrossRef] [PubMed]
- Tuttle, R.B. Study of Rare Earth Additions Effect on the Solidification and Properties of 4130 Steel. J. Mater. Eng Perform 2019, 28, 6720–6727. [Google Scholar] [CrossRef]
- Li, C.; Wang, X.; Jiang, S.; Chen, X.; Weng, Y.; Weng, Y.; Zhang, J.; Zhang, D. Study of the Effect of Rare Earths on Corrosion Resistance of Mild Steels. Chin. Rare Earths 2005, 6, 23–28. [Google Scholar]
- Zhang, Q.C.; Wu, J.S.; Wang, J. Corrosion behavior of weathering steel in marine atmosphere. Mater. Chem. Phys. 2003, 77, 603–608. [Google Scholar] [CrossRef]
- Li, L.; Zhong, B.; Gao, P.; Ai, F.; Xu, X.; Chen, Y.; Xiao, Y. Atmospheric corrosion properties of Q690qENH steel exposed for two years. Corros. Prot. 2015, 36, 5–10. [Google Scholar]
- Zhou, L.; Yang, S. Atmospheric corrosion of steels for offshore engineering and development of weathering steels. China Metall. 2022, 32, 7–24. [Google Scholar]
- Arroyave, C.; Morcillo, M. Atmospheric corrosion products in iron and steels. Trends Corros. Res. 1997, 32, 1–16. [Google Scholar]
- Tomiello, S.S.; Echeverrigaray, F.G.; Crespi, Â.E.; Larrude, D.G.; Marino, C.E.; Birriel, E.J.; Aguzzoli, C.; Baumvol, I.J.; Figueroa, C.A. Influence of Surface Microstructure and Chemical Composition on the Corrosion Resistance of Plain Steel Modified by Plasma-Assisted Diffusion. Corrosion 2013, 70, 271–282. [Google Scholar] [CrossRef]
- Miyuki, H.; Yamashita, M.; Fujiwara, M.; Misawa, T. Ion selective properties of rust membranes and protective effect of stable rust layer formed on weathering steel. Zair. Kankyo 2009, 47, 186–192. [Google Scholar] [CrossRef]


















| Simple | C | Si | Mn | P | S | Nb | Ni | Ti | Cr | Cu | Ce |
|---|---|---|---|---|---|---|---|---|---|---|---|
| 1# | 0.08 | 0.24 | 1.2 | <0.012 | <0.002 | 0.045 | 0.378 | 0.015 | 0.536 | 0.405 | - |
| 2# | 0.08 | 0.24 | 1.21 | <0.012 | <0.002 | 0.042 | 0.343 | 0.016 | 0.584 | 0.456 | 0.0006 |
| 3# | 0.07 | 0.25 | 1.19 | <0.012 | <0.002 | 0.042 | 0.379 | 0.016 | 0.548 | 0.415 | 0.0010 |
| Sample | ReH/MPa | Rm/MPa | A/% |
|---|---|---|---|
| 1# | 479 ± 3 | 570 ± 6 | 35.1% |
| 2# | 460 ± 5 | 560 ± 4 | 34.91% |
| 3# | 477 ± 8 | 580 ± 3 | 34.28% |
| Sample | Fe3O4 | α-FeOOH | γ-FeOOH | β-FeOOH | α/γ* |
|---|---|---|---|---|---|
| 1# (0RE) | 26.9% | 22.6% | 38.4% | 12.1 | 0.26 |
| 2# (6 ppm RE) | 27.9% | 24.7% | 35.9% | 11.5 | 0.353 |
| 3# (10 ppm RE) | 29.9% | 25.4% | 35.4% | 9.3 | 0.414 |
| Parameter | Unit | X (Mean Value) |
|---|---|---|
| Relative humidity | (%) | 71 |
| T | ℃ | 12.3 |
| Cl−1 | mg/(dm2·d) | 0.188 |
| SO2 | mg/(dm2·d) | 0.067 |
| Precipitation and sun | (mm·a−1) × (h·a−1)/106 | 561.7 × 1944/106 |
| Numbering | RE/% | Corrosion Rate mm/a |
|---|---|---|
| 1# | 0 | 0.0752 |
| 2# | 0.0006 | 0.0669 |
| 3# | 0.001 | 0.0665 |
| Sample | Fe3O4 | γ-FeOOH | α-FeOOH | α/γ* |
|---|---|---|---|---|
| 1# (0RE) | 32.5% | 54.6% | 12.9% | 0.15 |
| 2# (6 ppm RE) | 33.1% | 50.1% | 16.8% | 0.20 |
| 3# (10 ppm RE) | 35.5% | 46.4% | 18.1% | 0.22 |
| Sample | −Ecorr/(V) | Icorr/(μA·cm−2) |
|---|---|---|
| 1# (0RE) | 0.599 | 477 |
| 2# (6 ppm RE) | 0.571 | 330 |
| 3# (10 ppm RE) | 0.485 | 319 |
| Sample | Rs (Ω·cm2) | N | CPE, Y0 (Ω−1·cm−2·sn) | Rct (Ω·cm2) |
|---|---|---|---|---|
| 1# (0RE) | 75.83 | 0.613 | 0.01574 | 149 |
| 2# (6 ppm RE) | 72.57 | 0.604 | 0.00445 | 218.3 |
| 3# (10 ppm RE) | 72.87 | 0.763 | 0.00094 | 283.5 |
Disclaimer/Publisher’s Note: The statements, opinions and data contained in all publications are solely those of the individual author(s) and contributor(s) and not of MDPI and/or the editor(s). MDPI and/or the editor(s) disclaim responsibility for any injury to people or property resulting from any ideas, methods, instructions or products referred to in the content. |
© 2025 by the authors. Licensee MDPI, Basel, Switzerland. This article is an open access article distributed under the terms and conditions of the Creative Commons Attribution (CC BY) license (https://creativecommons.org/licenses/by/4.0/).
Share and Cite
Chen, J.; Dong, R.; Lei, Y.; Zhou, P.; Yang, X.; Fan, L. Effect of Trace Rare Earth Elements (Ce) on the Corrosion Resistance of High-Strength Weathering Bridge Steels. Metals 2025, 15, 85. https://doi.org/10.3390/met15010085
Chen J, Dong R, Lei Y, Zhou P, Yang X, Fan L. Effect of Trace Rare Earth Elements (Ce) on the Corrosion Resistance of High-Strength Weathering Bridge Steels. Metals. 2025; 15(1):85. https://doi.org/10.3390/met15010085
Chicago/Turabian StyleChen, Jiquan, Ruifeng Dong, Yuansu Lei, Peiying Zhou, Xiong Yang, and Lifeng Fan. 2025. "Effect of Trace Rare Earth Elements (Ce) on the Corrosion Resistance of High-Strength Weathering Bridge Steels" Metals 15, no. 1: 85. https://doi.org/10.3390/met15010085
APA StyleChen, J., Dong, R., Lei, Y., Zhou, P., Yang, X., & Fan, L. (2025). Effect of Trace Rare Earth Elements (Ce) on the Corrosion Resistance of High-Strength Weathering Bridge Steels. Metals, 15(1), 85. https://doi.org/10.3390/met15010085

