Microstructural Insights into Solid Particle Erosion in a High-Chromium Cast Iron
Abstract
1. Introduction
2. Materials and Methods
3. Results and Discussion
4. Conclusions
- -
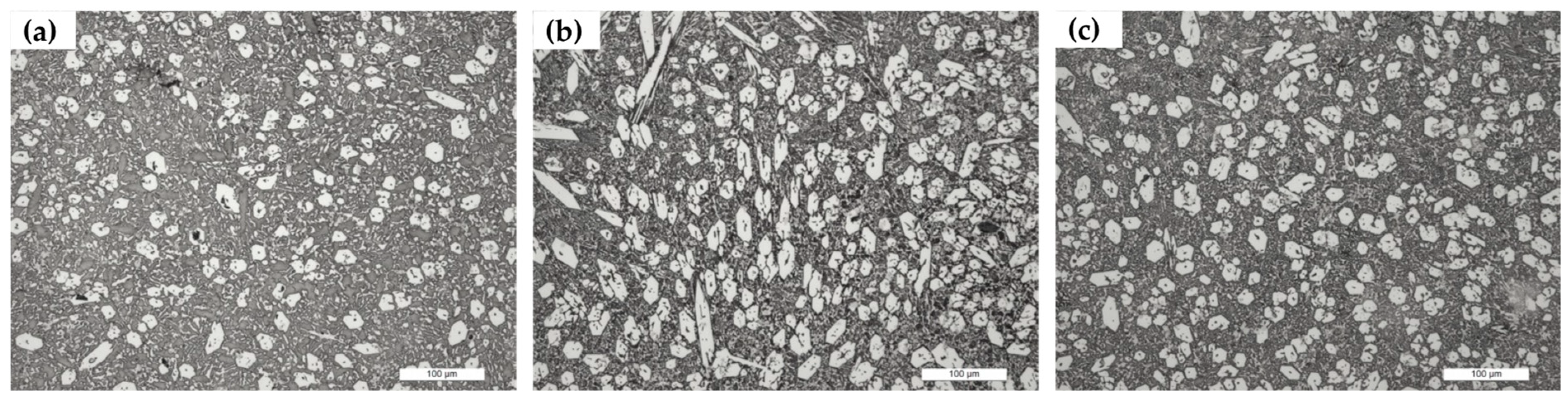
- detailed quantitative microstructural analyses revealed that the CVF parameter was comparable across samples;
- -
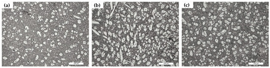
- erosion tests comprised two mean particle diameters of the ARD powder (dmean = 4.8 μm, labeled as UF, and dmean = 25.5 μm, labeled as M). Tests conducted at equal particle kinetic energy and CVF revealed varying damage levels in the substrates, highlighting that impact conditions, particularly velocity, outweigh the contribution of CVF alone. With UF powder, the HCCI substrate experienced markedly higher erosion rates (ER = 63.9 µg/g), characterized by severe surface damage and localized material removal. Conversely, M powder promoted lower erosion rates (ER = 4.1 µg/g) with minimal deformation;
- -
- the erosion tests demonstrated a significant dependence of ER on the size and velocity of erodent particles, with smaller, faster particles causing more severe erosion (ER = 63.9 µg/g) due to their higher localized impact. Conversely, larger particles produced less pronounced wear (ER = 4.1 µg/g), inducing negligible deformation since the original microstructural features are still evident.
Author Contributions
Funding
Data Availability Statement
Acknowledgments
Conflicts of Interest
References
- Budinski, K.G. Solid Particle Erosion. In Friction, Wear, and Erosion Atlas; CRC Press: Boca Raton, FL, USA, 2013; pp. 125–138. [Google Scholar]
- Tarodiya, R.; Levy, A. Surface Erosion Due to Particle-Surface Interactions—A Review. Powder Technol. 2021, 387, 527–559. [Google Scholar] [CrossRef]
- Ruff, A.W.; Wiederhorn, S.M. Erosion by Solid Particle Impact. In Treatise on Materials Science and Technology; Academic Press: Cambridge, MA, USA, 1979. [Google Scholar]
- Kleis, I.; Kulu, P. Solid Particle Erosion; Springer: London, UK, 2008; ISBN 978-1-84800-028-5. [Google Scholar]
- Fortini, A.; Suman, A.; Zanini, N. An Experimental and Numerical Study of the Solid Particle Erosion Damage in an Industrial Cement Large-Sized Fan. Eng. Fail. Anal. 2023, 146, 107058. [Google Scholar] [CrossRef]
- Grant, G.; Tabakoff, W. Erosion Prediction in Turbomachinery Resulting from Environmental Solid Particles. J. Aircr. 1975, 12, 471–478. [Google Scholar] [CrossRef]
- Alqallaf, J.; Ali, N.; Teixeira, J.A.; Addali, A. Solid Particle Erosion Behaviour and Protective Coatings for Gas Turbine Compressor Blades—A Review. Processes 2020, 8, 984. [Google Scholar] [CrossRef]
- Parsi, M.; Najmi, K.; Najafifard, F.; Hassani, S.; McLaury, B.S.; Shirazi, S.A. A Comprehensive Review of Solid Particle Erosion Modeling for Oil and Gas Wells and Pipelines Applications. J. Nat. Gas Sci. Eng. 2014, 21, 850–873. [Google Scholar] [CrossRef]
- Bousser, E.; Martinu, L.; Klemberg-Sapieha, J.E. Solid Particle Erosion Mechanisms of Protective Coatings for Aerospace Applications. Surf. Coat. Technol. 2014, 257, 165–181. [Google Scholar] [CrossRef]
- Aldi, N.; Casari, N.; Pinelli, M.; Suman, A.; Vulpio, A.; Saccenti, P. Performance Modification of an Erosion-Damaged Large-Sized Centrifugal Fan. In Volume 1: Aircraft Engine; Fans and Blowers; Marine; Wind Energy; Scholar Lecture; American Society of Mechanical Engineers: Houston, TX, USA, 7 June 2021. [Google Scholar]
- Liebhard, M.; Levy, A. The Effect of Erodent Particle Characteristics on the Erosion of Metals. Wear 1991, 151, 381–390. [Google Scholar] [CrossRef]
- Ediriweera, M.; Chladek, J.; Ratnayake, C. Effect of Impact Angle, Exposure Time, and Particle Size on Impact Erosion. Part. Sci. Technol. 2021, 39, 10–18. [Google Scholar] [CrossRef]
- Desale, G.R.; Paul, C.P.; Gandhi, B.K.; Jain, S.C. Erosion Wear Behavior of Laser Clad Surfaces of Low Carbon Austenitic Steel. Wear 2009, 266, 975–987. [Google Scholar] [CrossRef]
- Nguyen, V.B.; Nguyen, Q.B.; Zhang, Y.W.; Lim, C.Y.H.; Khoo, B.C. Effect of Particle Size on Erosion Characteristics. Wear 2016, 348–349, 126–137. [Google Scholar] [CrossRef]
- Oka, Y.I.; Okamura, K.; Yoshida, T. Practical Estimation of Erosion Damage Caused by Solid Particle Impact: Part 1: Effects of Impact Parameters on a Predictive Equation. Wear 2005, 259, 95–101. [Google Scholar] [CrossRef]
- Abdian, K.; Eslami, A.; Ashrafizadeh, F.; Fadaeifard, F.; Yingxin, G.; Mendez, P.; Barnes, N. Solid Particles Erosion Performance of a Fe–Cr–C Chromium Carbide Overlay. Metallogr. Microstruct. Anal. 2023, 12, 1055–1061. [Google Scholar] [CrossRef]
- Goodwin, J.E.; Sage, W.; Tilly, G.P. Study of Erosion by Solid Particles. Proc. Inst. Mech. Eng. 1969, 184, 279–292. [Google Scholar] [CrossRef]
- Lindsley, B.A.; Marder, A.R. The Effect of Velocity on the Solid Particle Erosion Rate of Alloys. Wear 1999, 225–229, 510–516. [Google Scholar] [CrossRef]
- Lin, F.Y.; Shao, H.S. Effect of Impact Velocity on Slurry Erosion and a New Design of a Slurry Erosion Tester. Wear 1991, 143, 231–240. [Google Scholar] [CrossRef]
- Sapate, S.G.; RamaRao, A.V. Effect of Erodent Particle Hardness on Velocity Exponent in Erosion of Steels and Cast Irons. Mater. Manuf. Process. 2003, 18, 783–802. [Google Scholar] [CrossRef]
- Badisch, E.; Roy, M. Hardfacing for Wear, Erosion and Abrasion. In Surface Engineering for Enhanced Performance Against Wear; Springer: Vienna, Austria, 2013; pp. 149–191. [Google Scholar]
- Chatterjee, S.; Pal, T.K. Solid Particle Erosion Behaviour of Hardfacing Deposits on Cast Iron—Influence of Deposit Microstructure and Erodent Particles. Wear 2006, 261, 1069–1079. [Google Scholar] [CrossRef]
- Jindal, C.; Singh Sidhu, B.; Kumar, P.; Singh Sidhu, H. Performance of Hardfaced/Heat Treated Materials under Solid Particle Erosion: A Systematic Literature Review. Mater. Today Proc. 2022, 50, 629–639. [Google Scholar] [CrossRef]
- Singla, Y.K.; Maughan, M.R.; Arora, N.; Dwivedi, D.K. Enhancing the Wear Resistance of Iron-Based Alloys: A Comprehensive Review of Alloying Element Effects. J. Manuf. Process. 2024, 120, 135–160. [Google Scholar] [CrossRef]
- Suman, A.; Fortini, A. Effects of Heat Treatment and Erosion Particle Size on Erosion Resistance of a Hypereutectic High-Chromium Cast Iron. Coatings 2024, 14, 66. [Google Scholar] [CrossRef]
- Sapate, S.; Rama Rao, A. Effect of Carbide Volume Fraction on Erosive Wear Behaviour of Hardfacing Cast Irons. Wear 2004, 256, 774–786. [Google Scholar] [CrossRef]
- Sapate, S.G.; RamaRao, A.V. Erosive Wear Behaviour of Weld Hardfacing High Chromium Cast Irons: Effect of Erodent Particles. Tribol. Int. 2006, 39, 206–212. [Google Scholar] [CrossRef]
- Stevenson, A.N.J.; Hutchings, I.M. Wear of Hardfacing White Cast Irons by Solid Particle Erosion. Wear 1995, 186, 150–158. [Google Scholar] [CrossRef]
- Finnie, I. Erosion of Surfaces by Solid Particles. Wear 1960, 3, 87–103. [Google Scholar] [CrossRef]
- Shitole, P.P.; Gawande, S.H.; Desale, G.R.; Nandre, B.D. Effect of Impacting Particle Kinetic Energy on Slurry Erosion Wear. J. Bio-Tribo-Corros. 2015, 1, 29. [Google Scholar] [CrossRef]
- ASTM G76-18; Standard Test Method for Conducting Erosion Tests by Solid Particle Impingement Using Gas Jets. ASTM International: West Conshohocken, PA, USA, 2018.
- ISO 12103-1:2016; Road Vehicles—Test Contaminants for Filter Evaluation—Part 1: Arizona Test Dust. ISO: Geneva, Switzerland, 2016.
- Schneider, C.A.; Rasband, W.S.; Eliceiri, K.W. NIH Image to ImageJ: 25 Years of Image Analysis. Nat. Methods 2012, 9, 671–675. [Google Scholar] [CrossRef]
- Fortini, A.; Suman, A.; Vulpio, A.; Merlin, M.; Pinelli, M. Microstructural and Erosive Wear Characteristics of a High Chromium Cast Iron. Coatings 2021, 11, 490. [Google Scholar] [CrossRef]
- Liu, S.; Zhou, Y.; Xing, X.; Wang, J.; Ren, X.; Yang, Q. Growth Characteristics of Primary M7C3 Carbide in Hypereutectic Fe-Cr-C Alloy. Sci. Rep. 2016, 6, 32941. [Google Scholar] [CrossRef] [PubMed]
- Li, P.; Yang, Y.; Shen, D.; Gong, M.; Tian, C.; Tong, W. Mechanical Behavior and Microstructure of Hypereutectic High Chromium Cast Iron: The Combined Effects of Tungsten, Manganese and Molybdenum Additions. J. Mater. Res. Technol. 2020, 9, 5735–5748. [Google Scholar] [CrossRef]
- Imurai, S.; Thanachayanont, C.; Pearce, J.T.H.; Tsuda, K.; Chairuangsri, T. Effects of W on Microstructure of As-Cast 28 Wt.%Cr–2.6 Wt.%C–(0–10)Wt.%W Irons. Mater. Charact. 2015, 99, 52–60. [Google Scholar] [CrossRef]
- He-Xing, C.; Zhe-Chuan, C.; Jin-Cai, L.; Huai-Tao, L. Effect of Niobium on Wear Resistance of 15%Cr White Cast Iron. Wear 1993, 166, 197–201. [Google Scholar] [CrossRef]
- Bedolla-Jacuinde, A. Microstructure of Vanadium-, Niobium- and Titanium-Alloyed High-Chromium White Cast Irons. Int. J. Cast Met. Res. 2001, 13, 343–361. [Google Scholar] [CrossRef]
- Jain, A.-S.; Chang, H.; Tang, X.; Hinckley, B.; Zhang, M.-X. Refinement of Primary Carbides in Hypereutectic High-Chromium Cast Irons: A Review. J. Mater. Sci. 2021, 56, 999–1038. [Google Scholar] [CrossRef]
- de Melo, I.N.R.; da Silva, A.E.; de Faria, F.G.; Pinheiro, I.P.; da Silva, L.R.; Paniago, R.M. Influence of Niobium Adding on the Microstructure and Abrasive Wear Resistance of a Heat-Treated High-Chromium Near-Eutectic Cast Iron Alloy. Mater. Res. 2022, 25, e20210562. [Google Scholar] [CrossRef]
- Pourasiabi, H.; Gates, J.D. Effects of Niobium Macro-Additions to High Chromium White Cast Iron on Microstructure, Hardness and Abrasive Wear Behaviour. Mater. Des. 2021, 212, 110261. [Google Scholar] [CrossRef]
- Fortini, A.; Suman, A.; Zanini, N.; Cruciani, G. Erosive Wear Behavior of High-Chromium Cast Iron: Combined Effect of Erodent Powders and Destabilization Heat Treatments. Coatings 2022, 12, 1218. [Google Scholar] [CrossRef]
- Tabrett, C.; Sare, I. Effect of High Temperature and Sub-Ambient Treatments on the Matrix Structure and Abrasion Resistance of a High-Chromium White Iron. Scr. Mater. 1998, 38, 1747–1753. [Google Scholar] [CrossRef]
- Scandian, C.; Boher, C.; de Mello, J.D.B.; Rézaï-Aria, F. Effect of Molybdenum and Chromium Contents in Sliding Wear of High-Chromium White Cast Iron: The Relationship between Microstructure and Wear. Wear 2009, 267, 401–408. [Google Scholar] [CrossRef]
- Chung, R.J.; Tang, X.; Li, D.Y.; Hinckley, B.; Dolman, K. Microstructure Refinement of Hypereutectic High Cr Cast Irons Using Hard Carbide-Forming Elements for Improved Wear Resistance. Wear 2013, 301, 695–706. [Google Scholar] [CrossRef]
- Lin, C.-M.; Chang, C.-M.; Chen, J.-H.; Hsieh, C.-C.; Wu, W. Microstructural Evolution of Hypoeutectic, Near-Eutectic, and Hypereutectic High-Carbon Cr-Based Hard-Facing Alloys. Metall. Mater. Trans. A 2009, 40, 1031–1038. [Google Scholar] [CrossRef]
- Khvan, A.V.; Hallstedt, B.; Broeckmann, C. A Thermodynamic Evaluation of the Fe–Cr–C System. Calphad 2014, 46, 24–33. [Google Scholar] [CrossRef]







| Composition (wt.%)—Fe Balance | |||||||
|---|---|---|---|---|---|---|---|
| C | Mn | Si | Cr | Mo | Nb | W | V |
| 4.15 | 0.56 | 1.08 | 21.04 | 2.78 | 4.09 | 0.86 | 0.69 |
| Micrograph | CVF = AC/ATOT |
|---|---|
| a | 0.14 |
| b | 0.63 |
| c | 0.42 |
| Sample Series | CVF = AC/ATOT | Kinetic Energy [J] | ER [µg/g] |
|---|---|---|---|
| UF | 0.30 ± 0.14 | 6 × 10−8 | 63.9 |
| M | 0.29 ± 0.12 | 2 × 10−7 | 4.1 |
Disclaimer/Publisher’s Note: The statements, opinions and data contained in all publications are solely those of the individual author(s) and contributor(s) and not of MDPI and/or the editor(s). MDPI and/or the editor(s) disclaim responsibility for any injury to people or property resulting from any ideas, methods, instructions or products referred to in the content. |
© 2024 by the authors. Licensee MDPI, Basel, Switzerland. This article is an open access article distributed under the terms and conditions of the Creative Commons Attribution (CC BY) license (https://creativecommons.org/licenses/by/4.0/).
Share and Cite
Suman, A.; Fortini, A.; Zanini, N. Microstructural Insights into Solid Particle Erosion in a High-Chromium Cast Iron. Metals 2025, 15, 6. https://doi.org/10.3390/met15010006
Suman A, Fortini A, Zanini N. Microstructural Insights into Solid Particle Erosion in a High-Chromium Cast Iron. Metals. 2025; 15(1):6. https://doi.org/10.3390/met15010006
Chicago/Turabian StyleSuman, Alessio, Annalisa Fortini, and Nicola Zanini. 2025. "Microstructural Insights into Solid Particle Erosion in a High-Chromium Cast Iron" Metals 15, no. 1: 6. https://doi.org/10.3390/met15010006
APA StyleSuman, A., Fortini, A., & Zanini, N. (2025). Microstructural Insights into Solid Particle Erosion in a High-Chromium Cast Iron. Metals, 15(1), 6. https://doi.org/10.3390/met15010006

