Abstract
In this work, the technique of equal-channel angular pressing (ECAP) that enables producing bulk billets was used to form a UFG structure in Ti-6Al-4V alloy. A subsequent warm upsetting simulates die forging and the production of a part. We studied the evolution of the UFG alloy’s crystallographic texture in the process of deformation during the production of a semi-product and/or a part, as well as its effect on the ductile–brittle transition region in the temperature range from −196 °C to 500 °C and the material’s fracture mechanisms. To test Charpy impact strength, standard samples of square cross-section with a V-shape notch were used (KCV). It was found that the impact toughness anisotropy is caused by textural effects and has a pronounced character at temperatures in the ductile–brittle transition range. Up to 100 °C the KCV values are close in the specimens processed by ECAP and ECAP+upsetting (along and perpendicularly to the upsetting axis—along the Z-axis and along the Y-axis, respectively), while a large difference is observed at test temperatures of 200 °C and higher. At a temperature of 500 °C, the impact toughness of the UFG Ti-6Al-4V alloy after ECAP reaches a level of that after ECAP+upsetting in the fracture direction along the Z-axis (1.60 and 1.77 MJ/m2, respectively). Additionally, an additional ECAP upsetting after ECAP decreases the ductile–brittle transition temperature of the UFG Ti-6Al-4V alloy, which increases the temperature margin of the toughness of the structural material and reduces the risk of the catastrophic failure of a product. The fractographic analysis of the fracture surface of the specimens after Charpy tests in a wide temperature range revealed the features of crack propagation depending on the type of the alloy’s microstructure and texture in the fracture direction.
1. Introduction
A whole set of properties is determined to evaluate the structural strength of materials: strength, ductility, endurance limit, impact toughness, fracture toughness and others. Impact toughness and fracture toughness are the characteristics of brittle fracture resistance that provide the reliability and operability of materials and products manufactured thereof [1]. Brittle fracture resistance is a structurally sensitive characteristic and is closely related to the deformation capacity of a material [2].
One of the promising methods for increasing strength and fatigue endurance is the formation of an ultrafine-grained (UFG) state in metals and alloys by means of severe plastic deformation (SPD) processing [3]. However, high residual stresses, a very high density of the introduced defects of the crystal lattice, and the strongly non-equilibrium boundaries of ultrafine grains typical for SPD-processed materials have a negative effect on their ductility and fracture toughness. Therefore, the structural application of UFG Ti alloys calls for solving several materials science tasks associated with the effect of a UFG structure on fracture mechanisms, especially in the ductile–brittle transition range. The critical factor, in this case, is brittle fracture resistance at operating temperatures, taking into consideration the fact that impact toughness and crack resistance are strongly influenced not only by a decrease in the size of the phase structural constituents but also by crystallographic texture formed during plastic deformation and subsequent deformation and thermal treatments (DTT). It is known that parts, e.g., working blades in aviation, are produced by die forging, which in turn leads to the transformation of the material’s microstructure and crystallographic texture and, consequently, mechanical properties.
In [4,5,6,7], different approaches were proposed for the formation of a microstructure providing an enhanced ductility of UFG materials together with the preservation of their high strength by means of increasing their strain hardening capacity—by creating bimodal structures, introducing nanotwins and dispersed nanoparticles and segregations, and increasing the fraction of high-angle boundaries (HABs). For example, the annealing of pure Fe revealed a significant increase in ductility and fracture toughness with a slight increase in grain size from 200 to 300 nm with the formation of HABs [8]. An increase in the fraction of HABs activates the grain-boundary slip mechanisms and/or makes a contribution to work hardening in the process of plastic deformation and consequently promotes the growth of the total and uniform elongations of a sample [7,9].
SPD processing is known to often lead to the anisotropy of the formed UFG structure [10,11,12], e.g., to the elongation of grains along the billet axis during equal-channel angular pressing (ECAP). It was shown in [13,14] that the fracture toughness of nanostructured materials is very sensitive to grain shape. For example, far less energy is required for the formation of microcracks and pores parallel to the elongated boundary before the tip of the main crack, which promotes the propagation of an intercrystalline crack [8,15]. At the same time, the effect of crystallographic texture on fracture toughness and impact toughness is rarely discussed.
It was shown in [16] that crystallographic texture has a noticeable effect on impact toughness when the formation of a predominant orientation parallel to the fracture surfaces of the Charpy samples may lead to a greater probability of fracture in comparison to other orientations at the same temperature. It was found that texture also has an effect on impact toughness alongside the anisotropic morphology of grains and phases in the structure of a metal [17]. It was noted that for a similar texture of the Ti-6Al-4V alloy (EBM), the crack paths intersecting a larger number of grain boundaries of the preceding β-grain lead to a higher Charpy absorbed energy. That being said, different textures, in some cases, negate the effect of strengthening grain boundaries on Charpy absorbed energy [17]. The crystallographic texture formed in a metal also influences fatigue behavior. It was found for Ti that the emergence of a fatigue crack depends on the loading direction of the samples, which may be related to the less energy-intensive prismatic slip in comparison to basal slip [18]. However, in UFG Ti, the mutual compensation of the effects of elongated grains and texture eliminated the effect of the sample direction on the propagation of a fatigue crack [18]. It was noted in [19] that the anisotropy of impact toughness exhibits itself only in the temperature region of the brittle–ductile transition when, at a certain temperature (often at low and sub-zero temperatures), the impact toughness drops sharply. At the same time, the recent studies on the impact toughness of various metals and alloys processed by SPD demonstrate a decrease in the ductile–brittle transition range towards lower temperatures [20]. In this work, the ECAP technique that enables producing bulk billets suitable for practical application was used to form a UFG structure in the Ti-6Al-4V alloy. For further thermomechanical treatment, we used warm upsetting simulating die forging and the production of a part. The aim of the present study is to investigate the evolution of the UFG alloy’s crystallographic texture in the process of deformation during the production of a semi-product and/or a part. We studied its effect in combination with a change in the morphology of the phase constituents on the ductile–brittle region during impact toughness tests in the temperature range from −196 °C to 500 °C, and on the alloy’s fracture mechanisms. For this purpose, we will look at the obtained UFG microstructure of the Ti-6Al-4V alloy with the features of its crystallographic texture. Then, the tensile properties of the material will be checked. And finally, we will examine the impact strength of such a material with a discussion and certain conclusions.
2. Materials and Methods
The study used a titanium alloy of the two-phase type (standard). The chemical composition of the alloy, according to the manufacturer’s certificate, is presented in Table 1. In the as-received (initial) state, the materials were round rods (VSMPO-AVISMA Corporation, Russian Federation). The diameter of the rods was 20 mm. Quenching, followed by tempering, was the first stage of the processing of the original alloy. Quenching was carried out from a temperature of 960 °C into water after holding for one hour. Then, the hardened alloy samples were annealed for four hours at a temperature of 675 °C with cooling in air under normal conditions. The second stage of the processing of the material under study was ECAP. It was carried out at a tool temperature of 500 °C by route C (rotation of the billet sample by 180° around its axis with each subsequent passage through the tooling). A total of four passes were carried out. The angle of the channel intersection where the shear occurred was 120°. The samples were preheated to a temperature of 700 °C. The length of the samples was 100 mm (the X-axis) with a diameter of 20 mm. The true strain during ECAP was 2.8 units. The next stage of processing was upsetting (along the Z-axis), simulating the process of forming the part. Upsetting was carried out at a temperature of 725 °C to a strain of 30%.
Table 1.
Chemical composition (by certificate) of the studied alloy (wt.%).
Figure 1 schematically shows the billets after ECAP (Figure 1a) and after upsetting (Figure 1b) and their location relative to the spatial axes of the rectangular coordinate system.

Figure 1.
Schematic view of the cutting out of the specimens for microstructural studies, tensile mechanical tests, and impact toughness tests with a V-notch from the Ti-6Al-4V titanium alloy samples after (a) ECAP and (b) ECAP+upsetting. Scheme of cylindrical specimens for tensile mechanical tests (c). Scheme for the cutting of small specimens for tensile mechanical tests (d).
Also shown in Figure 1 is the approximate location and orientation of the specimens extracted for mechanical testing. For tensile tests in the longitudinal direction X of section XY, samples of a circular cross-section were used. They had a gage length of 15 mm and a diameter of 3 mm (Figure 1c). Such tests were carried out for billets after ECAP and ECAP+upsetting. Tensile tests of samples in the transverse directions Y and Z of the XZ and YZ planes were carried out only for the material state after ECAP+upsetting. In this case, flat samples of a rectangular cross-section were used (Figure 1). The gage length of such samples was 4 mm, and the cross-section was in the ratio of 0.5 to 1.0 mm (Figure 1d). Both types of specimens were tested on an Instron 5982 machine (Instron Engineering Corporation, Buckinghamshire, UK). The force measurement accuracy was 0.5% of the applied load. Tests were carried out in the temperature range from −196 to 500 °C. The samples were tested at a strain rate equal to 1 × 10−3 s−1. To test Charpy impact strength, standard samples of a square cross-section with a V-shape notch were used. The samples were cut in the longitudinal direction X (Figure 1). The length of the samples was 55 mm, and the cross-section was 10 by 10 mm. Tests were carried out in the temperature range from −196 to 500 °C using a JB-W300 pendulum pile driver (Time Group Inc., Beijing, China). This temperature range was selected to determine the ductile–brittle transition temperature and is close to the material’s operating conditions. In addition, the impact strength tests of the samples after ECAP+upsetting were performed in the transverse Y and Z directions in the YZ plane (Figure 1b). At least three samples were used during testing for each state of the material.
The microstructural studies of the samples were carried out using scanning electron microscopy on a JEOL JSM 6390 microscope (JEOL, Tokyo, Japan). An observation was carried out at an accelerating voltage of 20 keV. Microstructural studies were carried out on samples extracted from the region of the middle of the distance between the rotation axis of the workpieces and their surface in transverse (ZY) and two longitudinal (XY and YZ) sections. Sections were made from parts of the workpieces close to the cut impact samples. The secant method was used to evaluate the intercept lengths from the secant and grain boundaries to determine the average dimple size on the SEM images. The counting was made in the ImageJ v.1.54g software. After impact toughness tests, the samples were cut in the middle perpendicularly to the fracture surface and along the crack propagation front, mounted in electrically conductive resin, then metallographic specimens were polished in the longitudinal section and slightly etched to evaluate the fracture surface relief and the microstructure in the vicinity of the crack. Further, the relief was digitized from the SEM images of the metallographic specimens in the longitudinal section of the samples in the ImageJ v.1.54g software.
Phase analysis of the material was made on a D8 Discover Bruker diffractometer (Bruker AXS GmbH, Karlsruhe, Germany) with monochromatic copper radiation. The spectrum was interpreted using a specialized MAUD v.2.9993 software package. The mass fraction of the phases was calculated from the intensity of the recorded X-ray patterns [21]. Analysis of the crystallographic texture was carried out by recording partial direct pole figures (DPF) applying the tilt method [22,23] using reflections for the α phase: (10.0), (10.2), (11.0), (20.2) and (11.4). Full DPFs (0001), {11.0} and {10.0} were reconstructed using the Labotex software v.3.0 (LaboSoft s.c., Krakow, Poland) [24].
3. Results
3.1. Microstructure
Microstructure analysis of the ECAP-processed Ti-6Al-4V alloy shows that SPD processing mostly leads to the spheroidization of the lamellar constituent, accompanied by plate fragmentation by shear bands or due to the formation of dislocation boundaries, and the size of the spheroidized β-particles is about 0.2 μm (Figure 2c). The primary α-phase either remains completely equiaxed, as in the case of the cross-section YZ or becomes partially elongated in the shear direction during ECAP deformation—in the direction X, thereby forming a metallographic texture—in the sections XY and XZ. In the XY section, the elongated globules are directed at an angle of 20–30° with respect to the X-axis, whereas in the XZ section, the direction of the elongated primary α-phase remains along the X-axis, which may be related to the features of deformation via route Cb during ECAP processing.

Figure 2.
Microstructure of the Ti-6Al-4V titanium alloy in 3 sections: (a) ultrafine-grained (UFG) state after ECAP, (b) UFG state after ECAP+upsetting, (c) UFG state after ECAP in the YZ-section and (d) UFG state after ECAP+upsetting in the YZ-section.
After an additional upsetting at 725 °C, observed are the processes of the growth and formation, in the form of equiaxed particles (α + β), of a mixture of the former lamellar constituent. The β-particle size becomes about 0.3 μm. The primary α-phase is subjected to typical compression characteristics of which the elongation of grains in the direction perpendicular to the compression axis, as can be seen in the XZ section (Figure 2b). In the other sections, the shape of the primary α-phase remains relatively equiaxed.
3.2. Crystallographic Texture
Analysis of the crystallographic texture of the Ti-6Al-4V alloy processed by ECAP shows that the crystalline lattice is mainly oriented in such a manner that the basal plane normally lies in the YZ section. According to the pole figure (0001) in Figure 3a, in the XZ section, there are two main positions of the α-hcp lattice observed with a high pole density where the normals of the plane (0001) form an angle of 43–45° with respect to the Y-axis. Also, a third lattice position, weaker in terms of pole density, can be distinguished: the normal of the plane (0001) forms an angle of 15° to the Y-axis but is already in the XY plane. The normal of the prismatic plane forms together with the YZ plane at an angle of about 10–12°. However, the pole density distribution indicates that the basal component {0001}<11-20> is the strongest one with respect to the other present orientations. The distribution of the predominant crystallographic orientations is typical for α-Ti processed by ECAP [25] and is characteristic of an asymmetric deformation scheme. The formation of such a texture in hcp Ti can be attributed to a limited number of possible slip systems during deformation.
Figure 3.
(a) DPFs (0001), {11.0} and {10.0} of the ECAP-processed billet for the α-phase in the XZ-section and (b) DPFs {100}, {110} and {111} of the ECAP-processed billet for the β-phase in the XY-section, (c) DPFs (0001), {11.0} and {10.0} of the ECAP-processed billet after upsetting for the α -phase in the XZ-section and (d) DPFs {100}, {110} and {111} of the ECAP-processed billet after upsetting for the β-phase in the XY-section.
The pole figures of the β-phase (Figure 3b) do not exhibit a predominant crystallographic texture, which is related to the active process of particle fragmentation, lattice rotation and its distortion during ECAP processing.
After the upsetting of the Ti-6Al-4V alloy, the lattice of the α-phase is rotated towards the Z axis, which is the compression axis: the normals of the planes (0001) form an angle of 56° with the Y-axis, and correspondingly, an angle of 34° with the Z-axis (Figure 3c). As a result of compression, the hcp lattice rotates around its c-axis, and the angle between the normal of the prismatic plane and the YZ plane is 0° (Figure 3c). Analysis of the pole figures of the β-phase after upsetting shows the formation of multiple peaks with a higher pole density (Figure 3d) than after ECAP processing (Figure 3b). According to the microstructural analysis, the β-phase becomes globularized and increases in size. The formation of new globular β-particles provides new pole density peaks in Figure 3d.
3.3. Mechanical Properties
Figure 4 and Table 2 list the mechanical properties at tension temperatures of −196 °C, 20 °C, 300 °C and 500 °C for the cylindrical specimens of the UFG titanium alloy Ti-6Al-4V after ECAP and ECAP+upsetting, cut out from the longitudinal section of the sample (along X), and for the small flat specimens of the Ti-6Al-4V titanium alloy after ECAP+upsetting along Z and Y (Figure 1).
Figure 4.
Typical curves from the tensile mechanical tests of the Ti-6Al-4V titanium alloy: (a) after ECAP and ECAP+upsetting along X; and (b) ECAP+upsetting along Z and Y.
Table 2.
Mechanical properties of the Ti-6Al-4V alloy.
In accordance with the Hall–Petch law, an increase in grain size during the upsetting of the UFG Ti-6Al-4V alloy resulted in a decline in ultimate tensile strength (UTS) from 1245 to 1065 MPa in the longitudinal direction X [26]. At a cryogenic temperature of −196 °C, a considerable increase in strength is observed, which is apparently associated with the suppression of the thermally activated dislocation motion processes that require higher stresses for dislocation slip [27]. An increase in the test temperature of the ECAP specimens is accompanied by an increase in uniform elongation from 1.8% at T= −196 °C to 2.4% at T = 500 °C. The mechanical tests at 500 °C are accompanied by the development of restoration processes reducing dislocation density, and there are signs of recrystallization and grain growth [28]. This leads to the alloy softening, and the strength properties of the specimens after ECAP and ECAP+upsetting become comparable to each other.
It is noted that UTS, as well as the total and uniform elongations at positive temperatures in the specimens in the Z direction, are higher than in the Y direction, which may be due to facilitated slip in the prismatic planes, providing an increase in the deformation capacity and ensuring that the material withstands large stresses to failure. However, at a cryogenic temperature, the strength and ductile characteristics in the Y direction become higher than those in the Z direction, which evidently may be related to the suppression of the thermally activated dislocation motion processes and a large contribution of twinning because the active twinning systems in titanium and Ti alloys may change depending on the deformation temperature [29]. At negative temperatures, the critical shear stresses for the prismatic slip system undergo a much larger increase than those for the pyramidal system. This leads to the close values of the critical shear stresses for the prismatic and pyramidal slip systems.
3.4. Impact Strength
Table 3 lists the impact toughness values of the UFG titanium alloy Ti-6Al-4V in a wide temperature range. With an increasing test temperature, the impact toughness of the Ti-6Al-4V alloy in the UFG states after ECAP and ECAP+upsetting (along Z, along Y) continuously grows. Up to 100 °C, the KCV values are close, while a large difference is observed at test temperatures of 200 °C and above. At a temperature of 500 °C, the impact toughness of the UFG Ti-6Al-4V alloy after ECAP is comparable with that after ECAP+upsetting in the fracture direction Z (1.60 and 1.77 MJ/m2, respectively).
Table 3.
Impact toughness of the UFG Ti-6Al-4V alloy in a wide temperature range and its microstructural parameters.
Analyzing the curve showing the variation of KCV as a function of the test temperature for the Ti-6Al-4V titanium alloy (Figure 5), it can be noted that the ductile–brittle transition range after ECAP is from Tl = 160 °C to Tu = 550 °C, where Tl and Tu are the lower and upper limits of cold brittleness, respectively, whereas 350 °C can be regarded as the temperature of the ductile–brittle transition (Tb); after ECAP+upsetting in the Z direction—from 120 to 350 °C, Tb = 240 °C, and in the test direction Y—from 70 to 220 °C, Tb = 150 °C.
Figure 5.
Temperature dependence of the absorbed energy KCV for the UFG Ti-6Al-4V alloy.
Thus, an additional deformation and thermal treatment decrease the temperature of the ductile–brittle transition of the UFG Ti-6Al-4V alloy, which increases the temperature margin of the toughness of the structural material and reduces the risk of the catastrophic failure of a product. However, a note should be made that in the UFG Ti-6Al-4V alloy after ECAP+upsetting, there appears a textural effect that influences fracture anisotropy depending on the test direction in a specimen, as well as the shift of the ductile–brittle transition ranges and the cold brittleness temperature (Tb).
3.5. Fracture Surface of the Specimens after Testing
Figure 6, Figure 7, Figure 8, Figure 9 and Figure 10 present the SEM images showing the general views of the fractures of the specimens after ECAP and ECAP+upsetting (along Z, along Y) after impact tests in the temperature range from −196 to 500 °C, as well as portions of the crack development zone. The presented fractures have a uniform surface, and in each fracture, there is a zone of crack initiation and propagation, as well as shear lips. With increasing test temperature, an increase in the area of the zone of slow crack propagation and shear lips can be traced, which corresponds to an increase in impact toughness with increasing test temperature. The fracture of the UFG Ti-6Al-4V alloy in all the cases occurred by the intragranular ductile mechanism, which is characterized by the formation of fracture dimples as a result of micropore merging.

Figure 6.
Fracture surfaces of the Ti-6Al-4V titanium alloy in the UFG states after impact toughness tests at −196 °C: (a,d) ECAP; (b,e) ECAP+upsetting (along Z); and (c,f) ECAP+upsetting (along Y). (a–c) SEM, general view, ×8 magnification. (d–f) SEM, microrelief in the crack development zone, ×1000 magnification.
Figure 7.
Fracture surfaces of the Ti-6Al-4V titanium alloy specimens in the UFG states after impact toughness tests at 20 °C: (a,d) ECAP; (b,e) ECAP+upsetting (along Z); and (c,f) ECAP+upsetting (along Y). (a–c) SEM, general view, ×8 magnification. (d–f) SEM, microrelief in the crack development zone, ×1000 magnification.
Figure 8.
Fracture surfaces of the Ti-6Al-4V titanium alloy specimens in the UFG states after impact toughness tests at 200 °C: (a,d) ECAP; (b,e) ECAP+upsetting (along Z); and (c,f) ECAP+upsetting (along Y). (a–c) SEM, general view, ×8 magnification. (d–f) SEM, microrelief in the crack development zone, ×1000 magnification.
Figure 9.
Fracture surfaces of the Ti-6Al-4V titanium alloy specimens in the UFG states after impact toughness tests at 300 °C: (a,d) ECAP; (b,e) ECAP+upsetting (along Z); and (c,f) ECAP+upsetting (along Y). (a–c) SEM, general view, ×8 magnification. (d–f) SEM, microrelief in the crack development zone, ×1000 magnification.

Figure 10.
Fracture surfaces of the Ti-6Al-4V titanium alloy specimens in the UFG states after impact toughness tests at 500 °C: (a,d) ECAP; (b,e) ECAP+upsetting (along Z); and (c,f) ECAP+upsetting (along Y). (a–c) SEM, general view, ×8 magnification. (d–f) SEM, microrelief in the crack development zone, ×1000 magnification.
Fracture at a temperature of −196 °C is characterized by even flat fracture surfaces with a small area of shear lips (Figure 6a–c), which indicates a more brittle character of fracture-by tearing. When studying the microfractographs of the crack development zones (Figure 6d–f), it was noted in the specimens after ECAP+upsetting (along Y) that there were secondary cracks (Figure 6f), which appear in a material as a result of local stress relaxation during the motion of the main crack. For their formation, additional energy is necessary, which hinders the development of the main crack. This had an effect on the impact toughness values—it is the largest for these states at the cryogenic temperature and equals 0.22 MJ/m2.
The fracture surfaces at 20 °C (Figure 7) have a larger area of shear lips in the case of ECAP and ECAP+upsetting (along Z) with relatively equal KCV values (0.29 and 0.26 MJ/m2, respectively). Because yield strength in the UFG alloy after ECAP is higher, the crack initiation work will also have a larger contribution than that for ECAP+upsetting [30]. This means that such a critical parameter as work expended on crack propagation is larger for ECAP+upsetting.
An apparent difference in the impact toughness values for the UFG Ti-6Al-4V alloy after ECAP and ECAP+upsetting (along Z, along Y) exhibits itself at temperatures of 200 °C (0.48, 0.75 and 1.48 MJ/m2, respectively), which has an effect on the character of the fracture surfaces (Figure 8). In the fracture surfaces at 200 °C for ECAP+upsetting in both directions, the area of the slow crack propagation zone starts to grow (Figure 8a–c), and the fracture has a more ductile character as evidenced by noticeable deformation of the specimen geometry. In the microfractographs of the crack propagation zone (Figure 8d–f) for ECAP+upsetting (along Y), the extension of fracture dimples and their smoother character are observed.
At a temperature of 300 °C in the fracture surfaces the area of slow crack propagation strongly increases in the case of ECAP, ECAP+upsetting (along Z, along Y), which is characterized by “splittings” near the notch (Figure 9a–c) conventionally belonging to the ductile constituent and propagating perpendicularly to the fracture direction, which corresponds to the impact toughness values (0.88, 1.36 and 1.85 MJ/m2, respectively).
At 500 °C, the fracture surfaces for ECAP and ECAP+upsetting (along Z) have an identical character and the same level of impact toughness (1.60 and 1.77 MJ/m2, respectively), and there are elongated smoothed-out fracture dimples of a large size in the fracture surfaces (Figure 10d,e).
In the specimens after ECAP+upsetting (along Y), the fracture dimples are strongly smoothed out and resemble shear dimples (Figure 10f). Their formation is accompanied by strong plastic deformation and indicates a higher fracture toughness, which corresponds to the maximum impact toughness value of 2.12 MJ/m2.
4. Discussion
In this study, two types of UFG structure were obtained in the Ti-6Al-4V alloy produced by ECAP and ECAP with subsequent upsetting, differing in the morphology of the primary α-phase, the crystallographic texture formed in the samples, and the β-phase sizes. It was shown that the primary α-phase after ECAP has a practically equiaxed morphology in all of the billet sections but becomes partially elongated in the X direction (Figure 2a), which is characteristic of shear deformation during ECAP processing, as reported in the early publications for various metals [31]. For instance, the reversibility of the texture and the shape of the structural elements in accordance with the notions of simple shear [32] for route C after each second ECAP pass is not fulfilled in full measure. As noted, this may be associated with the effect of the shape of grains and their crystallographic direction that is assigned after the first ECAP pass on the lattice rotation and the deformation of grains during the reverse shear via route C. After an additional upsetting at 725 °C, the UFG structure is preserved in the billet, and the primary α-phase grains become elongated in the X direction perpendicular to the compression axis (Figure 2b). The texture formed in the billets under study also has some differences associated with the deformation features of the primary α-phase grains that promoted the anisotropy of mechanical properties in different billet sections in the investigated temperature range (Table 2). A similar effect was discussed in our recent paper after the tests of the UFG Ti-6Al-4V alloy specimens at room temperature [33].
The increased pole density of the normals to the basal planes is observed in the periphery of the direct pole figure (0001). The texture can be described as (110) fiber with respect to the X-axis of the rod. The graphic representation of the predominant position of the hcp lattice on the basis of DPFs is shown in Figure 11. In the ECAP-processed state in the direction of the X-axis, the orientation of the hcp lattice is such that the most favorable dislocation slip in the basal <a> and prismatic <a> systems. The upsetting of the ECAP-processed rod leads to the alignment of the c-axis of the hcp lattice along the Z direction. Dislocation slips along the <c>-axis of the hcp lattice are known to be hindered, especially in the region of room temperature, and may be partially realized due to the heavy pyramidal systems <a> and <a+c>. Therefore, a certain regularity of the increased UTS of the samples after ECAP+upsetting (at T = 20, 300, 500 °C) oriented along Z can be observed.
Figure 11.
Schematic predominant position of the hcp lattice with respect to the impact direction for the states after ECAP (a) and after ECAP+upsetting (b).
The decline in UTS after upsetting at T = 725 °C is conditioned by several factors, specifically by the growth of the globular α- and β-particles. The average size of the globular particles after upsetting increased by 50%, from 0.2 μm to 0.3 μm. Additionally, the elongation of the grains of the primary α-phase along the X direction also resulted in an increase in the extension of the grains. Thus, in accordance with the Hall–Petch law, an increase in the sizes of the primary α-phase and globular particles led to a decline in strength. In addition, upsetting at T = 725 °C was apparently accompanied by a decrease in the density of interior defects and dislocations. Therefore, the contribution of dislocation strengthening described by the classical Taylor relationship [34] also decreased.
After evaluating the impact toughness of the Ti-6Al-4V alloy processed by ECAP and ECAP with subsequent upsetting, it was found that the ductile–brittle transition temperature (Tb) in the specimens under study may vary depending on the test direction. In particular, the ductile–brittle transition temperature of the material after ECAP is close to 350 °C, and after ECAP+upsetting in the Z direction—Tb = 240 °C, and in the Y direction—Tb = 150 °C, i.e., it becomes much lower. Correspondingly, the difference in the KCV values for such specimens becomes significant only in the zones of ductile–brittle and ductile fracture at temperatures from 100 to 500 °C (Figure 5). For ECAP and ECAP+upsetting (along Z, along Y), e.g., the KCV values strongly differ at a temperature of 200 °C and equal 0.48, 0.75 and 1.48 MJ/m2. Such a behavior of the material in different directions with great probability could be provided by the elongated α-phase (Figure 2b) located perpendicularly to the fracture direction. The lamellar α-phase absorbs more energy during impact [35,36] and prevents direct crack propagation as compared to the equiaxed grain shape [28,37,38]. However, the anisotropy of tensile properties for all of the alloy specimens after ECAP with upsetting is not observed at all temperatures (Table 2), even when comparing it to the state after ECAP, with which there is also a difference in the KCV values. On the other hand, such an effect could be the result of the formation of a pronounced crystallographic texture with respect to the motion direction of the hitting hammer. It is noted that fracture mechanisms in Ti alloys are determined by the slip process occurring in the crack tip region [39]. The predominant position of the alloy’s families of atomic planes is capable of influencing the anisotropy of properties to a large extent, including impact toughness [35]. The ductility of the (α + β) Ti alloys and the ductile character of fracture is known to be determined to a greater degree by the bcc lattice of the β-phase. It should be noted that this, in particular, conditions the increased impact toughness values after upsetting due to recrystallization and growth of the β-phase particles. It was shown in [40] that flow stress for (α+β) is lower than for α, in particular, at an elevated temperature. It was noted in [38,41,42] that mainly the α-boundaries are the sites of crack and pore nucleation, whereas the β-phase has a higher capacity for stress relaxation due to a larger number of slip systems. But pole figures for the bcc lattice are rather chaotic and do not exhibit a predominant position of a certain family of crystalline planes (Figure 3d). For the α-phase (hcp lattice), in our case, we have a pronounced texture for the basal and prismatic planes of the hcp lattice (Figure 3c and Figure 11) with respect to the Y direction. Figure 11 vividly illustrates the orientation of the hcp lattice with respect to the impact direction in the specimens after ECAP and ECAP+upsetting.
In the structure after ECAP, the prismatic planes of the hcp lattice are located at an angle of 45° with respect to the directions Y and Z. This ensures an impact toughness value of 0.48 MJ/m2 in the Y direction at a temperature of 200 °C. As a result of upsetting, the c-axis of the hcp lattice rotates in the Z direction. The change in texture after upsetting leads to a three-fold increase in impact toughness to 1.48 MJ/m2 in the Y direction at a temperature of 200 °C. The Ti-6Al-4V alloy prismatic slip is the main one because it has the least critical resolved shear stress (CRSS) [43,44,45,46,47] and, therefore, can be considered the dominant slip system. It was shown in [35] that the transverse position of the prismatic planes with respect to the fracture direction (main solicitation direction) leads to an increase in Charpy absorbed energy for any type of alloy structure. However, all these factors (banded/elongated microstructures, grain size, shape and phase fraction, crystallographic texture as a preferred orientation of crystallites) act simultaneously and cannot be singled out separately.
The increase in the fracture toughness value in the Y direction with increasing test temperature can be attributed to the engagement of several slip systems at once (prismatic and basal <a> slip). According to the literature data, during the hot plastic deformation of Ti, the values of critical shear stresses for the prismatic and basal slip systems become close, and due to this, there are several slip systems acting at once [48,49]. During the deformation of α -Ti in a region of 500 °C the value of critical shear stresses for basal <a> slip is about 20 MPa, and for prismatic slip, this value is about 16 MPa [50]. In the specimen, after upsetting the orientation of the hcp lattice with respect to the impact along Y, it will promote the engagement of prismatic and basal <a> slip, whereas the impact direction along Z will almost coincide with the c-axis of the hcp lattice. This direction will be difficult for the implementation of prismatic slip and, even more so, basal <a> slip. In the region of elevated temperatures at such an orientation of the hcp lattice (Figure 11), the activation of slip in the family of pyramidal planes {10-11} is possible. In the case of loading along Z in the plane {10-11}, <a+c> slip characterized by the highest shear stresses is most probable. During deformation along the Y-axis in the pyramidal planes {10-11}, the easier <a> slip is engaged. The difference in critical shear stresses for each direction within one family of planes provides different deformation behaviors along the Z and Y axes [51].
Thus, the increased impact toughness value of the specimen after upsetting in the Y direction can be attributed to the engagement of several slip systems and the increased capacity for the uniform development of plastic deformation in this direction.
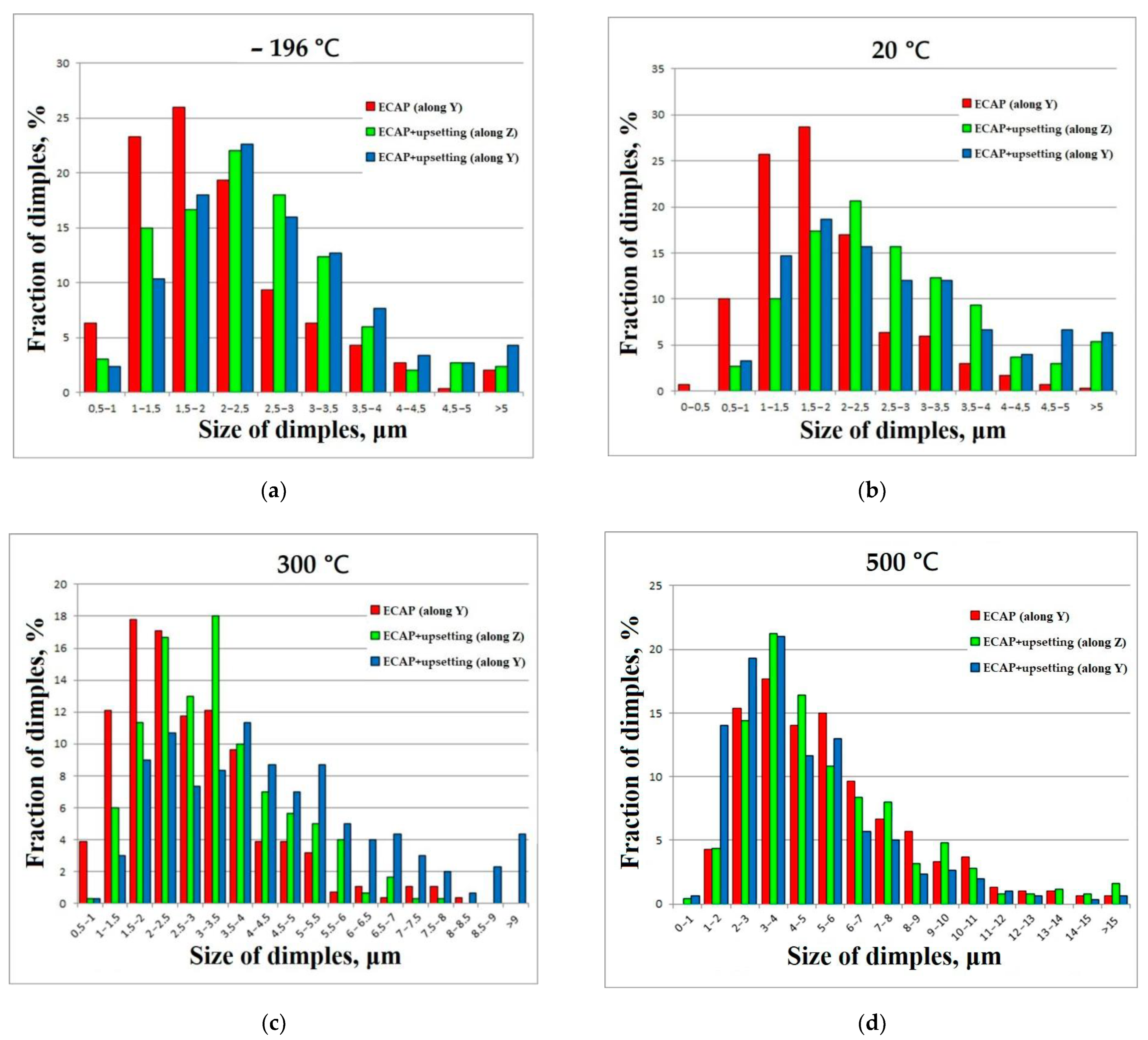
Analysis of the fracture surfaces of the specimens tested at different temperatures shows that with increasing test temperature, an increase in the area of the zone of slow crack propagation and shear lips can be traced, which corresponds to an increase in impact toughness with increasing test temperature. The fracture of the UFG Ti-6Al-4V alloy in all the cases occurred by the intragranular ductile mechanism, which is characterized by the formation of fracture dimples as a result of micropore merging. The dimple size is known to have a direct dependence on the growth of ductility and toughness [52]. Figure 12 shows the bar graphs of the size distribution of the dimples in the fracture surfaces for the investigated states in a wide temperature range.
Figure 12.
Bar graphs showing the size distribution of fracture dimples in the crack propagation zone of the fracture surfaces of the impact specimens after ECAP, ECAP+upsetting (along Z), ECAP+upsetting (along Y) at test temperatures of: (a) −196 °C; (b) 20 °C; (c) 300 °C; and (d) 500 °C.
The more there are small dimples, the more there are sites for their nucleation—particles and grain boundaries. In the state after ECAP, the average grain size is smaller than that in the state after ECAP+upsetting, which has an effect on the character of fracture—dimples of a smaller size were observed up to 300 °C. In turn, the maximum impact toughness value revealed in the UFG state after ECAP+upsetting in the direction perpendicular to the stroke of the hammer was characterized by larger dimple sizes in the whole temperature range. At 500 °C, the softening of the UFG titanium alloy Ti-6Al-4V after ECAP takes place, which has an effect on a considerable increase in ductility and a decline in strength to the level of that after ECAP+upsetting (Table 2) due to grain size growth resulting from the development of recrystallization—the bar graphs showing the size distribution of fracture dimples in the fracture surfaces of the specimens after tests at 500 °C do not have any significant differences.
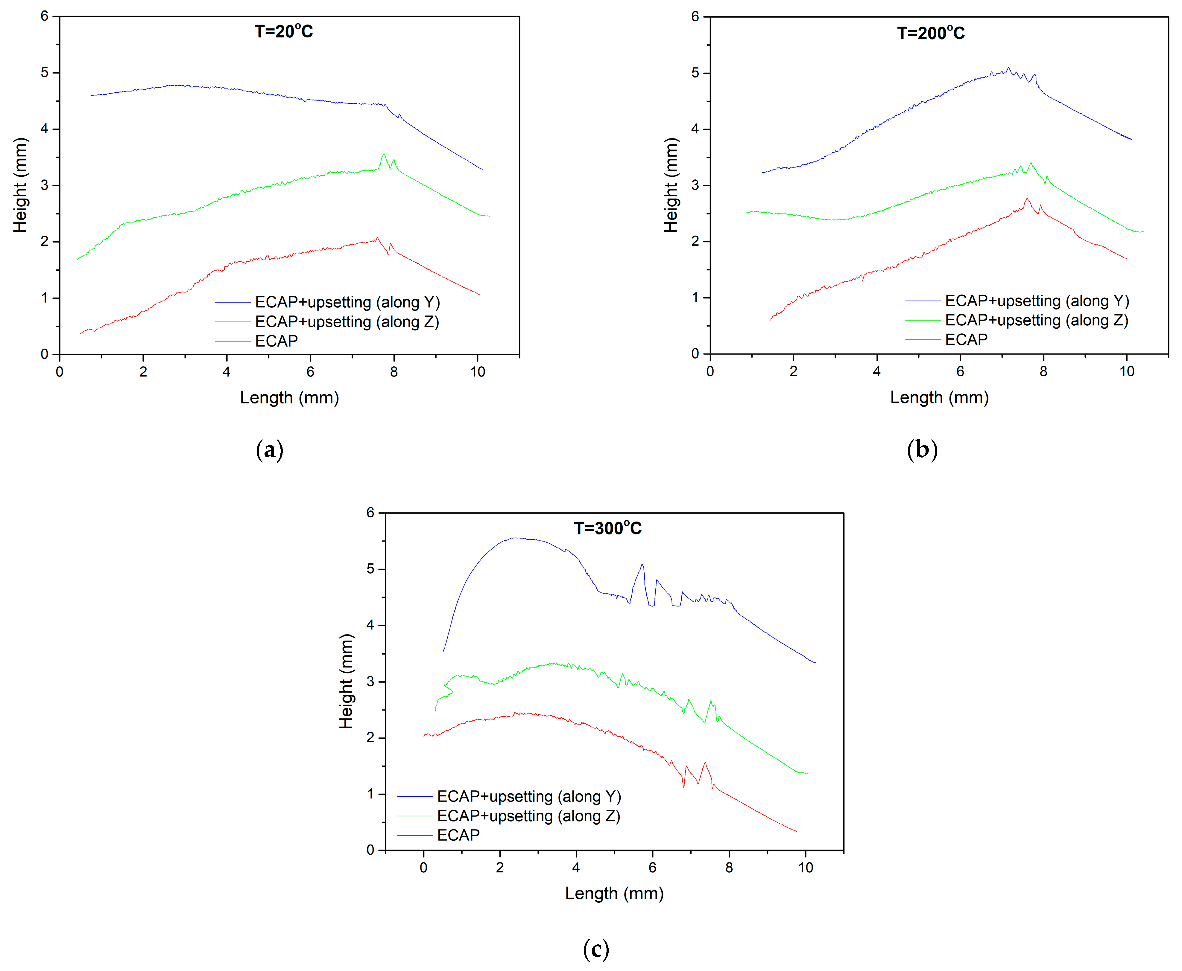
The impact toughness tests of the Ti-6Al-4V alloy after ECAP demonstrate that the crack propagation has a more tortuous character at temperatures of 20 and 200 °C (Figure 13a,b), and correspondingly, higher crack length values are observed than those in the state after ECAP+upsetting (Figure 13a,b). Also noted is the emergence of pores with a flat relief and the formation of microcracks inside these pores (Figure 14a), which indicates that the material does not have high ductility and consequently toughness; otherwise, the pores would have a more developed relief associated with the ductility in neighboring regions and the exit of dislocations to the pore surface. It was noted that during crack propagation, small secondary cracks emerged, having a length of 50–100 μm (Figure 14b). The development of these cracks took place in a direction close to metallographic texture, and its propagation occurs either along the fine-grained (α + β) constituent or along the grains of the elongated primary α-phase, which may indicate crack propagation along the boundaries of grains/phases as an easier way of crack opening without substantial plastic deformation. These results show that, in spite of a larger crack path, the material with a lower capacity for strain hardening has lower impact toughness values (Table 3).
Figure 13.
Fracture surface relief of the specimens after impact toughness tests in the UFG states after ECAP and ECAP+upsetting: (a) 20 °C; (b) 200 °C; and (c) 300 °C.
Figure 14.
Microstructure in the vicinity of the fracture after ECAP: (a) T = 20 °C and (b) T = 200 °C. Microstructure in the vicinity of the fracture after ECAP and upsetting (along Y): (c,d) T = 300 °C.
The UFG Ti-6Al-4V alloy, after an additional upsetting and KCV tests in the direction along Y at 300 °C, exhibited the largest value of 1.85 MJ/m2 in comparison with the other states. The largest value of the crack propagation length can also be noted. Microstructural analysis in the vicinity of the crack showed that a change in the direction of metallographic texture takes place, which is related to the extension of the regions in the vicinity of crack propagation, and correspondingly, the material exhibits enhanced ductility. Analysis of the pores demonstrates that there is a strongly developed relief surface and the extension of the structural constituents into fibers both inside pores and near them, which also indicates an increase in the material’s ductility as compared with the lower temperatures (Figure 14c). The higher capacity for strain hardening combined together with the fact that the crack travels a longer path, which may be related, in particular, to material texture, produces increased impact toughness values.
5. Conclusions
The effect of upsetting on the change in the ductile–brittle transition range of the UFG Ti-6Al-4V alloy has been found. The upsetting of the UFG Ti-6Al-4V alloy at a temperature of 725 °C leads to a shift of the ductile–brittle transition range toward lower temperatures. The specimen after ECAP processing exhibits Tb = 350 °C in the Y direction, and upsetting decreases Tb to 150 °C in the Y direction. It has been shown that the largest difference in the KCV values is observed in the ductile–brittle fracture range depending on the crystallographic and metallographic texture forming during deformation with respect to the motion direction of the hitting hammer during tests. In particular, for ECAP, it is in the temperature range from 160 to 550 °C, and for ECAP+upsetting, in the temperature range from 120 to 350 °C—along Z and from 70 to 220 °C—along Y. The predominant position of the alloy’s families of atomic planes is capable of influencing, to a great extent, the anisotropy of properties, including impact toughness. The common features of fracture during impact tests have been revealed for the states after ECAP and ECAP+upsetting. They consist of the fact that fracture occurs by the intragranular ductile mechanism characterized by the formation of fracture dimples as a result of micropore merging. It has been shown in a temperature region of 200–500 °C that the impact toughness value in the specimens after ECAP+upsetting changes significantly depending on the impact direction and the predominant crystallographic orientation of grains. Higher impact toughness values in the Y direction can be attributed to the activation of several slip systems—prismatic and basal <a> slip, which become rather easy with increasing test temperature from 200 to 500 °C.
Author Contributions
Conceptualization, I.M.M., G.S.D. and I.P.S.; methodology, I.M.M. and G.S.D.; investigation, I.M.M. and A.G.S.; data curation, I.M.M. and A.V.P.; writing—original draft preparation, I.M.M.; writing—review and editing, I.P.S., G.S.D. and A.V.P.; visualization, A.G.S. and A.V.P.; supervision, I.P.S. All authors have read and agreed to the published version of the manuscript.
Funding
This research was funded by the Russian Science Foundation, grant number 21-79-10167, https://rscf.ru/project/21-79-10167/ (accessed on 29 November 2023).
Data Availability Statement
The data presented in this study are available on request from the corresponding author. The data are not publicly available due to confidentiality.
Conflicts of Interest
The authors declare no conflicts of interest.
References
- Leyens, C.; Peters, M. Titanium and Titanium Alloys. Fundamentals and Applications; WILEY-VCH Verlag GmbH & Co. KGaA: Weinheim, Germany, 2003; p. 513. [Google Scholar]
- Gupta, R.K.; Mathew, C.; Ramkumar, P. Strain Hardening in Aerospace Alloys. Front. Aerosp. Eng. 2015, 4, 1–13. [Google Scholar] [CrossRef]
- Semenova, I.P.; Polyakova, V.V.; Dyakonov, G.S.; Polyakov, A.V. Ultrafine-Grained Titanium-Based Alloys: Structure and Service Properties for Engineering Applications. Adv. Eng. Mater. 2020, 22, 1900651. [Google Scholar] [CrossRef]
- Wu, X.; Yang, M.; Yuan, F.; Wu, G.; Wei, Y.; Huang, X.; Zhu, Y. Heterogeneous Lamella Structure Unites Ultrafine-Grain Strength with Coarse-Grain Ductility. Proc. Natl. Acad. Sci. USA 2015, 112, 14501–14505. [Google Scholar] [CrossRef]
- Ovid’ko, I.A.; Sheinerman, A.G. Mechanical Properties of Nanotwinned Metals: A Review. Rev.Adv. Mater. Sci. 2016, 44, 1–25. [Google Scholar]
- Edalati, K.; Masuda, T.; Arita, M.; Furui, M.; Sauvage, X.; Horita, Z.; Valiev, R.Z. Room-Temperature Superplasticity in an Ultrafine-Grained Magnesium Alloy. Sci. Rep. 2017, 7, 2662. [Google Scholar] [CrossRef]
- Zhao, Y.H.; Bingert, J.F.; Zhu, Y.T.; Liao, X.Z.; Valiev, R.Z.; Horita, Z.; Langdon, T.G.; Zhou, Y.Z.; Lavernia, E.J. Tougher Ultrafine Grain Cu via High-Angle Grain Boundaries and Low Dislocation Density. Appl. Phys. Lett. 2008, 92, 081903. [Google Scholar] [CrossRef]
- Hohenwarter, A.; Kammerhofer, C.; Pippan, R. The Ductile to Brittle Transition of Ultrafine-Grained Armco Iron: An Experimental Study. J. Mater. Sci. 2010, 45, 4805–4812. [Google Scholar] [CrossRef]
- Semenova, I.P.; Modina, Y.M.; Stotskiy, A.G.; Polyakov, A.V.; Pesin, M.V. Fatigue Properties of Ti Alloys with an Ultrafine Grained Structure: Challenges and Achievements. Metals 2022, 12, 312. [Google Scholar] [CrossRef]
- Zhou, W.; Lin, J.; Dean, T.A. Microstructure and Mechanical Properties of Curved AZ31 Magnesium Alloy Profiles Produced by Differential Velocity Sideways Extrusion. J. Magnes. Alloys 2023, 11, 493–508. [Google Scholar] [CrossRef]
- Seipp, S.; Wagner, M.F.-X.; Hockauf, K.; Schneider, I.; Meyer, L.W.; Hockauf, M. Microstructure, Crystallographic Texture and Mechanical Properties of the Magnesium Alloy AZ31B after Different Routes of Thermo-Mechanical Processing. Int. J. Plast. 2012, 35, 155–166. [Google Scholar] [CrossRef]
- Sadrkhah, M.; Faraji, G.; Khorasani, S.; Mesbah, M. Excellent Mechanical Properties, Wettability and Biological Response of Ultrafine-Grained Pure Ti Dental Implant Surface Modified by SLActive. J. Mater. Eng. Perform. 2023, 32, 11408–11421. [Google Scholar] [CrossRef]
- Völker, B.; Wurster, S.; Pippan, R.; Hohenwarter, A. Fracture of Severely Plastically Deformed Titanium. Mater. Lett. 2022, 309, 131382. [Google Scholar] [CrossRef]
- Hohenwarter, A.; Pippan, R. Fracture of ECAP-Deformed Iron and the Role of Extrinsic Toughening Mechanisms. Acta Mater. 2013, 61, 2973–2983. [Google Scholar] [CrossRef] [PubMed]
- Pippan, R.; Hohenwarter, A. The Importance of Fracture Toughness in Ultrafine and Nanocrystalline Bulk Materials. Mater. Res. Lett. 2016, 4, 127–136. [Google Scholar] [CrossRef] [PubMed]
- Yang, X.-L.; Xu, Y.-B.; Tan, X.-D.; Wu, D. Influences of Crystallography and Delamination on Anisotropy of Charpy Impact Toughness in API X100 Pipeline Steel. Mater. Sci. Eng. A 2014, 607, 53–62. [Google Scholar] [CrossRef]
- Hrabe, N.; White, R.; Lucon, E. Effects of Internal Porosity and Crystallographic Texture on Charpy Absorbed Energy of Electron Beam Melting Titanium Alloy (Ti-6Al-4V). Mater. Sci. Eng. A 2019, 742, 269–277. [Google Scholar] [CrossRef]
- Wang, M.; Wang, Y.; Huang, A.; Gao, L.; Li, Y.; Huang, C. Promising Tensile and Fatigue Properties of Commercially Pure Titanium Processed by Rotary Swaging and Annealing Treatment. Materials 2018, 11, 2261. [Google Scholar] [CrossRef]
- Chao, J.; Capdevila, C. The Influence of Texture on the Ductile-to-Brittle Transition Behavior in Fe20Cr4.5Al Oxide Dispersion Strengthened Alloy. Metals 2020, 10, 87. [Google Scholar] [CrossRef]
- Saray, O.; Purcek, G.; Karaman, I.; Maier, H.J. Impact Toughness of Ultrafine-Grained Interstitial-Free Steel. Met. Mater. Trans. A 2012, 43, 4320–4330. [Google Scholar] [CrossRef]
- Pecharsky, V.K.; Zavalij, P.Y. Fundamentals of Powder Diffraction and Structural Characterization of Materials, 2nd ed.; Springer: New York, NY, USA, 2009; ISBN 978-0-387-09578-3. [Google Scholar]
- Isaenkova, M.; Perlovich, Y.; Fesenko, V. Modern Methods of Experimental Construction of Texture Complete Direct Pole Figures by Using X-Ray Data. IOP Conf. Ser. Mater. Sci. Eng. 2016, 130, 012055. [Google Scholar] [CrossRef]
- Perlovich, Y.A.; Isaenkova, M.G.; Krymskaya, O.A.; Fesenko, V.A.; Babich, Y.A. Optimization of the Procedure for Determining Integral Texture Parameters of Products from Zirconium-Based Alloys Using the Orientation Distribution Function. IOP Conf. Ser. Mater. Sci. Eng. 2016, 130, 012056. [Google Scholar] [CrossRef]
- Pawlik, K. Determination of the orientation distribution function from pole figures in arbitrarily defined cells. Phys. Stat. Sol. (b) 1986, 134, 477–483. [Google Scholar] [CrossRef]
- Shin, D.H.; Kim, I.; Kim, J.; Kim, Y.S.; Semiatin, S.L. Microstructure Development during Equal-Channel Angular Pressing of Titanium. Acta Mater. 2003, 51, 983–996. [Google Scholar] [CrossRef]
- Bian, N.; Li, F.; Du, H.; Niu, W.; Chen, Z. Effect Mechanism of Texture Orientation on Mechanical Properties and Hall-Petch Relationship of CVCDE AZ31 Magnesium Alloy via Crystal Plastic Finite Element Method (CPFEM). J. Alloys Compd. 2022, 923, 166248. [Google Scholar] [CrossRef]
- Sabirov, I.; Valiev, R.Z.; Pippan, R. About Application of Three Dimensional Analyses of Fracture Surfaces in Fracture Study on Nanostructured Titanium. Comput. Mater. Sci. 2013, 76, 72–79. [Google Scholar] [CrossRef]
- Moreno-Valle, E.C.; Pachla, W.; Kulczyk, M.; Savoini, B.; Monge, M.A.; Ballesteros, C.; Sabirov, I. Anisotropy of Uni-Axial and Bi-Axial Deformation Behavior of Pure Titanium after Hydrostatic Extrusion. Mater. Sci. Eng. A 2013, 588, 7–13. [Google Scholar] [CrossRef]
- Collings, E.W. The Physical Metallurgy of Titanium Alloys; ASM Series in Metal Processing; American Society for Metals: Metals Park, OH, USA, 1984; ISBN 978-0-87170-181-7. [Google Scholar]
- Tkachev, E.; Belyakov, A.; Kaibyshev, R. Effect of Hot-Rolling on the Microstructure and Impact Toughness of an Advanced 9%Cr Steel. Crystals 2023, 13, 492. [Google Scholar] [CrossRef]
- Valiev, R.Z.; Zhilyaev, A.P.; Langdon, T.G. Bulk Nanostructured Materials: Fundamentals and Applications, 1st ed.; Wiley: Hoboken, NJ, USA, 2013; ISBN 978-1-118-09540-9. [Google Scholar]
- Valiev, R.Z.; Langdon, T.G. Principles of Equal-Channel Angular Pressing as a Processing Tool for Grain Refinement. Prog. Mater. Sci. 2006, 51, 881–981. [Google Scholar] [CrossRef]
- Modina, I.M.; Dyakonov, G.S.; Stotskiy, A.G.; Yakovleva, T.V.; Semenova, I.P. Effect of the Texture of the Ultrafine-Grained Ti-6Al-4V Titanium Alloy on Impact Toughness. Materials 2023, 16, 1318. [Google Scholar] [CrossRef]
- Zhang, Z.; Tan, Z.J.; Wang, Y.F.; Ren, D.X.; Li, J.Y. The Relationship between Microstructures and Mechanical Properties in Friction Stir Lap Welding of Titanium Alloy. Mater. Chem. Phys. 2023, 296, 127251. [Google Scholar] [CrossRef]
- Buirette, C.; Huez, J.; Gey, N.; Vassel, A.; Andrieu, E. Study of Crack Propagation Mechanisms during Charpy Impact Toughness Tests on both Equiaxed and Lamellar Microstructures of Ti–6Al–4V Titanium Alloy. Mater. Sci. Eng. A 2014, 618, 546–557. [Google Scholar] [CrossRef]
- Xu, J.; Zeng, W.; Zhao, Y.; Jia, Z. Effect of Microstructure Evolution of the Lamellar Alpha on Impact Toughness in a Two-Phase Titanium Alloy. Mater. Sci. Eng. A 2016, 676, 434–440. [Google Scholar] [CrossRef]
- Hohenwarter, A.; Pippan, R. Influence of Processing Route on the Fracture Resistance of Equal Channel Angular Pressing Deformed Iron. Adv. Eng. Mater. 2023, 25, 2201011. [Google Scholar] [CrossRef]
- Shi, X.; Zeng, W.; Zhao, Q. The Effects of Lamellar Features on the Fracture Toughness of Ti-17 Titanium Alloy. Mater. Sci. Eng. A 2015, 636, 543–550. [Google Scholar] [CrossRef]
- Ghonem, H. Microstructure and Fatigue Crack Growth Mechanisms in High Temperature Titanium Alloys. Int. J. Fatigue 2010, 32, 1448–1460. [Google Scholar] [CrossRef]
- Williams, J.C.; Boyer, R.R. Opportunities and Issues in the Application of Titanium Alloys for Aerospace Components. Metals 2020, 10, 705. [Google Scholar] [CrossRef]
- Lei, L.; Zhao, Y.; Zhao, Q.; Wu, C.; Huang, S.; Jia, W.; Zeng, W. Impact Toughness and Deformation Modes of Ti–6Al–4V Alloy with Different Microstructures. Mater. Sci. Eng. A 2021, 801, 140411. [Google Scholar] [CrossRef]
- Da Silva, L.; Sivaswamy, G.; Sun, L.; Rahimi, S. Effect of Texture and Mechanical Anisotropy on Flow Behaviour in Ti–6Al–4V Alloy under Superplastic Forming Conditions. Mater. Sci. Eng. A 2021, 819, 141367. [Google Scholar] [CrossRef]
- Cizek, P.; Kada, S.R.; Wang, J.; Armstrong, N.; Antoniou, R.A.; Lynch, P.A. Dislocation structures representing individual slip systems within the α phase of a Ti–6Al–4V alloy deformed in tension. Mater. Sci. Eng. A 2020, 797, 140225. [Google Scholar] [CrossRef]
- Zaefferer, S. A Study of Active Deformation Systems in Titanium Alloys: Dependence on Alloy Composition and Correlation with Deformation Texture. Mater. Sci. Eng. A 2003, 344, 20–30. [Google Scholar] [CrossRef]
- Li, H.; Mason, D.E.; Bieler, T.R.; Boehlert, C.J.; Crimp, M.A. Methodology for Estimating the Critical Resolved Shear Stress Ratios of α-Phase Ti Using EBSD-Based Trace Analysis. Acta Mater. 2013, 61, 7555–7567. [Google Scholar] [CrossRef]
- Benmessaoud, F.; Cheikh, M.; Velay, V.; Vidal, V.; Matsumoto, H. Role of grain size and crystallographic texture on tensile behavior induced by sliding mechanism in Ti-6Al-4V alloy. Mater. Sci. Eng. A 2020, 774, 138835. [Google Scholar] [CrossRef]
- Meng, J.; Chen, X.; Jiang, J.; Liu, L. Investigation on Anisotropic Mechanical Behavior of Ti-6Al-4V Alloy via Schmid Factor and Kernel Average Misorientation Distribution. Metals 2022, 13, 89. [Google Scholar] [CrossRef]
- Anne, B.R.; Okuyama, Y.; Morikawa, T.; Tanaka, M. Activated Slip Systems in Bimodal Ti–6Al–4V Plastically Deformed at Low and Moderately High Temperatures. Mater. Sci. Eng. A 2020, 798, 140211. [Google Scholar] [CrossRef]
- Umezawa, O.; Morita, M.; Yuasa, T.; Morooka, S.; Ono, Y.; Yuri, T.; Ogata, T. Analyses of Heterogeneous Deformation and Subsurface Fatigue Crack Generation in Alpha Titanium Alloy at Low Temperature. AIP Conf. Proc. 2014, 1574, 34–41. [Google Scholar]
- Conrad, H. Effect of Interstitial Solutes on the Strength and Ductility of Titanium. Prog. Mater. Sci. 1981, 26, 123–403. [Google Scholar] [CrossRef]
- Wang, L.; Zheng, Z.; Phukan, H.; Kenesei, P.; Park, J.-S.; Lind, J.; Suter, R.M.; Bieler, T.R. Direct Measurement of Critical Resolved Shear Stress of Prismatic and Basal Slip in Polycrystalline Ti Using High Energy X-ray Diffraction Microscopy. Acta Mater. 2017, 132, 598–610. [Google Scholar] [CrossRef]
- Liu, Z.; Du, Z.; Jiang, H.; Zhao, X.; Gong, T.; Cui, X.; Cheng, J.; Liu, F.; Chen, W. Controlling the Microstructure and Fracture Toughness of the Ti–5Al–5Mo–5V–1Cr–1Fe Alloy by Multiple Heat Treatments. J. Mater. Res. Technol. 2022, 17, 2528–2539. [Google Scholar] [CrossRef]
Disclaimer/Publisher’s Note: The statements, opinions and data contained in all publications are solely those of the individual author(s) and contributor(s) and not of MDPI and/or the editor(s). MDPI and/or the editor(s) disclaim responsibility for any injury to people or property resulting from any ideas, methods, instructions or products referred to in the content. |
© 2023 by the authors. Licensee MDPI, Basel, Switzerland. This article is an open access article distributed under the terms and conditions of the Creative Commons Attribution (CC BY) license (https://creativecommons.org/licenses/by/4.0/).