Prediction of Fatigue Crack Growth in Vacuum-Brazed Titanium Alloy
Abstract
:1. Introduction
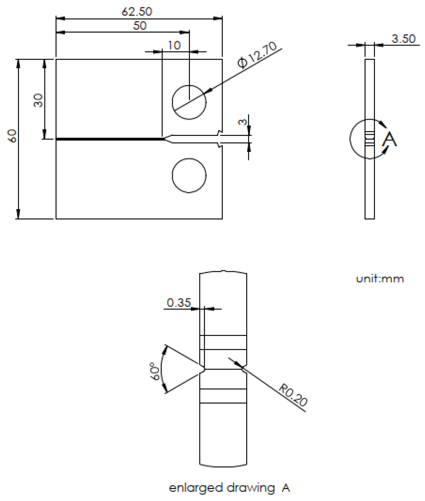
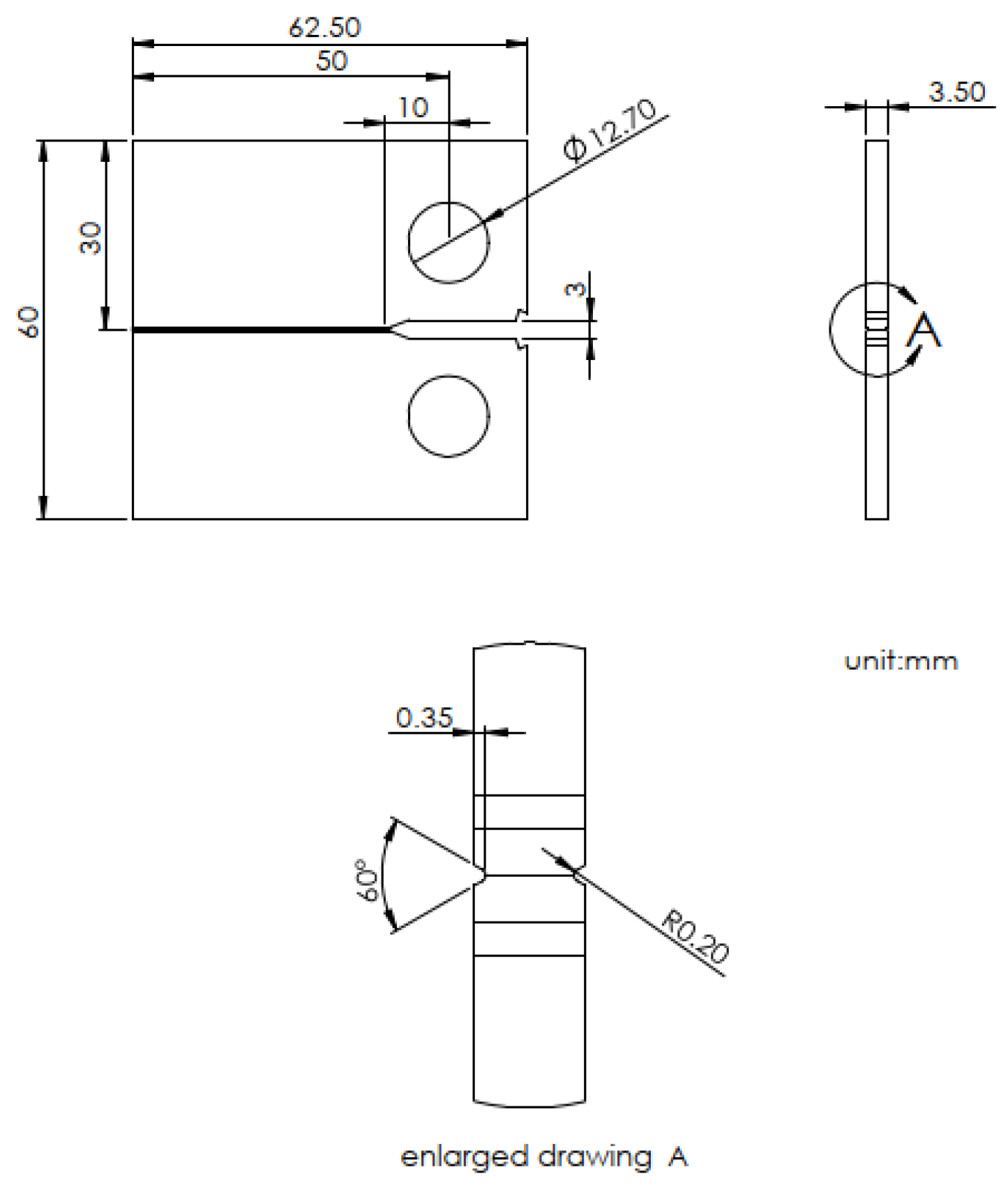
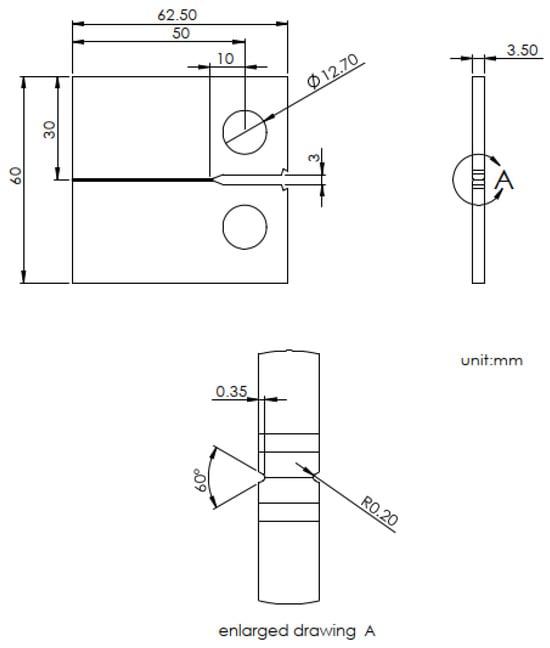
2. Materials and Methods
2.1. Method of Fatigue Crack Growth Prediction
- The effective load range at the ith loading cycle (ΔPeff) i was determined using one of the following two methods: (1) Only tensile loads cause crack extension; if Pmin < 0, let Pmin = 0. (2) If crack closure load, Pcl, is considered and it is greater than zero, then
- 2.
- (ΔK)i or (ΔKeff)i was determined with Equation (1) or according to a specific prediction model.
- 3.
- The increment of crack length per cycle was determined using the Paris equation:
- 4.
- The change in crack length per block, Δa/ΔB, was calculated. This was obtained by summing the change in crack length due to each loading cycle, i.
- 5.
- The crack length after p loading blocks, ap + 1, was determined,
- 6.
- The blocks to failure, Bf, were calculated,
2.2. Willenborg Model
2.3. Crack Closure Model
2.4. Static Fracture Model
2.5. Austen Model
3. Results
3.1. Microstructures and Tensile Strength
3.2. Fatigue Crack Growth Rate under Constant Amplitude Loading
3.3. Fatigue Crack Growth Rate under Variable Amplitude Loading
3.4. Prediction of Fatigue Crack Growth
3.4.1. Transmission, Bracket, and Suspension Histories
3.4.2. Load Sequence Effect
3.5. Fractography
4. Conclusions
- In utilizing TiCuNi filler and an optimal vacuum brazing process, the microstructures of the base metal consisted of white, granular α-titanium, elongated β-titanium, and a layered structure composed of interwoven α and β phases. In the brazed zone, numerous fine, elongated needle-like Widmanstätten structures were observed, with no apparent cracks or defects on either side of the weld.
- During the stable crack growth stage (Region II), the higher the stress ratio, the greater the fatigue crack growth rate. The trend is similar to that found in steels.
- The rainflow cycle counting method outperforms the simple-range cycle counting method.
- The Paris model without any modification can obtain a good prediction.
- Regarding crack closure modification, the Elber model yields slightly better predictive results than the Schijve model.
- Among all fatigue crack growth prediction models, the Willenborg model, which accounts for residual stress modification, produces the best and most conservative results.
- When considering the load sequence effect, the load history reassembled with larger tensile load in the early stages results in lower effective stress of the subsequent loading and leads to higher fatigue life.
- Fracture surfaces at fatigue propagation zone of the vacuum-brazed Ti-6Al-4V joint exhibited ductile fracture characteristics, where fatigue striations were observed.
Author Contributions
Funding
Data Availability Statement
Conflicts of Interest
Nomenclature
| a | crack length |
| B | thickness of specimen |
| C | constant of Paris equation |
| C0 | reference compliance |
| E | Young’s modulus |
| K | stress intensity factor |
| KC | critical stress intensity factor |
| Kfs | static fracture intensity factor |
| Kcl | closure stress intensity factor |
| Kmax | maximum stress intensity factor |
| Kmin | minimum stress intensity factor |
| Kop | opening stress intensity factor |
| m | exponential of Paris equation |
| P | load |
| Pmax | maximum load |
| Pmin | minimum load |
| R | stress ratio, the ratio of the minimum value to the maximum value of cyclic stress |
| Rv | the ratio of the minimum load to the maximum load during the variable amplitude load process |
| v | crack opening displacement |
| W | width of CT specimen |
| da/dN | fatigue crack growth rate |
| γy | crack tip plastic radius |
| Δa | amount of crack growth |
| ΔK | range of stress intensity factor |
| ΔKeff | range of effective stress intensity factor |
| ΔKop | range of opening stress intensity factor |
| ΔKth | threshold range of the crack growth stress intensity factor |
| ΔP | range of load |
| Δσ | range of stress |
| Δσeff | range of effective stress |
| ε | strain |
| σ | stress |
| σmax | maximum stress |
| σmin | minimum stress |
References
- Donachie, M.J.; Donachie, S.J. Superalloys: A Technical Guide; ASM International: Almere, The Netherlands, 2002. [Google Scholar]
- Kishi, N.; Hasan, R.; Chen, W.; Goto, Y. Study of Eurocode 3 steel connection classification. Eng. Struct 1997, 19, 772–779. [Google Scholar] [CrossRef]
- ANSI WEBSTORE. Available online: https://webstore.ansi.org/standards/bsi/bs76082014 (accessed on 8 November 2023).
- Hobbacher, A. The development of the new IIW fatigue recommendations. In Proceedings of the IIW Ont. Conference on Performance of Dynamically Loaded Welded Structures, San Francisco, CA, USA, 14–15 July 1997. [Google Scholar]
- Balasubramanian, T.; Balasubramanian, V.; Manickam, M.M. Fatigue crack growth behavior of gas tungsten arc, electron beam and laser beam welded Ti–6Al–4V alloy. Mater. Des. 2011, 32, 4509–4520. [Google Scholar] [CrossRef]
- Guo, Y.; Chen, F.; Li, M.; Yu, H.; Li, W.; Deng, H. The effect of defect characteristics on prediction of fatigue life of TC4 titanium alloy welded joints. Metals 2023, 13, 1540. [Google Scholar] [CrossRef]
- Liu, J.; Chen, J.; Sun, Z.; Zhang, H.; Yuan, Q. A study on fatigue crack closure associated with the growth of long crack in a new titanium alloy. Metals 2023, 13, 1377. [Google Scholar] [CrossRef]
- Wang, Y.; Ma, H.; Zhang, Y.J. Fatigue crack growth behavior for gas tungsten arc welded joint of TC2 titanium alloys sheets. Mater. Sci. Eng. A 2023, 881, 145385. [Google Scholar] [CrossRef]
- Emadinia, O.; Guedes, A.; Tavares, C.J.; Simões, S. Joining alumina to titanium alloys using Ag-Cu sputter-coated Ti brazing filler. Materials 2020, 13, 4802. [Google Scholar] [CrossRef]
- Wang, Y.; Hu, B.; Wei, Y.; Feng, G.; Deng, D. Microstructure and mechanical properties of vacuum diffusion bonded Ti2AlNb/Ti/TC4 joint. Crystals 2021, 11, 770. [Google Scholar] [CrossRef]
- Vishnuvardhan, S.; Murthy, A.R.; Choudhary, A. A review on pipeline failures, defects in pipelines and their assessment and fatigue life prediction methods. Int. J. Press. Vessel. Pip. 2022, 201, 104853. [Google Scholar] [CrossRef]
- Su, M.; Xu, L.; Peng, C.; Han, Y.; Zhao, L. Fatigue short crack growth, model and EBSD characterization of marine steel welding joint. Int. J. Fatigue 2022, 156, 106689. [Google Scholar] [CrossRef]
- Darveaux, R. Effect of simulation methodology on solder joint crack growth correlation and fatigue life prediction. J. Electron. Packag. 2002, 124, 147–154. [Google Scholar] [CrossRef]
- Kang, H.T. Fatigue prediction of spot welded joints using equivalent structural stress. Mater. Des. 2007, 28, 837–843. [Google Scholar] [CrossRef]
- Socie, D.F. Fatigue-life prediction using local stress-strain concepts: The primary emphasis of this paper is on the mechanics of a computer algorithm for cumulative fatigue damage. Exp. Mech. 1977, 17, 50–56. [Google Scholar] [CrossRef]
- Wheeler, O.E. Spectrum loading and crack growth. J. Basic Eng. 1972, D94, 181–186. [Google Scholar] [CrossRef]
- Liu, X.; Wu, Q.; Su, S.; Wang, Y. Evaluation and prediction of material fatigue characteristics under impact loads: Review and prospects. Int. J. Struct. Integr. 2022, 13, 251–277. [Google Scholar] [CrossRef]
- Neto, D.; Borges, M.; Antunes, F.; Jesus, J. Mechanisms of fatigue crack growth in Ti-6Al-4V alloy subjected to single overloads. Theor. Appl. Fract. Mech. 2021, 114, 103024. [Google Scholar] [CrossRef]
- Sanaei, N.; Fatemi, A. Defect-based fatigue life prediction of L-PBF additive manufactured metals. Eng. Fract. Mech. 2021, 244, 107541. [Google Scholar] [CrossRef]
- Willenborg, J.; Engle, R.; Wood, H. A Crack Growth Retardation Model Using an Effective Stress Concept; TM-71-1-FBR; Air Force Flight Dynamics Lab.: Dayton, OH, USA, 1971. [Google Scholar]
- Ferreira, F.F.; Neto, D.M.; Jesus, J.S.; Prates, P.A.; Antunes, F.V. Numerical prediction of the fatigue crack growth rate in SLM Ti-6Al-4V based on crack tip plastic strain. Metals 2020, 10, 1133. [Google Scholar] [CrossRef]
- Paris, P.C.; Erdogan, F. A critical analysis of crack propagation laws. J. Basic Eng. 1963, D85, 528–534. [Google Scholar] [CrossRef]
- Forman, R.G.; Kearney, V.E.; Engle, R.M. Numerical analysis of crack propagation in cyclic-loaded structures. J. Basic Eng. 1967, D89, 459–464. [Google Scholar] [CrossRef]
- Elber, W. Fatigue crack propagation: Some effects of crack closure on the mechanism of fatigue crack propagation under cyclic tension loading; University of New South Wales: Sydney, Australia, 1968. [Google Scholar]
- Austen, I.; Walker, E. Corrosion fatigue crack growth rate information for offshore life prediction. Steel Mar. Struct. 1987, 87, 859–870. [Google Scholar]
- Huang, C.-D.; Hwang, J.-R.; Huang, J.-Y. Optimization of vacuum brazing process parameters in Ti-6Al-4V alloy. Metals 2022, 12, 974. [Google Scholar] [CrossRef]
- ASTM E647-15e1; Standard Test Method for Measurement of Fatigue Crack Growth Rates. ASTM Intertional: West Conshohocken, PA, USA, 2015.
- Stephens, R.-I.; Fatemi, A.; Stephens, R.-R.; Fuchs, H.-O. Metal Fatigue in Engineering, 2nd ed.; Wiley-Interscience: New York, NY, USA, 2001; pp. 288–289. [Google Scholar]
- Bannantine, A.; Socie, D. A Multiaxial Fatigue Life Estimation. ASTM Int. 1992, 1122, 249. [Google Scholar]
- Hwang, J.-R. Process Optimization and Fatigue Properties of Vacuum-Brazed Titanium Alloy; National Science and Technology Council: Taipei, ROC, 2018.
- Bannantine, J.A.; Comer, J.J.; Handrock, J.L. Fundamentals of Metal Fatigue Analysis; Prentice Hall: Englewood Cliffs, NJ, USA, 1990. [Google Scholar]
- Elber, W. The Significance of Fatigue Crack Closure.; ASTM Intertional: West Conshohocken, PA, USA, 1971; pp. 230–242. [Google Scholar]
- Schijve, J. Fatigue of Structures and Materials; Springer: Dordrecht, The Netherlands, 2009; pp. 209–256. [Google Scholar]
- Mughrabi, H. ASM Handbook, Volume 19, Fatigue and Fracture. ASM Int. 1998, 153, 76. [Google Scholar]
- Sullivan, A.; Crooker, T. Analysis of fatigue-crack growth in a high-strength steel—Part I: Stress level and stress ratio effects at constant amplitude. J. Press. Vessel Technol. 1976, 98, 179–184. [Google Scholar] [CrossRef]
- Chen, H.; Yang, F.; Wu, Z.; Yang, B.; Huo, J. A nonlinear fatigue damage accumulation model under variable amplitude loading considering the loading sequence effect. Int. J. Fatigue 2023, 177, 107945. [Google Scholar] [CrossRef]
- Beden, S.; Abdullah, S.; Ariffin, A.; Al-Asady, N. Fatigue crack growth simulation of aluminum alloy under spectrum loadings. Mater. Des. 2010, 31, 3449–3456. [Google Scholar] [CrossRef]
















| Material | Chemical Composition (wt.%) | |||||||
|---|---|---|---|---|---|---|---|---|
| Al | V | Cr | Fe | Ni | Ti | Cu | Ni | |
| Ti-6Al-4V | 5.88 | 3.60 | 0 | 0.08 | 0.08 | Bal. | 0 | 0 |
| TiCuNi | 0 | 0 | 0 | 0 | 0 | 70 | 15 | 15 |
| History | Pmax (N) | Pmin (N) | Fatigue Life (Blocks) |
|---|---|---|---|
| TRN | 3340 | 334 | 2406 |
| BRK | 3380 | 338 | 1314 |
| SUS | 2565 | 256 | 6059 |
Disclaimer/Publisher’s Note: The statements, opinions and data contained in all publications are solely those of the individual author(s) and contributor(s) and not of MDPI and/or the editor(s). MDPI and/or the editor(s) disclaim responsibility for any injury to people or property resulting from any ideas, methods, instructions or products referred to in the content. |
© 2023 by the authors. Licensee MDPI, Basel, Switzerland. This article is an open access article distributed under the terms and conditions of the Creative Commons Attribution (CC BY) license (https://creativecommons.org/licenses/by/4.0/).
Share and Cite
Huang, C.-D.; Hwang, J.-R.; Huang, J.-Y. Prediction of Fatigue Crack Growth in Vacuum-Brazed Titanium Alloy. Metals 2023, 13, 1879. https://doi.org/10.3390/met13111879
Huang C-D, Hwang J-R, Huang J-Y. Prediction of Fatigue Crack Growth in Vacuum-Brazed Titanium Alloy. Metals. 2023; 13(11):1879. https://doi.org/10.3390/met13111879
Chicago/Turabian StyleHuang, Chou-Dian, Jiun-Ren Hwang, and Jiunn-Yuan Huang. 2023. "Prediction of Fatigue Crack Growth in Vacuum-Brazed Titanium Alloy" Metals 13, no. 11: 1879. https://doi.org/10.3390/met13111879
APA StyleHuang, C.-D., Hwang, J.-R., & Huang, J.-Y. (2023). Prediction of Fatigue Crack Growth in Vacuum-Brazed Titanium Alloy. Metals, 13(11), 1879. https://doi.org/10.3390/met13111879
