You are currently viewing a new version of our website. To view the old version click .
Metals
  • Article
  • Open Access

1 November 2023

Study on the Properties of a 2219 Aluminum Alloy Friction Stir-Welded Joint under the Biaxial Stress State

,
,
and
1
Light Alloy Research Institute, Central South University, Changsha 410083, China
2
State Key Laboratory of High Performance and Complex Manufacturing, Central South University, Changsha 410083, China
3
China Academy of Launch Vehicle Technology, Beijing 100076, China
4
Hunan InnoChina Advanced Materials Co., Ltd., Yueyang 414021, China

Abstract

Friction stir welding (FSW) has been considered ideal for aluminum alloy structures. The performance of FSW joints under unidirectional stress state has been widely tested, but there is still a lack of experimental data under a biaxial stress state. For accurate characterization of the mechanical properties of 2219 aluminum alloy FSW joints under a biaxial stress state, this article conducted biaxial tests. The FSW joint was tested using scanning electron microscopy (SEM) to obtain its microscopic properties and obtain the partition results of the welded joint. The stress–strain relationship and yield characteristics of welded joints under different loading ratios were studied using biaxial tensile tests of cruciform specimens combined with digital image correlation technology. By comparing it with the existing yield criteria, the yield criterion suitable for FSW joints of 2219 aluminum alloy under a biaxial tensile load was determined.

1. Introduction

The friction stir welding (FSW) technique has been considered ideal for large aluminum alloy structures like propellant tanks [1]. It is a solid-state welding technology and provides direct metal-to-metal contact without the production of intermetallic compounds [2]. FSW structures are easier to achieve a light structural weight with and can provide better structural sealing. Sealed structures that serve in special environments such as low-temperature propellant storage tanks are designed to operate at cryogenic temperatures (as low as 20 K) and high pressures. In this condition, the welded joints are under a stress state of biaxial tension. The typical stress state of the FSW structures is shown in Figure 1.
Figure 1. Typical biaxial tensile stress state of the propellant storage tanks.
2219 aluminum alloy is widely used in the manufacturing of propellant storage tanks due to its high specific strength and heat treatment strengthening properties [3,4,5]. Although FSW structures are considered to have good joint strength and fatigue performance due to no porosity, solidification cracks, or other defects that can weaken the joint, locale reinforcement is often employed to ensure strength at the welding joint positions [6,7] in the aerospace industry. The microstructure plays a crucial role in the mechanical performance of the joint. Differences in microstructure are reflected in grain size, morphology, and the distribution of precipitates, among other factors. As propellant leakage may lead to catastrophic accidents, failure analysis of FSW structures needs to be fully evaluated [8]. Moreover, with an increasing demand for weight reduction in spacecraft structures, overly conservative reinforcements can no longer meet lightweight needs [9,10]. Therefore, the accurate characterization of the mechanical properties of aluminum alloy FSW under a biaxial stress state need to be conducted. For the design of such structures, design allowable values are usually used as representative for considering failure behaviors and determined using careful tests [11,12,13].
The biaxial stress state testing of metal plates has been proposed as early as the 1960s and has received increasing attention in recent years. A biaxial loading test piece for aluminum alloy sheets was designed by Naka et al. [14]. By conducting biaxial tests at different temperatures and stress ratios, the yield surface of aluminum alloy materials was determined, combined with finite element simulation technology. By comparing different criteria with experimental results, the Logan–Hosford criterion was determined to be suitable for the studied aluminum alloy sheets. Green et al. [15] designed a biaxial loading test piece for aluminum alloy sheets. Based on this specimen, multiple sets of tests were conducted to obtain stress–strain curves in different directions, and various criteria were used to evaluate the mechanical properties of aluminum alloy under a biaxial stress state. Merklein et al. [16] designed biaxial tests on aluminum alloy sheets in and out of plane, and compared and analyzed the reliability of the new biaxial test using a combination of finite element analysis and experiments, proving that temperature is the main factor affecting the yield strength of aluminum alloy materials. Specimens with initial cracks were designed by Mostafavi et al. [17] and the biaxial tensile properties of 2024 aluminum alloy were obtained. Mohr et al. [18] designed and developed a complex multi-axis loading test device. The device needs to be matched with a rectangular plate specimen with grooves, which can obtain the yield stress of the plate under various loading conditions by applying horizontal and vertical loads to the specimen. In summary, these biaxial tensile test methods are conducted using cross-shaped specimens, which refers to the design and processing of the specimens according to the test objects. The typical biaxial loading specimens designed in the literature are shown in Figure 2.
Figure 2. Typical biaxial loading specimens.
However, the above tests are all biaxial tensile tests for aluminum alloy sheets and not for aluminum alloy welded structures. The existing tests for FSW joints are mostly uniaxial tests, where the welded joints are in a unidirectional stress state. Failure analysis of welded joints under a biaxial stress state is rarely considered and the existing specimen design has not been verified on aluminum alloy welded structures.
In order to accurately characterize the mechanical properties of a welded aluminum alloy joint under a biaxial tensile stress state, a biaxial tensile test piece for an FSW joint of 2219 aluminum alloy welding joint is designed and tested. A scanning electron microscopy (SEM) test is also employed to obtain its microscopic properties and the partition results of the welded joint. The stress–strain relationship and yield characteristics of 2219 aluminum alloy welded joints under different loading ratios were studied using biaxial tensile tests combined with digital image correlation technology. At last, through comparison with the existing yield criterion, the yield law of 2219 aluminum alloy welded joints under a bidirectional stress state was obtained, and the yield criterion applicable to 2219 aluminum alloy FSW joints was determined by comparing it with several existing yield criteria.

2. Analysis of Microscopic Properties and Partition of 2219 Aluminum Alloy Welded Joints

The 2219 aluminum alloy specimen was produced by rolling before welding, and its heat treatment state was T87, which involves solution heat treatment and cold working with a deformation of approximately 10%, followed by artificial aging. The 2219 aluminum alloy consists of α(Al) matrix with numerous second-phase particles incorporated into it. Table 1 shows the main chemical composition of the 2219 aluminum alloy.
Table 1. The main chemical compositions of 2219 aluminum alloy.
Figure 3 presents the microstructure of various regions in the FSW joint. The joint is divided into four zones, including Base Metal (BM), Heat-Affected Zone (HAZ), Thermo-Mechanically Affected Zone (TMAZ), and Weld Zone (WZ). As shown, the microstructure of the WZ undergoes significant changes compared to the BM. The morphology of the fusion zone is noticeably altered due to the effects of the stirring and welding thermal cycles. During the FSW process, a significant amount of heat is generated between the stirring pin and the workpiece, as well as between the shoulder and the workpiece. This heat causes the metal in the directly affected area to undergo plasticization, allowing for thorough plastic flow. As the stored energy increases to a certain level, the dislocation density increases with the increase in stirring force. Nucleation occurs continuously in the metal, leading to dynamic recrystallization. The lamellar structure of the original BM transforms into equiaxed recrystallized grains, in which the grain size is uniformly smaller, with an average grain size much smaller than that of the BM. The TMAZ is a narrow and elongated region located at the interface between the WZ and the HAZ. This region is influenced by the stirring pin and the welding shoulder and experiences higher temperatures due to the welding thermal cycles, resulting in significant grain bending deformation. The microstructure of the HAZ does not undergo stirring during the welding process but is only affected by the thermal cycles, thus showing no significant differences from the parent material’s structure. The BM exhibits evident rolling traces, appearing as elongated strips, and has larger grain sizes.
Figure 3. Microstructure morphology of various zones of joint: WZ, TMAZ, HAZ, and BM.
The microstructure is observed using a Zeiss SUPRA 55 field emission scanning electron microscope (SEM). Figure 4 shows the SEM images of the microstructure of the FSW joint of 2219 aluminum alloy, presenting the grain size and distribution of second-phase particles in different regions of the weld. Clear morphological differences can be observed. Figure 4a and Figure 4d show the microstructure of the WZ at high and low magnifications, respectively, revealing equiaxed grains with sizes ranging from approximately 40 to 50 μm. During the welding process, the WZ experiences elevated temperatures, providing sufficient time for the formation of precipitates within the grains. Precipitates are observed both along grain boundaries and within the grains. Elemental analysis of the precipitate phase using EDS revealed that aluminum (Al) accounts for 59.22%, while copper (Cu) accounts for 40.78%. It is speculated that this is Al2Cu, which aligns with the results obtained by other scholars [19,20,21,22,23]. The TMAZ, as shown in Figure 4b,e at different magnifications, undergoes stirring and welding thermal cycles. It reaches higher peak temperatures and cools faster compared to the WZ. The grain size after cooling is approximately 20–30 μm. In this region, partial dynamic recrystallization occurs, leading to the formation of new precipitates. Some of these precipitates aggregate along the grain boundaries, while others dissolve within the grain boundaries, resulting in a lower density of precipitates along the grain boundaries. The HAZ is primarily affected by heat, with some precipitates distributed along the grain boundaries. Many small second-phase particles are still dispersed within the grains, as shown in Figure 4c,f.
Figure 4. SEM image of the 2219 aluminum alloy FSW joint: (a) high magnification of the WZ, (b) high magnification of the TMAZ, (c) high magnification of the HAZ, (d) low magnification of the WZ, (e) low magnification of the TMAZ, and (f) low magnification of the HAZ.
In this study, nanoindentation experiments were conducted using a nanoindentation testing machine (Hysitron TI-950 is produced by Bruker, a company located in Billerica, MA, USA) to further determine the properties of different regions. This instrument has a microscope with a resolution of 500 nm in the top view angle, used for precise positioning of the test points. The indentation test can record the load displacement data during the indentation process and fit the calculated elastic modulus and hardness equivalent. In order to determine the differences in the local mechanical properties of the welded joints, a range of 10 mm from the center of the weld seam was selected for measurement in this experiment. The experimental results are shown in Figure 5, where the red dashed line represents the boundary between the WZ and TMAZ. The lower hardness of the WZ is attributed to excessive heat input, which leads to the precipitation of numerous second-phase particles along the grain boundaries and a decrease in grain boundary cohesion. As the distance from the welding center increases, the hardness of the WZ increases, and a performance transition occurs at the junction with the TMAZ, reaching the highest hardness value. Compared to other regions, the material flow at the junction is more severe, and finer microstructures are formed at higher rotational speeds. Figure 4b shows that the grain size in the TMAZ is smaller, which is consistent with the results of Xu [24] and Cavaliere [25]. The boundary of the WZ and HAZ lies between 4 mm and 5 mm from the welding joint center. Within a 7.5 mm wide range from the center of the welding joint, the hardness in the WZ initially increases, followed by a sudden and significant increase in the hardness of the TMAZ, while the hardness of the HAZ gradually decreases.
Figure 5. Hardness distribution of the FSW joint.

3. Biaxial Testing Setting of 2219 Aluminum Alloy Welded Joints

Materials and Experiments

The entire testing device includes a Zwick biaxial tensile testing machine (Zwick/Roell Z150, produced by Zwick/Roell Company located in Ulm, Germany, with a 150 kN biaxial loading test host and 150 kN force sensor; the accuracy level of the video extensometer is level 1, with a resolution of 0.25 μm) and a Vic-3D optical testing system (including two ALLIED high-definition cameras and two embedded lighting fixtures), and the installed testing device is shown in Figure 6. The loading mode of the testing machine is that one collet remains stationary while the other collet moves upward to achieve the tension status. The displacement and load curve over time are recorded. The speckle is prepared on the target area to cooperate with the VIC-3D optical testing system to obtain the strain field data of the specimen. The entire test process is carried out using a force-loading method with a loading rate of 0.5 kN/min. The real-time optical measurement is calculated using the VIC-3D optical testing system and the displacement field is stored.
Figure 6. The test device image and the configuration of the specimens.
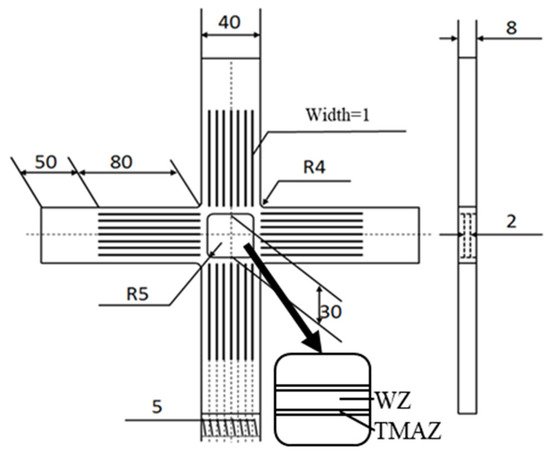
The tensile specimen was designed and the location of the FSW joint is shown in Figure 7. The width of the WZ is measured as 10 mm. The welding specimen was cruciform in shape, with the weld seam distributed along the Y-axis. The specimen was designed taking into account the following five factors: maximizing the uniform biaxial stress region; minimizing the shear strain in the experimental area; minimizing the stress concentration outside the experimental area; minimizing changes in load–stress relationships after yielding begins; obtaining the yield range of the observation area before failure elsewhere in the sample. Based on the FEM analysis, the size of the specimen is determined. The welding area of the specimen is set as the central thinning area of the specimen, and the size of the area is taken as 30 mm, which is larger than the size of the areas with significant changes in hardness in the WZ and HAZ. The test specimens are processed by wire cutting them from the butt welding sheets with a thickness of 8 mm as shown in Figure 8.
Figure 7. Schematic diagram of designed biaxial specimen.
Figure 8. The biaxial specimens.

4. Results and Discussion

The biaxial tensile test was conducted in sequence with a loading ratio of 1:1, 1:2, and 1:4 for the X-axis and Y-axis, ensuring that there were at least three valid specimens in each group of tests. The typical failure mode is shown in Figure 9.
Figure 9. Typical failure mode of the specimen.
The failure diagram of the specimen is shown in Figure 10. The failure happens at the center thinning area. The boundaries of the WZ are schematically shown in Figure 11 with red dashed lines. When the load ratio is 1:1, the distribution of the biaxial strain field is shown in Figure 11a. A strain field within the range of a 20–80% failure load is presented. When the load reaches the failure load, the speckle may detach from the specimen, resulting in relatively large measurement errors. However, it can still qualitatively indicate the strain field at various positions on the specimen surface. At the beginning of loading, it can be seen that the strain distribution in both directions is almost uniform. As the loading progresses, the strain distribution gradually becomes stable. During the continuous loading process, the strain at the boundary of the welded seam is the highest and the final failure location occurs at the edge of the welding joint. The failure happens at almost the same time in both directions.
Figure 10. Failure images of the specimen under different loading ratios: (a) 1:1, (b) 1:2, (c) 1:4.
Figure 11. The measured strain distributions under different loading conditions: (a) the measured strain distribution under the loading ratio 1:1, (b) the measured strain distribution under the loading ratio 1:2, (c) the measured strain distribution under the loading ratio 1:4.
The weld seam edge is a transition zone for joint performance, and fracturing occurs in this region. This may be attributed to three factors: (1) the weld seam edge is the outermost region of the stirring, where the metal flow is rapid, leading to intense plastic deformation and resulting in residual stresses [26,27]. Under tensile stress, microcracks appear. (2) At the junction of the TMAZ and HAZ, there is significant variation in the metal grain structure, causing a decrease in the bonding strength between the grains in this area. Additionally, there is a sharp drop in hardness, resulting in non-uniformity and the formation of a soft–hard interface, making fractures more likely to occur in this region [28,29]. (3) Fracturing is also influenced by the aggregation of micropores. Micropores primarily nucleate along the grain boundaries or at the location of second-phase particles. Since the TMAZ is a dense region, these micropores aggregate and form cracks during the tensile process [30].
The distribution of the biaxial strain field when the load ratio is 1:2 is shown in Figure 11b. As the loading progresses, the strain change in the Y-axis is more pronounced than that in the X-axis, and then the strain distribution gradually stabilizes. During the continuous loading process, the boundary strain of the Y-axis weld zone is the highest, and failure first occurs at the edge of the Y-axis weld. Unlike specimens loaded in a 1:1 ratio, failure does not occur first in the X direction. The distribution of the biaxial strain field when the load ratio is 1:4 is shown in Figure 11c. As the loading progresses, the strain change process is similar to the specimen loading under a 1:2 ratio.
The results of the maximum load for failure in all three loading ratios is between 40 and 50 kN. Among them, while the loading ratio is 1:1, the average failure load on the Y-axis is 45.3 kN; while the loading ratio is 1:2, the average failure load on the Y-axis is 47.2 kN; and while the loading ratio is 1:4, the average failure load on the Y-axis is 45.1 kN.
The designed specimen has been proven to have a good stress state. After a certain stage of loading, the strain in the WZ is still in a relatively uniform stress state. The strain gradient gradually increases at the TMAZ, which indicates that yielding occurs. As a sudden change in hardness at the boundary of the TMAZ has been detected, the relatively large gradient of material performance change in this area is the reason for failure initiation. Considering the gradient changes in the material properties in the welded joint structures, it is difficult to obtain a complete biaxial stress state, and it is also difficult to accurately control the final failure location. Despite these difficulties, all the test specimen failure locations are found to be at the center test area, and the designed specimen has achieved good application results.
The stress–strain curve of the biaxial tensile test is shown in Figure 12. The yield surface is determined using the von Mises criterion, Tresca criterion, and Yld2000-2d criterion. The Yld2000-2d criterion was proposed by Balat et al. [31], which is in good accordance with the experimental results of the aluminum alloy sheets. Based on the previous Yld1996 criterion [32], the Yld2000 criterion has been proven to have a convex yield surface, ensuring a unique solution in finite element analysis. The expression of its yield function is as follows:
ϕ = ϕ + ϕ = 2 σ ¯ a ,
ϕ = s 1 s 2 a     ϕ = 2 s 2 + s 1 a + 2 s 1 + s 2 a ,
Figure 12. Comparison diagram of different yield criteria.
s 1 , s 2 , s 3 is the principal value of the stress deviation, and a is the material coefficient, while σ ¯ refers to the equivalent stress. Under two-dimensional anisotropic conditions, linear transformations X = C · s = L · σ , X = C · s = L · σ can be employed and the yield function is given as:
ϕ = X 1 X 2 a + 2 X 2 X 1 a + 2 X 1 X 2 a ,
L and L are determined using eight parameters and uniaxial tests, as well as biaxial tensile tests, which are essential for establishment of the yield surface. The uniaxial test has been conducted and the yield surface is determined as shown in Figure 12. The dispersion degree of the yield strength of the weld is relatively large, especially under the loading ratios 1:2 and 1:4. The results indicate that for failure analysis of welded joint structures, the Yld2000-2d criterion can provide better prediction results. For the analysis of engineering structures, the von Mises criterion can provide relatively conservative estimates.

5. Conclusions

This article designed a biaxial tensile test piece for 2219 aluminum alloy welded joints, and conducted biaxial tensile tests with tensile load ratios of 1:1, 1:2, and 1:4. The strain history, yield strength, and failure locations of the welded joints under different loading ratios were obtained. The experimental results were compared with several existing yield criteria and the most suitable yield criterion for 2219 aluminum alloy FSW joints was determined. The following conclusions were drawn:
  • The microstructure of the 2219 aluminum alloy FSW joint undergoes significant changes: In the WZ, there is substantial plastic deformation, resulting in the formation of fine equiaxed grains, with precipitates appearing near the grain boundaries. The TMAZ is located at the stirring edge, where the grains experience severe deformation, and partial dynamic recrystallization occurs. The HAZ is primarily influenced by heat and retains the original grain shape. The density of precipitates within the grains decreases, and some precipitates aggregate near the grain boundaries.
  • For the 2219 aluminum alloy FSW joint, the designed specimen has been proven to have a good stress state. The designed specimen has a stable and effective experimental area, which ensures the location of failure and effectively obtains the biaxial tensile performance. All the test specimen failure locations are found to be at the center test area and the designed specimen has achieved good application results.
  • Nanoindentation experiments were conducted to further determine the properties of different regions. A finer microstructure is detected in the TMAZ area and the sudden change in hardness at the boundary of the WZ and HAZ is characterized, which indicates a gradient in the material properties at this area. Under the different loading ratios 1:1, 1:2, and 1:4, the strain field data are obtained using a Vic-3D optical testing system. The failure locations all appear at the edge of the WZ. For the 2219 FSW joint structures adopted here, the local yield and final failure occur within the WZ and HAZ. This is closely related to stress residuals, the soft–hard interface, and the density of precipitates in that area.
  • Biaxial tensile testing can present a better description of the stress–strain relationship of materials under complex loads. For 2219 aluminum alloy FSW joints, the Yld2000-2d criterion can provide better prediction results. For the analysis of engineering structures, the von Mises criterion can provide relatively conservative estimates.

Author Contributions

M.S., D.W., C.H. and X.C. conceived the study; M.S., C.H. and X.C. designed the experiments; M.S., D.W. and X.C. performed the experiments; M.S. analyzed the data; M.S. and X.C. wrote the original draft; D.W., X.C. and C.H. reviewed and edited the manuscript. All authors have read and agreed to the published version of the manuscript.

Funding

This research was funded by project 2020YFA0711104 supported by the National Key Research and Development Program of China, and project 933A2AB1 supported by Research on Innovative Application of Aerospace Science and Technology, China Academy of Launch Vehicle Technology.

Institutional Review Board Statement

Not applicable.

Data Availability Statement

The data presented in this study are available on request from the corresponding author. The data are not publicly available due to project confidentiality.

Conflicts of Interest

The authors declare no conflict of interest. The funders had no role in the design of the study; in the collection, analyses, or interpretation of the data; in the writing of the manuscript; or in the decision to publish the results.

References

  1. Ahmed, M.M.Z.; Seleman, M.M.; Fydrych, D.; Çam, G. Friction stir welding of aluminum in the aerospace industry: The current progress and state-of-the-art review. Materials 2023, 16, 2971. [Google Scholar] [CrossRef] [PubMed]
  2. Di Bella, G.; Favaloro, F.; Borsellino, C. Effect of process parameters on friction stir welded joints between dissimilar aluminum alloys: A review. Metals 2023, 13, 1176. [Google Scholar] [CrossRef]
  3. Lv, S.L.; Li, Z.; Gao, X.S.; Srivatsan, T.S. Influence of exposure to environment on degradation of a friction stir welded aluminum alloy. Metals 2020, 10, 1437. [Google Scholar] [CrossRef]
  4. Cao, G.L.; Ren, M.F.; Zhang, Y.H.; Peng, W.B.; Li, T. A partitioning method for friction stir welded joint of AA2219 based on tensile test. Metals 2020, 10, 65. [Google Scholar] [CrossRef]
  5. Gong, H.; Tang, H.; Zhang, T.; Du, F.; Liu, X.L.; Wu, Y.X. Evolution of stress and strain in 2219 aluminum alloy ring during roll-bending process. Int. J. Adv. Manuf. Technol. 2022, 119, 6863–6874. [Google Scholar] [CrossRef]
  6. Cerit, M.; Kokumer, O.; Genel, K. Stress concentration effects of undercut defect and reinforcement metal in butt welded joint. Eng. Fail. Anal. 2010, 17, 571–578. [Google Scholar] [CrossRef]
  7. Xu, X.; Shu, T.T.; Zheng, J.H.; Luo, Y.Z. Experimental and numerical study on compressive behavior of welded hollow spherical joints with external stiffeners. J. Constr. Steel Res. 2022, 188, 107034. [Google Scholar] [CrossRef]
  8. Chang, X.; Guo, X.; Ren, M.F.; Li, L. Micromechanical matrix failure analysis for unidirectional fiber-reinforced composites. Thin-Walled Struct. 2019, 141, 275–282. [Google Scholar] [CrossRef]
  9. Lv, Z.L.; Li, C.; Wan, L.; Hou, Z.G.; Chen, X.X. The influence of gradient mismatches on mechanical properties and microstructure of 2219-T6 aluminum alloy VP-TIG joints. China Weld. 2017, 26, 20–28. [Google Scholar] [CrossRef]
  10. Han, W.F.; Yu, M.; Fang, X.F.; Wei, S.B.; Zhang, D.F. Effect of flame heating pass on microstructure and properties of A6N01 aluminum alloy welded joint. China Weld. 2017, 26, 21–28. [Google Scholar] [CrossRef]
  11. Spišák, E.; Majerníková, J.; Spišáková, E.D.; Kaščák, Ľ. Research into plastic deformation of double reduced sheets. Metals 2018, 8, 99. [Google Scholar] [CrossRef]
  12. Dawicke, D.S.; Pollock, W.D. Biaxial Testing of 2219-T87 Aluminum Alloy Using Cruciform Specimens; NASA-CR-4782; NASA Langley Technical Report Server: Washington, DC, USA, 1997.
  13. Seo, K.Y.; Kim, J.H.; Lee, H.S.; Kim, J.H.; Kim, B.M. Effect of constitutive equations on spring back prediction accuracy in the TRIP1180 cold stamping. Metals 2018, 8, 18. [Google Scholar] [CrossRef]
  14. Naka, T.; Nakayama, Y.; Uemori, T.; Hino, R.; Yoshida, F. Effects of temperature on yield locus for 5083 aluminum alloy sheet. Key Eng. Mater. 2003, 140, 494–499. [Google Scholar] [CrossRef]
  15. Green, D.E.; Neale, K.W.; Macewen, S.R.; Makinde, A.; Perrin, R. Experimental investigation of the biaxial behaviour of an aluminum sheet. Int. J. Plast. 2004, 20, 1677–1706. [Google Scholar] [CrossRef]
  16. Merklein, M.; Hussnatter, W.; Geiger, M. Characterization of yielding behavior of sheet metal under biaxial stress condition at elevated temperatures. CIRP Annu. Manuf. Technol. 2008, 57, 269–274. [Google Scholar] [CrossRef]
  17. Mostafavi, M.; Smith, D.J.; Pavier, M.J. Fracture of aluminium alloy 2024 under biaxial and triaxial loading. Eng. Fract. Mech. 2011, 78, 1705–1716. [Google Scholar] [CrossRef]
  18. Mohr, D.; Jacquemin, J. Large deformation of anisotropic austenitic stainless steel sheets at room temperature: Multi-axial experiments and phenomenological modeling. J. Mech. Phys. Solids 2008, 56, 2935–2956. [Google Scholar] [CrossRef]
  19. Shao, M.H.; Wang, C.M.; Zhang, H.; Zhang, J.; Liu, D.B.; Wang, F.F.; Ji, Y.J.; Chen, G.Q. Microstructure and corrosion behavior of bobbin tool friction stir welded 2219 aluminum alloy. Mater. Charact. 2022, 192, 112178. [Google Scholar] [CrossRef]
  20. Xu, W.F.; Ma, J.; Wang, M.; Lu, H.J.; Luo, Y.X. Effect of cooling conditions on corrosion resistance of friction stir welded 2219-T62 aluminum alloy thick plate joint. Nonferrous Met. Soc. China Trans. 2020, 30, 1491–1499. [Google Scholar] [CrossRef]
  21. Wang, Z.L.; Zhang, Z.; Xue, P.; Ni, D.R.; Ma, Z.Y.; Hao, Y.F.; Zhao, Y.H.; Wang, G.Q. Defect formation, microstructure evolution, and mechanical properties of bobbin tool friction–stir welded 2219-T8 alloy. Mater. Sci. Eng. A 2022, 832, 142414. [Google Scholar] [CrossRef]
  22. Li, X.T.; An, T.C.; Lan, J.L.; Hu, X.; Hu, J.Q. Study on mechanical properties of 2219 aluminum alloy bobbin tool friction stir welding. Mater. Res. Express 2023, 10, 096504. [Google Scholar] [CrossRef]
  23. Wang, Z.L.; Zhu, W.L.; Zhang, Z.; Wang, B.B.; Xue, P.; Ni, D.R.; Liu, F.C.; Xiao, B.L.; Ma, Z.Y.; Wang, F.F.; et al. Dissimilar friction stir welding of 2219-T8 and 2195-T8 aluminum alloys: Part I-microstructure evolution and mechanical properties. J. Mater. Sci. 2023, 58, 9737–9754. [Google Scholar] [CrossRef]
  24. Xu, W.F.; Liu, J.H.; Luan, G.H.; Dong, C.L. Temperature evolution, microstructure and mechanical properties of friction stir welded thick 2219-O aluminum alloy joints. Mater. Des. 2009, 30, 1886–1893. [Google Scholar] [CrossRef]
  25. Cavaliere, P.; Cabibbo, M.; Panella, F.; Squillace, A. 2198 Al-Li plates joined by Friction Stir Welding: Mechanical and microstructural behavior. Mater. Des. 2009, 30, 3622–3631. [Google Scholar] [CrossRef]
  26. Lu, X.H.; Zhang, W.S.; Sun, X.D.; Sun, S.X.; Liang, S.Y. A study on temperature field and process of FSW thick 2219 aluminum alloy plate. J. Braz. Soc. Mech. Sci. Eng. 2023, 45, 326. [Google Scholar] [CrossRef]
  27. Wen, Q.; Li, W.Y.; Patel, V.; Gao, Y.J.; Vairis, A. Investigation on the Effects of Welding Speed on Bobbin Tool Friction Stir Welding of 2219 Aluminum Alloy. Met. Mater. Int. 2020, 26, 1830–1840. [Google Scholar] [CrossRef]
  28. Texier, D.; Zedan, Y.; Amoros, T.; Feulvarch, E.; Stinville, J.C.; Bocher, P. Near-surface mechanical heterogeneities in a dissimilar aluminum alloys friction stir welded joint. Mater. Des. 2016, 108, 217–229. [Google Scholar] [CrossRef]
  29. Zhang, H.J.; Guan, Q.L.; Song, J.L.; Gao, Q.Z.; Kong, X.L. Affecting mechanism of deep cryogenic treatment on nugget zone softening in dissimilar aluminum alloys friction stir welded joint. Mater. Charact. 2021, 181, 111509. [Google Scholar] [CrossRef]
  30. Sun, Z.; Zhan, L.H.; Liu, J.; Li, X.M.; Yang, Y.L. Fracture behavior in creep aging forming process of aluminum alloy 2219. J. Plast. Eng. 2018, 25, 284–290. [Google Scholar] [CrossRef]
  31. Barlat, F.; Brem, J.C.; Yoon, J.W.; Chung, K.; Dick, R.E.; Lege, D.J.; Pourgoghrat, F.; Choi, S.H.; Chu, E. Plane stress yield function for aluminum alloy sheets—Part 1: Theory. Int. J. Plast. 2003, 19, 1297–1319. [Google Scholar] [CrossRef]
  32. Barlat, F.; Maeda, Y.; Chung, K.; Yanagawa, M.; Brem, J.C.; Hayashida, Y.; Lege, D.J.; Matsui, K.; Murtha, S.J.; Hattori, S.; et al. Yield function development for aluminum alloy sheets. J. Mech. Phys. Solids 1997, 45, 1727–1763. [Google Scholar] [CrossRef]
Disclaimer/Publisher’s Note: The statements, opinions and data contained in all publications are solely those of the individual author(s) and contributor(s) and not of MDPI and/or the editor(s). MDPI and/or the editor(s) disclaim responsibility for any injury to people or property resulting from any ideas, methods, instructions or products referred to in the content.

Article Metrics

Citations

Article Access Statistics

Multiple requests from the same IP address are counted as one view.