Effectiveness of Thermal Annealing in Recovery of Tensile Properties of Compositionally Tailored PWR Model Steels Irradiated in LYRA-10
Abstract
1. Introduction
2. Materials and Methods
2.1. Materials
2.2. LYRA-10 Irradiation
2.3. Test Matrix
2.4. Post-Irradiation Annealing Treatments
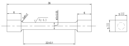
2.5. Tensile Tests
- 0.2% offset yield stress (0.2% YS).
- Ultimate tensile strength (UTS).
- % uniform (plastic) elongation (%UE).
- % total elongation (%TE), i.e., elongation at fracture.
3. Results
4. Discussion
5. Conclusions
Author Contributions
Funding
Data Availability Statement
Conflicts of Interest
Export Control Note
Nomenclature
| %TE | Total Elongation |
| %UE | Uniform Elongation |
| ASME | American Society of Mechanical Engineers |
| ASTM | American Society for Testing and Materials |
| DBTT | Ductile-Brittle Transition Temperature |
| HFR | High Flux Reactor |
| LTO | Long-Term Operation |
| MD | Matrix Defects |
| NPP | Nuclear Power Plant |
| PWR | Pressurized Water Reactor |
| RPV | Reactor Pressure Vessel |
| SC | Solute Clusters |
| UTS | Ultimate Tensile Strength |
| VVER | Water-Water Energetic Reactor |
| YS | Yield strength |
| ΔUTS | Change in UTS between annealed and reference condition |
| ΔYS | Change in YS between annealed and reference condition |
References
- Server, W.; Sokolov, M. Thermal Annealing of PRV Is a Needed Mitigation Option. In Proceedings of the Degradation of Primary Componenets of Pressurized Water Cooled Nuclear Reactors: Current Issues and Future Challenges, IAEA, Vienna, Austria, 5–8 November 2013. [Google Scholar]
- Miller, M.; Nanstad, R.; Sokolov, M.; Russell, K. The effects of irradiation, annealing and reirradiation on RPV steels. J. Nucl. Mater. 2006, 351, 216–222. [Google Scholar] [CrossRef]
- Gurovich, B.; Kuleshova, E.; Shtrombakh, Y.; Fedotova, S.; Erak, D.; Zhurko, D. Evolution of microstructure and mechanical properties of VVER-1000 RPV steels under re-irradiation. J. Nucl. Mater. 2015, 456, 373–381. [Google Scholar] [CrossRef]
- Miller, M.; Russell, K. Atom probe characterization of copper solubility in the Midland weld after neutron irradiation and thermal annealing. J. Nucl. Mater. 1997, 250, 223–228. [Google Scholar] [CrossRef]
- Pareige, P.; Radiguet, B.; Suvorov, A.; Kozodaev, M.; Krasikov, E.; Zabusov, O.; Massoud, J.P. Three-dimensional atom probe study of irradiated, annealed and re-irradiated VVER 440 weld metals. Surf. Interface Anal. 2004, 5, 581–584. [Google Scholar] [CrossRef]
- Kryukov, A.; Debarberis, L.; Ballesteros, A.; Krsjak, V.; Burcl, R.; Rogozhkin, S.; Nikitin, A.; Aleev, A.; Zaluzhnyi, A.; Grafutin, V.; et al. Integrated analysis of WWER-440 RPV weld re-embrittlement after annealing. J. Nucl. Mater. 2012, 429, 190–200. [Google Scholar] [CrossRef]
- Naziris, N.; Kolluri, M.; Bakker, T.; Hageman, S.; Petrosyan, V.; Sevikyan, G. Mechanical properties and microstructure of VVER 440 RPV steels irradiated to extremely high fluences and the effect of recovery annealing. J. Nucl. Mater. 2021, 551, 152951. [Google Scholar] [CrossRef]
- Styman, P.; Hyde, J.; Parfitt, D.; Wilford, K.; Burke, M.G.; English, C.; Efsing, P. Post-irradiation annealing of Ni–Mn–Si-enriched clusters in a neutron-irradiated RPV steel weld using Atom Probe Tomography. J. Nucl. Mater. 2015, 459, 127–134. [Google Scholar] [CrossRef]
- Odette, G.R. Radiation induced microstructural evolution in reactoe pressure vessel steels. In Material Research Society Symposium Proceedings; Robertson, I.M., Rehn, L.E., Zinkle, S.J., Phythian, W.J., Eds.; MRS: Boston, MA, USA, 1995. [Google Scholar]
- Odette, G.R.; Nanstad, R.K. Predictive reactor pressure vessel steel irradiation embrittlement models: Issues and opportunities. JOM 2009, 61, 17–23. [Google Scholar] [CrossRef]
- Kryukov, A.; Nikolaev, Y. The properties of WWER-1000 type materials obtained on the basis of a surveillance program. Nucl. Eng. Des. 2000, 195, 143–148. [Google Scholar] [CrossRef]
- Guionnet, C.; Houssin, B.; Brasseur, D.; Lefort, A.; Groß, D.; Perdreau, R. Radiation Embrittlement of PWR Reactor Vessel Weld Metals: Nickel and Copper Synergism Effects. Eff. Radiat. Mater. 1982, 392–411. [Google Scholar]
- Bergner, F.; Ulbricht, A.; Lindner, P.; Keiderling, U.; Malerba, L. Post-irradiation annealing behavior of neutron-irradiated FeCu, FeMnNi and FeMnNiCu model alloys investigated by means of small-angle neutron scattering. J. Nucl. Mater. 2014, 454, 22–27. [Google Scholar] [CrossRef]
- Kuleshova, E.; Gurovich, B.; Shtrombakh, Y.; Erak, D.; Lavrenchuk, O. Comparison of microstructural features of radiation embrittlement of VVER-440 and VVER-1000 reactor pressure vessel steels. J. Nucl. Mater. 2002, 300, 127–140. [Google Scholar] [CrossRef]
- Server, W.L.; Hardin, T.C.; Hall, J.B.; Nanstad, R.K. U.S. High Fluence Power Reactor Surveillance Data—Past and Future. J. Press. Vessel. Technol. 2014, 2, 021603. [Google Scholar] [CrossRef]
- Server, W.E.A. Need for High Fluence RPV Reactor Surveillance Data for Long Term Operation. In Proceedings of the IAEA Technical Meeting on Degradation of Primary Components of Pressurized Water Cooled Nuclear Reactors: Current Issues and Future Challenges, Vienna, Austria, 5–8 November 2013. [Google Scholar]
- Kolluri, M.; Pierick, P.T.; Bakker, T.; Straathof, B.T.; Magielsen, A.J.; Szaraz, Z.; D’Agata, E.; Ohms, C.; Martin, O. Influence of Ni-Mn contents on the embrittlement of PWR RPV model steels irradiated to high fluence values relevant for LTO beyond 60 years. J. Nucl. Mater. 2021, 553, 153036. [Google Scholar] [CrossRef]
- Martin, O.; Brumovsky, M.; Kryukov, A. Technical Report: Origin and Manufacturing of the LYRA-10 Specimens. STRUMAT-LTO Report. 2021. [Google Scholar]
- ASTM. Standard Test Methods for Tension Testing of Metallic Materials; ASTM International: West Conshohocken, PA, USA, 2016. [Google Scholar]
- Yabuuchi, K.; Saito, M.; Kasada, R.; Kimura, A. Neutron irradiation hardening and microstructure changes in Fe–Mn binary alloys. J. Nucl. Mater. 2011, 414, 498–502. [Google Scholar] [CrossRef][Green Version]
- Gillemot, F. Review on Steel Enhancement for Nuclear RPVs. Metals 2021, 11, 2008. [Google Scholar] [CrossRef]
- Gurovich, B.; Kuleshova, E.; Shtrombakh, Y.; Fedotova, S.; Zabusov, O.; Prikhodko, K.; Zhurko, D. Evolution of weld metals nanostructure and properties under irradiation and recovery annealing of VVER-type reactors. J. Nucl. Mater. 2013, 434, 72–84. [Google Scholar] [CrossRef]
- Miller, M.; Chernobaeva, A.; Shtrombakh, Y.; Russell, K.; Nanstad, R.; Erak, D.; Zabusov, O. Evolution of the nanostructure of VVER-1000 RPV materials under neutron irradiation and post irradiation annealing. J. Nucl. Mater. 2009, 385, 615–622. [Google Scholar] [CrossRef]
- Happy, R.N.; Becquart, C.; Domain, C.; Malerba, L. Formation and evolution of MnNi clusters in neutron irradiated dilute Fe alloys modelled by a first principle-based AKMC method. J. Nucl. Mater. 2012, 426, 198–207. [Google Scholar] [CrossRef]
- Kryukov, A.M.; Nikolaev, Y.A.; Nikoleava, A.V. Behavior of mechanical properties of nickel-alloyed reactor pressure vessel steel under neutron irradiation and post-irradiation annealing. Nucl. Eng. Des. 1998, 186, 353–359. [Google Scholar] [CrossRef]








| Model Steel Grade | C | Si | Mn | Cr | Ni | Mo | V | Cu | S | P |
|---|---|---|---|---|---|---|---|---|---|---|
| K | 0.17 | 0.35 | 0.78 | 0.10 | 0.58 | 0.64 | - | 0.07 | 0.005 | 0.009 |
| L | 0.18 | 0.35 | 0.77 | 0.08 | 0.96 | 0.63 | - | 0.05 | 0.005 | 0.010 |
| M | 0.16 | 0.37 | 0.74 | 0.09 | 1.90 | 0.61 | - | 0.05 | 0.005 | 0.010 |
| N | 0.16 | 0.33 | 1.27 | 0.07 | 1.97 | 0.63 | - | 0.06 | 0.005 | 0.010 |
| Steel Grade | Nominal Fast Fluence (×1020 n·cm−2) | |||
|---|---|---|---|---|
| Tensile Specimens | ||||
| Mean | Min. | Max. | Std. Dev. | |
| K | 1.18 | 1.13 | 1.22 | 0.035 |
| L | 1.05 | 1.02 | 1.09 | 0.026 |
| M | 1.06 | 0.97 | 1.15 | 0.081 |
| N | 1.09 | 1.02 | 1.17 | 0.053 |
| Test Type | Steel Grade | Number of Specimens Tested | ||
|---|---|---|---|---|
| Unirradiated (Tested at Room Temperature) | Irradiated (Tested at Room Temperature) | Irradiated, Annealed at 450 °C for 40 h (Tested at Room Temperature) | ||
| Tensile | K | 1 | 2 | 2 |
| L | 1 | 2 | 2 | |
| M | 1 | 2 | 2 | |
| N | 1 | 2 | 2 | |
Publisher’s Note: MDPI stays neutral with regard to jurisdictional claims in published maps and institutional affiliations. |
© 2022 by the authors. Licensee MDPI, Basel, Switzerland. This article is an open access article distributed under the terms and conditions of the Creative Commons Attribution (CC BY) license (https://creativecommons.org/licenses/by/4.0/).
Share and Cite
Laot, M.; Naziris, K.; Bakker, T.; D’Agata, E.; Martin, O.; Kolluri, M. Effectiveness of Thermal Annealing in Recovery of Tensile Properties of Compositionally Tailored PWR Model Steels Irradiated in LYRA-10. Metals 2022, 12, 904. https://doi.org/10.3390/met12060904
Laot M, Naziris K, Bakker T, D’Agata E, Martin O, Kolluri M. Effectiveness of Thermal Annealing in Recovery of Tensile Properties of Compositionally Tailored PWR Model Steels Irradiated in LYRA-10. Metals. 2022; 12(6):904. https://doi.org/10.3390/met12060904
Chicago/Turabian StyleLaot, Mathilde, Kiki Naziris, Theo Bakker, Elio D’Agata, Oliver Martin, and Murthy Kolluri. 2022. "Effectiveness of Thermal Annealing in Recovery of Tensile Properties of Compositionally Tailored PWR Model Steels Irradiated in LYRA-10" Metals 12, no. 6: 904. https://doi.org/10.3390/met12060904
APA StyleLaot, M., Naziris, K., Bakker, T., D’Agata, E., Martin, O., & Kolluri, M. (2022). Effectiveness of Thermal Annealing in Recovery of Tensile Properties of Compositionally Tailored PWR Model Steels Irradiated in LYRA-10. Metals, 12(6), 904. https://doi.org/10.3390/met12060904

