Abstract
EV motors and machine elements operate at higher speeds, generate significant heat and noise (vibration), and subject lubricants (bearings) to multiple degrading factors, requiring thermal stability, wear protection, mitigating wear mechanisms like pitting and scuffing, and low electrical conductivity to prevent arcing damage to bearings. This study evaluates the tribological performance of four types of greases—PUEs, PUPao, PUEth (polyurea-based), and LiPAO (lithium–calcium complex-based)—to determine their suitability for electric motor bearings. Key performance metrics include tribological properties, electrical resistivity, leakage, bearing noise, and wear behavior. A four-ball wear test ranks the greases by scar diameter as PUPao < PUEs < PUEth < LiPAO, while the coefficient of friction is observed in the range of 0.15–0.18, with LiPAO exhibiting the lowest friction. Electrical resistivity tests reveal that PUEs grease has the lowest resistivity. Electrical leakage tests, conducted with a voltage differential across bearings, assess pitting damage, with PUEth and LiPAO showing evidence of surface pitting. Optical microscopy and scanning electron microscopy analysis is carried out to examine the pitting. In bearing noise tests, PUEs demonstrates the lowest noise levels, whereas LiPAO produces the highest. Visual and microscopic examination of the greases further characterizes their lubricating properties. Based on overall performance, the greases are ranked in suitability for electric motor applications as PUEs > PUPao > PUEth > LiPAO. The findings highlight the critical need for selecting appropriate grease formulations to ensure optimal bearing performance under varying operational conditions.
1. Introduction
Internal combustion engine vehicles (ICEVs) are steadily being replaced by electric vehicles (EVs) as the market transitions toward more sustainable alternatives [1,2]. Transportation, contributing 28% of greenhouse gas emissions, is undergoing a significant transformation with the adoption of EVs. This shift necessitates the development of advanced lubricants to address unique challenges such as electric currents, extreme temperatures, and high pressures in EV motors and their components, like rolling element bearings and gears, fostering innovation to enhance efficiency and performance. Despite EVs being more efficient compared to IC engine vehicles, energy losses remain a big concern for EVs [3]. Current leakage poses a potential risk of overloading motor bearings and various other contacts within the drive system, and ensuring their reliability has become increasingly critical. This current leakage promotes surface degradation primarily due to small-scale arcing across lubricating films [4]. Potentially, stray electric currents and charges can arise by various means in an electric vehicle, such as during the power conversion process from batteries to the electric motor by means of an inverter. When a significant charge accumulates, it can lead to arcing across the lubricating film of a bearing. This arcing generates a plasma that melts and vaporizes the metal surfaces, resulting in what is referred to as electrical discharge machining (EDM) or electrically induced bearing damage (EIBD). In response to this EDM, small surface pits develop (pitting), generate heat (leading to localized melting of the metal surface), and embrittle materials, which can cause noise, surface fatigue, and eventual failure of the bearing during operation [5,6,7,8]. Apart from EDM, approximately 40–60% of early electric motor (EM) failures are attributed to premature bearing failures [4], with the most common failure due to improper lubrication and application of the wrong grease [9]. There is a unique challenge in formulating suitable lubricants for EVs and industrial motor applications owing to significant distinctions between EVs and traditional ICEVs pertaining to factors like speed (both industrial motors and EVs operate at high speeds), temperature, and materials [10].
The conflicts pertaining to grease lubrication in EMs can be mitigated to some extent by designing or choosing greases tailored for EM environments. Grease parameters like thickener type, base oil type, and viscosity play a crucial role in determining film thickness and friction in grease-lubricated rolling/sliding contacts [11,12]. Greases undergo constant evolution as designers and developers strive to enhance lubrication under various conditions, ensuring compatibility with different bearing materials (metallic, hybrid, and ceramic). For instance, the latest research has employed nanotechnology to create and develop innovative additives (TiO2, CeO2, etc.) for greases to improve lubricity and extend grease lifespan [13,14].
Based on existing findings, it is apparent that both base oil and thickener type affect overall grease performance, and optimizing this performance for electric motor applications demands characterization at certain conditions resembling those in which the motor will function. In the context of electric motors, rolling bearings and their lubrication are exposed to detrimental electrical currents that can cause long-term damage. To prevent this, the role of the lubricant within the bearing is gaining significance. Compared to standard applications, EM greases need to operate with different bearing materials and be exposed to elevated temperatures. Hence, there is a need to enhance comprehension of the behavior of different greases in the electric environment and how they affect bearing function, thereby advancing tribological knowledge concerning the employment of different types of greases operating in the EM environment. The novelty of this study lies in its comprehensive evaluation of commercially available greases specifically formulated for electric motor applications. As the selected bearing for this study, i.e., 6203LLU, is supplied for EV applications, this research addresses a crucial gap in tribological studies concerning grease behavior in electrically stressed environments. This is preliminary research that investigates four different greases (PUEs, PUPao, PUEth, and LiPAO) with varying thickener compositions (polyurea vs. lithium complex) and ionic liquid additives, providing a comprehensive ranking of their tribological, electrical, and noise performance specifically for EV motors. The selection of greases in this study is based on their relevance to electric vehicle (EV) applications, particularly for high-speed mechanical components such as electric motor bearings. The chosen greases vary in thickener type, base oil composition, and additive formulations to evaluate their effects on electrical contact resistance (ECR), wear behavior, and tribofilm formation. Given the importance of electrical conductivity in EV lubrication, the study includes both insulating (high ECR) and conductive (low ECR) greases to provide a well-rounded comparison. Additionally, the selected greases are widely used commercial formulations, ensuring practical applicability for EV lubrication engineers.
The current study evaluates the tribological performance of four commercially available greases that comprise additives and formulations intended for electric motor applications. The selected greases comprise varying amounts of synthetic or mineral base oil with lithium (complex) or urea thickener. The physical and tribological performance of the selected greases was evaluated by Fourier transform infrared spectroscopy (FTIR) for chemical analysis, inductively coupled plasma optical emission spectroscopy (ICP-OES) for elemental analysis, and a four-ball test for wear properties. Additionally, all the selected greases were also analyzed for grease resistivity, and electrically induced testing was carried out to determine the breakdown voltage in rolling bearings and assess how the lubricants’ conductivity affects adverse electrical events. Ultimately, all the four selected greases were examined and scrutinized for their relevance to EM and EV applications.
2. Materials and Methods
In this research, four distinct types of greases were chosen for examination with respect to EM applications that are commonly utilized in the wheel bearings of passenger vehicles. All selected greases had an ISO viscosity grade of 100 and a national lubricating grease institute (NLGI) rating of 2, but comprised different combinations of base oil types and thickener. The selected greases were polyurea-based (PUEs, PUEth, and PUPao) and lithium complex-based (LiPAO) grease. Because the selected greases are commercially available, formulation details pertaining to additives (type, composition, and concentration) were not known. Commonly incorporated additives include antiwear additives for reducing wear and tear, antirust additives for preventing rust, and antioxidant additives that inhibit oxidation. The TDS comparison of the selected greases as provided by the supplier is tabulated in Table 1.
Table 1.
Grease TDS specifications (as provided by the supplier).
2.1. FTIR Analysis of Greases
FTIR spectroscopic evaluation was conducted on each grease sample following the ASTM E1252, employing the ATR (attenuated total reflectance) method with a Spectrum Two instrument from Perkin Elmer. Table 2 comprises the test parameters. FTIR analysis was undertaken to validate the presence of functional groups related to base oil, thickener, and additive chemistry.
Table 2.
FTIR measuring parameters.
2.2. ICP-OES Elemental Analysis
Following the identification of elements to be analyzed by ICP-OES, the preparation of sample solutions was carried out using established techniques such as direct dilution, acid digestion, and microwave-assisted dissolution. Concentration ranges for each element were selected based on expected levels in the grease sample. Known concentration solutions were prepared, introduced to plasma, and their emission intensities recorded. Calibration graphs were plotted from these intensities to determine a sample’s element concentrations, which were then used to calculate the original sample’s concentrations and establish a dilution factor.
2.3. Oil Bleeding Test
The grease volumes incurred post bearing testing were extremely small, rendering none of the standardized bleed tests suitable for accurately measuring the oil bleed rate. In the oil bleeding test, a predetermined amount of grease was applied to blotter paper and heated at 60 °C for 2 h (estimating the temperature recorded during bearing experiments in the bleed phase). This process releases the base oil from the grease, resulting in an oil stain on the paper, as shown in Figure 1. The surface area of the stain, referred to as the “bled area”, provides an indication of the grease’s bleed capacity. The bled area difference (BAD) between the used and fresh samples, which indicates the change in bleed capacity, is determined by using Equation (1). Bleed measurements were conducted four times each, and the average values were utilized in the calculations [15].
Figure 1.
Schematic illustration of the oil bleeding test.
2.4. Grease Resistivity Analysis
This test evaluates the electrical insulating properties of the grease, desirable for EV bearings and motor bearing applications. To evaluate the grease resistivity, the METRAVI DIT 914 digital insulation tester was employed. This equipment is designed for high-precision insulation resistance testing and features multiple voltage ranges (500 V, 1000 V, 2500 V, and 5000 V) to accommodate varying testing requirements. The equipment utilizes a low-loss, high-conversion DC voltage converter to generate a testing voltage. The resistivity measurements were conducted in compliance with the specifications and operational guidelines provided by the manufacturer. The grease samples were prepared in standard test cells to ensure consistency across all trials. The samples were uniformly applied to the testing electrodes to eliminate variations due to uneven distribution.
The METRAVI DIT 914 (METRAVI Instruments Pvt. Ltd., Kolkata, India, as shown in Figure 2) was configured according to the desired testing voltage range, based on the anticipated resistivity of the grease sample. The test leads were connected to the appropriate terminals, ensuring a secure and consistent contact with the test cell. Before initiating the test, the system was calibrated to nullify the influence of external electrical noise. The resistivity values were measured over a controlled duration, with data logged periodically to monitor stability. The tests were conducted at a controlled temperature of 25 ± 2 °C and a relative humidity of 50–60%. These conditions were maintained to minimize their impact on the resistivity values, as both temperature and humidity can influence the electrical properties of materials. The output readings, displayed on the tester’s LCD, were recorded and analyzed to determine the grease’s resistivity. Three trials were conducted for each sample to ensure repeatability and reliability of the data.
Figure 2.
METRAVI DIT 914 digital insulation tester.
2.5. Four-Ball Wear Test
A four-ball test was conducted to determine the tribological performance of the selected greases. A CERT-UMT tribometer (now Bruker) equipped with a temperature chamber was utilized to perform four-ball testing as per ASTM D-2266, as illustrated in Figure 3. SUJ2 balls with a 9 mm diameter, having a surface roughness (Ra) of 20 nm, size ½” (Grade 5), and hardness of 62–65 HRC, were used for the testing. The load applied was 390 ± 2 N, which corresponds to a maximum Hertzian contact pressure of 3 GPa, with a speed of 1200 revolutions per minute for 60 min, and the temperature was set at 75 °C ± 2 °C. The high Hertzian contact pressures in our test setup simulated the localized stress conditions that bearings and gears may encounter under transient loads. All the four selected greases were tested, and the results are the average of three tests. The test contrasted a grease’s antiwear characteristics with its ability to prevent friction during startup and operation under sliding situations. There was severe wear on all three test balls in the ball pot at every pass load. The average diameter of the wear scars on the three test balls could be gauged using a microscope to calculate the mean wear scar diameter of the balls. The test parameters are presented in Table 3.
Figure 3.
UMT tribometer (four-ball assembly).
Table 3.
Four-ball wear test parameters.
The measurement of friction torque was conducted with a load cell that maintained contact with the moment arm attached to the ball cup within the four-ball testing apparatus. The coefficient of friction was determined by evaluating the friction torque and the force applied, in accordance with the ASTM D5183 standard [16]. The data acquisition and visualization module within the CERT software (version 1.136.257) enabled real-time monitoring and recording of variations in the friction coefficient profiles. To reduce variability in the data, each experiment was conducted thrice. Following each experiment, the three lower balls were thoroughly cleansed with petroleum ether and then acetone. Post-cleaning, these balls were used to measure the wear scar diameter (WSD). The average WSD of the three lower balls was determined using an optical microscope with a precision of 0.01 mm. Subsequently, the arithmetic mean of the WSD from the three repeated experiments was computed to represent the WSD value.
2.6. Electrically Induced Bearing Damage Test
The bearing endurance test setup schematic is shown in Figure 4. The bearing was tested in inner ring rotation condition under normal loading conditions. The bearing rig attributes are tabulated in Table 4. The 6203LLU bearing was utilized to effectively assess the physics of the process and the progression of electrical damage. Moreover, ball bearings are significantly more sensitive to parametric variations and noise when compared to spherical roller bearings [17]. Additionally, the selection of the test bearing type was guided by the literature [18], as it allows for studying the interface without damaging the bearing. Two bearings each of 6203LLU filled with 0.85–1.15 g of grease, i.e., PUEs, PUEth, and PUPao, and LiPAO, were set up on the shaft in a current leakage test rig, as shown in Figure 5. The current was applied across both the bearings, i.e., current input was applied on bearing 1, and current output was from bearing 2 with the same grease filling. The bearings rotated at 1500 rpm for a duration of 130 h, since the voltage levels in EVs vary significantly depending on their application. Low-voltage EVs, such as electric scooters and golf carts, typically operate between 48 V and 96 V, while standard passenger EVs, including models like Tesla and Nissan Leaf, range from 200 V to 800 V. High-performance and commercial EVs, such as electric trucks and buses, can exceed 800 V, reaching up to 1000 V or more. Bearing shaft voltage is generally a small fraction (approximately 1–10%) of the applied system voltage. For instance, in typical EVs operating at around 400 V, bearing discharge voltages can range from 4 V to 40 V. Given this range, we conducted our tests at 40 V to simulate the higher end of expected bearing voltage stress. Similarly, bearing currents in passenger car motors (typically up to 100 kW) are generally below or around 1 A, while higher capacity motors can experience currents in the range of a few amperes. The choice of test conditions aligns with these practical operating scenarios, ensuring that the study remains relevant to real-world EV applications. Hence, a maximum current of 1 ampere and DC voltage of 40 V was applied. A DC power supply was used to record the voltage signal to analyze discharge formation under set conditions.
Figure 4.
Electrically induced bearing damage test rig.
Table 4.
Bearing rig attributes.
Figure 5.
Photographic illustration of ball bearing 6203LLU filled with PUEs, LiPAO, PUPao, and PUEth greases for testing.
Photographic illustrations of ball bearing 6203LLU filled with PUEs, LiPAO, PUPao, and PUEth greases for testing are shown in Figure 5. A bearing is exposed to voltage difference functions like a capacitor. In this set up, the rolling elements and raceways of the bearing serve as the capacitor’s terminals, while the grease between them acts as the dielectric material. To enhance the charging rate, a high resistance of 910 k-ohms was incorporated into the basic resistive–capacitive circuit. Without this resistance, energy would not accumulate effectively, resulting in an immediate discharge. The corresponding electrical circuit is illustrated in Figure 6. The DC voltage module of 40 V of the Keysight E36234A was used to assess the capacitive characteristics of the bearing. The electrical signal passes through the bearing, and the discharge activity is analyzed in relation to the tribological parameters.
Figure 6.
Electric circuit.
2.7. Bearing Noise Test
Noise measurements were conducted on 6203 ball bearings (17 ID × 40 OD × 12 W mm) using all four selected greases before and after the electrical pitting test, each filled with a quantity of 0.85–1.15 g of grease. The MVS-80 equipment (made by NTN Corporation) was used to record noise measurement data. While the inner ring was rotating at 1250 rpm, noise signals were gathered from the outer face using an accelerometer sensor. Two frequency bands—the lower band 80–400 Hz, and the higher band 400–6000 Hz—were used to analyze the noise data.
3. Results and Discussion
3.1. FTIR Analysis of Greases
PUEs, PUPao, and PUEth comprise polyurea thickeners, denoted by C=O stretching near 1700 cm−1, which often suggests urea linkages (as shown in Figure 7). The presence of hydrocarbon stretches (2800–3000 cm−1) indicates a polyalphaolefin (PAO) synthetic base oil. The absence of strong C=O peaks suggests lithium-based thickeners, which do not have a significant ester or urea component. Hydrocarbon peaks are consistent with a PAO synthetic base oil.
Figure 7.
FTIR analysis of PUEs, PUPao, LiPAO, and PUEth grease.
The FTIR peaks and their corresponding functional groups are tabulated in Table 5. The peaks in the range 3360 - 3260 cm−1 indicate NH stretching (urea thickener), observed in PUEs, PUPao, and PUEth grease, but not in LiPAO grease. Peaks at 2353, 2921, and 2851 cm−1 denote a CH asymmetric stretch (CH2) indicating the presence of oil in all the four greases. Peaks at 1725 cm−1 denote the presence of the ester group, which is the additive present in PUEs and PUEth grease, whereas the peaks at 1631 cm−1 present in PUEs and PUEth grease and at 1565 cm−1,which denotes an amide II band (C=O), indicate urea thickener, which is observed in PUEs and PUEth grease. Lastly, the peaks at 1579 and 1560 cm−1 denote COO- asymmetric stretching, indicating Li thickener that is observed only in LiPAO grease. PUEs, PUEth, and PUPao are polyurea-based greases, whereas LiPAO is a lithium–calcium complex-based grease.
Table 5.
FTIR peaks and their corresponding functional groups.
3.2. ICP-OES Elemental Analysis
Inductively coupled plasma optical emission spectroscopy (ICP-OES) was employed as per the EPA 3051A/SOP/CHE/00-ICP wet test method. Through method validation, the limits of detection and limits of quantification, precision, accuracy, and linearity were established. Since the concentrations of most metals in the raw materials are unknown, theoretical calculations are not feasible. Using the proposed methods, the concentrations of key metals such as calcium (Ca), boron (B), aluminum (Al), sodium (Na), molybdenum (Mo), zinc (Zn), barium (Ba), and lithium (Li) were successfully determined. From Table 6 it can be clearly observed that PUEs and PUPao greases have similar elements. PUEth grease contains tungsten-based compounds for conductivity. In electric vehicle (EV) bearings, electrical currents produced by high-frequency inverters and motors can flow through the bearing, resulting in electrostatic discharge. This can cause issues like pitting, micro-welding, and accelerated wear. Tungsten-based compounds with conductive properties assist in dissipating these currents, helping to safeguard the bearing from potential damage [19]. However, LiPAO grease mainly contains sodium, calcium, magnesium, and lithium elements. Sodium- and calcium-based grease is known for good water resistance, whereas within EV bearings these greases perform poorly at high temperatures, high speed, or in high environments.
Table 6.
ICP-OES elemental analysis of PUEs, PUEth, PUPao, and LiPAO greases.
3.3. Oil Bleeding Test
Grease leakage during initial operation of a bearing is influenced by the temperature-corrected energy density applied to the grease during churning. The churning behavior significantly affects grease aging. To ensue optimal lubrication performance and extended grease life in rolling bearing applications, the grease must exhibit effective bleeding ability, storage tackiness, and minimal leakage. Elevated temperature during churning accelerates grease aging and degradation. This leads to greater grease leakage, reduced oil bleeding capability, and lower tackiness by the end of the churning phase, A grease is composed of 60–90% base oil. As base oil in grease continuously bleeds out at a steadily decreasing pace over time, in the context of high-speed applications, selecting a grease with appropriate oil bleeding characteristics is crucial. Greases that bleed oil at a controlled rate can maintain an adequate lubricant film, ensuring effective lubrication and heat dissipation. However, greases with excessive oil bleeding may lead to lubricant starvation and potential bearing failure. The larger the fresh area, the greater is the oil bleeding property [20]. Thus, from Table 7, the fresh/bleed area for LiPAO grease is observed to be largest, followed by that of the PUEs, PUEth, and PUPao greases. Comparatively less oil bleeding means a more effective grease for high-speed application.
Table 7.
Oil bleeding test.
3.4. Grease Resistivity Analysis
It is well established that the resistivity of a grease is essential for its performance in electrical motors and high-speed bearing applications. From Table 8, showing the grease resistivity test, it is observed that PUEs (2.48 M Ohm cm) grease showed relatively lower resistivity, followed by PUEth (440 M Ohm cm), compared to the other greases. PUEs is an ionic liquids (ILs) additive-based grease, and ILs have the potential to improve the electrical conductivity of greases [21]. These lower resistivity values indicate that such greases are particularly suitable for electric vehicle (EV) applications, as they facilitate better dissipation of electrical current. This characteristic minimizes the buildup of electrical charge at the bearing contact surfaces, thereby reducing the risk of electrical pitting and ensuring enhanced performance and durability of the components. Several studies highlight the importance of using greases with optimized resistivity to prevent electrical damage in EV bearings. For example, Kumar et al. [22] emphasize that low-resistivity lubricants effectively dissipate stray currents, thereby enhancing bearing reliability. Conductive lubricants are designed to inhibit voltage accumulation within the lubricating film, effectively reducing the risk of electrical discharge breakdowns [23,24]. Janik et al. [21] indicated that reducing electrical pitting through proper grease selection can significantly extend bearing life in EV drivetrains. PUEth (440 M Ohm cm) grease exhibited a significantly higher resistivity than PUEs. LiPAO and PUPao (>2000 M Ohm cm) both demonstrated exceptionally high resistivity, making them insulative greases. While LiPAO is a lithium-based grease, and lithium greases are intricate colloidal systems, their conductivity mechanisms can still be explained based on the structure and composition of the additives. High-resistivity greases, like LiPAO and PUPao, are not suitable for EV bearings due to their inability to effectively manage electrical discharge and current flow. This can result in the accumulation of voltage and electrical discharges, leading to surface damage in bearings, including issues like electrical pitting and fluting. Over time, these effects contribute to early bearing failure. Electrical discharges within bearings generate noise and vibration, which can degrade bearing operational performance.
Table 8.
Grease resistivity test results.
3.5. Four Ball Wear Tests
In four-ball wear tests, under increased load, the steel surface and tribofilms experience intense pressure conditions, which can lead to a reduction in their surface roughness. This, in turn, might result in a decrease in friction [25]. In line with this mechanism, from Table 9 it can be inferred that the coefficient of friction (COF) follows the order LiPAO < PUEth < PUPao < PUEs. However, it is important to note that all values fall within the close range of 0.15 to 0.18. Microscopy images of the four-ball wear scar of (a) LiPAO, (b) PUPao, (c) PUEs, and (d) PUEth grease are illustrated in Figure 8. PUEs exhibited an average COF of 0.187, which is relatively higher compared to other greases. AE was 1.235 V and ECR was 0.5051 k-ohms, suggesting this grease is highly conductive, which is beneficial for static discharge applications. PUPao showed a lower COF of 0.1701, indicating better friction performance than PUEs. AE was slightly higher (1.4135 V), which could indicate more vibrational activity. The ECR (0.6848 k-ohms) was higher than for PUEs, showing insulative behavior of PUPao grease. PUEth offered further improvement in COF (0.1727), close to that of PUPao. The AE value (1.205 V) was lower, indicating relatively stable operation with fewer vibrational emissions. ECR (0.8469 k-ohms) was significantly higher than for PUEs and PUPao, indicating superior electrical insulation properties, which is not desirable for an electroconductive grease. LiPAO recorded the lowest COF (0.1507), highlighting excellent friction reduction capabilities. LiPAO (lithium-thickened) grease indicated superior protection owing to its thermal stability and consistency. Its AE value (2.073 V) was the highest, which may suggest increased vibrational energy due to either operational dynamics or grease properties. ECR (0.8641 k-ohms) was highest for LiPAO due to the lithium thickener, showing the poorest electrical conductivity among all tested greases. In this case, LiPAO grease acts as an insulator, which is not ideal for conductive lubrication applications like electric motor bearings. This may lead to electrical discharge damage in rolling element bearings owing to improper charge dissipation. A comparison of all the four greases tested for (a) acoustic emission, (b) electrical contact resistance, (c) average coefficient of friction, and (d) wear scar diameter for PUEs, PUEth, PUPao, and LiPAO grease is plotted in Figure 9.
Table 9.
Four ball test data.
Figure 8.
Microscopy images of four-ball wear scar of (a) LiPAO, (b) PUPao, (c) PUEs, and (d) PUEth grease (at 50×).
Figure 9.
(a) acoustic emission, (b) electrical contact resistance, (c) average coefficient of friction, and (d) wear scar diameter for PUEs, PUEth, PUPao, and LiPAO grease.
3.6. Electrically Induced Bearing Damage Test
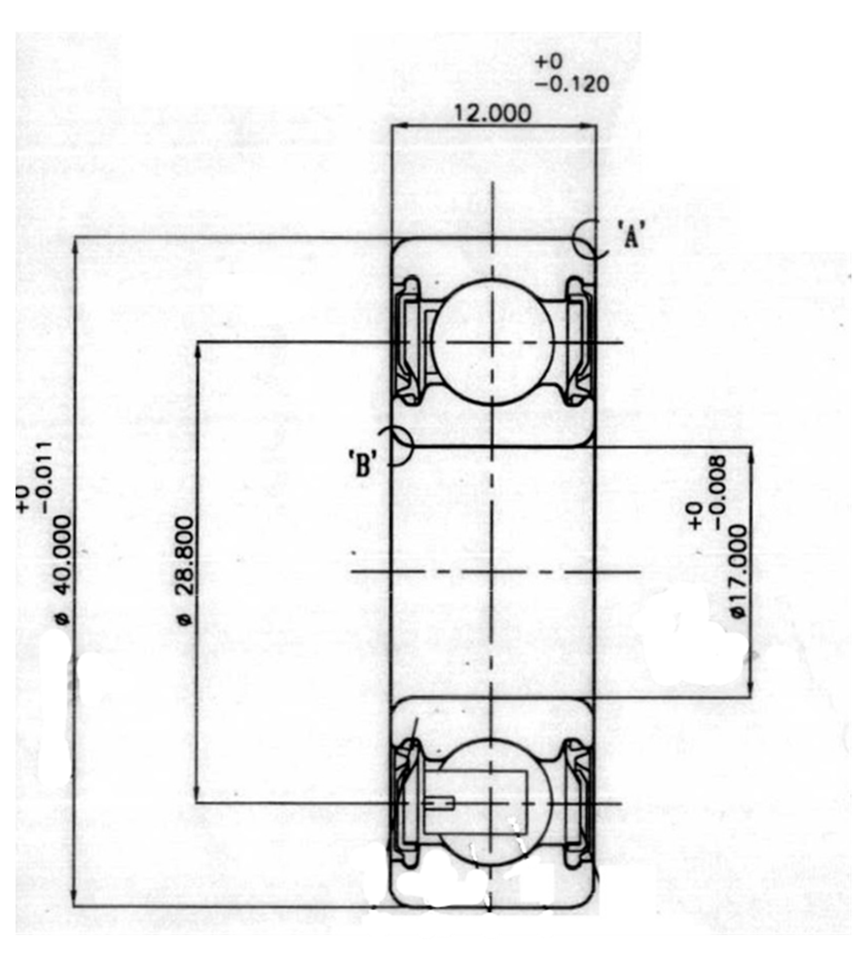
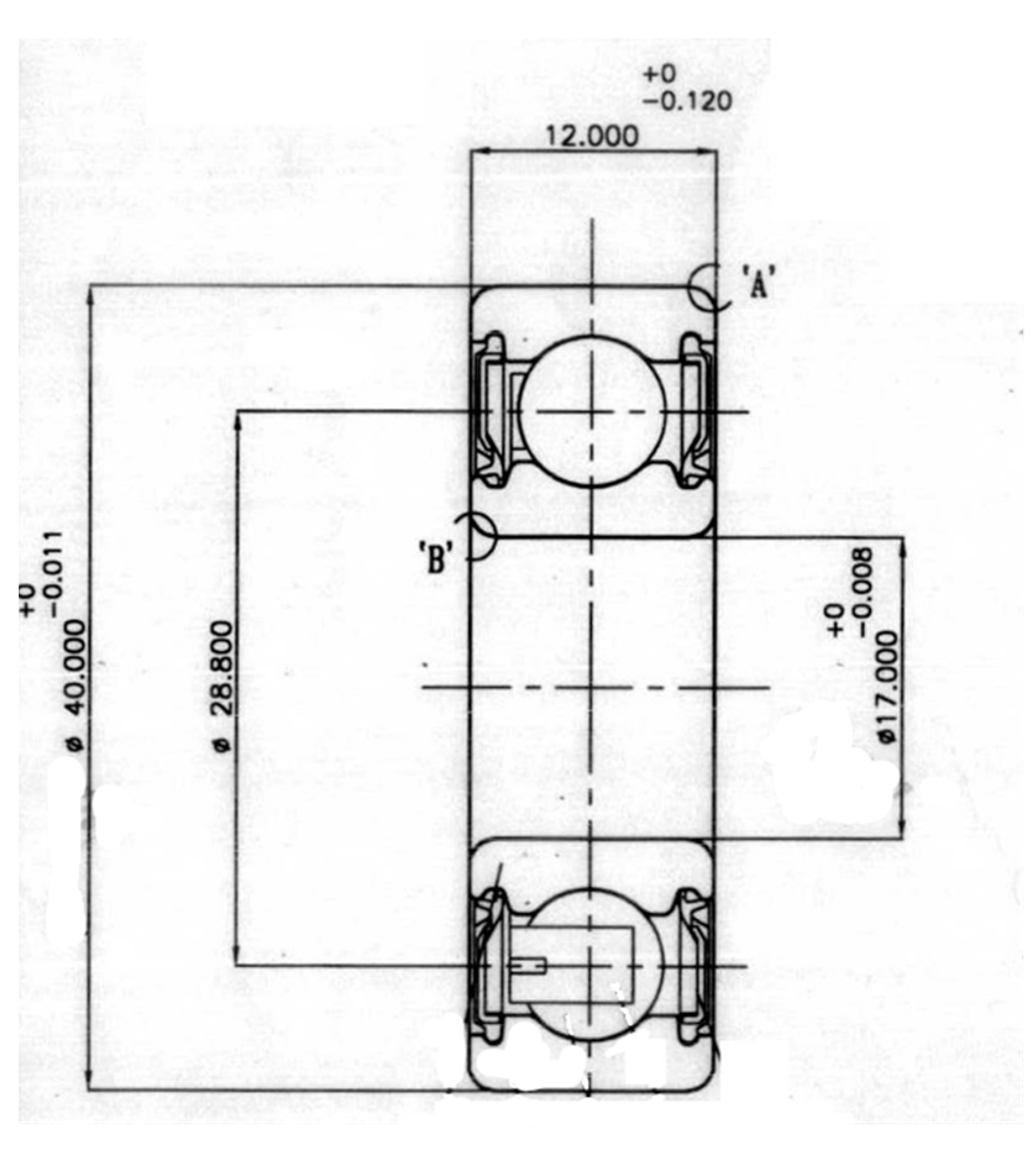
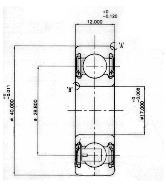
Ball bearing 6203 with size 30 ID × 62 OD × 16 W mm (cross-section shown in Figure 10) was selected for electrical pitting measurement and life comparison. Friction can be affected by several factors including the type of lubricant used, the amount of internal clearance within the bearing, the angle of contact, bearing fits, and the effectiveness of seals. No damage was observed in PUEs grease-filled bearings (Figure 11a,e,f). Micropitting (as shown in Figure 11) was observed in the bearing inner raceway lubricated with PUEth and LiPAO grease, as observed from Figure 11b,d,h,l. However, craters on the inner raceway of a bearing lubricated with PUPao grease (see Figure 11c,j and Figure 12a–c) is often indicative of electrically induced bearing damage effects. This occurs when electrical currents flow through the bearing, causing localized heating, melting, and material removal. As a result, microcraters form on the raceway surface. Over time, these microcraters can progress into more pronounced damage patterns, such as fluting, which appears as ridges resembling a washboard along the bearing raceway [26]. The grease within a bearing plays a crucial role in affecting the likelihood and intensity of electrical pitting. While it functions as a dielectric barrier, electrical discharges may occur if the voltage across the bearing surpasses the grease’s dielectric strength, resulting in pitting. Furthermore, electrical discharges can degrade the grease, causing it to darken or burn, which impairs lubrication and increases bearing damage [27].
Figure 10.
Ball bearing 6203 LLU: cross-section.
Figure 11.
Optical microscopy images of the inner raceway of bearings after the electrically induced bearing damage test: (a) PUEs, (b) PUEth, (c) PUPao, and (d) LiPAO (at 100×).
Figure 12.
SEM images of craters formed on the inner raceway of PUEs.
3.7. Bearing Noise Test
Grease formulation and properties play a critical role in bearing noise generation. Furthermore, the performance of a bearing is significantly influenced by noise level. Noise levels were measured on both sides of the bearing before and after the electrically induced bearing damage test (Figure 13). Figure 12 shows the high band (HG) and low band (LB) values for all four greases i.e., polyurea-based (PUEs, PUEth, and PUPao) and lithium complex-based (LiPAO) grease. The noise levels followed the trend PUEs < PUEth < PUPao < LiPAO. This result is attributed to the type of thickener and base oil composition used in the greases. The polyurea-based thickeners (PUEs, PUEth, and PUPao) exhibited lower noise levels compared to the lithium complex thickener (LiPAO). Polyurea thickeners generally provide a more consistent grease structure, leading to smoother lubrication and reduced fluctuations in viscosity under high-speed conditions. In contrast, lithium-based thickeners have a metallic soap structure, which can result in slightly higher noise due to variations in film thickness and localized vibrations [28]. The PUEs grease, formulated with ester oil, demonstrated the lowest noise levels, both before and after the electrical pitting test. Ester oils are known for their excellent film-forming ability, thermal stability, and low viscosity fluctuations, which contribute to enhanced noise damping in rolling bearings [29]. The PUEth grease, which contains ether oil, showed the second lowest noise level. Ether-based oils have low viscosity and excellent oxidation resistance, providing a stable lubrication film, which reduces friction and noise [30]. In contrast, PUPao and LiPAO, containing polyalphaolefin (PAO) oil, exhibited higher noise levels. PAO oils generally have lower polarity and film strength compared to esters and ethers, leading to reduced vibration damping capabilities [31]. PUEs contains an ionic liquid-based additive, which improved electrical conductivity and pitting resistance, thereby minimizing electrical damage to the bearing surfaces. This contributed to the lowest noise levels after the test [32]. PUEth incorporates WS2 (tungsten disulfide) nano-solid additives, which are known for their excellent wear resistance and noise-damping properties, resulting in the second lowest noise level [33]. PUPao and LiPAO rely on conventional ZDDP (zinc dialkyldithiophosphate) antiwear additives, which did not provide significant improvement in noise reduction. These greases exhibited higher noise levels due to limited enhancement in film stability and wear protection under electrical stress [34].
Figure 13.
The high band (HG) and low band (LB) noise measurement values for all four greases in bearing 6203 LLU before and after the electrically induced bearing damage test.
The results obtained are plotted in a spider plot which shows the grease rating from 1 to 4, i.e., the “4” rating is the best and “1” is inferior in performance. The combined result is shown in Figure 14. The rating was given based on the testing performed with respect to wear parameters, oil bleeding, resistivity, economy, noise characteristics, etc. The results of this study offer important guidance to engineers and manufacturers in the automotive sector when choosing and developing greases for electric vehicle bearings. The performance characteristics from the spider plot indicate that PUEs grease outperforms the other tested greases based on noise characteristics, electrical contact resistance, acoustic emission, and service life.
Figure 14.
Rating of greases based on the eight different influencing factors for selecting EV bearing greases (a higher rating indicates a better performance).
4. Conclusions
In this study, the performance of four different lubricating greases—PUEs, PUPao, PUEth (polyurea-based), and LiPAO (lithium–calcium complex-based) was evaluated in the context of electric vehicle motor bearing applications. Research indicates that the composition of grease significantly affects its tribological behavior and electrical insulating capabilities. The results highlighted key differences in oil bleeding, wear resistance, friction, noise, and electrical resistivity, aiding in the selection of the best grease for EV bearings. PUPao showed the least oil bleeding, making it more suitable for high-speed applications. Also, PUPao demonstrated the best wear resistance, followed by PUEs, PUEth, and LiPAO. The coefficient of friction was noted in the range of 0.15 to 0.18 for all four greases. Noise levels were recorded as PUEs < PUEth < PUPao < LiPAO, with PUEs exhibiting approximately half the noise value compared to PUEth and PUPao greases. The study highlighted that polyurea-based greases with ester and ether oils exhibit superior noise-damping properties compared to PAO-based lithium complex greases. Additionally, ionic liquid-based grease (PUEs) further enhanced performance by reducing pitting and stabilizing the lubrication film, leading to lower noise levels in EV bearing applications. The PUEs grease exhibited exceptionally low resistivity owing to the presence of ionic liquid-based additives. Pitting was observed in the LiPAO and PUEth greases during the electrically induced bearing damage test. Considering all factors, PUEs grease is suitable choice for electrical vehicle motor bearing applications. These findings highlight the critical need for selecting appropriate grease formulations to ensure optimal bearing performance under varying operational conditions.
Future Scope of Work:
- Incorporate bearing-level testing under controlled conditions that closely mimic real-world electric motor operations. This step will further validate the findings and provide deeper insights into optimizing grease formulations for EM and EV applications.
- Long-term electrical insulation stability—Investigating how grease degradation over time impacts electrical conductivity and bearing life.
- Impact of nanomaterials in grease formulation—Exploring advanced additives like IFWS2 and graphene nanotubes to enhance both tribological and electrical properties of EV-compatible greases.
Author Contributions
Conceptualization, D.S. and R.K.; methodology, D.S., N.V., and R.K.; investigation, D.S., A.J., N.V., and R.K.; writing—original draft preparation, D.S. and A.J.; writing—review and editing, N.V. and R.K.; resources and funding, A.P.S. and R.K.; supervision, R.K. All authors have read and agreed to the published version of the manuscript.
Funding
The authors express their gratitude to National Engineering Industries Ltd., India for providing the essential facilities to conduct this research, and to the NEI testing team for their assistance with characterization and testing. The authors acknowledge the financial support of the Slovenian Research Agency (ARIS) under Research Core Funding Program No. P2-0231 and the project MSCA-COFUND-5100-237/2023-9.
Data Availability Statement
The data that support the findings of this study are available from the corresponding author upon reasonable request. The data are not publicly available due to privacy.
Conflicts of Interest
Authors Deepika Shekhawat, Ayush Jain, Nitesh Vashishtha, Arendra Pal Singh were employed by National Engineering Industries Ltd. The remaining authors declare that the research was conducted in the absence of any commercial or financial relationships that could be construed as a potential conflict of interest.
References
- Nieuwenhuis, P.; Cipcigan, L.; Sonder, H.B. The Electric Vehicle Revolution. In Future Energy; Elsevier: Amsterdam, The Netherlands, 2020; pp. 227–243. [Google Scholar]
- Udaeta ME, M.; Chaud, C.A.; Gimenes AL, V.; Galvao LC, R. Electric vehicles analysis inside electric mobility looking for energy efficient and sustainable metropolis. Open J. Energy Effic. 2015, 4, 1. [Google Scholar] [CrossRef][Green Version]
- Wang, X.; Lu, S.; Chen, K.; Wang, Q.; Zhang, S. Bearing fault diagnosis of switched reluctance motor in electric vehicle powertrain via multisensor data fusion. IEEE Trans. Ind. Inform. 2021, 18, 2452–2464. [Google Scholar] [CrossRef]
- Bleger, A.; Leighton, M.; Morris, N. Automotive e-motor bearing electrical discharge phenomena: An experimental and numerical investigation. Tribol. Int. 2024, 191, 109140. [Google Scholar] [CrossRef]
- Sanchez, L.J.; Hager, C.H.; Evans, R.D. Rolling element bearing damage in the presence of applied electric current. Tribology Transactions 2024, 67, 602–613. [Google Scholar] [CrossRef]
- Kumar, R.; Rezapourian, M.; Rahmani, R.; Maurya, H.S.; Kamboj, N.; Hussainova, I. Bioinspired and Multifunctional Tribological Materials for Sliding, Erosive, Machining, and Energy-Absorbing Conditions: A Review. Biomimetics 2024, 9, 209. [Google Scholar] [CrossRef]
- De Gaetano, D.; Zhu, W.; Sun, X.; Chen, X.; Griffo, A.; Jewell, G.W. Experimental Ball Bearing Impedance Analysis Under Different Speed and Electrical Conditions. IEEE Trans. Dielectr. Electr. Insul. 2023, 30, 1312–1321. [Google Scholar] [CrossRef]
- Lin, C.L.; Meehan, P.A. Morphological and elemental analysis of wear debris naturally formed in grease lubricated railway axle bearings. Wear 2021, 484, 203994. [Google Scholar] [CrossRef]
- Walther, H.C.; Holub, R.A. Lubrication of electric motors as defined by IEEE standard 841-2009, shortcomings and potential improvement opportunities. In Proceedings of the 2014 IEEE Petroleum and Chemical Industry Technical Conference (PCIC), San Francisco, CA, USA, 8–10 September 2014; IEEE: Piscataway, NJ, USA, 2014. [Google Scholar]
- Janik, J.R.; Saha, S.; Jackson, R.L.; Mills, G. Rheological and Electro-Pitting Performance of Electric Vehicle Motor Greases with Various Nanoparticle Greases. J. Tribol. 2025, 147, 051110. [Google Scholar] [CrossRef]
- Kanazawa, Y.; Sayles, R.S.; Kadiric, A. Film formation and friction in grease lubricated rolling-sliding non-conformal contacts. Tribol. Int. 2017, 109, 505–518. [Google Scholar] [CrossRef]
- Cann, P. Grease lubrication of rolling element bearings—Role of the grease thickener. Lubr. Sci. 2007, 19, 183–196. [Google Scholar] [CrossRef]
- Du, Z.; He, Q.; Wan, H.; Zhang, L.; Xu, Z.; Xu, Y.; Li, G. TiO2 and CeO2 nanoparticles as lithium complex grease additives for enhanced lubricity. Ind. Lubr. Tribol. 2023, 76, 70–80. [Google Scholar] [CrossRef]
- Chang, H.; Lan, C.W.; Chen, C.H.; Kao, M.J.; Guo, J.B. Anti-wear and friction properties of nanoparticles as additives in the lithium grease. Int. J. Precis. Eng. Manuf. 2014, 15, 2059–2063. [Google Scholar] [CrossRef]
- Cyriac, F.; Lugt, P.M.; Bosman, R. On a new method to determine the yield stress in lubricating grease. Tribol. Trans 2015, 58, 1021–1030. [Google Scholar] [CrossRef]
- ASTM D5183-05; Standard Test Method for Determination of the Coefficient of Friction of Lubricants Using the Four-Ball Wear Test Machine. ASTM International: West Conshohocken, PA, USA, 2016.
- Yucesan, Y.A.; Viana, F.A. A hybrid physics-informed neural network for main bearing fatigue prognosis under grease quality variation. Mech. Syst. Signal Process. 2022, 171, 108875. [Google Scholar] [CrossRef]
- Harder, A.; Zaiat, A.; Becker-Dombrowsky, F.M.; Puchtler, S.; Kirchner, E. Investigation of the voltage-induced damage progression on the raceway surfaces of thrust ball bearings. Machines 2022, 10, 832. [Google Scholar] [CrossRef]
- ExxonMobil Research and Engineering Company. Lubricating Oil Compositions for Electric Vehicle Powertrains. WO Patent 2018/067902 A1, 12 April 2018. [Google Scholar]
- Chatra, K.S.; Osara, J.A.; Lugt, P.M. Impact of grease churning on grease leakage, oil bleeding and grease rheology. Tribol. Int. 2022, 176, 107926. [Google Scholar] [CrossRef]
- Janik, J.R.; Saha, S.; Jackson, R.L.; Mills, G. Exploring the Boundaries of Electrically Induced Bearing Damage in Grease-Lubricated Rolling Contacts. Lubricants 2024, 12, 268. [Google Scholar] [CrossRef]
- Kumar, S.; Kumar, V.; Singh, A.K. Influence of lubricants on the performance of journal bearings—A review. Tribol.-Mater. Surf. Interfaces 2020, 14, 67–78. [Google Scholar] [CrossRef]
- Jackson, R.L.; Saha, S.; Janik, J.R. A Statistical Prediction of Electrical Discharge Initiation and Semi-Analytical Transient Mixed Lubrication Model of a Rolling Element. J. Tribol. 2025, 147, 051103. [Google Scholar] [CrossRef]
- Suzumura, J. Prevention of electrical pitting on rolling bearings by electrically conductive grease. Q. Rep. RTRI 2016, 57, 42–47. [Google Scholar] [CrossRef]
- Yamaguchi, K.; Sasaki, C.; Tsuboi, R.; Sasaki, S. Effect of surface roughness on friction behaviour of steel under boundary lubrication. J. Eng. Tribol. 1996, 228, 1015–1019. [Google Scholar] [CrossRef]
- Kumar, R.; Hussainova, I.; Antonov, M.; Maurya, H.S.; Ripoll, M.R. Temperature-induced wear micro-mechanism transition in additively deposited nickel alloys with different solid lubricants. Wear 2024, 552–553, 205452. [Google Scholar] [CrossRef]
- Raadnui, S.; Kleesuwan, S. Electrical pitting wear debris analysis of grease-lubricated rolling element bearings. Wear 2011, 271, 1707–1718. [Google Scholar] [CrossRef]
- Ren, G.; Zhang, P.; Ye, X.; Li, W.; Fan, X.; Zhu, M. Comparative study on corrosion resistance and lubrication function of lithium complex grease and polyurea grease. Friction 2021, 9, 75–91. [Google Scholar] [CrossRef]
- Wang, J.; Guo, Z.; Hu, W.; Lu, H.; Li, J. Investigating the effects of base oil type on microstructure and tribological properties of polyurea grease. Tribol. Int. 2024, 194, 109573. [Google Scholar] [CrossRef]
- Tajedini, M.; Bahrami, R.; Azhdari, R.; Sue, H.-J.; Liang, H. Influence of electric current on tribological performance of grease-lubricated steels. Tribol. Int. 2024, 200, 110121. [Google Scholar] [CrossRef]
- Wu, C.; Xie, Y.; Zhao, H.; Yang, H.; Li, X.; Ni, J. Effects of hBN and CaCO3 nanoparticles on tribological and vibration properties of polyurea grease on rolling bearing. Tribol. Lett. 2022, 70, 95. [Google Scholar] [CrossRef]
- Yu, Z.-Q.; Yang, Z.-G. Fatigue failure analysis of a grease-lubricated roller bearing from an electric motor. J. Fail. Anal. Prev. 2011, 11, 158–166. [Google Scholar] [CrossRef]
- Wu, C.; Yang, K.; Chen, Y.; Ni, J.; Yao, L.; Li, X. Investigation of friction and vibration performance of lith-ium complex grease containing nano-particles on rolling bearing. Tribol. Int. 2021, 155, 106761. [Google Scholar] [CrossRef]
- Turnbull, R.; Rahmani, R.; Paul, S.; Rahnejat, H. Electrotribodynamics of ball bearings in electrical machines. Tribol. Int. 2023, 188, 108817. [Google Scholar] [CrossRef]
Disclaimer/Publisher’s Note: The statements, opinions and data contained in all publications are solely those of the individual author(s) and contributor(s) and not of MDPI and/or the editor(s). MDPI and/or the editor(s) disclaim responsibility for any injury to people or property resulting from any ideas, methods, instructions or products referred to in the content. |
© 2025 by the authors. Licensee MDPI, Basel, Switzerland. This article is an open access article distributed under the terms and conditions of the Creative Commons Attribution (CC BY) license (https://creativecommons.org/licenses/by/4.0/).













