Challenges in Winding Design and Thermal Calculations: Physical Model of Permanent Magnet Synchronous Machine
Abstract
:1. Introduction
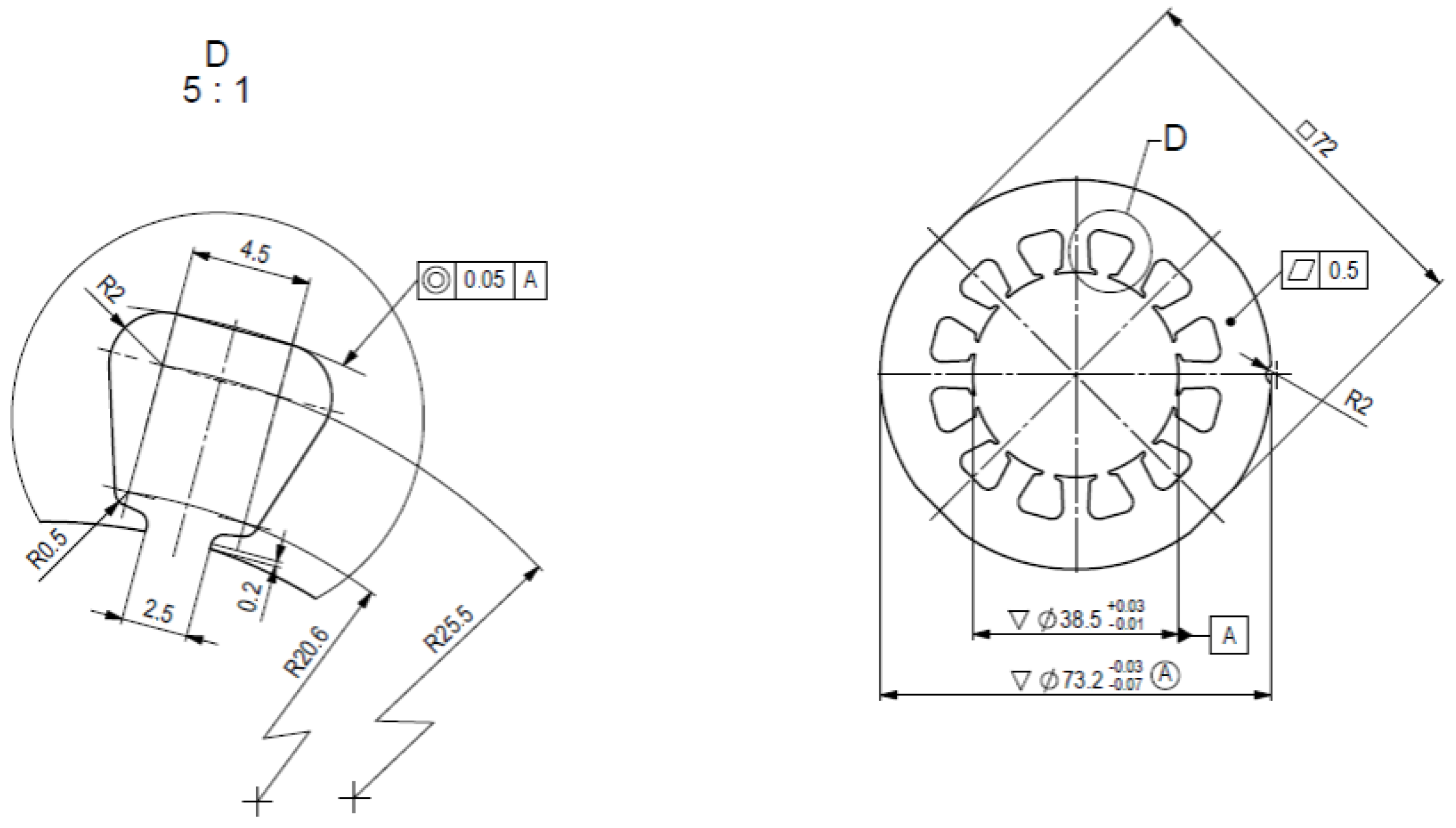
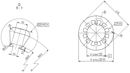
2. Design of Three-Layer Winding
- (a)
- fractional slot winding q = 2/5 with 10 poles;
- (b)
- integer slot winding q = 2 with 2 poles.
2.1. Slot Leakage Inductance
2.2. Physical Model of the Permanent Magnet Synchronous Machines (PMSM) with Three-Layer Winding
3. Thermal Analysis of the Machine
3.1. Thermal Analysis of Steady-State Non-Rotating Machine
- maximal temperature of the winding 150 °C defined by the temperature class of used winding insulation;
- maximal permanent magnet temperature defined by the Curie temperature of the magnet.
3.2. Thermal Analysis of Steady-State Rotating Machine
4. Conclusions
Author Contributions
Funding
Institutional Review Board Statement
Informed Consent Statement
Data Availability Statement
Conflicts of Interest
References
- Vali, M.; Niknam, T.; Gorginpour, H.; Bahmani-Firouzi, B. Optimal Design Procedure of a High-Torque-Density Dual-Stator Consequent-Pole Vernier PM Machine. Electr. Eng. 2020, 102, 2637–2653. [Google Scholar] [CrossRef]
- Popescu, M.; Foley, I.; Staton, D.A.; Goss, J.E. Multi-Physics Analysis of a High Torque Density Motor for Electric Racing Cars. In Proceedings of the 2015 IEEE Energy Conversion Congress and Exposition (ECCE), Montreal, QC, Canada, 20–24 September 2015; pp. 6537–6544. [Google Scholar] [CrossRef]
- Hruska, K.; Kindl, V.; Pechanek, R. Design of a High-Speed Permanent Magnet Synchronous Motor for Electric Kart. Electr. Eng. 2017, 99, 1141–1150. [Google Scholar] [CrossRef]
- Schiestl, M.; Marcolini, F.; Incurvati, M.; Capponi, F.G.; Starz, R.; Caricchi, F.; Rodriguez, A.S.; Wild, L. Development of a High Power Density Drive System for Unmanned Aerial Vehicles. IEEE Trans. Power Electron. 2021, 36, 3159–3171. [Google Scholar] [CrossRef]
- Liu, P.; Feng, S. Integrated Motor and Two-Speed Gearbox Powertrain System Development for Electric Vehicle. In Proceedings of the 2020 IEEE Energy Conversion Congress and Exposition (ECCE), Detroit, MI, USA, 11–15 October 2020; pp. 1499–1504. [Google Scholar] [CrossRef]
- Ou, J.; Liu, Y.; Breining, P.; Gietzelt, T.; Wunsch, T.; Doppelbauer, M. Experimental Characterization and Feasibility Study on High Mechanical Strength Electrical Steels for High-Speed Motors Application. IEEE Trans. Ind. Appl. 2021, 57, 284–293. [Google Scholar] [CrossRef]
- Wohlers, C.; Juris, P.; Kabelac, S.; Ponick, B. Design and Direct Liquid Cooling of Tooth-Coil Windings. Electr. Eng. 2018, 100, 2299–2308. [Google Scholar] [CrossRef]
- Ueno, S.; Enokizono, M.; Mori, Y.; Yamazaki, K. Vector Magnetic Characteristics of Ultra-Thin Electrical Steel Sheet for Development of High-Efficiency High-Speed Motor. IEEE Trans. Magn. 2017, 53, 1–4. [Google Scholar] [CrossRef]
- Iosif, V.; Roger, D.; Duchesne, S.; Malec, D. An Insulation Solution for Coils of High Temperature Motors (500 °C). In Proceedings of the 2016 IEEE International Conference on Dielectrics (ICD), Montpellier, France, 3–7 July 2016; Volume 1, pp. 297–300. [Google Scholar] [CrossRef]
- Berardi, G.; Bianchi, N. Design Guideline of an AC Hairpin Winding. In Proceedings of the 2018 XIII International Conference on Electrical Machines (ICEM), Alexandroupoli, Greece, 3–6 September 2018; pp. 2444–2450. [Google Scholar] [CrossRef]
- Wirth, F.; Fleischer, J. Influence of Wire Tolerances on Hairpin Shaping Processes. In Proceedings of the 2019 9th International Electric Drives Production Conference (EDPC), Esslingen, Germany, 3–4 December 2019. [Google Scholar] [CrossRef]
- Jung, D.S.; Kim, Y.H.; Lee, U.H.; Lee, H.D. Optimum Design of the Electric Vehicle Traction Motor Using the Hairpin Winding. In Proceedings of the 2012 IEEE 75th Vehicular Technology Conference (VTC Spring), Yokohama, Japan, 6–9 May 2012. [Google Scholar] [CrossRef]
- Boglietti, A.; Carpaneto, E.; Cossale, M.; Popescu, M.; Staton, D.; Vaschetto, S. Equivalent Thermal Conductivity Determination of Winding Insulation System by Fast Experimental Approach. In Proceedings of the 2015 IEEE International Electric Machines & Drives Conference (IEMDC), Coeur d’Alene, ID, USA, 10–13 May 2016; pp. 1215–1220. [Google Scholar] [CrossRef]
- Pyrhonen, J.; Jokinen, T.; Hrabovcova, V. Design of Rotating Electrical Machines, 2nd ed; Wiley: Chichester, UK, 2013; p. 612. ISBN 978-1-118-58157-5. [Google Scholar]
- Ayat, S.; Liu, H.; Kulan, M.; Wrobel, R. Estimation of Equivalent Thermal Conductivity for Electrical Windings with High Conductor Fill Factor. In Proceedings of the 2018 IEEE Energy Conversion Congress and Exposition (ECCE), Portland, OR, USA, 23–27 September 2018; pp. 6529–6536. [Google Scholar] [CrossRef] [Green Version]
- Shams Ghahfarokhi, P.; Kallaste, A.; Podgornovs, A.; Belahcen, A.; Vaimann, T.; Asad, B. Determination of Heat Transfer Coefficient of Finned Housing of a TEFC Variable Speed Motor. Electr. Eng. 2020, 103, 1009–1017. [Google Scholar] [CrossRef]
- Shams Ghahfarokhi, P.; Podgornovs, A.; Kallaste, A.; Cardoso, A.J.M.; Belahcen, A.; Vaimann, T.; Asad, B.; Tiismus, H. Determination of Heat Transfer Coefficient from Housing Surface of a Totally Enclosed Fan-Cooled Machine during Passive Cooling. Machines 2021, 9, 120. [Google Scholar] [CrossRef]
- Bochkarev, I.V.; Bryakin, I.V.; Khramshin, V.R.; Sandybaeva, A.R.; Litsin, K.V. Developing New Thermal Protection Method for AC Electric Motors. Machines 2021, 9, 51. [Google Scholar] [CrossRef]
- Adouni, A.; Marques Cardoso, A.J. Thermal Analysis of Low-Power Three-Phase Induction Motors Operating under Voltage Unbalance and Inter-Turn Short Circuit Faults. Machines 2021, 9, 2. [Google Scholar] [CrossRef]
- Cistelecan, M.V.; Ferreira, F.J.T.E.; Popescu, M. Three Phase Tooth-Concentrated Multiple-Layer Fractional Windings with Low Space Harmonic Content. In Proceedings of the 2010 IEEE Energy Conversion Congress and Exposition, Atlanta, GA, USA, 12–16 September 2010; pp. 1399–1405. [Google Scholar] [CrossRef]
- Jeong, M.-J.; Lee, K.-B.; Pyo, H.-J.; Nam, D.-W.; Kim, W.-H. A Study on the Shape of the Rotor to Improve the Performance of the Spoke-Type Permanent Magnet Synchronous Motor. Energies 2021, 14, 3758. [Google Scholar] [CrossRef]
- Herrmann, P.; Stenzel, P.; Vogele, U.; Endisch, C. Optimization Algorithms for Maximizing the Slot Filling Factor of Technically Feasible Slot Geometries and Winding Layouts. In Proceedings of the 2016 6th International Electric Drives Production Conference (EDPC), Nuremberg, Germany, 30 November–1 December 2016; pp. 149–155. [Google Scholar] [CrossRef]
- Farshadnia, M.; Dutta, R.; Fletcher, J.E.; Ahsanullah, K.; Rahman, M.F.; Lovatt, H.C. Analysis of MMF and Back-EMF Waveforms for Fractional-Slot Concentrated-Wound Permanent Magnet Machines. In Proceedings of the 2014 International Conference on Electrical Machines (ICEM), Berlin, Germany, 2–5 September 2014; pp. 1976–1982. [Google Scholar] [CrossRef]
- Heller, B.; Hamata, V. Harmonic Field Effects in Induction Machines; Elsevier: Amsterdam, The Netherlands, 1977; ISBN 044499856X. [Google Scholar]
- Vaske, P.; Riggert, J.H. Elektrische Maschinen Und Umformer. Teil 2. Berechnung Elektrischer Maschinen, 7th ed; B.G. Teubner: Stuttgart, Germany, 1974. [Google Scholar]
- Zeaiter, A.; Fenot, M.; Saury, D. Numerical Approach to Determining Windings’ Thermal Conductivity. In Proceedings of the 2018 XIII International Conference on Electrical Machines (ICEM), Alexandroupoli, Greece, 3–6 September 2018; pp. 1291–1296. [Google Scholar] [CrossRef] [Green Version]
- Wrobel, R.; Ayat, S.; Baker, J.L. Analytical Methods for Estimating Equivalent Thermal Conductivity in Impregnated Electrical Windings Formed Using Litz Wire. In Proceedings of the 2017 IEEE International Electric Machines and Drives Conference (IEMDC), Miami, FL, USA, 21–24 May 2017. [Google Scholar] [CrossRef]
- Incropera, F.P.; DeWitt, D.P.; Bergman, T.L.; Lavine, A.S. Fundamentals of Heat and Mass Transfer, 7th ed.; John Wiley & Sons Inc.: New York, NY, USA, 2011. [Google Scholar]
- Raju, K.S.N. Fluid Mechanics, Heat Transfer, and Mass Transfer: Chemical Engineering Practice; John Wiley & Sons, Inc.: Hoboken, NJ, USA, 2010; p. 736. [Google Scholar]















| Specific Thermal Conductivity-λ | |
|---|---|
| Stator core (radial direction) | 45 |
| Equivalent conductivity of winding | 2.48 (X and Y-axis) |
| Winding (copper) | 380 (Z-axis) |
| Shaft isotropy thermal conductivity | 60 |
| PM isotropy thermal conductivity | 7.7 |
| Insulation thermal conductivity | 0.16 |
| Slot insulation-KAPTON tape | 0.6 |
| Temperature [°C] | FEA | Measurement (Contact) | Measurement (Contactless) | Max. Relative Error [%] |
|---|---|---|---|---|
| Winding | 64.9 | 64.9 | 61.3 | 1.2 |
| Permanent magnet | 41.9 | 41.8 | 40.1 | 0.5 |
| Stator | 43.8 | 44.0 | 42.2 | 3.8 |
| Temperature [°C] | FEA | Measurement (Contact) | Measurement (Contactless) | Max. Relative Error [%] |
|---|---|---|---|---|
| Winding | 102.6 | 105.2 | 103.2 | 2.5 |
| Permanent magnet | 48.9 | 48.1 | 47.2 | 1.8 |
| Stator | 75.2 | 74.8 | 76.8 | 1.0 |
Publisher’s Note: MDPI stays neutral with regard to jurisdictional claims in published maps and institutional affiliations. |
© 2021 by the authors. Licensee MDPI, Basel, Switzerland. This article is an open access article distributed under the terms and conditions of the Creative Commons Attribution (CC BY) license (https://creativecommons.org/licenses/by/4.0/).
Share and Cite
Laksar, J.; Veg, L.; Pechánek, R. Challenges in Winding Design and Thermal Calculations: Physical Model of Permanent Magnet Synchronous Machine. Machines 2021, 9, 234. https://doi.org/10.3390/machines9100234
Laksar J, Veg L, Pechánek R. Challenges in Winding Design and Thermal Calculations: Physical Model of Permanent Magnet Synchronous Machine. Machines. 2021; 9(10):234. https://doi.org/10.3390/machines9100234
Chicago/Turabian StyleLaksar, Jan, Lukáš Veg, and Roman Pechánek. 2021. "Challenges in Winding Design and Thermal Calculations: Physical Model of Permanent Magnet Synchronous Machine" Machines 9, no. 10: 234. https://doi.org/10.3390/machines9100234
APA StyleLaksar, J., Veg, L., & Pechánek, R. (2021). Challenges in Winding Design and Thermal Calculations: Physical Model of Permanent Magnet Synchronous Machine. Machines, 9(10), 234. https://doi.org/10.3390/machines9100234

