Demagnetization Analysis and Optimization of Bonded Nd-Fe-B Magnet Rings in Brushless DC Motors
Abstract
1. Introduction
2. Comparison of Different Demagnetization Models
3. Motor Parameters and FEM Analysis Settings
3.1. Subsection Motor Structure
3.2. Magnetization Method of the Magnet Ring
4. Discussion of FEM Analysis Results
4.1. Demagnetization of the Magnet Ring
4.2. Effect of Demagnetization on Motor Parameters
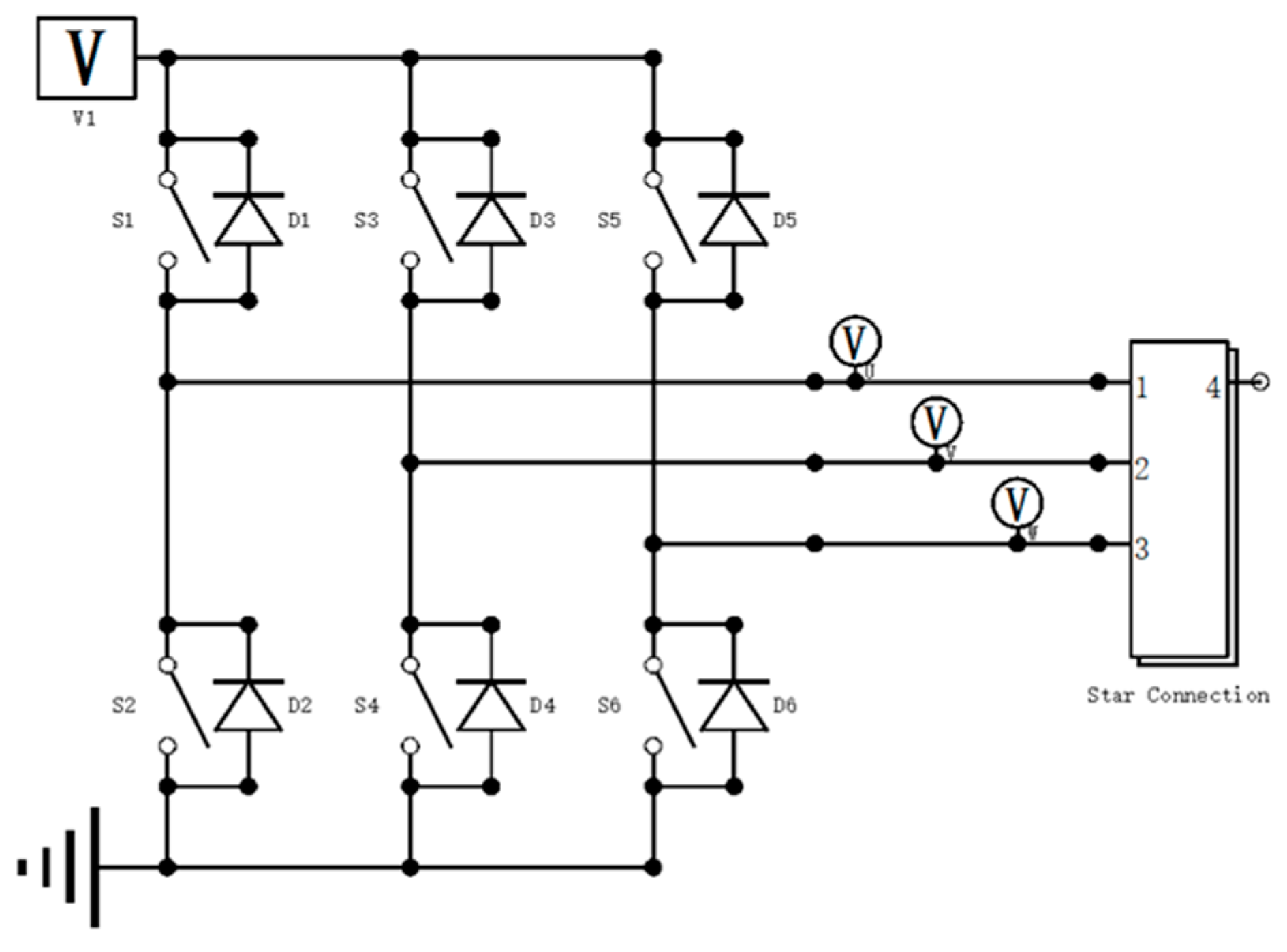
5. Experimental Analysis
6. Anti Demagnetization Optimization
7. Conclusions
- (1)
- When the motor is under overload, the low coercive force and remanence in the transition position between the poles of the ring magnet cause severe irreversible demagnetization in this position. Demagnetization first appears on the outer surface of the magnet ring and spreads radially to the inner surface near the transition position as the demagnetization intensifies. Therefore, improving the anti-demagnetization capability of the weak magnetic region is very effective in avoiding DMF.
- (2)
- The demagnetization of magnets that occurs during overload has local differences, and the location of demagnetization is mainly concentrated on the side of each magnetic pole opposite the direction of motor operation. For a trapezoidal wave magnetizing ring, after local DMF occurs, the harmonic distortion rates of both the surface magnetic flux waveform and the back electromotive force waveform decrease. Therefore, the waveform distortion of the back electromotive force can be used as one of the means to detect demagnetization.
- (3)
- The magnetic ring with a modified inner diameter proposed in this paper selectively enhances the resistance to demagnetization near the transition region, which can effectively reduce the demagnetization rate of the bonded magnetic ring under overload conditions.
Author Contributions
Funding
Data Availability Statement
Conflicts of Interest
References
- Reigosa, D.; Fernández, D.; Park, Y.; Diez, A.B.; Lee, S.B.; Briz, F. Detection of Demagnetization in Permanent Magnet Synchronous Machines Using Hall-Effect Sensors. IEEE Trans. Ind. Appl. 2018, 54, 3338–3349. [Google Scholar] [CrossRef]
- Usman, A.; Rajpurohit, B.S. Characteristic Analysis of Partial Demagnetization Faults in Surface Mounted BLDC Motors. In Proceedings of the 2020 IEEE Industry Applications Society Annual Meeting, Detroit, MI, USA, 10–16 October 2020; IEEE: New York, NY, USA, 2020. [Google Scholar]
- Leem, K.D.; Kim, W.H.; Jin, C.S.; Lee, J. Local demagnetisation analysis of a permanent magnet motor. IET Electr. Power Appl. 2015, 9, 280–286. [Google Scholar]
- Iang, L. Recent Status of Bonded Nd-Fe-B Magnets. J. Iron Steel Res. Int. 2006, 13, 265–267. [Google Scholar]
- Bai, S.X.; Hong, Z.; Li, L.V.; Ke, C.; Cai, H.N. Progress of Research on Bonded Nd-Fe-B Magnets. J. Iron Steel Res. Int. 2006, 13, 489–493. [Google Scholar] [CrossRef]
- Ullah, Z.; Hur, J.A. Comprehensive Review of Winding Short Circuit Fault and Irreversible Demagnetization Fault Detection in PM Type Machines. Energies 2018, 11, 3309. [Google Scholar] [CrossRef]
- Chen, Y.; Liang, S.; Li, W.; Liang, H.; Wang, C. Faults and Diagnosis Methods of Permanent Magnet Synchronous Motors: A Review. Appl. Sci. 2019, 9, 2116. [Google Scholar] [CrossRef]
- Qi, D.; Jing, Y.; Zhang, S. The Study of Permanent Magnet Demagnetization in Permanent Magnet Synchronous Motor. In Proceedings of the 2021 IEEE International Conference on Advances in Electrical Engineering and Computer Applications (AEECA), Dalian, China, 27–28 August 2021. [Google Scholar]
- Zhang, W.; Li, G.; Zhu, Z.; Ren, B.; Chong, Y.C.; Michon, M. Demagnetization Analysis of Modular SPM Machine Based on Coupled Electromagnetic-Thermal Modelling. Energies 2022, 16, 131. [Google Scholar] [CrossRef]
- Zhao, P.; Yu, Y.Q. Analysis of Influence of Permanent Magnet Demagnetization on Motor Temperature Rise. J. Phys. Conf. Ser. 2022, 2395, 012–022. [Google Scholar] [CrossRef]
- Kobayashi, M.; Morimoto, S.; Sanada, M.; Inoue, Y. Effect of Variable Recoil Permeability on Demagnetization Characteristics of Permanent Magnet Assisted Synchronous Reluctance Motor with Bonded Magnets. IEEJ J. Ind. Appl. 2021, 10, 675–681. [Google Scholar] [CrossRef]
- Shi, C.; Peng, L.; Zhang, Z.; Shi, T. Analytical Modeling and Analysis of Permanent-Magnet Motor with Demagnetization Fault. Sensors 2022, 22, 9440. [Google Scholar] [CrossRef] [PubMed]
- Isermann, R. Model-based fault-detection and diagnosis—Status and applications. Annu. Rev. Control 2005, 29, 71–85. [Google Scholar] [CrossRef]
- Bellini, A.; Filippetti, F.; Tassoni, C.; Capolino, G.A. Advances in Diagnostic Techniques for Induction Machines. IEEE Trans. Ind. Electron. 2009, 55, 4109–4126. [Google Scholar] [CrossRef]
- Gao, C.; Nie, Y.; Si, J.; Fu, Z.; Feng, H. Mode Recognition and Fault Positioning of Permanent Magnet Demagnetization for PMSM. Energies 2019, 12, 1644. [Google Scholar] [CrossRef]
- Moon, S.; Jeong, H.; Lee, H.; Kim, S.W. Detection and Classification of Demagnetization and Interturn Short fault of IPMSMs. IEEE Trans. Ind. Electron. 2017, 64, 9433–9441. [Google Scholar] [CrossRef]
- Krichen, M.; Elbouchikhi, E.; Benhadj, N.; Chaieb, M.; Benbouzid, M.; Neji, R. Motor Current Signature Analysis-Based Permanent Magnet Synchronous Motor Demagnetization Characterization and Detection. Machines 2020, 8, 35. [Google Scholar] [CrossRef]
- Ishikawa, T.; Igarashi, N. Failure Diagnosis of Demagnetization in Interior Permanent Magnet Synchronous Motors Using Vibration Characteristics. Appl. Sci. 2019, 9, 3111. [Google Scholar] [CrossRef]
- Faiz, J.; Mazaheri-Tehrani, E. Demagnetization Modeling and Fault Diagnosing Techniques in Permanent Magnet Machines Under Stationary and Nonstationary Conditions: An Overview. IEEE Trans. Ind. Appl. 2017, 53, 2772–2785. [Google Scholar]
- Faiz, J.; Nejadi-Koti, H. Demagnetization Fault Indexes in Permanent Magnet Synchronous Motors—An Overview. IEEE Trans. Magn. 2016, 52, 8201511. [Google Scholar] [CrossRef]























| Main Parameters | Value | Main Parameters | Value |
|---|---|---|---|
| Rated power | 100 W | Rotor core | S45C |
| Number of slots | 6 | Rated speed | 5000 rpm |
| Number of poles | 4 | Turns per slot | 120 |
| Out diameter | 55 mm | Rated temperature | 60 °C |
| Axial length | 22 mm | Permanent magnet | GBM-8 |
| Phase number | 3 | Outer diameter of the magnet | 26 mm |
| Air gap width | 0.3 mm | Inner diameter of the magnet | 18 mm |
| Stator core | 35JN230 | Axis height of the magnet | 20 mm |
| Harmonic Order Number | Normal Load (T) | 1.5 Times Load (T) | Double Load (T) |
|---|---|---|---|
| 1 | 0.05141 | 0.05024 | 0.04801 |
| 2 | 6.30369 × 10−4 | 6.45125 × 10−4 | 2.54166 × 10−4 |
| 3 | 0.025 | 0.02113 | 0.01428 |
| 4 | 6.45558 × 10−4 | 6.86865 × 10−4 | 2.68177 × 10−4 |
| 5 | 0.01182 | 0.00934 | 0.00241 |
| 6 | 5.01838 × 10−4 | 4.88926 × 10−4 | 1.27954 × 10−4 |
| 7 | 0.00518 | 0.00298 | 0.00345 |
| 8 | 3.27925 × 10−4 | 3.41862 × 10−4 | 2.15618 × 10−4 |
| 9 | 0.00175 | 0.00258 | 0.00319 |
| 10 | 2.13082 × 10−4 | 3.62442 × 10−4 | 4.97643 × 10−4 |
| THD | 54.9% | 46.7% | 31.7% |
| Harmonic Order Number | Normal Load (V) | 1.5 Times Load (V) | Double Load (V) |
|---|---|---|---|
| 1 | 4.29901 | 4.21445 | 4.05471 |
| 2 | 0.03508 | 0.03467 | 0.02036 |
| 3 | 0.01529 | 0.01488 | 0.01205 |
| 4 | 0.02723 | 0.0265 | 0.01459 |
| 5 | 0.50472 | 0.40665 | 0.13395 |
| 6 | 8.33972 × 10−4 | 0.00139 | 0.00567 |
| 7 | 0.17315 | 0.10044 | 0.09681 |
| 8 | 0.00679 | 0.00416 | 0.00565 |
| 9 | 0.0015 | 0.00154 | 0.00566 |
| 10 | 0.0022 | 0.00575 | 0.01002 |
| THD | 12.5% | 10.0% | 4.2% |
| Harmonic Order Number | Normal Load (T) | 1.5 Times Load (T) | Double Load (T) |
|---|---|---|---|
| 1 | 0.06379 | 0.05503 | 0.05261 |
| 2 | 6.45054 × 10−4 | 0.00253 | 0.00205 |
| 3 | 0.01999 | 0.00646 | 0.00612 |
| 4 | 8.53194 × 10−4 | 4.05759 × 10−4 | 3.03526 × 10−4 |
| 5 | 0.00675 | 0.00246 | 0.00149 |
| 6 | 4.67153 × 10−4 | 8.00305 × 10−4 | 6.28393 × 10−4 |
| 7 | 0.00239 | 3.12326 × 10−4 | 6.41333 × 10−4 |
| 8 | 3.23385 × 10−4 | 3.88394 × 10−4 | 3.56543 × 10−4 |
| 9 | 8.50724 × 10−4 | 1.29257 × 10−4 | 2.85682 × 10−4 |
| 10 | 2.49104 × 10−4 | 9.86289 × 10−5 | 8.67477 × 10−5 |
| THD | 33.4% | 13.5% | 12.8% |
| FEM Analysis | Experimental | ||
|---|---|---|---|
| Maximum value of the Bs (mT) | Normal load | 55.2 | 57 |
| 1.5 times load | 53.6 | 54.7 | |
| Double load | 48.2 | 52.8 | |
| Magnetic area (T deg) | Normal load | 14.52 | 16.64 |
| 1.5 times load | 13.70 | 15.38 | |
| Double load | 12.37 | 14.39 | |
| THD | Normal load | 54.9% | 33.4% |
| 1.5 times load | 46.7% | 13.5% | |
| Double load | 31.7% | 12.8% |
| Harmonic Order Number | Normal Load (V) | 1.5 Times Load (V) | Double Load (V) |
|---|---|---|---|
| 1 | 4.10982 | 3.84381 | 3.57322 |
| 2 | 0.02308 | 0.01466 | 0.01738 |
| 3 | 0.02913 | 0.02962 | 0.1054 |
| 4 | 0.01047 | 0.00955 | 0.0157 |
| 5 | 0.46324 | 0.41052 | 0.34206 |
| 6 | 0.0075 | 0.00482 | 0.00824 |
| 7 | 0.10773 | 0.09779 | 0.12488 |
| 8 | 0.00136 | 7.24171 × 10−4 | 0.00494 |
| 9 | 0.00214 | 0.00151 | 0.0168 |
| 10 | 0.00133 | 0.00377 | 0.00554 |
| THD | 11.6% | 11.0% | 10.6% |
| FEM Analysis | Experimental | ||
|---|---|---|---|
| Maximum value of the no-load back EMF (V) | Normal load | 4.05 | 4.2 |
| 1.5 times load | 4.02 | 3.98 | |
| Double load | 3.95 | 3.8 | |
| THD | Normal load | 12.5% | 11.6% |
| 1.5 times load | 10.0% | 11.0% | |
| Double load | 4.2% | 10.6% |
Disclaimer/Publisher’s Note: The statements, opinions and data contained in all publications are solely those of the individual author(s) and contributor(s) and not of MDPI and/or the editor(s). MDPI and/or the editor(s) disclaim responsibility for any injury to people or property resulting from any ideas, methods, instructions or products referred to in the content. |
© 2025 by the authors. Licensee MDPI, Basel, Switzerland. This article is an open access article distributed under the terms and conditions of the Creative Commons Attribution (CC BY) license (https://creativecommons.org/licenses/by/4.0/).
Share and Cite
Wang, Y.; Zhan, H.; Gong, Y.; Wang, M.; Yu, J.; Zhang, Z.; Yang, Y.; Wang, L. Demagnetization Analysis and Optimization of Bonded Nd-Fe-B Magnet Rings in Brushless DC Motors. Machines 2025, 13, 75. https://doi.org/10.3390/machines13020075
Wang Y, Zhan H, Gong Y, Wang M, Yu J, Zhang Z, Yang Y, Wang L. Demagnetization Analysis and Optimization of Bonded Nd-Fe-B Magnet Rings in Brushless DC Motors. Machines. 2025; 13(2):75. https://doi.org/10.3390/machines13020075
Chicago/Turabian StyleWang, Yinan, Hao Zhan, Yanyan Gong, Mingxu Wang, Juntao Yu, Ze Zhang, Yuanfei Yang, and Li Wang. 2025. "Demagnetization Analysis and Optimization of Bonded Nd-Fe-B Magnet Rings in Brushless DC Motors" Machines 13, no. 2: 75. https://doi.org/10.3390/machines13020075
APA StyleWang, Y., Zhan, H., Gong, Y., Wang, M., Yu, J., Zhang, Z., Yang, Y., & Wang, L. (2025). Demagnetization Analysis and Optimization of Bonded Nd-Fe-B Magnet Rings in Brushless DC Motors. Machines, 13(2), 75. https://doi.org/10.3390/machines13020075

