Simulation of the Landing Buffer of a Three-Legged Jumping Robot
Abstract
:1. Introduction
1.1. Motivation
1.2. Related Works—Landing Energy Absorption
1.3. Related Works—Intermediate Axis Theorem
1.4. Related Works—Modeling and Simulation
1.5. Contribution
- (1)
- The first method is to change robot’s leg posture in the air by compressing the robot and bending its leg, so that the leg springs can absorb the impulse at touch-down and transfer its kinetic energy into potential energy for the next jump. This method is verified by simulation experiments and the landing leg’s posture that can absorb the most landing energy at different drop heights is obtained.
- (2)
- The second method is to add the application of IAT on the basis of the previous method. In this method, the robot also bends its legs in the air to absorb the landing energy, but after it takes off, a constant rotation speed is added to make it flip in the air, which is the phenomenon described by IAT. By finding a suitable rotation speed, it can finally flip to a vertical attitude to land, so that the existing tilting landing attitude can be corrected. The simulation experiment verifies this method and obtains the most suitable rotation speed under different falling heights, as well as the influence of this method on landing energy absorption compared with the first method.
- Develop a simulation model that meets the main characteristics of the jumping robot and the requirements of the above two methods;
- Through simulating the landing dynamics of the jumping robot, identify the factors that affect landing energy absorption and explore the application of the IAT.
2. Three-Legged Jumping Robot
3. Referred Simulation Model
4. Landing Energy Absorption Simulation
4.1. Methodology
4.2. Simulation Procedure
- (1)
- To get the jumping height of the model under the selected 15 launching squat angles under lunar gravity, in the input parameters, the gravity was changed to lunar gravity, which was considered to be 0.166-times Earth’s gravity. Next, the compression angle of the model was set as the 15 selected angles, respectively. By running the simulation 15 times, the jump heights of each launching squat angle were obtained.
- (2)
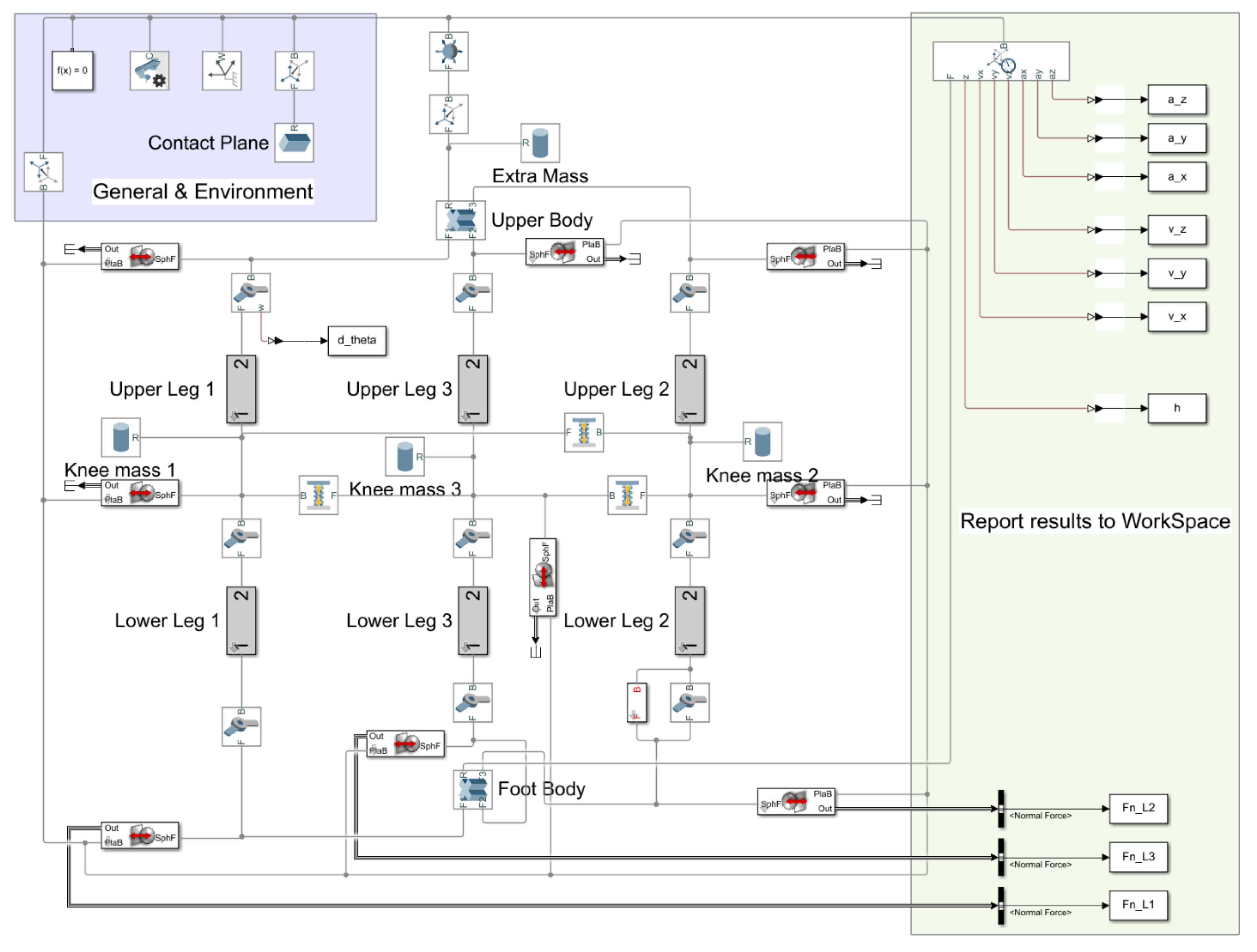
- The simulation model for landing energy absorption, shown in Figure 7, was observed from the prototype of the simulation model and was modified according to the above methodology. Since the data output in the prototype was useless in this simulation, the output channels in the prototype were replaced by three channels that output three spring forces. The Sense Force function in the three Springs and Damper Force block was enabled, so that the elastic force on each spring could be output.
- (3)
- To prevent the robot from decompressing during the fall, the landing squat angle was limited from a certain input landing squat angle to 80 degrees, though the Rotational Hard Stop Friction block marked in Figure 7.
- (4)
- After the data matrix of the elastic force of the three springs over time was output to the WorkSpace, they were added together and (1) were applied to obtain the data matrix of total elastic potential energy changed with time, and then, by calculating the difference of the elastic potential energy before and after landing, so that the energy absorbed during landing could be obtained. The above calculation process was implemented by the codes in MATLAB, which can be found in the ‘Energy absorption’ paragraph in the Appendix.
- (5)
- The initial squat angle and height of the robot could be set in the MATLAB codes of the prototype, which were used to set the landing squat angle and height of the robot. At each drop height, different landing squat angles were input to obtain the corresponding elastic potential energy difference. The landing squat angle was set from 0 degrees to 80 degrees, accurate to 1 degree. Therefore, at each height, the elastic potential energy differences corresponding to the 81 landing squat angles were generated. In this way, the previously obtained 15 drop heights were sequentially substituted into the codes, so that the relationship between the landing squat angle and energy absorption at different heights was obtained. Finally, the resulting curves for the 15 sets of data were plotted in one graph.
4.3. Results and Analysis
4.3.1. Jumping Height
4.3.2. Landing Energy Absorption
5. Landing Simulation with the Application of the Intermediate Shaft Theorem
5.1. Methodology
5.2. Simulation Procedure
- (1)
- First, the cylinder used to simplify the mechanical power system in the upper body of the model was replaced with a cuboid. The dimensions of the cuboid were defined as 5 cm × 0.5 cm × 3 cm by the Solid block marked out in Figure 10.
- (2)
- Then, the model was turned upside down at the initial position. Through the Rigid Transform block marked in Figure 10, the model was rotated 180 degrees around the X axis.
- (3)
- Next, the initial angular velocity of the model was added in the 6-DOF Joint block marked in Figure 10. The model was added with an angular velocity ‘omega_o’ around the Z axis. By changing the magnitude of ‘omega_o’ in the MATLAB Editor, the initial angular velocity was controlled as an input parameter.
- (4)
- As shown in Figure 10, the coordinates of the two midpoints of the upper and lower bodies relative to the ground were output through two Transform sensor blocks. After outputting the data matrix of the coordinates of the vectors over time to the WorkSpace, by applying (2), the unit vectors over time were calculated and a three-dimensional figure of the trajectory of the unit vector was plotted. By applying (3), the three directional cosines over time were calculated and plotted together on a graph. The calculation process and plotting instructions were implemented by the MATLAB codes, which can be found in the ‘Spiral path’ and ‘Direction cosine’ paragraphs in the Appendix.
- (5)
- The best landing squat angles and their corresponding drop heights, obtained in the previous simulation experiments, were input into the simulation through MATLAB codes. When the landing squat angle and drop height remain unchanged, we experimented to input different rotation speeds until the direction cosines were output 1 for α and β, and 0 for γ. The initial rotation speed was tried from 0 rad/s, increasing by 0.1 rad/s each time and running the simulation repeatedly. After each simulation, the landing direction cosine of the robot was observed, until the direction cosines were output 1 for α and β, and 0 for γ. When the condition of the direction cosine was satisfied, the corresponding vector direction trajectory graph was checked to prove that the model had only flipped once, so that the input angular velocity was proved to be desired.
- (6)
- After the required angular velocity was obtained, the input energy required to achieve the angular velocity was calculated according from (4) to (10). The codes for calculating rotational kinetic energy can be found in the ‘Rotational kinetic energy’ paragraph in the Appendix.
- (7)
- According to the above steps, the desired initial angular velocities at 15 different drop heights and the corresponding rotational kinetic energy of the robot were determined.
5.3. Results and Analysis
6. Conclusions and Future Work
Author Contributions
Funding
Institutional Review Board Statement
Informed Consent Statement
Data Availability Statement
Acknowledgments
Conflicts of Interest
Appendix A. MATLAB Codes
References
- Liu, Z.-Z.; Xi, W.-M.; Zhu, J.-Y.; Wu, H.-T. Research on jumping robots. Robot (China) 2003, 25, 568–573. [Google Scholar]
- Mo, X.J.; Ge, W.J.; Miraglia, M.; Inglese, F.; Zhao, D.L.; Stefanini, C.; Romano, D. Jumping Locomotion Strategies: From Animals to Bioinspired Robots. Appl. Sci.-Basel 2020, 10, 8607. [Google Scholar] [CrossRef]
- Zhang, Z.Q.; Zhao, J.; Chen, H.L.; Chen, D.S. A Survey of Bioinspired Jumping Robot: Takeoff, Air Posture Adjustment, and Landing Buffer. Appl. Bionics Biomech. 2017, 2017, 4780160. [Google Scholar] [CrossRef] [PubMed] [Green Version]
- Zhao, J.; Wang, M.; Zang, X.; Cai, H. Biological Characteristics Analysis and Mechanical Jumping Leg Design for Frog Robot. In Proceedings of the 1st International Conference Intelligent Robotics and Applications, Wuhan, China, 15–17 October 2008; pp. 1070–1080. [Google Scholar]
- Sayyad, A.; Seth, B.; Seshu, P. Single-legged hopping robotics research—A review. Robotica 2007, 25, 587–613. [Google Scholar] [CrossRef]
- Zhang, Z.Q.; Chen, D.S.; Chen, K.W. Analysis and comparison of three leg models for bionic locust robot based on landing buffering performance. Sci. China-Technol. Sci. 2016, 59, 1413–1427. [Google Scholar] [CrossRef]
- Chen, D.S.; Zhang, Z.Q.; Chen, K.W. Legs attitudes determination for bionic locust robot based on landing buffering performance. Mech. Mach. Theory 2016, 99, 117–139. [Google Scholar] [CrossRef]
- Romano, D.; Bloemberg, J.; Tannous, M.; Stefanini, C. Impact of Aging and Cognitive Mechanisms on High-Speed Motor Activation Patterns: Evidence From an Orthoptera-Robot Interaction. IEEE Trans. Med. Robot. Bionics 2020, 2, 292–296. [Google Scholar] [CrossRef]
- Hyon, S.H.; Mita, T. Development of a biologically inspired hopping robot-“Kenken”. In Proceedings of the 19th IEEE International Conference on Robotics and Automation (ICRA), Washington, DC, USA, 11–15 May 2002; pp. 3984–3991. [Google Scholar]
- Scarfogliero, U.; Stefanini, C.; Dario, P. Design and development of the long-jumping “Grillo” mini robot. In Proceedings of the IEEE International Conference on Robotics and Automation, Rome, Italy, 10–14 April 2007; pp. 467–472. [Google Scholar]
- Trivailo, P.M.; Kojima, H. Enhancement of the attitude dynamics capabilities of the spinning spacecraft using inertial morphing. Aeronaut. J. 2020, 124, 838–871. [Google Scholar] [CrossRef] [Green Version]
- Dan, M.; Column, E. The Dzhanibekov effect or tennis racket theorem. Phys. Teach. 2015, 53, 447. [Google Scholar] [CrossRef]
- Christie, D. Tennis Rackets and the Parallel Axis Theorem. Phys. Teach. 2014, 52, 208–209. [Google Scholar] [CrossRef]
- Arikawa, K.; Mita, T. Design of multi-DOF jumping robot. In Proceedings of the 2002 IEEE International Conference on Robotics and Automation, Washington, DC, USA, 11–15 May 2002; Volume 3994, pp. 3992–3997. [Google Scholar]
- Hogg, M.E.; Tam, V.; Zenati, M.; Novak, S.; Miller, J.; Zureikat, A.H.; Zeh, H.J. Mastery-Based Virtual Reality Robotic Simulation Curriculum: The First Step Toward Operative Robotic Proficiency. J. Surg. Educ. 2017, 74, 477–485. [Google Scholar] [CrossRef] [PubMed]
- Hale, E.; Schara, N.; Burdick, J.; Fiorini, P. A minimally actuated hopping rover for exploration of celestial bodies. In Proceedings of the 2000 ICRA. Millennium Conference. IEEE International Conference on Robotics and Automation. Symposia Proceedings (Cat. No.00CH37065), San Francisco, CA, USA, 24–28 April 2000; Volume 421, pp. 420–427. [Google Scholar] [CrossRef] [Green Version]
- Macario-Rojas, A.; Weightman, A.; Smith, K.L.; Parslew, B. Jumping Robots: An Insight into Scalable platforms through an Experimental Approach Utilizing Additive Manufacturing. 2019; Unpublished Work. [Google Scholar]
- Morse, A.F.; Herrera, C.; Clowes, R.; Montebelli, A.; Ziemke, T. The role of robotic modelling in cognitive science. New Ideas Psychol. 2011, 29, 312–324. [Google Scholar] [CrossRef]
- Landau, L.D.; Lifshitz, E.M.; Pitaevskii, L.P.; Kosevich, A.M. Theory of Elasticity: Course of Theoretical Physics; Dictionary Geotechnical Engineering/Wörterbuch Geotechnik; Butterworth-Heinemann: Oxford, UK, 1959; Volume 7, p. 1. [Google Scholar]
- Arfken, G.B.; Griffing, D.F.; Kelly, D.C.; Priest, J. Chapter 2—VECTOR ALGEBRA. In International Edition University Physics; Arfken, G.B., Griffing, D.F., Kelly, D.C., Priest, J., Eds.; Academic Press: Cambridge, MA, USA, 1984; pp. 14–32. [Google Scholar]
- Jiao, L.; Shang, R.; Liu, F.; Zhang, W. Chapter 8—Evolutionary computation-based multiobjective capacitated arc routing optimizations. In Brain and Nature-Inspired Learning Computation and Recognition; Jiao, L., Shang, R., Liu, F., Zhang, W., Eds.; Elsevier: Amsterdam, The Netherlands, 2020; pp. 233–300. [Google Scholar]
- Harris, F.E. Chapter 4—Vectors and Matrices. In Mathematics for Physical Science and Engineering; Harris, F.E., Ed.; Academic Press: Boston, MA, USA, 2014; pp. 111–162. [Google Scholar]
- Davidovits, P. Appendix A—Basic Concepts in Mechanics. In Physics in Biology and Medicine, 4th ed.; Davidovits, P., Ed.; Academic Press: Boston, MA, USA, 2013; pp. 275–287. [Google Scholar]
- Theorem, P.A. Parallel axis theorem. Phys. Teach. 1985, 23, 486. [Google Scholar] [CrossRef]
- Gooch, J.W. Moment of Inertia. In Encyclopedic Dictionary of Polymers || Mycology; Springer: New York, NY, USA, 2011; p. 1. [Google Scholar] [CrossRef]
- House, J.E. Chapter 7—Molecular Rotation and Spectroscopy. In Fundamentals of Quantum Mechanics, 3rd ed.; House, J.E., Ed.; Academic Press: Cambridge, MA, USA, 2018; pp. 137–158. [Google Scholar]
- Graichen, K.; Hentzelt, S.; Hildebrandt, A.; Karcher, N.; Gaissert, N.; Knubben, E. Control design for a bionic kangaroo. Control Eng. Pract. 2015, 42, 106–117. [Google Scholar] [CrossRef]












| Launching Squat Angle (Degree) | Jumping Height (m) |
|---|---|
| 10 | 0.0956 |
| 15 | 0.1588 |
| 20 | 0.3655 |
| 25 | 0.5986 |
| 30 | 0.9207 |
| 35 | 1.3109 |
| 40 | 1.6858 |
| 45 | 2.0853 |
| 50 | 2.5177 |
| 55 | 2.9327 |
| 60 | 3.3263 |
| 65 | 3.6641 |
| 70 | 3.9694 |
| 75 | 4.2078 |
| 80 | 4.3718 |
| Parameter | Unit | Data |
|---|---|---|
| Compression angle | deg | 80 |
| Compression energy | J | 1.7294 |
| Jumping height | m | 4.3718 |
| Best landing squat angle | deg | 62 |
| Most energy absorbed | J | 0.2310 |
| Energy saving percentage | % | 13.36 |
| Drop Height (m) | IAT Desired Rotational Speed (rad/s) |
|---|---|
| 0.0956 | 47.5 |
| 0.1588 | 35 |
| 0.3655 | 25 |
| 0.5986 | 20.2 |
| 0.9207 | 16.2 |
| 1.3109 | 13.5 |
| 1.6858 | 12 |
| 2.0853 | 11 |
| 2.5177 | 10 |
| 2.9327 | 9.3 |
| 3.3263 | 8.6 |
| 3.6641 | 8.5 |
| 3.9694 | 8.3 |
| 4.2078 | 8 |
| 4.3718 | 7.8 |
| Parameter | Unit | Data |
|---|---|---|
| Desired initial angular velocity | rad/s | 7.8 |
| Rotational kinetic energy | J | 0.0027 |
| Compression energy | J | 1.7294 |
| Total energy input | J | 1.7321 |
| Energy absorbed | J | 0.2792 |
| Energy saving percentage | % | 16.12 |
| Parameter | Unit | Free Fall Landing | Laing Applied IAT |
|---|---|---|---|
| Initial angular velocity | rad/s | 0 | 7.8 |
| Total energy input | J | 1.7294 | 1.7321 |
| Energy absorbed | J | 0.2310 | 0.2792 |
| Energy saving percentage | % | 13.36 | 16.12 |
Publisher’s Note: MDPI stays neutral with regard to jurisdictional claims in published maps and institutional affiliations. |
© 2022 by the authors. Licensee MDPI, Basel, Switzerland. This article is an open access article distributed under the terms and conditions of the Creative Commons Attribution (CC BY) license (https://creativecommons.org/licenses/by/4.0/).
Share and Cite
Yan, Y.; Smith, K.; Macario-Rojas, A.; Zhang, H. Simulation of the Landing Buffer of a Three-Legged Jumping Robot. Machines 2022, 10, 299. https://doi.org/10.3390/machines10050299
Yan Y, Smith K, Macario-Rojas A, Zhang H. Simulation of the Landing Buffer of a Three-Legged Jumping Robot. Machines. 2022; 10(5):299. https://doi.org/10.3390/machines10050299
Chicago/Turabian StyleYan, Yilin, Katharine Smith, Alejandro Macario-Rojas, and Hongbo Zhang. 2022. "Simulation of the Landing Buffer of a Three-Legged Jumping Robot" Machines 10, no. 5: 299. https://doi.org/10.3390/machines10050299
APA StyleYan, Y., Smith, K., Macario-Rojas, A., & Zhang, H. (2022). Simulation of the Landing Buffer of a Three-Legged Jumping Robot. Machines, 10(5), 299. https://doi.org/10.3390/machines10050299

