Platiniferous Tetra-Auricupride: A Case Study from the Bolshoy Khailyk Placer Deposit, Western Sayans, Russia
Abstract
:1. Introduction
1.1. Sample Location and Objective
1.2. Worldwide Occurrences of Tetra-Auricupride
2. Materials and Methods
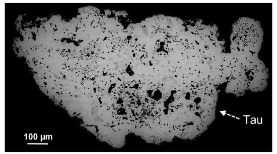
2.1. Occurrence and Associated Minerals at Bolshoy Khailyk
2.2. WDS and SEM/EDS Analyses
2.3. Synchrotron Micro-Laue Diffraction Study
2.4. Single-Crystal Electron Backscatter Diffraction (EBSD)
3. Results
3.1. Compositional Variations in Platiniferous Tetra-Auricupride
3.2. Synchrotron Micro-Laue Diffraction Study
4. Discussion and Concluding Comments
Author Contributions
Funding
Acknowledgments
Conflicts of Interest
References
- Chen, K.; Yu, T.; Zhang, Y.; Peng, Z. Tetra-auricupride, CuAu discovered in China. Sci. Geol. Sin. 1982, 17, 111–116, (In Chinese with English abstract). [Google Scholar]
- Shvedov, G.I.; Nekos, V.V. PGM of a placer at the R. Bolshoy Khailyk (western Sayans). Geol. Resour. Krasnoyarskiy Kray 2008, 9, 240–248. (In Russian) [Google Scholar]
- Barkov, A.Y.; Shvedov, G.; Silyanov, S.; Martin, R.F. Mineralogy of platinum-group elements and gold in the ophiolite-related placer of the River Bolshoy Khailyk, western Sayans, Russia. Minerals 2018, 8, 247. [Google Scholar] [CrossRef]
- Aleksandrov, G.P.; Gulyaev, Y.S. The Geological Map of the USSR (scale 1:200 000; M-46-III); The Western Sayan Series; Nedra Press: Moscow, Russia, 1966. [Google Scholar]
- Cabri, L.J.; Laflamme, J.H.G. Analyses of minerals containing platinum-group elements. In Platinum-group elements: Mineralogy, Geology, Recovery (L.J. Cabri, ed.). Can. Inst. Min. Metall. 1981, 23, 151–173. [Google Scholar]
- Yushkin, N.P. (Ed.) Mineralogy of the Urals: Native Elements, Carbides, Sulfides; The Uralian branch of the USSR Academy of Sciences: Sverdlovsk, Russia, 1990; pp. 92–97. (In Russian) [Google Scholar]
- Nekrasov, I.Y.; Lennikov, A.M.; Zalishchak, B.L.; Oktyabrsky, R.A.; Ivanov, V.V.; Sapin, V.I.; Taskaev, V.I. Compositional variations in platinum-group minerals and gold, Konder alkaline-ultrabasic massif, Aldan Shield, Russia. Can. Miner. 2005, 43, 637–654. [Google Scholar] [CrossRef]
- Miller, D.; Loucks, R.R. Platinum-group Element Mineralization in the Jijal layered ultramafic-mafic complex, Pakistani Himalayas. Econ. Geol. 1991, 86, 1093–1102. [Google Scholar] [CrossRef]
- Rudashevskiy, N.S.; Krecer, D.A.; Orsoev, D.A.; Kislov, E.V. Palladium-platinum mineralization in vein Cu–Ni-ores of Yoko-Dovyrenskiy layered massif. Dokl. Akad. Nauk 2003, 391, 519–522. (In Russian) [Google Scholar]
- Grokhovskaya, T.L.; Lapina, M.I.; Ganin, V.A.; Grinevich, N.G. PGE mineralization in the Burakovskiy Layered Complex, Southern Karelia, Russia. Geol. Rudn. Mestorozhd. 2005, 47, 315–341. (In Russian) [Google Scholar]
- Holwell, D.A.; Keays, R.R.; McDonald, I.; Williams, M.R. Extreme enrichment of Se, Te, PGE and Au in Cu sulfide microdroplets: Evidence from LA-ICP-MS analysis of sulfides in the Skaergaard Intrusion, east Greenland. Contrib. Mineral. Petrol. 2015, 170, 1–26. [Google Scholar] [CrossRef]
- Nielsen, T.F.; Andersen, J.Ø.; Holness, M.B.; Keiding, J.K.; Rudashevsky, N.S.; Rudashevsky, V.N.; Veksler, I.V. The Skaergaard PGE and gold deposit: The result of in situ fractionation, sulphide saturation, and magma chamber-scale precious metal redistribution by immiscible Fe-rich melt. J. Petrol. 2015, 56, 1643–1676. [Google Scholar] [CrossRef]
- Tarkian, M.; Economou-Eliopoulos, M.; Eliopoulos, D.G. Platinum-group minerals and tetra-auricupride in ophiolitic rocks of Skyros island, Greece. Miner. Petrol. 1992, 47, 55–66. [Google Scholar] [CrossRef]
- Kapsiotis, A.; Grammatikopoulos, T.A.; Tsikouras, B.; Hatzipanagiotou, K. Platinum-Group mineral characterization in concentrates from high-grade PGE Al-rich chromitites of Korydallos area in the Pindos ophiolite complex (NW Greece). Resour. Geol. 2010, 60, 178–191. [Google Scholar] [CrossRef]
- Knipe, S.W.; Fleet, M.E. Copper-gold alloy minerals from the Kerr mine, Ontario. Can. Miner. 1997, 35, 573–586. [Google Scholar]
- Kwitko, R.; Cabral, A.R.; Lehmann, B.; Laflamme, J.G.; Cabri, L.J.; Criddle, A.J.; Galbiatti, H.F. Hongshiite, PtCu, from itabirite-hosted Au-Pd-Pt mineralization (jacutinga), Itabira district, Minas Gerais, Brazil. Can. Miner. 2002, 40, 711–723. [Google Scholar] [CrossRef]
- El Ghorfi, M.; Oberthür, T.; Melcher, F.; Lüders, V.; El Boukhari, A.; Maacha, L.; Ziadi, R.; Baoutoul, H. Gold-palladium mineralization at Bleïda Far West, Bou Azzer-El Graara Inlier, Anti-Atlas, Morocco. Miner. Depos. 2006, 41, 549–564. [Google Scholar] [CrossRef]
- Pieczonka, J.; Piestrzyński, A.; Mucha, J.; Głuszek, A.; Kotarba, M.; Więcław, D. The red-bed-type precious metal deposit in the Sieroszowice-Polkowice copper mining district, SW Poland. Ann. Soc. Geologorum Pol. 2008, 78, 151–280. [Google Scholar]
- Spiridonov, E.M.; Kulagov, E.A.; Serova, A.A.; Kulikova, I.M.; Korotaeva, N.N.; Sereda, E.V.; Tushentsova, I.N.; Belyakov, S.N.; Zhukov, N.N. Genetic Pd, Pt, Au, Ag, and Rh mineralogy in Noril’sk sulfide ores. Geol. Ore Depos. 2015, 57, 402–432. [Google Scholar] [CrossRef]
- Vymazalová, A.; Laufek, F.; Sluzhenikin, S.F.; Stanley, C.J. Norilskite, (Pd,Ag)7Pb4, a new mineral from Noril’sk -Talnakh deposit, Russia. Miner. Mag. 2017, 81, 531–541. [Google Scholar] [CrossRef]
- McDonald, A.M.; Cabri, L.J.; Stanley, C.J.; Good, D.J.; Redpath, J.; Lane, G.; Spratt, J.; Ames, D.E. Coldwellite, Pd3Ag2S, a new mineral species from the Marathon deposit, Coldwell complex, Ontario, Canada. Can. Miner. 2015, 53, 1–13. [Google Scholar] [CrossRef]
- Törnroos, R.; Vuorelainen, Y. Platinum-group metals and their alloys in nuggets from alluvial deposits in Finnish Lapland. Lithos 1987, 20, 491–500. [Google Scholar]
- Ohnenstetter, M.; Johan, Z.; Fisher, W.; Amosse, J. Platinum-Group Minerals from the Durance River Alluvia, France; Papunen, H., Ed.; Bulletin of the Geological Society of Finland: Espoo, Finland, 1989; Volume 61, p. 46. [Google Scholar]
- Johan, Z.; Ohnenstetter, M.; Fischer, M.; Amossé, J. Platinum-group minerals from the Durance River alluvium, France. Miner. Petrol. 1990, 42, 287–306. [Google Scholar] [CrossRef]
- Tolstykh, N.D.; Krivenko, A.P.; Pospelova, L.N. Unusual compounds of iridium, osmium and ruthenium with selenium, tellurium and arsenic from placers of the Zolotaya River (western Sayans). Zap. Vsesoyuzn. Miner. Obshch. 1997, 126, 23–34. (In Russian) [Google Scholar]
- Sandimirova, E.I.; Sidorov, E.G.; Chubarov, V.M.; Ibragimova, E.K.; Antonov, A.V. Native metals and intermetallic compounds in heavy concentrate halos of the Ol’khovaya-1 River, Kamchatsky Mys Peninsula, eastern Kamchatka. Geol. Ore Depos. 2014, 56, 657–664. [Google Scholar] [CrossRef]
- Oberthür, T.; Melcher, F.; Weiser, T.W. Detrital platinum-group minerals and gold in placers of southeastern Samar Island, Philippines. Can. Miner. 2017, 55, 45–62. [Google Scholar] [CrossRef]
- Tamura, N. XMAS: A Versatile Tool for Analyzing Synchrotron X-ray Microdiffraction Data. In Strain and Dislocation Gradients from Diffraction; Barabash, R., Ice, G., Eds.; Imperial College Press: London, UK, 2014; pp. 125–155. [Google Scholar]
- Okamoto, H.; Chakrabarti, D.J.; Laughlin, D.E.; Massalski, T.B. The Au-Cu (Gold-Copper) system. J. Phase Equilib. 1987, 8, 454–474. [Google Scholar] [CrossRef]
- Bayliss, P. Revised unit-cell dimensions, space group, and chemical formula of some metallic minerals. Can. Miner. 1990, 28, 751–755. [Google Scholar]
- Yu, Z. New data on hongshiite. Bull. Inst. Geol. 1982, 1982, 75–81, (In Chinese with English abstract). Am. Miner. 1984, 69, 411–412. [Google Scholar]
- Yu, Z. New data for hongshiite. Acta Geol. Sin. 2001, 75, 400–403, (In Chinese with English Abstract). [Google Scholar]
- Wyckoff, R.W.G. The Second Edition of Structure of Crystals by Wyckoff Published by The Chemical Catalog Company; INC: New York, NY, USA, 1931; p. 225. [Google Scholar]
- Buisson, G.; Leblanc, M. Gold in mantle peridotites from upper Proterozoic ophiolites in Arabia, Mali, and Morocco. Econ. Geol. 1987, 82, 2091–2097. [Google Scholar] [CrossRef]
- Leblanc, M. Platinum-Group Elements and Gold in Ophiolitic Complexes: Distribution and Fractionation from Mantle to Oceanic Floor. Petrol. Struct. Geol. 1991, 231–260. [Google Scholar] [CrossRef]
- Lamiri, I.; Martínez-Blanco, D.; Abdelbaky, M.S.M.; Mari, D.; Hamana, D.; García-Granda, S. Investigation of the order–disorder phase transition series in AuCu by in-situ temperature XRD and mechanical spectroscopy. J. Alloys Compd. 2019, 770, 748–754. [Google Scholar] [CrossRef]






| # | 1 | 2 | 3 | 4 | 5 | 6 | 7 | 8 | 9 |
|---|---|---|---|---|---|---|---|---|---|
| Locality | KHL | KHL | KHL | KHL | TUL | SOT | ZOL | KON | KON |
| Au | 55.49–62.27 | 59.69 | 58.46–63.22 | 60.81 | 58.45 | 50.30 | 54.52 | 62.54–72.54 | 66.15 |
| Pt | 13.03–21.24 | 15.23 | 13.79–18.14 | 15.67 | 15.80 | 20.40 | 14.69 | 3.12–11.79 | 8.41 |
| Pd | Bdl | bdl | bdl | bdl | bdl | 5.49 | 1.64 | bdl | bdl |
| Rh | bdl | bdl | bdl | bdl | bdl | bdl | 0.51 | bdl | bdl |
| Ir | bdl | bdl | bdl | bdl | bdl | bdl | 1.96 | bdl | bdl |
| Cu | 23.68–26.07 | 25.43 | 24.10–25.25 | 24.52 | 23.51 | 22.00 | 22.68 | 23.52–24.69 | 24.15 |
| Fe | bdl–0.72 | bdl | bdl | bdl | bdl | 0.66 | bdl | bdl | bdl |
| Ni | Bdl | bdl | bdl | bdl | bdl | 0.60 | bdl | bdl | bdl |
| Atoms per formula unit (per a total of 2 apfu) | |||||||||
| Au | 0.73–0.80 | 0.77 | 0.77–0.83 | 0.80 | 0.79 | 0.66 | 0.75 | 0.84–0.96 | 0.88 |
| Pt | 0.17–0.28 | 0.20 | 0.18–0.24 | 0.21 | 0.22 | 0.27 | 0.20 | 0.04–0.16 | 0.11 |
| Au + Pt | 0.96–1.01 | 0.98 | 0.99-1.02 | 1.00 | 1.01 | 0.92 | 0.95 | 0.98–1.02 | 1.00 |
| Pd | 0 | 0 | 0 | 0 | 0 | 0.13 | 0.04 | 0 | 0 |
| Rh | 0 | 0 | 0 | 0 | 0 | 0 | 0.01 | 0 | 0 |
| Ir | 0 | 0 | 0 | 0 | 0 | 0 | 0.03 | 0 | 0 |
| Cu | 0.96–1.04 | 1.02 | 0.98–1.01 | 1.00 | 0.99 | 0.89 | 0.97 | 0.98–1.02 | 1.00 |
| Fe | 0–0.03 | 0 | 0 | 0 | 0 | 0.03 | 0 | 0 | 0 |
| Ni | 0 | 0 | 0 | 0 | 0 | 0.03 | 0 | 0 | 0 |
| h | k | l | d(obs.) | I(rel.) |
|---|---|---|---|---|
| 0 | 0 | 1 | 3.63819 | 9.5 |
| 1 | 0 | 0 | 2.79045 | 16.1 |
| 1 | 0 | 1 | 2.21541 | 100 |
| 1 | 1 | 0 | 1.97535 | 34.1 |
| 1 | 1 | 1 | 1.73554 | 28.8 |
| 1 | 0 | 2 | 1.52408 | 20.1 |
| 2 | 0 | 0 | 1.39583 | 16.1 |
| 1 | 1 | 2 | 1.33812 | 56.9 |
| 2 | 0 | 1 | 1.30304 | 32.1 |
| 2 | 1 | 0 | 1.24814 | 12.5 |
| 2 | 1 | 1 | 1.1808 | 46.5 |
© 2019 by the authors. Licensee MDPI, Basel, Switzerland. This article is an open access article distributed under the terms and conditions of the Creative Commons Attribution (CC BY) license (http://creativecommons.org/licenses/by/4.0/).
Share and Cite
Barkov, A.Y.; Tamura, N.; Shvedov, G.I.; Stan, C.V.; Ma, C.; Winkler, B.; Martin, R.F. Platiniferous Tetra-Auricupride: A Case Study from the Bolshoy Khailyk Placer Deposit, Western Sayans, Russia. Minerals 2019, 9, 160. https://doi.org/10.3390/min9030160
Barkov AY, Tamura N, Shvedov GI, Stan CV, Ma C, Winkler B, Martin RF. Platiniferous Tetra-Auricupride: A Case Study from the Bolshoy Khailyk Placer Deposit, Western Sayans, Russia. Minerals. 2019; 9(3):160. https://doi.org/10.3390/min9030160
Chicago/Turabian StyleBarkov, Andrei Y., Nobumichi Tamura, Gennadiy I. Shvedov, Camelia V. Stan, Chi Ma, Björn Winkler, and Robert F. Martin. 2019. "Platiniferous Tetra-Auricupride: A Case Study from the Bolshoy Khailyk Placer Deposit, Western Sayans, Russia" Minerals 9, no. 3: 160. https://doi.org/10.3390/min9030160
APA StyleBarkov, A. Y., Tamura, N., Shvedov, G. I., Stan, C. V., Ma, C., Winkler, B., & Martin, R. F. (2019). Platiniferous Tetra-Auricupride: A Case Study from the Bolshoy Khailyk Placer Deposit, Western Sayans, Russia. Minerals, 9(3), 160. https://doi.org/10.3390/min9030160

