Renewable Energy System on Frequency Stability Control Strategy Using Virtual Synchronous Generator
Abstract
1. Introduction
2. Literature Review
3. Virtual Synchronous Generator Model
3.1. Virtual Inertia and Damping Characteristics
3.2. Virtual Primary Frequency Modulation and Virtual Secondary Frequency Modulation
3.3. Inverter Model
3.4. Virtual Controller Design
3.4.1. Structure Design of Virtual Controller
3.4.2. Parameter Design of Virtual Controller
- Example description
- 2.
- Whale Optimization Algorithm
- Initialization of algorithm, number of iterations, population size, and other parameters related to the operation of initialization algorithm.
- Population initialization, set the initialization population. The optimal individual of each iteration cycle is recorded.
- Update iteratively, update each individual according to the algorithm update method described, and calculate the fitness of each individual.
- Update the parameters such as the optimal individual and the number of iterations. When the end condition is reached, go to step (5), otherwise, return to step (3).
- The optimal solution of the optimization problem is obtained.
4. Test Verification
4.1. Model Description
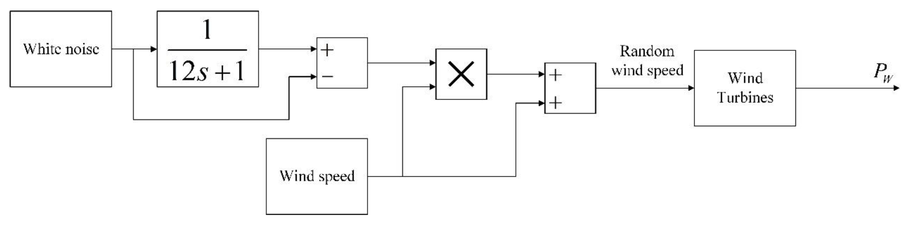
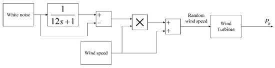
4.1.1. Wind Farm
4.1.2. Photovoltaic Power Plant
4.1.3. Load Model
4.2. Microgrid System
4.2.1. System Configuration
4.2.2. Whale Optimization Algorithm Application
4.3. Egyptian Power System
4.3.1. System Configuration
4.3.2. Application of WOA
5. Results
5.1. Evaluation of System Performance in High Inertia Environment
5.1.1. Step Load Test
5.1.2. Random Load Disturbance Test
5.2. Evaluation of System Performance in Low Inertia Environment
5.2.1. Step Load Test
5.2.2. Random Load Disturbance Test
5.3. Egyptian Power System Test
5.3.1. Step Load Test
5.3.2. Random Load Disturbance Test
6. Conclusions
Author Contributions
Funding
Conflicts of Interest
References
- Awad, N.H.; Ali, M.Z.; Mallipeddi, R.; Suganthan, P.N. An efficient Differential Evolution algorithm for stochastic OPF based active–reactive power dispatch problem considering renewable generators. Appl. Soft Comput. J. 2019, 76, 445–458. [Google Scholar] [CrossRef]
- Elsisi, M. New design of adaptive model predictive control for energy conversion system with wind torque effect. J. Clean. Prod. 2019, 240. [Google Scholar] [CrossRef]
- Mahbub, M.S.; Wagner, M.; Crema, L. Incorporating domain knowledge into the optimization of energy systems. Appl. Soft Comput. J. 2016, 47, 483–493. [Google Scholar] [CrossRef]
- Preda, S.; Oprea, S.-V.; Bâra, A.; Belciu (Velicanu), A. PV forecasting using support vector machine learning in a big data analytics context. Symmetry 2018, 10, 748. [Google Scholar] [CrossRef]
- Karasoy, A.; Akcay, S. Effects of renewable energy consumption and trade on environmental pollution. Manag. Environ. Qual. Int. J. 2019, 30, 437–455. [Google Scholar] [CrossRef]
- Anastasiadis, A.; Kondylis, G. Hydrothermal coordination in power systems with large-scale integration of renewable energy sources. Manag. Environ. Qual. Int. J. 2016, 27, 246–258. [Google Scholar] [CrossRef]
- Shankar, R.; Srinivas, T. Investigation on aqua-ammonia based solar cooling cogeneration plant. Manag. Environ. Qual. Int. J. 2016, 27, 36–44. [Google Scholar] [CrossRef]
- Stritih, U.; Paksoy, H.; Turgut, B.; Osterman, E.; Evliya, H.; Butala, V. Sustainable energy management: Solar energy and thermal storage technologies in two Mediterranean countries. Manag. Environ. Qual. Int. J. 2015, 26, 764–790. [Google Scholar] [CrossRef]
- Gholami, K.; Dehnavi, E. A modified particle swarm optimization algorithm for scheduling renewable generation in a micro-grid under load uncertainty. Appl. Soft Comput. J. 2019, 78, 496–514. [Google Scholar] [CrossRef]
- Selim, A.; Kamel, S.; Jurado, F. Efficient optimization technique for multiple DG allocation in distribution networks. Appl. Soft Comput. J. 2019. [Google Scholar] [CrossRef]
- Yao, Y.; Ye, L.; Qu, X.; Lu, P.; Zhao, Y.; Wang, W.; Fan, Y.; Dong, L. Coupled model and optimal operation analysis of power hub formulti-heterogeneous energy generation power system. J. Clean. Prod. 2019. [Google Scholar] [CrossRef]
- Ogbonnaya, C.; Turan, A.; Abeykoon, C. Novel thermodynamic efficiency indices for choosing an optimal location for large-scale photovoltaic power generation. J. Clean. Prod. 2019. [Google Scholar] [CrossRef]
- Teimourzadeh, S.; Aminifar, F.; Davarpanah, M. Micro-grid dynamic security: Challenges, solutions and key considerations. Electr. J. 2017, 30, 43–51. [Google Scholar] [CrossRef]
- Teimourzadeh, S.; Aminifar, F.; Davarpanah, M.; Shahidehpour, M. Adaptive control of micro-grid security. IEEE Trans. Smart Grid 2018, 9, 3909–3910. [Google Scholar] [CrossRef]
- Tabar, V.S.; Jirdehi, M.A.; Hemmati, R. Sustainable planning of hybrid micro-grid towards minimizing environmental pollution, operational cost and frequency fluctuations. J. Clean. Prod. 2018, 203, 1187–1200. [Google Scholar] [CrossRef]
- Shi, K.; Song, W.; Xu, P.; Liu, R.; Fang, Z.; Ji, Y. Low-voltage ride-through control strategy for a virtual synchronous generator based on smooth switching. IEEE Access 2017, 6, 2703–2711. [Google Scholar] [CrossRef]
- Shi, K.; Ye, H.; Song, W.; Zhou, G. Virtual inertia control strategy in micro-grid based on virtual synchronous generator technology. IEEE Access 2018, 6, 27949–27957. [Google Scholar] [CrossRef]
- Sedighizadeh, M.; Esmaili, M.; Mousavi-Taghiabadi, S.M. Optimal energy and reserve scheduling for power systems considering frequency dynamics, energy storage systems and wind turbines. J. Clean. Prod. 2019, 228, 314–358. [Google Scholar] [CrossRef]
- Gandhi, P.R.; Joshi, S.K. Smart control techniques for design of TCSC and PSS for stability enhancement of dynamical power system. Appl. Soft Comput. J. 2014, 24, 654–668. [Google Scholar] [CrossRef]
- Hao, X.H.; Wang, H.M.; Peng, B.; Yao, Z.; Wang, Y.X.; Gu, M.F. Research on the virtual synchronous generator control strategy of grid-connected permanent-magnet direct-driven wind power system. Therm. Sci. 2018, 22, S401–S408. [Google Scholar] [CrossRef]
- Hirase, Y.; Abe, K.; Sugimoto, K.; Sakimoto, K.; Bevrani, H.; Ise, T. A novel control approach for virtual synchronous generators to suppress frequency and voltage fluctuations in micro-grids. Appl. Energy 2018, 210. [Google Scholar] [CrossRef]
- Navid, N.; Masoud, B.S. Implementing virtual synchronous generator to load-frequency control with penetration of wind turbine considering limitation of storage system capacity. In Proceedings of the 26th Iranian Conference on Electrical Engineering, Mashhad, Iran, 8–10 May 2018; pp. 1280–1285. [Google Scholar] [CrossRef]
- Rakhshani, E.; Remon, D.; Mir Cantarellas, A.; Rodriguez, P. Analysis of derivative control based virtual inertia in multi-area high-voltage direct current interconnected power systems. IET Gener. Transm. Distrib. 2016, 10, 1458–1469. [Google Scholar] [CrossRef]
- Wang, D.; Zhang, B.; Qiu, D.; Xie, F. On the Super-Lorenz Chaotic Model for the Virtual Synchronous Generator. IEEE Trans. Circuits Syst. II Express Br. 2018, 65, 511–515. [Google Scholar] [CrossRef]
- Bao, G.Q.; Tan, H.T.; Ding, K.; Ma, M.; Wang, N.B. A novel photovoltaic virtual synchronous generator control technology without energy storage systems. Energies 2019, 12, 2240. [Google Scholar] [CrossRef]
- Yan, X.; Li, J.; Wang, L.; Zhao, S.; Li, T.; Lv, Z.; Wu, M. Adaptive-MPPT-based control of improved photovoltaic virtual synchronous generators. Energies 2018, 11, 1834. [Google Scholar] [CrossRef]
- Wu, W.-W.; Lee, Y.-T.; Tseng, M.-L.; Chiang, Y.-H. Data mining for exploring hidden patterns between KM and its performance. Knowl. Based Syst. 2010, 23, 397–401. [Google Scholar] [CrossRef]
- Zheng, T.; Chen, L.; Guo, Y.; Mei, S. Flexible unbalanced control with peak current limitation for virtual synchronous generator under voltage sags. J. Mod. Power Syst. Clean Energy 2018, 6, 61–72. [Google Scholar] [CrossRef]
- Zhao, F.; Zeng, G.Q.; Lu, K.D. EnLSTM-WPEO: Short-term traffic flow prediction by ensemble LSTM, NNCT weight integration, and population extremal optimization. IEEE Trans. Veh. Technol. 2020, 69, 101–113. [Google Scholar] [CrossRef]
- Zeng, G.Q.; Xie, X.Q.; Chen, M.R.; Weng, J. Adaptive population extremal optimization-based PID neural network for multivariable nonlinear control systems. Swarm Evol. Comput. 2019, 44, 320–334. [Google Scholar] [CrossRef]
- Jeng, S.-Y.; Lin, C.W.; Tseng, M.; Jantarakolica, T. Cradle-to-cradle zero discharge production planning system for the pulp and paper industry using a fuzzy hybrid optimization model. Manag. Environ. Qual. Int. J. 2020, 31, 3, 645–663. [Google Scholar] [CrossRef]
- Magdy, G.; Mohamed, E.A.; Shabib, G.; Elbaset, A.A.; Mitani, Y. SMES based a new PID controller for frequency stability of a real hybrid power system considering high wind power penetration. IET Renew. Power Gener. 2018, 12, 1304–1313. [Google Scholar] [CrossRef]
- Li, X.; Chen, G.Z.; Ali, M.S. Improved virtual synchronous generator with transient damping link and its seamless transfer control for cascaded H-bridge multilevel converter-based energy storage system. IET Electr. Power Appl. 2019, 13, 1535–1543. [Google Scholar] [CrossRef]
- Chen, J.R.; O’Donnelll, T. Analysis of virtual synchronous generator control and its response based on transfer functions. IET Power Electron. 2019, 12, 2965–2977. [Google Scholar] [CrossRef]
- Shuai, Z.; Shen, C.; Liu, X.; Li, Z.; John Shen, Z. Transient angle stability of virtual synchronous generators using lyapunov’s direct method. IEEE Trans. Smart Grid 2019, 10, 4648–4661. [Google Scholar] [CrossRef]
- Zhao, L.; Zhou, X. Forecasting electricity demand using a new grey prediction model with smoothness operator. Symmetry 2018, 10, 693. [Google Scholar] [CrossRef]
- Du, W.; Fu, Q.; Wang, H.F. power system small-signal angular stability affected by virtual synchronous generators. IEEE Trans. Power Syst. 2019, 34, 3209–3219. [Google Scholar] [CrossRef]
- Shi, R.L.; Zhang, X.; Hu, C.; Xu, H.Z.; Gu, J.; Cao, W. Self-tuning virtual synchronous generator control for improving frequency stability in autonomous photovoltaic-diesel micro-grids. J. Mod. Power Syst. Clean Energy 2018, 6, 482–494. [Google Scholar] [CrossRef]
- Magdy, G.; Shabib, G.; Elbaset, A.A.; Mitani, Y. Renewable power systems dynamic security using a new coordination of frequency control strategy based on virtual synchronous generator and digital frequency protection. Electr. Power Energy Syst. 2019, 109, 351–368. [Google Scholar] [CrossRef]
- Hu, P.; Chen, H.K.; Cao, K.; Hu, Y.C.; Kai, D.; Chen, L.; Wang, Y. Coordinated control of multiple virtual synchronous generators in mitigating power oscillation. Energies 2018, 11, 2788. [Google Scholar] [CrossRef]
- Ding, X.Y.; Lan, T.X.; Dong, H.N. Control strategy and stability analysis of virtual synchronous generators combined with photovoltaic dynamic characteristics. J. Power Electron. 2019, 19, 1270–1277. [Google Scholar] [CrossRef]
- Zhang, Y.Y.; Zhu, J.Z.; Dong, X.Y.; Zhao, P.C.; Ge, P.; Zhang, X.L. A control strategy for smooth power tracking of a grid-connected virtual synchronous generator based on linear active disturbance rejection control. Energies 2019, 12, 3024. [Google Scholar] [CrossRef]
- Wang, X.; Sun, D. Multi-objective self-synchronised virtual synchronous generator in unbalanced power grid. Electron. Lett. 2018, 54, 779–781. [Google Scholar] [CrossRef]
- Shi, K.; Zhou, G.; Xu, P.; Ye, H.; Tan, F. The integrated switching control strategy for grid-connected and islanding operation of micro-grid inverters based on a virtual synchronous generator. Energies 2018, 11, 1544. [Google Scholar] [CrossRef]
- Fang, J.Y.; Tang, Y.; Li, H.C.; Li, X.Q. A battery/ultracapacitor hybrid energy storage system for implementing the power management of virtual synchronous generators. IEEE Trans. Power Electron. 2018, 33, 2820–2824. [Google Scholar] [CrossRef]
- Asrari, A.; Mustafa, M.; Ansari, M.; Khazaei, J. Impedance analysis of virtual synchronous generator-based vector controlled converters for weak AC grid integration. IEEE Trans. Sustain. Energy 2019, 10, 1481–1490. [Google Scholar] [CrossRef]
- Zheng, X.M.; Wang, C.; Pang, S.N. Injecting positive-sequence current virtual synchronous generator control under unbalanced grid. IET Renew. Power Gener. 2019, 13, 165–170. [Google Scholar] [CrossRef]
- Zeng, H.H.; Su, H.S. Self-adaptive control of rotor inertia for virtual synchronous generator in an isolated micro-grid. J. Phys. Conf. Ser. 1187 2019, 022007. [Google Scholar] [CrossRef]
- Liu, J.; Miura, Y.; Ise, T. Fixed-parameter damping methods of virtual synchronous generator control Using State feedback. IEEE Access 2019, 7, 99177–99190. [Google Scholar] [CrossRef]
- Cao, Y.J.; Wang, W.Y.; Li, Y.; Tan, Y.; Chen, C.; He, L.; Hager, U.; Rehtanz, C. A Virtual Synchronous Generator Control Strategy for VSC-MTDC Systems. IEEE Trans. Energy Convers. 2018, 33, 750–761. [Google Scholar] [CrossRef]
- Yu, Y.J.; Hu, X.Y. Active disturbance rejection control strategy for grid-connected photovoltaic inverter based on virtual synchronous generator. IEEE Access 2019, 7, 17328–17336. [Google Scholar] [CrossRef]
- Chen, M.R.; Zeng, G.Q.; Xie, X.Q. Population extremal optimization-based extended distributed model predictive load frequency control of multi-area interconnected power systems. J. Frankl. Inst. 2018, 355, 8266–8295. [Google Scholar] [CrossRef]
- Lu, K.; Zhou, W.; Zeng, G.; Zheng, Y. Constrained population extremal optimization-based robust load frequency control of multi-area interconnected power system. Int. J. Electr. Power Energy Syst. 2019, 105, 249–271. [Google Scholar] [CrossRef]
- Mirjalili, S.; Lewis, A. The Whale Optimization Algorithm. Adv. Eng. Softw. 2016, 95, 51–67. [Google Scholar] [CrossRef]
- MEHC. Annual Report of Egypt Electricity 2016/2017; Egyptian Electricity Holding Company: Cairo Governorate, Egypt, 2018. [Google Scholar]















| Parameter | Value | Parameter | Value |
|---|---|---|---|
| 12 | 5 | ||
| 1.23 | 21 | ||
| 5905 | 0.02 | ||
| 0.39 | 43.36 | ||
| 116 | 22.50 | ||
| 0.40 |
| Parameter | Value | Parameter | Value |
|---|---|---|---|
| 0.42 | 0.92 | ||
| 0.05 | 10.50 | ||
| 0.10 | 0.05 | ||
| 0.42 | 0.05 | ||
| 0.082 | 0.02 | ||
| 0.015 | 0.20 |
| Parameter | Search Agent Number | Maximum Iterations | Probability Coefficient |
|---|---|---|---|
| Value | 30 | 10 | 0.50 |
| Parameter | K1 | K2 | K3 |
|---|---|---|---|
| Value | 38 | 52 | 77 |
| Parameter | Value | Parameter | Value | Parameter | Value |
|---|---|---|---|---|---|
| 5.71 | 1 | 0.14 | |||
| 0.03 | 0.50 | 71.25 | |||
| 0.40 | 2.50 | 5.91 | |||
| 0.40 | 2.50 | 6.10 | |||
| 90 | 1 | 0.90 | |||
| 5 | 0.25 | 10.40 | |||
| 6 | 0.61 | 0.04 |
| Parameter | K1 | K2 | K3 |
|---|---|---|---|
| Value | 23 | 41 | 56 |
Publisher’s Note: MDPI stays neutral with regard to jurisdictional claims in published maps and institutional affiliations. |
© 2020 by the authors. Licensee MDPI, Basel, Switzerland. This article is an open access article distributed under the terms and conditions of the Creative Commons Attribution (CC BY) license (http://creativecommons.org/licenses/by/4.0/).
Share and Cite
Li, L.; Li, H.; Tseng, M.-L.; Feng, H.; Chiu, A.S.F. Renewable Energy System on Frequency Stability Control Strategy Using Virtual Synchronous Generator. Symmetry 2020, 12, 1697. https://doi.org/10.3390/sym12101697
Li L, Li H, Tseng M-L, Feng H, Chiu ASF. Renewable Energy System on Frequency Stability Control Strategy Using Virtual Synchronous Generator. Symmetry. 2020; 12(10):1697. https://doi.org/10.3390/sym12101697
Chicago/Turabian StyleLi, Lingling, Hengyi Li, Ming-Lang Tseng, Huan Feng, and Anthony S. F. Chiu. 2020. "Renewable Energy System on Frequency Stability Control Strategy Using Virtual Synchronous Generator" Symmetry 12, no. 10: 1697. https://doi.org/10.3390/sym12101697
APA StyleLi, L., Li, H., Tseng, M.-L., Feng, H., & Chiu, A. S. F. (2020). Renewable Energy System on Frequency Stability Control Strategy Using Virtual Synchronous Generator. Symmetry, 12(10), 1697. https://doi.org/10.3390/sym12101697

