Prediction Method for the Complete Characteristic Curves of a Francis Pump-Turbine
Abstract
:1. Introduction
2. Mathematical Model
3. COP Set Analysis
3.1. Point Sets Oi and Ci
3.2. Point Sets Ai and Ri
3.3. Point Sets B1i and B2i
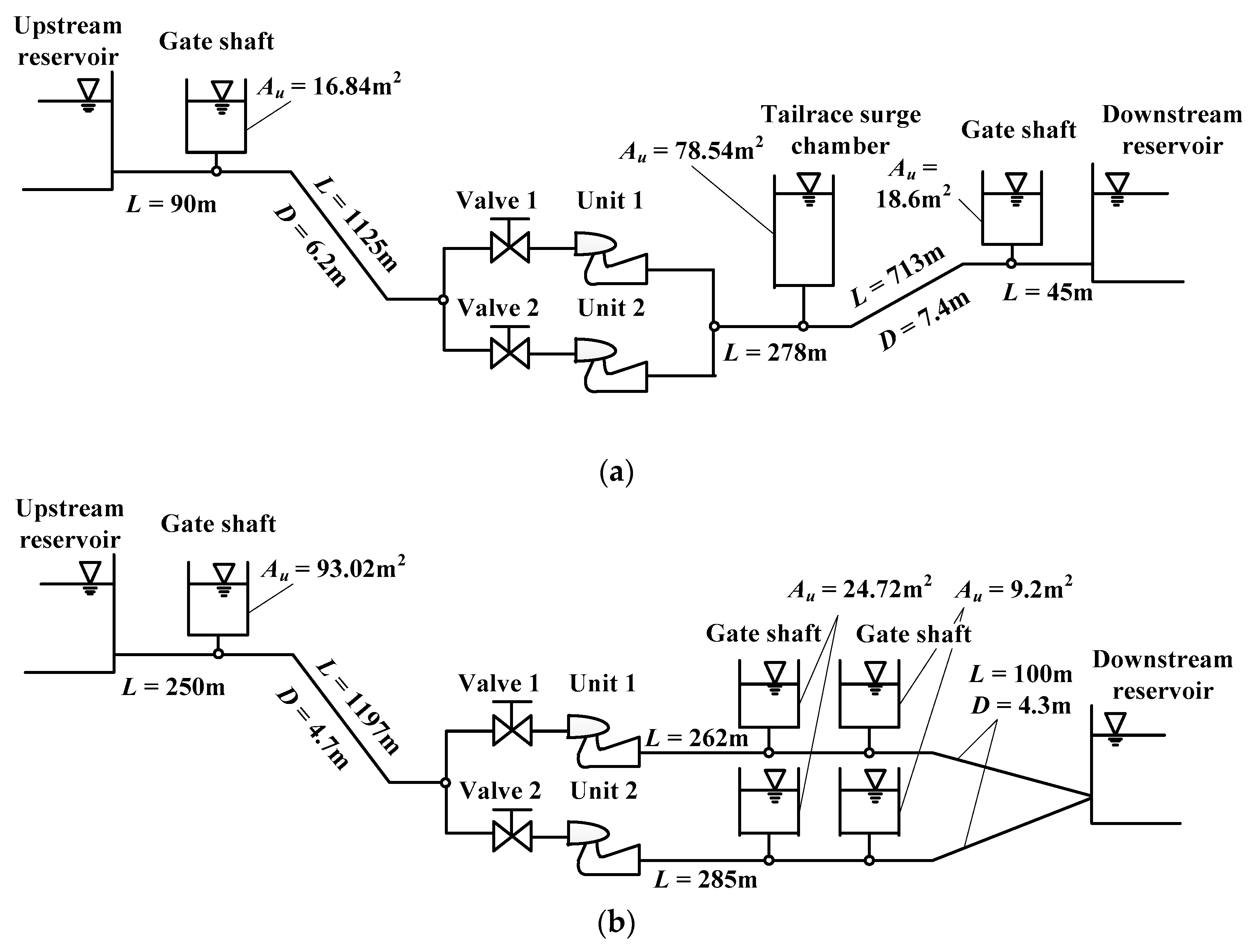
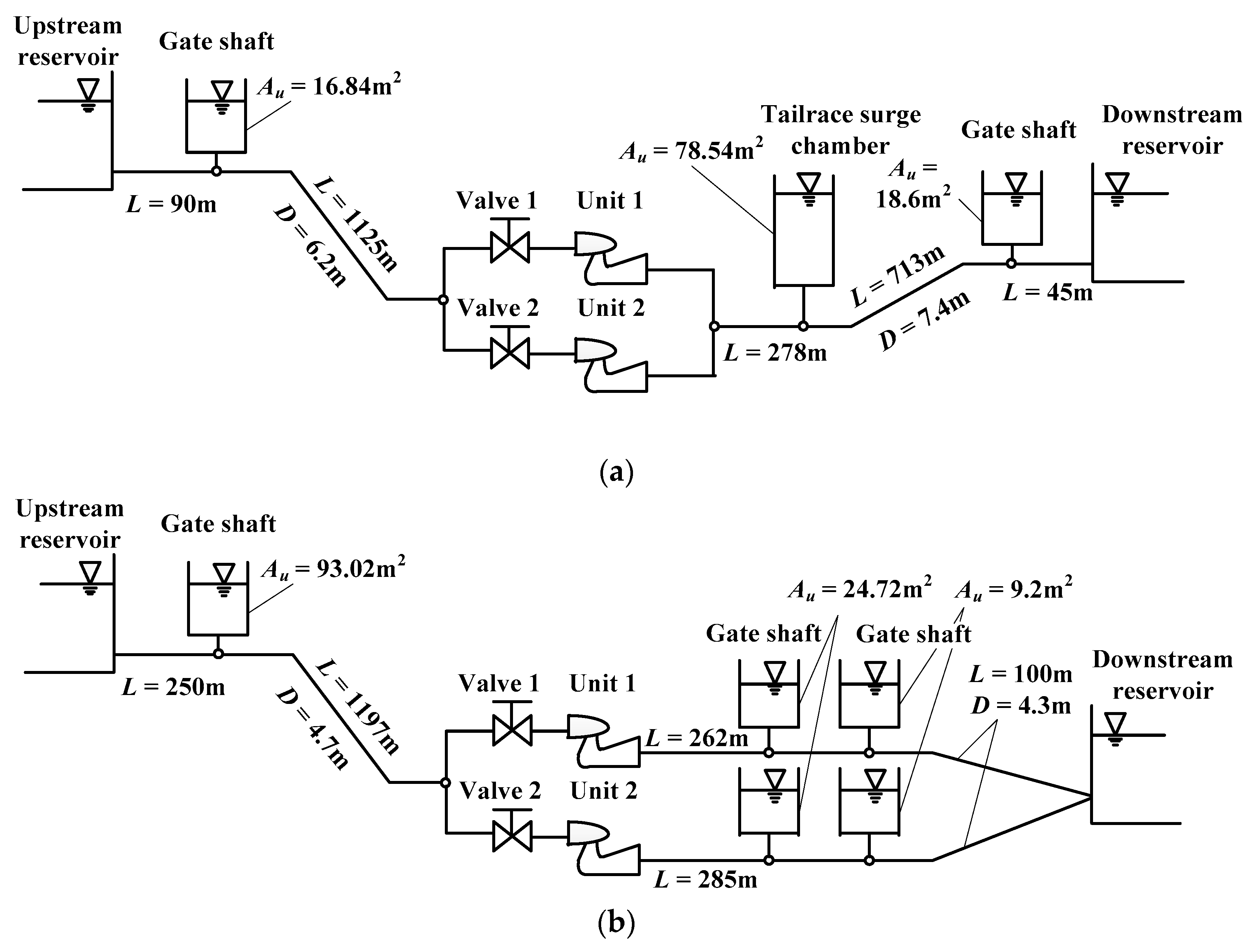
4. Case Study and Discussion
5. Conclusions
- Under the condition that the characteristic parameters of all COPs are known, the predicted OOC is in high-precision agreement with the measured data. This indicates that the mathematical model for predicting the complete characteristics is valid and feasible. The key to ensuring prediction precision is the accurate location of each COP set. The higher the positioning accuracy of the COP sets, the higher the prediction accuracy. Therefore, in the model test of the complete characteristic curves, it is even possible to test only these characteristic working conditions to speed up the model test process.
- Using the relational model of the characteristic parameters of the COP sets with specific speed and the relative GVO we proposed, the predicted complete characteristic curves match well with the measured characteristics, even at small opening degrees. Due to the limited collection of Francis pump-turbines, the relational model in Table 2 is valid within the range of 0.43 to 0.87 of the specific speed. In theory, the classification and statistics of different pump-turbine manufacturers can improve the prediction accuracy.
- The 1D simulation results of the simultaneous load rejection obtained by using the prediction characteristics match well with the results corresponding to the measured complete characteristics. The minimum pressures at the draft tube inlet are almost identical, and the differences of the maximum speed rises are less than 8%. For the maximum head rises at the spiral case inlet, there is less than 4.4% relative deviation. This method is effective and sufficient for a priori simulations before obtaining the measured characteristics and provides important support for the preliminary design of PSPPs.
Acknowledgments
Author Contributions
Conflicts of Interest
Nomenclature
| PSPP | pumped-storage power plant |
| COP | characteristic operating curve |
| GVO | guide vane opening |
| OOC | optimal opening curve |
| T | hydraulic torque, N∙m |
| Q | diversion flowrate, m3/s |
| H | pump turbine working head, m |
| N | rotational speed, rpm |
| Vu | peripheral component of absolute velocity, m/s |
| Vm | meridional flow velocity, m/s |
| U | peripheral velocity, m/s |
| A | section area, m2 |
| absolute flow angle, ° | |
| relative flow angle, ° | |
| r | radius, m |
| γ | bulk density of water, N/m3; correction factor in the mathematical model |
| ω | angular velocity of rotation, rad/s |
| flow density, kg/m3 | |
| g | gravitational acceleration, m/s2 |
| η | working efficiency |
| speed factor | |
| discharge factor | |
| torque factor | |
| D | diameter, m |
| K | hydraulic loss coefficient |
| n | rotational speed, rad/s; relative rotational speed |
| P | effective power, MW |
| GD2 | moment of inertia, t·m2 |
| NQE | specific speed |
| τ | relative opening of guide vane |
| a | guide vane opening, m |
Subscripts
| T | pump-turbine in the turbine mode |
| P | pump-turbine in the pump mode |
| O | best efficiency point in the turbine mode |
| r | rated condition |
| u | upstream reservoir |
| d | downstream reservoir |
| min. | minimum value |
| max. | maximum value |
| nor | normal value |
| 1 | runner inlet |
| 2 | runner outlet |
References
- Kerensky, G. Adapting pump storage plant to meet grid emergencies. In International Symposium on Water Hammer in Pumped Storage Projects; Gibson, W.L., Streeter, V.L., Eds.; American Society of Mechanical Engineers: New York, NY, USA, 1965; pp. 24–33. [Google Scholar]
- Guittet, M.; Capezzali, M.; Gaudard, L.; Romerio, F.; Vuille, F.; Avellan, F. Study of the drivers and asset management of pumped-storage power plants historical and geographical perspective. Energy 2016, 111, 560–579. [Google Scholar] [CrossRef]
- Steffen, B. Prospects for pumped-hydro storage in Germany. Energy Policy 2012, 45, 420–429. [Google Scholar] [CrossRef]
- Trivedi, C.; Cervantes, M.J.; Gandhi, B.K.; Dahlhaug, O.G. Transient pressure measurements on a high head model Francis turbine during emergency shutdown, total load rejection, and runaway. AMSE J. Fluids Eng. 2014, 136, 121107. [Google Scholar] [CrossRef]
- Pullinger, M.G. Evaluating Hydraulic Transient Analysis Techniques in Pumped-Storage Hydropower Systems. Master’s Thesis, Murdoch University, Perth, Australia, 2011. [Google Scholar]
- Afshar, M.H.; Rohani, M.; Taheri, R. Simulation of transient flow in pipeline systems due to load rejection and load acceptance by hydroelectric power plants. Int. J. Mech. Sci. 2010, 52, 103–115. [Google Scholar] [CrossRef]
- Yang, L.; Chen, N.X. Analysis of relation between characteristics of pump-turbine runner and transition of pumped-storage power station. J. Tsinghua Univ. (Sci. Technol.) 2003, 43, 34–37. [Google Scholar]
- Yang, J.B.; Yang, J.D. B-spline surface construction for the complete characteristics of pump-turbine. In Proceedings of the IEEE Asia-Pacific Power and Energy Engineering Conference (APPEEC), Shanghai, China, 27–29 March 2012; pp. 1–5. [Google Scholar]
- Mei, Z.Y. Pumped Storage Power Generation Technology; Machinery Industry Press: Beijing, China, 2000. [Google Scholar]
- Lu, Y.M.; Pan, J.Z. Pumped Storage Power Plants; Water Resources and Electric Power Press: Beijing, China, 1992. [Google Scholar]
- Krivchenko, G.I. Transient Process of Power Installation of Hydropower Station; Water Conservancy Press: Beijing, China, 1981. [Google Scholar]
- Gryanko, L.P. Reversible Hydraulic Machinery; Water Resources and Electric Power Press: Beijing, China, 1987. [Google Scholar]
- Martin, C.S.; Horlacher, H. Conversion of pump-turbine characteristics at zero flow, locked rotor position and runaway condition. In Proceedings of the 15th IAHR Symposium, Belgrade, Yugoslavia, 11–14 September 1990. [Google Scholar]
- Martin, C.S. Evaluation of Pump-Turbine Characteristics for Transient Analysis. In Proceedings of the 13th IAHR Symposium on Press in Technology, Montreal, QC, Canada, 2–5 September 1986. [Google Scholar]
- Liu, J.Y. Study on the Variety of Characteristic Curve and Its Effect on Hydraulic Transient Process in Pumped Storage Plant. Master’s Thesis, Wuhan University, Wuhan, China, 2005. [Google Scholar]
- Zeng, W.; Yang, J.D.; Liu, Y.N. Non-linear statistical analyses on characteristic parameters of pump turbines. Large Electr. Mach. Hydraul. Turbine 2014, 2, 44–48. [Google Scholar]
- Liu, G.L.; Jiang, J.; Fu, X.Q. Predicting complete characteristics of pumps by using BP neural network. J. Wuhan Univ. Hydraul. Electr. Eng. 2000, 2, 37–39. [Google Scholar]
- Zhu, M.L.; Zhang, X.H.; Zhang, Y.H.; Wang, T. Study on prediction model of complete characteristic curves of centrifugal pumps. J. Northwest A F Univ. (Nat. Sci. Ed.) 2006, 4, 143–146. [Google Scholar]
- Hu, X.Y.; Yu, B.; Guo, J.; Wang, S.K. Visualization for predictable model of complete characteristic curve of pump. Fluid Mach. 2012, 3, 37–39. [Google Scholar]
- Ji, X.Y.; Lai, X. Numerical simulation of the S-shaped characteristics of the pump-turbine. J. Hydrodyn. 2011, 26, 318–326. [Google Scholar]
- Ji, X.Y. Research on the ‘S’ Characteristics of Prediction Methods of the Pump turbine. Ph.D. Thesis, Wuhan University, Wuhan, China, 2013. [Google Scholar]
- Cavazzini, G.; Covi, A.; Pavesi, G.; Ardizzon, G. Analysis of the unstable behavior of a pump-turbine in turbine mode: Fluid-dynamical and spectral characterization of the S-shape characteristic. ASME J. Fluid Eng. 2015, 138, 21105. [Google Scholar] [CrossRef]
- Li, J.W.; Hu, Q.J.; Yu, J.X.; Li, Q.Z. Study on S-shaped characteristic of Francis reversible unit by on-site test and CFD simulation. Sci. China Technol. Sci. 2013, 56, 2163–2169. [Google Scholar] [CrossRef]
- Chang, J.S. Analysis of whole characteristic curve and their special condition points in mixed-flow pump-turbine. J. Beijing Agric. Eng. Univ. 1995, 4, 77–83. [Google Scholar]
- Chang, J.S. Transients of Hydraulic Machine Installations; Higher Education Press: Beijing, China, 2005. [Google Scholar]
- Nielsen, T.K.; Olimstad, G. Dynamic behaviour of reversible pump-turbines in turbine mode of operation. In Proceedings of the International Symposium on Transport Phenomena and Dynamics of Rotating Machine, Honolulu, HI, USA, 4–7 April 2010. Paper ID-No. 60. [Google Scholar]
- Zhu, Y.P.; Shi, X.Y.; Zhou, L.J. Study on complete characteristic curves based on internal characteristic. J. China Agric. Univ. 2006, 11, 88–91. [Google Scholar]
- Zeng, W.; Yang, J.D.; Chen, Y.G. Construction of pump-turbine characteristics at any specific speed by domain-partitioned transformation. ASME J. Fluid Eng. 2015, 137, 31103. [Google Scholar] [CrossRef]
- Zeng, W.; Yang, J.D.; Chen, Y.G.; Guo, W. Formulae for the intersecting curves of pump-turbine characteristic curves with coordinate planes in three-dimensional parameter space. Proc. Inst. Mech. Eng. Part A J. Power Energy 2015, 229, 324–336. [Google Scholar] [CrossRef]
- Hasmatuchi, V. Hydrodynamics of a Pump-Turbine Operating at Off-Design Conditions in Generating Mode. Ph.D. Thesis, École Polytechnique Fédérale de Lausanne (EPFL), Lausanne, Switzerland, 2012. [Google Scholar]
- Olimstad, G.; Nielsen, T.K.; Børresen, B. Dependency on runner geometry for reversible-pump turbine characteristics in turbine mode of operation. J. Fluids Eng. 2012, 134, 121102. [Google Scholar] [CrossRef]
- Olimstad, G. Characteristics of Reversible-Pump Turbines. Ph.D. Thesis, The Norwegian University of Science and Technology (NTNU), Trondheim, Norway, 2012. [Google Scholar]
- Nicolet, C. Hydroacoustic Modelling and Numerical Simulation of Unsteady Operation of Hydroelectric Systems. Ph.D. Thesis, École Polytechnique Fédérale de Lausanne (EPFL), Lausanne, Switzerland, 2007. [Google Scholar]
- International Electrotechnical Committee (IEC). Hydraulic Turbines, Storage Pumps and PumpTurbines–Model Acceptance Tests, 2nd ed.; International Standard IEC 60193; IEC: Geneva, Switzerland, 1999. [Google Scholar]
- Jain, S.V.; Swarnkar, A.; Motwani, K.H.; Patel, R.N. Effects of impeller diameter and rotational speed on performance of pump running in turbine mode. Energy Convers. Manag. 2015, 89, 808–824. [Google Scholar] [CrossRef]
- Walseth, E.C.; Nielsen, T.K.; Svingen, B. Measuring the dynamic characteristics of a low specific speed pump-turbine model. Energies 2016, 9, 199. [Google Scholar] [CrossRef]
- Li, X.Q.; Chang, J.S.; Li, C.S.; Chen, P.; Tang, X.L. Hydraulic transient controlling rules coupled with ball-valve and guide-vane in pumped storage power station. J. Hydraul. Eng. 2014, 45, 220–226. [Google Scholar]
- Susan-Resiga, R.F.; Muntean, S.; Avellan, F.; Anton, I. Mathematical modelling of swirling flow in hydraulic turbines for the full operating range. Appl. Math. Model. 2011, 35, 4759–4773. [Google Scholar] [CrossRef]
- Ješe, U. Numerical Study of Pump-Turbine Instabilities: Pumping Mode Off-Design Conditions. Ph.D. Thesis, University Grenoble Alpes, Grenoble, France, 2015. [Google Scholar]
- Hasmatuchi, V.; Farhat, M.; Roth, S.; Botero, F.; Avellan, F. Experimental evidence of rotating stall in a pump-turbine at off-design conditions in generating mode. ASME J. Fluid Eng. 2011, 133, 51104. [Google Scholar] [CrossRef]
- Xiao, Y.X.; Wang, Z.W.; Zhang, J.; Luo, Y. Numerical predictions of pressure pulses in a Francis pump turbine with misaligned guide vanes. J. Hydrodyn. Ser. B 2014, 26, 250–256. [Google Scholar] [CrossRef]
- Zhang, H.; Chen, D.Y.; Wu, C.Z.; Wang, X.; Lee, J.; Jung, K. Dynamic modeling and dynamical analysis of pump-turbines in S-shaped regions during runaway operation. Energy Convers. Manag. 2017, 138, 375–382. [Google Scholar] [CrossRef]
- Nicolet, C.; Avellan, F.; Allenbach, P.; Sapin, A. New tool for the simulation of transient phenomena in Francis turbine power plants. In Proceedings of the Hydraulic Machinery and Systems 21st IAHR Symposium, Lausanne, Switzerland, 9–12 September 2002. [Google Scholar]
- Nicolet, C.; Avellan, F.; Allenbach, P.; Alain, S. Simulation of transient phenomena in Francis turbine power plants: Hydroelectric interaction. In Proceedings of the Waterpower XIII, Advancing Technology for Sustainable Energy, Buffalo, NY, USA, 29–31 July 2003. [Google Scholar]












| Serial Number | Installed Capacity (MW) | Hr (m) | Qr (m3/s) | Nr (rpm) | Runner Inlet Diameter (m) | Runner Outlet Diameter (m) | NQE |
|---|---|---|---|---|---|---|---|
| PSPP1 | 250 × 4 | 190 | 152.15 | 250 | 5.19 | 3.29 | 0.87 |
| PSPP2 | 300 × 4 | 195 | 171.20 | 250 | 5.26 | 3.57 | 0.75 |
| PSPP3 | 300 × 4 | 300 | 118.30 | 300 | 5.04 | 2.70 | 0.65 |
| PSPP4 | 300 × 4 | 308 | 111.36 | 333 | 4.57 | 2.75 | 0.69 |
| PSPP5 | 250 × 4 | 363 | 78.50 | 375 | 4.56 | 2.60 | 0.58 |
| PSPP6 | 300 × 4 | 430 | 79.16 | 428.6 | 4.16 | 2.24 | 0.48 |
| PSPP7 | 375 × 4 | 447 | 96.60 | 375 | 4.86 | 2.54 | 0.52 |
| PSPP8 | 300 × 6 | 526 | 67.70 | 500 | 4.03 | 2.05 | 0.58 |
| PSPP9 | 300 × 6 | 600 | 57.80 | 500 | 4.23 | 2.00 | 0.51 |
| PSPP10 | 300 × 4 | 640 | 54.10 | 500 | 4.27 | 1.94 | 0.43 |
| COPs | Functional Form of Characteristic Parameters | a | b |
|---|---|---|---|
| Oi | 2.26 ± 0.12 | 0.50 ± 0.19 | |
| 0.13 ± (5.00 × 10−3) | 1.71 ± 0.09 | ||
| 0.05 ± (2.80 × 10−3) | 1.63 ± 0.14 | ||
| Ci | −2.32 ± 0.12 | −0.87 ± 0.20 | |
| −0.13 ± 0.02 | 1.84 ± 0.28 | ||
| 0.05 ± (5.30 × 10−3) | 1.72 ± 0.26 | ||
| Ai | / | / | |
| 0.11 ± (6.10 × 10−3) | 1.35 ± 0.12 | ||
| 0.05 ± (3.30 × 10−3) | 1.34 ± 0.13 | ||
| Ri | 2.66 ± 0.28 | 1.34 ± 0.46 | |
| 0.06 ± (4.20 × 10−3) | 1.98 ± 0.17 | ||
| / | / | ||
| B1i | −2.43 ± 0.09 | −0.31 ± 0.14 | |
| / | / | ||
| 0.02 ± (2.00 × 10−3) | 2.22 ± 0.24 | ||
| B2i | 2.41 ± 0.44 | 1.54 ± 0.71 | |
| / | / | ||
| −0.02 ± (4.40 × 10−3) | 1.89 ± 0.53 |
| Pump Turbines | NQE | Hr (m) | Qr (m3/s) | Nr (rpm) | Runner Inlet Diameter (m) | Runner Outlet Diameter (m) | Guide Vane Height (mm) | Number of Guide Vanes | Number of Blades |
|---|---|---|---|---|---|---|---|---|---|
| Xianju | 0.52 | 447 | 96.6 | 375 | 4.86 | 2.54 | 424.2 | 20 | 9 |
| Xilongchi | 0.43 | 640 | 54.1 | 500 | 4.27 | 1.94 | 298.0 | 20 | 7 |
| COPs | Xianju | Xilongchi | ||||
|---|---|---|---|---|---|---|
| C | −2. 7982 | −0.0433 | 0.0176 | −2.7919 | −0.0292 | 0.0116 |
| D | −2.7208 | −0.0373 | 0.0156 | −2.6859 | −0.0193 | 0.0090 |
| B1 | −2.6435 | 0.0000 | 0.0057 | −2.5800 | 0.0000 | 0.0036 |
| E | −1.3217 | 0.0378 | 0.0180 | −1.2900 | 0.0279 | 0.0125 |
| A | 0.0000 | 0.0457 | 0.0227 | 0.0000 | 0.0325 | 0.0158 |
| O | 2.4956 | 0.0431 | 0.0162 | 2.4910 | 0.0302 | 0.0109 |
| R | 3.3806 | 0.0174 | 0.0000 | 3.3288 | 0.0125 | 0.0000 |
| B2 | 3.2003 | 0.0000 | −0.0050 | 3.1759 | 0.0000 | −0.0046 |
| G | 3.1749 | −0.0040 | −0.0069 | 3.1198 | −0.0076 | −0.0078 |
| I | 3.3071 | −0.0111 | −0.0120 | 3.1926 | −0.0115 | −0.0114 |
| PSPP | Upstream Reservoir | Downstream Reservoir | Unit Parameters |
|---|---|---|---|
| Xianju | Humax = 676.8 m Hunor = 675.0 m Humin = 641.0 m | Hdmax = 213.9 m Hdnor = 208.0 m Hdmin = 178.0 m | Hr = 447 m Qr = 96.6 m3/s Nr = 375 rpm Pr = 382.7 MW GD2 = 9515 t·m2 |
| Xilongchi | Hunor = 1492.5 m Humin = 1467.0 m | Hdnor = 838.0 m Hdmin = 798.0 m | Hr = 640 m Qr = 54.1 m3/s Nr = 500 rpm Pr = 306 MW GD2 = 3800 t·m2 |
| PSPP | Simulation Results | Max. Speed Rise (%) | Max. Head at the Spiral Case Inlet (m) | Min. Head at the Draft Tube Inlet (m) |
|---|---|---|---|---|
| Xianju | With measured curves | 34.6 | 680.38 | 35.05 |
| With predicted curves | 35.6 | 710.57 | 34.99 | |
| Difference (%) | 2.9 | 4.4 | 0.2 | |
| Xilongchi | With measured curves | 34.2 | 940.40 | 36.59 |
| With predicted curves | 31.6 | 943.50 | 33.66 | |
| Difference (%) | 7.6 | 0.3 | 8.0 |
© 2018 by the authors. Licensee MDPI, Basel, Switzerland. This article is an open access article distributed under the terms and conditions of the Creative Commons Attribution (CC BY) license (http://creativecommons.org/licenses/by/4.0/).
Share and Cite
Huang, W.; Yang, K.; Guo, X.; Ma, J.; Wang, J.; Li, J. Prediction Method for the Complete Characteristic Curves of a Francis Pump-Turbine. Water 2018, 10, 205. https://doi.org/10.3390/w10020205
Huang W, Yang K, Guo X, Ma J, Wang J, Li J. Prediction Method for the Complete Characteristic Curves of a Francis Pump-Turbine. Water. 2018; 10(2):205. https://doi.org/10.3390/w10020205
Chicago/Turabian StyleHuang, Wei, Kailin Yang, Xinlei Guo, Jiming Ma, Jue Wang, and Jiazhen Li. 2018. "Prediction Method for the Complete Characteristic Curves of a Francis Pump-Turbine" Water 10, no. 2: 205. https://doi.org/10.3390/w10020205
APA StyleHuang, W., Yang, K., Guo, X., Ma, J., Wang, J., & Li, J. (2018). Prediction Method for the Complete Characteristic Curves of a Francis Pump-Turbine. Water, 10(2), 205. https://doi.org/10.3390/w10020205

