Self-Healing Properties of Water Tree with Microcapsule/Cross-Linked Polyethylene Composite Material Based on Three-Layer Core-Shell Structure
Abstract
1. Introduction
2. Experiment
2.1. Preparation of the Three-Layer Shell Nucleus Microcapsules
- (1)
- Preparation of UF prepolymer modified by nano-SiO2: After the urea was fully solved with deionized water, 37 percent concentration of the formaldehyde solution and nano-SiO2 was added and thoroughly mixed. Triethanolamine (TEA) was slowly added to the mixed solution to adjust the pH until 8~9, and then it was stirred at 70 °C for one hour. After the response, it was cooled to room temperature. The obtained white solution with a certain viscosity is a UF prepolymer modified by nano-SiO2 (UF@SiO2).
- (2)
- Fabrication of single-layer shell nucleus microcapsules: The emulsifier SDBS, catalyst LABSA, and deionized water were fully combined and stirred for half an hour at 40 °C under the water bath. When the system showed a white emulsion, sodium hydroxide (NaOH) solution was slowly added dropwise to increase the pH of the system to 9~10. After the pH was stable, UF water resistance modifier resorcinol, UF curing agent ammonium chloride, and UF prepolymer were added dropwise to the solution. Then, the citric acid was used to reduce the pH of the solution to about 3.0 slowly, and it was kept stirring at 53 °C for three hours. After the reaction, the sample was washed and dried to obtain the single-layer shell nucleus microcapsules.
- (3)
- Preparation of three-layer shell nucleus microcapsules: The repair solution DTMS, emulsifier SDBS, and single-layer shell nucleus microcapsules were thoroughly mixed in deionized water and stirred for half an hour at 40 °C under the water bath. Then, UF water resistance modifier resorcinol, UF curing agent ammonium chloride, and UF@SiO2 prepolymer were added sequentially. After stirring for 3 min, the pH of the mixed solution was gradually reduced to 3.0 with a dilute hydrochloric acid solution. Additionally, the process of adjusting pH should be controlled within 10~20 min. After the pH of the solution was stabilized, it was heated to 53 °C. Under this condition, the reaction was kept for 3 h. After the reaction, the sample was washed and dried to obtain the three-layer shell nucleus microcapsules.
2.2. Fabrication of Three-Layer Shell Nucleus Microcapsules/XLPE Composite Material
2.3. Structural Characteristics of the Three-Layer Shell Nucleus Microcapsules
2.4. Typical Characteristics of the Three-Layer Shell Nucleus Microcapsules/XLPE Composites
2.5. Water Tree Aging Test
2.6. Polarization/Depolarization Current Test
3. Results and Discussion
3.1. Characterization of the Three-Layer Shell Nucleus Microcapsules
3.1.1. Microscopic Observation of Three-Layer Shell Nucleus Microcapsules
3.1.2. Chemical Properties of the Three-Layer Shell Nucleus Microcapsules
3.2. Typical Performance of the Microcapsules/XLPE Composites
3.2.1. Crystallization Characteristics
3.2.2. AC Breakdown Characteristic
3.2.3. Dielectric Properties
3.2.4. Space Charge Characteristics
3.3. Self-Healing Properties of Microcapsules/XLPE Composites for Water Tree Aging
3.3.1. Microscopic Observations of Water Tree Ageing in Composites
3.3.2. Dielectric PDC Response under Step Excitation
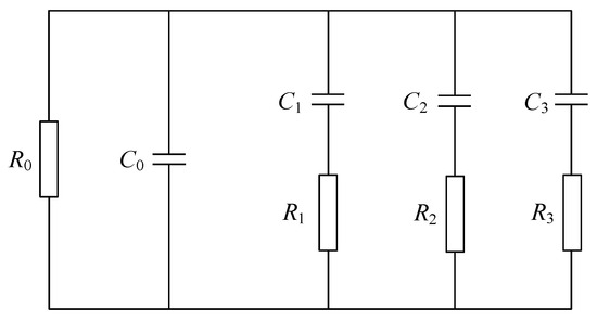
3.3.3. XLPE Material Equivalent Modeling and Aging Factors
3.3.4. PDC Analysis of the Microcapsules/XLPE Composites
4. Conclusions
Author Contributions
Funding
Institutional Review Board Statement
Data Availability Statement
Conflicts of Interest
References
- Zhou, K.; Yuan, H.; Akram, S.; Meng, P.; Mahmood, A.; Aamir, M.; Imran, M. Healing of water tree aged cables using rejuvenation nanofluid. Polym. Test. 2021, 102, 107324. [Google Scholar] [CrossRef]
- Man, D.; Weifeng, H.; Jiahe, W.; Wang, J. Performance Evaluation of Cross-Linked Polyethylene Insulation of Operating 110 kV Power Cables. Polymers 2022, 14, 2282. [Google Scholar]
- Tao, X.; Li, H.; Lin, F.; Tu, J. Crystalline Destruction Caused by Water Tree Growth in Low-density Polyethylene. IEEE Trans. Dielectr. Electr. Insul. 2021, 28, 167–174. [Google Scholar] [CrossRef]
- Zhang, C.; Liu, Y.; Fan, C.; Zhao, H.; Han, B. Effect of antioxidant on water tree characteristic of MPE-XLPE blends. Acta Mater. Compos. Sin. 2023, 40, 3331–3340. [Google Scholar]
- Guo, M.J.; Wang, F.F. Influence of Cable Temperature Rise on PDC Method Test Results of Water Tree Aged Cables. E3S Web Conf. 2021, 261, 01025. [Google Scholar] [CrossRef]
- Wang, H.; Sun, M.; Zhao, K.; Wang, X.; Xu, Q.; Li, C. High-Voltage FDS of Thermally Aged XLPE Cable and Its Correlation with Physicochemical Properties. Polymers 2022, 14, 3519–3520. [Google Scholar] [CrossRef]
- Zheng, X.; Pan, Y.; Sun, W. Water-Tree Characteristics and Its Mechanical Mechanism of Crosslinked Polyethylene Grafted with Polar-Group Molecules. Int. J. Mol. Sci. 2022, 23, 9450–9451. [Google Scholar] [CrossRef] [PubMed]
- Iwata, S.; Uehara, H.; Sekii, Y.; Takada, T. Behavior of water molecules between molecular layers of by-products of dicumyl peroxide or surfactants in an external electric field: Computational insight. Comput. Mater. Sci. 2019, 163, 134–140. [Google Scholar] [CrossRef]
- Wang, W.; Yan, X.; Li, S.; Zhang, L.; Ouyang, J.; Ni, X. Failure of submarine cables used in high-voltage power transmission: Characteristics, mechanisms, key issues and prospects. IET Gener. Transm. Distrib. 2021, 15, 1387–1402. [Google Scholar] [CrossRef]
- Guangya, Z.; Kai, Z.; Gong, W.; He, M.; Kong, J.; Li, K. Inhibition of Rejuvenation Liquid on Trees in XLPE Cables under Switching Impulse Voltages. Energies 2019, 12, 213301–213314. [Google Scholar]
- Uehara, H.; Okamoto, T.; Iwata, S.; Sekii, Y.; Takada, T.; Cao, Y. Intermolecular Interaction and Electric Field Dependence of Reverse Micelle on Water Tree Initiation in Polyethylene. In Proceedings of the 2019 IEEE Conference on Electrical Insulation and Dielectric Phenomena (CEIDP), Richland, WA, USA, 20–23 October 2019; IEEE: Piscataway, NJ, USA, 2020. [Google Scholar]
- Liu, Y.; Zhan, Y.; Tian, L.; Zhao, J.; Sun, J. Study on the anticorrosion and anti-fouling performance of magnetically responsive self-healing polyurethane coatings. Prog. Org. Coat. 2024, 186, 108047. [Google Scholar] [CrossRef]
- Jiang, Q.; Zhou, Q.; Ouyang, X.; Chen, M.; Li, Y.; Luo, Z. Analysis of the Inhibition of Different Dendritic Defects in Cables by Silicone Repair fluid. In Proceedings of the 2020 IEEE International Conference on High Voltage Engineering and Application (ICHVE), Beijing, China, 6–10 September 2020; IEEE: Piscataway, NJ, USA, 2020. [Google Scholar]
- Yang, Y.; Dang, Z.-M.; Li, Q.; He, J. Self-Healing Dielectric Polymers: Self-Healing of Electrical Damage in Polymers (Adv. Sci. 21/2020). Adv. Sci. 2020, 7, 2070120. [Google Scholar] [CrossRef]
- Utrera-Barrios, S.; Verdejo, R.; López-Manchado, M.A.; Santana, M.H. Evolution of self-healing elastomers, from extrinsic to combined intrinsic mechanisms: A review. Mater. Horiz. 2020, 7, 2882–2902. [Google Scholar] [CrossRef]
- Ekeocha, J.; Ellingford, C.; Pan, M.; Wemyss, A.M.; Bowen, C.; Wan, C. Challenges and Opportunities of Self-Healing Polymers and Devices for Extreme and Hostile Environments. Adv. Mater. 2021, 33, 2008052. [Google Scholar] [CrossRef] [PubMed]
- Wang, Y.; Li, Y.; Zhang, Z.; Zhang, Y. Effect of Doping Microcapsules on Typical Electrical Performances of Self-Healing Polyethylene Insulating Composite. Appl. Sci. 2019, 9, 3039. [Google Scholar] [CrossRef]
- Kosarli, M.; Bekas, D.; Tsirka, K.; Paipetis, A.S. Capsule-based self-healing polymers and composites. In Self-Healing Polymer-Based Systems; Elsevier: Amsterdam, The Netherlands, 2020; pp. 259–278. [Google Scholar] [CrossRef]
- White, S.R.; Sottos, N.R.; Geubelle, P.H.; Moore, J.S.; Kessler, M.R.; Sriram, S.R.; Brown, E.N. Autonomic healing of polymer composites. Nature 2001, 409, 794–797. [Google Scholar] [CrossRef]
- Xie, J.; Han, L.; Luo, Z.; Li, Q.; He, J. Microcapsule-Based Autonomous Self-Healing of Electrical Damage in Dielectric Polymers Induced by In Situ Generated Radicals. ACS Appl. Mater. Interfaces 2023, 15, 11185–11192. [Google Scholar] [CrossRef] [PubMed]
- Yang, Y.; He, J.; Li, Q.; Gao, L.; Hu, J.; Zeng, R.; Qin, J.; Wang, S.X. Self-healing of electrical damage in polymers using superparamagnetic nanoparticles. Nat. Nanotech. 2019, 14, 151–155. [Google Scholar] [CrossRef] [PubMed]
- Zhang, Y.; Wang, Y.; Li, Y.; Huang, Z.; Zheng, R.; Tan, Y. Self-healing of mechanical damage of polyethylene/microcapsules electrical insulation compo-site material. Journal of Materials Science. Mater. Electron. 2021, 32, 26329–26340. [Google Scholar] [CrossRef]
- Sima, W.; Liang, C.; Sun, P.; Yang, M.; Zhu, C.; Yuan, T.; Liu, F.; Zhao, M.; Shao, Q.; Yin, Z.; et al. Novel Smart Insulating Materials Achieving Targeting Self-Healing of Electrical Trees: High Performance, Low Cost, and Eco-Friendliness. ACS Appl. Mater. Interfaces 2021, 13, 33485–33495. [Google Scholar] [CrossRef] [PubMed]
- Sima, W.; Shao, Q.; Sun, P.; Liang, C.; Yang, M.; Yin, Z.; Deng, Q. Magnetically gradient-distributed microcapsule/epoxy compo-sites: Low capsule load and highly targeted self-healing performance. Chem. Eng. J. 2021, 405, 126908. [Google Scholar] [CrossRef]
- Zhai, D.; He, Y.; Zhang, X. Preparation, Morphology, and Thermal Performance of Microencapsulated Phase Change Materials with a MF/SiO2 Composite Shell. Energy Fuels 2020, 34, 16819–16830. [Google Scholar] [CrossRef]
- Lu, S.; Liu, J.; Zeng, L.; Ai, L.; Liu, P. Preparation and Characterization of Cyclodextrin Coated Red Phosphorus Double−Shell Microcapsules and Its Application in Flame Retardant Pol-yamide6. Polymers 2022, 14, 4101–4114. [Google Scholar] [CrossRef] [PubMed]
- Costa, M.; Pinho, I.; Loureiro, M.V.; Marques, A.C.; Simões, C.L.; Simoes, R. Optimization of a microfluidic process to encapsulate isocyanate for autoreactive and ecological adhesives. Polym. Bull. 2022, 79, 3951–3970. [Google Scholar] [CrossRef]
- Zhao, L.; Wu, X.; Hu, X.; Zheng, S.; Cao, Z. Enhanced Thermal Conductivity of Phase Change Microcapsules Based on Boron Nitride/Graphene Oxide Composite Sheets. ACS Appl. Polym. Mater. 2023, 5, 3835–3847. [Google Scholar] [CrossRef]
- Kim, J.-W.; Han, S.H.; Choi, Y.H.; Hamonangan, W.M.; Oha, Y.; Kim, S.-H. Recent advances in the microfluidic production of functional microcapsules by multiple-emulsion templating. Lab Chip 2022, 22, 2259–2291. [Google Scholar] [CrossRef] [PubMed]
- Ai, Y.; Li, C.; Zhao, H.; Yang, J.; Zhang, C.; Han, B. Effects of nano SiO2 on AC/DC breakdown strength and electrical treeing resistance of cross-linked polyethylene. Acta Mater. Compos. Sin. 2019, 36, 2031–2041. [Google Scholar]
- Yi, Y.; Zhou, K.; Chen, Z.; Li, T.; Li, S. Study on the long-term effect of long-chain silane repair solution on the repair effect of water tree aged cable. Insul. Mater. 2020, 53, 52–57. [Google Scholar]














| Microcapsule Content/wt% | Tm/°C | Tc/°C | Xc/% |
|---|---|---|---|
| 0.0 wt% | 107.6 | 94.6 | 33.73 |
| 1.0 wt% | 109.5 | 94.1 | 37.31 |
| 2.0 wt% | 107.0 | 94.8 | 37.92 |
| 3.0 wt% | 108.5 | 94.0 | 38.23 |
| 4.0 wt% | 108.0 | 94.6 | 38.62 |
| 5.0 wt% | 108.3 | 95.3 | 37.57 |
| Sample | DC Conductivity/(10−15 S/m) |
|---|---|
| unaged pure XLPE sample | 5.06 |
| unaged microcapsule/XLPE sample | 10.15 |
| aged pure XLPE sample | 214.34 |
| aged microcapsule/XLPE sample | 78.26 |
| Sample | Aging Factor Af |
|---|---|
| unaged pure XLPE sample | 2.14 |
| unaged microcapsule/XLPE sample | 2.18 |
| aged pure XLPE sample | 2.95 |
| aged microcapsule/XLPE sample | 2.66 |
Disclaimer/Publisher’s Note: The statements, opinions and data contained in all publications are solely those of the individual author(s) and contributor(s) and not of MDPI and/or the editor(s). MDPI and/or the editor(s) disclaim responsibility for any injury to people or property resulting from any ideas, methods, instructions or products referred to in the content. |
© 2024 by the authors. Licensee MDPI, Basel, Switzerland. This article is an open access article distributed under the terms and conditions of the Creative Commons Attribution (CC BY) license (https://creativecommons.org/licenses/by/4.0/).
Share and Cite
Zhu, B.; Tao, X.; Sun, H.; Zhu, Y.; He, S.; Han, X. Self-Healing Properties of Water Tree with Microcapsule/Cross-Linked Polyethylene Composite Material Based on Three-Layer Core-Shell Structure. Polymers 2024, 16, 1445. https://doi.org/10.3390/polym16111445
Zhu B, Tao X, Sun H, Zhu Y, He S, Han X. Self-Healing Properties of Water Tree with Microcapsule/Cross-Linked Polyethylene Composite Material Based on Three-Layer Core-Shell Structure. Polymers. 2024; 16(11):1445. https://doi.org/10.3390/polym16111445
Chicago/Turabian StyleZhu, Bo, Xinyu Tao, Hao Sun, Yaqi Zhu, Shengkun He, and Ximu Han. 2024. "Self-Healing Properties of Water Tree with Microcapsule/Cross-Linked Polyethylene Composite Material Based on Three-Layer Core-Shell Structure" Polymers 16, no. 11: 1445. https://doi.org/10.3390/polym16111445
APA StyleZhu, B., Tao, X., Sun, H., Zhu, Y., He, S., & Han, X. (2024). Self-Healing Properties of Water Tree with Microcapsule/Cross-Linked Polyethylene Composite Material Based on Three-Layer Core-Shell Structure. Polymers, 16(11), 1445. https://doi.org/10.3390/polym16111445

