Field-Dependent Pollution Model under Polluted Environments for Outdoor Polymeric Insulators
Abstract
:1. Introduction
2. Materials and Methods
2.1. Experiment Sutep
2.1.1. Basic Insulator Structure
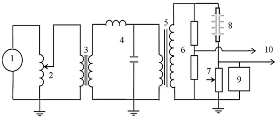
2.1.2. Laboratory Test Setup
2.1.3. Preparation of Artificial Contaminant
2.1.4. Wetting
2.1.5. Test Procedures
2.2. Development of Nonlinear Pollution Model
2.2.1. Dry Bands
2.2.2. Surface Conductance
2.3. Simulation of Polluted Insulator
2.3.1. Material Properties
2.3.2. Finite Element Method (FEM)
3. Results and Discussion
3.1. Experimental Results
3.2. Derivation of Nonlinear Field Dependent Conductivity
3.3. Pollution Model Results under Wet Weather Conditions
3.3.1. Pollution Model Results under Fog
3.3.2. Pollution Model Results under Light Rain
4. Simulation Results
5. Conclusions
Author Contributions
Funding
Institutional Review Board Statement
Informed Consent Statement
Data Availability Statement
Acknowledgments
Conflicts of Interest
References
- Williams, D.L.; Haddad, A.; Rowlands, A.R.; Young, H.M.; Waters, R.T. Formation and characterization of dry bands in clean fog on polluted insulators. IEEE Trans. Dielectr. Electr. Insul. 1999, 6, 724–731. [Google Scholar] [CrossRef]
- Andrew, J.P.; John, K.; Anthony, B.; Burnham, J.; Carreira, A.; Cherney, E. Electric Fields on AC Composite Transmission Line Insulators. IEEE Trans. Power Deliv. 2008, 23, 823–830. [Google Scholar]
- Salem, A.A.; Rahman, R.A.; Jamail, N.A.M.; Othman, N.A.; Ullah, I.; Ahmad, H.B. New Approach for Monitoring Contamination Level on Outdoor Insulator Based on Harmonics Components of the Leakage Current. In Proceedings of the 2021 IEEE International Conference on the Properties and Applications of Dielectric Materials (ICPADM), Johor Bahru, Malaysia, 12–14 July 2021; pp. 418–421. [Google Scholar]
- Mukherjee, P.K.; Ahmed, A.; Singer, H. Electric field distortion caused by asymmetric pollution on insulator surfaces. IEEE Dielectr. Electr. Insul. 1999, 6, 175–180. [Google Scholar] [CrossRef]
- Ali, N.N.; Zainuddin, H.; Razak, J.A.; Abd-Rahman, R. Curing Characteristic Analysis and Leakage Current Performances of Silicone Rubber via Inclined Plane Tracking (IPT) Test. In Proceedings of the 2021 IEEE International Conference on the Properties and Applications of Dielectric Materials (ICPADM), Johor Bahru, Malaysia, 12–14 July 2021; pp. 314–317. [Google Scholar]
- Salem, A.A.; Abd Rahman, R.; Al-Ameri, S. Pollution Flashover Characteristics of High-Voltage Outdoor Insulators: Analytical Study. Arab. J. Sci. Eng. 2021, 9, 1–9. [Google Scholar] [CrossRef]
- Rahman, R.A.; Harid, N.; Haddad, A. Stress control on polymeric outdoor insulators. In Proceedings of the 45th International Universities Power Engineering Conference UPEC2010, Cardiff, UK, 31 August–3 September 2010; pp. 1–4. [Google Scholar]
- Que, W.; Sebo, S.A.; Hill, R.J. Practical Cases of Electric Field Distribution Along Dry and Clean Nonceramic Insulators of High-Voltage Power Lines. IEEE Trans. Power Deliv. 2007, 22, 1070–1078. [Google Scholar] [CrossRef]
- Abd-Rahman, R.; Haddad, A.; Kamarudin, M.S.; Yousof, M.F.M.; Jamail, N.A.M. Dynamic modelling of polluted outdoor insulator under wet weather conditions. In Proceedings of the 2016 IEEE International Conference on Power and Energy (PECon), Melaka, Malaysia, 28–29 November 2016; pp. 610–614. [Google Scholar]
- Ahmed, R.; Kim, T.; Lee, Y.-J.; Jeon, S.; Yi, J.; Choi, I.-H.; Son, J.-A.; Koo, J.-B. Online Condition Monitoring and Leakage Current Effect Based on Local Area Environment. Trans. Electr. Electron. Mater. 2020, 21, 144–149. [Google Scholar] [CrossRef]
- Salem, A.A.; Abd-Rahman, R.; Rahiman, W.; Al-Gailani, S.A.; Al-Ameri, S.M.; Ishak, M.T.; Sheikh, U.U. Pollution Flashover Under Different Contamination Profiles on High Voltage Insulator: Numerical and Experiment Investigation. IEEE Access 2021, 9, 37800–37812. [Google Scholar] [CrossRef]
- Abd Rahman, R.; Haddad, A.; Harid, N. Dynamic nonlinear model for polluted outdoor insulators. In Proceedings of the 7th International Symposium on High Voltage Engineering, Hannover, Germany, 22–26 August 2011; pp. 22–26. [Google Scholar]
- Hussain, S.; Yangb, X.; Aslam, M.K.; Shaheend, A.; Javed, M.S.; Aslamf, N.; Aslamg, B.; Liua, G.; Qiaoa, G. Robust TiN nanoparticles polysulfide anchor for Li–S storage and diffusion pathways using first principle calculations. Chem. Eng. J. 2020, 391, 123595. [Google Scholar] [CrossRef]
- Hussain, S.; Khan, A.J.; Arshad, M.; Javed, M.S.; Ahmad, A.; Shah, S.S.A.; Khan, M.R.; Akram, S.; Ali, Z.S.; Zeid, A.; et al. Charge storage in binder-free 2D-hexagonal CoMoO4 nanosheets as a redox active ma-terial for pseudocapacitors. Ceram. Int. 2021, 47, 8659–8667. [Google Scholar] [CrossRef]
- Wei, H.J.; Jayaram, S.; Cherney, E. A study of electrical stress grading of composite bushings by means of a resistive silicone rubber coating. J. Electrost. 2005, 63, 273–283. [Google Scholar] [CrossRef]
- Asenjo, S.E.; Morales, O.N.; Valdenegro, E.A. Solution of low frequency complex fields in polluted insulators by means of the finite element method. IEEE Trans. Dielectr. Electr. Insul. 1997, 4, 10–16. [Google Scholar] [CrossRef]
- Zeng, R.; Zhang, Y.; Chen, W.; Zhang, B. Measurement of electric field distribution along composite insulators by integrated optical electric field sensor. IEEE Trans. Dielectr. Electr. Insul. 2008, 15, 302–310. [Google Scholar] [CrossRef]
- Salem, A.A.; Abd-Rahman, R.; Al-Ameri, S.; Kamarudin, M.S.; Jamail, N.; Hussin, N.; Zainuddin, H.; Soomro, D.M.; Mizad, M. Effect of Pollution Distribution Scenarioes on Flashover Characteristics on Outdoor Insulators. In Proceedings of the 2020 IEEE Student Conference on Research and Development (SCOReD), Batu Pahat, Malaysia, 27–29 September 2020; pp. 319–324. [Google Scholar]
- Rasolonjanahary, J.; Krähenbühl, L.; Nicolas, A. Computation of electric fields and potential on polluted insulators using a boundary element method. IEEE Trans. Magn. 1992, 28, 1473–1476. [Google Scholar] [CrossRef] [Green Version]
- Yializis, A.; Kuffel, E.; Alexander, P.H. An Optimized Charge Simulation Method for the Calculation of High Voltage Fields. IEEE Trans. Power Appar. Syst. 1978, PAS-97, 2434–2440. [Google Scholar] [CrossRef]
- Salem, A.A.; Abd-Rahman, R.; Al-Gailani, S.A.; Kamarudin, M.S.; Ahmad, H.; Salam, Z. The Leakage Current Components as a Diagnostic Tool to Estimate Contamination Level on High Voltage Insulators. IEEE Access 2020, 8, 92514–92528. [Google Scholar] [CrossRef]
- Salem, A.A.; Abd-Rahman, R. A review of the dynamic modelling of pollution flashover on high voltage outdoor insulators. J. Phys. Conf. Ser. 2019, 1049, 012019. [Google Scholar] [CrossRef] [Green Version]
- Salem, A.A.; Abd-Rahman, R.; Kamarudin, M.S.; Othman, N.A.; Jamail, N.A.M.; Hussin, N.; Hamid, H.A.; Rawi, I.M. Flashover Voltage Prediction on Polluted Cup-Pin the Insulators Under Polluted Conditions. In Proceedings of the 11th National Technical Seminar on Unmanned System Technology 2019; Zain, M.Z., Ahmad, H., Pebrianti, D., Mustafa, M., Abdullah, N.R.H., Samad, R., Noh, M.M., Eds.; Springer Nature: Singapore, 2021. [Google Scholar]
- Abd-Rahman, R.; Haddad, A.; Harid, N. Performance of nonlinear grading coating on polymeric outdoor insulators under lightning impulse voltages. In Proceedings of the 21st International Conference on Electricity Distribution (CIRED), Frankfurt, Germeny, 6–9 June 2011. [Google Scholar]
- Dhahbi, N.; Beroual, A. Computation of electrical potential distribution along insulator covered with thin conductive pollution layer. In Proceedings of the Fourth International Conference on Engineering& MIS 2018, ICEMIS ’18, Istanbul, Turkey, 19–20 June 2018; pp. 1–5. [Google Scholar]
- Abd-Rahman, R.; Haddad, A.; Harid, N.; Griffiths, H. Stress control on polymeric outdoor insulators using Zinc oxide microvaristor composites. IEEE Trans. Dielectr. Electr. Insul. 2012, 19, 705–713. [Google Scholar] [CrossRef]
- Salem, A.A.; Rahman, R.A.; Kamarudin, M.S.; Othman, N.A. Factors and models of pollution flashover on high voltage outdoor insulators: Review. In Proceedings of the 2017 IEEE Conference on Energy Conversion (CENCON), Kuala lampur, Malaysia, 30–31 October 2017; pp. 241–246. [Google Scholar]
- Guia, T.; Khechekhouche, A.; Teguar, M. Experimental study of high voltage insulator under discontinuous pollution and impulse voltage. J. Fundam. Appl. Sci. 2020, 12, 363–477. [Google Scholar]
- Salem, A.A.; Lau, K.Y.; Rahiman, W.; Al-Gailani, S.A.; Abdul-Malek, Z.; Rahman, R.A.; Al-Ameri, S.M.; Sheikh, U.U. Pollution Flashover Characteristics of Coated Insulators under Different Profiles of Coating Damage. Coatings 2021, 11, 1194. [Google Scholar] [CrossRef]
- Espino-Cortes, F.P.; Cherney, E.A.; Jayaram, S. Effectiveness of stress grading coatings on form wound stator coil groundwall insulation under fast rise time pulse voltages. IEEE Trans. Energy Convers. 2005, 20, 844–851. [Google Scholar] [CrossRef]
- Ibrahim, M.E.; Sabiha, N.A.; Izzularab, M.A. Nanofilled nonlinear coating material for improving proactive flashover performance of high voltage insulators. IEEE Trans. Dielectr. Electr. Insul. 2014, 21, 2156–2163. [Google Scholar] [CrossRef]
- El-Hag, A.H.; Jayaram, S.H.; Cherney, E.A. Calculation of current density along insulator surface using field and circuit theory approaches. In Proceedings of the 2003 Annual Report Conference on Electrical Insulation and Dielectric Phenomena, Albuquerque, NM, USA, 19–22 October 2003; pp. 375–378. [Google Scholar]
- Salem, A.A.; Abd-Rahman, R.; Al-Gailani, S.A.; Salam, Z.; Kamarudin, M.S.; Zainuddin, H.; Yousof, M.F. Risk Assessment of Polluted Glass Insulator Using Leakage Current Index Under Different Operating Conditions. IEEE Access 2020, 8, 175827–175839. [Google Scholar] [CrossRef]
- International Electrotechnical Commission. Artificial Pollution Tests on High Voltage Insulators to Be Used on AC Systems, 2nd ed.; IEC Publication 507: Geneva, Switzerland, 1991. [Google Scholar]
- Jafari, A.; Broumand, P.; Vahab, M.; Khalili, N. An eXtended Finite Element Method Implementation in COMSOL Multiphysics: Solid Mechanics. Finite Elem. Anal. Des. 2022, 202, 103707. [Google Scholar] [CrossRef]
- Ahmad, R.; Rahman, R.A.; Salem, A.A.; Jamail, N.A.M.; Rahman, A.A.; Hamid, H.A. Finite Element Analysis of Electric Field Distribution in C4F7N as an Alternative to SF6 For Electrical Insulation. In Proceedings of the 2021 3rd IEEE International Conference on High Voltage Engineering and Power Systems (ICHVEPS), Bandung, Indonesia, 5–6 October 2021; pp. 126–131. [Google Scholar]
















| Parameter | Ins. 1 | Ins. 2 | Ins. 3 | Ins. 4 | Ins. 5 | Standard Deviation |
|---|---|---|---|---|---|---|
| Leakage current (mA) | 0.195 | 0.190 | 0.187 | 0.191 | 0.185 | 0.0039 |
| conductance (µS) | 3.882 | 3.782 | 3.723 | 3.802 | 3.683 | 0.0765 |
Publisher’s Note: MDPI stays neutral with regard to jurisdictional claims in published maps and institutional affiliations. |
© 2022 by the authors. Licensee MDPI, Basel, Switzerland. This article is an open access article distributed under the terms and conditions of the Creative Commons Attribution (CC BY) license (https://creativecommons.org/licenses/by/4.0/).
Share and Cite
Ahmed, R.; Abd Rahman, R.; Jamal, A.; Salem, A.A.; Saman, B.; Lau, K.Y.; Ghoneim, S.S.M. Field-Dependent Pollution Model under Polluted Environments for Outdoor Polymeric Insulators. Polymers 2022, 14, 516. https://doi.org/10.3390/polym14030516
Ahmed R, Abd Rahman R, Jamal A, Salem AA, Saman B, Lau KY, Ghoneim SSM. Field-Dependent Pollution Model under Polluted Environments for Outdoor Polymeric Insulators. Polymers. 2022; 14(3):516. https://doi.org/10.3390/polym14030516
Chicago/Turabian StyleAhmed, Rizwan, Rahisham Abd Rahman, Arshad Jamal, Ali Ahmed Salem, Bander Saman, Kwan Yiew Lau, and Sherif S. M. Ghoneim. 2022. "Field-Dependent Pollution Model under Polluted Environments for Outdoor Polymeric Insulators" Polymers 14, no. 3: 516. https://doi.org/10.3390/polym14030516
APA StyleAhmed, R., Abd Rahman, R., Jamal, A., Salem, A. A., Saman, B., Lau, K. Y., & Ghoneim, S. S. M. (2022). Field-Dependent Pollution Model under Polluted Environments for Outdoor Polymeric Insulators. Polymers, 14(3), 516. https://doi.org/10.3390/polym14030516

