Abstract
In this paper, the results of a study on the influences of different morphologies, types, and sizes of inclusions on the fatigue lives of 20CrMnTi are reported. The results show that the addition of the rare earth element Ce can lead to the formation of spherical CeAlO3-TiN inclusions in 20CrMnTi. The fatigue performance of 20CrMnTi-Ce was significantly improved compared to that of 20CrMnTi. Using the “edge-to-edge matching” crystallographic theory, CeAlO3 was validated as a suitable hetero-nucleus core for TiN, and the following best orientation relationships between them were determined: [010]TiN//[21] CeAlO3&(002) TiN//. The fatigue cycle times of 20CrMnTi-Ce range up to 107, and this value is higher than that of 20CrMnTi without Ce. As the size of the TiN inclusions increases, the maximum stress of the steel matrix also increases. Also, the high-stress and low-life regions noticeably increase, thus increasing the possibility of a fatigue fracture. Under the same sizes of inclusions, the high-stress and low-life regions of square TiN are larger than those of circular TiN.
1. Introduction
As an important mechanical component of power transmission, gear steel is required to have good strength, toughness, and wear resistance due to repeated impacts and alternating stress [1,2,3,4]. In recent years, with the increasing demand for mechanical equipment, the ultra-high cycle fatigue (VHCF) performance of steel materials has become an interesting topic, especially regarding the high-strength steels widely used in key components. The research and development of gear steel with high fatigue properties is of great significance for the production of high-end equipment.
In the production of 20CrMnTi, a type of gear steel, Ti inclusions that had large particles and were very angular inevitably formed in the molten steel, and such inclusions were difficult to remove later, leading to the deterioration of the toughness and fatigue resistance of the steel [5]. The large, hard, and brittle nonmetallic oxide inclusions in the gear steel had a great influence on the fatigue properties [6,7]. Sakai et al. [8,9] compared the causes of fatigue crack induction during the rotation and bending of similar rigid materials and found that internal defects caused by inclusions could lead directly to fatigue crack production. Rare earth (RE) elements can purify molten steel and modify irregular inclusions into relatively regular RE inclusions. It has been proven that the size of inclusions can also be significantly reduced with the addition of an appropriate amount of RE [10,11,12]. Ahn et al. [13] showed that Gd not only played a positive role in the cleanliness of the analyzed steel but also reduced the size of the inclusions in their study of duplex stainless steel. Bao et al. [14] studied the nucleation behaviors of the sulfide inclusions in H13 steel after the addition of the rare earth element Ce and found that the most effective nucleation size of Ce-S was 1–2 μm, followed by 2–3 μm. Additionally, a Ce-S sample larger than 3 μm had the least effect on nucleation. Zheng et al. [15] studied the effects of the addition of Ce on the formation of nitride inclusions in shovel teeth steel and found that the addition of Ce effectively reduced the size of the nitride inclusions. Although scholars have studied the nucleation behavior of inclusions in steel after adding rare earth elements, there are still few reports about TiN inclusions in 20CrMnTi modified by the addition of the rare earth element Ce and its effect on fatigue properties. Therefore, it is of great significance for the production of high-quality gear steels to study the modification behaviors of TiN inclusions and their influence on fatigue properties after the addition of Ce.
In this study, the mechanisms and fatigue properties of the inclusions modified with Ce in 20CrMnTi were analyzed using experimental and numerical simulation methods. The evolution behaviors of the inclusions, such as their morphologies, quantities, and sizes in steel before and after the addition of Ce, are compared and analyzed. The relationships between the inclusions and the fatigue properties of the steel are studied. This study lays the theoretical foundation for the stable, high-quality, and efficient production of high-performance 20CrMnTi gear steel.
2. Materials and Methods
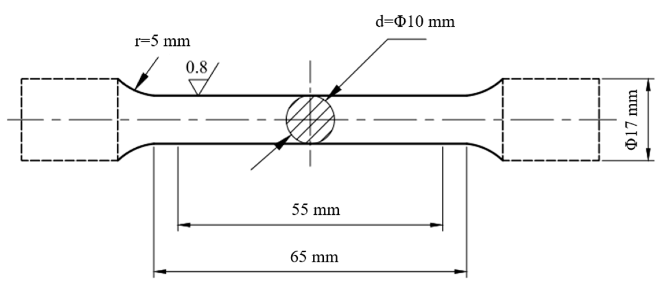
In order to study the inclusions and fatigue properties of the analyzed steels before and after the addition of Ce, comparative studies of 20CrMnTi and 20CrMnTi-Ce were carried out. The weight percentages of the main constituent chemicals are given in Table 1. Before hot rolling, the ingot size was 250 mm × 150 mm × 80 mm, while after hot rolling, the ingot size was 40 mm × 40 mm × 1500 mm. All specimens were obtained on the rolled ingot. The austenitization temperature and time were 1200 °C and 20 min, respectively. The austenitized specimens were then quenched in water at room temperature. The tempering temperature and time of the specimens were 180 °C and 80 min, respectively. High-frequency fatigue tests were conducted on the specimens at room temperature using POWER SWING MOT at 100 kN (Bao gang Group, Baotou, China) with a stress ratio R = −1 and a resonant frequency of 75 Hz. The yield strengths of 20CrMnTi and 20CrMnTi-Ce were 780.75 MPa and 781.25 MPa, respectively. Alternating axial loads with 750 MPa were applied in the experiments. The geometry and dimensions of the fatigue specimen are shown in Figure 1. During the fatigue experiments, 8 samples were used to test both 20CrMnTi and 20CrMnTi-Ce, so there were 16 samples in total. 20CrMnTi sample numbers were #1 to #8, and the 20CrMnTi-Ce sample numbers were #9 to #16.
Table 1.
Chemical compositions of the steels.
Figure 1.
The geometry and dimensions of the fatigue specimen.
Before the fatigue tests, while oriented perpendicular to the rolling direction, metallographic samples were selected, and the types, sizes, and distributions of the inclusions were characterized using scanning electron microscopy (SEM) and an energy spectrometer (EDX). The Aspex Explorer software (Explorer 4) was used to analyze the inclusions in the steels that were larger than 0.5 µm, with a statistical area of 15.5 mm2. After the fatigue tests, the inclusions on the surfaces of the failed samples were characterized using SEM. The inclusion elements on the fractured surfaces were characterized using EDX.
The equivalent finite element models of the inclusions in 20CrMnTi were established using Abaqus software, and the physical properties of the inclusions were incorporated into the models. The influences of the types, sizes, morphologies, and distributions of the inclusions on high-stress concentration regions were analyzed. Combined with the results of the fatigue experiments, the influences of the inclusions on the fatigue properties of the steels were analyzed.
3. Results and Discussion
3.1. Compositions of Inclusions in the Steels
The inclusions in 20CrMnTi were analyzed using scanning electron microscopy (SEM, ZEISS, Oberkochen, Germany) and energy dispersive X-ray spectroscopy (EDS, ZEISS, Oberkochen, Germany). As shown in Figure 2a, the main types of the inclusions were Al2O3, TiN, and Al2O3-TiN, which were mostly square or strip-shaped, with a size larger than 3 μm. In addition to Al2O3, TiN, and Al2O3-TiN, large quantities of CeAlO3-TiN inclusions were generated in 20CrMnTi-Ce, as shown in Figure 2b, and no phenomena wherein Ce had combined with other titanium-containing inclusions were found. The modified CeAlO3 inclusions were smaller (≤2 μm) and more spherical, and these characteristics were previously reported in experiments conducted by other researchers [16].

Figure 2.
(a) Distributions of TiN inclusions in 20CrMnTi. (b) Distributions of CeAlO3-TiN inclusions in 20CrMnTi-Ce. (c) Elemental distributions of CeAlO3-TiN inclusions.
With the help of Aspex Explorer software (Explorer 4), a trace analysis of the inclusions larger than 0.5 µm in the steel was conducted. The statistical results are shown in Figure 3a. Among them, TiN and Al2O3 were the most abundant types of inclusions in 20CrMnTi, accounting for 47% and 34% of the total shares of inclusions, respectively. After adding the rare earth element Ce, the main titanium-containing inclusion in 20CrMnTi-Ce was CeAlO3-TiN, accounting for 63% of the total share of inclusions. From the size distributions of the inclusions shown in Figure 3b, it can be seen that the size fluctuation ranges of CeAlO3-TiN were relatively small and that its average size was the smallest, indicating that the addition of the rare earth element Ce could serve to modify titanium-containing inclusions.
Figure 3.
(a) Comparison of the inclusions in the steels; (b) inclusion sizes.
3.2. Crystallographic Analysis of CeAlO3-TiN Inclusion Formation
Based on the morphology of the CeAlO3-TiN inclusion shown in Figure 2c, it could be speculated that Ce did not directly react with TiN to form a compound. However, it could react with Al2O3 to generate CeAlO3. CeAlO3 could serve as the nucleation site for TiN and eventually lead to the formation of CeAlO3-TiN inclusions. One of the popular views in academia is that high-melting-point rare earth inclusions could act as heterogeneous nucleation cores during the process of liquid steel’s solidification [17,18]. This view has been successfully applied to finding the cores of effective heterogeneous nucleation in magnesium and aluminum alloys [19,20] and predicting the promotional effects of the nuclei on heterogeneous nucleation. In this study, the possibility of CeAlO3 serving as a nucleation site for TiN was determined using the edge-to-edge matching model [21]. A schematic diagram of the E2EM model is shown in Figure 4 [22]. The calculation formulas for the atomic-plane mismatch are presented in Equations (1) and (2).
Figure 4.
Schematic of the edge-to-edge matching model [22].
The calculation formulas for atomic misfit and lattice mismatch are given as follows:
where fr is the atomic misfit, while rA and rB are the atomic distances on the densely packed arrangement of the body phase and core phase during heterogeneous nucleation, respectively.
In the equation above, fd is the lattice mismatch, and dA and dB are the lattice spacings on the densely packed crystal faces of the heterogeneous nucleation body and core.
The atomic misfit probabilities of TiN nucleating with CeAlO3 were calculated as shown in Table 2, Table 3 and Table 4.
Table 2.
Crystal structures, space groups, and lattice parameters of TiN and CeAlO3.
Table 3.
Closed-packed rows (CP row) and closed-packed planes (CP plane) of TiN and CeAlO3.
Table 4.
Calculated misfit and mismatch between TiN and CeAlO3 based on the E2EM model.
According to the matching principles, the orientation relationships between CeAlO3 and TiN were [010]TiN//[21] CeAlO3&(002) TiN//. The calculation results showed that CeAlO3 could serve as a heterogeneous nucleation core for TiN.
3.3. Finite Element Simulations
In this study, the inclusions incorporated in the simulation models were alumina and titanium nitride. The fatigue mechanisms caused by the above inclusions were summarized to further ascertain the stress distributions in the inclusion–steel system, and they provided a theoretical basis for the experimental results. To further investigate the stress distributions and fatigue failure mechanisms, finite element simulations were conducted according to the different sizes and shapes of the inclusions. The mechanical properties of the inclusions and 20CrMnTi in the simulations are shown in Table 5 [23,24]. When the inclusion sizes were 1.5 μm, 3 μm, 5 μm, and 10 μm, the mesh size was uniformly divided by 0.5 μm to ensure the accuracy of the calculation of key areas. In the simulation study in the geometric effects of the TiN inclusions, the total numbers of mesh elements in the models with spherical and square inclusions were 13,736 and 13,318, respectively, and the calculated areas of the model were both 40 × 40 μm2. The cell type of the mesh element was CPS3, which is a three-node linear-plane stress triangle. The generalized Hooke’s law was used in the simulation calculations. A total of 750 MPa of stress was applied to the steel matrix along the X direction.
Table 5.
Mechanical properties of the inclusions and 20CrMnTi [23,24].
3.3.1. Type Effects of the Inclusions
When the Young’s modulus of the inclusions was greater than that of the steel matrix, the strain force of the matrix was greater during the fatigue loading, resulting in stress concentrations on the sides of the inclusions. Taking TiN as an example, under extreme fatigue conditions, the inclusions reached their critical fatigue limits earlier than the steel matrix. As the stress concentrations increased, the TiN inclusions broke before the steel matrix, and such cracks subsequently extended into the steel matrix. These results are consistent with those presented in the study conducted by Chao Gu et al. [25]. Figure 5 illustrates the stress concentrations of TiN and Al2O3 at the same size, which revealed that when they were in the same location, the TiN and Al2O3 inclusions caused similar stress concentrations. Stress was applied on the steel matrix along the X direction. The sizes of the different inclusions were both 5 μm. Generalized Hooke’s law was used in the simulation calculations. The calculation parameters are shown in Table 5. However, the maximum stress caused by TiN was significantly higher than that of Al2O3. Moreover, the high-stress and low-life regions affected by the TiN inclusions also increased significantly.
Figure 5.
Stress concentration distributions: (a) TiN inclusion; (b) Al2O3 inclusion.
3.3.2. Size Effects of TiN Inclusions
Stress concentrations and fatigue life distributions were evaluated by considering the TiN inclusions with radii of 1.5, 3, 5, and 10 μm. As shown in Figure 6 and Table 6, as the size of the TiN inclusions increased, the maximum stress of the steel matrix increased. Also, the number of high-stress and low-life regions noticeably increased, thus increasing the possibility of a fatigue fracture. Therefore, the small TiN inclusions were beneficial for improving fatigue life.
Figure 6.
Stress concentration distributions of TiN inclusions (a) with a size of 1.5 μm; (b) with a size of 3.0 μm; (c) with a size of 5 μm; (d) with a size of 10 μm.
Table 6.
The maximum stresses in the steel matrix.
3.3.3. Geometric Effects of TiN Inclusions
To analyze the geometric effects of the TiN inclusions on the stress concentrations, it was necessary to ensure that the sizes of the square inclusions were the same as those of the circular inclusions. In the simulation models, it was determined that the circular TiN had a diameter of 5 μm, while the square TiN had a side length of 5 μm. The results are shown in Figure 7. Under the same size conditions, the high-stress and low-life regions of the square TiN were greater than those of the circular TiN. Therefore, the effects of the square TiN inclusions on 20CrMnTi were terminally detrimental.
Figure 7.
Stress concentration distributions of the different TiN inclusions: (a) spherical TiN with a radius of 5 μm; (b) square TiN with a side length of 5 μm.
In the present study, CeAlO3-TiN inclusions could not be characterized during the simulation calculations due to the inability to obtain data on the elastic modulus and Poisson’s ratio. However, based on the composition of CeAlO3-TiN, it could be inferred that the stress concentration effects on the steel matrix were weaker than those on the TiN inclusions. Therefore, Ce played a certain role in modifying TiN, which directly affected the fatigue performance of 20CrMnTi. To confirm this hypothesis, high-frequency fatigue tests were performed on 20CrMnTi and 20CrMnTi-Ce.
3.4. Relationships between Inclusions and Fatigue Strengths
Figure 8 shows the inclusion statistics and distributions in samples of the different steels. Figure 9 shows the morphologies of the typical inclusions on the fracture surface of the steel. Axial loads of 750 MPa were applied to the samples in the fatigue tests. the 20CrMnTi sample numbers were #1 to #8, and 20CrMnTi-Ce the sample numbers were #9 to #16. The results showed that the fatigue performance of 20CrMnTi-Ce was significantly improved compared to that of 20CrMnTi. The main inclusions causing fatigue failures in 20CrMnTi were TiN and Al2O3. The main inclusion in 20CrMnTi-Ce was CeAlO3-TiN, and adding Ce led to the formation of spherical CeAlO3-TiN inclusions, which accounted for 63% of the total inclusions. The mean times of the fatigue cycles of 20CrMnTi and 20CrMnTi-Ce were 8.19 × 105 and 5.37 × 106, respectively, and the corresponding standard deviations were 1.60 × 106 and 4.23 × 106, respectively. Although the standard deviation of 20CrMnTi-Ce was higher than that of 20CrMnTi, the minimum times of the fatigue cycles were much higher than those of 20CrMnTi. The fatigue cycle times of the eight samples of 20CrMnTi did not reach 107, while the fatigue cycle times of the three samples of 20CrMnTi-Ce reached 107. Therefore, the fatigue properties of the steel were improved after the addition of Ce. It was also found that the quantities of Al2O3 and Al2O3-TiN inclusions were significantly reduced in 20CrMnTi-Ce compared to 20CrMnTi. The main inclusion morphologies of Al2O3 and Al2O3-TiN on the fatigue fracture surfaces are shown in Figure 9b,c, respectively. Based on the results, we determined that the number of CeAlO3-TiN inclusions was significantly increased in 20CrMnTi-Ce.
Figure 8.
Inclusion statistics and distributions in different samples: (a) 20CrMnTi; (b) 20CrMnTi-Ce.
Figure 9.
Morphologies of inclusions on the fracture surface of 20CrMnTi-Ce. (a) TiN inclusion, (b) Al2O3 inclusion, (c) Al2O3-TiN inclusion, and (d) CeAlO3-TiN inclusion.
4. Conclusions
- (1)
- TiN and Al2O3 are the most abundant types of inclusions in 20CrMnTi, accounting for 47% and 34% of the total share of inclusions, respectively. After adding the rare earth element Ce, the main type of titanium-containing inclusion in 20CrMnTi-Ce was CeAlO3-TiN, accounting for 63% of the total share of inclusions. The addition of Ce can serve the purpose of modifying titanium-containing inclusions.
- (2)
- Using the crystallographic theory of “matching edges”, the matching orientation relationships between CeAlO3 and TiN were calculated as [010]TiN//[21] CeAlO3&(002) TiN//. CeAlO3 can serve as a heterogeneous nucleation core for TiN.
- (3)
- The main sources of fatigue failure in 20CrMnTi were TiN and Al2O3 inclusions. Adding Ce led to the formation of spherical CeAlO3-TiN inclusions in 20CrMnTi. The fatigue cycle times of 20CrMnTi did not reach 107, while the fatigue cycle times of 20CrMnTi-Ce reached 107. The fatigue performance of 20CrMnTi-Ce was significantly better than that of 20CrMnTi.
- (4)
- With the same inclusion sizes, the high-stress and low-life regions of the square TiN were larger than those of the circular TiN. As the sizes of the TiN inclusions increase, the maximum stress of the steel matrix increases. Also, the high-stress and low-life regions noticeably increase, thus increasing the likelihood of a fatigue fracture.
Author Contributions
Conceptualization, J.W.; methodology, J.W., J.P. and Y.L.; software, J.W.; validation, F.Z.; formal analysis, J.W.; investigation, J.W., S.A. and X.Z.; writing—original draft preparation, J.W.; writing—review and editing, J.W.; supervision, S.A. and J.P.; funding acquisition, S.A. and J.P. All authors have read and agreed to the published version of the manuscript.
Funding
This research was funded by National Natural Science Foundation of China, grant number 52264044, 51874186.
Data Availability Statement
Not applicable.
Acknowledgments
The research was supported by the National Natural Science Foundation of China (No. 52264044, No. 51874186).
Conflicts of Interest
The authors declare no conflict of interest.
References
- Hong, Y.S.; Lei, Z.Q.; Sun, C.Q.; Zhao, A.G. Propensities of crack interior initiation and early growth for very-high-cycle fatigue of high strength steels. J. Int. J. Fatigue 2014, 58, 144–151. [Google Scholar] [CrossRef]
- Li, W.; Deng, H.L.; Sun, Z.D.; Zhang, Z.Y.; Lu, L.T.; Sakai, T. Subsurface inclusion induced crack nucleation and growth behaviors of high strength steels under very high cycle fatigue: Characterization and microstructure-based modeling. J. Mater. Sci. Eng. A 2015, 641, 10–20. [Google Scholar] [CrossRef]
- Li, Y.D.; Guo, W.M.; Xu, N.; Wu, X.F.; Shi, J.B.; Ma, H. Crack growth process in GBF area of SUJ2 bearing steel in very high cycle fatigue regime. J. Mater. Sci. Technol. 2013, 29, 1463–1469. [Google Scholar] [CrossRef]
- Yamashita, Y.; Murakami, Y. Small crack growth model from low to very high cycle fatigue regime for internal fatigue failure of high strength steel. J. Int. J. Fatigue 2016, 93, 406–414. [Google Scholar] [CrossRef]
- Ding, W.H.; Li, M.Q. Application of Alloy Elements and Thermomechanical Control Process in Trial production of Pipeline Steel. Mater. Rev. 2007, 21, 67. [Google Scholar]
- Hui, W.J.; Dong, H.; Chen, S.L. Inclusion and surface condition on Fatigue property of High strength spring steel. J. Spec. Steel 1998, 19, 8–14. [Google Scholar]
- Xiang, C.Y. Alloy Structural Steel M.; China Machine Press: Beijing, China, 1999. [Google Scholar]
- Sakai, T.; Sato, Y.; Oguma, N. Characteristic S-N properties of high-carbon-chromium-bearing steel under axial loading in long-life fatigue. Fatigue Fract. Eng. M 2010, 25, 765–773. [Google Scholar] [CrossRef]
- Sakai, T.; Takeda, M.; Shiozawa, K.; Ochi, Y.; Nakajima, M.; Nakamura, Y.; Oguma, N. Experimental reconfirmation of characteristic S-N property for high carbon chromium bearing steel in wide life region in rotating bending. J. Soc. Mater. Sci. Jpn. 2000, 49, 779–785. [Google Scholar] [CrossRef]
- Liu, Y.Q.; Wang, L.J.; Chou, K.C. Effect of cerium on the cleanliness of spring steel used in fastener of high-speed railway. J. Rare Earth 2014, 8, 759–766. [Google Scholar] [CrossRef]
- Liu, H.H.; Fu, P.X.; Liu, H.W.; Sun, C.; Sun, M.Y.; Li, D.Z. A novel large cross-section quenching and tempering mold steel matching excellent strength-hardness-toughness properties. J. Mater. Sci. Eng. A 2018, 737, 274–285. [Google Scholar] [CrossRef]
- Yang, C.Y.; Luan, Y.K.; Li, D.Z.; Li, Y.Y. Effects of rare earth elements on inclusions and impact toughness of high-carbon chromium bearing steel. J. Mater. Sci. Technol. 2019, 35, 1298–1308. [Google Scholar] [CrossRef]
- Ahn, J.H.; Jung, H.D.; Im, J.H.; Jung, K.H.; Moon, B.M. Influence of the addition of gadolinium on the microstructure and mechanical properties of duplex stainless steel. J. Mater. Sci. Eng. A 2016, 658, 255–262. [Google Scholar] [CrossRef]
- Bao, D.H.; Cheng, G.G.; Huang, Y.; Qiao, T.; Dai, W.X. Refinement of solidification structure of H13 steel by rare earth sulfide. Steel Res. Int. 2022, 93, 2100304. [Google Scholar] [CrossRef]
- Zheng, L.L. Development of Mo-Ti-Ce Micro-Alloyed New Air-Cold Bainite Steel for Shovel Teeth; Inner Mongolia University of Science and Technology: Baotou, China, 2020. [Google Scholar]
- Li, H.W.; Yang, J.C.; Zhang, J. Precipitation behaviors of titaniferous inclusions in cerium-containing IF steel. J. Iron Steel Res. 2015, 27, 49–52. [Google Scholar]
- Mu, X.G.; Hideaki, S. Influence of Dissolved Cerium and Primary Inclusion Particles of Ce2O3 and CeS on Solidification Behavior of Fe-0.20 mass%C-0.02 mass%P Alloy. ISIJ Int. 1999, 39, 722–729. [Google Scholar]
- Chen, X.; Li, Y.X.; Zhang, H.M. Microstructure and mechanical properties of high boron white cast iron with about 4 wt% chromium. J. Mater. Sci. 2011, 46, 112–116. [Google Scholar] [CrossRef]
- Qiu, D.; Zhang, M.X.; Taylor, J.A.; Kelly, P.M. A new approach to designing a grain refiner for Mg casting alloys and its use in Mg-Y-based alloys. J. Acta Mater. 2009, 57, 3052–3059. [Google Scholar] [CrossRef]
- Wang, F.; Qiu, D.; Liu, Z.L.; Taylor, J.A.; Easton, M.A.; Zhang, M.X. Crystallographic study of grain refinement of Al by Nb addition. J. Appl. Crystallogr. 2014, 47, 770–779. [Google Scholar] [CrossRef]
- Zhang, M.X.; Kelly, P.M.; Easton, M.A. Crystallographic study of grain refinement in aluminum alloys using the edge-to-edge matching model. J. Acta Mater. 2005, 53, 1427–1438. [Google Scholar] [CrossRef]
- Zhang, M.X.; Kelly, P.M. Crystallographic features of phase transformations in solids. J. Prog. Mater. Sci. 2009, 54, 1101–1170. [Google Scholar] [CrossRef]
- Zhao, H.; Chu, H.D.; Zhang, Z.J. Experimental Study on the Measurement of Poisson’s Ratio of Elastic Modulus to Shear Modulus of 20CrMnTi Alloy Steel. J. Test Technol. Test. Mach. 2003, 4, 23–24. [Google Scholar]
- Brooksbank, D.; Andrews, K.W. Tessellated stresses associated with some inclusions in steel. J. Iron Steel Inst. 1969, 207, 474. [Google Scholar]
- Gu, C.; Liu, W.Q.; Lian, J.H.; Bao, Y.P. In-depth analysis of the fatigue mechanism induced by inclusions for high-strength bearing steels. Int. J. Miner. Metall. Mater. 2021, 28, 826–834. [Google Scholar] [CrossRef]
Disclaimer/Publisher’s Note: The statements, opinions and data contained in all publications are solely those of the individual author(s) and contributor(s) and not of MDPI and/or the editor(s). MDPI and/or the editor(s) disclaim responsibility for any injury to people or property resulting from any ideas, methods, instructions or products referred to in the content. |
© 2023 by the authors. Licensee MDPI, Basel, Switzerland. This article is an open access article distributed under the terms and conditions of the Creative Commons Attribution (CC BY) license (https://creativecommons.org/licenses/by/4.0/).









