Investigation of Halogenated Metallic Phthalocyanine (InPcCl and F16CuPc)-Based Electrodes and Palm Substrate for Organic Solid-State Supercapacitor Fabrication
Abstract
1. Introduction
2. Materials and Methods
3. Results and Discussion
3.1. Characterization of the Electrodes
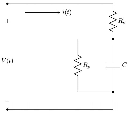
3.2. Parameter Identification of Organic Supercapacitor Devices
4. Conclusions
Author Contributions
Funding
Data Availability Statement
Acknowledgments
Conflicts of Interest
References
- Husain, I. Electric and Hybrid Vehicles: Design Fundamentals; CRC Press: Boca Raton, FL, USA, 2021; Volume 3, 498p. [Google Scholar] [CrossRef]
- Tran, D.D.; Vafaeipour, M.; El Baghdadi, M.; Barrero, J.; Van Mierlo, O.; Hegazy, O. Thorough state-of-the-art analysis of electric and hybrid vehicle powertrains: Topologies and integrated energy management strategies. Renew. Sustain. Energy Rev. 2020, 119, 109596. [Google Scholar] [CrossRef]
- Naseri, F.; Karimi, S.; Farjah, E.; Schaltz, E. Supercapacitor management system: A comprehensive review of modeling, estimation, balancing, and protection techniques. Renew. Sustain. Energy Rev. 2022, 155, 111913. [Google Scholar] [CrossRef]
- Mu, J.; Zhao, Y.; Guo, Z.; Zhang, Z.; Che, H.; Wang, X.; Zhang, G.; Wang, J.; Mu, L.; Wang, J. Rational design of new, efficient, and suitable nickel phthalocyanine reinforced MXene electrodes for supercapacitors. J. Energy Storage 2023, 61, 106768. [Google Scholar] [CrossRef]
- Deyab, M.A.; Mohsen, Q.; Slavcheva, E. Co-phthalocyanin/CNTs nanocomposites: Synthesis, characterizations, and application as an efficient supercapacitor. J. Mol. Liq. 2022, 359, 119319. [Google Scholar] [CrossRef]
- Koçyigit, N.; Arvas, M.B.; Yazar, S.; Açar-Selçuki, N.; Şahin, Y.; Özer, M.; Bekǎroǧlu, Ö. Synthesis and characterization of novel HMPM bridged ball-type metallophthalocyanines, and their DFT studies and electrochemical performance as supercapacitor electrodes. Synth. Met. 2023, 292, 117242. [Google Scholar] [CrossRef]
- Qi, F.; Wang, Y.; Xu, J.; Wang, X.; Wang, J.; Shan, H.; Li, M.; Xu, J. Tetranitro-substituted cobalt phthalocyanine immobilized on reduced graphene oxide as supercapacitor electrode material with enhanced capacitance. Synth. Met. 2023, 293, 117284. [Google Scholar] [CrossRef]
- Arvas, M.B.; Gürsu, H.; Gencten, M.; Sahin, Y. Preparation of different heteroatom doped graphene oxide based electrodes by electrochemical method and their supercapacitor applications. J. Energy Storage 2021, 35, 102328. [Google Scholar] [CrossRef]
- Artar, E.; Arvas, M.B.; Gorduk, O.; Gorduk, S.; Sahin, Y. Facile synthesis strategy for phthalocyanine-titanium dioxide/multi-walled carbon nanotube/poly(3,4-ethylenedioxythiophene) ternary composite electrodes via one-step electrochemical method for supercapacitor applications. Synth. Met. 2023, 297, 117401. [Google Scholar] [CrossRef]
- Arvas, M.B.; Yazar, S.; Sahin, Y. An ultra-high power density supercapacitor: Cu(II) phthalocyanine tetrasulfonic acid tetrasodium salt doped polyaniline. J. Alloys Compd. 2022, 919, 165689. [Google Scholar] [CrossRef]
- Sung, J.; Shin, C. Recent Studies on Supercapacitors with Next-Generation Structures. Micromachines 2020, 11, 1125. [Google Scholar] [CrossRef]
- Zhang, Z.; Hu, X.; Wang, Z.; Sun, F.; Dorell, D.G. A review of supercapacitor modeling, estimation, and applications: A control/management perspective. Renew. Sustain. Energy Rev. 2018, 81, 1868–1878. [Google Scholar] [CrossRef]
- Cantera-Cantera, L.A.; Cervantes, I.; Martinez, M. Heteroscedasticity in supercapacitors under nonlinear operating conditions: Analyzing the efficacy of deterministic parameter identification algorithms. J. Energy Storage 2025, 103, 114189. [Google Scholar] [CrossRef]
- Åström, K.J.; Eykhoff, P. System identification—A survey. Automatica 1971, 7, 123–162. [Google Scholar] [CrossRef]
- Björck, A. Numerical Methods for Least Squares Problems. SIAM 1996, 51, 424. [Google Scholar] [CrossRef]
- Bard, Y. Nonlinear Parameter Estimation; Academic Press: New York, NY, USA, 1974; Volume 1209, 341p. [Google Scholar]
- Katzuyama, Y.; Takehi, T.; Sokabe, S.; Tanaka, M.; Ishizawa, M.; Abe, H.; Watanabe, M.; Honma, I.; Nakayasu, Y. Series module of quinone-based organic supercapacitor (> 6 V) with practical cell structure. Sci. Rep. 2022, 12, 3915. [Google Scholar] [CrossRef]
- Zhu, H.; Xu, R.; Wan, T.; Yuan, W.; Shu, K.; Boonprakob, N.; Zhao, C. Nanocomposites of Conducting Polymers and 2D Materials for Flexible Supercapacitors. Polimers 2024, 16, 756. [Google Scholar] [CrossRef]
- Xiong, Q.; Liu, B.; Liu, Y.; Wang, P.; Cheng, H.; Li, H.; Lu, Z.; Yang, M. In-situ self-templating synthesis of 3D hierarchical porous carbons from oxygen-bridged porous organic polymers for high-performance supercapacitors. Nano Res. 2022, 15, 7759–7768. [Google Scholar] [CrossRef]
- McAllister, B.T.; Schon, T.B.; DiCarmine, P.M.; Seferos, D.S. A study of fused-ring thieno[3,4-e]pyrazinepolymers as n-type materials for organic supercapacitors. Polym. Chem. 2017, 8, 5194–5202. [Google Scholar] [CrossRef]
- Wang, K.B.; Xun, Q.; Zhang, Q. Recent progress in metal-organic frameworks as active materials for supercapacitors. EnergyChem 2020, 2, 100025. [Google Scholar] [CrossRef]
- Sawitri, R.A.; Suryanti, L.; Zuhri, F.U.; Diantoro, M. Dielectric Properties of Dirt Sugarcane Sediment (DSS) Extract-BaTiO3 for Organic Supercapacitors. IOP Conf. Ser. Mater. Sci. Eng. 2019, 515, 012062. [Google Scholar] [CrossRef]
- Figueroa-González, E.; Oliva, A.I.; Rodriguez-Gonzalez, V.; Gomez-Solis, C.; García, C.R.; Oliva, J. Using recycled Tetrapak and Ag/BaMoO4 nanoarticles to make efficient and flexible solid state supercapacitors. J. Energy Storage 2022, 47, 103544. [Google Scholar] [CrossRef]
- Adinaveen, T.; Vijaya, J.J.; Sivakumar, R.; Kennedy, L.J. Structural and electrochemical investigation of waste newspaper based electrodes for supercapacitor applications. Mater. Sci.-Pol. 2016, 34, 302–314. [Google Scholar] [CrossRef][Green Version]
- Flores-Larrea, L.; Rivera-Mayorga, J.A.; Kshetri, Y.K.; Rodriguez-Gonzales, V.; Garcia, C.R.; Lee, S.W.; Oliva, J. Highly efficient textile supercapacitors fabricated with graphene/NiO:Yb electrodes printed on cotton fabric. J. Alloys Compd. 2021, 886, 161219. [Google Scholar] [CrossRef]
- Rotich, G.; Dasalegn, A. Mechanical and Water Absorption Properties of Jute/Palm Leaf Fiber-Reinforced Recycled Polypropylene Hybrid Composites. Int. J. Polym. Sci. 2022, 2022, 4408455. [Google Scholar] [CrossRef]
- Sánchez Vergara, M.E.; Gonzalez Vargas, M.; Sandoval Plata, E.I.; Flores Huerta, A. Chloro-substituted metallo-phthalocyanines (TiPcCl2, MnPcCl, InPcCl, AlPcCl) applied to organic devices. Heliyon 2025, 11, e42697. [Google Scholar] [CrossRef]
- Sánchez-Vergara, M.E.; Rivera, M. Investigation of optical properties of annealed aluminum phthalocyanine derivatives thin films. J. Phys. Chem. Solids 2014, 75, 599–605. [Google Scholar] [CrossRef]
- Rodríguez Gómez, A.; Sánchez-Hernández, C.M.; Fleitman-Levin, I.; Arenas-Alatorre, J.; Alonso-Huitrón, J.C.; Sánchez Vergara, M.E. Optical Absorption and Visible Photoluminescence from Thin Films of Silicon Phthalocyanine Derivatives. Materials 2014, 7, 6585–6603. [Google Scholar] [CrossRef]
- Hamui, L.; Sánchez-Vergara, M.E. Innovative Implementation of an Alternative Tetrathiafulvene Derivative for Flexible Indium Phthalocyanine Chloride-Based Solar Cells. Micromachines 2021, 12, 633. [Google Scholar] [CrossRef]
- Sánchez Vergara, M.E.; Canseco Juárez, M.J.; Ballinas Indili, R.; Carmona Reyes, G.; Álvarez Bada, J.R.; Álvarez Toledano, C. Studies on the Structure, Optical, and Electrical Properties of Doped Manganese (III) Phthalocyanine Chloride Films for Optoelectronic Device Applications. Coatings 2022, 12, 246. [Google Scholar] [CrossRef]
- Murphy, A.R.; Fréchet, J.M.J. Organic Semiconducting Oligomers for Use in Thin Film Transistors. Chem. Rev. 2007, 107, 1066–1096. [Google Scholar] [CrossRef]
- Cantera-Cantera, L.A.; Sanchez-Vergara, M.E.; Hamui, L.; Mejia-Prado, I.; Flores-Huerta, A.; Martinez-Plata, T.L. Analysis of a Flexible Photoconductor, Manufactured with Organic Semiconductor Films. Micromachines 2024, 15, 446. [Google Scholar] [CrossRef] [PubMed]
- Li, C.F.; Zhang, M.; Liu, S.W.; Chiu, T.L.; Lee, J.H. High Photoelectric Conversion Efficiency of Metal Phthalocyanine/Fullerene Heterojunction Photovoltaic Device. Int. J. Mol. Sci. 2011, 12, 476–505. [Google Scholar] [CrossRef] [PubMed]
- Karan, S.; Basak, D.; Mallik, B. Persistence in photoconductivity and optical property of nanostructured copper (II) phthalocyanine thin films. Curr. Appl. Phys. 2010, 10, 1117–1122. [Google Scholar] [CrossRef]
- Wang, J.B.; Li, W.L.; Chu, B.; Lee, C.S.; Su, Z.S.; Zhang, G.; Wu, S.H.; Yan, F. High speed responsive near infrared photodetector focusing on 808 nm radiation using hexadecafluoro–copper–phthalocyanine as the acceptor. Org. Electron. 2011, 12, 34–38. [Google Scholar] [CrossRef]
- Oni, J.; Ozoemena, K.I. Phthalocyanines in batteries and supercapacitors. J. Porphyr. Phthalocyanines 2012, 16, 754–760. [Google Scholar] [CrossRef]
- Wang, Y.; Li, M.; Ramachandran, R.; Shan, H.; Chen, Q.; Luo, A.; Wang, F.; Xu, Z.-X. Peripheral octamethyl-substituted nickel(II)-phthalocyanine-decorated carbon-nanotube electrodes for high-performance all-solid-state flexible symmetric supercapacitors. J. Energy Chem. 2023, 76, 214–225. [Google Scholar] [CrossRef]
- Sharma, A.; Jain, A.; Saxena, S. The structure-activity relationship of some hexacoordinated dimethyltin (IV) complexes of fluorinated β-diketone/β-diketones and sterically congested heterocyclic β-diketones. Appl. Organomet. Chem. 2015, 29, 499–508. [Google Scholar] [CrossRef]
- Kayunkid, N.; Tammarugwattana, N.; Mano, K.; Rangkasikorn, A.; Nukeaw, J. Growth and characterizations of tin-doped nickel-phthalocyanine thin film prepared by thermal co-evaporation as a novel nanomaterial. Surf. Coat. Technol. 2016, 306, 101–105. [Google Scholar] [CrossRef]
- Pirriera, M.D.; Puigdollers, J.; Voz, C.; Stella, M.; Bertomeu, J.; Alcubilla, R. Optoelectronic properties of CuPc thin films deposited at different substrate temperatures. J. Phys. D Appl. Phys. 2009, 42, 145102. [Google Scholar] [CrossRef]
- Scharber, M.C.; Sariciftci, N.S. Low Band Gap Conjugated Semiconducting Polymers. Adv. Mater. Technol. 2021, 6, 2000857. [Google Scholar] [CrossRef]
- Roncali, J. Molecular Engineering of the Band Gap of π-Conjugated Systems: Facing Technological Applications. Macromol. Rapid Commun. 2007, 28, 1761–1775. [Google Scholar] [CrossRef]
- Shalini, S.; Naveen, T.B.; Durgalakshmi, D.; Balakumar, S.; Rakkesh, R.A. Progress in flexible supercapacitors for wearable electronics using graphene-based organic frameworks. J. Energy Storage 2024, 86, 111260. [Google Scholar] [CrossRef]
- Muthu, D.; Dharman, R.K.; Muthu, S.E.; Oh, T.H. Recent developments in metal-organic framework-derived transition metal oxide@ carbon nanostructure and carbon nanostructure for supercapacitor applications. J. Energy Storage 2025, 119, 116365. [Google Scholar] [CrossRef]
- Hou, J.; Ning, Y.; Guo, K.; Jiao, W.; Chen, C.; Zhang, B.; Wu, X.; Zhao, J.; Lin, D.; Sun, S. Application of metal-organic framework materials in supercapacitors. J. Energy Storage 2025, 113, 115535. [Google Scholar] [CrossRef]
- Cantera-Cantera, L.A.; Garrido, R.; Luna, L.; Vargas-Jarillo, C.; Asiain, E. Identification of Linear Time-Invariant Systems: A Least Squares of Orthogonal Distances Approach. Mathematics 2023, 11, 1238. [Google Scholar] [CrossRef]









| Sample | C=C Benzene Stretch (cm−1) | C-C Benzene Stretch (cm−1) | Isoindole Stretch (cm−1) | In-Plane Pyrrole Stretch (cm−1) | C-H Stretch (cm−1) | α-Phase (cm−1) | β-Phase (cm−1) |
|---|---|---|---|---|---|---|---|
| InPcCl film | 1608 | 1542, 1475 | 1410 | 1334 | 1748 | 723 | 774 |
| InPcCl KBr pellet | 1608 | 1541, 1473 | 1419 | 1334 | 1750 | 726 | 771 |
| F16CuPc film | 1618 | 1530, 1495 | 1419 | 1323 | 1750 | - | 771 |
| F16CuPc KBr pellet | 1617 | 1524, 1505 | 1417 | 1319 | 1748 | - | 766 |
| Electrode | Reflectance Maximum (%) | KM Band Gap (eV) |
|---|---|---|
| InPcCl on palm | 26 | 1.86 |
| InPcCl on PET | 36 | 1.93 |
| F16CuPc on palm | 50 | 3.04 |
| F16CuPc on PET | 24 | 3.04 |
| Parameter | Organic Double-Layer Supercapacitor | |||
|---|---|---|---|---|
| Palm SC-T1 | Palm SC-T2 | PET SC-T1 | PET SC-T2 | |
| 45,849.53691 | 84,316.1838 | 1201.52793 | 740.939817 | |
| 45,834.70244 | 84,290.7887 | 170.674715 | 97.3210655 | |
| 0.88007207 | 2.07389841 | 0.74966497 | 0.42602235 | |
| RMSE | ||||
| Parameter | Organic Double-Layer Supercapacitor | |||
|---|---|---|---|---|
| Palm SC-T1 | Palm SC-T2 | PET SC-T1 | PET SC-T2 | |
Disclaimer/Publisher’s Note: The statements, opinions and data contained in all publications are solely those of the individual author(s) and contributor(s) and not of MDPI and/or the editor(s). MDPI and/or the editor(s) disclaim responsibility for any injury to people or property resulting from any ideas, methods, instructions or products referred to in the content. |
© 2025 by the authors. Licensee MDPI, Basel, Switzerland. This article is an open access article distributed under the terms and conditions of the Creative Commons Attribution (CC BY) license (https://creativecommons.org/licenses/by/4.0/).
Share and Cite
Sánchez Vergara, M.E.; Sánchez Moore, H.I.; Cantera-Cantera, L.A. Investigation of Halogenated Metallic Phthalocyanine (InPcCl and F16CuPc)-Based Electrodes and Palm Substrate for Organic Solid-State Supercapacitor Fabrication. Micromachines 2025, 16, 455. https://doi.org/10.3390/mi16040455
Sánchez Vergara ME, Sánchez Moore HI, Cantera-Cantera LA. Investigation of Halogenated Metallic Phthalocyanine (InPcCl and F16CuPc)-Based Electrodes and Palm Substrate for Organic Solid-State Supercapacitor Fabrication. Micromachines. 2025; 16(4):455. https://doi.org/10.3390/mi16040455
Chicago/Turabian StyleSánchez Vergara, María Elena, Héctor Iván Sánchez Moore, and Luis Alberto Cantera-Cantera. 2025. "Investigation of Halogenated Metallic Phthalocyanine (InPcCl and F16CuPc)-Based Electrodes and Palm Substrate for Organic Solid-State Supercapacitor Fabrication" Micromachines 16, no. 4: 455. https://doi.org/10.3390/mi16040455
APA StyleSánchez Vergara, M. E., Sánchez Moore, H. I., & Cantera-Cantera, L. A. (2025). Investigation of Halogenated Metallic Phthalocyanine (InPcCl and F16CuPc)-Based Electrodes and Palm Substrate for Organic Solid-State Supercapacitor Fabrication. Micromachines, 16(4), 455. https://doi.org/10.3390/mi16040455

