Compact Micro-Coriolis Mass-Flow Meter with Optical Readout
Abstract
1. Introduction

2. Operation Principle
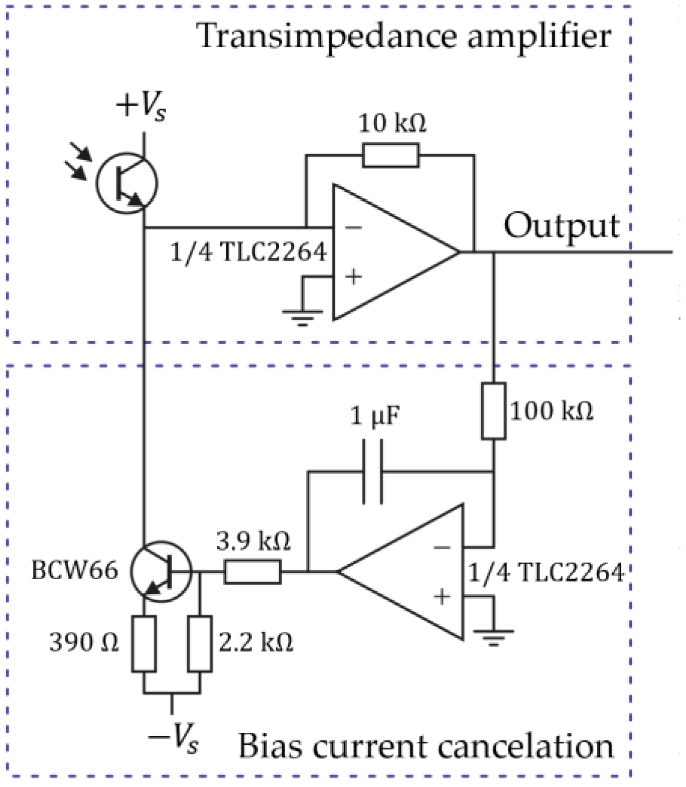
3. Design, Fabrication and Assembly of a Demonstrator Device
4. Measurement Results and Discussion
5. Conclusions
Author Contributions
Funding
Data Availability Statement
Conflicts of Interest
References
- Wang, T.; Baker, R. Coriolis flowmeters: A review of developments over the past 20 years, and an assessment of the state of the art and likely future directions. Flow Meas. Instrum. 2014, 40, 99–123. [Google Scholar] [CrossRef]
- Enoksson, P.; Stemme, G.; Stemme, E. Fluid density sensor based on resonance vibration. Sens. Actuators A Phys. 1995, 47, 327–331. [Google Scholar] [CrossRef]
- Enoksson, P.; Stemme, G.; Stemme, E. A Coriolis mass flow sensor structure in silicon. In Proceedings of the Ninth International Workshop on Micro Electromechanical Systems, San Diego, CA, USA, 11–15 February 1996; pp. 156–161. [Google Scholar]
- Enoksson, P.; Stemme, G.; Stemme, E. A silicon resonant sensor structure for Coriolis mass-flow measurements. J. Microelectro-Mech. Syst. 1997, 6, 119–125. [Google Scholar] [CrossRef]
- Najmzadeh, M.; Haasl, S.; Enoksson, P. A silicon straight tube fluid density sensor. J. Micromech. Microeng. 2007, 17, 1657. [Google Scholar] [CrossRef]
- Zhang, Y.; Tadigadapa, S.; Najafi, N. A micromachined Coriolis-force-based mass flowmeter for direct mass flow and fluid density measurement. In Transducers’01 Eurosensors XV; Springer: Berlin/Heidelberg, Germany, 2001; pp. 1432–1435. [Google Scholar]
- Sparks, D.; Smith, R.; Massoud-Ansari, S.; Najafi, N. Coriolis mass flow, density and temperature sensing with a single vacuum sealed MEMS chip. In Proceedings of the Solid-State Sensor, Actuator and Microsystems Workshop, Hilton Head Island, SC, USA, 6–10 June 2004; Volume 4. [Google Scholar]
- Sparks, D.; Smith, R.; Straayer, M.; Cripe, J.; Schneider, R.; Chimbayo, A.; Anasari, S.; Najafi, N. Measurement of density and chemical concentration using a microfluidic chip. Lab Chip 2003, 3, 19–21. [Google Scholar] [CrossRef] [PubMed]
- Smith, R.; Sparks, D.R.; Riley, D.; Najafi, N. A MEMS-based Coriolis mass flow sensor for industrial applications. IEEE Trans. Ind. Electron. 2008, 56, 1066–1071. [Google Scholar] [CrossRef]
- Monge, R.; Groenesteijn, J.; Alveringh, D.; Wiegerink, R.J.; Lötters, J.; Fernandez, L.J. SU–8 micro Coriolis mass flow sensor. Sens. Actuators B Chem. 2017, 241, 744–749. [Google Scholar] [CrossRef]
- Dijkstra, M.; de Boer, M.J.; Berenschot, J.W.; Lammerink, T.S.; Wiegerink, R.J.; Elwenspoek, M. A versatile surface channel concept for microfluidic applications. J. Micromech. Microeng. 2007, 17, 1971. [Google Scholar] [CrossRef]
- Haneveld, J.; Lammerink, T.S.; de Boer, M.J.; Sanders, R.G.; Mehendale, A.; Lötters, J.C.; Dijkstra, M.; Wiegerink, R.J. Modeling, design, fabrication and characterization of a micro Coriolis mass flow sensor. J. Micromech. Microeng. 2010, 20, 125001. [Google Scholar] [CrossRef]
- Sparreboom, W.; Van de Geest, J.; Katerberg, M.; Postma, F.; Haneveld, J.; Groenesteijn, J.; Lammerink, T.; Wiegerink, R.; Lötters, J. Compact mass flow meter based on a micro Coriolis flow sensor. Micromachines 2013, 4, 22–33. [Google Scholar] [CrossRef]
- Zeng, Y.; Groenesteijn, J.; Alveringh, D.; Wiegerink, R.J.; Lötters, J.C. Design, fabrication, and characterization of a micro Coriolis mass flow sensor driven by PZT thin film actuators. J. Microelectromech. Syst. 2021, 30, 885–896. [Google Scholar] [CrossRef]
- Schut, T.; Wiegerink, R.; Lötters, J. μ-Coriolis mass flow sensor with resistive readout. Micromachines 2020, 11, 184. [Google Scholar] [CrossRef]
- Yariesbouei, M.; Sanders, R.G.; Moazzenzade, T.; Wiegerink, R.J.; Lötters, J.C. Free suspended thin-walled nickel electroplated tubes for microfluidic density and mass flow sensors. J. Microelectromech. Syst. 2022, 31, 408–414. [Google Scholar] [CrossRef]
- Westberg, D.; Paul, O.; Andersson, G.I.; Baltes, H. A CMOS-compatible device for fluid density measurements. In Proceedings of the IEEE the Tenth Annual International Workshop on Micro Electro Mechanical Systems. An Investigation of Micro Structures, Sensors, Actuators, Machines and Robots, Nagoya, Japan, 26–30 January 1997; pp. 278–283. [Google Scholar]
- Haneveld, J.; Lammerink, T.S.J.; Dijkstra, M.; Droogendijk, H.; de Boer, M.J.; Wiegerink, R.J. Highly sensitive micro Coriolis mass flow sensor. In Proceedings of the 2008 IEEE 21st International Conference on Micro Electro Mechanical Systems, Tucson, AZ, USA, 13–17 January 2008; pp. 920–923. [Google Scholar]
- Malvar, O.; Ramos, D.; Martínez, C.; Kosaka, P.; Tamayo, J.; Calleja, M. Highly sensitive measurement of liquid density in air using suspended microcapillary resonators. Sensors 2015, 15, 7650–7657. [Google Scholar] [CrossRef] [PubMed]
- Lee, D.; Kim, J.; Cho, N.J.; Kang, T.; Kauh, S.; Lee, J. Pulled microcapillary tube resonators with electrical readout for mass sensing applications. Sci. Rep. 2016, 6, 33799. [Google Scholar] [CrossRef] [PubMed]
- Martín-Pérez, A.; Ramos, D.; Gil-Santos, E.; García-López, S.; Yubero, M.L.; Kosaka, P.M.; San Paulo, Á.; Tamayo, J.; Calleja, M. Mechano-optical analysis of single cells with transparent microcapillary resonators. ACS Sens. 2019, 4, 3325–3332. [Google Scholar] [CrossRef]
- Martín-Pérez, A.; Ramos, D.; Tamayo, J.; Calleja, M. Nanomechanical molecular mass sensing using suspended microchannel resonators. Sensors 2021, 21, 3337. [Google Scholar] [CrossRef] [PubMed]
- Martín-Pérez, A.; Ramos, D.; Tamayo, J.; Calleja, M. Coherent optical transduction of suspended microcapillary resonators for multi-parameter sensing applications. Sensors 2019, 19, 5069. [Google Scholar] [CrossRef] [PubMed]
- Yariesbouei, M.; Sanders, R.G.; Wiegerink, R.J.; Lötters, J.C. Modeling, Fabrication, and Testing of a 3D-Printed Coriolis Mass Flow Sensor. Sensors 2023, 23, 4062. [Google Scholar] [CrossRef] [PubMed]
- Yariesbouei, M.; Sanders RG, P.; Wiegerink, R.J.; Lötters, J.C. Micro Coriolis Mass Flow Sensor Based on Electroplated Nickel Tubes. In Proceedings of the 2022 IEEE Sensors, Dallas, TX, USA, 30 October–2 November 2022; pp. 1–4. [Google Scholar]












Disclaimer/Publisher’s Note: The statements, opinions and data contained in all publications are solely those of the individual author(s) and contributor(s) and not of MDPI and/or the editor(s). MDPI and/or the editor(s) disclaim responsibility for any injury to people or property resulting from any ideas, methods, instructions or products referred to in the content. |
© 2024 by the authors. Licensee MDPI, Basel, Switzerland. This article is an open access article distributed under the terms and conditions of the Creative Commons Attribution (CC BY) license (https://creativecommons.org/licenses/by/4.0/).
Share and Cite
Yariesbouei, M.; Sanders, R.G.P.; Wiegerink, R.J.; Lötters, J.C. Compact Micro-Coriolis Mass-Flow Meter with Optical Readout. Micromachines 2024, 15, 114. https://doi.org/10.3390/mi15010114
Yariesbouei M, Sanders RGP, Wiegerink RJ, Lötters JC. Compact Micro-Coriolis Mass-Flow Meter with Optical Readout. Micromachines. 2024; 15(1):114. https://doi.org/10.3390/mi15010114
Chicago/Turabian StyleYariesbouei, Mahdieh, Remco G. P. Sanders, Remco J. Wiegerink, and Joost C. Lötters. 2024. "Compact Micro-Coriolis Mass-Flow Meter with Optical Readout" Micromachines 15, no. 1: 114. https://doi.org/10.3390/mi15010114
APA StyleYariesbouei, M., Sanders, R. G. P., Wiegerink, R. J., & Lötters, J. C. (2024). Compact Micro-Coriolis Mass-Flow Meter with Optical Readout. Micromachines, 15(1), 114. https://doi.org/10.3390/mi15010114

