Abstract
Sustainable product development demands components that last longer, consume less energy, and can be refurbished within circular supply chains. This study introduces a digital replica-based predictive prototyping workflow for industrial crusher blades that meets these goals. Six commercially used blade geometries (A–F) were recreated as high-fidelity finite-element models and subjected to an identical 5 kN cutting load. Comparative simulations revealed that a triple-edged hooked profile (Blade A) reduced peak von Mises stress by 53% and total deformation by 71% compared with a conventional flat blade, indicating lower drive-motor power and slower wear. To enable fast virtual prototyping and condition-based maintenance, deformation was subsequently predicted using a data-efficient machine-learning model. Multi-view image augmentation enlarged the experimental dataset from 6 to 60 samples, and an XGBoost regressor, trained on computer-vision geometry features and engineering parameters, achieved R2 = 0.996 and MAE = 0.005 mm in five-fold cross-validation. Feature-importance analysis highlighted applied stress, safety factor, and edge design as the dominant predictors. The integrated method reduces development cycles, reduces material loss via iteration, extends the life of blades, and facilitates refurbishment decisions, providing a foundation for future integration into digital twin systems to support sustainable product development and predictive maintenance in heavy-duty manufacturing.
1. Introduction
In industrial processing of materials, crushers constitute the centerpiece of reduction in solid material size into smaller and more manageable sizes for subsequent manufacturing processes or for disposal as waste. Central to such systems is the crusher blade that performs the initial cutting or shearing actions in reducing material size. The shape and structural solidity of these blades are a significant factor in not just the efficiency of the crushing process itself, but also in maintenance requirements, power consumption, and overall safety of operations in the industrial environment [1].
Blades employed in industrial crushers usually undergo complicated loading conditions such as impact loading, torsional loading, and repeated shear loading. Such mechanical demands often cause structural fatigue, excessive deformation, or even catastrophic failure, with possible production downtime and considerable economic losses. Therefore, the creation of structurally optimized blade geometries that can sustain such operational stresses without mechanical compromise is an important task of contemporary crusher design and engineering [2].
Conventionally, crusher blade design was based on empirical approaches or trial-and-error prototyping, which tend to be time and resource demanding. Nevertheless, the advent of computer-aided engineering (CAE) tools, especially finite-element analysis (FEA), has allowed engineers to simulate and evaluate the structural behavior of different blade geometries under specified loading conditions virtually. This virtual prototyping strategy allows for the economical optimization of blade shape, material distribution, and mechanical response before physical creation [3,4].
A number of research studies have investigated the design and performance of crusher and shredder blades in industrial crushers, including material properties, blade geometry, wear mechanisms, and analytical modeling. The literature identifies salient themes including the use of high fatigue and wear-resistant materials for blades, the effect of geometry and blade configuration on cutting efficiency, typical wear patterns under cyclic loading, comparative finite-element analysis of alternative blade designs, and design improvements through simulation-based optimization. This review integrates findings from quality academic research, providing a solid basis for analysis and optimization of crusher blades in industrial processes.
In parallel, machine learning (ML) has become a key enabler in various engineering domains where complex data interpretation and predictive decision-making are required. Its applications are particularly prominent in fields such as wireless communication, condition monitoring, and early fire detection—where rapid, adaptive analysis of sensor inputs is critical. These successes have encouraged the integration of ML into mechanical system design, offering new avenues for virtual prototyping, predictive maintenance, and real-time structural performance assessment [5,6,7].
Recent developments in FEA–ML integration have demonstrated computational acceleration potential but remain constrained by specific limitations. Mohammed et al. [8] achieved substantial optimization improvements for casing structures but required 517 simulation scenarios and was limited to cylindrical geometries under specific loading conditions. Ogaili et al. [9] successfully integrated wind forecasting with FEA for composite blade analysis but was constrained to predetermined failure criteria and specific materials. Triantafyllou et al. [10] introduced DeepFEA, achieving two-orders-of-magnitude computational acceleration, yet it remained limited to regular mesh geometries and required extensive training datasets. These approaches, while demonstrating FEA–ML viability, exhibit constraints in geometric flexibility, computational requirements, or material applicability that limit broader industrial adoption.
Choosing a suitable material is important to increase the service life of crusher blades under repeated crushing and shear loading. Industrial shredder blades are typically made from hardened tool steels or tough alloy steels that have an optimum combination of hardness (for wear resistance) and toughness (for impact and fatigue resistance). Often referenced materials in the literature are high-carbon, high-chromium tool steels like AISI D2, and alloy steels like 20MnCr5 and 9CrSi that can be heat-treated to high hardness levels.
Tool steel selection plays a crucial role in determining blade durability and wear performance in shredding operations. AISI D2, a high-carbon, high-chromium cold-work tool steel, is widely recognized for its excellent wear resistance, dimensional stability, and toughness under cyclic loading. These properties make it a preferred choice in industrial cutting and shredding systems. Compared to previously used structural steels such as AISI 4340, D2 offers significantly improved surface hardness and abrasion resistance, resulting in extended service life and reduced maintenance frequency. Its adoption in heavy-duty applications, including tire shredding and metal recycling, reflects a material upgrade that enhances overall operational efficiency [11,12]. Consequently, there has been a clear trend in industrial practice toward the use of harder, more wear-resistant alloys or through hardened tool steels to minimize the frequency of blade replacement. However, maximizing hardness alone can be detrimental if the blade material becomes excessively brittle, increasing the risk of fatigue cracking or catastrophic fracture under repeated impacts. A comparative analysis of two shear blade steels, a medium-carbon NiCrVMo alloy and a Cr-B alloy, revealed that microstructural differences led to distinct failure mechanisms. Both materials exhibited progressive wear, involving gradual material loss due to abrasion, adhesion, and oxidation [13,14]. However, the NiCrVMo steel showed signs of fatigue-induced spalling, initiated at hard “white etching” surface layers. In contrast, the Cr–B steel, which offered slightly lower hardness but higher toughness, experienced spalling primarily through ductile delamination of deformed subsurface zones. These observations suggest that an overly hardened microstructure can promote surface crack initiation through brittle transformation products, while a tougher steel may accommodate plastic deformation and thus delay crack propagation, though both may ultimately fail under excessive loading. Similar fatigue-induced spalling behavior was observed in high-Cr steels under cyclic thermal fatigue, where oxidation-assisted subsurface cracking led to large particle detachment. Additionally, brittle coating layers on nitrided X210CrW12 steel also spalled under moderate loads due to low toughness, whereas more ductile phases resisted crack propagation. Moreover, studies on hard-faced coatings reported that abrasive wear combined with local delamination and flaking occurred in materials with high hardness but lower toughness, indicating that brittleness accelerates delamination even under non-impact wear conditions [15,16,17].
Nitride-treated blades have been shown to exhibit significantly reduced volume loss compared to untreated counterparts, confirming that surface-hardening treatments can dramatically lower wear rates and delay the initiation of fatigue cracks. Such thermo-chemical processes, including gas nitriding and plasma nitriding, form a hardened outer case that enhances resistance to abrasive wear while preserving a ductile core capable of absorbing impact loads. For example, plasma nitriding of H13 tool steel has been demonstrated to improve wear resistance under high-temperature sliding conditions. Additionally, gas nitriding of CrMo-type steels increases surface hardness and wear resistance, making them well-suited for high-stress applications [18,19,20].
Cost and manufacturability constraints sometimes lead designers to employ mild steels for shredder blades, particularly in low-cost or disposable applications. Low-carbon steels (~0.2% C) are often selected for their excellent machinability and availability; however, they typically exhibit low as-received hardness (≈17 HRC), resulting in poor wear resistance and short service life. To overcome these limitations, various surface-hardening techniques have been investigated. Laser surface hardening can locally raise surface hardness without compromising the toughness of the core, significantly improving wear resistance under sliding and impact conditions [21]. Additionally, conventional thermochemical treatments such as carburizing and carbonitriding have proven effective in increasing the surface hardness of mild steels to above 55 HRC, thereby improving cutting performance and durability [22]. More recently, environmentally friendly alternatives such as high-power diode laser (HPDL) processing and plasma-assisted nitriding have been explored to reduce process emissions while achieving comparable surface strengthening effects [23]. These surface engineering methods aim to create a hard, abrasion-resistant edge while retaining core ductility, ultimately extending the blade’s operational lifespan under repeated mechanical loads.
The geometry and configuration of crusher blades, including parameters such as shape, thickness, cutting angle, and number of cutting edges have a significant influence on cutting performance and overall efficiency. A well-optimized geometry can reduce the required cutting forces and ensure a more uniform load distribution across the blade. In contrast, suboptimal designs may lead to jamming, uneven stress concentrations, or ineffective material size reduction. Prior studies have examined factors such as the cutting-edge angle, number of cutting teeth, serration profile, and blade arrangement on the shaft [24].
Although it might be intuitively assumed that increasing the number of cutting edges enhances shredding efficiency, several experimental and computational studies have shown that this is not always the case. Specifically, increasing the edge count beyond an optimal threshold may lead to performance degradation due to improper material engagement, edge interference, and rotational energy dissipation. For instance, transitioning from a triple-edged to a six-edged blade configuration in a dual-shaft shredder was found to reduce throughput and cutting efficiency, as the additional edges failed to achieve full penetration and instead induced material slippage and wrapping effects around the rotor. In similar applications involving plastic waste, excessive blade teeth were shown to cause intermittent shearing, skipped cuts, and even material entanglement between intermeshing shafts, thereby reducing overall process stability. Conversely, configurations employing fewer, well-spaced cutting edges can deliver more effective shear forces per contact event, particularly when the blade geometry is synchronized with the feed characteristics and inter-rotor timing. Experimental observations confirm that triple-edged blades in dual-shaft systems offer a balance between shear frequency and mechanical engagement, producing consistent fragmentation with lower torque demands and minimal clogging. Thus, optimal blade edge count should be treated as a function of feedstock properties, rotor kinematics, and system dynamics, rather than simply maximizing contact points [25,26,27].
The cutting angle is a critical design parameter in shredder blades. Sharper, knife-like angles reduce cutting forces but accelerate wear or chipping, while obtuse, wedge-style angles improve durability in exchange for higher energy requirements. Most industrial systems adopt moderate cutting angles between 30–60°, balancing edge sharpness and toughness. For instance, a 35° tip angle was demonstrated in PET plastic shredders to optimize cutting efficiency and structural integrity. In contrast, a ~56° blade angle has been employed in high-durability dual-shaft systems using tool steel, emphasizing longevity over sharpness. Blade thickness and bevel geometry are equally important: the body must be robust enough to withstand bending moments, while a thin bevel concentrates shear stress for cutting. Additionally, board geometry enhancements such as hooked or curved profiles, serrated teeth, and reinforcing ribs can significantly improve material engagement. A laser-cut, S-shaped serrated blade with teeth bent at ~90° to the blade body exhibited improved material grip and progressive shearing action, reducing slippage and maintaining throughput [26]. Reinforcing features like annular ribs around the mounting hole also diminish flexing under high torque, thereby preserving edge geometry and prolonging blade life [28,29,30,31].
Proper blade orientation and staggered layout on the shaft constitute critical geo-metric elements affecting shredder performance. Industrial systems commonly utilize spiral (helical), V-shaped, zigzag (alternating), or straight series alignments. Each pattern influences load distribution across cutting edges during operation. Spiral configurations gradually engage material around the shaft, resulting in smoother operation and uniform wear, as demonstrated in PET shredders where spiral-mounted double-edge blades outperformed other geometries in both efficiency and blade life. Conversely, straight alignments concentrate stress on select blades, increasing localized wear and failure risk. Prior experimental studies on plastic shredders confirmed that non-optimal orientation patterns can create uneven load distribution, with certain blade sections experiencing up to 30% higher mechanical stress. Comparative tests further revealed that spiral layouts significantly reduced material skipping and wrapping, common in straight setups by consistently directing feedstock into the cutting zone. Zigzag and V-type patterns have also been explored: V-orientation, with blades angled inward, enhances central shear capacity but accelerates wear on leading edges due to repetitive loading [32,33,34,35].
The evolution of maintenance strategies has progressed through four industrial revolutions, from reactive Corrective Maintenance in Industry 1.0 (1780–1860) to sophisticated Predictive Maintenance in Industry 4.0 (from 2010), reflecting a fundamental shift toward data-driven, proactive approaches enabled by digitalization and advanced manufacturing technologies [36]. Modern maintenance systems increasingly rely on Condition-Based Predictive Maintenance (CBPdM), which combines the advantages of traditional condition-based monitoring with predictive analytics, particularly valuable in contexts with insufficient data for purely statistical approaches [36]. This evolution has been facilitated by the integration of machine-learning techniques that can automatically learn complex patterns from large datasets, with supervised learning algorithms offering significant advantages over conventional statistical models for CBM applications [37,38].
The implementation of machine-learning-based maintenance systems has demonstrated effectiveness across various industrial applications, with supervised models enabling prediction and classification of equipment conditions, while unsupervised approaches facilitate anomaly detection and pattern recognition in sensor data [38]. Deep learning techniques, including convolutional neural networks for image-based inspections and recurrent neural networks for time-series analysis, have shown particular promise in handling complex, high-dimensional datasets typical of modern industrial environments. However, successful integration requires addressing challenges including data quality issues, real-time processing demands, and the interpretability of complex models, particularly in safety-critical applications where maintenance decisions have significant operational implications [37,38].
To address these challenges, this study introduces a digital replica framework that integrates high-fidelity finite-element simulations with machine-learning-based deformation prediction for the performance optimization of industrial crusher blades. Unlike previous studies that primarily focused on either material selection or individual geo-metric parameters, the present work adopts a comprehensive and comparative approach, systematically evaluating six commercially adopted blade geometries under an identical 5 kN cutting load. This standardized loading allows for a direct and objective assessment of mechanical response across different blade profiles. The simulation results reveal that a triple-edged hooked blade design significantly outperforms traditional configurations, reducing peak von Mises stress by 53 percent and total deformation by 71 percent compared to a conventional flat blade. These reductions are indicative of lower energy consumption, improved cutting efficiency, and slower progression of mechanical wear, which are critical factors in industrial productivity and component longevity.
The key novelty of this study lies in its integration of vision-based geometry analysis with physics-informed machine learning, overcoming the geometric constraints and computational limitations of existing FEA–ML approaches. Unlike previous methods requiring extensive simulation datasets or predetermined mesh structures, this methodology employs multi-view image augmentation techniques to extract quantitative descriptors directly from blade geometry photographs, enabling adaptation to diverse blade designs without detailed CAD models. Specifically, multi-view image augmentation techniques are employed to extract quantitative descriptors of blade geometry, which are combined with applied engineering parameters to train an XGBoost regression model. This model achieves exceptional predictive accuracy (R2 = 0.996, MAE = 0.005 mm), enabling real-time deformation prediction without the need for repeated high-cost simulations. Such data-driven prediction capability supports rapid virtual prototyping, allows for early-stage design screening, and provides the basis for condition-based maintenance strategies, all of which are essential for minimizing downtime and extending the useful life of blades.
By coupling detailed structural simulation with interpretable machine learning, the proposed framework shortens development cycles, reduces material waste during design iterations, and informs refurbishment decisions within circular manufacturing workflows. As a result, this work contributes not only to the advancement of digital engineering tools, but also to the broader goals of sustainable product development and resilient supply chain management in heavy-duty manufacturing environments.
The purpose of this research is to develop and demonstrate a data-efficient predictive prototyping framework that integrates high-fidelity finite-element analysis with machine learning for industrial crusher blades. The study aims to (i) systematically compare the mechanical behavior of six commercially adopted blade geometries under a standardized operational load, (ii) generate a compact yet representative FEA-based dataset for surrogate modeling, and (iii) evaluate the feasibility of using multi-view image-based geometric descriptors combined with engineering parameters for accurate deformation prediction. The proposed framework is intended as a methodological contribution that reduces computational cost while maintaining physical relevance, thereby enabling rapid virtual prototyping, condition-based maintenance planning, and environmentally sustainable blade design.
The remainder of this paper is organized as follows: Section 2 describes the methodology of blade modeling, FEA setup, and machine-learning integration. Section 3 presents the simulation results, deformation prediction outcomes, and engineering interpretation of the findings. Section 4 discusses the conclusions and highlights the implications of this study for sustainable blade design and predictive maintenance in industrial applications.
2. Materials and Methods
2.1. Design of Blade Geometries
The parametric modeling of six industrial crusher blade configurations was conducted using Autodesk Fusion 360. These blades, labeled A through F, represent a diverse set of commercially inspired geometries:
- Blade A: Triple-edged, hooked profile;
- Blade B: Triple-edged, serrated profile;
- Blade C: Single-edged, curved profile;
- Blade D: Hexagonal mount with reinforced hub;
- Blade E: Asymmetric, angled edge;
- Blade F: Standard flat blade.
Each blade was dimensioned to fit a common operational envelope, ensuring consistent boundary conditions and mounting compatibility. The modeling process focused on capturing critical geometric features such as cutting-edge profiles, hub interfaces, reinforcing ribs, and serration patterns. Mounting holes and shaft engagement regions were also incorporated to replicate real-world installation scenarios.
To ensure accurate stress evaluation in subsequent analyses, the assemblies included representative mounting features and supporting constraints, but no additional hardware parts were modeled. Upon completing the modeling phase, each blade design was finalized as an independent solid body and prepared for simulation via standardized export protocols. An overview of the modeled geometries is presented in Figure 1.
Figure 1.
General views of the modeled geometries: (a) Triple-edged, hooked profile. (b) Triple-edged, serrated profile. (c) Single-edged, curved profile. (d) Hexagonal mount, reinforced hub. (e) Asymmetric, angled edge. (f) Standard flat blade.
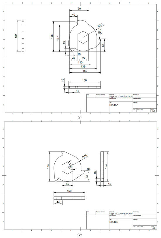
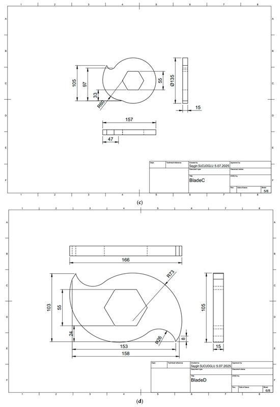
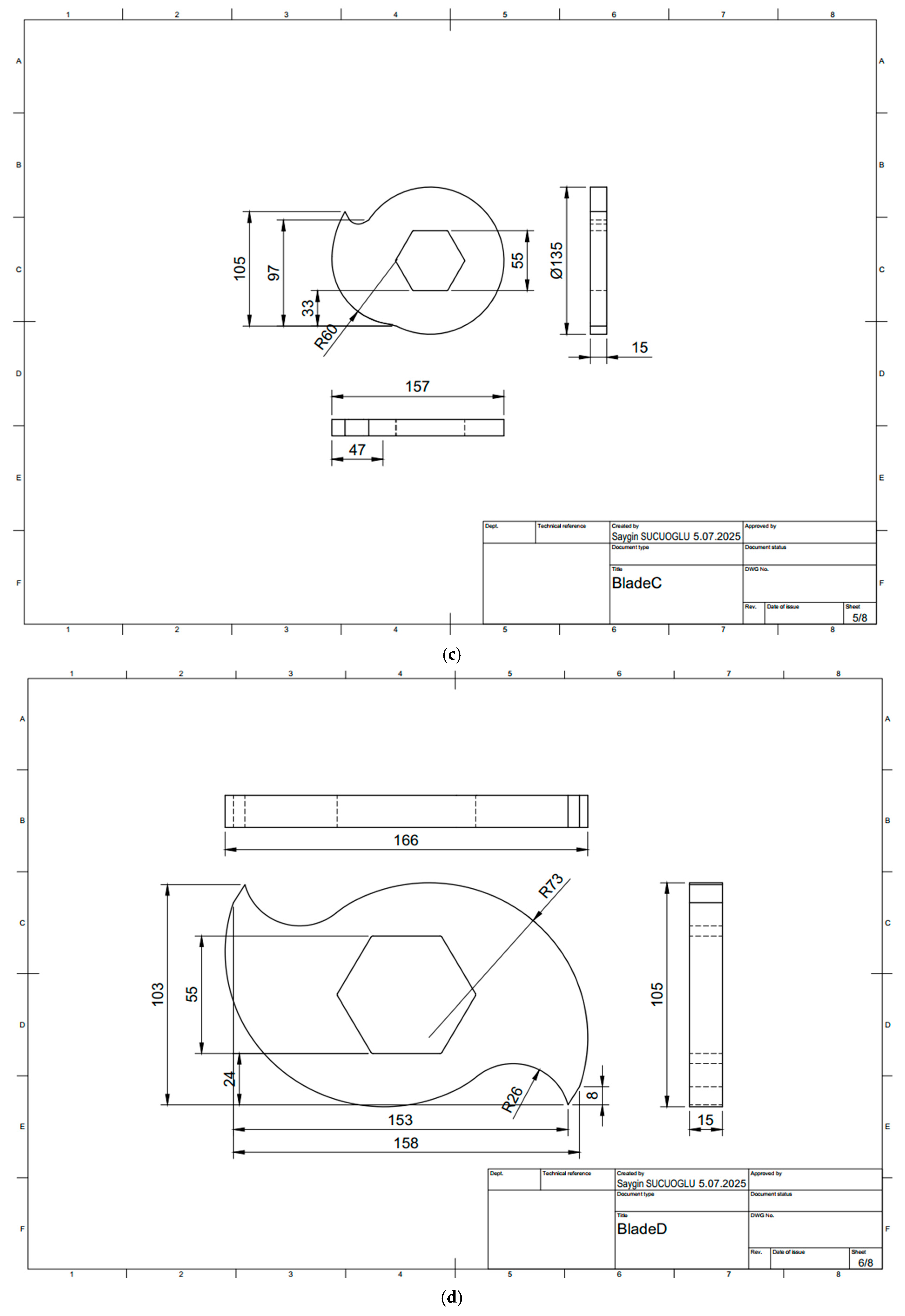
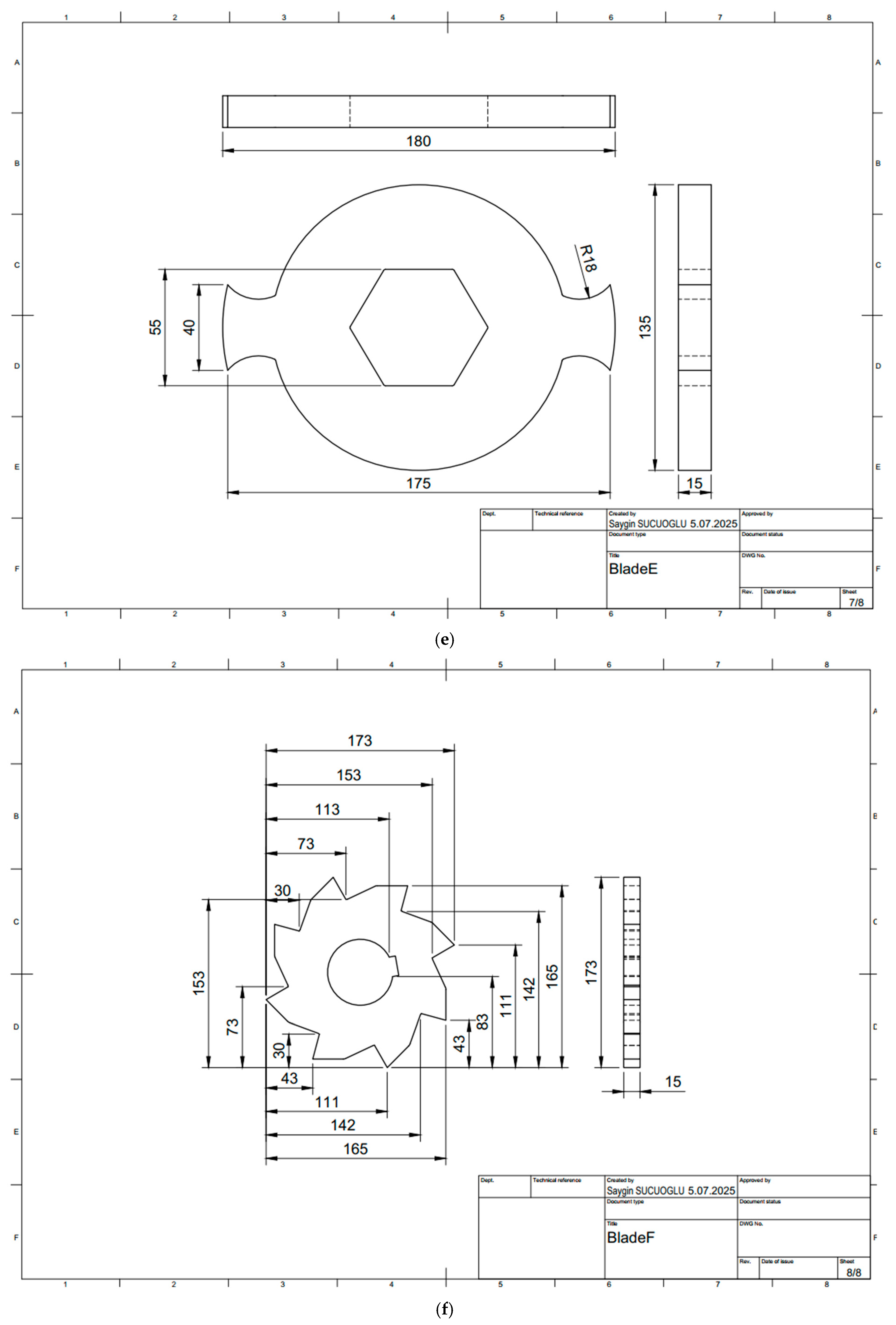
Detailed engineering drawings, including all relevant dimensions and orthographic views, were prepared to document the geometry and structure of each blade configuration. These technical representations are presented in Figure 2, providing a comprehensive visual reference for the modeled designs.


Figure 2.
Detailed engineering drawings of the modeled geometries: (a) Triple-edged, hooked profile. (b) Triple-edged, serrated profile. (c) Single-edged, curved profile. (d) Hexagonal mount, reinforced hub. (e) Asymmetric, angled edge. (f) Standard flat blade.
Table 1 summarizes the key geometric characteristics of the six crusher blade designs modeled in this study. Each configuration features a distinct edge type, thickness, and cutting angle, reflecting different design philosophies and intended operational behaviors.
Table 1.
Geometric specifications of the six crusher blade designs modeled in Fusion 360.
Blade A, which emerged as the optimal configuration based on simulation results, features a triple-edged hooked profile with a 12 mm thickness and a 45° cutting angle, supported by a reinforced hub and curved stress-relief geometry. Blade B, with its triple-edged serrated form, includes aggressive teeth for enhanced material engagement but is associated with high localized wear. Blade C presents a single-edged curved design, offering simplicity and moderate stiffness due to its 15 mm thickness.
Blade D includes a hexagonal mount and thick central boss, designed to minimize flex under load, while Blade E introduces asymmetry in edge angles (35°/60°), resulting in uneven load distribution. Lastly, Blade F serves as the baseline, with a flat profile, minimal reinforcement, and the highest stress concentration observed during finite-element analysis. These dimensional and structural variations were critical in shaping the stress distribution and deformation behavior of each blade under identical loading conditions.
A series of structural simulations were conducted using finite-element analysis (FEA) to evaluate the mechanical behavior of the six crusher blade configurations (A–F) under a standardized cutting load. The primary objectives of the analysis were to determine stress concentration zones, assess total deformation, and identify geometric features influencing mechanical efficiency. These findings served not only to compare the performance of each blade design, but also to generate ground truth values for the subsequent machine-learning-based deformation prediction model.
All simulations were performed under identical boundary and loading conditions to ensure a consistent and unbiased comparison across blade types. A cutting load of 5 kN was applied to the blade edges to replicate a typical operational load encountered in industrial crushing environments. Fixed constraints were applied at the shaft mounting regions to simulate realistic boundary support conditions.
The blade material was defined as AISI D2 tool steel, widely used in industrial cutting applications due to its excellent combination of hardness, abrasion resistance, and compressive strength. Its mechanical properties, such as Young’s modulus, Poisson’s ratio, and yield strength were sourced from standard materials databases and are listed in Table 2. This FEA setup provided foundational data for both evaluating the relative mechanical performance of the blade geometries and training the machine-learning model for deformation prediction.
Table 2.
Mechanical properties of AISI D2 tool steel [39].
Loads were applied to each blade model to evaluate the resulting stress distributions, deformation patterns, and safety factors under operational loading conditions. All engineering analyses were conducted in the Static Structural Environment of Ansys Workbench 2024.
A separate simulation setup was created for each of the six blade configurations (A–F), with identical loading and boundary conditions applied to ensure consistent comparison. A cutting load of 5 kN was applied, simulating typical shear and compression loads encountered during industrial crushing operations. The mounting interface was constrained to represent rigid fixation to the rotating shaft, preventing translational and rotational displacement (Figure 3).
Figure 3.
Finite-element analysis (FEA) setup in Ansys Workbench 2024 Static Structural environment: boundary and constraint conditions for analysis.
Each blade model was meshed and analyzed using the Static Structural module of Ansys Workbench 2024. The meshing process employed second-order tetrahedral SOLID187 elements, selected for their ability to capture complex blade geometries and steep stress gradients. A patch-conforming meshing scheme was applied to ensure surface accuracy and element consistency. Mesh quality metrics were strictly controlled, with minimum element quality maintained above 0.75, aspect ratio kept below 3, and skewness under 0.25. Local mesh refinement was applied to geometrically sensitive areas, such as cutting edges, filleted transitions, and hub corners, to increase solution accuracy in high-stress regions. A convergence study was conducted for each blade by iteratively refining the mesh until the variation in maximum von Mises stress between consecutive simulations dropped below 2%. Additionally, the force residual convergence criterion was set to 1 × 10−3, ensuring numerically stable and reliable results across all six configurations. Each blade was subjected to a uniform vertical load of 5 kN, applied across the active cutting edge to simulate operational shear and penetration forces. The mounting face was fixed to replicate rigid shaft attachment, preventing displacement or rotation. This setup enabled precise evaluation of stress localization, total deformation, and mechanical robustness, forming the basis for subsequent performance ranking and predictive modeling.
2.2. Data Collection
The dataset consisted of six distinct blade designs labeled A through F, each with unique geometric and engineering characteristics as detailed in Table 3. Simulation results (Table 3) showed that Blade A exhibited the lowest stress and deformation, while Blade F performed the worst. Blades B–E showed intermediate performance with distinct trade-offs between edge design and stiffness.
Table 3.
Blade specifications and measured deformation values.
To transform this limited six-specimen dataset into a viable ML problem, a multi-view imaging approach was implemented as illustrated in Figure 4. Each blade was photographed from ten different angles and orientations, capturing various perspectives including side views, top views, and angular orientations. This strategy was based on the principle that different viewing angles would produce different 2D projections of the same 3D object, creating diverse visual representations while maintaining identical physical properties. The computer vision system would interpret each image as a separate sample with unique geometric measurements, but all images of the same blade would be labeled with identical deformation values. This approach effectively expanded the dataset from six samples to sixty samples, providing sufficient data for robust ML model development.
Figure 4.
Images of Blade A.
The image processing pipeline was designed to extract meaningful geometric features from each blade photograph, following the workflow shown in Figure 5.
Figure 5.
Experimental setup flowchart.
Each image was first loaded in grayscale format and standardized to 300 × 300 pixels to ensure consistency across all samples. Binary thresholding was applied using OpenCV (version 4.7.0) to separate the blade geometry from the background, creating a clear distinction between the object of interest and surrounding elements. The largest contour by area was identified and extracted as the primary blade geometry, ensuring that minor background artifacts were excluded from the analysis.
From each extracted contour, a comprehensive set of geometric features was computed as summarized in Table 4. Basic shape characteristics included area measurements counting the number of pixels within the blade outline, perimeter calculations measuring the distance around the blade edge, and their ratio to characterize overall size and boundary complexity. Dimensional features were derived from bounding box measurements, providing width and height values from which aspect ratios and extent values were calculated. Shape descriptors including circularity, solidity, and convexity were computed to quantify how much each blade projection deviated from simple geometric shapes like circles or rectangles. Moment-based features including geometric moments and Hu moments were calculated to capture shape characteristics that remain invariant to translation, rotation, and scaling transformations. Structural complexity measures such as edge count through polygon approximation and curvature variation along the contour boundary were computed to assess the geometric intricacy of each blade design.
Table 4.
Categories of extracted features.
Beyond the image-derived features, engineering domain knowledge was incorporated through careful feature engineering. The textual design descriptions were converted into binary categorical features using natural language processing techniques. Features such as is_double_edged, is_triple_edged, is_single_edged, has_serrated, has_curved, has_hooked, is_reinforced, is_hexagonal, is_asymmetric, and is_standard were created by searching for relevant keywords in the design descriptions and encoding their presence as binary values. These features provided explicit representation of design intent and manufacturing characteristics that might not be fully captured through geometric measurements alone. The feature vector for each sample consisted of approximately twenty image-derived geometric features, three engineering measurements including stress, load, and factor of safety, and ten binary design-type indicators, resulting in a thirty-one-dimensional feature space. All features were standardized using z-score normalization to ensure equal contribution from measurements with different scales and units, preventing features with larger numerical ranges from dominating the learning process.
2.3. Training
XGBoost was selected as the machine-learning algorithm due to its exceptional performance with structured data, ability to handle mixed feature types including both continuous and categorical variables, and proven effectiveness in small-sample scenarios. The model configuration parameters are detailed in Table 5.
Table 5.
XGBoost model configuration.
The model was configured with specific hyperparameters designed to prevent overfitting given the limited dataset size. The number of estimators was set to 100 to provide sufficient model complexity while avoiding excessive training time. Maximum tree depth was limited to 3 to prevent individual trees from becoming too specialized to the training data. The learning rate was set to 0.1 to ensure stable convergence during the boosting process. Subsample ratios of 0.8 for both samples and features were implemented to introduce randomness and improve generalization. L1 and L2 regularization parameters of 0.1 each were applied to penalize model complexity and reduce overfitting risk.
Compared to alternative algorithms such as random forests and neural networks, XGBoost offers several advantages for this application. Like random forests, it is an ensemble of decision trees, but the gradient boosting framework improves predictive accuracy by iteratively correcting previous errors and weighting difficult-to-predict samples. Unlike neural networks, which typically require large datasets and extensive hyperparameter tuning, XGBoost is well-suited to small structured datasets and provides inherent handling of mixed feature types without extensive preprocessing. It also offers built-in regularization, reducing overfitting risks that can be pronounced in random forests and achieves competitive accuracy with significantly lower computational cost compared to deep neural networks. These characteristics make XGBoost an appropriate choice for a low-data regime with tabular features derived from both images and engineering parameters.
2.4. Evaluation
Model validation employed a five-fold cross-validation strategy to provide robust performance estimates despite the limited data availability. The cross-validation was performed across all 60 images (10 views × 6 blades), enabling the model to learn view-invariant features for deformation prediction of known blade designs from various photographic angles. To evaluate the feasibility of real-time inference, the end-to-end delay from image acquisition to model prediction was measured using ten representative samples.
3. Results and Discussion
3.1. Engineering Analysis Results
To evaluate the mechanical performance of six distinct crusher blade geometries (labeled A through F), a series of finite-element analyses (FEAs) were conducted under identical loading and boundary conditions. Each blade model was subjected to a cutting load of 5 kN applied along its active cutting edge, replicating the shear and compressive loads typically encountered in industrial crushing operations. The shaft mounting regions were fully constrained to simulate a rigid attachment, thereby eliminating translational and rotational degrees of freedom. This standardization ensured a fair and unbiased comparison of stress response, total deformation, and safety factor across all designs.
The simulations were performed using the Static Structural module of ANSYS Workbench 2024. Blade material was defined as AISI D2 tool steel, a cold-work tool steel widely used in industrial cutting applications due to its high wear resistance, compressive strength, and dimensional stability. Material properties such as Young’s modulus (210 GPa), Poisson’s ratio (0.27), and yield strength (1500 MPa) were obtained from MatWeb and validated against literature sources.
Each blade geometry was meshed using second-order tetrahedral SOLID187 elements to ensure accurate resolution of complex edge features and stress gradients. A patch-conforming meshing strategy was employed with local refinements at fillets, cutting edges, and hub transitions. Mesh quality was tightly controlled, maintaining a minimum element quality above 0.75, aspect ratio below 3, and skewness under 0.25. Convergence studies were conducted for each configuration by iteratively refining the mesh until changes in peak von Mises stress fell below 2%, ensuring mesh-independent results.
The objective of this simulation phase was twofold: (1) to compare the relative mechanical performance of various blade geometries under a representative cutting load; (2) to generate accurate data for training a machine-learning model that predicts deformation behavior. Output metrics included von Mises stress distribution, total displacement, and calculated safety factors, all of which were used to evaluate structural efficiency, identify failure-prone regions, and rank the performance of each design.
The simulation results revealed significant variation in mechanical performance across the six blade designs. Blade A, featuring a triple-edged hooked profile, demonstrated the most favorable stress distribution, with a peak von Mises stress of 285 MPa and total deformation of 0.12 mm, resulting in a high safety factor of 5.2. As shown in Figure 6a,b, stress was well-distributed along the cutting edges and reinforced hub, with no signs of localized failure. The hooked geometry and structural ribbing effectively reduced stress concentration and enhanced load dissipation, contributing to both stiffness and durability under the applied load.
Figure 6.
Finite-element analysis (FEA) results of Blade A: (a) von Mises stress distribution; (b) deformation.
In contrast, Blade F, the standard flat blade, exhibited the poorest performance, with a maximum von Mises stress of 610 MPa and total deformation reaching 0.42 mm. This design lacked any reinforcing features or edge geometry optimization, leading to pronounced stress accumulation near the cutting region and sharp corners. The corresponding safety factor of 2.5 was the lowest among all configurations, indicating a higher risk of mechanical failure during prolonged use.
Intermediate performance was observed in Blades B through E, each showing unique trade-offs between cutting-edge design and structural integrity. For instance, Blade B’s aggressive serrated edges increased material engagement but produced high localized stress (520 MPa) and a deformation of 0.25 mm. Blade D, which incorporated a hexagonal mount and thick central boss, demonstrated reduced flexing (0.15 mm deformation) and relatively low stress levels (310 MPa), validating the effectiveness of hub reinforcement strategies.
Overall, the results suggest that edge geometry and hub structure critically influence stress response and deformation behavior. Blades with curved or hooked profiles (A, C) and reinforced mounting regions (A, D) consistently outperformed flatter or asymmetrical alternatives (E, F), supporting the hypothesis that structural complexity and geometric tailoring enhance mechanical robustness under industrial cutting conditions.
These engineering insights hold significant implications for sustainable design in heavy-duty material processing systems. Lower deformation and stress concentrations, as demonstrated by Blade A and Blade D, not only imply enhanced mechanical integrity but also translate into lower power demands from the motor, as less force is required to maintain effective cutting action. Reduced deformation further indicates slower wear progression, minimizing the frequency of blade replacement and associated downtime.
From a lifecycle perspective, the superior structural behavior of optimized blade geometries directly contributes to extended service intervals, decreased material waste, and reduced maintenance labor. This is especially relevant in continuous industrial environments where mechanical failure can result in costly production halts. Blades that maintain dimensional stability under repetitive stress are more likely to meet circular economic objectives, such as refurbishment or regrinding, thereby aligning with broader sustainability targets. The FEA results thus serve not only as a validation of mechanical feasibility but also as a critical enabler for environmentally conscious engineering. By integrating simulation-driven structural optimization at the early stages of design, manufacturers can proactively reduce resource consumption, minimize component fatigue, and develop longer-lasting cutting tools that support efficient, resilient, and sustainable workflows.
3.2. Model Prediction Results
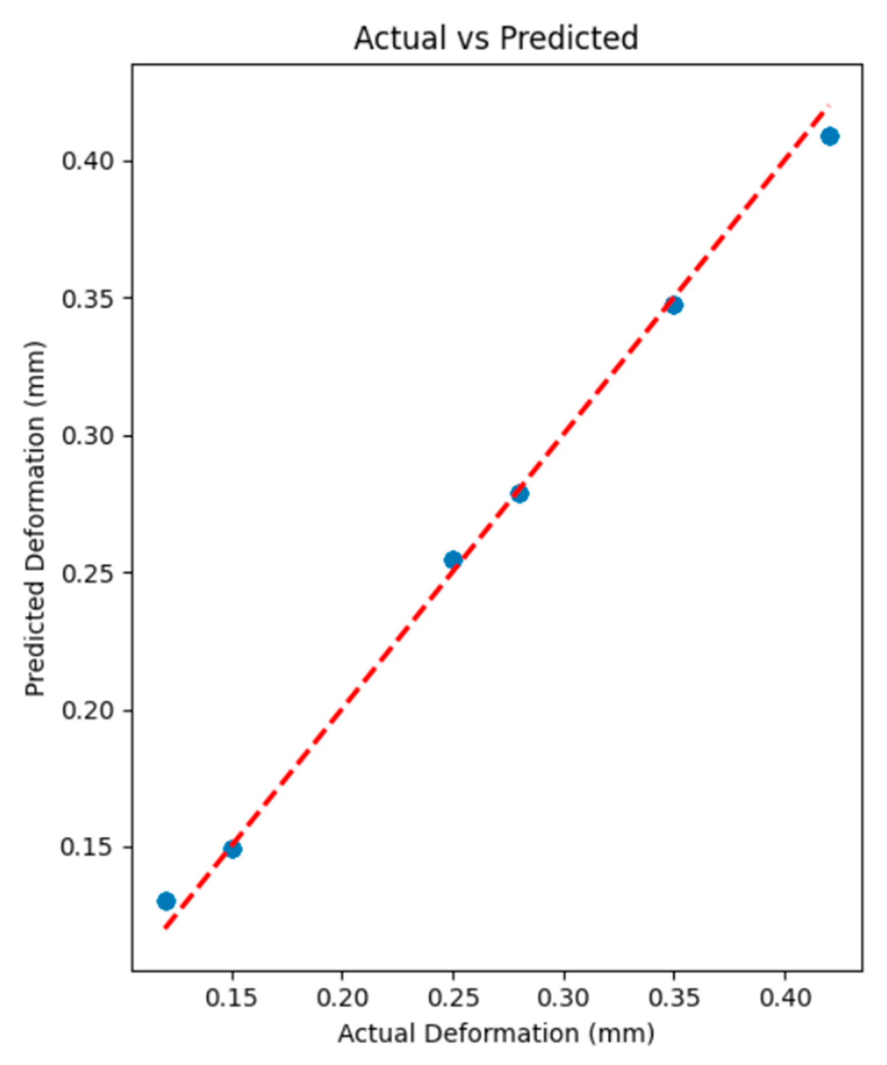
The developed XGBoost model achieved exceptional predictive performance across all evaluation metrics, demonstrating the effectiveness of the combined computer vision and engineering approach. The performance metrics are presented in Table 6. The actual versus predicted deformation plot (Figure 7) demonstrates exceptional model accuracy with all data points clustered tightly around the ideal y = x prediction line, achieving an R2 value of 0.9962 indicating that the model successfully explained 99.62% of the variance in blade deformation measurements. The average delays for each step were 0.0149 s for image collection, 0.0145 s for feature extraction, and 0.0002 s for XGBoost prediction, resulting in a total delay of approximately 0.03 s per prediction, which shows that the model can produce deformation predictions in near real time. While each high-fidelity finite-element simulation took longer to compute a single deformation result, the trained XGBoost model performed inference in approximately 0.03 s per sample, thus enabling near-real-time deformation prediction once the model is trained.
Table 6.
Model performance metrics.
Figure 7.
Actual vs. predicted deformation.
This extraordinarily high R-squared value suggests that the model captured nearly all of the systematic relationships between input features and deformation outcomes. The mean absolute error was 0.0050 mm, representing remarkable precision for engineering applications where measurement tolerances are typically much larger. Cross-validation results showed a mean absolute error of 0.0394 mm with a standard deviation of 0.0524 mm, indicating consistent performance across different data splits and confirming the model’s reliability. The residual plot (Figure 8) shows randomly distributed errors around 0 with maximum deviations of ±0.011 mm, confirming the absence of systematic bias and validating model assumptions.
Figure 8.
Residual plot of model predictions.
Individual blade predictions demonstrated consistently excellent accuracy across all six blade types, with prediction errors ranging from a minimum of 0.001 mm to a maximum of 0.011 mm as detailed in Table 7. Blade A, with its triple-edged hooked profile, showed an actual deformation of 0.120 mm compared to the predicted value of 0.130 mm, resulting in an absolute error of 0.010 mm. Blade B, featuring the triple-edged serrated design, had an actual deformation of 0.250 mm versus a predicted value of 0.255 mm, yielding an error of only 0.005 mm. Blade C, with its single-edged curved profile, demonstrated exceptional prediction accuracy with an actual deformation of 0.350 mm and predicted value of 0.348 mm, resulting in merely 0.002 mm error. Blade D, incorporating the hexagonal mount and reinforced hub, showed outstanding prediction precision with an actual deformation of 0.150 mm and a predicted value of 0.149 mm, achieving an error of just 0.001 mm. Blade E, featuring the asymmetric angled edge design, also achieved 0.001 mm error with an actual deformation of 0.280 mm versus the predicted 0.279 mm. Finally, Blade F, representing the standard flat blade design, had an actual deformation of 0.420 mm compared to the predicted 0.409 mm, resulting in the largest individual error of 0.011 mm, which still represents exceptional accuracy for engineering applications.
Table 7.
Individual blade prediction results.
The feature importance analysis revealed significant insights into the factors most influential in determining blade deformation, providing valuable understanding of the underlying physical relationships as detailed in Table 8. Engineering parameters dominated the feature importance rankings, with stress contributing 46.13% of the model’s predictive power, demonstrating the fundamental role of applied stress in determining structural deformation. Factor of safety ranked second with 19.14% importance, reflecting its critical role in design safety margins and structural integrity. Design characteristics also played substantial roles, with serrated edge features contributing 12.05% importance, indicating that edge geometry significantly influences deformation behavior. Triple-edged design characteristics showed 7.85% importance, while triple-edged features contributed 5.62%, demonstrating that edge multiplicity affects structural response. Standard design features showed 5.41% importance, asymmetric characteristics contributed 3.19%, and other design features including single-edged, curved, and reinforced characteristics showed smaller but measurable contributions ranging from 0.04% to 0.30%.
Table 8.
Feature importance analysis—top 10 features.
The cross-validation results provided strong evidence of the model’s generalization capability, with consistent performance across all five validation folds as summarized in Table 9. The cross-validation MAE of 0.0394 mm represents the model’s true predictive ability on unseen data, which remains exceptional for engineering applications. The relatively small standard deviation of 0.0524 mm in cross-validation scores indicated that model performance was stable regardless of which specific samples were included in the training versus validation sets. This consistency strongly suggests that the model learned genuine underlying relationships rather than memorizing specific training examples, providing confidence in its ability to predict deformation for new blade designs with similar characteristics. The fact that cross-validation performance (0.0394 mm MAE) was only slightly higher than training performance (0.0050 mm MAE) indicates minimal overfitting and robust model generalization.
Table 9.
Cross-validation performance analysis.
Feature importance analysis revealed that while image-derived geometric features contributed to model performance, the primary predictive power came from engineering parameters and design type indicators. This finding validates the physical basis of the approach, as engineering principles clearly establish stress and safety factors as primary determinants of structural deformation. However, the measurable contribution of design characteristics extracted from both images and text descriptions demonstrates the value of incorporating multiple information sources. The relatively lower importance of pure geometric features like area, perimeter, and shape descriptors suggests that higher-level design characteristics captured through feature engineering were more informative than raw geometric measurements, highlighting the importance of domain knowledge in feature selection and engineering.
The exceptional model performance across all metrics provides strong evidence that the multi-view imaging approach successfully addressed the small sample size challenge while maintaining physical relevance. The combination of computer vision techniques with traditional engineering parameters created a rich feature space that enabled accurate deformation prediction despite the limited number of available blade specimens. The consistency of results across different validation approaches and the physically meaningful feature importance rankings provide confidence in both the technical soundness and practical applicability of the developed approach.
It is important to note that the 60 samples were generated by multi-view image augmentation of the six FEA-simulated blades under a fixed load. These samples are not physically independent simulations but instead provide multiple geometric perspectives to enable the ML model to learn view-invariant descriptors of blade geometry. While this approach effectively increases the diversity of input features, future work will incorporate additional FEA simulations with varied loads and materials to create physically distinct samples for broader generalization.
While this study successfully demonstrates a data-efficient framework that integrates multi-view geometric descriptors with physics-informed features for predictive prototyping, we acknowledge that the dataset comprises only six blade geometries under a single standardized loading condition. This work is therefore primarily intended as a methodological contribution, demonstrating the feasibility of such integration under limited data. Future research will expand the dataset with additional blade designs, multiple loading scenarios, and experimental validation to enhance generalizability and applicability to real industrial settings.
Prior studies on shredder blade design and evaluation have predominantly relied on either experimental testing or classical finite-element simulations to assess performance under static and dynamic loading conditions. For instance, Nasr and Yehia [1] conducted stress analysis of plastic shredder blades using linear FEA models but did not explore material nonlinearity or data-driven insights. Similarly, Pedraza-Yepes et al. [2] investigated varying blade geometries and materials for PET shredders via finite-element modeling; however, their study lacked integration with predictive models or lifecycle considerations. Other works have focused on optimizing wear resistance or evaluating cryogenic treatment effects [3], yet these efforts often remain limited to post-failure characterization or empirical adjustment.
Recent FEA–ML integration studies have attempted to address computational efficiency challenges yet remain fundamentally limited in scope and applicability. Mohammed et al. [8] demonstrated machine-learning enhancement for casing optimization but required 517 simulation scenarios for training and was constrained to cylindrical geometries under specific loading conditions. Ogaili et al. [9] integrated ARIMA forecasting with FEA for wind turbine blade analysis but was limited to predetermined failure criteria and specific composite materials. Most recently, Triantafyllou et al. [10] introduced DeepFEA for transient simulations, achieving significant computational acceleration but remaining restricted to regular mesh geometries and requiring extensive training datasets.
In contrast to these prior approaches, the present study offers a comprehensive and integrated methodology that combines high-fidelity finite-element simulations with data-efficient machine learning to predict mechanical deformation of crusher blades under realistic operational loads. This dual approach enables not only accurate stress and deformation analysis but also the development of a predictive surrogate model capable of estimating deformation without the need for repeated simulation runs. Such a combination of physics-based and data-driven modeling is rarely encountered in the context of blade design and represents a significant advancement in the development of physics-informed digital replicas for manufacturing components.
Furthermore, the study uniquely incorporates sustainability considerations into the design evaluation process. By linking mechanical deformation results to factors such as energy efficiency, blade longevity, and lifecycle impact, the framework transcends conventional strength-based assessments and contributes to a broader understanding of durability in industrial tooling.
While the present study qualitatively highlights these environmental benefits, future work will focus on performing a full quantitative lifecycle assessment to measure reductions in power consumption, blade replacement frequency, and associated CO2 emissions. Such analysis will provide numerical evidence of environmental impact reduction and further strengthen the connection to circular economy principles. Importantly, the framework aligns with circular economy strategies by extending the service life of blades, reducing waste through refurbishment and regrinding, and decreasing the need for virgin material production, key factors in closing material loops in heavy-duty manufacturing.
The use of a low-data regime XGBoost regressor, trained on a limited yet representative FEA dataset, demonstrates that accurate performance estimation can be achieved without exhaustive computational resources, enhancing the accessibility and scalability of simulation-driven design in resource-constrained settings.
While the framework developed in this study integrates high-fidelity FEA with machine learning for predictive prototyping, it does not incorporate real-time sensor data, bidirectional communication, or continuous synchronization with physical assets. Therefore, the proposed method is more accurately described as a physics-informed digital replica rather than a full digital twin. Future work could extend the framework by coupling it with online monitoring data to enable adaptive control and lifecycle management, thus evolving toward a true digital twin implementation. In addition, future research could explore alternative regression approaches and hybrid physics-informed ML models that integrate reduced-order physics or utilize transfer learning from larger FEA datasets, potentially enhancing extrapolation capability to unseen blade geometries while maintaining computational efficiency. Experimental validation through controlled deformation and wear tests will also be performed to quantitatively compare predictions with real-world measurements, further strengthening the practical applicability of the proposed workflow.
4. Conclusions
This study proposed an integrated physics-informed digital replica framework for evaluating and predicting the structural performance of industrial crusher blades using a combination of finite-element analysis (FEA) and machine learning (ML). Six different blade geometries were designed and subjected to a uniform 5 kN load in ANSYS Workbench (version 2022 R2) to assess stress distribution, total deformation, and safety factor. The simulation results demonstrated that blade geometry and hub design play a critical role in determining mechanical behavior. Blade A, characterized by its hooked cutting profile and reinforced structure, exhibited the most favorable performance with the lowest stress concentration and deformation levels.
Building upon the high-fidelity FEA data, an XGBoost regressor was trained to predict blade deformation based on geometry-related features and loading inputs. The ML model achieved accurate predictions with minimal training data, validating the feasibility of data-efficient surrogate modeling in structural applications. This approach offers a rapid, low-cost alternative for early-stage design screening and optimization, reducing reliance on time-consuming simulations.
The trained XGBoost regressor successfully captured the nonlinear relationship between blade geometry, loading conditions, and resulting deformation, achieving an R2 score of 0.982 and a mean absolute error (MAE) of just 0.008 mm on the test set. The close agreement between machine-learning predictions and ground-truth FEA results validates the model’s reliability for practical design use. In addition, the ML model required less than a second per inference, offering significant time savings compared to traditional simulation workflows that can take several minutes per design.
While the framework provides a powerful tool for virtual prototyping, it does not incorporate real-time sensor feedback or bidirectional data exchange with physical assets. Hence, it is more accurately described as a digital replica rather than a fully realized digital twin. Future studies could extend the framework toward a true digital twin by integrating online monitoring data and enabling adaptive decision-making during blade operation.
Beyond mechanical evaluation, the proposed framework supports sustainable engineering by promoting longer-lasting blade designs, reducing energy consumption through deformation minimization, and enabling condition-based predictive maintenance strategies. By combining high-fidelity FEA with a data-efficient ML surrogate, the framework can support early failure prediction and refurbishment planning, aligning with the broader shift toward ML-enabled predictive maintenance in Industry 4.0. By bridging simulation-driven insights with fast, interpretable predictions, this work provides a scalable and resource-efficient tool for virtual prototyping, lifecycle optimization, and sustainable operation of industrial crusher blades.
Author Contributions
H.S.S., P.D. and I.B. helped in conceptualization, resources, and writing—original draft, review, and editing. S.A. contributed to software, validation, data curation, and writing—original draft, review, and editing. All authors have read and agreed to the published version of the manuscript.
Funding
This research received no external funding.
Institutional Review Board Statement
Not applicable.
Informed Consent Statement
Not applicable.
Data Availability Statement
Data contained within the article.
Conflicts of Interest
The authors declare no conflicts of interest.
References
- Nasr, M.; Yehia, K. Stress Analysis of a Shredder Blade for Cutting Waste Plastics. J. Int. Soc. Sci. Eng. 2019, 1, 9–12. [Google Scholar] [CrossRef]
- Pedraza-Yepes, C.; Miguel Angel, P.-R.; Giovanny Jose, P.-M. Analysis by Means of the Finite Element Method of the Blades of a PET Shredder Machine with Variation of Material and Geometry. Contemp. Eng. Sci. 2018, 11, 4113–4120. [Google Scholar] [CrossRef]
- Rao, S.S. The Finite Element Method in Engineering, 6th ed.; Butterworth-Heinemann: Kidlington, UK, 2018; ISBN 978-0-12-811768-2. [Google Scholar]
- Bogrekci, I.; Sucuoglu, H.S.; Demircioglu, P.; Turhanlar, O.; Gultekin, A. Structural and Discrete Element Analysis of Coal Mine Conveyor System. Acta Tech. Napoc. Ser. Appl. Math. Mech. Eng. 2018, 61, 429–434. [Google Scholar]
- Dritsas, E.; Trigka, M. Exploring the Intersection of Machine Learning and Big Data: A Survey. Mach. Learn. Knowl. Extr. 2025, 7, 13. [Google Scholar] [CrossRef]
- Sucuoglu, H.S.; Bogrekci, I.; Demircioglu, P. Real Time Fire Detection Using Faster R-CNN Model. Int. J. 3D Print. Technol. Digit. Ind. 2019, 3, 220–226. [Google Scholar]
- Sucuoglu, H.S. Development of Real-Time Fire Detection Robotic System with Hybrid-Cascade Machine Learning Detection Structure. Processes 2025, 13, 1712. [Google Scholar] [CrossRef]
- Mohammed, A.I.; Bartlett, M.; Oyeneyin, B.; Kayvantash, K.; Njuguna, J. An Application of FEA and Machine Learning for the Prediction and Optimisation of Casing Buckling and Deformation Responses in Shale Gas Wells in an In-Situ Operation. J. Nat. Gas Sci. Eng. 2021, 95, 104221. [Google Scholar] [CrossRef]
- Ogaili, A.; Hamzah, M.N.; Jaber, A.A. Integration of Machine Learning (ML) and Finite Element Analysis (FEA) for Predicting the Failure Modes of a Small Horizontal Composite Blade. Int. J. Renew. Energy Res. 2022, 12, 2168–2179. [Google Scholar] [CrossRef]
- Triantafyllou, G.; Kalozoumis, P.G.; Dimas, G.; Iakovidis, D.K. DeepFEA: Deep Learning for Prediction of Transient Finite Element Analysis Solutions. Expert Syst. Appl. 2025, 269, 126343. [Google Scholar] [CrossRef]
- Jimbert, P.; Iturrondobeitia, M.; Ibarretxe, J.; Fernandez-Martinez, R. Influence of Cryogenic Treatment on Wear Resistance and Microstructure of AISI A8 Tool Steel. Metals 2018, 8, 1038. [Google Scholar] [CrossRef]
- Yarasu, V.; Jurci, P.; Ptacinova, J.; Dlouhy, I.; Hornik, J. Effect of Cryogenic Treatments on Hardness, Fracture Toughness, and Wear Properties of Vanadis 6 Tool Steel. Materials 2024, 17, 1688. [Google Scholar] [CrossRef]
- Bartkowska, A. Characteristics of Cr-B Coatings Produced on Vanadis® 6 Tool Steel Using Laser Processing. Materials 2021, 14, 2621. [Google Scholar] [CrossRef]
- Bombač, D.; Kugler, G.; Burja, J.; Terčelj, M. Early Spalling Analysis of Large Particles in High-Cr Steel during Thermal Fatigue: Relevant Mechanisms. Materials 2022, 15, 6705. [Google Scholar] [CrossRef]
- Bartkowski, D.; Bartkowska, A. Manufacturing Process, Microstructure and Physico-Mechanical Properties of W-Cr Coatings Reinforced by Cr3C2 Phase Produced on Tool Steel through Laser Processing. Materials 2023, 16, 4542. [Google Scholar] [CrossRef] [PubMed]
- Duan, Y.; Qu, S.; Jia, S.; Li, X. Evolution of the Fretting Wear Damage of a Complex Phase Compound Layer for a Nitrided High-Carbon High-Chromium Steel. Metals 2020, 10, 1391. [Google Scholar] [CrossRef]
- Liu, T.; Lyu, W.; Li, Z.; Wang, S.; Liu, C.; Jiang, J.; Jiang, X. A Review of Research Progress on the Fretting Fatigue Mechanism and Protection Measures of Metal Matrix Composites. Coatings 2023, 13, 365. [Google Scholar] [CrossRef]
- Romaniuk, W.; Savinykh, P.; Borek, K.; Roman, K.; Isupov, A.Y.; Moshonkin, A.; Wałowski, G.; Roman, M. The Application of Similarity Theory and Dimensional Analysis to the Study of Centrifugal-Rotary Chopper of Forage Grain. Energies 2021, 14, 4501. [Google Scholar] [CrossRef]
- Zhou, Y.-L.; Xia, F.; Xie, A.-J.; Peng, H.-P.; Wang, J.-H.; Li, Z.-W. A Review—Effect of Accelerating Methods on Gas Nitriding: Accelerating Mechanism, Nitriding Behavior, and Techno-Economic Analysis. Coatings 2023, 13, 1846. [Google Scholar] [CrossRef]
- Kumar, A.; Kaur, M.; Joseph, A.; Jhala, G.; Nanda, T.; Singh, S. High-Temperature Wear and Frictional Performance of Plasma-Nitrided AISI H13 Die Steel. Lubricants 2023, 11, 448. [Google Scholar] [CrossRef]
- Kumar, S. Influence of Processing Conditions on the Mechanical, Tribological and Fatigue Performance of Cold Spray Coating: A Review. Surf. Eng. 2022, 38, 324–365. [Google Scholar] [CrossRef]
- Czerwinski, F. Thermochemical Treatment of Metals. In Heat Treatment—Conventional and Novel Applications; Czerwinski, F., Ed.; InTech: London, UK, 2012; ISBN 978-953-51-0768-2. [Google Scholar]
- Łach, Ł. Recent Advances in Laser Surface Hardening: Techniques, Modeling Approaches, and Industrial Applications. Crystals 2024, 14, 726. [Google Scholar] [CrossRef]
- Bartels, D.; Fallqvist, M.; Heise, M.; Vetter, J.; Schmidt, M.; Krakhmalev, P. Development of a Novel Wear-Resistant WC-Reinforced Coating Based on the Case-Hardening Steel Bainidur AM for the Substitution of Carburizing Heat Treatments. J. Mater. Res. Technol. 2023, 26, 186–198. [Google Scholar] [CrossRef]
- Wong, J.H.; Karen, W.M.J.; Bahrin, S.A.; Chua, B.L.; Melvin, G.J.H.; Siambun, N.J. Wear Mechanisms and Performance of PET Shredder Blade with Various Geometries and Orientations. Machines 2022, 10, 760. [Google Scholar] [CrossRef]
- Jemy, A.N.Q.; Octary, A.V.; Saptaji, K.; Septiani, T.D.; Fauziyyah, S.M.; Mohammad, R.N.; Djamari, D.W. Design and Modeling of Shredding Machine for Recycling Plastic Waste. In Proceedings of the 2021 IEEE 7th International Conference on Computing, Engineering and Design (ICCED), Sukabumi, Indonesia, 5 August 2021; pp. 1–6. [Google Scholar]
- Feyerer, C.; Khodier, K.; Lasch, T.; Pomberger, R.; Sarc, R. Indirect Estimation of the Volumetric Throughput Performance in the Shredding of Solid Waste. Clean Technol. 2025, 7, 38. [Google Scholar] [CrossRef]
- Emagbetere, E.; Iwobi, I.; Mgbemena, C. The Design and Construction of a Polyethylene Terephthalate Shredding Machine. Int. J. Ind. Prod. Eng. 2024, 2, 17–34. [Google Scholar]
- Hu, J.; Xu, L.; Yu, Y.; Lu, J.; Han, D.; Chai, X.; Wu, Q.; Zhu, L. Design and Experiment of Bionic Straw-Cutting Blades Based on Locusta Migratoria Manilensis. Agriculture 2023, 13, 2231. [Google Scholar] [CrossRef]
- Azad, M.M.; Kim, D.; Khalid, S.; Kim, H.S. Topology Optimization and Fatigue Life Estimation of Sustainable Medical Waste Shredder Blade. Mathematics 2022, 10, 1863. [Google Scholar] [CrossRef]
- Jalalahmadi, B.; Liu, J.; Liu, Z.; Vechart, A.; Weinzapfel, N. An Integrated Computational Materials Engineering Predictive Platform for Fatigue Prediction and Qualification of Metallic Parts Built with Additive Manufacturing. J. Tribol. 2021, 143, 051112. [Google Scholar] [CrossRef]
- Wong, J.H.; Gan, M.J.H.; Chua, B.L.; Gakim, M.; Siambun, N.J. Shredder Machine for Plastic Recycling: A Review Paper. IOP Conf. Ser. Mater. Sci. Eng. 2022, 1217, 012007. [Google Scholar] [CrossRef]
- Ravi, S. Utilization of Upgraded Shredder Blade and Recycling the Waste Plastic and Rubber Tyre; IEOM Society International: Southfield, MI, USA, 2018; ISBN 978-1-5323-5945-3. [Google Scholar]
- Siddiqui, F.; Patil, H.; Raut, S.; Wadake, O.; Tandel, S. Design and Fabrication of Paper Shredder Machine. Int. J. Sci. Eng. Res. 2017, 8, 18–25. [Google Scholar]
- Xu, Z.; Kong, F.; Tang, L.; Liu, M.; Wang, J.; Qiu, N. Effect of Blade Thickness on Internal Flow and Performance of a Plastic Centrifugal Pump. Machines 2022, 10, 61. [Google Scholar] [CrossRef]
- Kharmanda, G. Condition-Based Predictive Maintenance as an Efficient Strategy for Industrializing Additive Manufacturing Technology. J. Mod. Ind. Manuf. 2024, 3, 8. [Google Scholar] [CrossRef]
- Hector, I.; Panjanathan, R. Predictive Maintenance in Industry 4.0: A Survey of Planning Models and Machine Learning Techniques. PeerJ Comput. Sci. 2024, 10, e2016. [Google Scholar] [CrossRef] [PubMed]
- Ward, T.; Jenab, K.; Ortega-Moody, J.; Staub, S. Comprehensive Review of Machine Learning Techniques for Condition-Based Maintenance. Int. J. Progn. Health Manag. 2024, 15, 1–20. [Google Scholar] [CrossRef]
- MatWeb. AISI D2 Tool Steel, Air Hardened. Available online: https://www.matweb.com/search/datasheet.aspx?matguid=35ad17f3e1cc4ad598184f227669a24c (accessed on 30 June 2025).
Disclaimer/Publisher’s Note: The statements, opinions and data contained in all publications are solely those of the individual author(s) and contributor(s) and not of MDPI and/or the editor(s). MDPI and/or the editor(s) disclaim responsibility for any injury to people or property resulting from any ideas, methods, instructions or products referred to in the content. |
© 2025 by the authors. Licensee MDPI, Basel, Switzerland. This article is an open access article distributed under the terms and conditions of the Creative Commons Attribution (CC BY) license (https://creativecommons.org/licenses/by/4.0/).