Switched-Capacitor-Based Hybrid Resonant Bidirectional Buck–Boost Converter for Improving Energy Harvesting in Photovoltaic Systems
Abstract
1. Introduction
2. DPP Converters
2.1. BBB Converter
2.2. ReSC Converter
- First stage [t0, t1], Figure 5b: switches S1 and S3 are on, and switches S2 and S4 are off. The resonant circuit is connected in parallel with group PVG1 and part of its energy is temporarily stored in the resonant tank, consisting of Lr and Cr.
- Second stage [t1, t2], Figure 5b: switches S1 and S3 are off, and switches S2 and S4 are on. The resonant circuit remains in parallel with the modules of group PVG2. The energy stored in the resonant tank in the previous stage flows through the body diode of S4 and to balance the current of the mismatched modules, as illustrated in Figure 6.
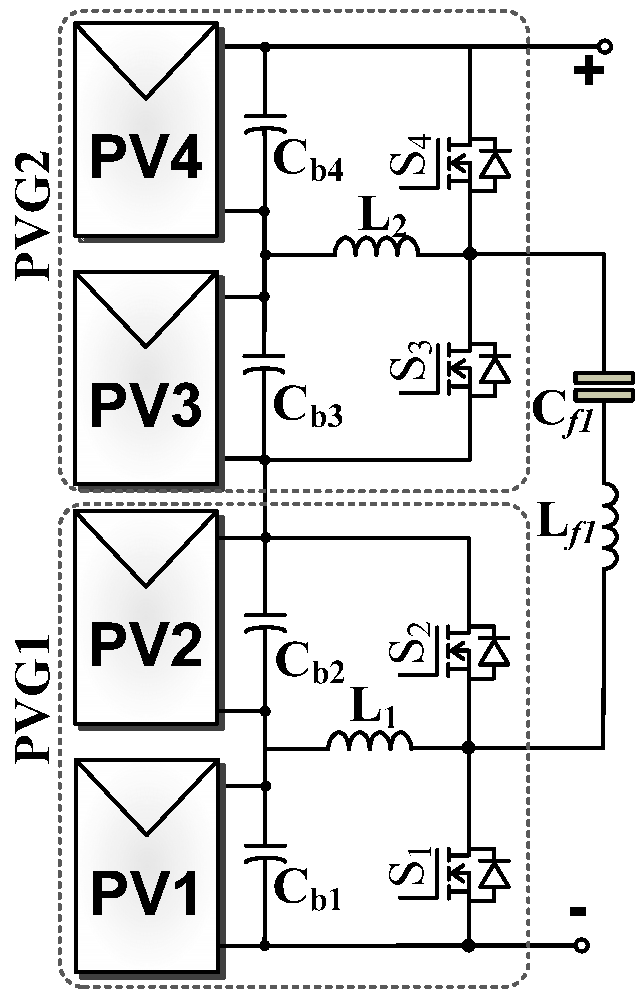
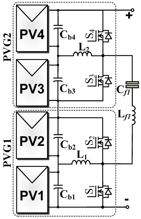
2.3. Proposed Topology
- ➣
- In the first case, the two PV modules within one of the PV groups match each other, but mismatch the modules in the other PV group. Since there is no mismatch between the modules within the PV group, the BBB converter will not operate, and only the ReSC will function. Consequently, the behavior of the proposed circuit will be similar to that of the ReSC converter alone. Thus, the current stress on the switches and the resonant tank is described by (15)–(19).
- ➣
- In the second case, the PV modules within one of the groups are mismatched. As a result, both the BBB and ReSC converters will operate. Consequently, the current stress on the switches is the sum of the currents from both converters. This situation is illustrated in Figure 7 for switch S1, whose peak, RMS, and average currents are given by (20) and (21), respectively.
3. Results and Discussion
3.1. Experimental Results Obtained from a Four-Module String
- Scenario 1: connection of two PV modules, model RSM020P, each rated at 20 W, in the PVG1 group, and two PV modules, model KS-10, each rated at 10 W, in the PVG2 group. As a result, the total maximum power of the PV string, which is the sum of the power from all modules, is 60 W.
- Scenario 2: connection of one PV module, model RSM020P, rated at 20 W, at the bottom of the PV string, while the other PV modules in the string are model KS-10, each rated at 10 W. As a result, the maximum power output of the PV string is 50 W.
3.1.1. Scenario 1
3.1.2. Scenario 2
3.2. DPP Converter Applied to Larger PV Strings and Distinct Mismatch Conditions
3.2.1. Six-Module String
3.2.2. Eight-Module String
3.3. Discussion
3.3.1. Energy Recovery
3.3.2. Comparison of the Topologies
- Scalability: The BBB-SC converter can only be implemented with N = 2·k modules, k = 1, 2,…. This significantly reduces the applicability of the structure, making it unfeasible for strings composed of six, 10, or 12 modules, for example.
- Hard-switching operation of semiconductors: This characteristic contributes to a reduction in system efficiency, especially when high switching frequencies are required to achieve the full-scale load (FSL).
- High voltage stress on the switches of the central BBB converter: As mentioned, the voltage stress on the switches of the BBB converter experience is the sum of the voltages of the adjacent modules. Since the central BBB converter is connected between a group of modules and the main bus, the voltage across the semiconductors is equivalent to the sum of the voltages of all modules in the PV string.
- Need for high switching frequencies or large capacitors for FSL operation: To achieve the FSL, high switching frequencies are necessary, which increase switching losses. An alternative is to use large capacitors. However, this is inappropriate because electrolytic capacitors would be necessary. Such elements have a high equivalent series resistance (ESR) that affects voltage equalization in the PV string.
4. Conclusions
Author Contributions
Funding
Institutional Review Board Statement
Informed Consent Statement
Data Availability Statement
Conflicts of Interest
References
- Kasper, M.; Bortis, D.; Kolar, J.W. Classification and comparative evaluation of PV panel-integrated DC–DC converter concepts. IEEE Trans. Power Electron. 2014, 29, 2511–2526. [Google Scholar] [CrossRef]
- Dolara, A.; Lazaroiu, G.C.; Leva, S.; Manzolini, G. Experimental investigation of partial shading scenarios on PV (photovoltaic) modules. Energy 2013, 55, 466–475. [Google Scholar] [CrossRef]
- Niazi, K.A.K.; Yang, Y.; Sera, D. Review of mismatch mitigation techniques for PV modules. IET Renew. Power Gener. 2019, 13, 2035–2050. [Google Scholar] [CrossRef]
- Sherwani, A.; Usmani, J. Life cycle assessment of solar PV based electricity generation systems: A review. Renew. Sustain. Energy Rev. 2010, 14, 540–544. [Google Scholar] [CrossRef]
- Herrmann, W.; Wiesner, W.; Vaassen, W. Hot spot investigations on PV modules-new concepts for a test standard and consequences for module design with respect to bypass diodes. In Proceedings of the Conference Record of the Twenty Sixth IEEE Photovoltaic Specialists Conference-1997, Anaheim, CA, USA, 6 August 2000; pp. 1129–1132. [Google Scholar]
- Ahsan, S.; Niazi, K.A.K.; Khan, H.A.; Yang, Y. Hotspots and performance evaluation of crystalline-silicon and thin-film photovoltaic modules. Microelectron. Reliab. 2018, 88, 1014–1018. [Google Scholar] [CrossRef]
- Vieira, R.G.; de Araújo, F.M.; Dhimish, M.; Guerra, M.I. A comprehensive review on bypass diode application on photovoltaic modules. Energies 2020, 13, 2472. [Google Scholar] [CrossRef]
- Guerriero, P.; Tricoli, P.; Daliento, S. A bypass circuit for avoiding the hot spot in PV modules. Sol. Energy 2019, 181, 430–438. [Google Scholar] [CrossRef]
- Kim, K.A.; Krein, P.T. Reexamination of photovoltaic hot spotting to show inadequacy of the bypass diode. IEEE J. Photovolt. 2015, 5, 1435–1441. [Google Scholar] [CrossRef]
- Motahhir, S.; El Hammoumi, A.; El Ghzizal, A. Photovoltaic system with quantitative comparative between an improved MPPT and existing INC and P&O methods under fast varying of solar irradiation. Energy Rep. 2018, 4, 341–350. [Google Scholar]
- da Luz, C.M.A.; Vicente, E.M.; Tofoli, F.L. Experimental evaluation of global maximum power point techniques under partial shading conditions. Sol. Energy 2020, 196, 49–73. [Google Scholar] [CrossRef]
- Belhachat, F.; Larbes, C. A review of global maximum power point tracking techniques of photovoltaic system under partial shading conditions. Renew. Sustain. Energy Rev. 2018, 92, 513–553. [Google Scholar] [CrossRef]
- Shams, I.; Mekhilef, S.; Tey, K.S. Advancement of voltage equalizer topologies for serially connected solar modules as partial shading mitigation technique: A comprehensive review. J. Clean. Prod. 2021, 285, 124824. [Google Scholar] [CrossRef]
- Solórzano, J.; Egido, M. Hot-spot mitigation in PV arrays with distributed MPPT (DMPPT). Sol. Energy 2014, 101, 131–137. [Google Scholar] [CrossRef]
- Dhople, S.V.; Ehlmann, J.L.; Davoudi, A.; Chapman, P.L. Multiple-input boost converter to minimize power losses due to partial shading in photovoltaic modules. In Proceedings of the 2010 IEEE Energy Conversion Congress and Exposition, Atlanta, GA, USA, 1 November 2010; pp. 2633–2636. [Google Scholar]
- Hasan, R.; Mekhilef, S.; Seyedmahmoudian, M.; Horan, B. Grid-connected isolated PV microinverters: A review. Renew. Sustain. Energy Rev. 2017, 67, 1065–1080. [Google Scholar] [CrossRef]
- Kim, K.A.; Shenoy, P.S.; Krein, P.T. Converter rating analysis for photovoltaic differential power processing systems. IEEE Trans. Power Electron. 2014, 30, 1987–1997. [Google Scholar] [CrossRef]
- Bell, R.; Pilawa-Podgurski, R.C. Decoupled and distributed maximum power point tracking of series-connected photovoltaic submodules using differential power processing. IEEE J. Emerg. Sel. Top. Power Electron. 2015, 3, 881–891. [Google Scholar] [CrossRef]
- Shenoy, P.S.; Kim, K.A.; Krein, P.T.; Chapman, P.L. Differential power processing for efficiency and performance leaps in utility-scale photovoltaics. In Proceedings of the 2012 38th IEEE Photovoltaic Specialists Conference, Austin, TX, USA, 3–8 June 2012; pp. 1357–1361. [Google Scholar]
- Qin, S.; Barth, C.B.; Pilawa-Podgurski, R.C. Enhancing microinverter energy capture with submodule differential power processing. IEEE Trans. Power Electron. 2016, 31, 3575–3585. [Google Scholar] [CrossRef]
- Khan, O.; Xiao, W. Review and qualitative analysis of submodule-level distributed power electronic solutions in PV power systems. Renew. Sustain. Energy Rev. 2017, 76, 516–528. [Google Scholar] [CrossRef]
- Walker, G.R.; Pierce, J.C. Photovoltaic DC-DC module integrated converter for novel cascaded and bypass grid connection topologies—Design and optimization. In Proceedings of the 2006 37th IEEE Power Electronics Specialists Conference, Jeju, Republic of Korea, 18–22 June 2006; pp. 1–7. [Google Scholar]
- Shenoy, P.S.; Kim, K.A.; Johnson, B.B.; Krein, P.T. Differential power processing for increased energy production and reliability of photovoltaic systems. IEEE Trans. Power Electron. 2013, 28, 2968–2979. [Google Scholar] [CrossRef]
- Karakaş, E.; Öner, Y. A modular differential power processing converter design with simplified voltage equalization for photovoltaic systems. Electr. Power Compon. Syst. 2024, 52, 1397–1413. [Google Scholar] [CrossRef]
- Gouvêa, E.C.; Castro, T.S.; de Souza, T.M. Performance analysis of interconnection and differential power processing techniques under partial shading conditions. Energies 2024, 17, 3252. [Google Scholar] [CrossRef]
- Jiang, J.; Zhang, T.; Chen, D. Analysis, design, and implementation of a differential power processing DMPPT with multiple buck–boost choppers for photovoltaic module. IEEE Trans. Power Electron. 2021, 36, 10214–10223. [Google Scholar] [CrossRef]
- da Luz, C.M.A.; Ribeiro, E.R.; Tofoli, F.L. Analysis of the PV-to-PV architecture with a bidirectional buck-boost converter under shading conditions. Sol. Energy 2022, 232, 102–119. [Google Scholar] [CrossRef]
- Chen, L.-C.; Bagci, F.S.; Kim, K.A. An improved photovoltaic differential power processing system using bidirectional boost-type converters with synchronous switching. IEEE Trans. Power Electron. 2024, 39, 16720–16730. [Google Scholar] [CrossRef]
- Uno, M.; Sato, H.; Oyama, S. Switched capacitor-based modular differential power processing architecture for large-scale photovoltaic systems under partial shading. IEEE Trans. Energy Convers. 2022, 37, 1545–1556. [Google Scholar] [CrossRef]
- Qiu, Z.; Zhao, B.; Cui, H.; Liang, B.; Huangfu, Y. A modified switched-capacitor based differential power processing converter with reduced components for substring-level photovoltaic application. In Proceedings of the IECON 2023-49th Annual Conference of the IEEE Industrial Electronics Society, Singapore, Singapore, 10–16 October 2023; pp. 1–6. [Google Scholar]
- Jeong, H.; Cho, H.-T.; Kim, T.; Liu, Y.-C.; Kim, K.A. A scalable unit differential power processing system design for photovoltaic applications. In Proceedings of the 2018 IEEE 19th Workshop on Control and Modeling for Power Electronics (COMPEL), Padua, Italy, 25–28 June 2018; pp. 1–8. [Google Scholar]
- Lim, J.-H.; Lee, D.-I.; Hyeon, Y.-J.; Youn, H.-S. Differential power processing converter with active clamp structure and integrated planar transformer for power generation optimization of multiple photovoltaic submodules. IEEE Access 2023, 11, 5668–5678. [Google Scholar] [CrossRef]
- Chu, G.; Wen, H.; Yang, Y.; Wang, Y. Elimination of photovoltaic mismatching with improved submodule differential power processing. IEEE Trans. Ind. Electron. 2020, 67, 2822–2833. [Google Scholar] [CrossRef]
- Zhang, W.; Li, J.; Mao, P. A novel isolated-port voltage equalizer for photovoltaic systems under mismatch conditions. In Proceedings of the IECON 2017-43rd Annual Conference of the IEEE Industrial Electronics Society, Beijing China, 29 October–1 November 2017; pp. 639–644. [Google Scholar]
- Ramli, M.Z.; Salam, Z. A simple energy recovery scheme to harvest the energy from shaded photovoltaic modules during partial shading. IEEE Trans. Power Electron. 2014, 29, 6458–6471. [Google Scholar] [CrossRef]
- dos Santos, C.H.; Donoso-Garcia, P.F.; Junior, S.I.S. A comparative analysis of voltage equalizers for partial shading compensation in PV arrays. Eletrônica Potência 2019, 24, 323–335. [Google Scholar] [CrossRef]
- Kadri, R.; Gaubert, J.-P.; Champenois, G. Nondissipative string current diverter for solving the cascaded DC–DC converter connection problem in photovoltaic power generation system. IEEE Trans. Power Electron. 2011, 27, 1249–1258. [Google Scholar] [CrossRef]
- Qin, S.; Cady, S.T.; Dominguez-Garcia, A.D.; Pilawa-Podgurski, R.C.N. A distributed approach to maximum power point tracking for photovoltaic submodule differential power processing. IEEE Trans. Power Electron. 2014, 30, 2024–2040. [Google Scholar] [CrossRef]
- Kesarwani, K.; Stauth, J.T. A comparative theoretical analysis of distributed ladder converters for sub-module PV energy optimization. In Proceedings of the 2012 IEEE 13th Workshop on Control and Modeling for Power Electronics (COMPEL), Kyoto, Japan, 10–13 June 2012; pp. 1–6. [Google Scholar]
- Meira Amaral da Luz, C.; Moreira Vicente, E.; Lessa Tofoli, F.; Roberto Ribeiro, E. Differential power processing architecture to increase energy harvesting of photovoltaic systems under permanent mismatch. Sol. Energy 2023, 263, 111940. [Google Scholar] [CrossRef]
- Kasper, M.; Herden, S.; Bortis, D.; Kolar, J.W. Impact of PV string shading conditions on panel voltage equalizing converters and optimization of a single converter system with overcurrent protection. In Proceedings of the 2014 16th European Conference on Power Electronics and Applications, Lappeenranta, Finland, 26–28 August 2014; pp. 1–10. [Google Scholar]























| Parameter | RSM020P | KS-10 |
|---|---|---|
| Open-circuit voltage | VOC = 21.60 V | VOC = 21.7 V |
| Short-circuit current | ISC = 1.23 A | ISC = 0.62 A |
| Voltage at the MPP | VMPP = 18.2 V | VMPP = 17.4 V |
| Current at the MPP | IMPP = 1.12 A | IMPP = 0.57 A |
| Maximum power | PMPP = 20 W | PMPP = 10 W |
| Parameter | Specification |
|---|---|
| Switching frequency | fs = 50 kHz |
| Maximum current ripple and characteristics of the filter inductors of the BBB converters | ΔIL1 = 10%·IPV(max), L1 = L2 = L3 = 3.2 mH, ferrite core NNE-30/15/7 by Thornton, 8 × AWG30, 42 turns, RL ≈ 0.15 Ω |
| Filter capacitor Cb | ΔVCb = 5%⸱VPV(min), electrolytic capacitor model B41822 by Siemens, 150 μF/100 V, ESR ≈ 300 mΩ |
| Resonant capacitor Cr | Metalyzed polyester capacitor model MKT368 by Philips, 1 μF/100 V, ESR ≈ 48 mΩ |
| Resonant inductor Lr | Lr1 = Lr2 = 10 μH, ferrite core NT-27/16/12 by Thornton, 10 × AWG30, 10 turns, RL ≈ 22 mΩ |
| Switches | MOSFET IPP082N10NF2 by Infieon, Rds(on) = 8.2 mΩ |
| Parameter | Quadro | ||
|---|---|---|---|
| Calculated | Simulated | Experimental | |
| ICLf(pk) | 0.864 A | 0.841 A | 0.840 A |
| ICLf(RMS) | 0.611 A | 0.581 A | 0.586 A |
| IS1(pk), IS2(pk), IS3(pk), IS4(pk) | 0.863 A | 0.871 A | 0.840 A |
| IS1(RMS), IS2(RMS), IS3(RMS), IS4(RMS) | 0.432 A | 0.433 A | 0.420 A |
| IS1(avg), IS2(avg), IS3(avg), IS4(avg) | 0.367 A | 0.371 A | 0.370 A |
| IL1(avg), IL2(avg) | 0 A | 0 A | 0 A |
| Parameter | Quadro | ||
|---|---|---|---|
| Calculated | Simulated | Experimental | |
| ICLf(pk) | 0.455 A | 0.446 A | 0.420 A |
| ICLf(RMS) | 0.314 A | 0.305 A | 0.297 A |
| IL1(avg) | 0.550 A | 0.550 A | 0.544 A |
| IS1(pk) | 0.982 A | 0.996 A | 0.964 A |
| IS1(RMS) | 0.690 A | 0.600 A | 0.590 A |
| IS1(avg) | 0.09 A | 0.1 A | 0.110 A |
| IS2(RMS) | 0.170 A | 0.218 A | 0.201 A |
| IS2(avg) | 0.460 A | 0.468 A | 0.456 A |
| IS3(pk), IS4(pk) | 0.432 A | 0.442 A | 0.418 A |
| IS3(RMS), IS4(RMS) | 0.216 A | 0.220 A | 0.209 A |
| IS3(avg), IS4(avg) | 0.138 A | 0.147 A | 0.133 A |
| Scenario | Tracking Time | Maximum Theoretical Power | Extracted Power | Efficiency | ||
|---|---|---|---|---|---|---|
| Turned-off Converter | Turned-on Converter | Turned-off Converter | Turned-on Converter | |||
| #1 | 25 ms | 80 W | 79.9 W | 98.8 W | 79.9% | 98.8% |
| #3 | 50 ms | 70 W | 58.0 W | 90.8 W | 63.0% | 98.7% |
| Scenario | Tracking Time | Maximum Theoretical Power | Extracted Power | Efficiency | ||
|---|---|---|---|---|---|---|
| Turned-off Converter | Turned-on Converter | Turned-off Converter | Turned-on Converter | |||
| #1 | 25 ms | 100 W | 79.9 W | 98.8 W | 79.9% | 98.8% |
| #2 | 50 ms | 72 W | 58.2 W | 71.2 W | 80.8% | 98.8% |
| #3 | 50 ms | 92 W | 58.0 W | 90.8 W | 63.0% | 98.7% |
Disclaimer/Publisher’s Note: The statements, opinions and data contained in all publications are solely those of the individual author(s) and contributor(s) and not of MDPI and/or the editor(s). MDPI and/or the editor(s) disclaim responsibility for any injury to people or property resulting from any ideas, methods, instructions or products referred to in the content. |
© 2024 by the authors. Licensee MDPI, Basel, Switzerland. This article is an open access article distributed under the terms and conditions of the Creative Commons Attribution (CC BY) license (https://creativecommons.org/licenses/by/4.0/).
Share and Cite
Amaral da Luz, C.M.; Okada, K.F.Á.; Morais, A.S.; Tofoli, F.L.; Ribeiro, E.R. Switched-Capacitor-Based Hybrid Resonant Bidirectional Buck–Boost Converter for Improving Energy Harvesting in Photovoltaic Systems. Sustainability 2024, 16, 10142. https://doi.org/10.3390/su162210142
Amaral da Luz CM, Okada KFÁ, Morais AS, Tofoli FL, Ribeiro ER. Switched-Capacitor-Based Hybrid Resonant Bidirectional Buck–Boost Converter for Improving Energy Harvesting in Photovoltaic Systems. Sustainability. 2024; 16(22):10142. https://doi.org/10.3390/su162210142
Chicago/Turabian StyleAmaral da Luz, Caio Meira, Kenji Fabiano Ávila Okada, Aniel Silva Morais, Fernando Lessa Tofoli, and Enio Roberto Ribeiro. 2024. "Switched-Capacitor-Based Hybrid Resonant Bidirectional Buck–Boost Converter for Improving Energy Harvesting in Photovoltaic Systems" Sustainability 16, no. 22: 10142. https://doi.org/10.3390/su162210142
APA StyleAmaral da Luz, C. M., Okada, K. F. Á., Morais, A. S., Tofoli, F. L., & Ribeiro, E. R. (2024). Switched-Capacitor-Based Hybrid Resonant Bidirectional Buck–Boost Converter for Improving Energy Harvesting in Photovoltaic Systems. Sustainability, 16(22), 10142. https://doi.org/10.3390/su162210142

