A Comprehensive Survey on Advancement and Challenges of DC Microgrid Protection
Abstract
1. Introduction
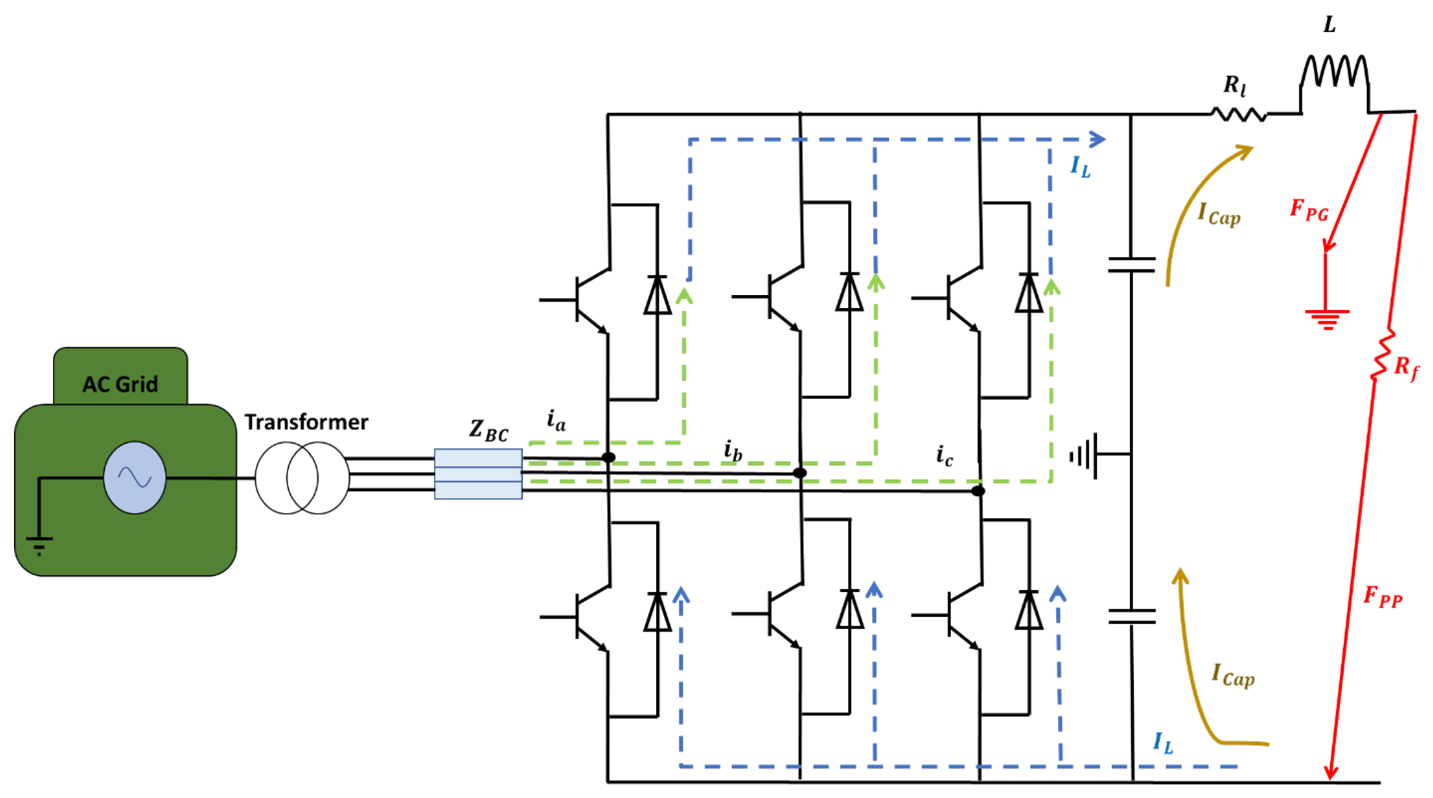
2. Faults Characteristics in DC Microgrids
2.1. Capacitor-Discharge Stage
2.2. Cable Discharge Stage
2.3. Grid-Side Current
3. Protection Challenges in DC Microgrid
3.1. Non-Radiality of DC Microgrids
3.2. The High Rising Rate of Fault Currents
3.3. Circuit Breakers
3.4. Fault Current Value Variation
4. Protection Methods in DC Microgrids
4.1. Current and Voltage Measurement-Based Protection
4.2. Current Derivative Protection
4.3. Directional Protection
4.4. Differential Protection
4.5. Distance Protection
4.6. Traveling Wave-Based Protection
4.7. Deep Learning-Based Protection
5. Fault Current Interception Schemes
5.1. Breaker-Based Methods
5.1.1. ACCBs
5.1.2. DCCBs
5.2. Breaker-Less Methods
5.2.1. Coordination-Based Methods
5.2.2. DC–DC Converters-Based Methods
- ⮚
- Once the fault occurs, converters switch to the current limiting mode to protect the DC network and enable detection and location of the fault.
- ⮚
- After enough time for fault detection and location, the current value is reduced to zero by proper control schemes of the converter, and the grid is de-energized.
- ⮚
- In this stage, no-load contactors or switches associated with the faulty line open to isolate the fault.
- ⮚
- After faulty section isolation, the system can be restored by regular converter operation.
- ⮚
- Galvanic isolation of the main power source is due to the input-to-output isolation feature of the transformer.
- ⮚
- Fault detection.
- ⮚
- Current control and limiting ability.
- ⮚
- Fault-tolerant capacity (FTC).
- ⮚
- Enabling breaker-less protection schemes.
6. Future Trends in DC Microgrid Protection
- ▪
- Smart Grid Integration and Communication-Based Protection Schemes: To move to smart grids, every grid component will use advanced computer-based technology. These technologies provide protection measures that improve grid resilience and reliability by enabling real-time communication between devices and control centers.
- ▪
- Coordination Protection: In a DC microgrid, circuit breakers and non-superconducting and superconducting fault current limiters are used. A better-coordinated protection scheme that includes these devices may minimize the dangers of DC faults.
- ▪
- Active Disturbance Rejection Controller (ADRC): The ADRC has been widely studied for AC systems; however, its application is limited to DC microgrids. Nonlinearities and uncertainties in DC microgrids can be better handled with improved ADRCs. AI-based fault detection and ADRC coordination can further reduce the impacts of faults in the DC microgrid.
- ▪
- IEDs in Smart Grid Systems: IEDs are critical components in modern grid protection systems due to their capability for high-speed data acquisition, processing, and control execution. The IED-based protection strategies utilize advanced algorithms and real-time data analytics to detect and swiftly precisely locate faults within the DC microgrid. This capability is essential for maintaining grid stability and minimizing disruption to power supply. Ongoing efforts are focused on addressing integration challenges to enhance the interoperability and functionality of IEDs across different microgrid architectures and operational scenarios, ensuring seamless integration and effective performance in smart grid environments.
- ▪
- SST for DC Microgrid Protection: SSTs are emerging as key devices for enhancing DC microgrid protection. They offer advanced functionalities such as power flow control, fault current limitation, and voltage regulation, which are crucial for maintaining grid stability and managing dynamic load variations. The deployment of SSTs requires a careful consideration of installation logistics, operational efficiency, and compatibility with existing grid infrastructure. Research focuses on optimizing SST designs and performance to maximize their benefits in diverse microgrid applications.
- ▪
- Microgrid Architecture and Optimal Design Considerations: The architecture of DC microgrids significantly influences the design and deployment of protection systems. Factors such as network topology, equipment configuration, and operational modes dictate the selection and configuration of protective devices and strategies.
- ▪
- Machine Learning (ML) Applications in DC Microgrid Protection: ML techniques are increasingly applied to enhance the efficiency and effectiveness of DC microgrid protection systems. ML algorithms enable advanced fault detection, prediction, and classification based on historical data patterns and real-time sensor inputs. This capability improves the accuracy of fault diagnosis and enables proactive maintenance strategies. Ongoing research focuses on overcoming data quality, model interpretability, and scalability challenges to ensure the practical deployment of ML-based protection solutions in DC microgrids.
- ▪
- Cybersecurity Considerations: Cybersecurity becomes increasingly critical as DC microgrids become more interconnected and reliant on digital communication. Future protection strategies must integrate robust cybersecurity measures to protect against potential cyber threats and ensure the integrity and security of grid operations.
- ▪
- Standardization and Interoperability: With the proliferation of diverse technologies and vendors in the smart grid space, standardization of protection protocols and interoperability between different components will be essential. Future trends will likely emphasize the development of open standards and protocols to facilitate seamless integration and compatibility across diverse DC microgrid environments.
7. Conclusions
Author Contributions
Funding
Data Availability Statement
Conflicts of Interest
References
- Uddin, M.; Mo, H.; Dong, D.; Elsawah, S.; Zhu, J. Microgrids: A Review, Outstanding Issues and Future Trends. Energy Strategy Rev. 2023, 49, 101127. [Google Scholar] [CrossRef]
- Ali, Z.M.; Calasan, M.; Aleem, S.H.E.A.; Jurado, F. Applications of Energy Storage Systems in Enhancing Energy Management and Access in Microgrids: A Review. Energies 2023, 16, 5930. [Google Scholar] [CrossRef]
- Hassan, Q.; Algburi, S.; Zuhair, A.; Salman, H.M.; Jaszczur, M. Results in Engineering Review Article A Review of Hybrid Renewable Energy Systems: Solar and Wind-Powered Solutions: Challenges, Opportunities, and Policy Implications. Results Eng. 2023, 20, 101621. [Google Scholar] [CrossRef]
- Aghmadi, A.; Mohammed, O.A. Energy Storage Systems: Technologies and High-Power Applications. Batteries 2024, 10, 141. [Google Scholar] [CrossRef]
- Abusaq, M.; Zohdy, M.A. Clean Technologies Optimizing Renewable Energy Integration through Innovative Hybrid Microgrid Design: A Case Study of Najran Secondary Industrial Institute in Saudi Arabia. Clean Technol. 2024, 6, 397–417. [Google Scholar] [CrossRef]
- Hamanah, W.M.; Hossain, M.I.; Shafiullah, M.; Abido, M.A. AC Microgrid Protection Schemes: A Comprehensive Review. IEEE Access 2023, 11, 76842–76868. [Google Scholar] [CrossRef]
- Isanbaev, V.; Baños, R.; Martínez, F.; Alcayde, A.; Gil, C. Monitoring Energy and Power Quality of the Loads in a Microgrid Laboratory Using Smart Meters. Energies 2024, 17, 1251. [Google Scholar] [CrossRef]
- Hafidz, I.S.A.; Priyadi, A.; Pujiantara, M.; Anggriawan, D.O.; Purnomo, M.H. Development of IoT-Based Portable Power Quality Monitoring on Microgrids by Enhancing Protection Features. IEEE Access 2024, 11, 49481–49492. [Google Scholar] [CrossRef]
- Saleem, M.U.; Shakir, M.; Usman, M.R.; Bajwa, M.H.T.; Shabbir, N.; Ghahfarokhi, P.S.; Daniel, K. Integrating Smart Energy Management System with Internet of Things and Cloud Computing for Efficient Demand Side Management in Smart Grids. Energies 2023, 16, 4835. [Google Scholar] [CrossRef]
- Cavus, M.; Allahham, A.; Adhikari, K.; Zangiabadi, M.; Giaouris, D. Energy Management of Grid-Connected Microgrids Using an Optimal Systems Approach. IEEE Access 2023, 11, 9907–9919. [Google Scholar] [CrossRef]
- Zografopoulos, I. Cybersecure and Resilient Power Systems with Distributed Energy Resources. Ph.D. Thesis, King Abdullah University of Science and Technology, Thuwal, Saudi Arabia, 2023. [Google Scholar]
- Abdi, N.; Albaseer, A.; Abdallah, M.; Member, S. The Role of Deep Learning in Advancing Proactive Cybersecurity Measures for Smart Grid Networks: A Survey. IEEE Internet Things J. 2024, 11, 16398–16421. [Google Scholar] [CrossRef]
- Aljohani, A.; Almuhaini, M.; Poor, H.V.; Binqadhi, H. A Deep Learning-Based Cyber Intrusion Detection and Mitigation System for Smart Grids. IEEE Trans. Artif. Intell. 2024, 1, 1–13. [Google Scholar] [CrossRef]
- Grids, P. Grid-Forming Converters for Stability Issues in Future Power Grids. Energies 2022, 15, 4937. [Google Scholar] [CrossRef]
- Inverter, G.; Response, F. Development of Grid-Forming and Grid-Following Inverter Control in Microgrid Network Ensuring Grid Stability and Frequency Response. Electronics 2024, 13, 1958. [Google Scholar] [CrossRef]
- Kama, M.; Ashraf, I.; Fernandez, E. Optimal Planning of Renewable Integrated Rural Microgrid for Sustainable Energy Supply. Energy Storage 2022, 4, e332. [Google Scholar] [CrossRef]
- Hamidieh, M.; Member, S.; Ghassemi, M.; Member, S. Microgrids and Resilience: A Review. IEEE Access 2022, 10, 106059–106080. [Google Scholar] [CrossRef]
- Loni, A.; Asadi, S. Power System Resilience: The Role of Electric Vehicles and Social Disparities in Mitigating the US Power Outages; Springer Nature: Singapore, 2024. [Google Scholar]
- Khaledi, A.; Saifoddin, A. Three-Stage Resilience-Oriented Active Distribution Systems Operation after Natural Disasters. Energy 2023, 282, 128360. [Google Scholar] [CrossRef]
- Osman, S.R.; Sedhom, B.E.; Kaddah, S.S. Optimal Resilient Microgrids Formation Based on Darts Game Theory Approach and Emergency Demand Response Program for Cyber-Physical Distribution Networks Considering Natural Disasters. Process Saf. Environ. Prot. 2023, 173, 893–921. [Google Scholar] [CrossRef]
- Ntombela, M.; Musasa, K.; Moloi, K. A Comprehensive Review of the Incorporation of Electric Vehicles and Renewable Energy Distributed Generation Regarding Smart Grids. World Electr. Veh. J. 2023, 14, 176. [Google Scholar] [CrossRef]
- Zafar, U.; Bayhan, S.; Member, S.; Sanfilippo, A. Home Energy Management System Concepts, Configurations, and Technologies for the Smart Grid. IEEE Access 2020, 8, 119271–119286. [Google Scholar] [CrossRef]
- Al-Ismail, F.S. DC Microgrid Planning, Operation, and Control: A Comprehensive Review. IEEE Access 2021, 9, 36154–36172. [Google Scholar] [CrossRef]
- Gust, G.; Brandt, T.; Mashayekh, S.; Heleno, M.; DeForest, N.; Stadler, M.; Neumann, D. Strategies for Microgrid Operation under Real-World Conditions. Eur. J. Oper. Res. 2021, 292, 339–352. [Google Scholar] [CrossRef]
- Alam, M.S.; Hossain, M.A.; Shafiullah, M.; Islam, A.; Choudhury, M.S.H.; Faruque, M.O.; Abido, M.A. Renewable Energy Integration with DC Microgrids: Challenges and Opportunities. Electr. Power Syst. Res. 2024, 234, 110548. [Google Scholar] [CrossRef]
- Saleh, M.; Esa, Y.; Mhandi, Y.; Brandauer, W.; Mohamed, A. Design and Implementation of CCNY DC Microgrid Testbed. In Proceedings of the 2016 IEEE Industry Applications Society Annual Meeting, Portland, OR, USA, 2–6 October 2016; pp. 1–7. [Google Scholar] [CrossRef]
- Hossain, E.; Kabalci, E.; Bayindir, R.; Perez, R. Microgrid Testbeds around the World: State of Art. Energy Convers. Manag. 2014, 86, 132–153. [Google Scholar] [CrossRef]
- Shiles, J.; Wong, E.; Rao, S.; Sanden, C.; Zamani, M.A.; Davari, M.; Katiraei, F. Microgrid Protection: An Overview of Protection Strategies in North American Microgrid Projects. In Proceedings of the 2017 IEEE Power & Energy Society General Meeting, Chicago, IL, USA, 16–20 July 2017; pp. 1–5. [Google Scholar] [CrossRef]
- Memon, D.A.; Ali, K.H.; Memon, A.A.; Ansari, J.A.; Badar, J.; Alharbi, M.; Banatwala, A.Z.; Kumar, M. Comparative Analysis and Implementation of DC Microgrid Systems versus AC Microgrid Performance. Front. Energy Res. 2024, 12, 1370547. [Google Scholar] [CrossRef]
- Fairley, P. DC versus AC: The Second War of Currents Has Already Begun [in My View]. IEEE Power Energy Mag. 2012, 10, 103–104. [Google Scholar] [CrossRef]
- Liu, X.; Wang, P.; Loh, P.C. A Hybrid AC/DC Micro-Grid. In Proceedings of the 2010 Conference Proceedings IPEC, Singapore, 27–29 October 2010; pp. 746–751. [Google Scholar] [CrossRef]
- Elsayed, A.T.; Mohamed, A.A.; Mohammed, O.A. DC Microgrids and Distribution Systems: An Overview. Electr. Power Syst. Res. 2015, 119, 407–417. [Google Scholar] [CrossRef]
- Bayati, N.; Hajizadeh, A.; Soltani, M. Protection in DC Microgrids: A Comparative Review. IET Smart Grid 2018, 1, 66–75. [Google Scholar] [CrossRef]
- Rao, G.K.; Jena, P. Fault Detection in DC Microgrid Based on the Resistance Estimation. IEEE Syst. J. 2021, 16, 1009–1020. [Google Scholar] [CrossRef]
- Mortezapour, V.; Lesani, H. Hybrid AC/DC Microgrids: A Generalized Approach for Autonomous Droop-Based Primary Control in Islanded Operations. Int. J. Electr. Power Energy Syst. 2017, 93, 109–118. [Google Scholar] [CrossRef]
- Unamuno, E.; Barrena, J.A. Hybrid AC/DC Microgrids—Part I: Review and Classification of Topologies. Renew. Sustain. Energy Rev. 2015, 52, 1251–1259. [Google Scholar] [CrossRef]
- Bodi, F.; Lim, E.H. 380/400V DC Powering Option. In Proceedings of the 2011 IEEE 33rd International Telecommunications Energy Conference (INTELEC), Amsterdam, The Netherlands, 9–13 October 2011; pp. 1–8. [Google Scholar] [CrossRef]
- Prabhala, V.A.; Baddipadiga, B.P.; Fajri, P.; Ferdowsi, M. An Overview of Direct Current Distribution System Architectures & Benefits. Energies 2018, 11, 2463. [Google Scholar] [CrossRef]
- Hamanah, W.M.; Abido, M.A.; Alhems, L.M. Optimum Sizing of Hybrid PV, Wind, Battery and Diesel System Using Lightning Search Algorithm. Arab. J. Sci. Eng. 2020, 45, 1871–1883. [Google Scholar] [CrossRef]
- Beheshtaein, S.; Cuzner, R.M.; Forouzesh, M.; Savaghebi, M.; Guerrero, J.M. DC Microgrid Protection: A Comprehensive Review. IEEE J. Emerg. Sel. Top. Power Electron. 2019, 1. [Google Scholar] [CrossRef]
- Mobarrez, M. DC Microgrids: Architectures, Control and Economic Analysis; North Carolina State University: Raleigh, NC, USA, 2018. [Google Scholar]
- Bharti, D.; De, M. Planning Framework for Optimal Resource Utilization Strategy in Microgrid. Arab. J. Sci. Eng. 2020, 45, 1927–1947. [Google Scholar] [CrossRef]
- Ensermu, G.; Bhattacharya, A.; Panigrahy, N. Real-Time Simulation of Smart DC Microgrid with Decentralized Control System Under Source Disturbances. Arab. J. Sci. Eng. 2019, 44, 7173–7185. [Google Scholar] [CrossRef]
- Alam, S.; Al-ismail, F.S.; Masiur, S.; Hossain, A. Planning and Protection of DC Microgrid: A Critical Review on Recent Developments. Eng. Sci. Technol. Int. J. 2023, 41, 101404. [Google Scholar] [CrossRef]
- Kumar, D.; Zare, F.; Ghosh, A. DC Microgrid Technology: System Architectures, AC Grid Interfaces, Grounding Schemes, Power Quality, Communication Networks, Applications, and Standardizations Aspects. IEEE Access 2017, 5, 12230–12256. [Google Scholar] [CrossRef]
- Javed, W.; Chen, D.; Farrag, M.E.; Xu, Y. System Configuration, Fault Detection, Location, Isolation and Restoration: A Review on LVDC Microgrid Protections. Energies 2019, 12, 1001. [Google Scholar] [CrossRef]
- Chandra, A.; Singh, G.K.; Pant, V. Protection Techniques for DC Microgrid—A Review. Electr. Power Syst. Res. 2020, 187, 106439. [Google Scholar] [CrossRef]
- Talaq, M.A.; Almuhaini, M.; Qadhi, H. Bin Renewable Energy Sources Contribution to Short Circuit Current. In Proceedings of the 2023 IEEE PES 15th Asia-Pacific Power and Energy Engineering Conference (APPEEC), Chiang Mai, Thailand, 6–9 December 2023; pp. 1–5. [Google Scholar] [CrossRef]
- Shah, H.; Chakravorty, J.; Chothani, N.G. Protection Challenges and Mitigation Techniques of Power Grid Integrated to Renewable Energy Sources: A Review. Energy Sources Part A Recover. Util. Environ. Eff. 2023, 45, 4195–4210. [Google Scholar] [CrossRef]
- Gomes, M.; Coelho, P.; Moreira, C. Microgrid Protection Schemes. Microgrids Des. Implement. 2018, 311–336. [Google Scholar] [CrossRef]
- Salomonsson, D.; Söder, L.; Sannino, A. Protection of Low-Voltage DC Microgrids. IEEE Trans. Power Deliv. 2009, 24, 1045–1053. [Google Scholar] [CrossRef]
- Meghwani, A.; Srivastava, S.C.; Chakrabarti, S. A New Protection Scheme for DC Microgrid Using Line Current Derivative. In Proceedings of the 2015 IEEE Power & Energy Society General Meeting, Denver, CO, USA, 26–30 July 2015; pp. 1–5. [Google Scholar] [CrossRef]
- Liu, W.; Chau, K.T.; Tian, X.; Wang, H.; Hua, Z. Smart Wireless Power Transfer—Opportunities and Challenges. Renew. Sustain. Energy Rev. 2023, 180, 113298. [Google Scholar] [CrossRef]
- Jo, S.; Li, G.; Kim, D. Design of Power Supply Based on Inductive Power Transfer System for Medium Voltage Direct Current Sensor. Electronics 2023, 12, 4702. [Google Scholar] [CrossRef]
- Auxiliary, A.; Circuit, P.; Regulations, A.O. An Auxiliary Passive Circuit and Control Design for Wireless Power Transfer Systems in DC Microgrids with Zero Voltage. Energies 2023, 16, 694. [Google Scholar] [CrossRef]
- Satpathi, K.; Thukral, N.; Ukil, A.; Zagrodnik, M.A. Directional protection scheme for MVDC shipboard power system. In Proceedings of the IECON 2016-42nd Annual Conference of the IEEE Industrial Electronics Society, Florence, Italy, 23–26 October 2016; pp. 3840–3847. [Google Scholar]
- Huang, A.Q. Medium-Voltage Solid-State Transformer: Technology for a Smarter and Resilient Grid. IEEE Ind. Electron. Mag. 2016, 10, 29–42. [Google Scholar] [CrossRef]
- Bineshaq, A.; Hossain, I.; Binqadhi, H.; Salem, A.; Abido, M.A. Design and Control of Two-Stage DC-AC Solid-State Transformer for Remote Area and Microgrid Applications. Sustainability 2023, 15, 7345. [Google Scholar] [CrossRef]
- Wang, D.; Emhemed, A.; Norman, P.; Burt, G. Evaluation of Existing DC Protection Solutions on an Active LVDC Distribution Network under Different Fault Conditions. CIRED Open Access Proc. J. 2017, 2017, 1112–1116. [Google Scholar] [CrossRef]
- Cervero, D.; Fotopoulou, M.; Muñoz-cruzado, J.; Rakopoulos, D.; Stergiopoulos, F.; Nikolopoulos, N.; Voutetakis, S.; Sanz, J.F. Solid State Transformers: A Critical Review of Projects with Relevant Prototypes and Demonstrators. Electronics 2023, 12, 931. [Google Scholar] [CrossRef]
- Debnath, S.; Qin, J.; Bahrani, B.; Saeedifard, M.; Barbosa, P. Operation, Control, and Applications of the Modular Multilevel Converter: A Review. IEEE Trans. Power Electron. 2015, 30, 37–53. [Google Scholar] [CrossRef]
- Ansari, J.A.; Liu, C.; Khan, S.A. MMC Based MTDC Grids: A Detailed Review on Issues and Challenges for Operation, Control and Protection Schemes. IEEE Access 2020, 8, 168154–168165. [Google Scholar] [CrossRef]
- Rao, G.K.; Jena, P.; Member, S. A Novel Fault Identification and Localization Scheme for Bipolar DC Microgrid. IEEE Trans. Ind. Informatics 2023, 19, 11752–11764. [Google Scholar] [CrossRef]
- Park, J.D.; Candelaria, J. Fault Detection and Isolation in Low-Voltage Dc-Bus Microgrid System. IEEE Trans. Power Deliv. 2013, 28, 779–787. [Google Scholar] [CrossRef]
- Microgrid, S.D.C. Detection and Classification For. IEEE Trans. Ind. Informatics 2023, 19, 11730–11741. [Google Scholar] [CrossRef]
- Bayati, N.; Baghaee, H.R.; Savaghebi, M.; Hajizadeh, A.; Soltani, M.N.; Lin, Z. DC Fault Current Analyzing, Limiting, and Clearing in DC Microgrid Clusters. Energies 2021, 14, 6337. [Google Scholar] [CrossRef]
- Salehimehr, S.; Brenna, M. A Novel Machine Learning-Based Approach for Fault Detection and Location in Low-Voltage DC Microgrids. Sustainability 2024, 16, 2821. [Google Scholar] [CrossRef]
- Monadi, M.; Zamani, M.A.; Candela, J.I.; Luna, A.; Rodriguez, P. Protection of AC and DC Distribution Systems Embedding Distributed Energy Resources: A Comparative Review and Analysis. Renew. Sustain. Energy Rev. 2015, 51, 1578–1593. [Google Scholar] [CrossRef]
- Wang, D.; Emhemed, A.A.S.; Burt, G.M. Improved Voltage-Based Protection Scheme for an LVDC Distribution Network Interfaced by a Solid State Smart Transformer. IET Gener. Transm. Distrib. 2019, 13, 4821–4829. [Google Scholar] [CrossRef]
- Fletcher, S.D.A.; Norman, P.J.; Galloway, S.J.; Burt, G.M. Determination of Protection System Requirements for DC Unmanned Aerial Vehicle Electrical Power Networks for Enhanced Capability and Survivability. IET Electr. Syst. Transp. 2011, 1, 137–147. [Google Scholar] [CrossRef]
- Jayamaha, D.K.J.S.; Lidula, N.W.A.; Rajapakse, A.D. Protection and Grounding Methods in DC Microgrids: Comprehensive Review and Analysis. Renew. Sustain. Energy Rev. 2020, 120, 109631. [Google Scholar] [CrossRef]
- Yang, J.; Fletcher, J.E.; O’Reilly, J. Short-Circuit and Ground Fault Analyses and Location in VSC-Based DC Network Cables. IEEE Trans. Ind. Electron. 2012, 59, 3827–3837. [Google Scholar] [CrossRef]
- Mirsaeidi, S.; Mat Said, D.; Wazir Mustafa, M.; Hafiz Habibuddin, M.; Ghaffari, K. Progress and Problems in Micro-Grid Protection Schemes. Renew. Sustain. Energy Rev. 2014, 37, 834–839. [Google Scholar] [CrossRef]
- Amleh, N.; AlMuhaini, M.; Khalid, M. Impact of Smart Restoration and Energy Storage Systems on the Reliability of Electric Microgrid. Arab. J. Sci. Eng. 2020, 45, 1911–1925. [Google Scholar] [CrossRef]
- Li, W.; Monti, A.; Ponci, F. Fault Detection and Classification in Medium Voltage Dc Shipboard Power Systems with Wavelets and Artificial Neural Networks. IEEE Trans. Instrum. Meas. 2014, 63, 2651–2665. [Google Scholar] [CrossRef]
- Hernandez, J.C.; Sutil, F.S.; Vidal, P.G. Protection of a Multi-terminal DC Compact Node Feeding Electric Vehicles on Electric Railway Systems, Secondary Distribution Networks, and PV Systems. Turk. J. Electr. Eng. Comput. Sci. 2016, 24, 3123–3143. [Google Scholar] [CrossRef]
- Baran, M.E.; Mahajan, N.R. Overcurrent Protection on Voltage-Source-Converter-Based Multi-terminal DC Distribution Systems. IEEE Trans. Power Deliv. 2007, 22, 406–412. [Google Scholar] [CrossRef]
- Qi, L.; Antoniazzi, A.; Raciti, L. DC Distribution Fault Analysis, Protection Solutions, and Example Implementations. IEEE Trans. Ind. Appl. 2018, 54, 3179–3186. [Google Scholar] [CrossRef]
- Wen, W.; Li, B.; Li, B.; Liu, H.; He, J.; Ma, J.; Li, Y. Analysis and Experiment of a Micro-Loss Multi-Port Hybrid DCCB for MVDC Distribution System. IEEE Trans. Power Electron. 2019, 34, 7933–7941. [Google Scholar] [CrossRef]
- Gnana Swathika, O.V.; Hemamalini, S. Prims-Aided Dijkstra Algorithm for Adaptive Protection in Microgrids. IEEE J. Emerg. Sel. Top. Power Electron. 2016, 4, 1279–1286. [Google Scholar] [CrossRef]
- Teimourzadeh, S.; Aminifar, F.; Davarpanah, M.; Guerrero, J.M. Macroprotections for Microgrids: Toward a New Protection Paradigm Subsequent to Distributed Energy Resource Integration. IEEE Ind. Electron. Mag. 2016, 10, 6–18. [Google Scholar] [CrossRef]
- Fletcher, S.D.A.; Norman, P.J.; Galloway, S.J.; Crolla, P.; Burt, G.M. Optimizing the Roles of Unit and Non-Unit Protection Methods within DC Microgrids. IEEE Trans. Smart Grid 2012, 3, 2079–2087. [Google Scholar] [CrossRef]
- Bidram, B.A.; Reno, M.J.; Ali, S.; Khalil, G. Trends in Dc Microgrids. IEEE Electrif. Mag. 2024, 12, 33–47. [Google Scholar] [CrossRef]
- Meghwani, A.; Srivastava, S.C.; Chakrabarti, S. Local Measurement-Based Technique for Estimating Fault Location in Multi-Source DC Microgrids. IET Gener. Transm. Distrib. 2018, 12, 3305–3313. [Google Scholar] [CrossRef]
- Shareef, R.; Mahmood, T.; Tariq, F. Enhanced Local Measurement Based Online Fault Location Technique for Low Voltage DC Distribution Network. In Proceedings of the 2022 5th International Conference on Energy Conservation and Efficiency (ICECE), Lahore, Pakistan, 16–17 March 2022; pp. 1–6. [Google Scholar]
- Cairoli, P.; Dougal, R.A.; Lentijo, K. Coordination between supply power converters and contactors for fault protection in multi-terminal MVDC distribution systems. Electr. Ship Technol. Symp. 2013, 499, 22–24. [Google Scholar]
- Saleh, K.A.; Hooshyar, A.; El-Saadany, E.F. Hybrid Passive-Overcurrent Relay for Detection of Faults in Low-Voltage DC Grids. IEEE Trans. Smart Grid 2017, 8, 1129–1138. [Google Scholar] [CrossRef]
- Sharma, S.; Tripathy, M.; Wang, L. A Novel Fault Detection and Classification Scheme for DC Microgrid Based on Transient Reactor Voltage with Localized Back-up Scheme. Int. J. Electr. Power Energy Syst. 2022, 142, 108275. [Google Scholar] [CrossRef]
- Meghwani, A.; Srivastava, S.C.; Chakrabarti, S. A Non-Unit Protection Scheme for DC Microgrid Based on Local Measurements. IEEE Trans. Power Deliv. 2017, 32, 172–181. [Google Scholar] [CrossRef]
- Meghwani, A.; Gokaraju, R.; Srivastava, S.C.; Chakrabarti, S. Local Measurements-Based Backup Protection for DC Microgrids Using Sequential Analyzing Technique. IEEE Syst. J. 2019, 14, 1159–1170. [Google Scholar] [CrossRef]
- Mohanty, R.; Pradhan, A.K. Protection of Smart DC Microgrid with Ring Configuration Using Parameter Estimation Approach. IEEE Trans. Smart Grid 2018, 9, 6328–6337. [Google Scholar] [CrossRef]
- Emhemed, A.A.S.; Fong, K.; Fletcher, S.; Burt, G.M. Validation of Fast and Selective Protection Scheme for an LVDC Distribution Network. IEEE Trans. Power Deliv. 2017, 32, 1432–1440. [Google Scholar] [CrossRef]
- Mohanty, R.; Pradhan, A.K. A Superimposed Current Based Unit Protection Scheme for DC Microgrid. IEEE Trans. Smart Grid 2018, 9, 3917–3919. [Google Scholar] [CrossRef]
- Ahmadi, S.; Sadeghkhani, I.; Shahgholian, G.; Fani, B.; Guerrero, J.M. Protection of LVDC Microgrids in Grid-Connected and Islanded Modes Using Bifurcation Theory. IEEE J. Emerg. Sel. Top. Power Electron. 2019, 9, 2597–2604. [Google Scholar] [CrossRef]
- Monadi, M.; Gavriluta, C.; Luna, A.; Candela, J.I.; Rodriguez, P. Centralized Protection Strategy for Medium Voltage DC Microgrids. IEEE Trans. Power Deliv. 2017, 32, 430–440. [Google Scholar] [CrossRef]
- Fletcher, S.D.A.; Norman, P.J.; Fong, K.; Galloway, S.J.; Burt, G.M. High-Speed Differential Protection for Smart DC Distribution Systems. IEEE Trans. Smart Grid 2014, 5, 2610–2617. [Google Scholar] [CrossRef]
- Dhar, S.; Patnaik, R.K.; Dash, P.K. Fault Detection and Location of Photovoltaic Based DC Microgrid Using Differential Protection Strategy. IEEE Trans. Smart Grid 2018, 9, 4303–4312. [Google Scholar] [CrossRef]
- Cairoli, P.; Dougal, R.A. Fault Detection and Isolation in Medium-Voltage DC Microgrids: Coordination between Supply Power Converters and Bus Contactors. IEEE Trans. Power Electron. 2018, 33, 4535–4546. [Google Scholar] [CrossRef]
- Bayati, N.; Baghaee, H.R.; Hajizadeh, A.; Soltani, M. Localized Protection of Radial DC Microgrids with High Penetration of Constant Power Loads. IEEE Syst. J. 2020, 15, 4145–4156. [Google Scholar] [CrossRef]
- Yang, Y.; Huang, C.; Xu, Q. A Fault Location Method Suitable for Low-Voltage DC Line. IEEE Trans. Power Deliv. 2020, 35, 194–204. [Google Scholar] [CrossRef]
- Jia, K.; Li, M.; Bi, T.S.; Yang, Q.X. A Voltage Resonance-Based Single-Ended Online Fault Location Algorithm for DC Distribution Networks. Sci. China Technol. Sci. 2016, 59, 721–729. [Google Scholar] [CrossRef]
- Ikhide, M.; Tennakoon, S.B.; Ha, H.; Griffiths, A.L.; Subramanian, S.; Adamczyk, A.J. A Transient and Non-Unit-Based Protection Technique for DC Grids Based on the Rate-of-Change (R-o-C) of the Fault Induced Travelling Wave Components. Sustain. Energy Grids Netw. 2019, 17, 100195. [Google Scholar] [CrossRef]
- Zhang, C.; Song, G.; Yang, L.; Dong, X. Non-Unit Travelling Wave Protection Method for Dc Transmission Line Using Waveform Correlation Calculation. IET Gener. Transm. Distrib. 2020, 14, 2263–2270. [Google Scholar] [CrossRef]
- Wu, J.; Li, H.; Wang, G.; Liang, Y. An Improved Traveling-Wave Protection Scheme for LCC-HVDC Transmission Lines. IEEE Trans. Power Deliv. 2017, 32, 106–116. [Google Scholar] [CrossRef]
- Jafarian, P.; Sanaye-Pasand, M. A Traveling-Wave-Based Protection Technique Using Wavelet/Pca Analysis. IEEE Trans. Power Deliv. 2010, 25, 588–599. [Google Scholar] [CrossRef]
- Jamali, S.Z.; Bukhari, S.B.A.; Khan, M.O.; Mehdi, M.; Noh, C.H.; Gwon, G.H.; Kim, C.H. Protection Scheme of a Last Mile Active LVDC Distribution Network with Reclosing Option. Energies 2018, 11, 1093. [Google Scholar] [CrossRef]
- Saleh, K.A.; Hooshyar, A.; El-Saadany, E.F. Ultra-High-Speed Traveling-Wave-Based Protection Scheme for Medium-Voltage DC Microgrids. IEEE Trans. Smart Grid 2019, 10, 1440–1451. [Google Scholar] [CrossRef]
- Saleh, K.; Hooshyar, A.; El-saadany, E.F. Fault Detection and Location in Medium-Voltage DC Microgrids Using Travelling-Wave Reflections. IET Renew. Power Gener. 2020, 14, 571–579. [Google Scholar] [CrossRef]
- Montoya, R.; Poudel, B.P.; Bidram, A.; Reno, M.J. DC Microgrid Fault Detection Using Multiresolution Analysis of Traveling Waves. Int. J. Electr. Power Energy Syst. 2022, 135, 107590. [Google Scholar] [CrossRef]
- Nagam, S.S.; Panda, R.K.; Mohapatra, A.; Anand, S. Gaussian Process Regression Based Fault Location in DC Microgrid. In Proceedings of the 2020 IEEE Texas Power and Energy Conference (TPEC), College Station, TX, USA, 6–7 February 2020; pp. 1–6. [Google Scholar]
- Pan, P.; Mandal, R.K. Learning Approach Based DC Arc Fault Location Classification in DC Microgrids. Electr. Power Syst. Res. 2022, 208, 107874. [Google Scholar] [CrossRef]
- Karmacharya, I.M.; Gokaraju, R. Fault Location in Ungrounded Photovoltaic System Using Wavelets and ANN. IEEE Trans. Power Deliv. 2018, 33, 549–559. [Google Scholar] [CrossRef]
- Yang, Q.; Li, J.; Le Blond, S.; Wang, C. Artificial Neural Network Based Fault Detection and Fault Location in the DC Microgrid. Energy Procedia 2016, 103, 129–134. [Google Scholar] [CrossRef]
- Guomin, L.; Yingjie, T.; Changyuan, Y.; Yinglin, L.; Jinghan, H. Deep Learning-Based Fault Location of DC Distribution Networks. J. Eng. 2019, 2019, 3301–3305. [Google Scholar] [CrossRef]
- Pugliese, H.; Von Kannewurff, M. Discovering DC: A Primer on Dc Circuit Breakers, Their Advantages, and Design. IEEE Ind. Appl. Mag. 2013, 19, 22–28. [Google Scholar] [CrossRef]
- Tang, L.; Ooi, B.T. Locating and Isolating DC Faults in Multi-Terminal DC Systems. IEEE Trans. Power Deliv. 2007, 22, 1877–1884. [Google Scholar] [CrossRef]
- Dewan, L. Advances in Renewable Energy and Sustainable Environment; Lecture Notes in Electrical Engineering 667; Springer: Berlin/Heidelberg, Germany, 2019; ISBN 9789811553127. [Google Scholar]
- Cuzner, R.; MacFarlin, D.; Clinger, D.; Rumney, M.; Castles, G. Circuit Breaker Protection Considerations in Power Converter-Fed Dc Systems. In Proceedings of the IEEE Electric Ship Technologies Symposium, Baltimore, MD, USA, 20–22 April 2009; ESTS 2009. pp. 360–367. [Google Scholar]
- Franck, C.M. HVDC Circuit Breakers: A Review Identifying Future Research Needs. IEEE Trans. Power Deliv. 2011, 26, 998–1007. [Google Scholar] [CrossRef]
- Pei, X.; Cwikowski, O.; Vilchis-Rodriguez, D.S.; Barnes, M.; Smith, A.C.; Shuttleworth, R. A Review of Technologies for MVDC Circuit Breakers. In Proceedings of the IECON 2016—42nd Annual Conference of the IEEE Industrial Electronics Society, Florence, Italy, 23–26 October 2016; pp. 3799–3805. [Google Scholar] [CrossRef]
- Schultz, T.; Herzog, P.; Franck, C.M. Interruption Limits of Mechanical Circuit Breakers and Circuit Upgrades for Current Injection in HVDC Circuit Breakers. High Volt. 2020, 5, 334–342. [Google Scholar] [CrossRef]
- Anselmo, I.S.; Rashid, M.H. Solid-State Circuit Breakers for D.C. Microgrid Applications. In Proceedings of the International Conference on Electrical, Communication, and Computer Engineering (ICECCE), Istanbul, Turkey, 12–13 June 2020; pp. 1–4. [Google Scholar]
- Shen, Z.J.; Sabui, G.; Miao, Z.; Shuai, Z. Wide-Bandgap Solid-State Circuit Breakers for DC Power Systems: Device and Circuit Considerations. IEEE Trans. Electron Devices 2015, 62, 294–300. [Google Scholar] [CrossRef]
- Almutairy, I. Solid State Circuit Breaker Protection Devices for DC Microgrid in Review. In Proceedings of the 2016 5th International Conference on Electronic Devices, Systems and Applications (ICEDSA), Ras Al Khaimah, United Arab Emirates, 6–8 December 2016; pp. 1–3. [Google Scholar] [CrossRef]
- Pang, T.; Rahman, M.F.; Manjrekar, M.D. A Ground Clamped Solid-State Circuit Breaker for DC Distribution Systems. In Proceedings of the 2020 IEEE Energy Conversion Congress and Exposition (ECCE), Detroit, MI, USA, 11–15 October 2020; pp. 989–994. [Google Scholar] [CrossRef]
- Sano, K.; Takasaki, M. A Surgeless Solid-State DC Circuit Breaker for Voltage-Source-Converter-Based HVDC Systems. IEEE Trans. Ind. Appl. 2014, 50, 2690–2699. [Google Scholar] [CrossRef]
- Shukla, A.; Demetriades, G.D. A Survey on Hybrid Circuit-Breaker Topologies. IEEE Trans. Power Deliv. 2015, 30, 627–641. [Google Scholar] [CrossRef]
- Callavik, M.; Blomberg, A.; Häfner, J.; Jacobson, B. The hybrid HVDC breaker. ABB Grid Syst. Tech. Pap. 2012, 361, 143–152. Available online: https://www.ingegneriaelettrica.net/documenti/ABB_hybrid-hvdc-breaker.pdf (accessed on 4 July 2024).
- Bingjian, Y.; Yang, G.; Xiaoguang, W.; Zhiyuan, H.; Longlong, C.; Yunhai, S. A Hybrid Circuit Breaker for DC-Application. In Proceedings of the 2015 IEEE First International Conference on DC Microgrids (ICDCM), Atlanta, GA, USA, 7–10 June 2015; pp. 187–192. [Google Scholar] [CrossRef]
- Corzine, K.A.; Ashton, R.W. A New Z-Source DC Circuit Breaker. IEEE Trans. Power Electron. 2012, 27, 2796–2804. [Google Scholar] [CrossRef]
- I, V.R.; Banavath, S.N.; Thamballa, S. Modified Z-Source DC Circuit Breaker with Enhanced Performance during Commissioning and Reclosing. IEEE Trans. Power Electron. 2021, 37, 910–919. [Google Scholar] [CrossRef]
- Zhou, Z.; Jiang, J.; Ye, S.; Yang, D.; Jiang, J. Novel Bidirectional O-Z-Source Circuit Breaker for DC Microgrid Protection. IEEE Trans. Power Electron. 2020, 36, 1602–1613. [Google Scholar] [CrossRef]
- I, V.R.; Naik, B.S.; Sreekanth, T. Modified Z-Source DC Circuit Breaker with Zero Negative Current in the Load. In Proceedings of the 2021 IEEE 12th Energy Conversion Congress & Exposition-Asia (ECCE-Asia), Singapore, 24–27 May 2021; pp. 1548–1553. [Google Scholar] [CrossRef]
- Subramaniam, K.; Illindala, M.S. Intelligent Three Tie Contactor Switch Unit-Based Fault Detection and Isolation in Dc Microgrids. IEEE Trans. Ind. Appl. 2020, 56, 95–105. [Google Scholar] [CrossRef]
- Qin, J.; Saeedifard, M.; Rockhill, A.; Zhou, R. Hybrid Design of Modular Multilevel Converters for HVDC Systems Based on Various Submodule Circuits. IEEE Trans. Power Deliv. 2015, 30, 385–394. [Google Scholar] [CrossRef]
- Cairoli, P.; Rodrigues, R.; Zheng, H. Fault Current Limiting Power Converters for Protection of DC Microgrids. In Proceedings of the SoutheastCon 2017, Concord, NC, USA, 30 March–2 April 2017. [Google Scholar] [CrossRef]
- Lu, D.D.C.; Soon, J.L.; Verstraete, D. Derivation of Dual-Switch Step-down DC/DC Converters with Fault-Tolerant Capability. IEEE Trans. Power Electron. 2016, 31, 6064–6068. [Google Scholar] [CrossRef]
- Shulin, L.; Jian, L.; Yang, Y.; Zhong, J. Design of Intrinsically Safe Buck DC/DC Converters. In Proceedings of the 2005 International Conference on Electrical Machines and Systems, Nanjing, China, 27–29 September 2005; Volume 2, pp. 1327–1331. [Google Scholar] [CrossRef]
- Xiao, Z. An Instantaneously Triggered Short-Circuit Protection Architecture for Boost Switching DC/DC Converters. IEEE Trans. Power Electron. 2018, 33, 5677–5685. [Google Scholar] [CrossRef]
- Li, B.; Lv, H.; Wen, W.; Liu, H.; Zhang, Z.; Li, G.; Li, B.; Wang, Y. Continuous Operation of LVDC Source/Load under DC Faults in MMC-DC Distribution Systems. Electr. Power Syst. Res. 2021, 194, 107065. [Google Scholar] [CrossRef]
- Chen, C.; Adam, G.P.; Finney, S.; Fletcher, J.; Williams, B. H-Bridge Modular Multilevel Converter: Control Strategy for Improved DC Fault Ride-through Capability without Converter Blocking. IET Power Electron. 2015, 8, 1996–2008. [Google Scholar] [CrossRef]
- López, M.; Rodríguez, A.; Blanco, E.; Saeed, M.; Martínez, Á.; Briz, F. Design and Implementation of the Control of an MMC-Based Solid State Transformer. In Proceedings of the 2015 IEEE 13th International Conference on Industrial Informatics (INDIN), Cambridge, UK, 22–24 July 2015; pp. 1583–1590. [Google Scholar] [CrossRef]
- Binqadhi, H.M.; Hossain, I.; Bineshaq, A. Fault Current Control of Three-Phase Dual Active Bridge DC—DC Converter Employing Modified Asymmetrical Duty Cycle Control Modulation. IEEE Access 2024, 12, 87348–87360. [Google Scholar] [CrossRef]
- De Doncker, R.W.A.A.; Divan, D.M.; Kheraluwala, M.H. A Three-Phase Soft-Switched High-Power-Density DC/DC Converter for High-Power Applications. IEEE Trans. Ind. Appl. 1991, 27, 63–73. [Google Scholar] [CrossRef]
- Hu, J.; Cui, S.; De Doncker, R.W. DC Fault Ride-Through of a Three-Phase Dual-Active Bridge Converter for DC Grids. In Proceedings of the 2018 International Power Electronics Conference (IPEC-Niigata 2018-ECCE Asia), Niigata, Japan, 20–24 May 2018; pp. 2250–2256. [Google Scholar] [CrossRef]
- Hu, J.; Stieneker, M.; Joebges, P.; De Doncker, R.W. Intelligent DC-DC Converter Based Substations Enable Breakerless MVDC Grids. In Proceedings of the 2018 IEEE Electronic Power Grid (eGrid), Charleston, SC, USA, 12–14 November 2018. [Google Scholar] [CrossRef]





| Architecture Type | Pros | Cons | Applications | |
|---|---|---|---|---|
| Radial |
|
|
| |
| Ring |
|
|
| |
| Interconnected | Mesh |
|
|
|
| Zonal |
|
|
| |
| Protection Method | Speed | Cost | Reliability | Selectivity | Sensitivity |
|---|---|---|---|---|---|
| Current and voltage measurement-based | Moderate (2–5 s) | Low (1–3) | Moderate (85–95%) | Moderate (70–85%) | Low/moderate (60–75%) |
| Distance | Slow/moderate (5–20 s) | Moderate (3–6) | High (95–99%) | High (85–95%) | Moderate (70–85%) |
| Directional | Moderate (2–5 s) | Moderate (3–6) | Moderate (85–95%) | High (85–95%) | Low/moderate (60–75%) |
| Differential | High (0.1–1 s) | High (6–10) | Moderate (85–95%) | High (90–98%) | High (80–95%) |
| Current derivative | High (0.1–1 s) | Low (1–3) | Moderate (80–90%) | Low (50–70%) | High (80–95%) |
| Traveling wave-based | High (0.1–1 s) | Moderate (3–6) | Moderate (85–95%) | High (90–98%) | Moderate (70–85%) |
| Machine learning-based | Slow/moderate (5–20 s) | Moderate (3–6) | Moderate (80–90%) | High (85–95%) | Moderate (60–75%) |
| DCCBs Type | Speed | Power Loss | Cost |
|---|---|---|---|
| MCB | Low (30–100 ms) | Very low | Low |
| SSCB | High (<100 µs) | Very high | High |
| HCB | High | Moderate | Very high |
| ZSCB | High | High | Moderate |
Disclaimer/Publisher’s Note: The statements, opinions and data contained in all publications are solely those of the individual author(s) and contributor(s) and not of MDPI and/or the editor(s). MDPI and/or the editor(s) disclaim responsibility for any injury to people or property resulting from any ideas, methods, instructions or products referred to in the content. |
© 2024 by the authors. Licensee MDPI, Basel, Switzerland. This article is an open access article distributed under the terms and conditions of the Creative Commons Attribution (CC BY) license (https://creativecommons.org/licenses/by/4.0/).
Share and Cite
Binqadhi, H.; Hamanah, W.M.; Shafiullah, M.; Alam, M.S.; AlMuhaini, M.M.; Abido, M.A. A Comprehensive Survey on Advancement and Challenges of DC Microgrid Protection. Sustainability 2024, 16, 6008. https://doi.org/10.3390/su16146008
Binqadhi H, Hamanah WM, Shafiullah M, Alam MS, AlMuhaini MM, Abido MA. A Comprehensive Survey on Advancement and Challenges of DC Microgrid Protection. Sustainability. 2024; 16(14):6008. https://doi.org/10.3390/su16146008
Chicago/Turabian StyleBinqadhi, Hamed, Waleed M. Hamanah, Md Shafiullah, Md Shafiul Alam, Mohammad M. AlMuhaini, and Mohammad A. Abido. 2024. "A Comprehensive Survey on Advancement and Challenges of DC Microgrid Protection" Sustainability 16, no. 14: 6008. https://doi.org/10.3390/su16146008
APA StyleBinqadhi, H., Hamanah, W. M., Shafiullah, M., Alam, M. S., AlMuhaini, M. M., & Abido, M. A. (2024). A Comprehensive Survey on Advancement and Challenges of DC Microgrid Protection. Sustainability, 16(14), 6008. https://doi.org/10.3390/su16146008

