Next Article in Journal
Waste Management of Wind Turbine Blades: A Comprehensive Review on Available Recycling Technologies with A Focus on Overcoming Potential Environmental Hazards Caused by Microplastic Production
Previous Article in Journal
Short Sea Shipping as a Sustainable Modal Alternative: Qualitative and Quantitative Perspectives
 
 
Font Type:
Arial Georgia Verdana
Font Size:
Aa Aa Aa
Line Spacing:
Column Width:
Background:
Article

Research on the Optimisation of Dual-Heat-Source Heating Systems in Nearly Zero-Energy Buildings

1
Jinan Wanrong Industry Development Group Co., Jinan 250307, China
2
Changchun Institute of Technology, School of Energy and Power Engineering, Changchun 130012, China
3
Jinan City Construction Group, Jinan 250014, China
4
School of Municipal and Environmental Engineering, Jilin University of Architecture and Technology, Changchun 130114, China
5
Jinqiu Street Office in Boxing County, Binzhou 256599, China
*
Authors to whom correspondence should be addressed.
Sustainability 2024, 16(11), 4516; https://doi.org/10.3390/su16114516
Submission received: 13 March 2024 / Revised: 30 April 2024 / Accepted: 15 May 2024 / Published: 26 May 2024
(This article belongs to the Section Green Building)

Abstract

A nearly zero-energy building is characterised by its low energy demand and enhanced thermal insulation, with great potential to integrate renewable energy systems to satisfy various demands and improve energy efficiency. Solar energy is a primary renewable energy resource that can be harnessed in different ways to provide electricity, heating, and cooling in building applications. In this study, a solar–ground-source heat pump system was designed and established in a nearly zero-energy building. The system’s performance was presented, and its control strategy was optimised. To evaluate and assess the operation of the solar energy system, an experimental setup was built, and the experiment was divided into two periods, taking into account the weather conditions. In the first experimental period, different parameters of the heating system were tested and evaluated. In this regard, the variation trends of the heat pump unit’s coefficient of performance, the system coefficient of performance, the collector start-up temperature difference, and the heat pump setting temperature were analysed under different parameter combinations. On this basis, the optimal operating parameters were identified for different heating periods. In the second period, the optimal operating parameters identified were used to carry out heating experiments. The results highlighted that the adoption of the preferred operating parameters increases the percentage of direct solar energy supply by 2.0%. Additionally, the system coefficient of performance increases by 8.9%, the unit coefficient of performance increases by 6.7%, the carbon emissions are reduced by 4.18 tonnes, the SO2 emissions are reduced by 0.143 tonnes, and the dust emissions are reduced by 0.1 tonnes. The findings of this study can provide useful data and a guiding reference for optimising and promoting the implementation of renewable-energy-driven heating systems for nearly zero-energy buildings in severe cold regions.

1. Introduction

China has set low-carbon development targets to reach a peak in carbon emissions by 2030 and achieve carbon neutrality by 2060 [1,2]. The construction sector accounts for around 38% of the global carbon emissions [3,4,5]. As the number of new buildings developed in China continues to grow, failure to effectively reduce the energy consumption and carbon emissions of the building sector will hinder the attainment of the energy efficiency and low-carbon development goals set in the country [6]. Thus, there is a need to promote energy efficiency and renewable energy use in buildings, to move further towards near-zero energy consumption [7]. This will aid in addressing energy and environmental goals and is a prerequisite to dealing with climate change. Recent studies have shown that expanding and scaling up the implementation of nearly zero-energy buildings (referred to as NZEBs, as explained in Appendix A) will lead to emission reductions of around 50%,supporting progress towards carbon neutrality in China [8].
According to published data, the total carbon emissions of the different periods and processes of the building sector in 2020 were around 5.08 billion tonnes of CO2, accounting for 50.9% of the national carbon emissions in China. In this regard, Figure 1 presents the carbon emissions resulting from each of the building stages, highlighting that the carbon emissions from the operation stage account for 21% of the total in China. On this basis, it is crucial to reduce the carbon emissions from the building operation stage, as a key milestone towards achieving the goal of near-zero energy consumption [9,10].
Furthermore, the energy consumption from heating during building operations accounts for a high proportion of the total energy consumption [11]. According to the estimations of the Building Energy Efficiency Centre of Tsinghua University, the carbon emissions from building operations staged in China were reported at a total of 2.1 billion tonnes in 2018, accounting for around 20% of the total emissions of the country. As a primary contributor, energy consumption through heating in northern cities and towns involved the burning of around 212 million tonnes of standard coal. This resulted in around 550 million tonnes of carbon emissions [12]. By the end of 2022, the total heating area in China’s northern region was 23.8 billion square metres, of which 75% was represented by cleaner heating [13]. The application of renewable energy for heating is a direct means to reduce carbon emissions from building operations. In the Chinese capital city of Beijing, for example, the use of renewable energy for heating has seen a rapid development since the launch of the renewable energy heating support policy in 2019 [14]. By the end of 2022, the total of area of the city heated using new energy sources reached a total of 106 million square metres. This can replace about 800 million cubic metres of gas per year and reduce carbon dioxide emissions by 1.7 million tonnes, with significant energy-saving and emission reduction effects during the operation phase of the building process [15]. The use of renewable energy for heating is not only necessary to upgrade the energy structure, achieve energy savings, and reduce emissions but also to control total energy consumption. It is also essential for realising sustainable energy development and advancing buildings towards near-zero energy consumption [16,17].
Scholars around the world have carried out research on renewable energy heating systems [18,19,20]. China’s northern region is rich in solar and geothermal energy resources. In this region, the energy loads from cooling buildings in summer are much smaller than those from heating buildings in winter. The use of ground-source heat pumps will inevitably reduce the underground temperature year by year; therefore, it is necessary to use solar energy to supplement the heat to make up for this shortcoming. Scholars recommend giving priority to solar and ground-source heat pump systems in near-zero-energy buildings in northern regions [21,22].
Many scholars have studied the optimisation of solar–ground-source heat pump systems. Substantial improvements have been achieved in the efficiency of energy equipment and systems through proactive technical measures [23].
Xie H et al. studied two different modes of operation of SGSHP(S)s. Two different SAGSHP system models were developed for simulation using TRNSYS. By analysing and comparing different simulation results, it was concluded that the series operation mode was superior to the parallel operation mode in the target building [24].
Sun C et al. focused on multiple objectives, including maximum solar heating capacity, the maximum COP of the heat pump, and minimum soil heating capacity. Comparing solar–ground-source heat pump systems with single ground-source heat pump systems, a model comprising one typical building and two heating strategies was established in TRNSYS. The research results showed that the optimised control strategy of the geothermal–solar heating system transfers solar hot water from the storage tank to heating terminals during the heating season. Compared to GSHP, this optimisation strategy saves 16.8 MWh annually, and the energy-saving rate is 20.59% [25].
The operational characteristics of the combined solar–ground-source heat pump system (referred to as SGSHPS) are influenced by local solar resources, climate characteristics, and operating modes. Qi Z et al. used TRNSYS software to construct three operation modes and obtain parameters such as the unit coefficient of performance (referred to as COP), the system COP, and buried pipe heat exchange. They compared and analysed the average system COP values obtained from experiments and simulations for each operation mode for a typical winter month (January). The average system COP for the operation of the soil-source heat pump for January was 3.26, while for tandem modes 1 and 2, it was 3.5 and 3.44, respectively. Tandem mode 1 exhibited 7% and 1.7% higher system COPs compared to the operation of the soil-source heat pump and tandem mode 2, respectively. This indicates that the tandem operation of the solar–ground-source heat pump is more energy-efficient than the operation of the soil-source heat pump system alone [26].
Lu S et al. presented the results of an experiment and the analysis of an SAGSHP for a cold area in Beijing. A TRNSYS model was established and verified to optimise the system strategy and analyse a 15-year period. Additionally, the main factors affecting solar collector selection were screened through sensitivity analysis. The results showed that the temperature difference in the optimised collector control is 10 degrees C/1 degree C, and that in the supplementary heat, it is 20 degrees C/1 degree C. The applicable scenarios of the two systems are different, and the energy efficiency of the system operation is increased by 23% and 23.4%, respectively. This provides a reference for the matching and selection of equipment for the same type of project in the future [27].
Berkane A et al. used various SAGSHP scenarios to meet the heating demand and provide domestic hot water for a 100 m2 area under various climatic conditions in the city of Batna, Algeria. Using TRNSYS software, the impacts on the performance of the studied system were simulated by adjusting the solar module inclination angle, the water tank volume, and the spacing of the buried pipes of the ground-source heat pump. They also optimised the system’s operating strategies, for example, through the combined operation of heat pumps and by varying the circulating medium flow rate to reduce the system’s operating costs [28].
The paper by Bulmez A M et al. highlights that SAGSHPs are currently a widely researched topic. Although vertical ground heat exchangers are the best tool for extracting heat from the earth, they are expensive. Horizontal ground heat exchangers are cheaper, but the downside is that they are not as efficient. It has been found that the efficiency of horizontal ground heat exchangers can be improved by adding auxiliary heat sources to shorten the ground freezing period [29].
Naranjo-Mendoza C et al. studied the SAGSHP of a domestic building owned and used by De Montfort University in Leicester, UK. This building is located in an area that has a temperate maritime climate, with warm winters and cool summers. In this research, an alternative approach is proposed that reduces the borehole depth by using an array of shallow bores (less than 2 m deep), with solar assistance. This configuration reduces the drilling costs by avoiding the use of expensive machinery (instead, a simple fence-post auger is used). This project improves future SAGSHP design by validating models that can predict the performance of a shallow vertical SAGSHP system for domestic building heating [30].
Emmi G et al. focused on the development of a flexible system able to work in different operating conditions. They carried out a case study of three weather conditions in Berlin (mild-cold climate), Venice (mild climate), and Barcelona (mild-warm climate), simulated with TRNSYS, in which the building load, the domestic hot water profile, and specific components’ parameters can be easily changed. The control strategy makes it possible to vary the setpoint temperatures to simulate different operating conditions and management choices. In this way, the user can easily adapt the model’s functions to a specific plant system [31].
Zhou Y et al. comprehensively discussed an integrated energy system for seasonal thermal energy storage in combination with ground-source heat pumps. Simulations were carried out to investigate the impact of the thermal energy storage capacity on the system cost, as well as the impact of the available solar area on the PV and vacuum tubes. This work sought to optimise investment, operating, and emission costs [32].
The research of Qu S et al. aimed to improve the performance of an office building based on a new operation strategy for an evacuated-tube solar collector–U-tube ground heat exchanger system. They proposed a new operation strategy, which controls the unit based on the load distribution of the building. Under this operation mode, the unit operates at a full-load rate for most of the operating time. Their study adopted the TRNSYS tool to develop a detailed simulation model. The simulation results were validated through experiments. As a result, compared with the traditional strategy, the proposed operation strategy can reduce the ground thermal imbalance in cold regions. The system coefficient of performance can be improved from 3.7 to 3.92 [33].
Li H et al. aimed to improve the performance of an absorption solar–ground-source heat pump (referred to as ASGSHP) through multi-objective optimisation. The best optimisation values for three optimisation variables, including the solar collector area, the storage tank volume and the setting temperature of the auxiliary heater, were obtained using the decision-making method. The optimisation rates for the environmental impact load and the equivalent uniform annual cost of the optimal point selected using the decision-making method were 10.9% and 3.4%, respectively [34].
Huang J et al. carried out experimental and theoretical investigations on the SAGSHP system for heating a village on the outskirts of Beijing. A TRNSYS model of the SAGSHP system was developed and validated against the measured data and an optimised solution was proposed. It is shown that adding a domestic hot water system to the original SAGSHP system will not only help to maintain the thermal balance of the ground but also reduce primary energy consumption for hot water by 70%. The system COP increases by 9.4% from 2.42 to 2.65, and the annual overall operating cost decreases from CNY 892,000 to CNY 794,000 with only a small increase in equipment cost. To ensure the thermal balance of the ground, there needs to be an optimal balance between the size of the ground heat storage, the collector area, and the tank volume [35].
The study by Lazzarin R et al. modelled the results of a glazed PVT, coupled with a ground-source heat pump. The use of glazed PVTs improves the thermal efficiency of the collector, while the coupling with the ground keeps the electrical efficiency high and prevents cell damage due to overheating. Dynamic simulation is used to determine the size and set up the appropriate control logic for the main equipment [36].
Wang Y et al. proposed an integrated SGSHPS system to achieve combined clean heating/cooling, reduce the irreversible loss from heat transfer, and increase the flexibility of the system by introducing double evaporators with different working fluids [37].
The problem of cold accumulation can degrade the performance of heat pumps. Gao Y et al. presented the design and optimisation of a solar-assisted storage system to solve this issue. A ground-source heat pump (referred to as GSHP) project was established using the transient system simulation program (referred to as TRNSYS). The simulation results showed that the optimised system could maintain a higher annual average COP because of the steady soil temperature. It provides a method for the design of a solar collector area that would need to be determined for seasonal heat storage in solar–ground-source heat pump systems [38].
Si Q et al. took a near-zero-energy building in a cold area of Beijing as an example and used TRNSYS to simulate and optimise the performance of the SAGSHP system configurations. Taking the ratio of the solar energy guarantee rate to the system energy consumption (f/Q) as the optimisation indicator, the researchers optimised the combination of the installation angle of the solar collector, the volume of the constant-temperature water tank, the heat pump unit capacity, the solar heat collection area, and the hot water storage tank parameters [39].
According to the work of Kim Y et al., solar–geothermal hybrid heat pump systems hold great promise for sustainable heating and cooling applications. However, the practical challenges and limitations have resulted in a lack of extensive field trials due to the associated time and financial constraints. As a result, previous studies have primarily relied on dynamic simulation tools to estimate the performance of prototype systems. The annual performance and efficiency of these hybrid systems are heavily influenced by the control logic of their individual components and the overall operation of the system. Consequently, there is a need for comprehensive studies on the sensitivity of system performance to variations in operational control. The sensitivity study presented in this paper revealed the advanced system control logic [40].
Considering the findings of previous research and investigations, it is noted that solar–ground-source heat pump systems have been gradually improved in terms of feasibility, component design parameters, system integration, operation modes, and control and management strategies. However, the evaluation of different operation modes and control strategies has major financial constraints and time limitations. Thus, the presented research, dealing with the operation modes and control strategies of the system, mostly adopted simulations, theoretical calculations, or simulation-based experimental approaches. In this regard, the use of experimental methods to optimise the system design and operation has been very limited [41]. Additionally, the simulation of the system has mostly focused on the system configuration optimisation, simulation software module optimization, and other aspects related to the solar–ground-source heat pump system, with very limited effort made to adjust the parameters in order to optimise the system performance using experimental methods.
Furthermore, it is very well demonstrated that running the solar–ground-source heat pump system employing fixed parameters or non-preferred parameters throughout the whole heating season would lead to insufficient or excessive energy supply in certain periods. This problem is addressed in this paper by considering different heating stages based on the outdoor meteorological conditions. In this work, different operating parameters are set, allowing for a good match between the heat pump energy supply and the heating demand of the building in different stages. Thus, the phenomenon of insufficient or excessive energy supply is avoided. In this regard, the solar–ground-source heat pump system is demonstrated as an energy-efficient alternative on the basis of guaranteeing the energy supply and indoor thermal comfort. In terms of the system parameters, there are many adjustable parameters, including the solar collector area, the number of holes drilled in the buried pipe, and the thermal conductivity of the heat exchanger piping. In this regard, the two most important system operating parameters to be considered are the solar collector start-up temperature difference and the heat pump set temperature [42,43]. On a microscopic level, the parameters of the heat pump and the solar collector start-up parameters are regulated. On a macroscopic level, a qualitative regulation is performed. According to the laws of thermodynamics, a change in temperature affects energy transfer. Thus, the control of temperature is a key factor in achieving energy transfer control and improving energy utilization [44]. Additionally, the regulation of the aforementioned temperature parameters is capable of controlling the switching of different operation modes of the system. This is a key factor in realising and optimising the energy-saving potential of the solar–geothermal heat pump system. On this basis, the research on the control strategy of these two parameters is important and timely, but there are very few experimental investigations in this area.
Aiming to satisfy the primary need for heating in the winter, people in the northern cold region of China rely heavily on fossil-fuel energy resources, which are detrimental to sustainable development and have adverse impacts on the environment. In the reported research on solar–geothermal heat pump systems in the literature, it could be noted that there is a lack of analyses of the situation in the northern cold region of China, with very few studies reporting the design and operation of such systems in this region. Additionally, there is a shortage of corresponding analytical data for better evaluation and assessment. In this paper, an experimental study of a solar–ground-source heat pump system control strategy is conducted in a demonstration near-zero-energy office building in Changchun, a typical northern cold region in China. In the experimental study, there is no need to modify the system configuration to optimise the cost and improve the energy utilisation of the heating system or the flexibility of operation. In addition, the key specifications and requirements of nearly zero-energy buildings are considered, such as high thermal insulation and airtightness levels, to fully harness the energy-saving potential of the heating system under the proposed control strategy. Overall, the experimental methodology and findings of this study can provide a reference basis for the design and operation optimisation and promotion of renewable energy-driven heating systems for near-zero-energy buildings in severe cold regions.

2. Materials and Methods

2.1. Research Methodology

In this paper, an experimental approach was used to optimise the parameters of the solar–ground-source heat pump system collector start-up temperature difference (the temperature difference between the collector and water tank) and the heat pump set temperature.
The entire heating period is divided into two experimental periods, with the central axis as the axis of symmetry, and has a similar weather temperature and solar radiation in the symmetrical interval. The weather in the severely cold region of Northeast China is suitable to conduct comparative experiments. In the first period, different parameters of the heating system were tested and evaluated. On this basis, the optimal operating parameters are identified for different heating periods. In the second period, the optimal operating parameters identified are used to carry out heating experiments.
The first experimental period and the second experimental period were subdivided into six stages, with the three stages in the first experimental period being the early stage, pre-mid stage, and mid-1 stage; and the three stages in the second experimental period being the mid-2 stage, mid-late stage, and late stage (Figure 2).
Parameter tests were conducted in the first experimental period, when temperature and solar radiation data were recorded on a daily basis. Different collector start-up temperature differences and heat pump set temperatures were set each day to measure the difference between the supply and return water temperatures of the heat pump unit, the daily power consumption of the unit, the power consumption of the pump on the ground-source side, and the power consumption of the pump on the end-load side.
According to the operating conditions of the system in previous years, there is a reasonable range of values for the collector start-up temperature difference and the heat pump set temperature, below or above which the system does not operate normally. We selected parameters within a reasonable range of values for parametric testing. The first period of the parameter test obtained the system operation data of each value parameter under different temperature and solar radiation weather conditions. By analysing the system operation pattern under different values of parameters at each stage, the preferred operation parameters for the three stages could be obtained.
In the second period, the preferred parameters were selected for the experiment because the three heating stages in the second period have similar weather conditions to the corresponding three heating stages in the first period. Thus, the system can be operated by selecting the preferred parameters in each stage of the second period according to the preferred parameters obtained in the first part. System operating parameters, such as the temperature difference between the supply and return water of the heat pump unit, the daily power consumption of the unit, and the power consumption of the pump at the ground-source end-load sides, were also measured.
In this study, a weather station was established on the roof of a building to monitor and record data on the climatic weather conditions every minute throughout the day. The temperature setpoint of the heat pump and the collector start-up temperature difference could be adjusted in the experimental setup through the visualisation panel. At 9:00 am every day, the two parameters were set, and they were also adjusted at the same time, taking into account the number of operating points. On this basis, the system’s operating mode could be switched. The heat pump system had temperature sensors at the inlet and outlet of each circuit to monitor and collect temperature data, and different data streams could be read through the system’s visualisation platform. The average evaporator temperature was around 3.5 degrees, and the average condenser temperature was around 37.5 degrees. Additionally, the system was equipped with a screen meter to record the power consumption of the pumps on the ground-source side and the end-load side, among other data. Figure 3 shows the equipment used for the experimental measurements.

2.2. Building Description

A demonstration building case study was considered in this work to implement and assess the proposed control strategy for the heating system. It is located in Changchun, Jilin Province, China.
The reasons for choosing this building as the experimental base for the heating system case study are as follows:
  • Geographic location: Changchun is located in a region with typical cold climate characteristics. Therefore, the building, as a test base, can provide research data on the performance of the heating system under cold conditions, which is of great significance for improving the applicability of the heating system in similar regions [45].
  • Application of advanced technology: This is a near-zero-energy-consumption building that adopts advanced heating technologies and equipment, such as ground-source heat pumps and solar heating. Through the optimisation of the heating system in this building, it is possible to assess the optimisation effect and performance of these advanced technologies in actual operation [46].
  • Control of experimental conditions: The use of a demonstration building as the test base allows for better control of the experimental conditions, including the thermal insulation of the envelope system and the adjustment of heating equipment parameters. This is conducive to accurately assessing the performance and energy efficiency of the optimised heating system.
  • Data collection and monitoring: Various sensors and types of monitoring equipment can be installed in the building to monitor the operation data of the heating system in real time, including the temperature, energy consumption, and other indicators. This can provide data support for the optimisation of the heating system.
  • Social demonstration: The test base has been labelled as a building with nearly zero-energy operation in the first round of evaluations carried out by the state. It has also been labelled as a model of “fine construction and precise operation” and included in the national “13th Five-Year Plan Best Case Study Collection of Near-zero Energy Buildings”, which is a case study test base for heating systems and can be made available to the public. Using this building as a test base for case studies on heating systems allows for advanced heating technologies and energy-saving solutions to be demonstrated to society, fully utilising the role of demonstration and leadership and promoting the evolution of both the construction industry and the market in the direction of more environmentally friendly and sustainable development [47].
The outlook of the NZEB is shown in Figure 4.

2.3. Experimental System Description

The solar–ground-source heat pump experimental setup established in this study can be divided into four major parts: a solar photothermal system, a heat exchange system of buried pipes, a heat pump circulation system, and an end-load system. The employed heating system integrates various operation modes, allowing the realisation of the experimental conditions. These modes include a solar collector heat cycle, a solar direct heat supply, a solar–ground-source heat pump coupling operation, and a ground-source heat pump system’s heat supply.
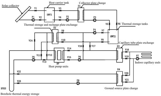
The operation schematic of the solar–ground-source heat pump system, as shown in Figure 5.
Overall, there exist nine kinds of circuits in the considered solar–ground-source heat pump heating system in this study. The different circulation loops are presented in Table 1.
Furthermore, the heating operation modes of the system in the demonstration building are solar direct supply mode, solar–ground-source heat pump coupling mode, and ground-source heat-pump direct-supply mode. It is worth noting here that these three cycles are independently controlled and coordinated in the overall system. This independent control allows for the coordinated operation of different systems and components.
The switching and conversion between different operating circuits in the solar–ground-source heat pump system are achieved through the opening and closing of the valves installed in the pipeline and the opening and closing of the water pump in the system. In the system, thermometers, flow meters, and water meters are integrated to monitor the different operational parameters during the experiments. Additionally, a number of temperature measurement points are set throughout the experimental system. The heat pump unit inlet and outlet temperatures and pressures are measured. In addition, the buried pipe heat exchanger inlet and outlet temperatures and pressures, as well as the solar collector inlet and outlet temperatures and pressures, are recorded. Similarly, the inlet and outlet temperatures and pressures of the heat storage tank (load side) and capillary tube end are measured. The monitored and recorded parameters and operational conditions are transmitted by the data acquisition system to the visualisation platform. This allows for evaluating and analysing the different experimental results and data streams in a systematic way.
This study focuses on the system operation in the winter season. Therefore, only the heating operation mode of the experimental system in winter is examined and analysed in the subsequent investigations. It is worth noting here that the system is able to recharge and make up heat in the transition season. This effectively prevents cold buildup. On this basis, the heat storage condition in the transition season and the cooling condition in the summer fall outside scope of this study and will not be examined in this paper.

2.4. Experimental Evaluation of the Solar–Ground-Source Heat Pump System

2.4.1. Heating Test Time Division

The weather station established on the roof of the demonstration building has allowed for recording key outdoor meteorological conditions and parameters during the heating period of the region in the past years, including the maximum and minimum outdoor temperatures, the average outdoor temperature, and the variation trend of the solar radiation. Based on these data, it is noted that the 15th of January can be considered the symmetry axis in terms of the climatic weather conditions, where the outdoor temperature and solar irradiation data are similar in the symmetry interval for the whole heating period. In this study, the experimental period is divided according to these meteorological data, as shown in Table 2.

2.4.2. Heating Experimental Programme

The six periods considered in this study are characterized by different outdoor ambient temperatures and solar radiation intensities, as well as different heat loads and operating characteristics of the heating room. In the first part, parameter testing is carried out, where the aim of this specific method is to change the two operating parameters of heat pump setpoint temperature and collector start-up temperature difference within a reasonable range. In this regard, the inlet and outlet temperatures and pressures of each of the heat pumps, the solar collector, the heat storage tank (load side), and those at the end of the capillary tubes are measured and recorded. The different data streams collected can be obtained through the visualisation platform. Measurement data can be obtained through the visualization platform during project construction (Figure 6). The energy monitoring platform was based on WCCV10-7.3 software (Changchun, China; the software version used is 7.3) system developed by the school–enterprise cooperation. Additionally, the system’s performance is evaluated under different solar radiation intensities and different outdoor temperatures. In each scenario, one of the operating parameters is set constant, while the other parameter is changed, and the obtained results are compared. In the second part of the experiment, the optimal parameters are chosen based on the outdoor ambient temperature and solar radiation intensity, allowing the system to meet the indoor load while ensuring energy-efficient operation.
On a holistic level, the hybrid solar–ground-source heat pump system can be divided into the heating system and the collector system. The control algorithm settings of the heating system and the collector system are shown in Table 3 and Table 4, respectively. It is worth noting here that the experiment in this paper is only concerned with the collector start-up temperature difference (the temperature difference between the collector and the water tank) and the heat pump setpoint temperature. On this basis, the influence of the other parameters on the system’s performance is not within the scope of this study.
The “Hybrid solar-ground source heat pump system 1” mode in the table indicates that the heat generated by the solar collector is delivered to the combined solar–ground-source heat pump heating system. Additionally, the “Hybrid solar-ground source heat pump system 2” mode indicates that the heat from the ground-source heat pump is delivered to the combined solar–ground-source heat pump heating system.

3. Results and Discussion

3.1. Calculation of the Experimental System Parameters during the Heating Period

As mentioned in the previous section, the main regulation parameters of the hybrid solar–ground-source heat pump system in the heating season are the collector start-up temperature difference (the temperature difference between the collector and the water tank outlet) and the heat pump setpoint temperature. The calculation formulas for the main experimental parameters of the system are presented below [48].
The calorific value Qh is given as follows:
Q h = C M Δ T
In Equation (1), C is the specific heat capacity, J/(kg· °C), M is the mass of water, kg, and ΔT is the temperature difference between water supply and return, °C.
The heat pump unit’s coefficient of performance COPHP is given in Equation (2).
C O P H P = Q 0 P 0
  • Q0 is the heat production capacity of the heat pump unit, kW;
  • P0 is the heat pump unit power consumption, kW.
The heat pump cycle coefficient of performance COPC is given n Equation (3):
C O P C = Q 0 P 0 + P S + P L
  • PS is the electricity consumption for pumps on the ground-source side, kW;
  • PL is the power consumption of the pump at the end load side, kW.
The coefficient of performance of the hybrid solar–ground-source heat pump system COPS is given in Equation (4).
C O P S = Q M + Q D P 0 + P S + P L + P D
In the above equation, QM is the solar direct heat supply, kW; QD is heat from direct solar heating; PS is the electricity consumption of the pumps on the ground-source side, kW; PL is the power consumption of the pump at the end-load side, kW; and PD is the sum of the power consumption of the direct supply circulation pump and the collector circulation pump, kW.
The pump consumption ratio α is given by
α = P S + P L P 0 + P S + P L × 100 %
The heat pump cycle power consumption, expressed as a percentage of β, is given by
β = P 0 + P S + P L P 0 + P S + P L + P D × 100 %

3.2. Analysis of the Experimental Results

3.2.1. Influence of the Heat Pump Setpoint Temperature on the System Performance

In the first period of the experimentation, the parameter testing was carried out. The heat pump temperature setpoint was varied as follows: 37 °C, 38 °C, 39 °C, 40 °C. Using the set of equations presented in Section 3.1, under different outdoor temperatures, solar radiation conditions, and heat pump setpoint temperatures, the different system outputs were obtained, including the heat pump unit heat output, Q0, the heat pump unit heating power, P0, the heat pump unit’s coefficient of performance, COPHP, the heat pump circulatory system coefficient of performance COPC, and pump consumption as a percentage of α. The results of the different system outputs are shown in Figure 7 and Figure 8.
Figure 7 reveals that when the setpoint temperature of the primary heat pump is raised from 37 °C to 40 °C, there is a discernible rise in both the heat output generated by the heat pump and the corresponding heating power. As the set temperature of the heat pump is elevated, the cycle of the pump is adjusted accordingly, resulting in an increase in the supply temperature of the water at the output side. This adjustment enhances the heat transfer at the terminal unit, thereby elevating the instantaneous heat load inside the building and consequently, amplifying the heat production. Moreover, to fulfil the heightened demand for higher-grade heat within the system, the heat pump unit intensifies its heat output, which is facilitated by an increase in the thermal output of the unit’s compression mechanism.
Figure 8 presents the results of the first period of experimentation, with the change in the heat pump setpoint temperature from 37 °C to 40 °C. It is noted that with the increase in the heating setpoint from 37 °C to 40 °C, the pump unit’s coefficient of performance decreases from 3.51 to 3.21. At the same time, the heat pump cycle coefficient of performance decreases from 2.87 to 2.72. The decrease in the coefficient of performance with the increase in the setpoint temperature can be explained by the principle of the inverse Carnot cycle: under the same conditions of heat production, in the case of a relatively stable low-temperature heat source soil temperature, the higher the temperature of the water outlet at the load side of the high temperature heat source, the higher the electricity consumed by the heat pump unit. As a result, the coefficient of performance of the heat pump unit and the coefficient of performance of the heat pump cycle decrease with an increase in the setpoint temperature. In addition, as shown in Figure 8, under the four examined system conditions, the pump’s consumption accounts for a major proportion of the system’s electricity consumption, at about 26% to 32%. Under these conditions, the pump power’s consumption is found to be much larger than the heat pump unit’s power consumption. It is also noted that the trend of the heat pump cycle coefficient of performance is relatively flat with the changes in the heat pump setpoint temperature.
During the heating season, the outdoor temperature decreases drastically in cold regions, and the solar radiation intensity is reduced as well. Thus, the indoor thermal comfort load increases, leading to a higher heating demand. Due to this decrease in the ambient temperature, along with the decrease in the solar radiation intensity, there is a need to increase the temperature setpoint of the heat pump to respond to the increased indoor load. It is worth noting here that the load shall be met under the premise of a lower heat pump setpoint temperature.

3.2.2. Influence of the Collector Tank Start-Up Temperature Difference on the System Performance

In the first period of the experiment conducted in this study, the collector start-up temperature difference is set to 7 °C, 9 °C, 11 °C, 13 °C, and 15 °C. When analysing the data collected under the same weather conditions, the variation in the heat pump cycle power consumption ratio and the solar–ground-source heat pump system coefficient of performance, with the increase in the collector start temperature difference, are reported. The results are presented in Figure 9.
As seen in Figure 9, there is a noticeable trend with the variation in the collector start-up temperature difference, where it is observed that as this temperature difference increases from 7 °C to 15 °C, the proportion of power consumption attributed to the heat pump cycle also rises progressively. Concurrently, there is a gradual decline in the coefficient of performance of the solar–ground-source heat pump system. Specifically, when the temperature difference rises from 7 °C, the heat pump cycle’s share of power consumption increases from approximately 65.9% to about 68.4%. In tandem with this, the system’s COP decreases from an initial value of 4.12 to 3.94. This illustrates the inverse relationship between the collector start-up temperature difference and the system efficiency.
As shown in Figure 9, with the increase in the solar collector start-up temperature difference from 7 °C to 15 °C, the proportion of the heat pump cycle power consumption also increases gradually, while the coefficient of performance of the solar–ground-source heat pump system decreases gradually. By analysing the data presented in the Figure 9, it can be concluded that reducing the solar collector start-up temperature difference leads to an increase in the proportion of direct solar energy supply and an improvement in the coefficient of performance of the combined solar–ground-source heat pump system. It should be noted here that the solar radiation intensity is weak before 10.00 am on days of the heating season. If the solar collector start-up temperature difference is set too low, the solar collector cycle will start a bit early, with successive starting and stopping of the collector cycle several times. This phenomenon is unfavourable for the collector pump component. On this basis, the solar collector start-up temperature difference should also not be set at a very low value.
The operation results of the solar–ground-source heat pump system under different heat pump temperature setpoints and different solar collector start-up temperature differences during each period of the heating season in the first period are collected and analysed. In the evaluation, different system output parameters are considered, including the coefficient of performance of the heat pump and that of the solar–ground-source heat pump system. The system operation is analysed, allowing for the selection of the proper control strategy of the solar–ground-source heat pump system in each of the operation periods.
Through the first period of the experiment, the preferred parameters for each stage of the solar–ground-source heat pump system were obtained (the actual operation could be slightly adjusted according to the heat load of the day). Only one preferred parameter was identified for each period, at which the system had a high COP. The heat pump set temperature and the collector start-up temperature difference were the parameters that were selected most frequently for each period of experimentation. In Table 5, 39 °C/07 °C means a heat pump set temperature of 39 °C and a collector start-up temperature difference of 07 °C. The rest of the parameters are similar.
After completing the first period of experimentation and testing the different parameters, the heat pump setpoint temperature and the collector start-up temperature difference were selected in the second period of evaluation based on the optimal operating parameters obtained.
Through the two-stage experiments presented in Table 6, the total heat supply and power consumption of the system in each stage were obtained on the visualisation digital platform.

3.3. Comparative Analysis of the Operation Results under the Control Strategy

Considering the operating parameters, the coefficient of performance of the solar–ground-source heat pump system and that of the heat pump unit were calculated for each of the evaluated periods. The results obtained are presented in Figure 10. The data points in Figure 10 represent the total system COP derived from the total system heat production and total electricity consumption for each heating phase.
As shown in Figure 10, the coefficient of performance of the solar–ground-source heat pump system and that of the heat pump unit exhibit a decreasing trend. When implementing the control strategy, it is noted that in the last stage of the heating period, the coefficients of performance increased by about 4.2% compared to those reported in the early stage. Additionally, the coefficients of performance in the mid-late stage are increased by about 9.9% compared to those reported in the pre-mid stage. It is also shown that the coefficients of performance of the mid-2 stage are increased by 11.7% compared to those of the mid-1 stage. Furthermore, when implementing the developed control strategy, the average improvement in the coefficient of performance of the solar–ground-source heat pump system in the second stage is about 8.6%.
As shown in Figure 11, when implementing the control strategy, the coefficient of performance of the heat pump unit in the late stage of the heating period is improved by about 2.8% compared to that in the early stage of the first period. Additionally, the coefficient of performance of the system in the mid-late stage is improved by about 8.6% compared to that reported in the pre-late stage. It is also noted that the coefficient of performance of the heat pump unit in the mid-2 stage part of the second period is improved by about 6.7% compared to that in the mid-1 stage part of the first period. On average, the coefficient of performance in the second stage is improved by about 6.0% through the implementation of the control strategy.
In summary, it has been demonstrated that the implementation of the control strategy improves the energy efficiency of the system operation. For the combined solar–ground-source heat pump system in the heating season, it is noted that under the same operating parameters, the better the outdoor meteorological conditions, the larger the amount of heat delivered by the thermal collector, the longer the running time of the solar direct cycle, and the larger the percentage of the heat of the solar direct cycle within the total heat delivered. Moreover, under the same outdoor meteorological conditions, the smaller the start-up temperature difference of the collector cycle, the earlier the solar direct supply cycle starts, and the higher the solar direct supply cycle heat share due to the increase in operation time. At the same time, the solar–ground-source heat pump system coefficient of performance increases. However, it is worth noting here that the collector starting temperature difference cannot be set to a very low value. This will lead to the frequent starting and stopping of the collector cycle, and it has a negative effect on the collector heat pump. If on a specific day during the heating season, the ambient conditions include clouds, fog, haze, rain, or snow, along with other severe weather conditions, the temperature setpoint of the heat pump should be adjusted to realise the efficient operation of the heat pump and allow for meeting the heating demand and indoor thermal comfort requirements. On the other hand, on a sunny day, the collector start-up temperature difference should be adjusted to increase and prioritise the solar energy direct heat supply as much as possible.

3.4. Analysis of the Energy-Saving and Environmental Impacts of the Dual-Heat-Source Combined Heating System

The weight of standard coal saved is analysed by comparing a combined-heat-source heating system with a conventional boiler using a standard coal conversion method.
The same calorific consumption of standard coal mass is supplied:
M b 1 = q Q j
  • Mb1—quality of standard coal saved, kg;
  • Qj —total heat pump system heat supply, GJ;
1 MJ = 10−3 GJ
q—average coal consumption per unit of heating in boiler rooms, kgce/GJ, taken as 47.0 [49];
1   t = 10 3   kg
This value is calculated as 13.05 tonnes of standard coal for the same amount of heat.
The system’s power consumption is converted into the mass of coal and calculated as follows:
M b 2 = α Q j ;
  • Mb2—conversion of system power consumption to standard coal mass, kg;
  • α—national standard coal consumption for electricity supply, kg/kW·h, taken as 0.306 [50];
  • Qj—total electricity consumption of the heat pump system, kW·h;
M b = M b 1 M b 2
Mb—quality of standard coal saved, kg;
1   kWh = 3.6   MJ
The total building heat supply in the dual-heat-source combined heating system is calculated to be 277,840.8 MJ. To supply the same amount of heat requires the consumption of 13.05 tonnes of standard coal. The dual-heat-source combined heating system consumes 19,261 kWh of electricity, which translates into approximately 5.9 tonnes of standard coal. Therefore, the dual-heat-source combined heating system saves approximately 7.15 tonnes of standard coal per year.
The impact of dual-heat-source heating systems on the atmospheric environment is evaluated and analysed primarily on the basis of the amount of greenhouse gases and pollutant gases produced relative to the amount of primary energy consumed by conventional heating systems.
Based on the reduction in the amount of standard coal consumed due to the implementation of the renewable energy-driven heating system, the reduction in the emissions of pollutants (carbon dioxide, sulphur dioxide, and dust) can be represented as described below [51].
The CO2 emission reduction is given as follows:
M C O 2 = M b × V C O 2
  • M C O 2 is the CO2 emission reduction, kg (1 t = 103 kg);
  • V C O 2 is the CO2 emission factor for standard coal, kgc/kgce, taken as 2.60 [52].
Then, the CO2 reduction of the heating system with dual-heat sources is 15.34 tons per year.
CO2 contains one carbon atom and two oxygen atoms and has a molecular weight of 44 (12 carbon atoms and 16 oxygen atoms).
The process of converting CO2 emissions to carbon emissions is given in Equation (14):
M C = 12 44 M C O 2
The savings in carbon emissions are calculated to be 4.18 tons per year.
The SO2 emission reductions (MS) are given in Equation (15).
M S = M b × V S
  • MS is the SO2 emission reduction, kg;
  • VS is the SO2 emission factors for quasi-coal, kgs/kgce, taken as 0.02;
The SO2 reduction for the heating system with dual-heat sources is then 0.14 tons.

4. Conclusions

At this stage, the state is actively promoting the development of NZEB, contributing to the realisation of China’s “double-carbon” goal. This paper takes a NZEB as a platform to study the optimisation of the control strategy of the solar–ground-source heat pump heating system in the NZEB. The energy-saving characteristics of this exemplary NZEB envelope, such as no thermal bridges, high airtightness, and good thermal insulation, have led to better results in the experimental studies conducted in this paper compared to those conducted in conventional buildings.
This paper investigates the application of dual-heat-source heating systems in a NZEB, mainly through experimental methods. The experiment was divided into two periods, taking into account the weather conditions. In the first experimental stage, different parameters of the heating system were tested and evaluated. In this regard, the variation trends of the heat pump unit COP, system COP, collector start-up temperature difference, and heat pump setting temperature were analysed under different parameter combinations. On this basis, the optimal operating parameters were identified for different heating periods. In the second stage, the optimal operating parameters identified were used to carry out heating experiments, and the results of the two stages of the operation were compared and analysed.
The coefficient of performance of the solar–ground-source heat pump system and that of the heat pump unit exhibited a decreasing trend. When implementing the control strategy, it was noted that in the last stage of the heating period, the coefficients of performance increased by about 4.2% compared to those reported in the early stage. Additionally, the coefficients of performance in the mid-late stage increased by about 9.9% compared to those reported in the pre-mid stage. It was also shown that the coefficients of performance of the mid-2 stage increased by 11.7% compared to those of the mid-1 stage. Furthermore, when implementing the developed control strategy, the average improvement in the coefficient of performance of the solar–ground-source heat pump system in the second stage was about 8.6%.
When implementing the control strategy, the coefficient of performance of the heat pump unit in the late stage of the heating period was improved by about 2.8% compared to that in the early stage of the first period. Additionally, the coefficient of performance of the system in the mid-late stage was improved by about 8.6% compared to that reported in the pre-late stage. It was also noted that the coefficient of performance of the heat pump unit in the mid-2 stage part of the second period was improved by about 6.7% compared to that in the mid-1 stage part of the first period. On average, the coefficient of performance in the second stage was improved by about 6.0% through the implementation of the control strategy.
By adjusting the operation strategy of the dual-heat-source heating system, the annual carbon emissions saved are 4.18 tons, and the SO2 emission reduction of the dual-heat-source heating system is 0.14 tons. Adjusting control strategies effectively reduces pollution, such as carbon emissions from green buildings, and provides a reference for environmentally sustainable development.
Although this study improved the system performance and achieved better energy savings, some issues exist in this system and need further improvement.
First, the current study lacks the economic analysis of the system, such as the analysis of the benefits generated by the system using the control strategy, etc. The economic analysis helps to promote the application of the system control strategy, and this aspect can be improved in the future.
Second, although the system control strategy has been optimised through the experiments, the working condition points obtained from the short-term experiments are not comprehensive, and the control strategy given is not precise enough, which can further refine the division of the system operation stage and find the relationship curve between the system operation parameters and the outdoor meteorological conditions. This would help achieve the real-time adjustment of the system operation parameters according to the changes in the outdoor meteorological conditions, thereby achieving the real significance of the on-demand supply of energy and saving energy consumption.
Third, the control strategy of the heating season system is currently being studied, but there is a lack of research on the control strategy for the non-heating season system to manage heat distribution, etc., and this part can be improved in the future.
Finally, despite the fact that the data obtained from a series of short-term experiments in this study show the characteristics of the system, it is also necessary to collect long-term data.
The positioning of an NZEB building is the result of many interrelated factors, of which the optimisation of operational parameters is only one.
The goal of an NZEB building is to meet its energy needs from self-generated energy within a certain timeframe, thus achieving a balance between annual energy consumption and energy supply. Achieving NZEBs is not only dependent on optimising the operating parameters, but also on factors such as the building design, the choice of materials, the local climate of the geographic location, the availability and cost of renewable energy sources, and the behavioural patterns of the building’s occupants. These elements work together to determine the success of an NZEB project, and the following aspects can be studied in the future:
  • Building design: Reduce the energy consumption of the building by utilising passive design strategies, such as natural ventilation, daylight analysis, and thermal mass optimisation. The building orientation, window size and location should also be considered to maximise the use of natural light and improve energy efficiency.
  • Energy efficiency: Improving the energy efficiency of the systems and equipment within the building is an important aspect of achieving NZEBs. This includes efficient heating, ventilation, and air conditioning (HVAC) systems; energy-efficient lighting; and high-performance building insulation systems. By reducing energy demand, we can move buildings towards near-zero energy consumption. The initial construction cost of NZEBs is higher than that of conventional buildings, and more research is needed to evaluate the long-term economic benefits.
  • Integration of renewable energy: In order to achieve the goal of near-zero energy, renewable energy technologies (e.g., solar photovoltaic (PV) panels, wind power, and geothermal energy) need to be integrated into the building design. This requires optimising the selection and layout of renewable energy sources to ensure maximum use of these resources.
  • User behaviour and operations management: The final energy consumption level of a building is significantly influenced by user behaviour. Instructing occupants on how to use the building and equipment efficiently, as well as applying an intelligent building management system to optimise day-to-day operations, is critical to achieving the NZEB standard for today.

Author Contributions

Conceptualization, Q.H. and W.X.; methodology, Q.H. and W.X.; software, H.Z.; validation, Q.H.; formal analysis, Q.H. and Y.W.; data curation, Q.H. and Z.Z.; writing—original draft preparation, Q.H.; writing—review and editing, Q.H. and Y.W.; supervision, J.T. and Z.Z. All authors have read and agreed to the published version of the manuscript.

Funding

This research was funded by research and demonstration of ultra-low energy consumption buildings in severe cold regions, Grant No. 20170204023SF; Jilin Provincial Science and Technology Department-Key Science and Technology Research Projects in the Field of Social Development (research and demonstration of ultra-low energy consumption buildings in severe cold regions), Grant No. 20170204023SF.

Institutional Review Board Statement

Not applicable.

Informed Consent Statement

Not applicable.

Data Availability Statement

The data presented in this study are contained within the article.

Conflicts of Interest

Author Qingying Hou was employed by the company Jinan Wanrong Industry Development Group Co. The remaining authors declare that the research was conducted in the absence of any commercial or financial relationships that could be construed as a potential conflict of interest.

Appendix A. Nearly Zero-Energy Building

Adapting to climate characteristics and site conditions, minimising building heating, using air conditioning sustainably, and lighting safety requirements should be considered through passive building design. The efficiency of the energy equipment and systems should be maximized through proactive technical measures. Renewable energy should be used to provide a comfortable indoor environment, with minimal energy consumption. Buildings meeting the standard requirements for indoor environmental parameters and energy efficiency indicators should achieve a reduction in energy consumption levels of more than 60% to 75% compared to the National Standard ‘Energy Efficiency Design Standard for Public Buildings’ GB50189-2015 and the industry standards, including the ‘Energy Efficiency Design Standard for Residential Buildings in Severe Cold and Cold Regions’ JGJ26-2010, the ‘Energy Efficiency Design Standard for Residential Buildings in Hot Summer and Cold Winter Regions’ JGJ134-2016, and the ‘Energy Efficiency Design Standard for Residential Buildings in Hot Summer and Warm Winter Regions’ JGJ75-2012 [53].

References

  1. Zhao, W. China’s goal of achieving carbon neutrality before 2060: Experts explain how. Natl. Sci. Rev. 2022, 9, nwac115. [Google Scholar] [CrossRef] [PubMed]
  2. Zhong, Z.; Chen, Y.; Fu, M.; Li, M.; Yang, K.; Zeng, L.; Liang, J.; Ma, R.; Xie, Q. Role of CO2 geological storage in China?s pledge to carbon peak by 2030 and carbon neutrality by 2060. Energy 2023, 272, 127165. [Google Scholar] [CrossRef]
  3. Zhan, Z.; Xia, P.; Xia, D. Study on Carbon Emission Measurement and Influencing Factors for Prefabricated Buildings at the Materialization Stage Based on LCA. Sustainability 2023, 15, 13648. [Google Scholar] [CrossRef]
  4. Williams, R.L. Relationships between embodied, operational, and life cycle carbon in passive house multifamily residential buildings. J. Green Build. 2023, 18, 81–104. [Google Scholar] [CrossRef]
  5. Wang, Y.; Yang, G.; Dong, Y.; Cheng, Y.; Shang, P. The scale, structure and influencing factors of total carbon emissions from households in 30 provinces of China—Based on the extended stirpat model. Energies 2018, 11, 1125. [Google Scholar] [CrossRef]
  6. You, K.; Ren, H.; Cai, W.; Huang, R.; Li, Y. Modeling carbon emission trend in China’s building sector to year 2060. Resour. Conserv. Recycl. 2023, 188, 106679. [Google Scholar] [CrossRef]
  7. Manzoor, B.; Othman, I.; Sadowska, B.; Sarosiek, W. Zero-Energy Buildings and Energy Efficiency towards Sustainability: A Bibliometric Review and a Case Study. Appl. Sci. 2022, 12, 2136. [Google Scholar] [CrossRef]
  8. Zhang, S.C.; Yang, X.Y.; Xu, W.; Fu, Y.J. Contribution of nearly-zero energy buildings standards enforcement to achieve carbon neutral in urban area by 2060. Adv. Clim. Chang. Res. 2021, 12, 734–743. [Google Scholar] [CrossRef]
  9. Hu, S.; Zhang, Y.; Yang, Z.; Yan, D.; Jiang, Y. Challenges and opportunities for carbon neutrality in China’s building sector—Modelling and data. Build. Simul. 2022, 15, 1899–1921. [Google Scholar] [CrossRef]
  10. Yang, H.; Kikuta, K.; Hayashi, M. Research on the Whole Lifecycle Emission Reduction Effect of Buildings with Different Structures in Severely Cold Regions—A Case Study in China. Energies 2023, 16, 5285. [Google Scholar] [CrossRef]
  11. Zhang, J.; Yan, Z.; Bi, W.; Ni, P.; Lei, F.; Yao, S.; Lang, J. Prediction and scenario simulation of the carbon emissions of public buildings in the operation stage based on an energy audit in Xi’an, China. Energy Policy 2023, 173, 113396. [Google Scholar] [CrossRef]
  12. Zhou, Y.; Zheng, S.; Lei, J.; Zi, Y. A cross-scale modelling and decarbonisation quantification approach for navigating Carbon Neutrality Pathways in China. Energy Convers. Manag. 2023, 297, 117733. [Google Scholar] [CrossRef]
  13. Nie, Y.; Deng, M.; Shan, M.; Yang, X. Clean and low-carbon heating in the building sector of China: 10-Year development review and policy implications. Energy Policy 2023, 179, 113659. [Google Scholar] [CrossRef]
  14. Zhu, B.; Liu, C.; Wei, C. Urban residential heating policy in China: A review. Energy Build. 2021, 253, 111547. [Google Scholar] [CrossRef]
  15. Aresta, M.; Dibenedetto, A. The Carbon Dioxide Revolution; Springer: Cham, Switzerland, 2021; pp. 31–43. [Google Scholar] [CrossRef]
  16. Emmi, G.; Baccega, E.; Cesari, S.; Mainardi, E.; Bottarelli, M. Energy analysis of multi-source heat pump system: A real case study application. Renew. Energy 2024, 221, 119708. [Google Scholar] [CrossRef]
  17. Luo, A.; Xia, J. Policy on energy consumption of district heating in northern China: Historical evidence, stages, and measures. J. Clean. Prod. 2020, 256, 120265. [Google Scholar] [CrossRef]
  18. Nouri, G.; Noorollahi, Y.; Yousefi, H. Solar assisted ground source heat pump systems—A review. Appl. Therm. Eng. 2019, 163, 114351. [Google Scholar] [CrossRef]
  19. Kılkış, Ş.; Krajačić, G.; Duić, N.; Rosen, M.A.; Al-Nimr, M.A. Sustainable development of energy, water and environment systems in the critical decade for climate action. Energy Convers. Manag. 2023, 296, 117644. [Google Scholar] [CrossRef]
  20. Zhang, D.; Qu, B.; Liu, P.; An, Z. Comprehensive evaluation and optimization of rural space heating modes in cold areas based on PMV-PPD. Energy Build. 2021, 246, 111120. [Google Scholar] [CrossRef]
  21. Hu, Y.; Cheng, H.; Tao, S. Opportunity and challenges in large-scale geothermal energy exploitation in China. Crit. Rev. Environ. Sci. Technol. 2022, 52, 3813–3834. [Google Scholar] [CrossRef]
  22. Li, D.; He, J.; Li, L. A review of renewable energy applications in buildings in the hot-summer and warm-winter region of China. Renew. Sustain. Energy Rev. 2016, 57, 327–336. [Google Scholar] [CrossRef]
  23. Li, H.; Xu, W.; Yu, Z.; Wu, J.; Yu, Z. Discussion of a combined solar thermal and ground source heat pump system operation strategy for office heating. Energy Build. 2018, 162, 42–53. [Google Scholar] [CrossRef]
  24. Xie, H.; He, S.; Fu, Y. Optimization design and compare of different solar-ground source heat pump system of office building in cold regions. IOP Conf. Ser. Earth Environ. Sci. 2016, 40, 012023. [Google Scholar] [CrossRef]
  25. Sun, C.; Ju, X.; Hao, W.; Lu, Y. Research on multi-objective optimization of control strategies and equipment parameters for a combined heating system of geothermal and solar energy in cold and arid regions based on TRNSYS. Case Stud. Therm. Eng. 2023, 50, 103441. [Google Scholar] [CrossRef]
  26. Qi, Z.; Cai, Y.; Cui, Y. Study on optimization of winter operation characteristics of solar-ground source heat pump in Shanghai. Renew. Energy 2024, 220, 119517. [Google Scholar] [CrossRef]
  27. Lu, S.; Zhai, X.; Wang, R.; Wang, Z. System optimization and mode modification of the solar assisted ground source heat pump system for primary schools in northern rural areas of China. Sol. Energy 2023, 262, 111879. [Google Scholar] [CrossRef]
  28. Berkane, A.; Aksas, M.; Aouachria, Z. Performance Study of a Hybrid Solar-Assisted Ground-Source Heat Pump System Used for Building Heating and Hot Water Demands. Jordan J. Mech. Ind. Eng. 2023, 17, 581–594. [Google Scholar] [CrossRef] [PubMed]
  29. Bulmez, A.; Ciofoaia, V.; Năstase, G.; Dragomir, G.; Brezeanu, A.; Şerban, A. An experimental work on the performance of a solar-assisted ground-coupled heat pump using a horizontal ground heat exchanger. Renew. Energy 2021, 183, 849–865. [Google Scholar] [CrossRef]
  30. Naranjo-Mendoza, C.; Oyinlola, M.A.; Wright, A.J.; Greenough, R.M. Experimental study of a domestic solar-assisted ground source heat pump with seasonal underground thermal energy storage through shallow boreholes. Appl. Therm. Eng. 2019, 162, 114218. [Google Scholar] [CrossRef]
  31. Emmi, G.; Bordignon, S.; Zarrella, A.; De Carli, M. A dynamic analysis of a SAGSHP system coupled to solar thermal collectors and photovoltaic-thermal panels under different climate conditions. Energy Convers. Manag. 2020, 213, 112851. [Google Scholar] [CrossRef]
  32. Zhou, Y.; Min, C.; Wang, K.; Xie, L.; Fan, Y. Optimization of integrated energy systems considering seasonal thermal energy storage. J. Energy Storage 2023, 71, 108094. [Google Scholar] [CrossRef]
  33. Qu, S.; Han, J.; Sun, Z.; Yin, R.; Ji, R.; Chai, C. Study of operational strategies for a hybrid solar-geothermal heat pump system. Build. Simul. 2019, 12, 697–710. [Google Scholar] [CrossRef]
  34. Li, H.; Bi, Y.; Wang, H.; Sun, R. Multi-objective optimization of an absorption solar-ground source heat pump considering the environmental and economic performance. Int. J. Green Energy 2022, 20, 1177–1190. [Google Scholar] [CrossRef]
  35. Huang, J.; Fan, J.; Furbo, S. Demonstration and optimization of a solar district heating system with ground source heat pumps. Sol. Energy 2020, 202, 171–189. [Google Scholar] [CrossRef]
  36. Lazzarin, R.; Noro, M. Photovoltaic/Thermal (PV/T)/ground dual source heat pump: Optimum energy and economic sizing based on performance analysis. Energy Build. 2020, 211, 109800. [Google Scholar] [CrossRef]
  37. Wang, Y.; Zhang, Y.; Hao, J.; Pan, H.; Ni, Y.; Di, J.; Ge, Z.; Chen, Q.; Guo, M. Modeling and operation optimization of an integrated ground source heat pump and solar PVT system based on heat current method. Sol. Energy 2021, 218, 492–502. [Google Scholar] [CrossRef]
  38. Gao, Y.; Sun, Z.; Lin, X.; Wang, C.; Sun, Z.; Chen, Y. Designing and optimizing heat storage of a solar-assisted ground source heat pump system in China. Int. J. Photoenergy 2020, 2020, 4102350. [Google Scholar] [CrossRef]
  39. Si, Q.; Peng, Y.; Jin, Q.; Li, Y.; Cai, H. Multi-Objective Optimization Research on the Integration of Renewable Energy HVAC Systems Based on TRNSYS. Buildings 2023, 13, 3057. [Google Scholar] [CrossRef]
  40. Kim, Y.J.; Entchev, E.; Na, S.I.; Kang, E.C.; Baik, Y.-J.; Lee, E.J. Investigation of system optimization and control logic on a solar geothermal hybrid heat pump system based on integral effect test data. Energy 2023, 284, 129308. [Google Scholar] [CrossRef]
  41. Gaur, A.S.; Fitiwi, D.Z.; Curtis, J. Heat pumps and our low-carbon future: A comprehensive review. Energy Res. Soc. Sci. 2020, 71, 101764. [Google Scholar] [CrossRef]
  42. Ruelens, F.; Iacovella, S.; Claessens, B.J.; Belmans, R. Learning agent for a heat-pump thermostat with a set-back strategy using model-free reinforcement learning. Energies 2015, 8, 8300–8318. [Google Scholar] [CrossRef]
  43. Khouya, A. Performance assessment of a heat pump and a concentrated photovoltaic thermal system during the wood drying process. Appl. Therm. Eng. 2020, 180, 115923. [Google Scholar] [CrossRef]
  44. Zhang, M.; Yan, T.; Wang, W.; Jia, X.; Wang, J.; Klemes, J.J. Energy-saving design and control strategy towards modern sustainable greenhouse: A review. Renew. Sustain. Energy Rev. 2022, 164, 112602. [Google Scholar] [CrossRef]
  45. Zhao, H.; Jiang, X.; Cao, Y.; Zhang, H.; Zhen, S.; Jia, R.; Zhang, S. Wind Environment Simulation and Optimisation Strategies for Block Spatial Forms in Cold Low Mountainous Areas—A Case Study of Changchun, China. Sustainability 2022, 14, 6643. [Google Scholar] [CrossRef]
  46. Liu, Z.; Liu, Y.; He, B.-J.; Xu, W.; Jin, G.; Zhang, X. Application and suitability analysis of the key technologies in nearly zero energy buildings in China. Renew. Sustain. Energy Rev. 2019, 101, 329–345. [Google Scholar] [CrossRef]
  47. Han, S.; Yao, R.; Li, N. The development of energy conservation policy of buildings in China: A comprehensive review and analysis. J. Build. Eng. 2021, 38, 102229. [Google Scholar] [CrossRef]
  48. Chen, Z.; Tian, X.; Hou, J.; Li, Z.; Xu, Y.; Feng, Y. Sustainable preparation of high-calorific value and low-N and S energy products through the low-temperature alkali fusion of coal gasification fine ash. Environ. Res. 2023, 236, 116802. [Google Scholar] [CrossRef]
  49. Deng, M.; Ma, R.; Lu, F.; Nie, Y.; Li, P.; Ding, X.; Yuan, Y.; Shan, M.; Yang, X. Techno-economic performances of clean heating solutions to replace raw coal for heating in Northern rural China. Energy Build. 2021, 240, 110881. [Google Scholar] [CrossRef]
  50. Yu, S.; Zhang, J.; Cheng, J. Carbon reduction cost estimating of Chinese coal-fired power generation units: A perspective from national energy consumption standard. J. Clean. Prod. 2016, 139, 612–621. [Google Scholar] [CrossRef]
  51. Zhang, S.; Chen, W. Assessing the energy transition in China towards carbon neutrality with a probabilistic framework. Nat. Commun. 2022, 13, 87. [Google Scholar] [CrossRef]
  52. Zhong, Q.; Shen, H.; Yun, X.; Chen, Y.; Ren, Y.; Xu, H.; Shen, G.; Du, W.; Meng, J.; Li, W.; et al. Global sulfur dioxide emissions and the driving forces. Environ. Sci. Technol. 2020, 54, 6508–6517. [Google Scholar] [CrossRef] [PubMed]
  53. Huo, H.; Xu, W.; Li, A.; Lv, Y.; Liu, C. Analysis and optimization of external venetian blind shading for nearly zero-energy buildings in different climate regions of China. Sol. Energy 2021, 223, 54–71. [Google Scholar] [CrossRef]
Figure 1. Carbon emissions share of each period of the building process.
Figure 1. Carbon emissions share of each period of the building process.
Sustainability 16 04516 g001
Figure 2. Research methodology workflow diagram.
Figure 2. Research methodology workflow diagram.
Sustainability 16 04516 g002
Figure 3. Experimental measuring equipment.
Figure 3. Experimental measuring equipment.
Sustainability 16 04516 g003
Figure 4. Building exterior view.
Figure 4. Building exterior view.
Sustainability 16 04516 g004
Figure 5. Solar–ground-source heat pump system operation schematic diagram.
Figure 5. Solar–ground-source heat pump system operation schematic diagram.
Sustainability 16 04516 g005
Figure 6. Interface diagram of energy monitoring WCCV10-7.3 platform.
Figure 6. Interface diagram of energy monitoring WCCV10-7.3 platform.
Sustainability 16 04516 g006
Figure 7. Variation in the heat pump unit’s heating power and heat production with the changes in its setpoint temperature.
Figure 7. Variation in the heat pump unit’s heating power and heat production with the changes in its setpoint temperature.
Sustainability 16 04516 g007
Figure 8. Variation in the heat pump unit’s coefficient of performance, heat pump circulating system coefficient of performance, and pump consumption percentage with the changes in the heat pump setpoint temperature.
Figure 8. Variation in the heat pump unit’s coefficient of performance, heat pump circulating system coefficient of performance, and pump consumption percentage with the changes in the heat pump setpoint temperature.
Sustainability 16 04516 g008
Figure 9. Variation in the heat pump cycle power consumption ratio and solar–ground-source heat pump system coefficient of performance with the changes in the collector start-up temperature difference.
Figure 9. Variation in the heat pump cycle power consumption ratio and solar–ground-source heat pump system coefficient of performance with the changes in the collector start-up temperature difference.
Sustainability 16 04516 g009
Figure 10. Comparison of the system COP in the two periods.
Figure 10. Comparison of the system COP in the two periods.
Sustainability 16 04516 g010
Figure 11. Comparison of the unit COP in the two periods.
Figure 11. Comparison of the unit COP in the two periods.
Sustainability 16 04516 g011
Table 1. Circulation loops.
Table 1. Circulation loops.
Circuit NumberCircuit NameCircuit Route
solar collector loop(C-V1-WT1-V2-P1-C)
photothermal heat-carrying-agent tank heat-output loop(WT1-V3-E1-P2-V4-WT1)
thermal-storage-tank heat-storage loop(WT2-V5-P3-E1-V6-WT2)
thermal-storage-tank direct-supply loop(WT2-V7-P4-V16-E3-V17-V8-WT2)
thermal-storage-tank coupling heating loop(WT2-V7-P4-V9-E2-V10-V17-V8-WT2)
ground-source coupled-heating loop(UP-P5-V11-E2-V12-HP-UP)
ground-source direct-supply loop(UP-P5-V13-HP-UP)
heat-pump-unit heating loop(HP-V15-P6-E3-V14-HP)
Indoor capillary heating loop(E3-V19-P7-CR-V18-E3)
Table 2. Division of the heating period.
Table 2. Division of the heating period.
Heating PeriodTimes (Month.Day)
early stage10.20–11.15
First experimental periodpre-mid stage11.16–12.15
mid-1 stage12.16–01.15
mid-2 stage01.16–02.15
Second experimental periodmid-late stage02.16–03.15
late stage03.16–04.10
Table 3. Heating system experimental settings.
Table 3. Heating system experimental settings.
Operation ModeActivation ParametersShutdown ParametersCircuits
direct solar heatingTW > 35 °Cwater supply temperature >
(heat pump setpoint temperature +2.7 °C)
TW < 35 °Cwater supply temperature >
(heat pump setpoint temperature +2.7 °C)
④, ⑨
Hybrid solar–ground-source heat pump system 1TW < 35 °Cwater supply temperature >
(heat pump setpoint temperature +2.7 °C)
TW < 17 °C
or
TW > 25 °C
water supply temperature < (heat pump setpoint temperature +2.7 °C) ⑤, ⑥, ⑧
Hybrid solar–ground-source heat pump system 2TW > 25 °Cwater supply temperature>
(heat pump setpoint temperature +2.7 °C)
TW < 25 °C
or
TW > 35 °C
water supply temperature < (heat pump setpoint temperature +2.7 °C) ⑤, ⑥, ⑧
Ground-Source Heat Pump HeatingTW < 25 °Cwater supply temperature >
(heat pump setpoint temperature +2.7 °C)
TW > 25 °Cwater supply temperature < (heat pump setpoint temperature +2.7 °C) ⑦, ⑧
TW: water tank temperature.
Table 4. Heat collection system experimental settings.
Table 4. Heat collection system experimental settings.
Operation ModeActivation ParametersShutdown ParametersCircuits
Heat collection cycletemperature difference between collector and water tank >15 °CTemperature difference between collector and water tank <3.5 °C①, ②, ③
Table 5. Optimal parameters in each of the operation periods.
Table 5. Optimal parameters in each of the operation periods.
TimeSolar Radiation Illumination (W/m2)Maximum Outdoor Ambient Temperature/°CParameters
10.20–11.15650–820−4.3–1539 °C/07 °C
11.16–12.15600–710−7.5–4.640 °C/08 °C
12.16–01.15510–650−9–1.542 °C/10 °C
01.16–02.15505–650−8.8–6.141 °C/10 °C
02.16–03.15620–730−7.7–4.740 °C/09 °C
03.16–04.10660–8301.27–1739 °C/07 °C
Table 6. Total heat supply and electricity consumption of solar–ground-source heat pump systems during the heating period.
Table 6. Total heat supply and electricity consumption of solar–ground-source heat pump systems during the heating period.
StageHeating PeriodTotal Heating Capacity/kWhTotal Power Consumption/kWh
Phase I early stage81681712
pre-mid stage13,9903647
mid-1 stage15,3724491
Phase IImid-2 stage16,0954280
mid-late stage14,3943427
late stage82871681
Disclaimer/Publisher’s Note: The statements, opinions and data contained in all publications are solely those of the individual author(s) and contributor(s) and not of MDPI and/or the editor(s). MDPI and/or the editor(s) disclaim responsibility for any injury to people or property resulting from any ideas, methods, instructions or products referred to in the content.

Share and Cite

MDPI and ACS Style

Hou, Q.; Xu, W.; Zhang, Z.; Wang, Y.; Zhang, H.; Tao, J. Research on the Optimisation of Dual-Heat-Source Heating Systems in Nearly Zero-Energy Buildings. Sustainability 2024, 16, 4516. https://doi.org/10.3390/su16114516

AMA Style

Hou Q, Xu W, Zhang Z, Wang Y, Zhang H, Tao J. Research on the Optimisation of Dual-Heat-Source Heating Systems in Nearly Zero-Energy Buildings. Sustainability. 2024; 16(11):4516. https://doi.org/10.3390/su16114516

Chicago/Turabian Style

Hou, Qingying, Wendong Xu, Zhizheng Zhang, Yangyang Wang, Hao Zhang, and Jin Tao. 2024. "Research on the Optimisation of Dual-Heat-Source Heating Systems in Nearly Zero-Energy Buildings" Sustainability 16, no. 11: 4516. https://doi.org/10.3390/su16114516

APA Style

Hou, Q., Xu, W., Zhang, Z., Wang, Y., Zhang, H., & Tao, J. (2024). Research on the Optimisation of Dual-Heat-Source Heating Systems in Nearly Zero-Energy Buildings. Sustainability, 16(11), 4516. https://doi.org/10.3390/su16114516

Note that from the first issue of 2016, this journal uses article numbers instead of page numbers. See further details here.

Article Metrics

Back to TopTop