Abstract
Operators in the main control room of a nuclear power plant have a crucial role in supervising all operations, and any human error can be fatal. By providing operators with information regarding the future trends of plant safety-critical parameters based on their actions, human errors can be detected and prevented in a timely manner. This paper proposed a Sequence-to-Sequence (Seq2Seq)-based Long Short-Term Memory (LSTM) model to predict safety-critical parameters and their future trends. The PCTran was used to extract data for four typical faults and fault levels, and eighty-six parameters were selected as characteristic quantities. The training, validation, and testing sets were collected in a ratio of 13:3:1, and appropriate hyperparameters were used to construct the Seq2Seq neural network. Compared with conventional deep learning models, the results indicated that the proposed model could successfully solve the complex problem of the trend estimation of key system parameters under the influence of operator action factors in multiple abnormal operating conditions. It is believed that the proposed model can help operators reduce the risk of human-caused errors and diagnose potential accidents.
1. Introduction
Due to the growing crisis of fossil fuel energy, the world has come to rely extensively on clean and renewable energy sources [1,2,3,4]. Nuclear energy has become an area of great interest, and ensuring the reliability of nuclear energy is becoming a booming study field. Nuclear power plants (NPPs) have complex and extensive systems, each consisting of numerous subsystems and pieces of equipment [5]. To gain a complete understanding of the operational status of the equipment in each system, a large number of sensors are distributed throughout the system to measure parameters such as the power of the reactor, the temperature, the pressure, and the water level. With the development of the digital main control room in NPPs, it is more complex for the operator to obtain information directly from the large amount of measurement data generated by the interface system during operation [6], which easily leads to human errors that affect the system’s operation. Therefore, prevention of and reduction in human-caused errors have become important issues for intelligent and efficient operational support systems. In operational support systems, ensuring the safety-critical parameters of the equipment are in an acceptable condition has become increasingly important, playing a key role in NPP operations. However, as they are more complicated in NPP systems, the safety-critical parameters of transience are more varied, which can easily lead the main control room operator to have a low situation awareness and eventually to human error accidents. Some research has studied safety-critical parameters. In the study [7], an event-driven framework for modeling and replaying operational audits in NPPs was proposed. In this framework, the dynamics of safety-critical parameters were simulated by a Did risk monitor platform and demonstrated for human error identification. In the study [8], an approach for identifying vulnerable elements in the NPP’s safety-critical Digital Instrumentation and Control (DI&C) was proposed, which was based on transformed safety-critical parameters in a Bayesian Brief Network (BBN). In the study [9], a method based on safety-critical parameters was proposed to quantify the NPP control system reliability and address the state explosion problem. In these studies, safety-critical parameters were viewed as the key source and foundation for the related work. The use of a predictive algorithm based on safety-critical parameters, to diagnose information about the operational status of system equipment and the situation, can significantly reduce the mental stress of operators and the potential for error, which is essential for ensuring the safe operation of the system.
Research into fault diagnosis techniques began in the USA, and in 1967 [10], as a result of the tragedy caused by equipment failures during the Apollo program, the US Office of Naval Research established a mechanical fault prevention unit. In recent years, the development of deep learning has been widely employed for predicting the specific parameters of NPPs. In terms of the fuel level, in the study [11], a deep learning-based model was proposed for predicting the dynamic characteristics of the burnup nuclide density, including , , , and . The results showed that the proposed neural network model not only had lower prediction errors in the high-burnup and medium-burnup regions but overcame the issue of the excessive forecasting error in the low-burnup region with traditional machine learning algorithms. At the human operation level, a procedure compliance with checking system based on deep learning was proposed in the study [12], as an automation system to monitor operator behavior and detect systematic deviation. The results showed that the system could help reduce procedural violations and human errors and therefore potentially reduce the probability of human error in emergent operating scenarios. Several studies [13,14,15] also explored the application of deep learning for the operating fault diagnosis and prediction of NPPs. However, most studies did not consider the correlation between the objective parameters when using multiple neural network models. On the contrary, when employing a single model to achieve the trend prediction of multiple objective parameters, the prediction performance in one scenario was only considered. Thus, a better model is required for predicting multiple safety-critical parameter trends, and given the advances of Sequence-to-Sequence (Seq2Seq) models for multiple parameter prediction and their correlation, this requirement is attainable. Additionally, monitoring safety-critical parameters can help to identify potential problems with the design and construction and can also help to highlight areas where further research or improvements are needed. This can ensure that new plants are designed and constructed to the highest possible standards and can help to reduce their environmental impact. Finally, monitoring safety-critical parameters can help to ensure that the plant is operating in an efficient and sustainable manner, helping to reduce the overall environmental impact of nuclear power [16].
In summary, this paper proposes an approach that is more feasible and has higher accuracy for predicting multiple safety-critical parameter trends based on the Seq2Seq model. The model is not only capable of predicting the safety-critical parameter trends once, it also takes into account the correlation among the safety-critical parameters. Additionally, to verify the validity of the model, a multiscenario analysis of the model’s prediction effects was carried out. The simulation data were collected from the PCTran.
2. Methodology
In this section, we present our model to predict the safety-critical parameter trends in NPPs. Figure 1 describes the flowchart of our proposed framework, which is described in detail in the following subsections. These are separated into four steps as follows: (1) the original data were accessed by PCTran in dsv format; (2) the raw data were preprocessed including the labeling, normalizing, and classifying, which transformed the raw data to the input of our training model; (3) based on the formal input, the model trained its superparameters; and (4) we evaluated the performance of the proposed model using related loss functions.
Figure 1.
Overview of our model.
This section proceeds as follows:
- In Section 2.1, we succinctly present the simulator PCTran.
- In Section 2.2, the basic Long Short-term Memory (LSTM) is introduced.
- In Section 2.3, a novel Seq2Seq prediction model is constructed to explore the data.
2.1. PCTran
PCTran, an acronym for “Personal Computer Transient Analyzer”, is a tiny software product of Micro-Simulation Technology (MST) Inc., which is a Windows-based product with graphical user interfaces, as shown in Figure 2, that allows transient and accident simulation of NPPs on a personal computer [17]. PCTran uses a combination of point kinetics, thermal hydraulics, and fuel behavior models to simulate the behavior of the reactor core and other plant systems. The software includes a graphical user interface (GUI) for model setup and visualization, as well as a scripting language for more advanced simulations. The components and system characteristics of a NPP are modeled as graphical elements and designed systematically on the interface, allowing users to interact with the simulation screen by directly manipulating the graphical elements and easily entering commands to the computer center via the operator interface. Since 1996, the International Atomic Energy Agency (IAEA) has used PCTran as the training tool for the biennial symposium on advanced reactor simulation [18]. Additionally, it is featured as a user-friendly human–machine interface with a colorful display in the key simulation parameters and provides interactive control of the relevant actions of the simulation operator.
Figure 2.
The main interface of PCTran.
2.2. LSTM Neural Network
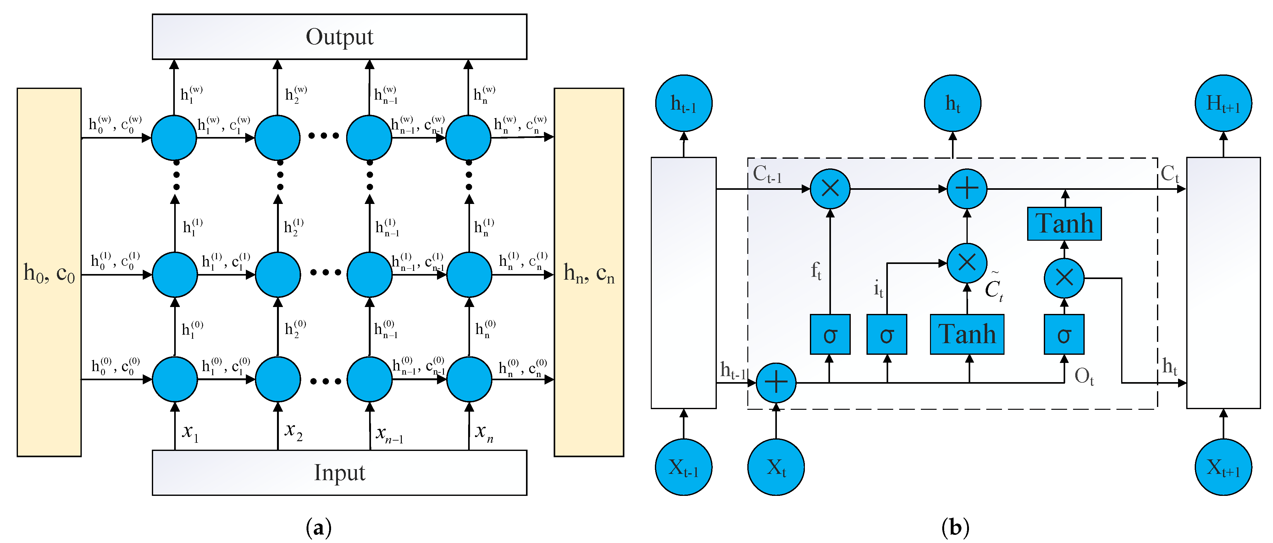
LSTM, as a class of recurrent neural networks (RNN), is an improved model that solves some of the problems of traditional RNN models, such as gradient explosion and disappearance and the inability to retain information over long distances, by adding a gating mechanism, and it is widely deployed in the problem prediction for time series [19]. The structure diagram of an LSTM model is shown in Figure 3. In Figure 3a, the basic outline of the LSTM model is presented, and the details are shown in Figure 3b.
Figure 3.
LSTM cell structure diagram. (a) The outline of the LSTM. (b) The details of the LSTM model.
In Figure 3, the hidden layer and the unit layer are employed to store and control the long-term information of the safety-critical parameters. There are three input layers, i.e., the ()-th hidden layer , the ()-th unit layer , and the t-th parameters vector data . On the other hand, there are two output layers, i.e., the t-th hidden layer and the t-th unit layer . The LSTM has three “gates”, which define the speed of processing the input data, i.e., the safety-critical parameters in our study, and the detailed definition is shown in Equation (1), where the is the forgetting gate, which is applied to control the ()-th unit layer , discarding the invalid information from the original data and retaining the critical information; the is the input gate, which is used to obtain the effective information and then input it to the network; and the is the output gate, which is presented to obtain the output of .
In addition, is the candidate states, is the activation function, and the sigmoid function was employed in our study, where is the weight of connecting the input layer to the forgetting gate , is the weight of the connecting input layer to the input gate , is the weight of connecting the input layer to the output gate , and is the weight of connecting the input layer to the candidate state . is the weight of connecting the to the , is the weight of connecting the to the , is the weight of connecting the to the , and is the weight of connecting the to the .
2.3. Seq2Seq Structure
Seq2Seq is a class learning model for solving the type of task that maps sequence data to sequence data [20]. The Seq2Seq model can be separated into two parts, i.e., an encoder and decoder, which are shown in Figure 4. In the encoder, the model takes data from a sequence, which go through the encoder, to capture the contextual information of the input sequence in the form of a hidden state vector and then sends the contextual information to the decoder. Then, the decoder creates the output sequence. As the tasks are sequence-based, the encoders and decoders usually use an RNN, such as LSTM, GRU, etc. In the context of NPPs, the basic idea behind using a Seq2Seq model for this task is to take a sequence of historical operational data as input and then predict a sequence of future operational parameters as output. The input sequence might include variables’ historical data, such as the reactor temperature, the coolant flow rate, and the fuel rod position, while the output sequence might include variables such as the reactor power output and the coolant temperature. Once the model is trained, it can be used to make predictions on new operational data, allowing plant operators to anticipate changes in operational parameters and adjust plant settings accordingly. By using a Seq2Seq model for this task, it is possible to achieve highly accurate and reliable predictions, while also handling the variable-length input and output sequences that are typical of operational data in nuclear power plants.
Figure 4.
Structure of the Seq2Seq model for time series data prediction.
In our study, we used the PCTran to generate the NPP reactor’s parameters as the original information to validate the possibility of applying the Seq2Seq model in predicting the NPP’s safety-critical parameter trends. The experiment is described in the following section.
3. Experiment and Analysis
In our experiment, the computing configuration of the computer system was as shown in Table 1. In addition, the PCTran version 6.0.1 was used. In this version, there were several typical NPP models including the ACP100, ABWR, BWR5 MARK II, AP1000, PWR 3-loop, etc.
Table 1.
The computing configuration.
The simulation process consisted of 92 parameters, which were observed during the simulation using the graphing function provided by PCTran, and the transformation of the 92 parameters could be saved as either an Excel or Access file after the simulation [17]. Among the PCTran’s 92 parameters were the following six: the reactor cooling system specification enthalpy leakage, the steam generator loop A heat transfer tube leakage, the steam generator loop B heat transfer tube leakage, the reactor coolant leakage flow, the total mass of the containment leakage, and the total mass of the steam generator leakage. The total mass of the containment leakage, the total mass of the steam generator leakage, and the total mass of the steam generator leakage are monitored by sensors in actual light water reactors of NPPs, but they are not in pressurized water reactor NPPs. Therefore, these six parameters were excluded from the experiments in this paper, and only the remaining 86 parameters were considered.
3.1. Data Access
There are four typical nuclear power plant accidents that have the potential to cause significant damage to the reactor and surrounding area. Each of these accidents is described as follows:
- Steam generator tube rupture (SGTR): Steam generator tubes carry hot water from the reactor to the steam generator, where it is converted into steam to generate electricity. If one or more of these tubes rupture, coolant can escape from the primary coolant loop, leading to a loss of coolant accident and potentially causing damage to the reactor and surrounding systems.
- Loss of coolant accident (LOCA): A LOCA occurs when coolant is lost from the primary coolant loop due to a breach in the reactor coolant system. This can be caused by a variety of factors, including pipe ruptures, valve failures, or human error. The loss of coolant can lead to overheating and damage to the fuel rods, potentially causing a nuclear meltdown.
- Control rod ejection accident: Control rods are used to regulate the reactor’s power output. In the event of a control rod ejection accident, one or more control rods are ejected from the reactor too quickly, causing a rapid increase in the power output that can damage the fuel rods and potentially cause a nuclear meltdown.
- Containment steam pipe rupture: The containment structure is designed to prevent radioactive material from escaping the reactor in the event of an accident. However, if the steam pipes that run through the containment structure rupture, steam can escape and potentially carry radioactive material with it, leading to a release of radiation into the environment.
We selected four typical and distinct operating accidents, which include steam generator tube rupture (SGTR), loss of coolant accident (LOCA), control rod ejection accident, and containment steam pipe rupture, and the details of the simulated scenarios as shown in Table 2. Specifically, the input–output structure was as follows:
Table 2.
PCTran simulating scenarios.
- Input data: The size of the input data was a time series of sampling windows with 7 × 86, which contained 86 selected parameters and their seven data points, and the time interval of the data points was 5 s. On the other hand, we did not consider the data dimension reduction due to the limited dimension data points
- Output data: The size of the output data was a time series of sampling windows with 48 × 14, which contained 14 safety-critical parameters and their predicting data dynamic trends for the next 4 min with 48 time points. The 14 identified safety-critical parameters were ones common used, as shown in the related research in [10], and the details of the safety-critical parameters are described in Table 3.
Table 3. The identified safety-critical parameters.
3.2. Preprocessing
After obtaining the raw data, it should be preprocessed before being input to train the model. In our experiment, the input data contained data for seven time points, and the output data contained data for 48 time points; the input data were temporally linked to the expected output data, so the raw data were sampled using a sliding window, as shown in Figure 5. Then, a total of 14,552 data samples was obtained. To ensure the training evaluation performance reliability, the data samples were divided into a training set containing 11,128 samples, a validation set containing 2568 samples, and a testing set containing 856 samples, in the ratio of 13:3:1, and each dataset contained the sample data for each scenario, as shown in Table 4. Given the advance of the linear normalization method [21], we applied the minimum–maximum normalization method to normalize the feature quantities to improve the model accuracy; the normalization method is shown in Equation (2):
where is the minimum value of the raw data, is the maximum value of the raw data, x is the raw data point, and the is the normalized feature value.
Figure 5.
Time series data sampling method.
Table 4.
The data distribution of each scenario.
3.3. Model Training
In our experiment, the training of the model was implemented using a backpropagation algorithm, and the backpropagation algorithm and training strategy chosen for this experiment were as follows: the epoch was 200; the learning algorithm used Adam; the initial learning rate was 0.001; the activation function employed the Relu; and the mean absolute error (MAE), mean square error (MSE), and root mean square error (RMSE) were considered as the loss function, as shown in Equations (3)–(5):
where is the value of the raw data point, and is the predicting value.
In addition, we used the KerasTuner module to optimize the proposed Seq2Seq predicting model, and the hyperparameter settings are shown in Table 5. Finally, we observed the model training process, as shown in Figure 6. The loss in the training and validation sets of the model decreased in parallel, indicating that the model was well trained, and there was no overfitting or underfitting.
Table 5.
The hyperparameter settings in the Seq2Seq predicting model.
Figure 6.
The training results of the prediction model.
3.4. Results Analysis
Figure 7, Figure 8, Figure 9 and Figure 10 present the partial learning prediction results of the identified safety-critical parameters after the model training. Specifically, the yellow dotted lines display the history records, i.e., the observed values, the red dotted lines depict the prediction values based on our Seq2Seq model, and the blue dotted lines represent the actual values. Although there were some obvious errors, as shown in Figure 7d and Figure 10d,e, the predicted values of the Seq2Seq prediction model used in this paper were in good agreement with the actual values for each safety-critical parameter, i.e., the NPPs’ safety-criticial parameters trend was predicted with a higher accuracy than the traditional LSTM models [22], and the details of the comparison are shown in Table 6.
Figure 7.
Results for some of the safety-critical parameter trends following the SGTR. (a) Power of the reactor. (b) Pressure of the steam generator in loop A. (c) Level of the pressurizer. (d) Level for a wide range of steam generators in loop A. (e) Pressure of the steam generator in loop A. (f) Pressure of the steam generator in loop B. (g) Temperature in the cold pipe section of loop A. (h) Temperature in the heat pipe section of loop A.
Figure 8.
Results for some of the safety-critical parameter trends following the LOCA. (a) Power of the reactor. (b) Pressure in the reactor building. (c) Level of the pressurizer. (d) Level for a wide range of steam generators in loop A. (e) Pressure of the steam generator in loop A. (f) Pressure of the steam generator in loop B. (g) Temperature in the cold pipe section of loop A. (h) Temperature in the heat pipe section of loop A.
Figure 9.
Results for some of the safety-critical parameter trends following the control rod ejection accident. (a) Power of the reactor. (b) Pressure in the reactor building. (c) Level of the pressurizer. (d) Level for a wide range of steam generators in loop A. (e) Pressure of the steam generator in loop A. (f) Pressure of the steam generator in loop B. (g) Temperature in the cold pipe section of loop A. (h) Temperature in the heat pipe section of loop A.
Figure 10.
Results for some of the safety-critical parameter trends following the containment steam pipe rupture. (a) Power of the reactor. (b) Pressure in the reactor building. (c) Level of the pressurizer. (d) Level for a wide range of steam generators in loop A. (e) Pressure of the steam generator in loop A. (f) Pressure of the steam generator in loop B. (g) Temperature in the cold pipe section of loop A. (h) Temperature in the heat pipe section of loop A.
Table 6.
The error comparison with traditional LSTM models.
4. Discussion
NPPs generate large quantities of energy and play an essential role in supplying power to the public. To ensure their safe and reliable operation, it is necessary to monitor the safety-critical parameters. Of the four typical operating scenarios tested, our model’s MAE, MSE, and RMSE were 0.005, 0.0002, and 0.0131, respectively, indicating that our framework was highly accurate in predicting the trends of the NPP safety-critical parameters compared to the traditional deep learning models. Furthermore, our framework’s fast convergence speed, enabled by the appropriate hyperparameter settings, revealed its good usability in improving the operators and related systems during real-world NPP procedures, which often have a short time redundancy and intense time pressure.
At a macro level, monitoring and predicting safety-critical parameters in NPPs can help identify potential problems with the design and construction in the future, as well as highlight areas where further research or improvements are needed. This can help ensure that new plants are designed and constructed to the highest possible standards, potentially reducing public opposition to nuclear power and increasing support for it, thus improving its overall sustainability.
Generally speaking, our framework demonstrated superior performance over the traditional approaches in predicting nuclear power plant parameters. The mean absolute error of our model was lower than that of the linear regression model, indicating improved accuracy. Additionally, the Seq2Seq model was able to capture long-term dependencies between the input and output sequences, which traditional CNN models are unable to do. This flexibility makes it suitable for a variety of data types, such as in predicting the PWR performance from monitors. Furthermore, the model was able to generalize to unseen data, demonstrating improved accuracy over traditional approaches. Finally, Seq2Seq models are highly scalable and can be adapted to different tasks, such as predicting the output of the identified fourteen safety-critical parameters.
5. Conclusions
In this paper, a prediction approach based on Seq2Seq for multiple NPP safety-critical parameter trends in future was proposed, and we demonstrated its feasibility using the PCTran platform. Fourteen identified safety-critical parameters were trained as output from eighty-six system parameters from four typical fault scenarios. A total of 13,685 operation data points was collected to support the proposed model with specific hyperparameter settings. Compared with the traditional LSTM and CNN models in the NPP system’s multiple safety-critical parameters, the Seq2Seq model we proposed had a higher accuracy, which enabled it to address the multiple safety-critical parameter problems of future trend evaluation and achieve accurate predictions simultaneously. The case experiment showed that our model took into account both the current and future trends in accident situations. Finally, this research showed the feasibility of using deep learning based Seq2Seq model to predict future trends during abnormal operating condition or emergencies at NPPs and the potential for an advanced operator support system that could support emergency diagnosis and prevention, early detection, and human error mitigation at NPPs. However, as discussed and shown the Figure 7d and Figure 10d,e, the uncertainties in the training data and noise issues in the field data made the errors apparent; so, subsequent work could consider building more noise-tolerant prediction models.
Author Contributions
Conceptualization, H.W. and H.G.; methodology, software, validation, H.G. and G.L.; formal analysis, J.L.; resources, H.X.; writing—original draft preparation, H.W.; writing—review and editing, H.G.; visualization, H.G.; supervision, H.X. All authors have read and agreed to the published version of the manuscript.
Funding
This research was supported by the College Students’ Innovative Entrepreneurial Training Program under Shenzhen University Contract No. S202210590089, the Teaching Reform Research Program under Shenzhen University Contract No. JG2022072, the Scientific Research Startup Program under Shenzhen University Contract No. 000002112214, and the Stable Support Plan Program under Shenzhen Natural Science Fund Contract No. 20220810124935001. This research was also supported by the Young Teacher Scientific Research Startup Program under Shenzhen University Contract No. 000002112211, and the Stable Support Plan Program under Shenzhen Natural Science Fund Contract No. 20220811012323001.
Data Availability Statement
All relevant data are included in the article.
Conflicts of Interest
The authors declare no conflict of interest.
References
- Afridi, Y.S.; Ahmad, K.; Hassan, L. Artificial intelligence based prognostic maintenance of renewable energy systems: A review of techniques, challenges, and future research directions. Int. J. Energy Res. 2021, 46, 21619–21642. [Google Scholar] [CrossRef]
- Niu, Z.; Wu, J.; Liu, X.; Huang, L.; Nielsen, P.S. Understanding energy demand behaviors through spatio-temporal smart meter data analysis. Energy 2021, 226, 120493. [Google Scholar] [CrossRef]
- Li, J.; Chen, Z.; Cheng, L.; Liu, X. Energy data generation with wasserstein deep convolutional generative adversarial networks. Energy 2022, 257, 124694. [Google Scholar] [CrossRef]
- Wen, H.; Liu, X.; Yang, M.; Lei, B.; Cheng, X.; Chen, Z. An energy demand-side management and net metering decision framework. Energy 2023, 271, 127075. [Google Scholar] [CrossRef]
- Wen, H.; Yang, M.; Liang, J.; Xu, Z. Research on Modeling in Operator Mental Workload Based on VACP Method. In Proceedings of the 2021 3rd International Conference on System Reliability and Safety Engineering (SRSE), Harbin, China, 26–28 November 2021; IEEE: Piscataway, NJ, USA, 2021; pp. 359–362. [Google Scholar]
- Zhang, Y.; Wen, H.; Dai, X.; Liang, J.; Xu, Z.; Xue, K.; Yang, M. Research on modeling in operator mental workload based on VACP method. Qual. Reliab. Eng. Int. 2022; early view. [Google Scholar] [CrossRef]
- Yang, J.; Chen, Q.; Chen, W.; Liang, J.; Deng, Y.; Yang, M. An Event-Driven Scenario Modeling and Replay Method for Operational Safety Audits in NPPs. In Proceedings of the 2021 International Conference on Power System Technology (POWERCON), Haikou, China, 8–9 December 2021; pp. 543–550. [Google Scholar]
- Guo, J.; Yang, M.; Bowen, Z.; Zhang, Y.; Yang, J.; Dai, X. Nuclear safety-critical Digital Instrumentation and Control system software: Reliability demonstration. Ann. Nucl. Energy 2018, 120, 516–527. [Google Scholar] [CrossRef]
- Kumar, V.; Chandra Mishra, K.; Singh, P.; Narayan Hati, A.; Rao Mamdikar, M.; Kumar Singh, L.; Ramakant Parida, R. Reliability analysis and safety model checking of Safety-Critical and control Systems: A case study of NPP control system. Ann. Nucl. Energy 2022, 166, 108812. [Google Scholar] [CrossRef]
- Liu, B.; Lei, J.; Xie, J.; Zhou, J. Development and Validation of a Nuclear Power Plant Fault Diagnosis System Based on Deep Learning. Energies 2022, 15, 8629. [Google Scholar] [CrossRef]
- Lei, J.; Yang, C.; Ren, C.; Li, W.; Liu, C.; Sun, A.; Li, Y.; Chen, Z.; Yu, T. Development and validation of a deep learning-based model for predicting burnup nuclide density. Int. J. Energy Res. 2022, 46, 21257–21265. [Google Scholar] [CrossRef]
- Ahn, J.; Lee, S.J. Deep learning-based procedure compliance check system for nuclear power plant emergency operation. Nucl. Eng. Des. 2020, 370, 110868. [Google Scholar] [CrossRef]
- Li, J.; Lin, M. Research on robustness of five typical data-driven fault diagnosis models for nuclear power plants. Ann. Nucl. Energy 2022, 165, 108639. [Google Scholar] [CrossRef]
- Elshenawy, L.M.; Halawa, M.A.; Mahmoud, T.A.; Awad, H.A.; Abdo, M.I. Unsupervised machine learning techniques for fault detection and diagnosis in nuclear power plants. Prog. Nucl. Energy 2021, 142, 103990. [Google Scholar] [CrossRef]
- Lu, C.; Lyu, J.; Zhang, L.; Gong, A.; Fan, Y.; Yan, J.; Li, X. Nuclear power plants with artificial intelligence in industry 4.0 era: Top-level design and current applications—A systemic review. IEEE Access 2020, 8, 194315–194332. [Google Scholar] [CrossRef]
- Kim, B.H.; Song, M.J.; Cho, Y.S. Safety analysis of a nuclear power plant against unexpected tsunamis. Sustainability 2022, 14, 13540. [Google Scholar] [CrossRef]
- Available online: http://www.microsimtech.com (accessed on 5 February 2023).
- Saha, A.; Fyza, N.; Hossain, A.; Sarkar, M.R. Simulation of tube rupture in steam generator and transient analysis of VVER-1200 using PCTRAN. Energy Procedia 2019, 160, 162–169. [Google Scholar] [CrossRef]
- Lin, H.; Zhang, S.; Li, Q.; Li, Y.; Li, J.; Yang, Y. A new method for heart rate prediction based on LSTM-BiLSTM-Att. Measurement 2022, 207, 112384. [Google Scholar] [CrossRef]
- Sutskever, I.; Vinyals, O.; Le, Q.V. Sequence to sequence learning with neural networks. Adv. Neural Inf. Process. Syst. 2014, 27, 1–9. [Google Scholar]
- Shi, X.; Chen, Z.; Wang, H.; Yeung, D.Y.; Wong, W.K.; Woo, W.c. Convolutional LSTM network: A machine learning approach for precipitation nowcasting. Adv. Neural Inf. Process. Syst. 2015, 28, 1–9. [Google Scholar]
- Bae, J.; Kim, G.; Lee, S.J. Real-time prediction of nuclear power plant parameter trends following operator actions. Expert Syst. Appl. 2021, 186, 115848. [Google Scholar] [CrossRef]
Disclaimer/Publisher’s Note: The statements, opinions and data contained in all publications are solely those of the individual author(s) and contributor(s) and not of MDPI and/or the editor(s). MDPI and/or the editor(s) disclaim responsibility for any injury to people or property resulting from any ideas, methods, instructions or products referred to in the content. |
© 2023 by the authors. Licensee MDPI, Basel, Switzerland. This article is an open access article distributed under the terms and conditions of the Creative Commons Attribution (CC BY) license (https://creativecommons.org/licenses/by/4.0/).









