Fracture Behavior of AlMg4.5Mn Weld Metal at Different Temperatures under Impact Loading
Abstract
:1. Introduction
2. Materials and Methods
2.1. Base Metal
2.2. Welding Procedure and Welded Joints
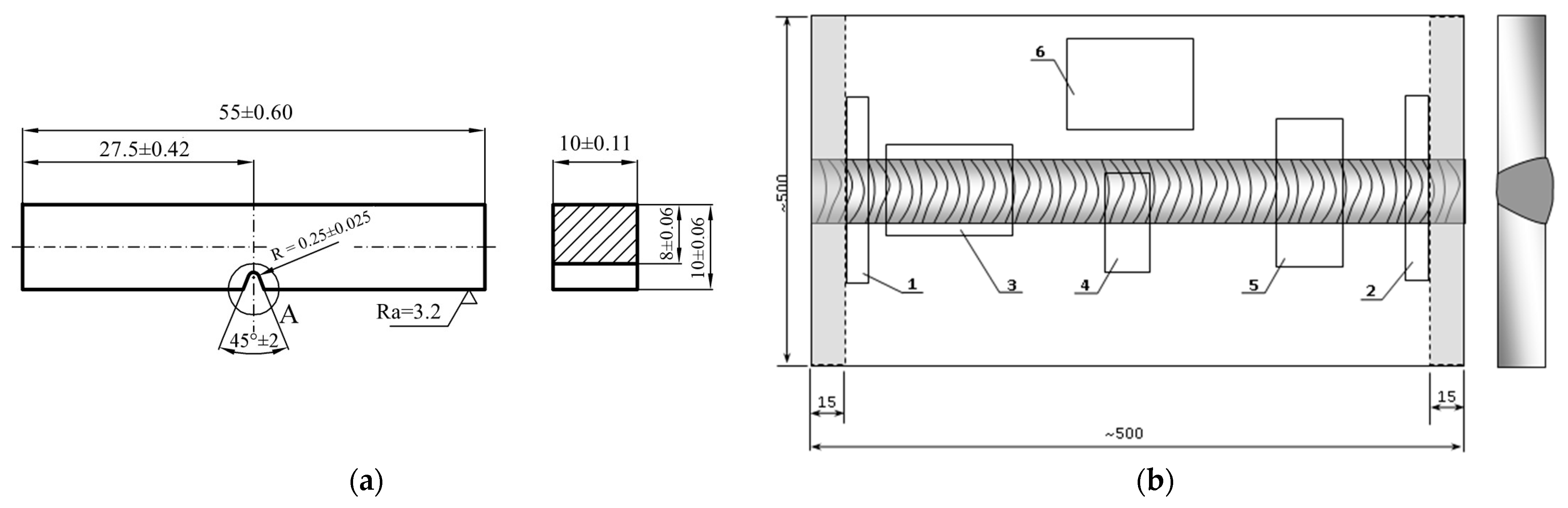
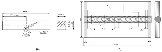
2.3. Specimen Preparation for CHARPY Testing
2.4. Impact Testing on Instrumented Charpy Pendulum
2.5. Fractographic Examination
3. Results and Discussion
3.1. Impact Testing
3.2. Fractographic Testing
4. Conclusions
- A ductile fracture mechanism is characteristic for high strength aluminum alloys, but their toughness is relatively low. In the case of a weld metal made by GTAW, the shape of a force vs. time graph did not change with decrease in temperature from 20 °C to −90 °C, with a ductile fracture mechanism dominating at the corresponding fracture surface. However, at −196 °C, the force rapidly dropped after a maximum value, indicating dominant brittle fracture, as also seen on the fracture surface. This was obviously the effect of welding.
- Fractographic investigation of the specimens at different temperatures indicated the existence of a clearly distinguishable fracture mechanism. At room temperature, a trans-granular failure mechanism by void initiation, growth and coalescence was present. With temperature decrease, dimpled fractures dominated, but some areas of intergranular fracture were observed with a dimpled and smooth area. At a temperature of −196 °C, a significantly smaller part of the fracture surface was dimpled and intergranular ductile failure dominated.
- While high energy was absorbed by micro-void impingement coalescence during ductile fracture at +20 °C, coalescence of the voids by shearing (−90 °C and −196 °C) absorbed less energy. At −90 °C, the crack propagation energy fell to 70%, compared to 20 °C, while, at −196 °C, this energy fell to 15%. Therefore, the absorbed energy was closely correlated with the fractured surfaces.
- As the amount and size of microscopic voids and dimples on the fracture surfaces decreased, the total energy absorbed by the fracture decreased. Decrease in temperature led to decrease in the dimpled fracture fraction. EDS analysis revealed the presence of a large second phase, with hard and brittle particles (Fe, Mn)Al6 at the fractured surfaces at all temperatures.
- If 30 J is taken as a criterion for acceptance regarding impact energy, then −90 °C appears to be the lowest acceptable temperature for AlMg4.5Mn weld metal, whereas the base metal has a significantly lower transition temperature, close to −196 °C.
Author Contributions
Funding
Acknowledgments
Conflicts of Interest
Glossary
| Et | total impact energy |
| Ei | crack initiation energy |
| Ep | crack propagation energy |
| Rm | tensile strength |
| R0.2 | yield stress |
| A | elongation |
| F | force |
| T | time |
| GTAW | gas tungsten arc welding |
| SEM | scanning electron microscopy |
| EDS | energy dispersive spectroscopy |
References
- ASM. ASM Handbook: Heat Treating, 10th ed.; ASM International: Almere, The Netherlands, 1991; Volume 4. [Google Scholar]
- Burger, G.B.; Gupta, A.K.; Jeffrey, P.W.; Lloyd, D.J. Microstructural control of aluminum sheet used in automotive applications. Mater. Charact. 1995, 35, 23–29. [Google Scholar] [CrossRef]
- Horvath, G.; Chinh, N.Q.; Gubicza, J.; Lendvai, J. Plastic instabilities and dislocation densities during plastic deformation in Al-Mg alloys. Mater. Sci. Eng. A 2007, 445–446, 186–192. [Google Scholar] [CrossRef]
- Lloyd, D.J. The deformation of commercial aluminum-magnesium alloys. Metall. Trans. A 1980, 11, 1287–1294. [Google Scholar] [CrossRef]
- Jovičić, R.; Sedmak, A.; Prokić-Cvetković, R.; Bulatović, S.; Buyukyildirim, G. Cracking Resistance of AlMg4.5Mn Alloy TIG Welded Joints. Struct. Integr. Life 2011, 11, 205–208. [Google Scholar]
- Jang, K.C.; Lee, D.G.; Kuk, J.M.; Kim, S.I. Welding and environmental test condition effect in weldability and strength of Al alloy. J. Mater. Process. Technol. 2005, 164–165, 1038–1045. [Google Scholar] [CrossRef]
- Kim, J.H.; Park, D.H. Welding and characterization of 5083 aluminum alloy. J. Korean Weld. Soc. 1994, 12, 7–15. [Google Scholar]
- Prokic-Cvetkovic, R.; Popovic, O.; Burzic, M.; Jovicic, R.; Kastelec-Macura, S.; Buyukyildirim, G. The effect of welding process and shielding atmosphere on the AlMg4.5Mn weld metal properties. Int. J. Mater. Res. 2013, 104, 18–25. [Google Scholar] [CrossRef]
- Kastelec-Macura, S.; Prokić-Cvetković, R.; Jovičić, R.; Popović, O.; Burzić, M. Porosity of welded joints of AlMg4.5Mn alloy. Struct. Integr. Life 2008, 8, 114–120. [Google Scholar]
- Katsas, S.; Nikolaou, J.; Papadimitriou, G. Corrosion resistance of repair welded naval aluminum alloy 5083. Mater. Des. 2007, 28, 831–836. [Google Scholar] [CrossRef]
- Pickens, J.R.; Gordon, J.R.; Green, J. The effect of loading mode on the stress corrosion cracking of aluminum alloy 5083. Metall. Trans. 1983, 14, 925–930. [Google Scholar] [CrossRef]
- Baer, D.R.; Windisch, C.F. Influence of Mg on the corrosion of Al. Vac. Sci. Technol. 2000, 18, 131–136. [Google Scholar] [CrossRef]
- Burzic, Z. Modern methods for the confirmation of mechanical-technological properties of welded joints, Part 2. Weld. Welded Struct. 2002, 47, 151–158. [Google Scholar]
- Praveen, P.; Yarlagadda, P. Meeting challenges in welding of aluminium alloys through pulse gas metal arc welding. Mater. Process. Technol. 2005, 164–165, 1106–1112. [Google Scholar] [CrossRef]
- Atkins, G.; Thiessen, D.; Nissley, N.; Adonyi, Y. Welding Process Effects in Weldability Testing of Steels. Weld. J. 2002, 4, 61s–68s. [Google Scholar]
- Webster, P.J.; Hughes, D.J.; Mills, G. Measurements and modelling of residual stresses in a TIG weld. Mater. Sci. Process. 2002, 74, 1421. [Google Scholar]
- Quinn, T.P. Process Sensitivity of GMAW: Aluminum vs. Steel. Weld. J. 2007, 81, 55s–60s. [Google Scholar]
- Server, W.L. Instrumented Charpy test review and application to structural integrity. Eur. Struct. Integr. Soc. 2002, 30, 205–212. [Google Scholar]
- Tóth, L.; Rossmanith, H.-P.; Siewert, T.A. Historical background and development of the Charpy test. Eur. Struct. Integr. Soc. 2002, 30, 3–19. [Google Scholar]
- Schmitt, W.; Varfolomeyev, I.; Böhme, W. Modelling of the Charpy test as a basis for toughness evaluation. Eur. Struct. Integr. Soc. 2002, 30, 45–56. [Google Scholar]
- Wallin, K.; Nevasmaa, P.; Planman, T.; Valo, M. Evolution of the Charpy-V test from a quality control test to a materials evaluation tool for structural integrity assessment. Eur. Struct. Integr. Soc. 2002, 30, 57–68. [Google Scholar]
- Viehrig, H.-W.; Boehmert, J.; Dzuga, J. Use of instrumented Charpy impact tests for the determination of fracture toughness values. Eur. Struct. Integr. Soc. 2002, 30, 245–252. [Google Scholar]
- Jovanovic, M.; Camagic, I.; Sedmak, S.; Zivkovic, P.; Sedmak, A. Crack initiation and propagation resistance of HSLA steel welded joint constituents. Struct. Integr. Life 2020, 20, 11–14. [Google Scholar]
- Jovanovic, M.; Camagic, I.; Sedmak, S.; Sedmak, A.; Burzic, Z. The Effect of Material Heterogeneity and Temperature on Impact Toughness and Fracture Resistance of SA-387 Gr. 91 Welded Joints. Materials 2022, 15, 1854. [Google Scholar] [CrossRef] [PubMed]
- Milosevic, N.; Sedmak, A.; Bakic, G.; Lazic, V.; Milosevic, M.; Mladenovic, G.; Maslarevic, A. Determination of the actual stress–strain diagram for undermatching welded joint using DIC and FEM. Materials 2021, 14, 4691. [Google Scholar] [CrossRef]
- Milosevic, N.; Younise, B.; Sedmak, A.; Travica, M.; Mitrovic, A. Evaluation of true stress–strain diagrams for welded joints by application of Digital Image Correlation. Eng. Fail. Anal. 2021, 128, 105609. [Google Scholar] [CrossRef]
- Tvergaard, V.; Needleman, A. 3D Charpy specimen analyses for welds. Eur. Struct. Integr. Soc. 2002, 30, 437–444. [Google Scholar]
- Morita, S.; Hosoi, K.; Kobayashi, T. Instrumented impact testing of polymers. Eur. Struct. Integr. Soc. 2002, 30, 155–162. [Google Scholar]
- Jovanovic, M.; Camagic, I.; Sedmak, A.; Burzic, Z.; Sedmak, S.; Zivkovic, P. Analysis of SA 387 Gr. 91 welded joints crack resistance under static and impact load. Procedia Struct. Integr. 2021, 31, 38–44. [Google Scholar] [CrossRef]
- Camagic, I.; Sedmak, A.; Sedmak, S.; Burzic, Z. Relation between impact and fracture toughness of A-387 Gr. B welded joint. Procedia Struct. Integr. 2019, 18, 903–907. [Google Scholar] [CrossRef]
- Sandra, K.-M. Research of the Effects of the Welding Parameters on the Structure and Weld Properties of the AlMg4.5Mn Alloy (in Serbian). Doctoral Thesis, University of Belgrade, Belgrade, Serbia, 2011. [Google Scholar]
- Vencislav, G.; Zijah, B.; Dejan, M. Significance of Mechanical Testing for Structural Integrity, Monography “The Challenge of Materials and Weldments”; IFMASS 9; MF, DIVK, TMF and GOŠA: Belgrade, Serbia, 2008; pp. 121–129. [Google Scholar]
- ASM. Properties and Selection: Irons, Steels, and High-Performance Alloys. In ASM Metals Handbook, 10th ed.; ASM Materials Park: Novelty, OH, USA, 1990; Volume 1. [Google Scholar]
- Huang, C.; Wu, Z.; Huang, R.; Wang, W.; Li, L. Mechanical properties of AA5083 in different tempers at low temperatures. IOP Conf. Ser. Mater. Sci. Eng. 2017, 279, 012002. [Google Scholar] [CrossRef]
- Chena, Z.; Worswick, M.J. Investigation of void nucleation in Al—Mg sheet. Mater. Sci. Eng. A 2008, 483–484, 99–101. [Google Scholar] [CrossRef]
- ASM. Fractography. In ASM Metals Handbook, 9th ed.; ASM Metals Park: Materials Park, OH, USA, 1987; Volume 12. [Google Scholar]
- Radović, L.; Nikačević, M.; Jordović, B. Deformation behavior and microstructure evolution of AlMg6Mn alloy during shear spinning. Trans. Nonferrous Met. Soc. China 2012, 22, 991–1000. [Google Scholar] [CrossRef]
- Hurlish, A. Low Temperature Metals, Reprinted with Permission of Chemical Engineering; McGraw-Hill Publishing Go., Inc.: New York, NY, USA, 1963. [Google Scholar]














| Si | Fe | Cu | Mn | Mg | Zn | Cr | Ti |
|---|---|---|---|---|---|---|---|
| 0.13 | 0.21 | 0.04 | 0.66 | 3.95 | 0.03 | 0.06 | 0.025 |
| Direction | Tensile Strength, Rm (MPa) | Yield Stress, R0.2 (MPa) | Elongation A (%) |
|---|---|---|---|
| Rolling | 293 | 131 | 23.7 |
| Transverse | 304.4 | 145 | 25.7 |
| Element (wt.%) | Si | Fe | Cu | Mn | Mg | Zn | Cr | Ti |
|---|---|---|---|---|---|---|---|---|
| Base metal | 0.13 | 0.21 | 0.04 | 0.66 | 3.95 | 0.03 | 0.06 | 0.025 |
| Filler material | <0.40 | <0.40 | <0.10 | 0.5–1.0 | 4.3–5.2 | <0.25 | 0.05–0.25 | 0.15 |
| Current (A) | Voltage (V) | Welding Speed (cm/min) | Heat Input (kJ/cm) |
|---|---|---|---|
| 192–198 | 20–21 | 15–17 | 13–17 |
| Spec. No. | 20 °C | −90 °C | −196 °C | ||||||
|---|---|---|---|---|---|---|---|---|---|
| Et, J | Ei, J | Ep, J | Et, J | Ei, J | Ep, J | Et, J | Ei, J | Ep, J | |
| 1 | 48 | 4 | 44 | 34 | 3 | 31 | 8.5 | 2 | 6.5 |
| 2 | 42 | 3.5 | 38.5 | 29.5 | 3 | 26.5 | 6.5 | 2 | 4 |
| 3 | 45 | 4 | 41 | 31 | 3.5 | 27.5 | 7.5 | 2 | 5.5 |
| average | 45 ± 3 | 41 ± 3 | 31 ± 3 | 28.5 ± 2.5 | 7.5 ± 1 | 5.5 ± 1.5 | |||
| Direction | Spec. No. | 20 °C | −196 °C | ||||
|---|---|---|---|---|---|---|---|
| Et, J | Ei, J | Ep, J | Et, J | Ei, J | Ep, J | ||
| Rolling | 1 | 41 | 12 | 29 | 28,5 | 11 | 17,5 |
| 2 | 41 | 12 | 29 | 28 | 11 | 17 | |
| 3 | 40 | 12 | 28 | 28 | 11 | 17 | |
| Transverse | 1 | 32 | 11 | 21 | 23 | 11 | 12 |
| 2 | 32 | 11 | 21 | 22 | 11 | 11 | |
| 3 | 32 | 11 | 21 | 22 | 11 | 11 | |
Disclaimer/Publisher’s Note: The statements, opinions and data contained in all publications are solely those of the individual author(s) and contributor(s) and not of MDPI and/or the editor(s). MDPI and/or the editor(s) disclaim responsibility for any injury to people or property resulting from any ideas, methods, instructions or products referred to in the content. |
© 2023 by the authors. Licensee MDPI, Basel, Switzerland. This article is an open access article distributed under the terms and conditions of the Creative Commons Attribution (CC BY) license (https://creativecommons.org/licenses/by/4.0/).
Share and Cite
Prokić Cvetković, R.; Popović, O.; Radović, L.; Sedmak, A.; Cvetković, I. Fracture Behavior of AlMg4.5Mn Weld Metal at Different Temperatures under Impact Loading. Sustainability 2023, 15, 1550. https://doi.org/10.3390/su15021550
Prokić Cvetković R, Popović O, Radović L, Sedmak A, Cvetković I. Fracture Behavior of AlMg4.5Mn Weld Metal at Different Temperatures under Impact Loading. Sustainability. 2023; 15(2):1550. https://doi.org/10.3390/su15021550
Chicago/Turabian StyleProkić Cvetković, Radica, Olivera Popović, Ljubica Radović, Aleksandar Sedmak, and Ivana Cvetković. 2023. "Fracture Behavior of AlMg4.5Mn Weld Metal at Different Temperatures under Impact Loading" Sustainability 15, no. 2: 1550. https://doi.org/10.3390/su15021550
APA StyleProkić Cvetković, R., Popović, O., Radović, L., Sedmak, A., & Cvetković, I. (2023). Fracture Behavior of AlMg4.5Mn Weld Metal at Different Temperatures under Impact Loading. Sustainability, 15(2), 1550. https://doi.org/10.3390/su15021550

