Simulation of Secondary Frequency Modulation Process of Wind Power with Auxiliary of Flywheel Energy Storage
Abstract
1. Introduction
2. Characteristics of FESS
2.1. Principle
- (1).
- A flywheel rotor for energy storage.
- (2).
- A bearing system supporting the flywheel rotor.
- (3).
- A power converter system for charge–discharge conversion, including motors and power electronic devices.
- (4).
- Other auxiliary components.
2.2. Charging and Discharging Control Model of FESS
2.3. Response Characteristics of FESS
3. Grid Frequency Regulation Control Based on FESS
3.1. AGC Frequency Modulation Model of Conventional Thermal Power Unit
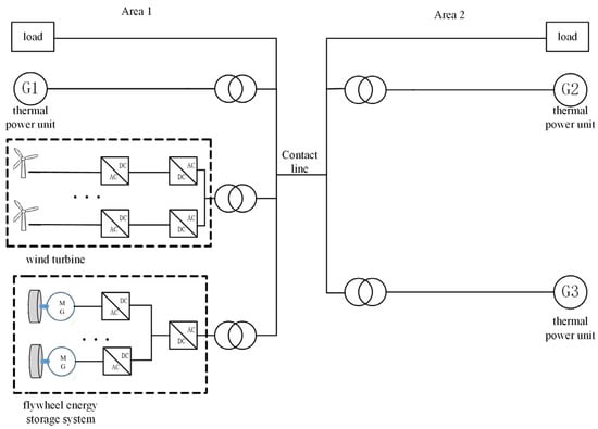
3.2. Frequency Response Model of Power System Considering Wind Power
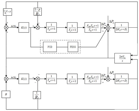
3.3. Dynamic Response Model of Frequency Modulation with Wind Power Assisted by FESS
- (1)
- Assume that all conventional units in an area have the same output in each scenario;
- (2)
- The power load is maintained on the demand side, ignoring the change of D;
- (3)
- Improve wind power penetration by integrating unconventional units and assume that each wind turbine in an area has the same output.
4. Results Analysis
4.1. Frequency Response Characteristics of Power Grid with Different Wind Power Penetration
4.2. Step Disturbance Simulation Analysis
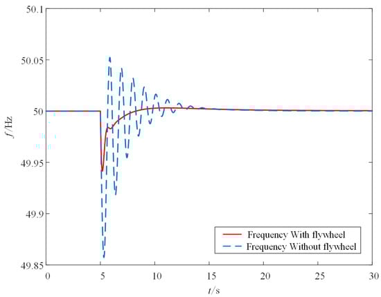
4.3. Continuous Disturbance Simulation Analysis
5. Conclusions
Author Contributions
Funding
Institutional Review Board Statement
Informed Consent Statement
Data Availability Statement
Conflicts of Interest
Abbreviations
| FESS | Flywheel Energy Storage System |
| BESS | Battery energy storage system |
| CAES | Compressed air energy storage |
| SMES | Superconducting Magnetic Energy Storage |
| AGC | Automatic Generation Control |
Variables
| E | Energy stored by the flywheel |
| I | Inertia moment of the flywheel rotor |
| M | Torque |
| ωmax, ωmin | Maximum flywheel speed, Minimum flywheel speed |
| P | Flywheel Power |
| isd, isq | Stator d-axis and q-axis currents, respectively |
| ω1, ω | Angular velocity of stator and rotor |
| usd, usq | d-axis and q-axis voltages of the stator |
| Lm | Mutual inductance between the rotor and the stator |
| Te, TL | Electromagnetic torque and load torque |
| φr | rotor flux |
| ωg | Angular frequency of network side circuit |
| L | Grid side filter inductance value |
| Sd, Sq | Power switch state values |
| R | Equivalent circuit resistance |
| Udc | Side voltage value |
| C | Side inductance value |
| Rload, eload | Load resistance and electromotive force |
| id, iq | d-axis and q-axis currents |
| ed | d-axis voltage |
| Tgi, FHP, TRi, Tti, T12 | Time constant of governor, reheater gain, f coefficient, steam turbine, tie lines. |
| H | Inertia of power system |
| X12 | Equivalent impedance of the tie line |
| U1, U2 | Voltage of Area 1 and Area 2 |
| φ1, φ2 | Correspond to the power angles of Area 1 and Area 2 |
| ∆Ptie | Deviation of tie line switching power |
Appendix A
| Parameter | Numerical Value | Parameter | Numerical Value |
|---|---|---|---|
| P (kW) | 250 | ωm (r/min) | 3600 |
| U (V) | 380 | f (Hz) | 120 |
| ωmin (r/min) | 3600 | np | 2 |
| ωmax (r/min) | 11,500 | M (N·m) | 663 |
| E (kWh) | 50 | I (kg·m2) | 250 |
| Rr (Ω) | 0.0034 | Rs (Ω) | 0.0028 |
| Lr (H) | 0.00124602 | Ls (H) | 0.00125399 |
Appendix B
| Original Parameters | Area 1 | Area 2 |
|---|---|---|
| Bi (per uit) | 36 | 21.5 |
| Ri (per uit) | 0.03 | 0.05 |
| Tgi (s) | 0.10 | 0.08 |
| FHP (s) | 0.250 | 0.375 |
| TRi (s) | 10 | 8 |
| Tti (s) | 0.2 | 0.3 |
| Hi (s) | 5.25 | 6.00 |
| Di (per uit) | 2.75 | 2.0 |
References
- Olabi, A.; Onumaegbu, C.; Wilberforce, T.; Ramadan, M.; Abdelkareem, M.A.; Alami, A.H.A. Critical review of energy storage systems. Energy 2020, 214, 118987. [Google Scholar] [CrossRef]
- Li, H.; Chu, J.; Sun, S. High-Performance Flywheel Hybrid Powertrain. Sustainability 2022, 14, 8076. [Google Scholar] [CrossRef]
- Huang, H.; Zhou, M.; Li, G. An Endogenous Approach to Quantifying the Wind Power Reserve. IEEE Trans. Power Syst. 2020, 35, 2431–2442. [Google Scholar] [CrossRef]
- Li, D.; Wang, L. Small-signal stability analysis of an autonomous hybrid renewable energy power generation energy storage system part i: Time-domain simulations. IEEE Trans. Energy Convers. 2008, 23, 311–320. [Google Scholar]
- Mahmouda, M.; Ramadanc, M.; Olabi, A.-G.; Pullen, K.; Naher, S. A review of mechanical energy storage systems combined with wind and solar applications. Energy Convers. Manag. 2020, 210, 112670. [Google Scholar] [CrossRef]
- Amrouche, S.O.; Rekioua, D.; Rekioua, T.; Bacha, S. Overview of energy storage in renewable energy systems. Int. J. Hydrog. Energy 2016, 41, 20914–20927. [Google Scholar] [CrossRef]
- Akinyele, D.O.; Rayudu, R.K. Review of energy storage technologies for sustainable power networks. Sustain. Energy Technol. Assess. 2014, 8, 74–91. [Google Scholar] [CrossRef]
- Kousksou, T.; Bruel, P.; Jamil, A.; El Rhafiki, T.; Zeraouli, Y. Energy storage: Applications and challenges. Sol. Energy Mater. Sol. Cells 2013, 120, 59–80. [Google Scholar] [CrossRef]
- Zhao, H.; Wu, Q.; Hu, S.; Xu, H.; Rasmussen, C.N. Review of energy storage system for wind power integration support. Appl. Energy 2015, 137, 545–553. [Google Scholar] [CrossRef]
- Diaz, P.M.; El-Khozondar, H.J. Electrical Energy Storage Technologies and the Application Potential in Power System Operation: A Mini Review. In Proceedings of the 2019 IEEE 7th Palestinian International Conference on Electrical and Computer Engineering (PICECE), Gaza, Palestine, 26–27 March 2019; pp. 1–9. [Google Scholar] [CrossRef]
- Delille, G.; Francois, B.; Malarange, G. Dynamic Frequency Control Support by Energy Storage to Reduce the Impact of Wind and Solar Generation on Isolated Power System’s Inertia. IEEE Trans. Sustain. Energy 2012, 3, 931–939. [Google Scholar] [CrossRef]
- Amiryar, M.E.; Pullen, K.R. A Review of Flywheel Energy Storage System Technologies and Their Applications. Appl. Sci. 2017, 7, 286. [Google Scholar] [CrossRef]
- Silva-Saravia, H.; Pulgar-Painemal, H.; Mauricio, J.M. Flywheel Energy Storage Model, Control and Location for Improving Stability: The Chilean Case. IEEE Trans. Power Syst. 2017, 32, 3111–3119. [Google Scholar] [CrossRef]
- Boopathi, D.; Jagatheesan, K.; Anand, B.; Samanta, S.; Dey, N. Frequency Regulation of Interlinked Microgrid System Using Mayfly Algorithm-Based PID Controller. Sustainability 2023, 15, 8829. [Google Scholar] [CrossRef]
- Qu, H.; Ye, Z. Comparison of Dynamic Response Characteristics of Typical Energy Storage Technologies for Suppressing Wind Power Fluctuation. Sustainability 2023, 15, 2437. [Google Scholar] [CrossRef]
- Li, X.; Palazzolo, A. A review of flywheel energy storage systems: State of the art and opportunities. J. Energy Storage 2021, 46, 103576. [Google Scholar] [CrossRef]
- Bai, J.; Zhang, X.; Wang, L. A Flywheel Energy Storage System with Active Magnetic Bearings. Energy Procedia 2012, 16, 1124–1128. [Google Scholar] [CrossRef]
- Liu, H.; Jiang, J. Flywheel energy storage—An upswing technology for energy sustainability. Energy Build. 2006, 39, 599–604. [Google Scholar] [CrossRef]
- Yıldız, A.S.; Sivrioglu, S. Superconducting levitation analysis of a flywheel system using H-formulation. Phys. C Supercond. Its Appl. 2019, 561, 64–70. [Google Scholar] [CrossRef]
- Yin, L.; Li, Y. Fuzzy vector reinforcement learning algorithm for generation control of power systems considering flywheel energy storage. Appl. Soft Comput. J. 2022, 125, 109149. [Google Scholar] [CrossRef]
- Chen, Y.L.; Wu, X.; Teng, W.; Liu, Y. Power coordinated control strategy of flywheel energy storage array for wind power smoothing. Energy Storage Sci. Technol. 2022, 11, 600–608. [Google Scholar] [CrossRef]
- Kundur, P. Power System Stability and Control; McGraw-Hill: New York, NY, USA, 1994. [Google Scholar]
- Wang, S.; Tomsovic, K. Fast Frequency Support from Wind Turbine Generators with Auxiliary Dynamic Demand Control. IEEE Trans. Power Syst. 2019, 34, 3340–3348. [Google Scholar] [CrossRef]
- Du, M.; Niu, Y.; Hu, B.; Zhou, G.; Luo, H.; Qi, X. Frequency regulation analysis of modern power systems using start-stop peak shaving and deep peak shaving under different wind power penetrations. Int. J. Electr. Power Energy Syst. 2021, 125, 106501. [Google Scholar] [CrossRef]















| Wind Power Penetration (p) | Lowest Frequency (Hz) | Time to Reach Steady State (s) |
|---|---|---|
| 0% | 49.88 | 10 |
| 10% | 49.875 | 14 |
| 20% | 49.865 | 16 |
| 30% | 49.855 | 20 |
| 40% | 49.845 | 25 |
Disclaimer/Publisher’s Note: The statements, opinions and data contained in all publications are solely those of the individual author(s) and contributor(s) and not of MDPI and/or the editor(s). MDPI and/or the editor(s) disclaim responsibility for any injury to people or property resulting from any ideas, methods, instructions or products referred to in the content. |
© 2023 by the authors. Licensee MDPI, Basel, Switzerland. This article is an open access article distributed under the terms and conditions of the Creative Commons Attribution (CC BY) license (https://creativecommons.org/licenses/by/4.0/).
Share and Cite
Qin, R.; Chen, J.; Li, Z.; Teng, W.; Liu, Y. Simulation of Secondary Frequency Modulation Process of Wind Power with Auxiliary of Flywheel Energy Storage. Sustainability 2023, 15, 11832. https://doi.org/10.3390/su151511832
Qin R, Chen J, Li Z, Teng W, Liu Y. Simulation of Secondary Frequency Modulation Process of Wind Power with Auxiliary of Flywheel Energy Storage. Sustainability. 2023; 15(15):11832. https://doi.org/10.3390/su151511832
Chicago/Turabian StyleQin, Run, Juntao Chen, Zhong Li, Wei Teng, and Yibing Liu. 2023. "Simulation of Secondary Frequency Modulation Process of Wind Power with Auxiliary of Flywheel Energy Storage" Sustainability 15, no. 15: 11832. https://doi.org/10.3390/su151511832
APA StyleQin, R., Chen, J., Li, Z., Teng, W., & Liu, Y. (2023). Simulation of Secondary Frequency Modulation Process of Wind Power with Auxiliary of Flywheel Energy Storage. Sustainability, 15(15), 11832. https://doi.org/10.3390/su151511832

