Abstract
The excavation-induced stress relief and inward movement of the retaining wall will result in soil rebound deformation at the bottom of the excavation, adversely affecting nearby existing tunnels and foundation piles. Various existing methods for calculating the excavation rebound rely on rebound parameters and void ratio obtained from laboratory tests, without considering the effects of sampling, specimen preparation and laboratory procedures on the rebound parameters. As a result, a novel method is proposed in this article for calculating excavation rebound based on rebound-recompression method (RRM). This method first modifies initial void ratio (e0) and laboratory recompression index (CLR) used in traditional methods (TM) for calculation, based on field rebound and recompression curve proposed by the RRM, to in situ void ratio (ev0) and field recompression index (CFR). Then, the final rebound at the bottom of the excavation is calculated using a layered summation method. In addition, through two engineering examples, the proposed method is compared with existing calculation methods and measurements, demonstrating that this method is easy of calculate, yields reliable results, and can accurately predict the final soil rebound at the bottom of the excavation.
1. Introduction
In recent years, urban development has been progressing rapidly, and underground space engineering has emerged as a green engineering that is being adopted by major cities. Examples of such projects include underground complexes, rail transportation systems, and underground energy facilities. Excavation is an inevitable process in underground construction, which leads to the issue of soil rebound at the bottom of the excavation. Excavation induces the gradual release of soil stress, resulting in rebound deformation of the soil at the bottom of the excavation. With the rapid development of urban underground spaces, excavation projects in foundation pits are also evolving towards larger scales, deeper excavations, and increasingly complex surrounding environments. The engineering issues caused by soil rebound at the bottom of the excavation are becoming increasingly prominent. These problems include cracking, water seepage, and joint opening of the tunnel tube sheet when a tunnel is built beneath the bottom of the excavation, which can adversely impact the structural stability and operational safety of the subway tunnel. Several notable projects have been executed, including the elevated section of Yanggao Road at the Century Avenue interchange in Shanghai [1], the foundation pit construction for the overhead section of Longpan Road tunnel over Metro Line 1 in Nanjing [2], and the tunneling project over the Mass Rapid Transit (MRT) tunnel at Tan Tock Seng (TTS) Hospital in Singapore [3]. Notably, the excavation of the foundation pit at The Shell Centre in London resulted in a significant 50 mm rebound deformation in the underlying subway tunnel, which has continued to evolve over a monitoring period spanning 27 years. Additionally, soil rebound can cause the engineering and column piles in the excavation to bulge and change pile forces, leading to further engineering problems, such as pile instability and enclosure structure instability [4,5]. For instance, in a power plant situated along the river in Jiangsu Province, notable observations were made following the completion of excavation in the foundation pit. Approximately 80% of the pile positions exhibited a displacement exceeding 100 mm, while transverse cracks or fractures were observed in 66% of the piles [6]. Similarly, in a construction project undertaken in Shanghai, post-excavation completion revealed fractures at the bottom sections of 30% of the steel reinforcement cages within the engineering piles [7]. Excavation-induced soil rebound at the bottom of the excavation has the potential to result in severe engineering hazards. Consequently, proposing a precise and practical method for calculating the soil rebound induced by excavation holds significant theoretical implications and engineering applicability. This proposition manifests in three distinct aspects. Firstly, it enhances construction efficiency and reduces resource utilization. Accurately estimating the bottom soil rebound deformation enables the mitigation of rebound magnitude, thereby optimizing construction efficiency and minimizing energy and material requirements during the construction process. Secondly, it ensures the stability and safety of neighboring structures. The rebound of the excavation bottom significantly influences the stability of excavation and the safety of surrounding structures. Employing a rational calculation method effectively diminishes structural damage and safety incidents attributed to bottom soil rebound, consequently fostering sustainable use and maintenance of buildings. Lastly, it promotes technological innovation and sustainable development. Addressing the challenge of bottom soil rebound propels technological innovation and sustainable development within the construction domain. Through research and application of excavation support techniques, monitoring techniques, and construction management methodologies, the construction process can be continually refined, environmental impact can be minimized, and construction quality and efficiency can be enhanced, thereby driving the civil engineering industry towards a more sustainable trajectory.
The magnitude of soil rebound is primarily determined by the soil unloading stress and rebound parameters, such as the resilient modulus or rebound index. Various methods have been proposed for estimating soil rebound resulting from excavation, including the Foundation code methods, the Empirical formula of Tongji University, and the Residual stress method [8]. The Foundation codes employ a layered summation method that treats the excavation and unloading of the foundation as a vertical upward loading process applied at the bottom of the excavation, or equivalent reverse loading, to calculate the additional stress in the foundation. The resilient modulus is used in the βCode for design of building foundationβ in China [9], while the rebound index is utilized in the Japanese code [10]. Hou et al. [11] conducted model test in Shanghai soft soil areas, analyzed the soil rebound results and proposed empirical formulas. Liu et al. [12,13] introduced the residual stress method, arguing that the stress of the soil is not entirely released during excavation, and the rebound modulus of the soil is influenced by unloading [14]. The Residual stress method has been validated by actual measurement results; however, its coefficient calculation is complex, geographically specific, and lacks statistical samples. Regarding the resilient modulus of soil, numerous scholars have conducted related research. Huang et al. [15] maintain that the most conspicuous change in the excavation process is the soil modulus. Liu et al. [16] derived an unloading modulus formula based on experimental investigations and theoretical deductions. Their findings emphasized notable distinctions between the unloading modulus of soft soil and the elastic modulus or compression modulus obtained from conventional triaxial tests. This disparity primarily arises from the observed increase in modulus following unloading and the pronounced influence of stress paths. Hsieh et al. [17] conducted three types of tests to determine the undrained shear strength of clay during excavation. Cui et al. [18] conducted a series of loading, unloading, and reloading processes on natural stiff clay at various depths, thereby establishing common unloading and reloading cycles. Tanaka et al. [19] examined the unloading characteristics of two reconstituted clays and one intact clay through CRS test. Wang et al. [20] obtained a new sustainable material (fiber-reinforced recycled aggregate concreteβFRAC). They studied the cyclic behavior of FRAC, proposed the relationships between residual strain and unloading strain/reloading strain, and provided the unloading stress-strain/reloading stress-strain equations, which have important reference significance for studying soil deformation characteristics and sustainability. In addition to the aforementioned traditional calculation methods, Wu et al. [21] believe that the compression and rebound of excavated soil follow the Ξ»-line and k-line laws, respectively. They derived and established a simplified rebound calculation method based on the one-dimensional rebound theory model. Yang et al. [22] combine rebound parameters obtained from laboratory tests with the widely-used Mindlin and Boussinesq solutions, resulting in a method for rebound estimation. He et al. [23] have introduced a plastic development coefficient Ξ², which is linked to the compression index and rebound index, to estimate the rebound of excavation based on regional empirical data for soil layers in Shanghai. Tong et al. [24] proposed a calculation method for unloading additional stress in deep and large excavation bottom soil under layered excavation conditions based on Mindlin solution. To summarize these studies, except for the residual stress method, all methods for calculating unloading stress use equivalent reverse loading; furthermore, there has been a gradual transition from linear resilient modulus [6] to rebound parameter influenced by stress for determining the rebound parameter [9,10].
However, most current methods utilize laboratory testing to obtain rebound parameters for the calculation of rebound deformation, without taking into account the effects of soil disturbance during sampling. In reality, soil samples undergo stress relief and disturbance during the collection and preparation process before testing, thereby generating discrepancies between the one-dimensional consolidation compression curve observed in the laboratory and that observed in the field. To address this issue, Li et al. [25] proposed a correction method known as the Rebound-recompression method (RRM), which seeks to obtain the in-situ soil parameters for field rebound-recompression curves. The use of RRM enables the utilization of in-situ soil parameters for the calculation of soil rebound resulting from excavation, resulting in more realistic outcomes relative to those generated by laboratory-disturbed soil parameters. Building on the RRM model, this paper proposes a soft soil deep excavation rebound calculation method and validates it using two engineering cases. Comparison and analysis with the current common calculation methods provide evidence to support the availability of more accurate and convenient calculations of soil rebound deformation in actual engineering applications.
2. Common Calculation Method of Soil Rebound Due to Excavation
2.1. Foundation Codes Method
The excavation process in the Foundation codes method is conceptualized as unloading a uniform load. It employs the half-space surface settlement formula and the layered summation method under the action of to estimate the rebound of soil at the bottom of the excavation upon completion. In Chinaβs Code for design of building foundation (GB50007-2011) [9], the resilient modulus is utilized to calculate the soil rebound deformation with the following formula.
where Sc is the rebound deformation of the foundation; Οc is an empirical coefficient that accounts for the impact of rebound and is taken as 1.0 when regional experience is not available; Pc is the self-weight stress of the soil above the bottom surface of the foundation, with water buoyancy being deducted from the portion below the water table; Ec is the resilient modulus of the soil; zi and ziβ1 denote the distance from the calculation point at the bottom surface of the foundation to the bottom surface of the soil layer of i and the soil layer of i β 1, respectively; Ξ±i and Ξ±iβ1 represent the average additional stress coefficient within the range from the calculation point at the bottom surface of the foundation to the bottom surface of the soil layer of i and the soil layer of i β 1, respectively.
In the Japanese βDesign of building foundation constructionβ [10], reverse loading is incorporated to account for the impact of additional stress. The rebound index is utilized to calculate the rebound deformation, and its calculation formula is presented as follows.
where Cs is the rebound index of the soil layer beneath the excavation surface, e0 is the initial void ratio of the soil layer; PN is the overlying load acting on the original soil layer at the layerβs center; Ξp is the change in load within the soil layer resulting from the excavation; h is the thickness of the soil layer.
The Foundation code in China prescribes a constant value for the resilient modulus without considering the influence of stress levels. On the other hand, the Japanese Code treats the process of excavation unloading as reverse backfill loading, incorporating the self-weight stress of the excavated soil as additional stress. However, these simplified assumptions often result in significant discrepancies between the calculated results and actual measurements.
2.2. Empirical Formula of Tongji University
By conducting systematic simulation experiments on soil unloading and excavation rebound, Hou et al. [11] concluded the excavation rebound calculation equation.
where H is the excavation depth; Hβ² is the cogeneration excavation depth, equivalent to H + p/Ξ³; p is the surface overload; Ξ³ is the average effective bulk weight of the excavated soil layer; D is the depth of the retaining structure in the soil; c is the cohesive force of the soil; Ο is the friction angle of the soil.
The proposed method entails an empirical formula derived from model test results conducted in the soft soil area of Shanghai. It should be noted that the scope of application is limited, specifically relevant to homogeneous foundations in the Shanghai region characterized by soft soil. Furthermore, the applicability of this method to super-deep excavations has yet to be validated.
2.3. Residual Stress Method
Liu et al. [12,13] postulated that the soil exhibits typical elastoplastic behavior, with residual deformation and stress occurring beneath the excavation bottom surface. These residual stress influence the stress distribution in the soil beneath the excavation. Considering the strong correlation between the modulus of soft soil and the stress path, the authors propose a formula to account for changes in modulus after soil unloading, which leads to a residual stress calculation method for estimating soil rebound at the bottom of the excavation.
2.3.1. Rebound Stress
The concept of residual stress in the soil is elucidated by incorporating the residual stress coefficient Ξ±, defined as the ratio of residual stress to unloading stress. The depth at which Ξ± = 0.95 is termed the depth of residual stress influence, which is found to be closely related to the excavation depth H. The empirical formula for the depth of residual stress influence hr in the Shanghai area is
The residual stress factor Ξ±, characterizing the stress state at any given depth beneath the excavation bottom surface, is determined by the following equation.
where Ξ±0 is a constant value, precisely 0.30 for soft clay soil in the Shanghai region; h is the thickness of the overlying soil layer at the designated calculation point.
The rebound stress Οz is
where Ο0 is the total unloading stress, encompassing the self-weight stress of the soil within the excavation depth.
2.3.2. Unloading Modulus
The study has substantiated the significant influence of stress path on the modulus of soft soil. In light of this, a formula is proposed to calculate the unloading modulus of the soil at the bottom of the excavation.
where Et is the unloading modulus; K0 is the earth pressure coefficient; Rf is the soil damage ratio, which can be approximated by the value in the Duncan-Chang model; c is the cohesive force of the soil; Ο is the friction angle within the soil; Οv and Οh denote the vertical and horizontal stress, respectively; Eui is the initial unloading modulus of the soil, calculated as Eui = ΔuiΒ·Οm; Δui is the initial unloading modulus coefficient of the soil, known to be influenced by the stress path; Οm is the average consolidation stress.
There is a relationship between the soil stress path and the excavation width, so the excavation width is specified empirically [13], the excavation width B β€ 2.5H is narrow, and the excavation width B > 2.5H is wide.
For narrow excavation (B β€ 2.5H), the soil stress beneath the excavation bottom surface is calculated utilizing the following equation.
For wide excavation (B > 2.5H), the soil stress Οvi, Οhi, and Οmi beneath the excavation bottom surface is calculated utilizing the Equations (8), (11) and (10), respectively.
where Ξ³j is the average effective bulk weight of the soil layer of j; hj is the thickness of the soil layer of j; K0 is the earth pressure coefficient; R is the loading and unloading ratio.
2.3.3. Rebound Deformation
The calculation of final rebound at the bottom of the excavation, denoted by Ξ΄, is obtained through the layered summation method, which is expressed as follows:
where Οz is the rebound stress; Et is the unloading modulus; hi is the thickness of the soil layer of i.
While theoretically robust and yield reliable calculation results, the residual stress method is characterized by a more complex calculation formula and a lack of practical guidance for engineering application. Furthermore, it could be more applicable to stable excavation analysis, with limited effectiveness in analyzing excavation instability failure states. Notably, the results obtained from the residual stress method pertain solely to the maximum rebound at the bottom of the excavation and are applicable only in soft soil areas.
3. The Rebound Calculation Method Based on RRM Method
In this section, based on the previously proposed in-situ rebound-recompression curve [25], we make corrections to the required void ratio and rebound index for the calculation of excavation rebound. By referencing the traditional method for calculating foundation settlement and treating the self-weight stress of the excavated soil as unloading additional stress, we propose a calculation method for excavation rebound based on RRM.
3.1. Rebound Stress
The computation of rebound stress can be attributed to the distribution pattern of unloading stress along the depth direction, as delineated by Lou [14] based on rigorous measurement data. This pattern posits that the self-weight stress of the soil, although considered a resident force, does not significantly impact the outcomes of foundation settlement. However, in the calculation of excavation rebound, the effect of the self-weight stress cannot be overlooked, as the upward unloading stress tends to counteract the downward self-weight stress. This stress distribution pattern aligns with the idea proposed by Qian [26]. The calculation of rebound stress at the bottom of the excavation is as follows:
where ΞΟrz is the rebound stress at a given depth z of the excavation bottom and is constrained to a minimum value of 0; pc is the self-weight stress of the soil layer within the excavation depth, adjusted for buoyancy effects; Ξ³β² is the average effective bulk weight of the soil layer within the depth z of the excavation bottom; Ξ±z is the additional stress coefficient, calculated in accordance with the elastic half-space theory, and can be approximated as 1.0 for larger-scale excavations [14].
The computation of rebound stress is grounded on the Boussinesq solution derived from linear elasticity theory, as outlined in βCode for design of building foundationβ (GB50007-2011). This approach offers a simplified and practical means for calculating rebound stress in accordance with established guidelines.
3.2. Calculation of In Situ Void Ratio and Field Recompression Index
In the traditional calculation method of soil rebound deformation (referred to as the TM method), the average slope (referred to as CLR) of the unloading-reloading cycle process in the compression curve obtained from laboratory tests in the e-logp coordinate is directly utilized as the recompression index (referred to as CFR) of the in situ soil. However, the TM method fails to account for potential disturbance arising from soil stress relief during soil sampling and sample preparation, leading to an overestimation of the void ratio (referred to as e0) used in the calculation compared to the in situ void ratio (referred to as ev0). Consequently, the soil rebound deformation is often underestimated. To address this limitation, a correction method based on field rebound-recompression curve has been employed to rectify the laboratory-derived rebound curve, allowing for the determination of the in situ void ratio (ev0) and the field recompression index (CFR).
Residual stress persist in the soil due to the effects of stress path. During sampling and sample preparation, the process of stress relief can result in soil sample swelling, and the presence of residual stress can mitigate the swelling of the extent of swelling. Upon saturation of the soil sample with water, the effective residual stress of the sample diminishes to zero. To prevent further swelling of the soil sample, the effective residual stress (hereafter referred to as RES) corresponding to the initial void ratio (e0) is applied to the soil sample during sampling and sample preparation, thus simulating the unloading of the soil sample from the vertical effective stress Οβ²v0 to the RES value equal to pβ²r, as depicted in Figure 1. Subsequently, the sample is reloaded to Οβ²v0, and these two processes constitute the first unloading-loading cycle. In order to determine the laboratory recompression index (CLR) from the test results, a second unloading-loading cycle is performed at the end of the first loading. Assuming that only the elastic deformation of the soil sample is recovered during the unloading process and neglecting the additional plastic deformation generated during the first loading process, the difference in void ratio Ξed between point A and C is equal to the difference in void ratio between point B and D. Therefore, the slope of the first unloading curve is equivalent to the slope of the second unloading curve. By drawing a line with the slope of the second unloading-loading cycle (i.e., CLR) and intersecting Οβ²v0 at point A through point B, the in situ void ratio ev0 can be calculated by the following equation.
Figure 1.
Derivation process of field compression curve.
The determination of the reduction in void ratio Ξed, resulting from disturbances in the soil sampling and sample-making processes, is based on the distance between points A and C. Additionally, line BP, with a length equal to Ξed, is drawn vertically through point B. Point P represents the state reached by unloading when undisturbed, and the slope of line AP corresponds to the field recompression index (CFR).
The measurement of effective residual stress in soil samples can be achieved through the use of a small tensiometer. Prior to the consolidation test, a thin-walled plastic tube with a diameter of 6 mm was carefully employed to create a small hole with a depth of slightly exceeding 25 mm at the center of the soil sample. Subsequently, a porous ceramic cup with a diameter of 6 mm was inserted into the hole. The intricate details of the specific operation process and working principle of the tensiometer are beyond the scope of this study and are not expounded upon.
3.3. Rebound Deformation
In accordance with the traditional foundation settlement calculation method, the self-weight stress of the excavated soil is considered as an additional stress due to unloading. This is calculated using the layered summation method, as denoted by the following formula, based on the traditional foundation settlement calculation method.
where S is the final rebound at the bottom of the excavation; CFR_i is the field recompression index of the soil layer of i; ev0_i is the in situ void ratio of the soil layer of i; Hi is the thickness of the soil layer of i; Οβ²v0_i is the vertical effective stress of the soil layer of i before excavation; ΞΟrz_i is the vertical effective additional stress (rebound stress) of the soil layer of i due to excavation. In this paper, the aforementioned calculation method is denoted as the field rebound-recompression method, and henceforth referred to as the RRM method.
4. Project Examples and Comparison of Different Calculation Methods
4.1. An Underground Station Excavation of Ningbo Metro Line 3
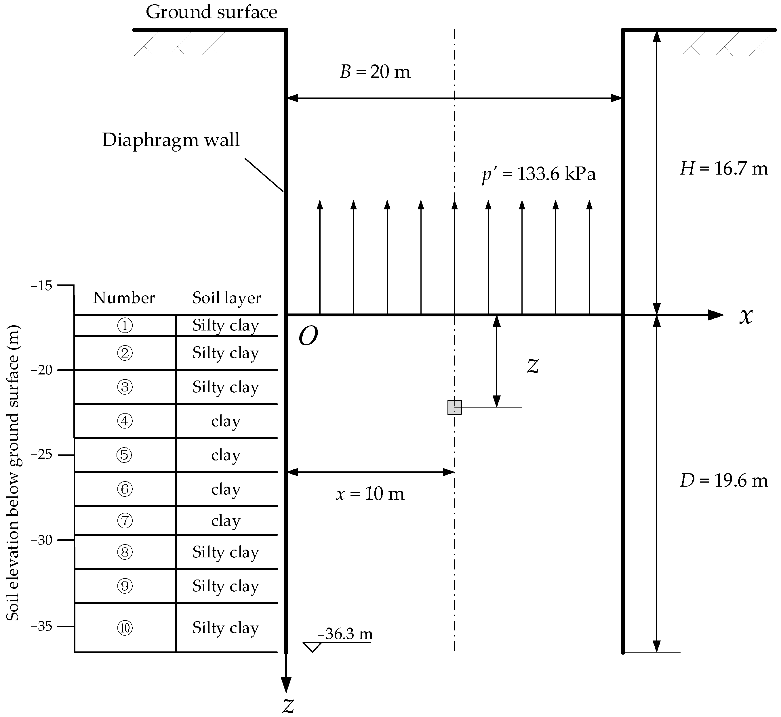
The excavation for the underground station of Ningbo Metro Line 3 entailed an excavation length of 158 m, a width of 20 m, and a depth of 16.7 m. A diaphragm wall with a depth of 19.6 m and five horizontal supports was employed as retaining structure. The excavation sequence in the case was top-down excavation. The construction process, instrumentation arrangement and actual measurement results are elaborated on in the study by Li [4]. The average effective bulk weight of soil above and beneath the final excavation surface were assumed as 8 kN/m3 and 7 kN/m3, respectively. The physical and mechanical properties of the soil at the lower part of the excavation bottom are presented in Table 1, and the typical excavation profile and the additional vertical load in the excavation bottom are depicted in Figure 2.
Table 1.
Physical and mechanical parameters of soil layer in an underground station of Ningbo Metro Line 3.
Figure 2.
Typical excavation profile and vertical additional load at the bottom of the excavation.
The excavation project is situated in the clay and silty clay predominant area of Ningbo. Therefore the calculation process of the residual stress method and RRM method will be mainly introduced in this part.
4.1.1. Residual Stress Method
The excavation in question was characterized by a narrow width (B = 20 m) and a depth (H = 16.7 m) that satisfies the condition B < 2.5H, thereby classifying it as a narrow excavation. The depth of residual stress influence (hr) is calculated to be 13.78 m, with a residual stress coefficient of Ξ± = 0.3 + 0.00342h2 (0 β€ h β€ hr). The presence of a retaining wall constrains the release of horizontal stress in the soil, and the displacement of the retaining wall due to excavation increases horizontal stress, resulting in a value of Δui = 200 [13]. The damage ratio (Rf) is determined to be 0.9. The values of Ξ±, Οm, and Et are obtained from Equations (5), (10) and (7), respectively. Other parameters required for calculation are presented in Table 1. The calculated rebound results using the residual stress method are summarized in Table 2, revealing a final rebound of 72.67 mm at the bottom of the excavation.
Table 2.
Rebound calculation of residual stress method in an underground station of Ningbo Metro Line 3.
4.1.2. RRM Method
The excavation dimensions for this case study are a length of L = 158 m and a width of B = 20 m, allowing for simplifying the analysis to a vertical uniform load distribution in the strip area. It is assumed that the self-weight stress of the excavated soil on the bottom surface of the excavation as vertical upward additional stress, uniformly distributed in the strip area. The vertical unloading stress on the bottom surface of the excavation is pβ = 133.6 kPa. The effective unloading of additional stress at different depths beneath the excavation bottom surface can be calculated using the Boussinesq solution. The removed effective vertical additional stress, also known as rebound stress, ΞΟrz, due to the uniformly distributed vertical load on the strip area, can be determined using the following equation [27].
where: m = x/B = 0.5, n = z/B = 0.05z, z is the depth of the calculated point; x is the horizontal distance of the calculated point (midpoint of the excavation along the width direction).
The RRM method was employed to obtain the void ratio and resilient modulus of the in-situ soil, while the residual stress was measured using a small tensiometer. The additional stress and residual stress in the soil beneath the excavation bottom surface are summarized in Table 3. The resulting values are used to calculate the final rebound at the bottom of the excavation using both the TM method and RRM method, as presented in Table 4. The calculated final rebound at the bottom of the excavation was found to be 55.93 mm using the TM method, while the RRM method yielded a value of 79.05 mm.
Table 3.
Stress distribution of TM method and RRM method for an underground station excavation of Ningbo Metro Line 3.
Table 4.
Rebound calculation of TM method and RRM method for an underground station excavation of Ningbo Metro Line 3.
4.1.3. Comparison of Different Calculation Methods and Measurement Results
In this project, the excavation rebound at the bottom surface was measured using the βA device and method for magnetic ring type testing of foundation rebound caused by excavationβ [28]. Test points were established on the south and north sides of the excavation, and rebound measurements at different depths were recorded at the test point. The measured results are presented in Table 5.
Table 5.
Rebound measurement in an underground station excavation of Ningbo Metro Line 3.
Furthermore, the final rebound at the bottom of the excavation was 238.42 mm and 28.89 mm according to the βCode for design of building foundationβ and the Japanese Code, respectively, while the empirical formula method yielded a value of 125.02 mm, as depicted in Figure 3. The final corrected rebound measurement was obtained by subtracting the rebound at the reference datum from the measured rebound. Notably, the rebound calculated using the residual stress method and the RRM method exhibited the highest consistency with the measured values. Conversely, the rebound calculated using the Japanese Code and the TM method was comparatively smaller, while the results obtained from the βCode for design of building foundationβ were notably larger than the measured values.
Figure 3.
Comparison of the rebound of different calculation methods and measurement of an underground station excavation of Ningbo Metro Line 3 [9,10,11,12,13].
4.2. Shanghai World Financial Center Podium Excavation
The Shanghai World Financial Center project [29] is situated in the esteemed Lujiazui financial trade zone, specifically in plots Z4-1 and Z4-2, with a combined area of 3 Γ 104 m2. The towering structure boasts 101 above-ground floors, reaching a height of 492 m. The podium of the project comprises 5 floors above ground and 3 floors underground, with a burial depth of approximately 18 m. The construction methodology employed for the underground part follows a top-down approach, involving the excavation of around 26 Γ 104 m3 of soil. Given the substantial scale of the project, it has been assigned a Grade 1 excavation protection level. The excavation of the podium project has an irregularly rectangular plan, with a depth of approximately 18 m and spans of about 216 m in the north-south direction and 125 m in the east-west direction. The excavation is supported by diaphragm walls, which also serve as the retaining structure, along with impervious curtain and exterior basement walls. The engineering physical and mechanical properties of the site are outlined in Table 6.
Table 6.
Physical and mechanical parameters of the soil layer in Shanghai World Financial Center podium excavation.
In this part, the calculation process of residual stress method and RRM method is mainly introduced.
4.2.1. Residual Stress Method
The excavation dimensions are well-known, with a width of B = 125 m and a depth of H = 18 m, satisfying the condition B > 2.5H, indicating a wide excavation. The depth of residual stress influence (hr) is calculated to be 13.94 m, with a residual stress coefficient of Ξ± = 0.3 + 0.00335h2 (0 β€ h β€ hr). Other parameters, including the damage ratio Rf = 0.9, the initial unloading modulus coefficient Δui = 250, Ξ±, Οm, and Et are obtained from Equations (5), (10) and (7) respectively, as well as additional parameters listed in Table 6, are used for the calculation. The calculated rebound results using the residual stress method are summarized in Table 7, revealing a final rebound of 94.21 mm at the bottom of the excavation.
Table 7.
Rebound calculation of the residual stress method for Shanghai World Financial Center podium excavation.
4.2.2. RRM Method
The excavation dimensions of length L = 216 m and width B = 125 m are analyzed considering the case of vertical homogeneous load distribution in a rectangular area. The vertical unloading stress reverses at the bottom of the excavation surface and is uniformly distributed within the rectangular area. The magnitude of vertical unloading stress on the bottom surface of the excavation is pβ² = 139.6 kPa, and the effective unloading additional stress at varying depths beneath the excavation bottom surface can be calculated using the Boussinesq solution. The removed effective vertical additional stress, also known as rebound stress, ΞΟrz, due to the uniformly distributed vertical load on the strip area, can be determined using the following equation.
where m = L/B = 1.8, n = z/B = 0.016z, z is the depth of the calculated point.
Following the RRM method, the void ratio and resilient modulus of the in suit soil were determined, while 1/6 of the effective vertical stress was utilized to calculate the soil layer rebound for the Shanghai World Financial Center podium excavation, given the absence of measured residual stress data [30]. The additional stress and residual stress in the soil beneath the excavation bottom surface is presented in Table 8, while the final rebound calculated using TM method and RRM method are detailed in Table 9. The TM method yielded a final rebound of 38.21 mm, while the RRM method yielded a higher value of 59.39 mm.
Table 8.
Stress distribution of the TM method and RRM method for Shanghai World Financial Center podium excavation.
Table 9.
Rebound calculation of the TM method and RRM method for Shanghai World Financial Center podium excavation.
4.2.3. Comparison of Different Calculation Methods and Measurement Results
The Shanghai World Financial Center podium excavation project recorded a maximum measured rebound of 46.00 mm [31]. The rebound value of excavation is usually measured using a single-point testing method. This involves drilling a hole and installing a rebound device at the excavation face to monitor the amount of rebound after excavation. Additionally, considering cost and instrument protection issues, typically only one point is selected for rebound monitoring. The final rebound at the bottom of the excavation was estimated to be 188.36 mm by the βCode for design of building foundationβ, 14.06 mm by the Japanese Code, and 122.38 mm by the empirical formula method, as summarized in Figure 4. The results obtained by different calculation methods exhibited significant variations. Notably, the rebound calculated using the Japanese Code was relatively smaller, while the βCode for design of building foundationβ and the Empirical formula of Tongji University yielded much larger values compared to the maximum measured rebound. On the other hand, the TM method and the RRM method demonstrated closer alignment with the measurement, with the RRM method being more conservative in its estimations. Thus, the RRM method appears to be more appropriate for estimating the final rebound in excavation projects.
Figure 4.
Comparison of the rebound of different calculation methods and actual measurement of Shanghai World Financial Center podium excavation [9,10,11,12,13].
5. Conclusions
In this paper, a new rebound calculation method is proposed for estimating the final excavation rebound. The method is based on field rebound and recompression curve method (RRM method) and is compared and analyzed against commonly used rebound calculation methods through two engineering examples. The following conclusions are drawn:
(1) The RRM method yields the closest results to the measured deformation, while the Japanese Code and TM method are smaller than the measurement, and the rebound calculation of the βCode for design of building foundationβ, Empirical formula of Tongji University and the Residual stress method are larger than the measurement, failing to accurately reflect the real excavation rebound phenomenon. This discrepancy can be attributed to the fact that these existing methods rely on rebound parameters obtained from laboratory tests without considering the influence of soil sample disturbance on these parameters.
(2) The RRM method takes into account the stress relief and disturbance of the soil during the process of soil sampling and sample preparation, making the physical meaning clearer and yielding calculation results that better fit the actual field conditions. As a result, the final rebound calculated by the RRM method is closest to the measured deformation.
(3) Moreover, the RRM method is more concise, requiring fewer easily accessible calculation parameters, and the soil parameters are determined based on indoor model tests rather than empirical formulas. This reduces geographical limitations and enhances the applicability of the method, which is significant for advancing the prediction and design theory of foundation excavation deformation rebound.
(4) Nevertheless, during the practical construction process, numerous factors come into play that can influence the rebound deformation at the bottom of the excavation. These factors include bottom reinforcement, dewatering operations, temporary construction loads, and the spatiotemporal effects of the excavation process. The current calculation method for pit rebound, based on RRM, is unable to comprehensively account for the intricate interplay of these factors on the actual rebound behavior. Consequently, further enhancements and refinements are warranted to augment the theoretical framework and address these complex effects.
Overall, the RRM method presents a promising method for a more accurate and comprehensive calculation of excavation rebound, addressing the limitations of existing methods and contributing to the advancement of engineering practice in this field.
Author Contributions
Conceptualization, Z.L.; validation, X.X.; formal analysis, X.X. and Y.Z.; investigation, Z.L.; writingβoriginal draft preparation, Y.Z.; writingβreview and editing, K.Y. and Z.L.; supervision, C.X. and Z.L.; project administration, H.F. All authors have read and agreed to the published version of the manuscript.
Funding
This work was supported by the Youth Innovative Talent Research Project of Guangxi (No. AD23026158) and the National Natural Science Fundation of China (No. 52208337).
Informed Consent Statement
Not applicable.
Data Availability Statement
Not applicable.
Acknowledgments
The research conducted in this study was supported by research funding from Zhejiang Provincial Erjian Construction Group LTD. and Ningbo Rail Transit.
Conflicts of Interest
The authors declare no conflict of interest.
Nomenclature
| field recompression index | |
| laboratory recompression index | |
| field compression index | |
| void ratio | |
| initial void ratio | |
| in situ void ratio | |
| void ratio of point C | |
| increase in the void ratio caused by soil swelling during sampling and sample | |
| decrease in the void ratio caused by soil disturbance during sampling and sample preparation | |
| in situ vertical effective stress | |
| yield stress | |
| residual effective stress | |
| rebound stress | |
| additional stress coefficient | |
| average effective bulk weight | |
| final rebound at the bottom of the excavation | |
| thickness of the soil layer |
References
- Zhang, J. Tunnel Displacement Induced by above Excavations in Soft Soils and Its Controlment. Ph.D. Thesis, Shanghai Jiao Tong University, Shanghai, China, 2013. [Google Scholar]
- Li, P.; Yang, T.; Liu, H.; Wang, Y.; Chen, Y. Heave deformation of existing tunnels under new tunnel excavation. J. PLA Univ. Sci. Technol. 2011, 12, 480β485. [Google Scholar] [CrossRef]
- Sharma, J.S.; Hefny, A.M.; Zhao, J.; Chan, C. Effect of large excavation on deformation of adjacent MRT tunnels. Tunn. Undergr. Space Technol. 2001, 16, 93β98. [Google Scholar] [CrossRef]
- Li, Z.; Lin, W.; Ye, J.; Chen, Y.; Bian, X.; Gao, F. Soil movement mechanism associated with arching effect in a multi-strutted excavation in soft clay. Tunn. Undergr. Space Technol. 2021, 110, 103816. [Google Scholar] [CrossRef]
- Chen, X. Discussion on the effect of soil uplift at the bottom of deep foundation excavation on engineering piles. Fujian Constr. Sci. Technol. 2006, 21, 15β16. [Google Scholar] [CrossRef]
- Guo, Y.; Tian, S. Judgment of Quality Problems of Pile Foundation Caused by Excavation in Soft Soil Region and the Treatment. Explor. Eng. 2015, 42, 59β62. [Google Scholar]
- Chen, J.; Wang, J.; Fan, W.; Wang, W. Behavior of up-lift pile foundation during large-scale deep excavation. Chin. J. Geotech. Eng. 2009, 31, 402β407. [Google Scholar] [CrossRef]
- Song, X. Research on Rebound Deformation Caused by Pit Excavation under Typical Geological Conditions in Shenzhen Area. Masterβs Thesis, Beijing Jiaotong University, Beijing, China, 2017. [Google Scholar]
- Ministry of Housing and Urban-Rural Development of the Peopleβs Republic of China. Code for Design of Building Foundation; China Architecture & Building Press: Beijing, China, 2011; pp. 28β29. [Google Scholar]
- Liu, G.; Wang, W. Excavation Engineering Brochure, 2nd ed.; China Architecture & Building Press: Beijing, China, 2009; pp. 204β207. ISBN 978-7-112-11552-5. [Google Scholar]
- Hou, X.; Xia, M.; Li, G. Research on the stability and uplift of deep excavation in soft soil. In Foundation Theories and Practice in Soft Soil; Gao, D., Ed.; China Architecture & Building Press: Beijing, China, 1992; pp. 69β83. ISBN 7112016088. [Google Scholar]
- Liu, G.; Huang, Y.; Hou, X. A practical method for calculating a heave of excavated foundation. China Civ. Eng. J. 2000, 33, 61β67. [Google Scholar] [CrossRef]
- Liu, G.; Hou, X. Residual stress analysis method for soft soil pit uplift deformation. Tunnel Rail Transit. 1996, 2β7. [Google Scholar]
- Lou, X.; Li, D.; Liu, J. Rebound stress and deformation below the bottom of deep excavations. China Civ. Eng. J. 2012, 45, 134β138. [Google Scholar] [CrossRef]
- Huang, M.; Liu, X.; Zhang, N.; Shen, Q. Calculation of foundation pit deformation caused by deep excavation considering influence of loading and unloading. J. Cent. South Univ. 2017, 24, 2164β2171. [Google Scholar] [CrossRef]
- Liu, G.; Hou, X. Unloading modulus of soft soils. Chin. J. Geotech. Eng. 1996, 18, 18β23. [Google Scholar] [CrossRef]
- Hsieh, P.G.; Chang, Y.O.; Liu, H.T. Basal heave analysis of excavations with consideration of anisotropic undrained strength of clay. Can. Geotech. J. 2008, 45, 788β799. [Google Scholar] [CrossRef]
- Cui, Y.J.; Nguyen, X.P.; Tang, A.M.; Li, X.L. An insight into the unloading/ reloading loops on the compression curve of natural stiff clays. Appl. Clay Sci. 2013, 83β84, 343β348. [Google Scholar] [CrossRef]
- Tanaka, H.; Tsutsumi, A.; Ohashi, T. Unloading behavior of clays measured by CRS test. Soils Found. 2014, 54, 81β93. [Google Scholar] [CrossRef]
- Wang, C.; Xiao, J.; Liu, W.; Ma, Z. Unloading and reloading stress-strain relationship of recycled aggregate concrete reinforced with steel/polypropylene fibers under uniaxial low-cycle loading. Cem. Concr. Compos. 2022, 131, 104597. [Google Scholar] [CrossRef]
- Wu, H.; Wang, Y.; Wang, H.; Mao, Z.; Zhao, Y.; Fu, Y. Simplified calculation method for rebound of large area foundation pit excavation. China Civ. Eng. J. 2020, 53, 361β366. [Google Scholar] [CrossRef]
- Yang, J.; Li, J. A practical method for calculating layer wise rebound at the bottom of foundation pit. Rock Soil Mech. 2014, 35, 1413β1420. [Google Scholar] [CrossRef]
- He, Y. Simplified Prediction of Rebound Deformation in Soft Soil Excavation Considering Plasticity Development Coefficient. J. Yangtze River Sci. Res. Inst. 2015, 32, 94β98+103. [Google Scholar] [CrossRef]
- Tong, X.; Yuan, J.; Jiang, Y.; Liu, X.; Li, Y. Calculation of layered unloading additional stress of foundation pit based on Mindlin solution and the analysis of multiple factors influencing the rebound deformation. Rock Soil Mech. 2020, 41, 2432β2440. [Google Scholar] [CrossRef]
- Li, Z.; Chen, Y.; Zhou, Y.; Bian, X. Field Rebound and Recompression Curve of Soft Clay. Geotech. Test. J. 2021, 44, 67β86. [Google Scholar] [CrossRef]
- Qian, L. The Analysis and Design of Raft and Box Foundation; China Architecture & Building Press: Beijing, China, 2003; pp. 50β52. ISBN 9787112055944. [Google Scholar]
- Fadum, R. Influence values for estimating stresses in elastic foundations. In Proceedings of the 2nd International Conference Soil Mechanics and Foundation Engineering, Rotterdam, The Netherlands, 21β30 June 1948. [Google Scholar]
- A Device and Method for Magnetic Ring Type Testing of Foundation Rebound Caused by Excavation. CN201710256794.1; Zhejiang University: Zhejiang, China; Ningbo Rail Transit: Ningbo, China, 2017.
- Kong, L. Rebound deformation of foundation pits considering residual stress. China J. Geotech. Eng. 2010, 32, 79β82. [Google Scholar]
- Tanaka, H. Sample Quality of Cohesive Soils: Lessons from Three Sites, Ariake, Bothkennar and Drammen. Soils Found. 2000, 40, 57β74. [Google Scholar] [CrossRef] [PubMed]
- Li, D.; Lou, X.; Yang, M. Research and application of calculation methods for rebound deformation of foundation pits. Chin. J. Rock Mech. Eng. 2012, 31, 1921β1927. [Google Scholar] [CrossRef]
Disclaimer/Publisherβs Note: The statements, opinions and data contained in all publications are solely those of the individual author(s) and contributor(s) and not of MDPI and/or the editor(s). MDPI and/or the editor(s) disclaim responsibility for any injury to people or property resulting from any ideas, methods, instructions or products referred to in the content. |
Β© 2023 by the authors. Licensee MDPI, Basel, Switzerland. This article is an open access article distributed under the terms and conditions of the Creative Commons Attribution (CC BY) license (https://creativecommons.org/licenses/by/4.0/).



