Operational Cost Minimization of Electrical Distribution Network during Switching for Sustainable Operation
Abstract
:1. Introduction
- NR for a practical 71-bus system in Malaysia has been conducted based on the MISOCP method to minimize the power loss and voltage deviation to acquire sustainable operation.
- Hamming dataset approach with reduced search space based on exhaustive search has been proposed to attain the optimal switching sequence during intermittent switching.
- Economic analysis has been conducted on a practical 71-bus system to minimize operational costs.
2. Problem Formulation
2.1. Objective Function
2.2. Constraints
2.2.1. Active and Reactive Power Flows
2.2.2. Voltage Limit
2.2.3. Maximum Power Flow of a Branch
2.2.4. Radiality of Network
2.2.5. Apparent Power Limit
3. Methodology of the Switching Sequence Technique
- Step 1: Select initial and final configuration from the previous stage. Discard the common switches in the initial and final configuration.
- Step 2: Attain the minimum edge of cut for , which generates precisely two subgraphs and , having spanning tree of and .
- Step 3: Select the set F() that connects and . e(F) connects and and generate a possible switching combination. Repeat steps 2 and 3 to generate all the possible switching combinations have Hamming distance equal to two.
- Step 4: Evaluate the fitness of the switching combination based on Equation (1). Select the switching combination which provides the lowest fitness value.
- Step 5: Remove and , where and are the selected edges in this switching step.
- Step 6: When and becomes empty; the process will stop. Otherwise, it will repeat from step 3.
4. Results and Discussion
4.1. Network Reconfiguration
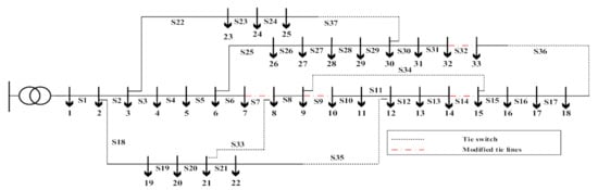
4.1.1. IEEE 33-Bus System
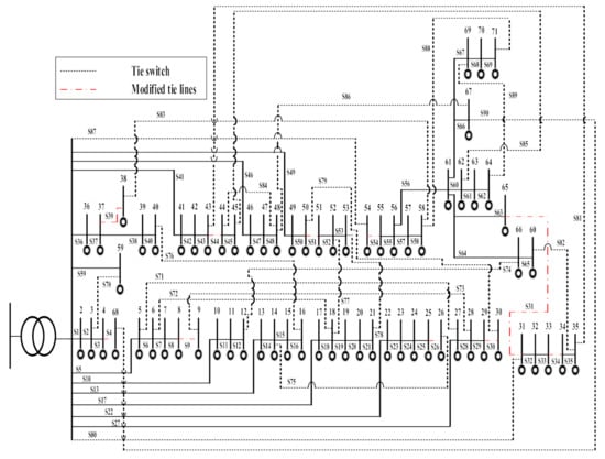
4.1.2. A Practical 71-Bus System in Malaysia
4.2. Switching Sequence
4.2.1. IEEE 33-Bus System
4.2.2. The Practical 71-Bus System in Malaysia
4.3. Economic Analysis
5. Conclusions
Author Contributions
Funding
Institutional Review Board Statement
Informed Consent Statement
Data Availability Statement
Conflicts of Interest
Abbreviations
| Acronyms | |
| NR | Network Reconfiguration |
| MISOCP | Mixed Integer Second Order Cone Programming |
| EO | Equilibrium Optimizer |
| CSA | Cuckoo Search Algorithm |
| COA | Coyote Optimization Algorithm |
| DG | Distributed Generation |
| PSO | Particle Swarm Optimization |
| GA | Genetic Algorithm |
| PFA | Pathfinder algorithm |
| Nomenclature | |
| Obj | Objective Function |
| The ratio of the system’s total active power loss | |
| The voltage deviation index | |
| The total power loss cost | |
| The electricity tariff (0.224 MYR/kWh) | |
| The year in hour (8760 h) | |
| The voltage at the receiving bus | |
| The nominal voltage at bus j | |
| The active power loss after the reconfiguration | |
| The active power loss before the network reconfiguration | |
| The branch in which is a sending bus and is a receiving bus | |
| The active power passing through the branch | |
| The reactive power passing through the branch | |
| The branch resistance | |
| The binary variable, which determines the state of that branch | |
| The whole number of branches in the network | |
| The active power generations at bus | |
| The reactive power generations at bus | |
| The active power demand at bus | |
| The reactive power demand at bus | |
| The active power loss | |
| The reactive power loss | |
| The set of buses | |
| The set of branches | |
| & | The sending and receiving bus voltages |
| The branch current | |
| The branch reactance | |
| The branch impedance | |
| Maximum current capacity | |
| total number of buses | |
| the number of a substation in the distribution network | |
| active power flows through the branch | |
| reactive power flows through the branch | |
Appendix A
| Bus | Active Power (kW) | Reactive Power (kVAR) |
|---|---|---|
| 2 | 165.6476 | 102.6518 |
| 3 | 436.286 | 270.3664 |
| 4 | 290.5331 | 180.0433 |
| 40 | 540.4815 | 334.9364 |
| 41 | 263.8048 | 163.4799 |
| 42 | 67.27742 | 41.69182 |
| 43 | 233.4809 | 144.6881 |
| 44 | 166.3602 | 103.0934 |
| 45 | 110.6121 | 68.54632 |
| 46 | 313.3315 | 194.1715 |
| 48 | 745.2973 | 461.8607 |
| 49 | 232.2124 | 143.902 |
| 51 | 294.5516 | 182.5336 |
| 52 | 181.5532 | 112.5085 |
| 53 | 74.91237 | 46.42319 |
| 54 | 180.8376 | 112.0651 |
| 55 | 126.8992 | 78.63943 |
| 56 | 116.9312 | 72.46225 |
| 59 | 563.5933 | 349.2588 |
| 7 | 594 | 368.1018 |
| 8 | 736.4677 | 456.3891 |
| 9 | 253.414 | 157.0406 |
| 10 | 68.60215 | 42.51275 |
| 11 | 102.7288 | 63.66101 |
| 12 | 58.61048 | 36.32092 |
| 18 | 182.7567 | 113.2543 |
| 19 | 248.7212 | 154.1326 |
| 20 | 339.7847 | 210.5646 |
| 21 | 167.3005 | 103.6761 |
| 22 | 469.3422 | 290.8514 |
| 23 | 129.0312 | 79.96062 |
| 25 | 578.4285 | 358.4521 |
| 28 | 499.2374 | 309.3774 |
| 29 | 770.6032 | 477.5428 |
| 30 | 459.8325 | 284.9582 |
| 31 | 345.3468 | 214.0114 |
| 32 | 21.42634 | 13.27791 |
| 33 | 244.8801 | 151.7522 |
| 34 | 880.5441 | 545.6732 |
| 35 | 123.9954 | 76.83997 |
| 67 | 221.0763 | 137.001 |
| 68 | 407.4347 | 252.4873 |
| 62 | 145.4336 | 90.1252 |
| 65 | 199.0734 | 123.3658 |
| 66 | 123.9126 | 76.78866 |
| 5 | 107.3387 | 66.5178 |
| 6 | 99.20699 | 61.47857 |
| 63 | 103.8495 | 64.35551 |
| 64 | 93.85484 | 58.16184 |
| 24 | 107.9301 | 66.88429 |
| 50 | 138.3871 | 85.75848 |
| 70 | 117.9839 | 73.1146 |
| 58 | 155.0645 | 96.09348 |
| 57 | 125.4059 | 77.71404 |
| 14 | 183.629 | 113.7949 |
| 36 | 478.4409 | 296.4898 |
| 27 | 340.5269 | 211.0245 |
| 1 | 0 | 0 |
| 13 | 172.4613 | 106.8743 |
| 15 | 172.4613 | 106.8743 |
| 16 | 172.4613 | 106.8743 |
| 17 | 172.4613 | 106.8743 |
| 26 | 172.4613 | 106.8743 |
| 37 | 172.4613 | 106.8743 |
| 38 | 172.4613 | 106.8743 |
| 39 | 172.4613 | 106.8743 |
| 47 | 172.4613 | 106.8743 |
| 60 | 0 | 0 |
| 61 | 0 | 0 |
| 69 | 172.4613 | 106.8743 |
| 71 | 172.4613 | 106.8743 |
| From | To | R (Ω) | X (Ω) |
|---|---|---|---|
| 1 | 2 | 8.88 × 10−5 | 0.000101 |
| 2 | 3 | 0.000446 | 0.000257 |
| 3 | 4 | 0.000368 | 0.000213 |
| 3 | 59 | 0.000147 | 8.47 × 10−5 |
| 4 | 68 | 6.22 × 10−5 | 3.59 × 10−5 |
| 1 | 5 | 0.000222 | 0.000252 |
| 5 | 6 | 0.000309 | 0.000179 |
| 5 | 27 | 0.000413 | 0.000238 |
| 6 | 18 | 0.000171 | 9.88 × 10−5 |
| 6 | 7 | 0.000436 | 0.000252 |
| 7 | 8 | 0.001025 | 0.000592 |
| 8 | 9 | 0.000751 | 0.000434 |
| 9 | 28 | 0.000239 | 0.000138 |
| 1 | 10 | 0.000481 | 0.000546 |
| 10 | 11 | 0.000174 | 0.0001 |
| 11 | 12 | 0.000233 | 0.000135 |
| 12 | 66 | 0.000177 | 0.000167 |
| 1 | 13 | 8.65 × 10−5 | 9.8 × 10−5 |
| 13 | 14 | 0.000465 | 0.000269 |
| 14 | 26 | 0.000153 | 8.84 × 10−5 |
| 14 | 15 | 0.000208 | 0.00012 |
| 15 | 16 | 0.000395 | 0.000228 |
| 16 | 40 | 0.000417 | 0.000241 |
| 1 | 17 | 0.000289 | 0.000327 |
| 17 | 18 | 7.28 × 10−5 | 4.20 × 10−5 |
| 18 | 52 | 0.000218 | 0.000126 |
| 18 | 19 | 0.000223 | 0.000129 |
| 19 | 20 | 0.000227 | 0.000131 |
| 20 | 21 | 2.66 × 10−5 | 1.53 × 10−5 |
| 21 | 53 | 1.33 × 10−5 | 7.67 × 10−6 |
| 1 | 22 | 0.00014 | 0.000159 |
| 22 | 23 | 0.000355 | 0.000205 |
| 23 | 24 | 0.000305 | 0.000176 |
| 24 | 25 | 0.000329 | 0.00019 |
| 25 | 26 | 0.000287 | 0.000166 |
| 1 | 27 | 0.000352 | 0.000399 |
| 27 | 28 | 0.00055 | 0.000318 |
| 28 | 29 | 4.41 × 10−5 | 2.55 × 10−5 |
| 29 | 30 | 0.000201 | 0.000116 |
| 30 | 50 | 0.000218 | 0.000126 |
| 1 | 31 | 0.000869 | 0.000502 |
| 31 | 65 | 0.000367 | 0.000348 |
| 31 | 32 | 0.000169 | 9.76 × 10−5 |
| 32 | 33 | 0.000504 | 0.000291 |
| 33 | 34 | 0.00053 | 0.000306 |
| 34 | 35 | 0.000173 | 9.97 × 10−5 |
| 35 | 43 | 0.000306 | 0.000177 |
| 35 | 60 | 0.000154 | 0.000146 |
| 1 | 36 | 0.000166 | 0.000189 |
| 36 | 37 | 0.000655 | 0.000378 |
| 37 | 39 | 0.000336 | 0.000194 |
| 37 | 38 | 0.000307 | 0.000177 |
| 38 | 58 | 0.000462 | 0.000267 |
| 39 | 40 | 0.000218 | 0.000126 |
| 1 | 41 | 0.000571 | 0.000647 |
| 41 | 42 | 0.000175 | 0.000101 |
| 42 | 43 | 0.000132 | 7.61 × 10−5 |
| 43 | 44 | 0.0002 | 0.000116 |
| 44 | 45 | 4.68 × 10−5 | 2.70 × 10−5 |
| 44 | 48 | 0.00015 | 8.65 × 10−5 |
| 45 | 62 | 0.000186 | 0.000176 |
| 1 | 46 | 7.81 × 10−5 | 8.85 × 10−5 |
| 46 | 47 | 8.29 × 10−5 | 4.79 × 10−5 |
| 47 | 48 | 0.000434 | 0.000251 |
| 48 | 67 | 1.62 × 10−5 | 1.53 × 10−5 |
| 1 | 49 | 0.000359 | 0.000407 |
| 49 | 50 | 0.000402 | 0.000232 |
| 50 | 51 | 0.000192 | 0.000111 |
| 51 | 52 | 0.000228 | 0.000132 |
| 52 | 53 | 0.000186 | 0.000108 |
| 1 | 54 | 0.000536 | 0.000608 |
| 54 | 55 | 0.00042 | 0.000242 |
| 55 | 56 | 7.49 × 10−5 | 4.33 × 10−5 |
| 56 | 61 | 7.49 × 10−5 | 8.49 × 10−5 |
| 56 | 57 | 0.000422 | 0.000244 |
| 57 | 58 | 0.000328 | 0.000189 |
| 58 | 71 | 0.000264 | 0.00025 |
| 1 | 59 | 0.000157 | 0.000178 |
| 61 | 62 | 0.000279 | 0.000317 |
| 62 | 63 | 0.00019 | 0.00018 |
| 63 | 64 | 0.000101 | 9.61 × 10−5 |
| 64 | 69 | 7.42 × 10−5 | 7.03 × 10−5 |
| 61 | 65 | 0.00016 | 0.000181 |
| 61 | 66 | 0.000471 | 0.000534 |
| 66 | 60 | 9.01 × 10−5 | 8.53 × 10−5 |
| 61 | 67 | 0.000284 | 0.000322 |
| 67 | 68 | 0.000154 | 0.000146 |
| 61 | 69 | 0.000231 | 0.000261 |
| 69 | 70 | 8.78 × 10−5 | 8.32 × 10−5 |
| 70 | 71 | 0.000223 | 0.000211 |
References
- Tang, K.H.D. Hydroelectric dams and power demand in Malaysia: A planning perspective. J. Clean. Prod. 2020, 252, 119795. [Google Scholar] [CrossRef]
- Riaño, F.E.; Cruz, J.F.; Montoya, O.D.; Chamorro, H.R.; Alvarado-Barrios, L. Reduction of losses and operating costs in distribution networks using a genetic algorithm and mathematical optimization. Electronics 2021, 10, 419. [Google Scholar] [CrossRef]
- Montoya, O.D.; Molina-Cabrera, A.; Chamorro, H.R.; Alvarado-Barrios, L.; Rivas-Trujillo, E. A Hybrid approach based on SOCP and the discrete version of the SCA for optimal placement and sizing DGs in AC distribution networks. Electronics 2021, 10, 26. [Google Scholar] [CrossRef]
- Helmi, A.M.; Carli, R.; Dotoli, M.; Ramadan, H.S. Efficient and Sustainable Reconfiguration of Distribution Networks via Metaheuristic Optimization. IEEE Trans. Autom. Sci. Eng. 2021, 19, 82–98. [Google Scholar] [CrossRef]
- Uniyal, A.; Sarangi, S. Optimal network reconfiguration and DG allocation using adaptive modified whale optimization algorithm considering probabilistic load flow. Electr. Power Syst. Res. 2021, 192, 106909. [Google Scholar] [CrossRef]
- Shi, Q.; Li, F.; Olama, M.; Dong, J.; Xue, Y.; Starke, M.; Winstead, C.; Kuruganti, T. Network reconfiguration and distributed energy resource scheduling for improved distribution system resilience. Int. J. Electr. Power Energy Syst. 2021, 124, 106355. [Google Scholar] [CrossRef]
- Shaheen, A.M.; Elsayed, A.M.; El-Sehiemy, R.A.; Abdelaziz, A.Y. Equilibrium optimization algorithm for network reconfiguration and distributed generation allocation in power systems. Appl. Soft Comput. 2021, 98, 106867. [Google Scholar] [CrossRef]
- Nguyen, T.T.; Nguyen, T.T.; Duong, L.T.; Truong, V.A. An effective method to solve the problem of electric distribution network reconfiguration considering distributed generations for energy loss reduction. Neural Comput. Appl. 2021, 33, 1625–1641. [Google Scholar] [CrossRef]
- Sambaiah, K.S.; Jayabarathi, T. Loss minimization techniques for optimal operation and planning of distribution systems: A review of different methodologies. Int. Trans. Electr. Energy Syst. 2020, 30, e12230. [Google Scholar] [CrossRef] [Green Version]
- Cikan, M.; Kekezoglu, B. Comparison of metaheuristic optimization techniques including Equilibrium optimizer algorithm in power distribution network reconfiguration. Alex. Eng. J. 2022, 61, 991–1031. [Google Scholar] [CrossRef]
- Bhattacharjee, I.; Bohre, A.K. Optimal Sizing and Placement of Multiple DGs in Distribution Network to Reduce Total Loss Using Cuckoo Search Optimization. In Proceedings of the ICIPCN 2021: Second International Conference on Image Processing and Capsule Networks, Changhua, Taiwan, 27–28 May 2021; pp. 167–179. [Google Scholar]
- Nguyen, T.T.; Nguyen, T.T. An improved cuckoo search algorithm for the problem of electric distribution network reconfiguration. Appl. Soft Comput. 2019, 84, 105720. [Google Scholar] [CrossRef]
- Al Samman, M.; Mokhlis, H.; Mansor, N.N.; Mohamad, H.; Suyono, H.; Sapari, N.M. Fast optimal network reconfiguration with guided initialization based on a simplified network approach. IEEE Access 2020, 8, 11948–11963. [Google Scholar] [CrossRef]
- Nguyen, T.T.; Nguyen, T.T.; Nguyen, N.A.; Duong, T.L. A novel method based on coyote algorithm for simultaneous network reconfiguration and distribution generation placement. Ain Shams Eng. J. 2021, 12, 665–676. [Google Scholar] [CrossRef]
- Kavousi-Fard, A.; Niknam, T.; Fotuhi-Firuzabad, M. A Novel Stochastic Framework Based on Cloud Theory and θ-Modified Bat Algorithm to Solve the Distribution Feeder Reconfiguration. IEEE Trans. Smart Grid 2015, 7, 740–750. [Google Scholar] [CrossRef]
- Home-Ortiz, J.M.; Vargas, R.; Macedo, L.H.; Romero, R. Joint reconfiguration of feeders and allocation of capacitor banks in radial distribution systems considering voltage-dependent models. Int. J. Electr. Power Energy Syst. 2019, 107, 298–310. [Google Scholar] [CrossRef]
- Badran, O.; Mekhilef, S.; Mokhlis, H.; Dahalan, W. Optimal reconfiguration of distribution system connected with distributed generations: A review of different methodologies. Renew. Sustain. Energy Rev. 2017, 73, 854–867. [Google Scholar] [CrossRef]
- Sambaiah, K.S.; Jayabarathi, T. Optimal reconfiguration and renewable distributed generation allocation in electric distribution systems. Int. J. Ambient Energy 2021, 42, 1018–1031. [Google Scholar] [CrossRef]
- Dogan, A.; Alci, M. Simultaneous optimization of network reconfiguration and DG installation using heuristic algorithms. Elektron.Elektrotech. 2019, 25, 8–13. [Google Scholar] [CrossRef] [Green Version]
- Raut, U.; Mishra, S. An improved sine–cosine algorithm for simultaneous network reconfiguration and DG allocation in power distribution systems. Appl. Soft Comput. 2020, 92, 106293. [Google Scholar] [CrossRef]
- Badran, O.; Mekhilef, S.; Mokhlis, H.; Dahalan, W. Optimal switching sequence path for distribution network reconfiguration considering different types of distributed generation. IEEJ Trans. Electr. Electron. Eng. 2017, 12, 874–882. [Google Scholar] [CrossRef]
- Badran, O.; Jallad, J.; Mokhlis, H.; Mekhilef, S. Network reconfiguration and DG output including real time optimal switching sequence for system improvement. Aust. J. Electr. Electron. Eng. 2020, 17, 157–172. [Google Scholar] [CrossRef]
- Zhan, J.; Liu, W.; Chung, C.; Yang, J. Switch opening and exchange method for stochastic distribution network reconfiguration. IEEE Trans. Smart Grid 2020, 11, 2995–3007. [Google Scholar] [CrossRef]
- Baran, M.E.; Wu, F.F. Network reconfiguration in distribution systems for loss reduction and load balancing. IEEE Power Eng. Rev. 1989, 9, 101–102. [Google Scholar] [CrossRef]
- Zhang, D.; Fu, Z.; Zhang, L. An improved TS algorithm for loss-minimum reconfiguration in large-scale distribution systems. Electr. Power Syst. Res. 2007, 77, 685–694. [Google Scholar] [CrossRef]
- Rao, R.S.; Narasimham, S.V.L.; Raju, M.R.; Rao, A.S. Optimal network reconfiguration of large-scale distribution system using harmony search algorithm. IEEE Trans. Power Syst. 2010, 26, 1080–1088. [Google Scholar]
- Imran, A.M.; Kowsalya, M. A new power system reconfiguration scheme for power loss minimization and voltage profile enhancement using fireworks algorithm. Int. J. Electr. Power Energy Syst. 2014, 62, 312–322. [Google Scholar] [CrossRef]
- Tyagi, A.; Verma, A.; Bijwe, P. Reconfiguration for loadability limit enhancement of distribution systems. IET Gener. Transm. Distrib. 2018, 12, 88–93. [Google Scholar] [CrossRef]
- Badran, O.; Mokhlis, H.; Mekhilef, S.; Dahalan, W.; Jallad, J. Minimum switching losses for solving distribution NR problem with distributed generation. IET Gener. Transm. Distrib. 2017, 12, 1790–1801. [Google Scholar] [CrossRef] [Green Version]
- Mubarak, H.; Mansor, N.N.; Mokhlis, H.; Mohamad, M.; Mohamad, H.; Muhammad, M.A.; Samman, M.A.; Afzal, S. Optimum Distribution System Expansion Planning Incorporating DG Based on N-1 Criterion for Sustainable System. Sustainability 2021, 13, 6708. [Google Scholar] [CrossRef]
- Subramani, G.; Ramachandaramurthy, V.K.; Padmanaban, S.; Mihet-Popa, L.; Blaabjerg, F.; Guerrero, J.M. Grid-tied photovoltaic and battery storage systems with Malaysian electricity tariff—A review on maximum demand shaving. Energies 2017, 10, 1884. [Google Scholar] [CrossRef] [Green Version]







| Techniques | Switches | Power Loss (kW) | Loss Reduction (%) | Minimum Voltage (p.u) | Maximum Voltage Deviation (p.u) |
|---|---|---|---|---|---|
| Base Case | S33, S34, S35, S36, S37 | 210.98 | - | 0.9038 | 0.0962 |
| ITS [25] | S7, S9, S14, S36, S37 | 141.4 | 32.15 | 0.9383 | 0.0617 |
| HSA [26] | S7, S10, S14, 36, S37 | 141.9 | 31.91 | 0.9383 | 0.0617 |
| FWA [27] | S7, S9, S14, S28, S32 | 139.9 | 32.85 | 0.9413 | 0.0587 |
| Heuristics-IHSA [28] | S7, S9, S14, S28, S32 | 139.98 | 33.65 | 0.9413 | 0.0587 |
| Two stage FA [13] | S7, S9, S14, S28, S32 | 139.9 | 33.65 | 0.9413 | 0.101 |
| PFA [8] | S7, S9, S14, S28, S32 | 139.98 | 33.65 | - | 0.8992 |
| EO [10] | S7, S9, S14, S32, S37 | 139.55 | 33.85 | 0.9378 | 0.0622 |
| Proposed Technique | S7, S9, S14, S32, S37 | 138.9 | 34.14 | 0.9423 | 0.0577 |
| Techniques | Switches | Power Loss (kW) | Loss Reduction (%) | Minimum Voltage (p.u) | Maximum Voltage Deviation (p.u) |
|---|---|---|---|---|---|
| Base Case | S70, S71, S72, S73, S74, S75, S76 S77, S78, S79, S80, S81 S82, S83 S84, S85, S86, S87 S88, S89, S90 | 228.78 | - | 0.891 | 0.109 |
| Proposed Technique | S4, S15, S16, S21, S34, S39, S44, S51 S54, S62, S69, S80, S71, S72, S74, S76, S80, S81 S84 S86, S88 | 169.91 | 25.73 | 0.942 | 0.058 |
| Distribution Network | Switching Step | Branch Cut | Combination | Power Loss (kW) |
|---|---|---|---|---|
| IEEE-33 Bus System | 1 | S7 | S33, S35, S36 | 153.58 |
| S9 | S34, S35, S36 | |||
| S14 | S34, S36 | |||
| S32 | S36 | |||
| 2 | S7 | S33, S34 | 145.42 | |
| S14 | S34, S36 | |||
| S32 | S36 | |||
| 3 | S14 | S34, S36 | 141.43 | |
| S32 | S36 | |||
| 4 | S32 | S36 | 138.92 |
| Distribution Network | Switching Step | Branch Cut | Combination | Power Loss (kW) |
|---|---|---|---|---|
| The practical 71-bus system in Malaysia | 1 | S73 | S9 | 206.15 |
| S75 | S26 | |||
| S77 | S51 | |||
| S79 | S30 | |||
| S80 | S31 | |||
| S82 | S31, S34 | |||
| S83 | S39 | |||
| S85 | S44 | |||
| S87 | S54 | |||
| S90 | S4 | |||
| 2 | S36 | S31 | 199.50 | |
| S73 | S9 | |||
| S75 | S26 | |||
| S77 | S51 | |||
| S79 | S30 | |||
| S83 | S39 | |||
| S85 | S44 | |||
| S87 | S54 | |||
| S90 | S4 | |||
| 3 | S73 | S9 | 192.28 | |
| S75 | S26 | |||
| S77 | S51 | |||
| S80 | S31 | |||
| S83 | S39 | |||
| S85 | S44 | |||
| S87 | S54 | |||
| S90 | S4 | |||
| 4 | S75 | S26 | 186.32 | |
| S77 | S51 | |||
| S80 | S31 | |||
| S83 | S39 | |||
| S85 | S44 | |||
| S87 | S54 | |||
| S90 | S4 | |||
| 5 | S75 | S26 | 183.54 | |
| S80 | S31 | |||
| S83 | S39 | |||
| S85 | S44 | |||
| S87 | S54 | |||
| S90 | S4 | |||
| 6 | S80 | S31 | 182.30 | |
| S83 | S39 | |||
| S85 | S44 | |||
| S87 | S54 | |||
| S90 | S4 | |||
| 7 | S80 | S31 | 181.86 | |
| S85 | S44 | |||
| S87 | S54 | |||
| S90 | S4 | |||
| 8 | S80 | S31 | 180.94 | |
| S85 | S44 | |||
| S90 | S4 | |||
| 9 | S85 | S44 | 179.36 | |
| S90 | S4 | |||
| 10 | S90 | S4 | 169.91 |
| Proposal | Loading | Power Loss (kW) | Financial Loss (MYR) | Saving (MYR) | |||
|---|---|---|---|---|---|---|---|
| 100% | 110% | 100% | 110% | 100% | 110% | ||
| Initial Configuration | Max | 228.78 | 277.94 | 443,920.83 | 539,318.59 | - | - |
| 1 pair of switching | Max | 206.15 (9.9%) | 250.36 | 400,015.40 | 485,806.31 | 43,905.43 | 53,512.28 |
| 2 pair of switching | Max | 199.50 (12.8%) | 242.24 | 387,117.56 | 470,044.44 | 56,803.27 | 69,274.15 |
| Max loss reduction | Max | 169.91 (25.7%) | 206.92 | 330,855.66 | 401,503.69 | 113,065.17 | 137,814.90 |
Publisher’s Note: MDPI stays neutral with regard to jurisdictional claims in published maps and institutional affiliations. |
© 2022 by the authors. Licensee MDPI, Basel, Switzerland. This article is an open access article distributed under the terms and conditions of the Creative Commons Attribution (CC BY) license (https://creativecommons.org/licenses/by/4.0/).
Share and Cite
Mubarak, H.; Muhammad, M.A.; Mansor, N.N.; Mokhlis, H.; Ahmad, S.; Ahmed, T.; Sufyan, M. Operational Cost Minimization of Electrical Distribution Network during Switching for Sustainable Operation. Sustainability 2022, 14, 4196. https://doi.org/10.3390/su14074196
Mubarak H, Muhammad MA, Mansor NN, Mokhlis H, Ahmad S, Ahmed T, Sufyan M. Operational Cost Minimization of Electrical Distribution Network during Switching for Sustainable Operation. Sustainability. 2022; 14(7):4196. https://doi.org/10.3390/su14074196
Chicago/Turabian StyleMubarak, Hamza, Munir Azam Muhammad, Nurulafiqah Nadzirah Mansor, Hazlie Mokhlis, Shameem Ahmad, Tofael Ahmed, and Muhammad Sufyan. 2022. "Operational Cost Minimization of Electrical Distribution Network during Switching for Sustainable Operation" Sustainability 14, no. 7: 4196. https://doi.org/10.3390/su14074196
APA StyleMubarak, H., Muhammad, M. A., Mansor, N. N., Mokhlis, H., Ahmad, S., Ahmed, T., & Sufyan, M. (2022). Operational Cost Minimization of Electrical Distribution Network during Switching for Sustainable Operation. Sustainability, 14(7), 4196. https://doi.org/10.3390/su14074196

