Abstract
Thinking resiliency in terms of housing features for post disaster housing reconstruction (PDHR) is a paramount initiative after a disaster. Therefore, the aim of this research is to ascertain the demands of the disaster victims and propose a wind-resistant, resilient housing prototype that would be affordable. Based on a three-month survey of the region severely damaged by Cyclone SIDR in Bangladesh, this research argues that PDHR’s planning features are significantly short of the victims’ choice, need, and demand, forcing them to quickly modify or transform the reconstructed houses. Based on the survey, a prototype covering an area of 37.21 sq. m (400 sq. ft) with a hybrid construction technique and a cost model are proposed that will be a resilient solution against cyclones and other natural hazards. Additionally, the proposed house was modeled using finite elements, and its findings are within the International Building Code’s allowable limits. In conclusion, this paper proposes some guidelines to strengthen Bangladesh National Building Code (BNBC) that would enable to build a resilient housing society in the disaster-prone areas.
1. Introduction
Natural hazards are a common and catastrophic phenomenon that endangers millions of lives and devastates the possessions of affected populations every year around the world [1,2]. Moreover, this catastrophe has increased massively over the last 20 years [3]; it is documented that from 2000 to 2019, there were 7348 disasters that inflicted an estimated 1.23 million fatalities and affected more than 4 billion people [4]. Loss of housing is a common complication of these disasters [5], which may have a devastating effect on a whole community [6]. The United Nations High Commissioner for Refugees estimates that 70.8 million people were forcefully displaced globally in 2018 [7,8] and that 14 million people are displaced on average every year [9]. It has been established that tropical cyclones alone caused around USD 1965 billion in worldwide damages between 1970 and 2019 (WMO 2020) [10]. Bangladesh, India, China, and Vietnam are particularly vulnerable to tropical cyclones because of the large populations of low-income residents living near the coastlines [11,12,13]. Every year, the total recorded losses from these types of disasters almost entirely occur in developing countries [1,14], with Bangladesh being no exception.
Since its physical development as a funnel-shaped deltaic coastal environment towards the Bay of Bengal (BoB) and over 700 km coastline inside the BoB (Figure 1), Bangladesh has endured a high number of natural catastrophes [15] and has been placed seventh on the Global Climate Risk Index 2020 [16,17]. Cyclones and tidal waves are common in the BoB, inflicting major property damage and human casualties [18], and it is estimated that 16 tropical cyclones affect the Bay of Bengal each year, with a greater incidence in two seasons: April–May and October–December [19]. Therefore, the inhabitants of this country are constantly exposed to loss of property, particularly in the housing sector [20]. Since 1960, natural hazards such as floods and cyclones have killed over 700,000 people, causing significant agricultural and infrastructure damage [21]. Several major cyclones have hit Bangladesh’s coastal communities in the previous five decades, notably Bhola in 1970, Bangladesh in 1991, Sidr in 2007, Rashmi in 2008, and Aila in 2009 [22,23]. Cyclone Sidr was the most destructive of all the disasters, striking the Satkhira–Khulna–Bagherhat region on November 15th with wind speeds of 260 km/h and a 6 m tidal surge, killing nearly 4406 people and injuring over 55,009. On average, 27 million people were affected in 30 districts, with over 500,000 houses completely destroyed and about 900,000 houses heavily damaged [24], resulting in losses of USD 839 million that is above 50% of the total loss across all sectors [25]. While the government of Bangladesh is placing a strong emphasis on the improvement of early warning systems to alert victims to seek shelter in a safer location, such as a cyclone shelter, in order to save lives, there are no well-planned directions on how to protect their properties from such disasters [26]. As a result, the number of people killed is lower [27,28,29,30,31,32], yet property damage is much higher [25].
Figure 1.
Geographical location of Bangladesh and location of survey area.
As disasters are considered as chances to remodel the whole systems of the society especially in physical, social, environmental and economic systems for increasing more resiliency to such events [33]. To meet up this demand many humanitarian organizations such as government and non-government come forward to build houses for the victims as quickly and efficiently as possible [34]. Additionally, the International Federation of Red Cross and Red Crescent Societies (IFRC) has also recommended six types of shelter depending on duration: emergency shelter, temporary shelter, transitional shelter, progressive shelter, core shelter, and permanent housing [35]. For any types of housing reconstruction, the financial resources of disaster-affected households are a vital factor in achieving housing recovery. A large number of affected families are unable to repair or construct new houses on their own owing to a lack of money, and this is not surprising given that many households have significant difficulties in dealing with housing concerns even in normal circumstances [36]. Because of this, many Bangladeshi families are relying on government or non-governmental organizations (NGOs) to help them renovate or build new houses [37].
In the face of serious disruption following Cyclone SIDR, a number of non-governmental organizations (NGOs) and donor organizations collaborated with GoB initially to provide temporary housing assistance and construction materials to victims in the worst-affected areas [20]. For example, 100,000 families with fully destroyed houses in the severely affected areas received at a time housing endowment from the government of Bangladesh (GoB) of BDT 5000 (USD 70) per family, as well as 13,000 bundles of corrugated iron (CI) sheets, 13,406 tents, and 15,000 plastic sheets to build up temporary houses [38]. Along with temporary housing assistance, the GoB and the NGOs had taken steps to construct cyclone resistant core houses but in terms of resiliency all these efforts are far lagging behind [20]. However, most housing reconstruction programs prioritize the building of permanent housing because of the multiplicative impacts of housing reconstruction on social and economic recovery and the development of community resilience [39].
Permanent housing reconstruction is an efficient way in terms of resiliency to reduce the disaster risk of the most vulnerable communities and it has been argued that through careful architectural planning and construction practices we can develop a resilient society [40,41]. Therefore, this article focuses on the optimum housing technology and material selection for speedy reconstruction, both of which need to be investigated in order to ensure PDHR is a sustainable and acceptable procedure. In this context, the outcomes of this research may provide useful information that may be included into the formulation of policy and used to direct the PDHR initiatives so that they are more successful.
2. Literature Review
There is a growing body of research done in this area, and scholars have offered a number of arguments on the failure grounds in PDHR initiatives. The following are the primary issues that cause of PDHR project failure: a lack of available resources [42], a lack of coordination among participating organizations [43], delays in project execution [44], poor quality reconstructed houses [45], corruption [46], a lack of community participation [47], and an ineffective design [48]. However, research in Bangladesh on PDHR concerns is very sparse [20,37], and the majority of it is conducted to determine the effectiveness of various approaches used by donor organizations and to justify the degree of satisfaction of the victims [20,37,49,50]. Saha and Ballard [37] examined the necessity of housing assistance with the methods and consequences of the supply of Islamic Relief Bangladesh of particular two kinds of houses and to assess the satisfaction level of the victims. Similarly, Nadiruzzaman and Paul [20] and Sadik et al. [49] explored how a post-Cyclone Sidr government house reconstruction project dealt with the ‘build back better’ concept and the problems associated with beneficiary selection and community participation. For Islam [50], the connection between resources available and post-cyclone housing reconstruction in Bangladesh was important. However, there are just a few of organizations and researchers who are concerned about the resilient housing model.
The International Federation of Red Cross and Red Crescent Societies has developed eight alternatives for transitional shelters that are basically core housing for different areas of Indonesia (West Java, Sumatra, Aceh), Pakistan, Peru, Haiti, and Vietnam. The housing solutions are based on the fastest way to construct, using local materials, and has a maximum life span of 5 years. However, most of the proposals are vulnerable to medium to high frequency earthquakes or cyclones [51]. Similarly, Zisan et al. offered cyclone-resistant low-cost housing model for the coastal region of Bangladesh that included bracing in the roof truss and cross bracing in the timber wall [52]. Furthermore, the benefits of utilizing tie and cross bracing for bamboo frame constructions were shown in a study conducted by Rumana and Ahmed [53] who also conducted a comprehensive assessment of different kinds of houses based on building materials and geographic location. Finally, the Bangladesh shelter cluster assessed 17 different kinds of shelters that had been reconstructed following cyclone SIDR and made recommendations for how to make them more robust across five areas, including site selection, structure, skin, services, and space design [54]. However, the dilemma is that, when it comes to finding solutions, there is a lack of information on what type of house and housing assistance the victims want and what kind of resilient structural model with adequate space planning, thermal comfort, and proper sanitation can be built quickly after a disaster so that victims can contribute to the construction work. To address this current research gap, we propose a resilient permanent housing prototype model that includes the features most in demand by the disaster’s victims.
When it comes to permanent housing reconstruction, researchers have identified certain issues that must be focused if the project is to succeed. Researchers highlighted high prices, delivery delays, distant and adverse locations, and poor design as some of the major obstacles for permanent housing reconstruction. Most of the time, these designs do not fit the culture of the victims or the local climatic condition [55,56,57]. However, no one has studied the quickest construction techniques of permanent housing that will be safe and affordable to the victims. This research gap is being handled by a hybrid housing construction technique that can be constructed in a short period of time, will be acceptable to the victims, and be structurally sound.
This paper attempts to propose a resilient housing prototype model with detailed discussion on planning features, such as the size of floor area, the plinth level’s size, space planning, cross ventilation, house shape, house orientation, and sanitary facilities; hybrid construction techniques; structural design and analysis of the proposed model; and finally, a cost and affordability analysis in response to the victims’ requirements.
3. Methodology
In order to grasp the stated objective, the first and foremost task was to explore the demand of the disaster victims, and to that point, a field survey was conducted in the Southkhali union of Soronkhola Upazila in Bangladesh’s Bagerhat district. It is situated between 89°40′ and 90°00′ east longitude and 22°00′ and 24°60′ north latitude in the country’s southernmost section, which is part of the coastal region [20]. Moreover, climate change consequences in Bangladesh’s coastal areas are especially susceptible to tropical cyclones and storm surges, which have been recognized as “hot zones” by the IPCC [58]. Therefore, coastal communities have faced a number of major disasters in the last several decades, particularly cyclones, and our selected area is an example of the catastrophic destruction caused by cyclone SIDR, particularly in the housing sector. Furthermore, following the cyclone, several number of donor organizations stepped forward to help with the area’s housing problems, and it is estimated that 93% of the houses were rebuilt at that time [20]. However, there was a lack of sophistication in terms of floor plans, basements, and superstructure of reconstructed houses [20], which led to dissatisfaction among the victims, who preferred to make changes to their houses within a couple of months to improve habitability. Thus, it is vital to identify the resilient way in terms of PDHR, and with that in mind, the methodological section will be described in three parts.
3.1. Field Survey
As part of the reconnaissance survey, it was the first step to find out how many donor organizations contributed to the PDHR program, and after doing so, it was discovered that a total of seven donor organizations played a role in the reconstruction program: Muslim Aid, the Saudi Government, the Indian Government, JJR, RICK, CARE, and the Bangladesh Government. In the area where the survey was conducted, there were around six hundred houses that had been reconstructed, the majority of which were in a modified form. As a response of this reality, a retrospective survey was selected as the second step to identify the original plans for the donor-driven houses, and the Figure 2 depicts the original and modified forms of the houses. As a third part, forty modified houses belonged to each donor organization, plus an additional 12 houses, so that in total, 292 modified houses were selected for a questionnaire survey to determine the reasons behind the modifications. Many of the victims of this area expressed their dissatisfaction with the area’s planning and construction concerns, including the lack of a veranda or kitchen, insufficient sanitation facilities, low-quality construction materials, and the extremely low involvement of victims in construction work. Finally, a key informant survey was conducted with the people who were directly involved in the reconstruction works, such as government and non-governmental organizations officials, engineers, contractors, and local representatives, and they were enquired about the PDHR housing reconstruction strategy, their own personal thoughts on the way of modifications and suggestions regarding resilient housing.
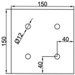
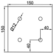
Figure 2.
Plan of the original donor driven houses and the modifications.
3.2. Desktop Survey
As part of desktop survey, the initiative regarding disaster housing taken by the Ministry of Disaster management and Relief in Bangladesh in 2019 is analysed. Figure 3 reveals the completed layout and 3-D modelling of that house, with an estimated cost of BDT 260,000 BDT or USD 2736 for each housing [59]. The house’s total covered area is approximately 58 sqm (square meter) or 631 sqft (square feet), and the floor area is 40 sqm or 431 sqft, however considering the overall size, the proposed plan may have the potential to develop it in various ways. First and foremost, expanding the room size and assuring the privacy of the households since these types of disaster houses are mostly for rural communities, and these people have a fundamental desire for spacious rooms covering the least amount of space while maintaining complete seclusion. Another significant issue is the absence of a veranda, which is a prerequisite of rural housing. Finally, an attached toilet and kitchen may be the appropriate solution for rural populations, particularly for rural women and the elderly, because it will not only allow them to accomplish their daily activities without facing any complications or difficulties, but it will also assist to minimize overall enclosing area and cost. On the other hand, the Housing and Building Research Institute is another entity dealing with disaster housing in Bangladesh. This institute proposed several sizes of houses ranging from 11 sqm to 21 sqm or 120 sqft to 230 sqft [60], which are basically one-room houses and that is too small according to the demand of the disaster affected community of Bangladesh.
Figure 3.
Executed Plan and 3-D model for disaster housing from the Ministry of Disaster Management and Relief in Bangladesh [59].
3.3. Major Considerations
In considering disaster housing resiliency, rural households must be taken into account since they are more vulnerable to disasters due to their weaker housing structures than urban ones [61]. As well as the average household size, the average land area, and the primary occupation of the main households are all key elements in determining the best and most efficient housing option for a community in the event of housing resiliency. According to the BBS report, which is depicted in the Figure 4a, approximately 70% of rural families have 3–5 members; in the Figure 4b, 92% of people have land of at least 0.01 acre (40 sqm); and in the Figure 4c, almost 50% of the rural community is involved in farming [62]. Therefore, before beginning the proposal, it is important to stress that the house can comfortably accommodate five people, that the total land area will be less than forty square meters, and that it will be more durable considering most of its intended beneficiaries are farmers.

Figure 4.
(a). Rural household size percentages [62]. (b). Rural land ownership percentages [62]. (c). Rural major occupation percentages [62].
In order to meet the research goals, all of this information, along with the physical observations made during the field survey, was extremely valuable, and the succeeding section will go into detail about the resilient housing features that are the demands of disaster victims throughout Bangladesh, not just in Southkhali Union.
4. Proposed Resilient Housing
Housing, like food and clothes, is a basic human requirement, and everyone has the right to appropriate housing for their health and well-being. Specially, in disaster-prone areas, having a house that is secured from natural disasters is very crucial. Communities living in these areas, on the other hand, do not have this luxury, and they are regularly hit by disasters. Therefore, every year, disasters severely damage over a million houses, with half of them completely destroyed. The loss of house and household goods renders the poor even more vulnerable to future calamities, and owing to their financial inadequacies, they are unable to build back better on their own [40]. Because these communities are often neglected and poor, providing disaster resilient housing will be a great initiative. In context of the preceding debate, the next parts will go through the planning, construction and design features that will make the house more resilient.
4.1. Planning Features
Planning refers to the process of decision-making activities through decomposition, formulation, and justification [63]. Furthermore, in the case of PDHR, a participatory planning approach is a key factor that results in a protracted solution for the disaster victims [64]. Thus, it is crucial to understand the expectations of the ultimate tenants before the plan is finalized. However, donor-driven houses are growing conventionally without considering the concerns of the victims into account, and the fact in our survey area isn’t any unusual from that of the others. As a consequence, the victims in that area were obliged to modify or abandon these houses. In line with the field observation and considering the demand, a four-column resilient house is proposed here that will be a friendly environment for the disaster victims. The next part of this article delves more about the planning features of the proposed resilient house.
4.1.1. Floor Area
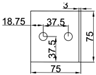
The design and construction of houses must ensure that they are safe, secure, and long-lasting. Not only that, but that will also be enough in terms of living space and space standards. Achieving this target will be a crucial step towards creating resilient housing. Concerned architects and engineers of post-disaster housing reconstruction projects were contacted as part of the field survey to obtain their conceptual perspectives on the development of housing models. They illustrate and describe the planning principles behind various house models with accompanying sketches, drawings, and pictures. During the process of the field survey, the authors noticed that the houses that had been constructed by donors in the wake of cyclone SIDR in 2007 were inadequately spacious to meet the requirements of the inhabitants. The houses were less than the minimum habitable space standard. About 90% of the houses in the study area were constructed by different donors, NGOs, and the GoB, and each one had a floor size of 15.8 sqm (169 sqft) for a family of five to six persons. The victims claimed that living space in such houses was extremely small and the dwellers expand the houses according to their choice, need and affordability. According to survey results, 54% of houses have been modified and expanded over time in one, two, or three sides (Figure 2). In order to meet the needs of the victims of the cyclone-affected rural areas of Bangladesh, a suitable resilient housing floor plan (Figure 5) of 37.21 square meter (400 square feet) has been proposed, which would enable them to live a decent everyday activity.
Figure 5.
Proposed resilient housing plan and elevation.
4.1.2. Space Planning
Space planning is an important component of housing design and is used to establish how a space should be set out and used. In particular, when constructing a residential house, the demands of the occupants are an essential concern. To create a useful and beautiful indoor environment, space planning allows for the meticulous layout of interior spaces, such as architectural features, and design elements. However, in the instance of a donor-driven house, this word was absent; the donors built a single core house with no further living facilities, making the victims’ lives more dismal by the day. In point of fact, a well-planned spacious floor plan with two rooms, a veranda, a kitchen, and a toilet are proposed. Basically, the proposed two rooms are in response to the victims’ demands, with room no. 01 measuring 4.57 m × 3.05 m and serving as a master bed, and room no. 02 measuring 3.05 m × 3.05 m and serving as a multipurpose room that may be utilized as a child room, guest room, or storage room. Furthermore, the rural people of Bangladesh have a fundamental requirement for veranda and kitchen, and many donor-driven houses have been altered into the new design owing to the lack of these items. Because of these factors, a big veranda and kitchen have been attached to make the victims’ lives more pleasant. Two entrances are proposed in response to the needs of rural people, particularly rural women, who find it difficult to utilize the same entry when outsiders come, and the second entrance may also be used as an emergency exit.
4.1.3. Plinth Level
The plinth level is the point at which the superstructure begins, and the substructure ends, with the major goal of supplying the plinth being to avoid moisture, dampness, and seepage of rainwater and stormwater into the house. Specially raised plinth level reduces the vulnerability of the flood prone areas. In the case of Bangladesh, it is an important factor because floods are a common monsoon phenomenon in Bangladesh’s deltaic plains, which mostly impact the country’s north-western and north-eastern regions. Due to numerous networks of rivers, canals and coast creeks with extensive flood plains, 1.7 million sq. km of Bangladesh is inundated annually [65]. However, it is a matter of regret that most of the houses in the survey area are rarely seen at a sufficiently high plinth level- this increases the vulnerability of these affected people more. Standard guidelines for rural housing in Bangladesh’s disaster-prone areas include a plinth height of at least 2 feet above the level of the homestead [60]. In light of the above discussion and the demands of victims, a 900 mm (3 feet) plinth level is recommended for the construction of resilient housing in Bangladesh and surrounding nations.
4.1.4. Cross Ventilation
Generally, indoor environments require ventilation to maintain the essential quantities of oxygen and air quality. In addition, the positioning of apertures for the entry and exit of air is essential for the successful guiding of air currents, which is necessary for enough ventilation to be maintained. Good thermal comfort can be achieved by increasing air speed through cross ventilation, which encourages evaporative cooling of moist skin and larger the opening area in the cross ventilation routes the greater the expected amount of cross ventilation as well as saving in energy (Figure 6). However, most of the conventional donor driven houses have poor ventilation facilities that lead thermal discomfort to the victims. In view of the aforementioned discussion and the victims’ demand for proper ventilation, cross-ventilation facilities that correspond to the total ten number of windows are provided for the resilient housing plan
Figure 6.
Cross ventilation facilities.
4.1.5. House Shape
House shape offers a lot of potential for providing resilience in housing. Therefore, while planning a house, the dimensions must be carefully considered in terms of wind resistance, and houses that are extremely long and thin should be avoided. Simple plans, such as square and rectangular forms with a length-to-width ratio of less than 2.5, were seen to be particularly wind resistant [66]. On the other hand, houses with a smaller outside envelope area can achieve higher energy efficiency with the same square footage. The energy intensity of a small house is greatly reduced, as is the demand for active mechanical systems [67]. In context of the preceding discussion, a square-shaped (6.10 m × 6.10 m) compact housing pattern is proposed here that will be resilient in terms of cost, energy efficiency and disaster vulnerability.
4.1.6. House Orientation
The orientation of a house on a site, as well as the placement of windows, rooflines, and other characteristics, is referred to as house orientation. A house oriented for solar design takes advantage of passive solar techniques that will enable to heat and illuminate houses. Unfortunately, the energy savings with this energy efficient element (orientation) are generally overlooked in house design specially in case of PDHR. Prevailing winds are frequently overlooked while designing house layouts to facilitate cross ventilation or rotating the house to gain solar benefits in the winter. It has already been established that orienting the major facades of a house north-south is more pleasant because the summer sun penetrates facades and openings very marginally, and the sun path is lower in the winter than in the summer, allowing for more solar access [67]. In consideration of the preceding section, a resilient housing concept is proposed in which the major facades are oriented north-south (Figure 7) that will be energy efficient and thermally comfortable.
Figure 7.
Sun path in winter and summer.
4.1.7. Sanitary Facilities
People require a house not just to protect themselves, but also to raise their families, cook, work, and simply to have basic sanitation in order to live a healthy and secure existence. Sanitation is an integral part of living in a healthy environment, but it is also one of the most overlooked problems, affecting billions of people throughout the world. As Bangladesh is so disaster-prone, sanitation is one of the most critical areas that needs urgent consideration after any disaster. Unfortunately, following Cyclone SIDR, the government and donor organizations failed to ensure proper sanitation in the PDHR project. Most of the houses in our survey area have poor sanitation facilities, and in a lot of instances, the toilet is located far from the house, posing a difficulty for the elderly and women at night. Therefore, providing an attached toilet during PDHR is a basic need of the victims. Considering the above-mentioned facts, an attached toilet is proposed in the housing plan that will enable the victims to lead a healthy and secure life.
4.2. Construction Features
Current PDHR practices include a variety of ways to help those affected by disasters transition from temporary to permanent housing, even though temporary housing may be available within a few days due to quick disaster assistance and permanent housing may take years to establish. However, timing is crucial, as impacted victims will need to recover their livelihoods as quickly as possible and in a manner that does not jeopardize their long-term sustainability. Sustainable construction is a consideration in this context, and a hybrid construction technique (Figure 8) where the sub-structure (Structures below plinth level) construction will be done on site and the super-structure (Structures above plinth level) part will be prefabricated is recommended. In addition, the victim’s participation in the PDHR sector is exceedingly low in the context of the survey area, which would have been resulting in the discontent of victims. However, the proposed hybrid construction technique is framed in such a way that it incorporates industry, local masons, and the end-users and will be the quickest and most sustainable construction approach. In the next part, we’ll go through the proposed house’s construction features in incredible detail.
Figure 8.
Hybrid Construction Techniques.
4.2.1. Sub-Structure Construction Techniques
The lowest part of the house, generally below the plinth level, is where the loads from the superstructure are transmitted to the supporting soil via the sub-structure, which basically consists of foundation and plinth beam. The foundation is built in such a manner that the soil on which it lies is not exceeded in terms of its ability to withstand the weight of the structure and any failure of foundation results in the failure of the total structure. Therefore, the foundation must be sufficiently rigid to support the weight of the superstructure while keeping in line with the surrounding soil. However, the fact that 87% of the donor-driven reconstructed houses in the survey area are without foundation that results in failure of the houses within couple of months. Considering the rigidity and durability, a single column isolated RCC (reinforced cement concrete) square footing is proposed where the size of the footing will be 1.5 m × 1.5 m × 0.25 m and column size will be 0.30 m by 0.30 m with 1.2 m of length up to the plinth level. Soil replacement technique is recommended and, in this case, 150 mm soil will be replaced by the local sand that will reduce consolidation settlement and increase soil bearing capacity at the same time. Plinth beams, another sub-structure component, are built at the plinth level between the wall and the foundation and allow the weight to be transferred and distributed uniformly from the walls to the foundation. Because of the significance of the plinth beam, RCC will be the base material for its construction and size will be 0.25 m by 0.30 m. From a professional standpoint, it is conceivable to finish the substructure construction within 45 days if local mason workers work with the eventual tenants to build it on site.
4.2.2. Super Structure Construction Techniques
Columns, beams, roofs, walls, doors, windows, and ceilings are the basic structural elements that make up a house’s superstructure when it is built above the plinth level. Furthermore, construction of the substructure will take at least three months, according to local contractors, depending on the availability of materials. However, in the case of PDHR, time is critical, and the victims’ need is for a sustainable solution in the shortest period of time. Focusing on the needs of the victims and the surrounding environment in a disaster-prone area, prefabrication of superstructure parts will be the optimal approach. Because prefabrication is an appealing prospect for housing contractors since it delivers many advantages of manufacturing, such as the fact that houses are erected from modular pieces that are manufactured off-site, decreasing the scope of work and man-hours at the project area. Not only that, compared to an active construction site, a controlled industrial atmosphere is safer for the entire project. According to the above-mentioned facts, industrial prefabrication techniques for superstructures will be explored in greater depth in the next section.
Prefabrication of Connectors
Strength and stability of a house are provided by its frame system, which acts as a conduit to transport the loads of gravity, uplift, and seismic forces to the foundation. Framing, however, is not only dependent on the structural integrity of its components, but also on the performance of the connections that hold them together. Basically, stability and structural support depend on the strength and rigidity of these connections, which are critical under adverse weather situations. Due to the obvious importance of connectors, it is extremely crucial to choose a base material for fabrication that would be corrosion resistant, high tensile strength, long lasting, temperature resistant, easy to form and fabricate, low maintenance (long lasting), visually appealing, environmentally friendly (recyclable), and easily accessible. So, in the event of prefabrication of the connectors, it is recommended to use stainless steel (ss) grade 304, which meets the aforementioned specifications and is readily accessible in Bangladesh at comparatively lower cost. There are a total of nine types of connectors that need to be fabricated, as outlined in Table 1 with detailed dimensions and maximum of the connectors are designed by using IDEA Statica version 21 [68]. As bolted connections have the demountable property, considering this criterion, all the connections are suggested to be bolted connections except the ss nail that will be used to connect the wooden truss member.
Table 1.
Details dimensioning of connectors.
Steel Beam and Column Prefabrication
Beams and columns, two of the most vital structural components, play an important role in supporting the weight of the houses and transferring loads from the roof to the foundations. In addition, this serves as a method for resisting horizontal loads from forces acting on the structure. As a result, it is imperative to select beams and columns that would provide the house with enough structural strength. However, a more realistic situation is that most of the houses in the survey area stand on four (100 mm × 100 mm) low-quality precast concrete columns, while some are constructed only of low-quality local bamboo or wood, with connections made solely of local rope, making them more susceptible to cyclonic conditions. Therefore, victims thus seek a housing frame that has the features of sustainability, high tensile strength, quicker construction times and is cost-effective and safe. To meet the victim’s demands, steel beam and column would be the optimal option because of its adaptability and ability to be fabricated into various forms. In sight of this, 150UC steel H beams are proposed for both the column and the beam, and their dimensions are 3.05 m for column and 6.00 m for beam respectively. In industry, the beam and column with connections welding is utilized for fabrication since continuous electric supply is necessary for welding, but on-site continuous electric supply may not be feasible. Column fabrication will be done just once, while beam fabrication will need three techniques, as illustrated in the Figure 9.
Figure 9.
Beam and Column Prefabrication Techniques.
Prefabricated Wall Panel, Door, and Window
Exterior amenities of a house such as the wall panel, door, and window are primarily responsible for architectural aesthetics and thermal comfort. This means that when it comes to material selection for these exterior amenities, these two considerations must be taken into account. When all of the requirements are taken into consideration, wood is the greatest choice since it’s an ecologically sustainable material that may cut energy consumption and carbon dioxide (CO2) emissions while still being thermally pleasant, lightweight yet strong, aesthetically sound and inexpensive to produce. For this reason, local, high-quality wood is preferred for use in the construction of wall panels and doors. Wooden wall panels will measure 2.80 m by 2.90 m with an overall thickness of 25 mm, while the doors will be 1m by 2.15 m for external and 0.75 m by 2.15 m for internal. There are a total of eight wooden wall panels that must be prefabricated, and for the wall framing, an additional four pieces of 2.80 m wooden strut and two pieces of 2.90 m wooden strut with section 25 mm by 75 mm are required in each side for every panel construction. Especially for windows, sliding glass is preferable since it is easier to open and close, and it provides better airtightness in the event of cyclones [66]. Prefabrication is required for a total of ten windows, eight of which will be 1.20 m by 1.20 m, one of which will be 1.50 m by 1.20 m for the veranda, and the last one, which will be 0.60 m by 0.30 m for the toilet.
Prefabricated Roof Frame, Ceiling, and Roof Covering
A hip frame is preferable to a gable frame when it comes to constructing a roof since it has an inward slope on all four sides, which strengthens the structure’s façade while also increasing its resistance to wind and precipitation. Uplift pressure, which is a primary cause of roof collapse, is minimized when the roof slope is between 20° to 30° [66]. Since wood has more benefits than steel when it comes to roof framing, a 27ʰ sloped wooden hip frame roof (Figure 10) is a sensible choice. One central 150 mm × 150 mm × 1.5 m column, three types of wings, and four purlins per side make up the proposed wooden hip frame roof, which is shown in the accompanying image with its detailed dimensioning presented in Table 2. Moreover, more than 85% of the donor-driven houses in the survey area had no ceilings, which made it impossible to lead a normal life during the sweltering heat of the summer. In response to the demand of the victims, bamboo mats measuring 3 m by 3 m are suggested as a ceiling material because of their ability to maintain a comfortable room temperature while also serving as a storage space. Additionally, corrugated iron (CI) of thickness 6 mm will also be employed as a roof covering material due to its affordability, availability, light weight, and durability.
Figure 10.
Prefabricated wooden truss member.
Table 2.
Details dimensioning of truss members.
Transportation of Prefabricated Parts
It is worth thinking about how to maximize the capacity of trucks while transporting prefabricated products from factories to construction sites, in order to employ as few trucks as feasible. For transportation, a covered van would be the best option as it is able to protect the contents from adverse weather conditions. According to the Bangladesh Road Transportation Authority (BRTA), trucks and lorries or covered vans with two axles (six tires) are authorized to transport 22 tonnes, three-axle ones (ten tires) 30 tonnes, and four-axle ones (fourteen tires) 40 tonnes [69]. Furthermore, for the proposed prefabricated superstructure, there will be a total weight of roughly 3.12 tons consisting of a total of 1248 kg steel column; 915 kg of wooden wall; 238 kg of wooden truss member; 174 kg of CI sheet; 115 kg of door; 170 kg of window; and 260 kg for connectors. As the majority of disaster-prone areas are located in remote areas, it is recommended to use a smaller type covered van with a 22-ton capacity that can readily access the construction site and each vehicle can transport prefabricated parts for seven houses at a time.
Commissioning Techniques
Individual and societal well-being are strengthened when tenants have a participation in major decisions and may actively participate in the design, construction, and management of their houses [70]. In fact, the proposed resilient construction technique is the most simplest, allowing the victims to assemble the prefabricated components on their own, without the assistance of a technical expert. All of the connections will be made with bolts, except for the one inside the wooden truss member, which will be made with nails, and three tools are all that are required throughout the whole process of commissioning: an adjustable wrench, a drill machine, and a steel mallet. There will be M12 bolts used to link the column and the beam; wall panels to wall panels, column, and beam; and M6 bolts used to connect doors and windows, and CI sheet as roof covering. There are a total of nine steps involved in commissioning, and the Figure 11 demonstrates the process in brief, step by step.
Figure 11.
Commissioning of prefabricated parts.
4.3. Structural Design Features
When dealing with PDHR, it is essential to consider the safety of the structure under adverse environmental conditions. Although donor-driven vernacular houses are more susceptible to cyclonic events, donors always tend to overlook these parts. Because of this, the donated dwellings are rendered useless within a couple of months or become cow-shed structures within a very short period of time or need modifications, and in the survey area, 54% of donor-driven houses have been enlarged, changed, or converted; 16% have been abandoned and are now being utilized as cowsheds or firm houses; and the remaining 8% of houses have been completely destroyed on the site. Due to this fact, we will go into more depth in the next section about the numerical modelling and analysis that is required to guarantee the proposed resilient house has sufficient structural strength.
4.3.1. Structural Numerical Modelling
The Autodesk Robot Structural Analysis 2021 software was used for numerical analysis [71]. Finite Element Model (FEM) was taken into account the proposed resilient house of 6 m in length and width, with 1.2 m sub-structure column length and 3 m superstructure column length, with a height of 3 m for the walls and 1.50 m at the top of the roof from the wall is depicted in the Figure 12, equivalent to category I house [72]. Some assumptions were made while conducting this modelling. These are: (i) It was assumed that all of the truss’s joints were pinned, even if they didn’t exhibit any specific pinned behaviour, similar condition for the joint between the column and the truss, the column and beam, and the beam to beam.; (ii) When a wall connects with a column and beam it is considered to be continuous (displacements at the junction or common node are supposed to be the same for wall, column, and beam components), even when the materials are different; (iii) The roof’s slope was considered in such a manner that suction pressure would act on the whole roof; and (iv) All motions along the three global axes were considered to be zero at the bottom of columns.
Figure 12.
Numerical Modelling of the proposed resilient housing.
The truss and the wall’s elements were all assumed to be constructed of ordinary wood. Although all beams and columns for sub-structure were made of concrete and for super-structure were made of steel, and CI sheet (tin) was used as roof covering material. As a result, this model used the characteristics of ordinary wood, steel, concrete, and CI sheet. Table 3 provide the material properties of all of the house’s components that were utilized to create the finite element model. In accordance with the BNBC, a wind speed of 77.5 m/s as the basic wind speed of the study area was taken into consideration in the analyses. Table 4 outlines the different wind pressure coefficients that were taken into account for computing equivalent static wind loads in and total 15 load combinations are considered for analysis in accordance with BNBC 2021.
Table 3.
Material properties used to make FEM.
Table 4.
Different coefficients for wind force calculations.
4.3.2. Structural Analysis
The maximum displacement in the global x- (horizontal), y- (horizontal), and z- (vertical) directions determined by finite element analysis (FEA) due to the application of wind load (Figure 13) was found to be 1 mm, 11 mm, and 3 mm, respectively, using the software stated above. There was maximum displacement in the exterior wall in both x and y directions, as well as in the roof top level, in the z direction. As specified by the International Building Code 2018 (IBC), exterior walls with other fragile finishes, as well as roof members supporting non-plaster ceilings, have a maximum permitted displacement of l/240, where l is the clear span length [73]. As a consequence, the exterior wall and roof may have a maximum displacement of 25 mm, which is in line with the results achieved for the proposed resilient housing model. In addition, determining the lateral deflection and drift is vital because of the three ways in which movement may affect a structure: structural components (such as beams and columns); non-structural elements (such as windows and walls) and adjacent structures [74]. Overall drift in the proposed housing is zero in the FEA owing to the high stiffness of the sub-structure RCC part but for performing study of the only super-structure part it was revealed 16mm that meets the IBC limit. As maximum drift for normal buildings according to IBC is between 0.7% and 2.5% of storey height, that means the drift limit will be 21 mm to 75 mm.
Figure 13.
Wind Load Analysis of proposed resilient housing.
5. Cost and Affordability Analysis
The public prefers permanent housing over cyclone shelters, as evidenced by the fact that 88% of coastal inhabitants sought safety from Cyclone Sidr in neighboring houses that had been well-built or in their own houses [39]. Even though large, easily seen structures such as cyclone shelters have a different pull-on donor and the government, the likely cost of construction of each normal type of cyclone shelter is BDT 12 million or USD 126,547, which can accommodate 1,700 people at once at an average of 0.144 square meters per person [75]. On the other hand, a survey of the local markets in Bangladesh found that the probable cost of building the proposed resilient house is USD 4,635, not including the cost of the land, which is shown in the Table 5. When compared to the capacity of the cyclone shelter, it is feasible to house at least 150 people while the storm is raging, and according to the calculations of the cost of each cyclone shelter, it is conceivable to construct at least 26 resilient houses. In addition to this, Thomas Math, a professor at the London school of economics, was quoted as saying, no one can halt the growth of those who have a permanent address and those who have to shift residences every year, they need to be destroyed and rebuilt, their development will be hindered in the position [75]. So, it is today’s demand to think about if the people have this sort of resilient housing at cyclone shelter costs, or other forms of housing support that will enhance affordability.
Table 5.
Cost analysis of the proposed housing.
As part of this, the government of Bangladesh has previously made efforts to provide disaster victims with BDT 260,000, or USD 2736, in complete housing assistance [59], but these types of houses were not built-in accordance with the victims’ demands. In order to fulfil their demand, victims want to contribute both physically and financially, but they also need some assistance with the span of time and money. Furthermore, in terms of housing affordability, the most accepted definition is that when the cost is not more than 30% of the family income [76]. Because of this, the government may utilize this chance to build the intended residences for victims on the condition that victims pay monthly instalments, and the government would cover 27% of the housing costs. As the monthly income of the rural people of Bangladesh is BDT 11413, or USD 95 [62], and the monthly instalments are going to be fixed at 30%, that means USD 28.5, then within 10 years they would pay off their house loan and become the proud owners of the proposed resilient houses.
6. Recommendations to Improve BNBC
The governing committee of BNBC has the potential to play an integral role in the development of a resilient housing society in the coastal region of Bangladesh, which is prone to natural hazards. As an example, disaster victims will be better off if an independent chapter is included in the forthcoming edition of BNBC on low-cost housing construction techniques for coastal Bangladesh that are structurally durable against any natural hazards. Although the traditional method of building houses in rural areas is always preferred by the local masons, the BNBC committee, with the help of NGOs, could take steps to organize a training program for local masons about the resilient housing construction techniques, and it would be even more beneficial if participants received a daily allowance, which would further entice them. In addition, it is imperative to include local representatives in the training session, since they are the people in rural areas who are responsible for overseeing the total construction of housing after disasters. Additionally, the Ministry of Disaster Management and Relief in Bangladesh might arrange some TV shows regarding the resilient housing construction techniques and their distinct advantages that will raise awareness among the disaster victims.
7. Conclusions
Housing resiliency has long been a desire of Bangladesh’s disaster-affected population, but as time goes on, no one seems to care about valuing or pursuing the fulfillment of that need. So, it is high time to fulfil their demand in the era of digitalization of Bangladesh. Although the Government of Bangladesh and the donor organizations have already taken some steps, but addition and modification of some features would allow for a more resilient solution.
Based on the field survey conducted in the Southkhali Union that was the severely affected area of cyclone Sidr, it was revealed that most of the donor driven houses were modified due to the lack of proper planning and construction features, including the lack of a veranda or kitchen, insufficient sanitation facilities, low-quality construction materials, and the extremely low involvement of victims in construction work.
Considering the demand of the victims and also the information from the desktop survey a cyclone resilient housing prototype model is proposed in this research that will be a generalize solution for other types of disasters such as flood, storm-surge and earthquake also. The proposed model have the floor area of 37.21 sq. m that will be capable to accommodate at least 5 households at a time; space planning is done in such a manner that family members may live comfortably while maintaining their full privacy; plinth level of at least 900 mm is recommended to protect the house from flood water, storm surges, drainage water as well as seepage of rain water; cross ventilation facilities will be provided, allowing for a thermally comfortable inside environment; square shaped house (6.10 m × 6.10 m) is recommended for greater cyclonic wind resistance; the houses main facade will be in north-south, leading to greater solar exposure in the winter and less in the summer; and finally as part of the proper sanitary facilities an attached toilet will enable to get a long term sustainable solution.
In terms of construction system, a hybrid construction technique is presented in which sub-structure part will be constructed on site by using RCC as base material and for super-structure part will be prefabricated in the industry using composite material. In terms of structural strength and thermal comfortability, steel is recommended for the beam-column framing system, while wood is recommended for the walls as well as the roof frame and bamboo mat for the ceiling. The proposed model would be thermally comfortable and resilient to mild to medium type earthquakes due to the lightweight nature of the wood and bamboo material. As a consideration for wind-tightness, sliding glass windows are advised and CI sheet for the roof will be utilized because of light weight and availability in the local market. Moreover, in the proposed hybrid construction technique, the victims may assemble the prefabricated components on their own, without the help of a technical professional, and this is a noteworthy aspect.
In this research, the finite element method was used to perform structural analysis, and following numerical analysis, it was confirmed that the suggested housing model was verified to be able to withstand a wind speed of 77.5 m/s. As a final step, a cost analysis was performed, and a solution was presented that would allow the victims to own the proposed resilient houses within ten years. Therefore, if these issues are considered in the future PDHR program, the government of Bangladesh, as well as other developing countries and the donor organizations, can reach a resilient housing solution that brings ultimate satisfaction to the disaster victims.
Author Contributions
The research was conceived by G.M.H.-O.R., J.J.C. and M.K.; data collection was performed by G.M.H.-O.R. and M.C.; analysis was conducted by G.M.H.-O.R.; and G.M.H.-O.R. drafted the article, which J.J.C. edited. All authors have read and agreed to the published version of the manuscript.
Funding
The University of the Ryukyus (Castro Laboratory).
Institutional Review Board Statement
Not Applicable.
Informed Consent Statement
Not Applicable.
Data Availability Statement
Data shearing not applicable.
Acknowledgments
This research work is an output of a Masters study at the Graduate School of Engineering and Science, University of the Ryukyus. The first author thanks the Ministry of Education, Culture, Sports, Science and Technology (MEXT) for providing him with the opportunity to study Masters with a Scholarship.
Conflicts of Interest
The authors declare that they have no known competing financial interests or personal relationships that could have appeared to influence the work reported to this paper.
References
- Opdyke, A.; Javernick-Will, A.; Koschmann, M. A Comparative Analysis of Coordination, Participation, and Training in Post-Disaster Shelter Projects. Sustainability 2018, 10, 4241. [Google Scholar] [CrossRef]
- Guha-Sapir, D.; Hoyois, P.; Below, R. Annual Disaster Statistical Review 2015; Centre for Research on the Epidemiology of Disasters (CRED), Institute of Health and Society (IRSS), Université Catholique de Louvain: Brussels, Belgium, 2015. [Google Scholar]
- Parker, R.S. Hazards of Nature, Risks to Development: An IEG Evaluation of World Bank Assistance for Natural Disasters; The World Bank: Washington, DC, USA, 2006; ISBN 978-0-8213-6650-9. [Google Scholar]
- Djalante, R. A systematic literature review of research trends and authorships on natural hazards, disasters, risk reduction and climate change in indonesia. Nat. Hazards Earth Syst. Sci. 2018, 18, 1785–1810. [Google Scholar] [CrossRef]
- Gharib, Z.; Tavakkoli-Moghaddam, R.; Bozorgi-Amiri, A.; Yazdani, M. Post-Disaster Temporary Shelters Distribution after a Large-Scale Disaster: An Integrated Model. Buildings 2022, 12, 414. [Google Scholar] [CrossRef]
- Anand, M.C.; Sinsupan, T.; Madurapperuma, S.; Chariar, V.M. Learning from Habitat Reconstruction Initiatives—New Approach for Reducing Vulnerability of Rural Housing in India. Sustainability 2022, 14, 4359. [Google Scholar] [CrossRef]
- Centre for Research on the Epidemiology of Disasters (CRED); United Nations Office for Disaster Risk Reduction (UNDRR). Human Cost of Disasters: An Overview of the Last 20 Years; CRED: Brussels, Belgium; UNDRR: Geneva, Switzerland, 2019. [Google Scholar]
- Alshawawreh, L.; Pomponi, F.; D’Amico, B.; Snaddon, S.; Guthrie, P. Qualifying the Sustainability of Novel Designs and Existing Solutions for Post-Disaster and Post-Conflict Sheltering. Sustainability 2020, 12, 890. [Google Scholar] [CrossRef]
- UNHCR, Figures at a Glance. 2019. Available online: https://www.unhcr.org/figures-at-a-glance.html (accessed on 17 August 2019).
- WMO. 2020 State of Climate Services; WMO: Geneva, Switzerland, 2020. [Google Scholar]
- Internal Displacement Monitoring Centre (IDMC); Norwegian Refugee Council (NRC). Global Report on Internal Displacement; IDMC: Geneva, Switzerland; NRC: Oslo, Norway, 2017. [Google Scholar]
- Aryal, J.P.; Sapkota, T.B.; Khurana, R.; Khatri-Chhetri, A.; Rahaut, D.B. Climate change mitigation options among farmers in south asia. Environ. Dev. Sustain. 2020, 22, 3267–3289. [Google Scholar] [CrossRef]
- Skoufias, E.; Kawasoe, Y.; Strobl, E.; Acosta, P.A. Identifying the Vulnerable to Poverty from Natural Disasters: The Case of Typhoons in the Philippines; World Bank Policy Research Working Paper; No. 8857, World Bank: Washington, DC, USA, 2019. [Google Scholar]
- Vishnu, S.; Sanjay, J.; Krishnan, R. Assessment of climatological tropical cyclone activity over the north Indian ocean in the cordexsouth asia regional climate models. Clim. Dyn. 2019, 53, 5101–5118. [Google Scholar] [CrossRef]
- Eckstein, D.; Künzel, V.; Schafer, L.M.W. Global Climate Risk Index 2020, Who Suffers Most from Extreme Weather Events? Weather-Related Loss Events in 2018 and 1999 to 2018, Germanwatch, Berlin, 2019. Available online: https://germanwatch.org/en/download/7170.pdf (accessed on 10 January 2022).
- Siddiki, U.R.; Islam, M.N.; Ansari, M.N.A. Cyclonic track analysis using GIS over the Bay of Bengal. Int. J. Appl. Sci. Eng. Res. 2012, 1, 689–701. [Google Scholar] [CrossRef]
- Malak, M.A.; Sajib, A.M.; Quader, M.A.; Anjum, H. “We are feeling older than our age”: Vulnerability and adaptive strategies of aging people to cyclones in coastal Bangladesh. Int. J. Disaster Risk Reduct. 2020, 48, 101595. [Google Scholar] [CrossRef]
- Hoque, M.A.; Pradhan, B.; Ahmed, N.; Ahmed, B.; Alamri, A.M. Cyclone vulnerability assessment of the western coast of Bangladesh. Geomat. Nat. Hazards Risk 2021, 12, 198–221. [Google Scholar] [CrossRef]
- Alexander, D.A. Natural Disasters; Chapman & Hall: New York, NY, USA, 1993. [Google Scholar]
- Paul, B.K.; Nadiruzzaman, M. Post-sidr public housing assistance in bangladesh: A case study. Environ. Hazards 2013, 12, 166–179. [Google Scholar]
- Bangladesh University of Engineering, Technology (BUET); Bangladesh Institute of Development Studies (BIDS). Multipurpose Cyclone Shelter Program Final Report; Planning Commission, Govertment of Bangladesh: Dhaka, Bangladesh, 1993.
- Masud-All-Kamal, M. Livelihood coping and recovery from disaster: The case of coastal Bangladesh. Curr Res J Soc Sci 2013, 5, 35–44. [Google Scholar] [CrossRef]
- Rahman, K.M. Unnayan Onneshan Policy Brief on Present Social Context and Elderly Population in Bangladesh; Unnayan Onneshan The Innovators: Dhaka, Bangladesh, 2010. [Google Scholar]
- Islam, M.T.; Charlesworth, M.; Aurangojeb, M.; Hemstock, S.; Sikder, S.K.; Hassan, M.S.; Dev, P.K.; Hossain, M.Z. Revisiting disaster preparedness in coastal communities since 1970s in bangladesh with an emphasis on the case of tropical cyclone amphan in may 2020. Int. J. Disaster Risk Reduct. 2021, 58, 102175. [Google Scholar] [CrossRef]
- GoB. Super Cyclone SIDR 2007: Impacts and Strategies for Interventions; Ministry of Food and Disaster Management, Bangladesh Secretariat: Dhaka, Bangladesh, 2008. [Google Scholar]
- The Country Trailblazing the Fight against Disasters. Available online: https://www.bbc.com/future/article/20220719-how-bangladesh-system-fights-cyclones-climate-disasters (accessed on 26 July 2022).
- Parvin, G.A.; Sakamoto, M.; Shaw, R.; Nakagawa, H.; Sadik, M.S. Evacuation scenarios of cyclone Aila in Bangladesh: Investigating the factors influencing evacuation decision and destination. Prog. Disaster Sci. 2019, 2, 100032. [Google Scholar] [CrossRef]
- Haque, U.; Hashizume, M.; Kolivras, K.N.; Overgaard, H.J.; Das, B.; Yamamoto, T. Reduced death rates from cyclones in Bangladesh: What more needs to be done? Bull. World Health Organ. 2012, 90, 150–156. [Google Scholar] [CrossRef]
- Paul, B.K. Factors affecting evacuation behavior: The case of 2007 cyclone Sidr, Bangladesh. Prof. Geogr. 2012, 64, 401–414. [Google Scholar] [CrossRef]
- Choudhury, N.Y.; Paul, A.; Paul, B.K. Impact of costal embankment on the flash flood in Bangladesh: A case study. Appl. Geogr. 2004, 24, 241–258. [Google Scholar] [CrossRef]
- Saha, S.K.; James, H. Reasons for non-compliance with cyclone evacuation orders in Bangladesh. Int. J. Disaster Risk Reduct. 2017, 21, 196–204. [Google Scholar] [CrossRef]
- Hoque, M.A.A.; Phinn, S.; Roelfsema, C.; Childs, I. Tropical cyclone disaster management using remote sensing and spatial analysis: A review. Int. J. Disaster Risk Reduct. 2017, 22, 345–354. [Google Scholar] [CrossRef]
- Hofmann, S.Z. Build Back Better and Long-Term Housing Recovery: Assessing Community Housing Resilience and the Role of Insurance Post Disaster. Sustainability 2022, 14, 5623. [Google Scholar] [CrossRef]
- Ratnayake, R.M.G.D.; Rameezdeen, R. Post disaster Housing Reconstruction: Comparative Study of Donor Driven vs. Owner Driven Approach. Int. J. Disaster Risk Reduct. 2010, 1, 173–191. [Google Scholar]
- IFRC. Post-Disaster Shelter: Ten Designs; International Federation of Red Cross and Red Crescent Societies; (IFRC): Geneva, Switzerland, 2013. [Google Scholar]
- Peacock, W.G.; Dash, N.; Zhang, Y. Sheltering and housing recovery following disaster. In Handbook of Disaster Research; Rodríguez, H., Quarantelli, E.L., Dynes, R.R., Eds.; Springer: Boston, MA, USA, 2009; pp. 258–274. [Google Scholar]
- Saha, S.K.; Ballard, C. Cyclone Aila and Post-Disaster Housing Assistance in Bangladesh. Sustainability 2021, 13, 8604. [Google Scholar] [CrossRef]
- GoB. Bangladesh Climate Change Strategy and Action Plan 2008; Ministry of Environment and Forests: Dhaka, Bangladesh, 2018. [Google Scholar]
- Bilau, A.A.; Witt, E.; Lill, I. Analysis of Measures for Managing Issues in Post-Disaster Housing Reconstruction. Buildings 2017, 7, 29. [Google Scholar] [CrossRef]
- Enam, S. Reducing Community Risk Through Disaster Resilient Housing in Bangladesh; BRAC University: Dhaka, Bangladesh, 2015. [Google Scholar]
- Bilau, A.A.; Witt, E.; Lil, I. Practice Framework for the Management of Post-Disaster Housing Reconstruction Programmes. Sustainability 2018, 10, 3929. [Google Scholar] [CrossRef]
- Chang, Y.; Wilkinson, S.; Potangaroa, R.; Seville, E. Resourcing for post-disaster reconstruction: A comparative study of Indonesia and China. Disaster Prev. Manag. Int. J. 2012, 21, 7–21. [Google Scholar] [CrossRef]
- Hidayat, B. The Role of Knowledge Communication in the Effective Management of Post-Disaster Reconstruction Projects in Indonesia. Ph.D. Thesis, University of Salford, Manchester, UK, 2013. Available online: http://usir.salford.ac.uk/30809/1/thesis-report-Benny-Hidayat-final.pdf (accessed on 24 March 2022).
- Nazara, S.; Resosudarmo, B.P. Aceh-Nias Reconstruction and Rehabilitation: Progress and Challenges at the End of 2006. Tokyo, Japan. 2007. Available online: http://www.adbi.org/discussion-paper/2007/06/26/2288.acehnias.reconstruction.rehabilitation/ (accessed on 11 February 2022).
- Ahmed, I.; Charlesworth, E. Housing and resilience: Case studies from Sri Lanka. In Recovery from the Indian Ocean Tsunami: A Ten-Year Journey; Shaw, R., Ed.; Springer: Tokyo, Japan, 2015; pp. 417–434. [Google Scholar]
- Abhas, K.J.; Todd, W.M.; Zuzana, S. Building Urban Resilience; The World Bank: Washington, DC, USA, 2013. [Google Scholar] [CrossRef]
- Davidson, C.H.; Johnson, C.; Lizarralde, G.; Dikmen, N.; Sliwinski, A. Truths and myths about community participation in post-disaster housing projects. Habitat Int. 2007, 31, 100–115. [Google Scholar] [CrossRef]
- Ika, L.A.; Diallo, A.; Thuillier, D. Critical success factors for World Bank projects: An empirical investigation. Int. J. Proj. Manag. 2012, 30, 105–116. [Google Scholar] [CrossRef]
- Sadik, M.S.; Nakagawa, H.; Rahman, M.R.; Shaw, R.; Kawaike, K.; Parvin, G.A.; Fujita, K. Humanitarian aid driven recovery of housing after Cyclone Aila in Koyra, Bangladesh: Characterization and assessment of outcome. J. Jpn. Soc. Nat. Disaster Sci. 2018, 37, 73–91. [Google Scholar]
- Islam, M.Z. Resourcing for Post-Disaster Housing Reconstruction: The Case of Cyclones Sidr and Aila in Bangladesh. Ph.D. Thesis, London South Bank University, London, UK, 2018. [Google Scholar]
- International Federation of Red Cross and Red Crescent Societies. Transitional Shelters Eight Designs. Available online: https://www.humanitarianlibrary.org (accessed on 8 November 2021).
- Zisan, M.B.; Alam, M.R.; Hasan, M.M.; Akter, S.S. Cyclone Resistant Low-Cost Housing in Coastal Area of Bangladesh. Int. J. Sci. Environ. Technol. 2013, 2, 48–55. [Google Scholar]
- Rumana, R.; Ahmed, M.H.B. The comparison between the thermal performance of a contemporary house and traditional house in the dense Dhaka City in Bangladesh. DIMENSI (J. Archit. Built Environ.) 2013, 40, 11–18. [Google Scholar] [CrossRef]
- International Federation of Red Cross and Red Crescent Societies Shelter Research Unit. Bangladesh Shelter Solutions. October 2013. Available online: https://sheltercluster.s3.eu-central-1.amazonaws.com/public/docs/bangladesh20shelter20solutions.pdf. (accessed on 10 August 2022).
- Johnson, C. Strategic planning for post-disaster temporary housing. Disasters 2007, 31, 435–458. [Google Scholar] [CrossRef] [PubMed]
- Gregorioa, L.T.D.; Soares, C.A.P. Post-disaster housing recovery guidelines for development countries based on experiences in the American continent. Int. J. Disaster Risk Reduct. 2017, 24, 340–347. [Google Scholar] [CrossRef]
- Cosgun, M.T.N.T.N. Study on permanent housing production after 1999 earthquake in Kocaeli (Turkey). Disaster Prev. Manag. Int. J. 2010, 19, 6–19. [Google Scholar]
- IPCC. Climate Change 2014 Synthesis Report; Cambridge University Press: Cambridge, UK, 2014. [Google Scholar] [CrossRef]
- Disaster Resilient Houses. Ministry of Disaster Management and Relief in Bangladesh. Available online: https://modmr.gov.bd. (accessed on 5 December 2021).
- Standard Guideline for Rural Housing in Disaster Prone Areas of Bangladesh. Available online: http://www.hbri.gov.bd. (accessed on 12 December 2021).
- Toufique, K.A.; Yunus, M. Vulnerability of Livelihoods in the Coastal Districts of Bangladesh. Bangladesh Dev. Stud. 2013, 36, 95–120. [Google Scholar]
- Report on the Housing Income and Expenditure Survey 2016-BBS Report Published June 2019; Statistics and Informatics Division (SID), Ministry of Planning in Bangladesh: Dhaka, Bangladesh, 2019.
- Mintzberg, H. The Rise and Fall of Strategic Planning: Reconceiving Roles for Planning, Plans, Planners. J. Prod. Innov. Manag. 1996, 3, 275–278. [Google Scholar]
- Ganapati, N.E.; Ganapati, S. Enabling participatory planning after disasters: A case study of the world bank’s housing reconstruction in turkey. J. Am. Plan. Assoc. 2008, 75, 41–59. [Google Scholar] [CrossRef]
- Islam, A.K.M.S.; Uddin, M.S.; Shamrat, M.R.I.; Rahaman, M.S. Flood and Flood Management in Bangladesh; Depertment of Disaster Science and Management, Faculty of Earth and Environmental Sciences, University of Dhaka: Dhaka, Bangladesh.
- Duy, T.C.; Xuan, C.N.; Dai, M.N.; Huu, H.N.; Tat, C.B. Typhoons and technical solutions recommended for existing and new houses in the cyclonic regions in Vietnam. In Proceedings of the 1st International Conference on Modern Design, Construction and Maintenance of Structures, Hanoi, Vietnam, 10–11 December 2007. [Google Scholar]
- Kamruzzaman, M.; Islam, A.; Harun-Or-Rashid, G.M. Building Related Measures for Energy Conservation. In Proceedings of the International Conference on Energy & Environment, SUST, Sylhet, Bangladesh, 28–29 September 2018. [Google Scholar]
- IDEA. StatiCa; Version 2; IDEA: Prague, Czech Republic, 2021. [Google Scholar]
- Bangladesh Road Transportation Authority Rules. Available online: https://today.thefinancialexpress.com.bd/first-page/limiting-transport-load-on-roads-triples-carrying-cost-1513964636 (accessed on 20 January 2022).
- Turner, J.F.C. Housing by People (London, Marion Boyars). Urban Foundation, (1980) Soweto (Johannesburg, Urban Foundation). 1976.
- Autodesk Robot Structural Analysis 2021; Product of Autodesk: San Francisco, CA, USA, 2021.
- BNBC. Bangladesh National Building Code 2021; Housing and Building Research Institute, Bangladesh Standards and Testing Institution: Dhaka, Bangladesh, 2021. [Google Scholar]
- IBC. International Building Code. 2018. Available online: https://codes.iccsafe.org/content/IBC2018/chapter-16-structural-design. (accessed on 5 March 2022).
- Schueller, W. High-Rise Building Structures; John Wiley & Sons, Inc.: Hoboken, NJ, USA, 1997; pp. 243–244. [Google Scholar]
- It Is Important Not Only to Manage, But to Understand the Disaster. Available online: https://www.prothomalo.com/Bangladesh. (accessed on 10 March 2022).
- Andrews, O.N. Trends in the Supply of Affordable Housing Meeting America’s Housing Needs (MAHN): A Habitat 11 Follow-Up Project. 1998. Available online: www.nlihc.org/doc/mahnsupply.pdf (accessed on 2 February 2010).
Publisher’s Note: MDPI stays neutral with regard to jurisdictional claims in published maps and institutional affiliations. |
© 2022 by the authors. Licensee MDPI, Basel, Switzerland. This article is an open access article distributed under the terms and conditions of the Creative Commons Attribution (CC BY) license (https://creativecommons.org/licenses/by/4.0/).

















































