Demand Side Management Techniques for Home Energy Management Systems for Smart Cities
Abstract
:1. Introduction
2. Related Work
3. Proposed System Models
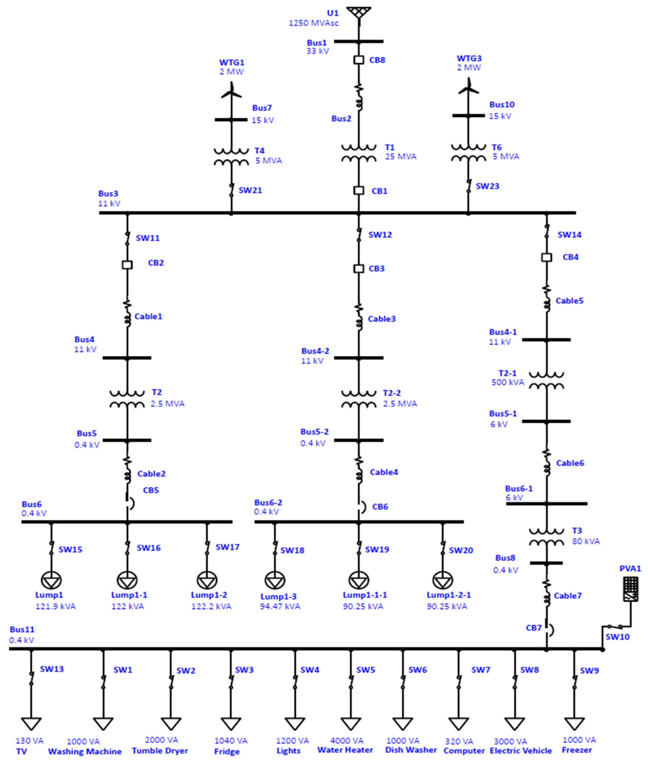
3.1. System Configurations
- Model 1: AC generation → AC transmission → AC distribution to cluster of domestic loads (Lump loads).
- Model 2: AC generation → AC transmission → AC distribution to cluster of domestic loads (Lump loads) and single separate domestic load (static loads).
- Model 3: AC generation → AC transmission → AC distribution to various domestic loads. One isolated domestic load directly connected to PV array.
- Model 4: AC generation → AC transmission → AC distribution to cluster of domestic loads. Wind power connected to 11KV bus bar.
3.2. Load Types
3.3. Profile Usage Tiers
- Low—small apartment for one or two residents.
- Medium—semi-detached home with a family of three to four residents.
- High—detached home with five to six residents.
3.4. Theoretical Domestic Load
3.5. Renewable Energy Integration
3.6. Solar Energy System
3.7. Wind Turbine Generator
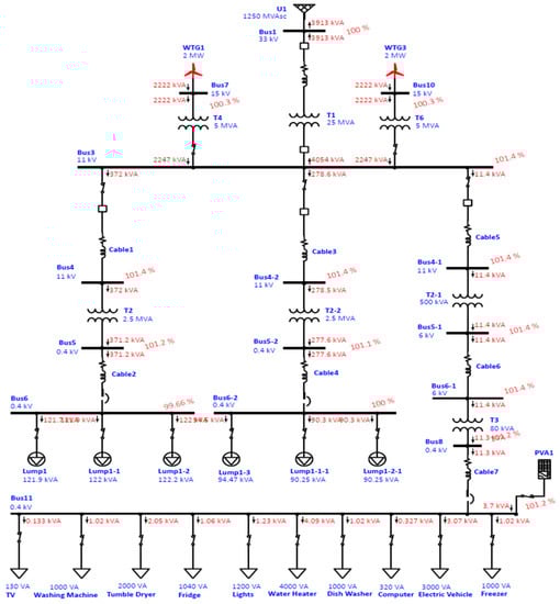
4. Results and Analysis
4.1. Load Shedding
4.2. Reducing Grid Penetration with RES
4.3. HEMS and Renewable Energy Systems
5. Conclusions
Author Contributions
Funding
Institutional Review Board Statement
Informed Consent Statement
Data Availability Statement
Acknowledgments
Conflicts of Interest
Abbreviations
| DER | Distributed energy resources |
| DSM | Demand side management |
| RES | Renewable energy sources |
| HEMS | Home energy management system |
| ETAP | Electrical power system analysis |
| PV | Photovoltaics |
| AS | Appliance scheduling |
| SC | Smart cities |
| DG | Distributed generation |
| SG | Smart grid |
| ESS | Energy storage system |
| DR | Demand response |
| LP | Linear programming |
| UC | User comfort |
| AC | Alternating current |
| DC | Direct current |
| WTG | Wind turbine generator |
| MW | Mega watt |
| RPF | Reverse power flow |
| Sa | Specified shiftable loads |
| Hp | High peak hours |
| Cp | Current energy price |
| Lp | Low peak hours |
References
- European Commission. Towards a European strategy for the security of energy supply. VGB PowerTech 2002, 82, 27–29. [Google Scholar]
- Hussain, M.M.; Javed, W.; Akram, R.; Javed, T.; Razaq, A.; Siddique, M. Distributed energy management analysis for mi-crogrids. In Proceedings of the 56th International Universities Power Engineering Conference, Middlesbrough, UK, 31 August–3 September 2021. [Google Scholar]
- Moshari, A.; Yousefi, G.R.; Ebrahimi, A.; Haghbin, S. Demand-side behavior in the smart grid environment. In Proceedings of the Innovative Smart Grid Technologies Conference, Gothenburg, Sweden, 11–13 October 2010; pp. 1–7. [Google Scholar]
- Zafar, U.; Bayhan, S.; Sanfilippo, A. Home Energy Management System Concepts, Configurations, and Technologies for the Smart Grid. IEEE Access 2020, 8, 119271–119286. [Google Scholar] [CrossRef]
- Elrayyah, A.; Bayhan, S. Multi-Channel-Based Microgrid for Reliable Operation and Load Sharing. Energies 2019, 12, 2070. [Google Scholar] [CrossRef] [Green Version]
- Neves, D.; Silva, C.A.S.; Connors, S. Design and implementation of hybrid renewable energy systems on micro-communities: A review on case studies. Renew. Sustain. Energy Rev. 2014, 31, 935–946. [Google Scholar] [CrossRef]
- Hussain, M.M.; Siddique, M.; Raees, A.; Nouman, M.; Javed, W.; Razaq, A. Power Management through Smart Grids and Advance Metering Infrastructure. In Proceedings of the 6th IEEE International Energy, Tunis, Tunisia, 28 September–1 October 2020; pp. 767–772. [Google Scholar]
- Hosseini, S.M.; Carli, R.; Dotoli, M. Robust Day-Ahead Energy Scheduling of a Smart Residential User Under Uncertainty. In Proceedings of the 18th European Control Conference, Naples, Italy, 25–28 June 2019; pp. 935–940. [Google Scholar]
- Melhem, F.Y.; Grunder, O.; Hammoudan, Z.; Moubayed, N. Energy Management in Electrical Smart Grid Environment Using Robust Optimization Algorithm. IEEE Trans. Ind. Appl. 2018, 54, 2714–2726. [Google Scholar] [CrossRef]
- Li, Q.; Zhang, Y.; Ji, T.; Lin, X.; Cai, Z. Volt/Var control for power grids with connections of large-scale wind farms: A review. IEEE Access 2018, 6, 26675–26692. [Google Scholar] [CrossRef]
- Ahmad, A.; Khan, A.; Javaid, N.; Hussain, H.M.; Abdul, W.; Almogren, A.; Alamri, A.; Azim, N.I. An optimized home energy management system with integrated renewable energy and storage resources. Energies 2017, 10, 549. [Google Scholar] [CrossRef] [Green Version]
- Soares, J.; Silva, M.; Sousa, T.; Vale, Z.; Morais, H. Distributed energy resource short-term scheduling using Signaled Particle Swarm Optimization. Energy 2012, 42, 466–476. [Google Scholar] [CrossRef] [Green Version]
- Bernow, S.; Ackerman, F.; Biewald, B.; Fulmer, M.; Shapiro, K.; Wulfsberg, K. Direct Environmental Impacts of Demand-Side Management; Tellus Institute: Cambridge, MA, USA, 1992; pp. 19–31. [Google Scholar]
- Safdarian, A.; Fotuhi-Firuzabad, M.; Lehtonen, M. A Distributed Algorithm for Managing Residential Demand Response in Smart Grids. IEEE Trans. Ind. Inform. 2014, 10, 2385–2393. [Google Scholar] [CrossRef]
- Razaq, A.; Hussain, M.; Javed, W.; Javed, T.; Memon, Z. Detection and Prevention of Denial-of-Service in Cloud-based Smart Grid. In Proceedings of the 10th International Conference on Smart Cities and Green ICT Systems, Prague, Czech Republic, 28–30 April 2021; pp. 172–179. [Google Scholar]
- Adinolfi, F.; Burt, G.M.; Crolla, P.; D’Agostino, F.; Saviozzi, M.; Silvestro, F. Distributed Energy Resources Management in a Low-Voltage Test Facility. IEEE Trans. Ind. Electron. 2015, 62, 2593–2603. [Google Scholar] [CrossRef]
- Metke, A.R.; Ekl, R.L. Security Technology for Smart Grid Networks. IEEE Trans. Smart Grid 2010, 1, 99–107. [Google Scholar] [CrossRef]
- Razaq, A.; Hussain, M.M.; Siddique, M. Smart grid simulation based on high level architecture. In Proceedings of the 9th European Conference on Renewable Energy Systems, Istanbul, Turkey, 21–23 April 2021. [Google Scholar]
- Shareef, H.; Ahmed, M.S.; Mohamed, A.; Al Hassan, E. Review on Home Energy Management System Considering Demand Responses, Smart Technologies, and Intelligent Controllers. IEEE Access 2018, 6, 24498–24509. [Google Scholar] [CrossRef]
- Hosseini, S.S.; Agbossou, K.; Kelouwani, S.; Cardenas, A. Non-intrusive load monitoring through home energy management systems: A comprehensive review. Renew. Sustain. Energy Rev. 2017, 79, 1266–1274. [Google Scholar] [CrossRef]
- Palensky, P.; Dietrich, D. Demand Side Management: Demand Response, Intelligent Energy Systems, and Smart Loads. IEEE Trans. Ind. Inform. 2011, 7, 381–388. [Google Scholar] [CrossRef] [Green Version]
- Gellings, C.W.; Samotyj, M. Smart grid as advanced technology enabler of demand response. Energy Effic. 2013, 6, 685–694. [Google Scholar] [CrossRef]
- Scarabaggio, P.; Grammatico, S.; Carli, R.; Dotoli, M. Distributed Demand Side Management with Stochastic Wind Power Forecasting. IEEE Trans. Control. Syst. Technol. 2021, 2, 1–16. [Google Scholar] [CrossRef]
- Nassourou, M.; Blesa, J.; Puig, V. Robust economic model predictive control based on a zonotope and local feedback controller for energy dispatch in smart grids considering demand uncertainty. Energies 2020, 13, 696. [Google Scholar] [CrossRef] [Green Version]
- Available online: www.etap.com (accessed on 12 June 2021).
- Calvillo, C.; Sánchez-Miralles, A.; Villar, J. Energy management and planning in smart cities. Renew. Sustain. Energy Rev. 2016, 55, 273–287. [Google Scholar] [CrossRef] [Green Version]
- Ruiz-Romero, S.; Colmenar-Santos, A.; Mur-Perez, F.; Lopez-Rey, A. Integration of distributed generation in the power dis-tribution network: The need for smart grid control systems, communication, and equipment for a smart city—Use cases. Renew. Sustain. Energy Rev. 2014, 38, 223–234. [Google Scholar] [CrossRef]
- Beaudin, M.; Zareipour, H. Home energy management systems: A review of modelling and complexity. Renew. Sustain. Energy Rev. 2015, 45, 318–335. [Google Scholar] [CrossRef]
- Zhou, B.; Li, W.; Chan, K.W.; Cao, Y.; Kuang, Y.; Liu, X.; Wang, X. Smart home energy management systems: Concept, configurations, and scheduling strategies. Renew. Sustain. Energy Rev. 2016, 61, 30–40. [Google Scholar] [CrossRef]
- Lee, J.Y.; Choi, S.G. Linear programming based hourly peak load shaving method at home area. In Proceedings of the 16th International Conference on Advanced Communication Technology, Pyeongchang, Korea, 16–19 February 2014; pp. 310–313. [Google Scholar]
- Qayyum, F.A.; Naeem, M.; Khwaja, A.S.; Anpalagan, A.; Guan, L.; Venkatesh, B. Appliance Scheduling Optimization in Smart Home Networks. IEEE Access 2015, 3, 2176–2190. [Google Scholar] [CrossRef]
- Yoo, J.; Park, B.; An, K.; Al-Ammar, E.A.; Khan, Y.; Hur, K.; Kim, J.H. Look-Ahead Energy Management of a Grid-Connected Residential PV System with Energy Storage under Time-Based Rate Programs. Energies 2012, 5, 1116–1134. [Google Scholar] [CrossRef]
- Ofgem, Typical Domestic Consumption Values. Available online: ofgem.gov.uk (accessed on 25 August 2021).
- Klemenjak, C.; Makonin, S.; Elmenreich, W. Towards comparability in non-intrusive load monitoring: On data and perfor-mance evaluation. In Proceedings of the 2020 IEEE Power & Energy Society Innovative Smart Grid Technologies Conference (ISGT), Washington, DC, USA, 17–20 February 2020; pp. 1–5. [Google Scholar]












| Profile Usage Tier | kWh | Total | |
|---|---|---|---|
| Gas | Low | 8000 | |
| Medium | 12,000 | ||
| High | 17,000 | ||
| Electricity profile 1 | Low | 1800 | 9800 |
| Medium | 2900 | 14,900 | |
| High | 4300 | 21,300 | |
| Electricity profile 2 | Low | 2400 | 10,400 |
| Medium | 4200 | 16,200 | |
| High | 7100 | 24,100 |
| Consumption Split for Great Britain | |
|---|---|
| Peak hours during daytime usage | 58% |
| Off-peak hours during night-time usage | 42% |
| Load Types | Appliances | Schedule | Power (W) |
|---|---|---|---|
| Shiftable | Computer | 1–10 a.m. | 320 |
| Dishwasher | 10–12 p.m. | 2000 | |
| Washing machine | 10–12 p.m. | 2000 | |
| Water heater | 12–9 p.m. | 4000 | |
| Electric car | 2–9 p.m. | 3000 | |
| TV | 9–10 p.m. | ||
| Tumble dryer | 10–12 a.m. | 2000 | |
| Non shiftable | Fridge | 12 a.m.–12 a.m. | 1040 |
| Freezer | 12 a.m.–12 a.m. | 800 | |
| Lights | 12 a.m.–12 a.m. | 1200 |
| Load Types | Quantity | Load (W) | Total Load (W) Watts | No. of Hours per Day | Total Kilo-Watts-Hrs (kWh) No. of Hrs/Day |
|---|---|---|---|---|---|
| Compact Fluorescent lights | 10 | 15 | 150 | 8 | 1200 |
| TV | 1 | 130 | 130 | 1 | 130 |
| Computer | 1 | 80 | 80 | 4 | 320 |
| Fridge | 1 | 130 | 130 | 24 | 1040 |
| Freezer | 1 | 100 | 100 | 24 | 1000 |
| Total | 590 | 3690 |
| Bus ID | Nominal Voltage (kV) | Operating Voltage (%) |
|---|---|---|
| Bus1 | 33 | 100 |
| Bus3 | 11 | 98.84 |
| Bus6 | 0.4 | 97.08 |
| Bus6-2 | 0.4 | 97.44 |
| Bus11 | 0.4 | 98.61 |
| Grid Operating Voltage | ||||
|---|---|---|---|---|
| Grid Operating Voltage (%) | Medium Voltage Bus3: 11 kV | Low Voltage Bus6: 400 V | Low Voltage Bus6-2: 400 V | Low Voltage Bus11: 400 V |
| 90 | 91.42 | 89.57 | 89.64 | 91.22 |
| 90.5 | 91.52 | 90.07 | 90.45 | 91.72 |
| 91 | 92.42 | 90.58 | 90.95 | 92.21 |
| 91.5 | 92.91 | 91.09 | 91.46 | 92.71 |
| 92 | 93.41 | 91.59 | 91.96 | 93.21 |
| 92.5 | 93.91 | 92.1 | 92.47 | 93.71 |
| 93 | 94.41 | 92.61 | 92.97 | 94.2 |
| 93.5 | 94.91 | 93.11 | 93.48 | 94.7 |
| 94 | 95.41 | 93.62 | 93.98 | 95.2 |
| 94.5 | 95.91 | 94.12 | 94.48 | 95.7 |
| 95 | 96.41 | 94.63 | 94.99 | 96.19 |
| 95.5 | 96.91 | 95.13 | 95.49 | 96.69 |
| 96 | 97.41 | 95.63 | 95.99 | 97.19 |
| 96.5 | 97.9 | 96.14 | 96.5 | 97.68 |
| 97 | 98.4 | 96.64 | 97 | 98.18 |
| 97.5 | 98.9 | 97.15 | 97.5 | 98.67 |
| 98 | 99.4 | 97.65 | 98 | 99.17 |
| 98.5 | 99.9 | 98.15 | 98.51 | 99.67 |
| 99 | 100.4 | 98.66 | 99.01 | 100.2 |
| 99.5 | 100.9 | 99.16 | 99.51 | 100.7 |
| 100 | 101.4 | 99.66 | 100 | 101.4 |
Publisher’s Note: MDPI stays neutral with regard to jurisdictional claims in published maps and institutional affiliations. |
© 2021 by the authors. Licensee MDPI, Basel, Switzerland. This article is an open access article distributed under the terms and conditions of the Creative Commons Attribution (CC BY) license (https://creativecommons.org/licenses/by/4.0/).
Share and Cite
Hussain, M.M.; Akram, R.; Memon, Z.A.; Nazir, M.H.; Javed, W.; Siddique, M. Demand Side Management Techniques for Home Energy Management Systems for Smart Cities. Sustainability 2021, 13, 11740. https://doi.org/10.3390/su132111740
Hussain MM, Akram R, Memon ZA, Nazir MH, Javed W, Siddique M. Demand Side Management Techniques for Home Energy Management Systems for Smart Cities. Sustainability. 2021; 13(21):11740. https://doi.org/10.3390/su132111740
Chicago/Turabian StyleHussain, Muhammad Majid, Rizwan Akram, Zulfiqar Ali Memon, Mian Hammad Nazir, Waqas Javed, and Muhammad Siddique. 2021. "Demand Side Management Techniques for Home Energy Management Systems for Smart Cities" Sustainability 13, no. 21: 11740. https://doi.org/10.3390/su132111740
APA StyleHussain, M. M., Akram, R., Memon, Z. A., Nazir, M. H., Javed, W., & Siddique, M. (2021). Demand Side Management Techniques for Home Energy Management Systems for Smart Cities. Sustainability, 13(21), 11740. https://doi.org/10.3390/su132111740

