You are currently on the new version of our website. Access the old version .
SustainabilitySustainability
  • Article
  • Open Access

28 September 2021

Sustainable Manufacture of Bearing Bushing Parts

,
,
,
,
,
and
Department of Machine Manufacturing Technology, “Gheorghe Asachi” Technical University of Iasi, 700050 Iaşi, Romania
*
Author to whom correspondence should be addressed.
This article belongs to the Special Issue Design for Sustainability—Axiomatic Design Science and Applications

Abstract

Bearing bushing parts are used to support other rotating moving parts. When these bearing bushings are made of bronze, their inner cylindrical surfaces can be finished by turning. The problem addressed in this paper was that of identifying an alternative for finishing by turning the inner cylindrical surfaces of bearing bushing parts by taking into account the specific sustainability requirements. Three alternatives for finishing turning the inner cylindrical surfaces of bearing bushings have been identified. The selection of the alternative that ensures the highest probability that the diameter of the machined surface is included in the prescribed tolerance field was made first by using the second axiom of the axiomatic design. It was thus observed that for the initial turning alternative, the probability of success assessed by using a normal distribution is 77.2%, while for the third alternative, which will correspond to a Maxwell–Boltzmann distribution, the probability of success is 92.1%. A more detailed analysis was performed using the analytic hierarchy process method, taking into account distinct criteria for assessing sustainability. The criteria for evaluating the sustainability of a cutting processing process were identified using principles from the systemic analysis. The application of the analytic hierarchy process method facilitated the approach of some detailed aspects of the sustainability of the alternatives proposed for finishing by turning the inner cylindrical surfaces of bearing bushings, including by taking into account economic, social, and environmental protection requirements.

1. Introduction

According to a generally accepted definition, sustainability is a quality of an anthropogenic activity to be carried out without depleting available resources, without destroying the environment, and thus without compromising the possibilities of meeting the needs of future generations. The last decade has increasingly brought researchers concerns to meet the requirements of sustainability. It is estimated that the functioning of different ecosystems specific to planet Earth cannot occur without selecting solutions that ensure conditions for future generations. Such conditions refer to the whole field of manufacturing activities. It is considered that sustainable development must be achieved in compliance with three principles, the application of which concerns environmental protection, social development, and economic development, with a stronger emphasis on the effects associated with the first two principles. Performance appraisal in terms of ensuring sustainability is usually done by using performance indicators specific to the three principles. The United Nations has defined 17 goals of sustainable development [1].
As an essential component in ensuring that the requirements of human society are met to benefit from products that lead to a continuous improvement in quality of life, the manufacture of products cannot avoid the requirements relating to sustainability. Such requirements can generate significant contradictions with the profitability requirements of companies. Researchers and other categories of specialists involved in manufacturing processes must find those solutions that, by application in practice, will fulfill the requirements of sustainability and economic efficiency. Researchers and designers of processing technologies must provide the information necessary for the application of sustainable manufacturing processes.
Ford and Despeisse analyzed the impact of additive product manufacturing methods on sustainability indicators [2]. They found that additive manufacturing can help increase the life of products by redesigning products and processes, using new materials, and manufacturing custom products that better meet customer requirements.
Islam developed a doctoral thesis in which he showed that sustainability requirements can be correlated with the manufacturing systems to which it refers, but that there are also sustainability issues that do not directly take into account manufacturing [3]. His research has also highlighted the difficulties of assessing and simultaneously optimizing economic, social, and environmental sustainability requirements.
A common view of current manufacturing processes is meeting requirements in three somewhat distinct areas: economic, social, and environmental. Lucato et al. showed [4] that there are difficulties in selecting variables that optimize all requirements simultaneously. They proposed a framework for assessing the level of sustainability of a manufacturing process by integrating economic, social, and environmental variables into a single system.
Extensive documentary research to reveal the growing interest in green technologies has been undertaken by Usmani et al. [5]. They found that while 24 scientific papers on green technologies were published in 1996, 711 such papers were identified in 2019, clearly highlighting the intensification of research concerns oriented towards green technologies. At the same time, the major research domains concerning the green manufacturing industry have been identified, and one of these domains is sustainable development.
Ebrahim et al. used the Pareto 80/20 method to determine the basics of manufacturing sustainability [6]. Subsequently, they developed a model based on an input-output system. According to this model, inputs are sustainability drivers and sustainability enablers, sustainability measures are the process or operation, and sustainability impacts are the output.
Jamwal et al. thought that the new technologies specific to the Industry 4.0 stage could directly or indirectly affect the sustainability aspects of manufacturing [7]. They used a hybrid multicriteria decision method based on the fuzzy-analytic hierarchy and decision-making trial and evaluation laboratory. According to their main conclusion, the supply chain and environment-related enablers can generate real barriers for sustainable manufacturing.
Through the content of this paper, it was intended to address mainly sustainability issues specific to finishing turning the inner surface of a bearing bushing. As with other products, technology designers need to develop and consider sustainable bearing bushing manufacturing technologies. The formulation of the problem to be solved revealed three alternatives for the materialization of the finishing turning of the respective surface. A first selection of the most convenient alternative was made using the second axiom of axiomatic design. Several criteria for evaluating finishing turning alternatives were identified using systemic analysis and considering the specific requirements of sustainability. The AHP method (analytic hierarchy process) was used to separate the most convenient alternative from the point of view of sustainability by using a composite weight and starting from these evaluation criteria.

2. Materials and Methods

2.1. The Problem Addressed

Bushings are mechanical machine parts that have inner and outer coaxial revolution surfaces. Coaxial revolution surfaces are usually cylindrical and conical, but there are other surfaces (flat, toroidal, spherical, etc.). The classification of the bushings is made by taking into account the different criteria (the shape of the outer and inner surfaces, the existence of different grooves and non-coaxial holes, etc.) [8].
The bearing bushings have the role of supporting the shaft or other parts that make rotational movements (pinions, cams, etc.). The inner surfaces of bushings come into contact with the journals of the rotating part. The inner and outer coaxial revolution surfaces are generally characterized by high accuracy and low roughness. Usually, the outer surface used to fix the bearing bushing to the housing accurately corresponds to tolerance classes 7–8 and average surface roughness of Ra = 1.6 µm. On the other hand, the inner revolution surfaces must be made in tolerance classes 6–8 and have an average surface roughness of Ra = 0.8 µm.
The plastics, bronzes, cast irons, and steels could be used as materials for bearing bushings. In the manufacture of machines, the most used material for bearing bushings seems to be certain types of bronzes that are characterized by low values of coefficient of friction and good resistance to wear.
Experimental research on the behavior of a zirconium ceramic bushing was performed on a universal friction machine by Alisin [9]. This research allowed the development of a procedure for evaluating the reliability and service life of the bushings in the indicated material.
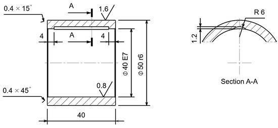
An example of a mechanical drawing of a bronze bearing bushing is shown in Figure 1. Several bearing bushings had to be made by students during the practical activities carried out in a school workshop of the Department of Machine Manufacturing Technology of the "Gheorghe Asachi Technical University" of Iasi (Romania) [10]. The material was an anti-friction bronze (containing 80% copper, 10% tin, and 10% lead). As workpieces, tubes made by casting were used.
Figure 1. Mechanical drawing of the bronze bushing to be obtained (adapted from [10,11]).
The existing information in the mechanical drawing of the bearing bushing was analyzed, and it was concluded that this information is sufficient to be able to design a sustainable technology for the manufacture of bushings. The machine tools, jigs, fixtures, and tools available, the number of parts to be manufactured, the level of qualification of the operators (students coordinated by the foremen), and other conditions specific to the workshop where these bushings were to be manufactured were taken into account.
After analyzing the initial conditions corresponding to the bearing bushing, it was concluded that the main groups of manufacturing stages could be:
  • Machining of exterior surfaces in two distinct phases (roughing and finishing);
  • Machining of inner surfaces, also in two distinct phases (roughing and finishing);
  • Machining of the flat front surfaces of the bushing;
  • Machining of the grease groove.
By limiting the research only to how the inner cylindrical surface is finished, the actual sets of technical and scientific information could reveal several alternatives to solve the problem of finishing turning that would allow the achievement of acceptable parts in terms of the required quality. Appropriate methods for selecting the optimal alternative could be used to select one of these alternatives. In the research whose results have been presented in this paper as optimal selection methods, specific aspects were taken into account using the second axiom of axiomatic design and the analytic hierarchy process method. We will point out that, concerning the use of the second axiom in axiomatic design, the application of the analytic hierarchy process method allows a broader consideration of the sustainability criteria applicable in the case of machining technology.

2.2. Methods Usable for Selecting a Machining Process Taking into Account Sustainability Requirements

In the research undertaken, the possibilities of analyzing some manufacturing technologies’ sustainability using systemic analysis, an axiom from the axiomatic design, and the AHP method (analytic hierarchy process) were considered.
The systemic analysis is a way of approaching a problem in manufacturing, in which the investigated process or equipment is treated as a system, with input factors and output parameters. The use of systemic analysis allows a complete identification of the factors likely to affect the values of the output parameters, and possibly how the input factors influence the values of the output parameters. The disturbing factors can also be highlighted using the systemic analysis. Disturbing factors are those whose values cannot be adjusted by users but can influence the output parameters’ values. Research concerns have sought to address sustainability issues as a system, using principles from the systemic analysis [12,13,14,15,16]. In the case of the problem addressed in this paper, i.e., the sustainable manufacture of technology for finishing the inner surfaces of bearing bushes, the use of systemic analysis will have to facilitate the identification of those factors capable of affecting the accuracy of the inner surface of the bearing bushing by applying a finishing turning.
In the systemic analysis of sustainable manufacturing, the output parameters must consider the three requirements specific to the general approach to sustainability (economic, social, and environmental requirements).
The axiomatic design was initially proposed and promoted by Professor Nam Pyo Suh while working at the Massachusetts Institute of Technology in the United States of America. By using the axiomatic design, Professor Suh envisaged a more systematic and optimized approach to the design problems of manufacturing technologies. Subsequently, with the contribution of researchers from various fields, the axiomatic design was to be applied in many other fields besides manufacturing engineering [17,18,19,20,21,22,23].
In principle, the method considers the existence of two axioms. The axiom first highlights the need to ensure the independence of functional requirements. The second axiom states that among many solutions available to solve a problem, the one that requires less information will be preferred. A proper way of materializing the second axiom is to select the solution with the highest probability of success when the solution is applied. The mathematical relations that define different probability laws could evaluate the successful application of some solutions. The best-known law is the law of normal distribution, formulated by Gauss, but other laws of probability can also be used. It is possible to evaluate the success probabilities of the identified alternatives starting from such mathematical relations and following to be applied the one that will correspond to the highest probability of success. If there are currently accepted approaches to assessing economic efficiency, the likelihood of success in environmental requirements seems more difficult to assess.
The axiomatic design has been used to address sustainability aspects [24,25,26,27].
The AHP method (analytic hierarchy process) was proposed by Professor Thomas L. Saaty, of the University of Pittsburgh (USA), in a book published in 1980 [28]. This method allows a more detailed approach, and compares the criteria used when selecting a solution from several available solutions. Statistical aspects are taken into account to determine general composite weights, which allow a reasoned ordering of the solutions under analysis [29,30,31,32,33,34,35,36,37,38]. The AHP method can only be used, as there is research into the use of the AHP method in association with other methods of optimizing the decision-making process.

3. Results and Discussion

3.1. Technical Input Factors and Output Parameters in the Process of Finishing the Inner Surface of the Bearing Bushing

An analysis of the correlations between the technical input factors and the output parameters of the finishing turning process of the bearing bushing inner surface revealed that one of the factors by which the machining accuracy as output parameters of the studied process could be improved was the tool adjustment to the working size, and how to check the diameter of the inner surface of the bearing bushing. It was appreciated that intervention with positive results could be performed on the way of adjusting the position of the tool tip to the working size and, respectively, on the way of checking the inclusion of the diameter of the finished inner surface in the prescribed tolerance field.

3.2. Using the Second Axiom from the Axiomatic Design to Select the Sustainable Alternative for Finishing the Inner Cylindrical Surface by Turning

From the process of manufacturing by turning a bearing bushing, the analysis presented below will consider only the alternatives usable for the finishing turning of the inner cylindrical surface (Figure 2).
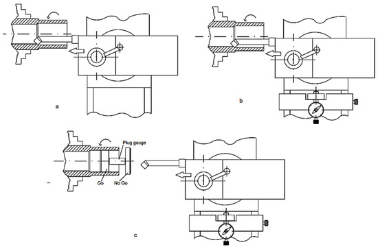
Figure 2. Alternatives for finishing turning considered: (a) initial alternative A1 (turning under normal conditions); (b) alternative A2 (correcting the position of the tool using a dial comparator device); (c) alternative A3 (correcting the position of the tool using the dial gauge device and checking the machined surface using a go plug gauge (adapted from [10]).
According to the information in the mechanical drawing of the part, the inner surface must have a diameter 40   E 7 ( + 0.050 + 0.075 ) . This means that the maximum diameter will be 40.075 mm, the minimum 40.050 mm, and the diameter corresponding to the middle of the tolerance field will be 40.0625 mm.
A grinding operation cannot be used due to the risk of loss of cutting qualities by the abrasive tool by clogging with chips detached from the material of the workpiece (bronze). The following sustainable turning alternatives for finishing the inner surface of the bearing bushing have been considered:
1. Alternative A1. The alternative of performing the finishing turning considers the usual conditions offered by the universal lathe without using working devices, to ensure the accuracy of adjusting the position of the tip of the lathe tool to the working size. The machining will be performed using the test chip method (a version of the trial-and-error method), which means a succession of successive measurements and machining sequences until the diameter of the machined surface is placed inside the tolerance field. The size of the division that the operator can observe and use to adjust the radial position of the lathe tool tip when moving the transverse slide is 0.05 mm. The different corrections of the position of the lathe tool tip will also be affected by the subjectivity of the lathe operator in assessing fractions of the distance between two divisions that correspond to a feed of the transverse slide by 0.05 mm. Usually, the lathe operator is tempted to overlap the adjustment position of the lathe tool tip with the middle of the prescribed tolerance field [8,39]. As such, the distribution of the diameters of the inner machined surfaces of the parts is expected to follow a Gaussian distribution, but with a fairly wide distribution field, due to the use of the scale with divisions of 0.05 mm (Figure 3). Such a distribution corresponds, in fact, to tolerance class 9 (class usually considered to be achievable by using the finishing turning). Taking into account a dispersion field corresponding to this class (T = 0.039 mm) and the value corresponding to the middle of the tolerance field prescribed on the mechanical drawing (valid for tolerance class E7), we find that the actual dimensions should be between a minimum value of:
40.0625 − (1/2) ∙ 0.062 = 40.0625 − 0.031 = 40.0315 mm
and a maximum value of:
40.0625 + (1/2) ∙ 0.062 = 40.0625 + 0.031 = 40.0935 mm.
Figure 3. Different distributions of the diameters of the inner surfaces machined by finishing turning.
The Gaussian distribution function (which provides information about obtaining a certain dimension between certain limits, so on the probability of having a dimension in a predetermined range) is as follows:
P = 1 σ 2 π x 1 x 2 e x M ( x ) 2 σ 2 d x ,
where x is the diameter of the processed surface, σ- is the standard deviation, and M(x)-is the arithmetic mean of the measured values.
Taking into account the values valid in the analyzed case, we will have:
P = 1 σ 2 π 40.0315 40.0935 e x 40.0625 2 σ 2 d x .
Using the statistical calculation tables, the weight of the numbers of diameters of the machined surfaces achievable by the usual finishing turning (with a tolerance field corresponding to tolerance class 9), but in a dimensional range corresponding to class 7, we find that the probability of obtaining diameters of machined surfaces in the prescribed tolerance range by finishing turning is 77.2%.
2. Alternative A2. In the case of this alternative, a device that includes a dial gauge with a value between two divisions of 0.001 mm could be used. The device will obviously be used to adjust the position of the lathe tool tip at the finishing passes required for turning the inner surface by the test chip method. The device can be mounted on the transverse slide guide of the lathe (Figure 2) to obtain more accurate information on the movement of the transverse slide, together with the lathe tool tip, when adjusting the position of the tool tip used for internal finishing turning.
It can be appreciated that using a dial gauge with a division of 0.001 mm will increase machining accuracy, and it is possible to obtain tolerances corresponding to tolerance class 8. If this tolerance class 8 corresponds to a tolerance field of T = 0.039 mm, arranged symmetrically to the average size to be obtained according to the mechanical drawing (ϕ40.0625 mm), it means that the minimum size of the new distribution field (Figure 3) could be:
40.0625 − (1/2) ∙ 0.039 = 40.0625 − 0.0195 = 40.0430 mm
and the maximum size could be:
40.0625 + (1/2) ∙ 0.039) = 40.0625 + 0.0195) = 40.0820 mm.
Determining the probability of having dimensions in the prescribed tolerance field (Figure 3) will lead to:
P 8 = 1 σ 2 π 40.0430 40.0820 e x 40.0625 2 σ 2 d x .
Assuming that we could obtain an accuracy of the dimensions corresponding to class 8 (which means a dispersion field of 0.039 mm, but located around the average size ϕ40.0625) and using the tables that provide the values of the Laplace function, we arrive at:
P 8 = 2 0 40.082 ( u ) = 2 · 0.472 = 0.944 ,
which deals with a value u = 1.923, for a standard deviation:
σ = 0.039/6 = 0.0065 mm.
This means that there is a 94.4% probability of obtaining machined surface diameters within the prescribed tolerance range, or that approximately 5.6% of the diameters will not fall within the prescribed tolerance range.
In reality, even when the devices are used to increase the machining accuracy by finishing turning on an ordinary universal lathe, it is difficult to obtain a tolerance field corresponding to tolerance class 8, and the actual dispersion is expected to correspond also to class 9 (which will mean a tolerance/distribution field of 0.062 mm, i.e., between diameters ϕ40.0315 mm and ϕ40.0935 mm). In this way, we will have:
P 9 = 2 0 40.0935 ( u ) = 2 · 0.386 = 0.772 ,
in the calculation using a value u = 1.21, for a standard deviation:
σ = 0.062/6 = 0.0103 mm.
This means a probability of obtaining surface diameters in the tolerance range of 77.2%, or a risk that 22.8% of the diameters will not fall within the prescribed tolerance range.
3. Alternative A3. This alternative involves using both a device that includes a dial gauge and a go plug gauge to more quickly detect when, by successively removing layers of material from the tubular workpiece, the diameter of the machined surface becomes slightly larger than the minimum prescribed diameter. The new dispersion field will be framed between the minimum size corresponding to the prescription on the mechanical drawing (ϕ40.050) and the maximum size that considers a tolerance field specific to tolerance class 8 (due to dial gauge: 40.050 + 0.39 = 40.089 mm). According to the literature [8], due to the use of a go plug gauge and the tendency of the lathe operator to stop machining as soon as it has reached a size larger than the minimum diameter, there is a certain probability that the diameter of the processed surface is in the prescribed tolerance field. However, we will no longer have a dispersion corresponding to the model constituted by the Gaussian curve. We will now consider a Maxwell–Boltzmann distribution (Figure 3) characterized by a certain degree of asymmetry. The mathematical relation corresponding to a distribution function (probability) of the Maxwell–Boltzmann distribution has the form:
P = 2 π 0 x 2 a e x 2 d x 2 π   . x e x 2 / ( 2 a 2 ) a ,
where a = 1 or a = 2.
As shown in Figure 3, outside the prescribed tolerance range (40.050 mm–40.075 mm) will remain the parts whose diameters of the inner surfaces are in the range 40.075 mm–40.089 mm. Accepting a value α = 2 and using a method of graphically approximating the surface size between the curve corresponding to the Maxwell–Boltzmann distribution and the abscissa axis, it was found that the range 40.075–40.089 will correspond to a percentage of 7.9% of the total area between the curve and the abscissa axis in the range 40.050–40.089, which means that 7.9% of the parts will have dimensions outside the prescribed tolerance range (the hatched area in Figure 3).
Summarizing the above considerations, using the device that includes a dial gauge to increase the machining accuracy, we will have a probability of 77.2% to obtain diameters of the machined surfaces within the prescribed tolerance range. However, if the device includes the dial gauge and a go plug gauge to check the surfaces machined, the probability of obtaining diameters within the prescribed tolerance field reaches 92.1%.
Referring to the second axiom of axiomatic design, it is obvious that for the finishing turning of the inner surface of the bearing bushings, the alternative A3 will be preferred. The alternative A3 uses the dial gauge device and a go plug gauge to check the extent to which the diameter of the machined surface is included in the established tolerance field.
In the case of using the second axiom of the axiomatic design to select the most convenient alternative for the inner finishing of the bearing bushing, the verification of the fulfillment of the sustainability requirements by the finishing turning process takes place only globally, without a distinct highlighting of sustainability requirements. For this reason, a method that considers the sustainability requirements valid for the finishing process by turning the inner cylindrical surface of the bearing bushing will be used later.

3.3. Using Systemic Analysis to Reveal Factors That May Influence Sustainable Manufacturing

To clarify the aspects related to the factors that influence the finishing turning process of the inner surface of the bearing bushing parts and the correlations between the input factors and the output parameters of the process, the method of systemic analysis was used.
It was thus found that as groups of input factors in the process, the following could be considered:
  • Type and properties of the material of the part (workpiece) (hardness, mechanical strength, possibilities of recovery and recycling of the resulting chips, etc.);
  • Geometric characteristics of the workpiece and of the surfaces to be obtained (dimensions, shape, accuracy, roughness, etc.);
  • Characteristics of the machine tool (speed range, feed range, rigidity, vibration damping capacity, etc.);
  • Type and geometric characteristics of the tool (tool type, angles specific to the active area of the tool, etc.);
  • Physical-mechanical properties of the tool material (hardness, mechanical strength, wear resistance, etc.);
  • Turning conditions (cutting depth, feed rate, cutting speed, presence and nature of the coolant–lubrication, degree of pollution generated by the coolant-lubrication, etc.);
  • Human operator (level of qualification, knowledge of environmental protection requirements, etc.).
Disturbing factors are those whose sizes cannot be adjusted by the human operator, but whose uncontrolled variation, especially outside predetermined variation limits, could affect the values of the output parameters of the system related to the finishing of the inner surface of a bearing bushing part. As disturbing factors, the following could be considered:
-
inhomogeneity of the workpiece material;
-
social climate;
-
climate at work;
-
the health state of the operator, etc.
The output parameters of the process could be grouped starting from the sustainability requirements. There will be, as such:
  • Economic parameters (machining cost, machining time, product quality after finishing turning, level of innovation, etc.);
  • Social parameters (working conditions, customer and employee satisfaction, possible training of human operators, etc.);
  • Environmental protection parameters (material waste, energy efficiency, materials recovery, recycling possibilities, noise pollution level, etc.).
By taking into account some of the previous observations, the graphical representation in Figure 4 was made.
Figure 4. Consideration of the process of finishing turning the inner surface of the bearing bushing as a system.

3.4. Use of the AHP Method to Reveal the Weight of the Selected Output Parameters and Establish a Machining Process Taking into Account the Sustainability Requirements

The systemic analysis of the manufacture of bearing bushing parts showed that there are many factors capable of influencing the objectives of a sustainable activity taken into consideration.
To exemplify the use of the analytic hierarchy process method for determining general composite weights for each of the three alternatives for performing final turning of bearing bushing parts, the authors agreed that the number of comparison criteria should not exceed 10. From the criteria used by other researchers for each of the three directions of sustainability assessment [3,4,6,7,31,35], nine such criteria were finally selected, namely:
-
for economic development: manufacturing cost (C1), machining time (C2), product quality (C3), increasing innovation (C4);
-
for social development: decent working conditions (C5), customer and employee satisfaction (C6), training of operators/students (C7);
-
for environmental protection: recycling of materials/waste of materials (C8) and energy efficiency (C9).
An AHP hierarchy valid for the three manufacturing process alternatives can be seen in Figure 5.
Figure 5. AHP hierarchy when selecting a variant for finishing the inner surface of the bearing bushing.
After identifying the criteria used for assessing the alternatives, it is necessary to order the respective criteria by comparing them two by two and using the following evaluation scale: 1-Equal importance; 3-Moderate importance; 5-High importance; 7-Very important; 9-Extremely important. Intermediate values 2, 4, 6, and 8 can also be used. Solving the calculation steps corresponding to using the AHP method is possible by using the free software from the web page http://bpmsg.com/academic/ahp_calc.php (accessed on 20 July 2021) [40].
The results obtained with this software are briefly described below. The software asks the user to decide whether or not the two compared criteria are equally important. Suppose the two criteria are not of equal importance. In that case, the user must specify which criteria are more important, and how many times he considers that this criterion is more important than the criterion with which it is compared. An example of the application of the software for the nine criteria considered is presented in Table 1. In lines 4–39 of the Table, the nine criteria considered were compared two by two. The two compared criteria were included in columns 3 and 6. In columns 8–15, it was specified how many times a criterion (namely the one evidenced by the letter “X” placed in one of columns 2 or 5) is considered to be more important than the one with which it is compared. The situation of the equal importance of the criteria can be highlighted in column 7. The evaluations must be formulated by the user taking into account the proper conditions of application. For example, in line no. 4, it was considered that between criteria C1-Machining cost and C2-Machining time, criterion C1 (Machining cost) is more important, i.e., two times more important than criterion C2 (Machining time). Next, an evaluation of this type is performed for all nine criteria proposed. The criterion considered more important between the two criteria is highlighted by entering the symbol “X” in one of columns 2 or 5 from Table 1.
Table 1. Comparing the criteria two by two and establishing some differentiation scores.
The software allows the determination of several statistical indicators (number of comparisons, consistency ratio CR, principal eigenvalue, eigenvector solution, etc.) whose analysis provides additional information on the analysis performed. Among these indicators, only the consistency ratio (CR) was entered in the penultimate line of Table 1. Acceptable consistency means a CR indicator value of less than 10%. It can be seen that for the comparisons included in Table 1, this condition is met.
In correlation with the information included in Table 1, Table 2 was elaborated. Table 2 corresponds to the decision matrix, and highlights the given weight of each of the nine criteria considered and the place of each criterion in an order based on the previously determined weights. From Table 2, it can be seen that the most important criterion for evaluating an alternative is the quality of the product (criterion C3). Failure to meet the product quality requirement means, in fact, non-acceptance of the product on the market. According to the information in Table 2, the following two criteria in terms of importance are the customer and employee satisfaction (criterion C6) and machining time (criterion C2), respectively. The machining time significantly influences the machining process productivity and, therefore, the machining cost (criterion C1).
Table 2. Decision matrix, weights, and order numbers of the criteria.
The last three places in terms of the importance of the criteria are energy efficiency (criterion C9), increasing innovation (criterion C4), and training of operators (criterion C7).
To write the matrix of normalized relative weights, in the last line of Table 2, the sums of the values entered in each of the columns corresponding to the criteria used were mentioned. The components of the matrix of normalized relative weights (Table 3) are obtained by dividing each element by the amount entered in the last line of Table 2.
Table 3. Matrix of normalized relative weights.
After ordering the criteria based on their importance (weight), it is necessary to compare each of the alternatives with the other two alternatives and use each of the nine evaluation criteria. The results of this comparison are included in Table 3.
The normalized principal Eigenvector w is defined by a column matrix whose elements are obtained by adding the matrix elements in Table 3 along each line, each sum being divided by nine (according to the nine selection criteria used).
w = 1 9 [ 0.10 + 0.21 + 0.06 + 0.14 + 0.05 + 0.09 + 0.13 + 0.14 + 0.14 0.05 + 0.11 + 0.09 + 0.14 + 0.21 + 0.09 + 0.13 + 0.14 + 0.14 0.29 + 0.21 + 0.19 + 0.14 + 0.21 + 0.18 + 0.13 + 0.14 + 0.14 0.05 + 0.05 + 0.09 + 0.07 + 0.05 + 0.09 + 0.13 + 0.04 + 0.04 0.19 + 0.05 + 0.09 + 0.14 + 0.11 + 0.09 + 0.13 + 0.14 + 0.14 0.19 + 0.21 + 0.19 + 0.14 + 0.21 + 0.18 + 0.13 + 0.14 + 0.14 0.05 + 0.05 + 0.09 + 0.04 + 0.05 + 0.09 + 0.06 + 0.04 + 0.04 0.05 + 0.05 + 0.09 + 0.14 + 0.05 + 0.09 + 0.13 + 0.07 + 0.14 0.05 + 0.05 + 0.09 + 0.04 + 0.05 + 0.09 + 0.03 + 0.14 + 0.07 ] = 1 9 [ 1.07 1.11 1.63 0.61 1.09 1.54 0.51 0.82 0.62 ] = [ 0.119 0.123 0.182 0.068 0.121 0.171 0.057 0.092 0.069 ]
Since this vector is a normalized vector, the sum of the elements of the last column matrix must be equal to unity, and this condition is met. Note that in accordance with the values entered in the last column type matrix, we will give criterion C1 a weight of 11.9%, criterion C2 12.3%, criterion C3 18.2%, criterion C4 6.8%, criterion C5 12.1%, criterion C6 17.1%, criterion C7 5.7%, criterion C8 9.2%, and criterion C9 6.8%.
The principal eigenvalue, which will be used to calculate the CI consistency index, is determined as a sum of the products of the elements of the normalized vector and the sums of the elements in each column of the initial matrix:
λmax = 0.119· + 0.123·+ 0.182·+ 0.068·+ 0.121·+ 0.171·+ 0.057·+ 0.092·+ 0.069·= 9.544
The CI consistency index is calculated using the following mathematical relation:
C I = λ m a x n n 1
Taking into account the value λmax = 9.544 previously calculated and the fact that the number of criteria used is n = 9, we obtain:
C I = 9.544 9 9 1 = 0.068
The random consistency index RI value is established from the so-called reciprocal matrix to calculate CR’s consistency ratio [40]. It is found that for n = 9 criteria, RI = 1.45.
We can now calculate the consistency ratio CR, defined as a ratio between the consistency index CI and the consistency ratio CR [40]:
C R = C I C R
Taking into account the values previously determined, we obtain:
C R = 0.068 1.45 = 0.046 = 4.6 %
To have an acceptable consistency of the initial assessments, the value of its CR consistency ratio must be less than 10%. It is found that this requirement is met (4.6% < 10%). Note that the value of the consistency ratio CR determined by using the computer program [40] was entered in the last line of Table 1.
The results of comparing the three alternatives A1, A2, and A3 using the nine criteria (C1, C2, C3, C4, C5, C6, C7, C8, and C9) were listed in Table 4. Based on the results in Table 5, the overall composite weight of each of the three alternatives was calculated. For this purpose, for each of the three alternatives, the products corresponding to the multiplication of the value of the priority vector of each alternative with the weights corresponding to each of the criteria taken into account are added:
PA1 = (19.6·11.9 + 31.1·12.9 + 16.3 · 18.4 + 16.3 · 6.4 + 25.0 · 12.1 + 16.3 · 17.2 + 16.3 ·5.5 + 16.3 · 8.7 + 31.1 · 7.7)/100 = 20.8624
PA2 = (31.1·11.9 + 19.6·12.9 + 29.7 · 18.4 + 29.7 · 6.4 + 25.0 · 12.1 + 29.7 · 17.2 + 29.7 ·5.5 + 29.7 · 8.7 + 19.6 · 7.7)/100 = 27.4157
PA3 = (49.3·11.9 + 49.3.6·12.9 + 54.0 · 18.4 + 54.0 · 6.4 + 50.0 · 12.1 + 54.0 · 17.2 + 54.0 ·5.5 + 54.0 · 8.7 + 49.3 · 7.7)/100 = 52.3219
Table 4. Results of comparing the alternatives two by two for each of the nine criteria.
Table 5. Evaluation of each of the solutions using each of the criteria and the values of the general composite weights.
The values of the general composite weights PA1, PA2, and PA3 allow us to find that the most convex alternative is A3, for which the general composite weight has the value PA3 = 52.3219.
It can be seen that the alternative that provides the most convenient way to finish the inner surface of the bearing bushing is the same as using both the second axiom of the axiomatic design and the AHP method. However, in the latter case, the analysis considered the sustainability issues related to using a particular machining process in more detail. It was appreciated that this more in-depth analysis also highlighted some sustainability issues that should focus on future research to maximize the fulfillment of the sustainability requirements.

4. Conclusions

The problem of evaluating the sustainability of turning technology for finishing the inner surface of a bushing bearing was addressed in the research, whose results were presented in this paper.
For the finishing by turning the inner surface of the bearing bush, three alternatives have been successively proposed to allow the inclusion of the diameter of the inner surface of the bushing bearing in the prescribed tolerance field.
The second axiom of the axiomatic design was used to select the finishing turning alternative with the highest probability of success. It was found that in the case of the first alternative, which could lead to a normal distribution of the diameters of the turned surfaces, the probability of success is 77.2%. In comparison, the use of additional devices to adjust the position of the tool tip and check the diameters of the machined surfaces leads to a probability of success of 92.1%.
To assess the sustainability of the finishing turning alternatives considered, nine criteria applicable to manufacturing processes were selected. The analytical hierarchy process method was used to select the most convenient alternative from the three proposed alternatives, considering these nine evaluation criteria.
It was found that both the use of the second axiom in axiomatic design and the application of the analytical hierarchy process method highlight the advantages of using an alternative of turning to finish the inner surface of the bushing bearing. This involves adjusting the lathe tool tip to the machining dimension using a device with a dial gauge and, respectively, the verification of the machined surface with the help of a go and no-go plug gauge. It was thus concluded that the most sustainable finishing technology corresponds to the above-mentioned alternative.
The limitations of the application of the proposed solution to solve the approached problem can be mentioned. First of all, limitations were introduced by the accuracy of the machining movements of the lathe slides, by the wear of some components of the technological system, and by the conscientiousness of the human operator. An improvement of the results is possible by automating the turning process, which could also involve monitoring the fulfillment of the accuracy requirements in turning to finish the inner surface of the bushing bearing.
In the future, there is the intention to deepen the use of sustainability indicators to select the most reliable machining alternative, both in the case of the bearing bushing type parts and in the case of other categories of parts.

Author Contributions

Conceptualization, A.H. and L.S.; methodology, A.H.; software, O.D.; validation, G.N. and M.C.; formal analysis, M.C.; investigation, M.A.B. and V.E.; writing—original draft preparation, L.S.; writing—review and editing, M.C.; project administration, A.H. All authors have read and agreed to the published version of the manuscript.

Funding

The APC was funded by Axiomatic Design Research Foundation (ADRF), by B.J. Park and the authors.

Institutional Review Board Statement

Not applicable.

Data Availability Statement

The data supporting the reported results in the present study will be available on request from the corresponding author or the first author.

Conflicts of Interest

The authors declare no conflict of interest.

References and Note

  1. United Nations. General Assembly. Resolution Adopted by the General Assembly on 6 July 2017. Available online: http://ggim.un.org/meetings/2017-4th_Mtg_IAEG-SDG-NY/documents/A_RES_71_313.pdf (accessed on 20 July 2021).
  2. Ford, S.; Despeisse, M. Additive manufacturing and sustainability: An exploratory study of the advantages and challenges. J. Clean. Prod. 2016, 137, 1573–1587. [Google Scholar] [CrossRef]
  3. Islam, M. An Assessment and Simulation Methodology of Sustainability in Manufacturing System. Master’s Thesis, University of Minnesota, Minneapolis, MN, USA, June 2018. [Google Scholar]
  4. Lucato, W.C.; Santos, J.C.S.; Pacchini, A.P.T. Measuring the sustainability of a manufacturing process: A conceptual framework. Sustainability 2018, 10, 81. [Google Scholar] [CrossRef] [Green Version]
  5. Usmani, M.S.; Wang, J.; Ahmad, N.; Iqbal, M.; Ahmed, R.I. Mapping green technologies literature published between 1995 and 2019: A scientometric review from the perspective of the manufacturing industry. Environ. Sci. Pollut. 2021, 28, 28848–28864. [Google Scholar] [CrossRef]
  6. Ebrahim, Z.; Ahmad, N.A.; Muhamad, M.R. A Model for Manufacturing Sustainability in Manufacturing Operations. Available online: https://www.ijrte.org/wp-content/uploads/papers/v8i1S5/A00100681S519.pdf (accessed on 20 July 2021).
  7. Jamwal, A.; Agrawal, R.; Sharma, M.; Kumar, V.; Kumar, S. Developing a sustainability frame work for Industry 4.0. Proc. CIRP 2021, 98, 430–435. [Google Scholar] [CrossRef]
  8. Picoş, C. Machine Manufacturing Technology; Editura Didactică şi Pedagogică: Bucharest, Romania, 1974. (In Romanian) [Google Scholar]
  9. Alisin, V.V. Predicting the reliability of friction type bearings with zirconium ceramic bushing. IOP Conf. Ser. Earth Environ. Sci. 2020, 548, 052019. [Google Scholar] [CrossRef]
  10. Slătineanu, L.; Dodun, O.; Nagîţ, G.; Duşa, P.; Coteaţă, M.; Hriţuc, A.; Luca, D.; Carp, I. Using the principles of axiomatic design in the development of bushing manufacturing technology. In Proceedings of the 14th International Conference on Axiomatic Design ICAD 2021, Lisbon, Portugal, 23–25 June 2021. [Google Scholar]
  11. STAS 772-6 1967 Sliding Bearings. Bushes. Typification (Romanian standard; in Romanian).
  12. Tremblay, D.; Gowsy, S.; Riffon, O.; Boucher, J.-F.; Dubé, S.; Villeneuve, C. A Systemic approach for sustainability implementation planning at the local level by SDG target prioritization: The case of Quebec City. Sustainability 2021, 13, 2520. [Google Scholar] [CrossRef]
  13. Castro-Castro, M.L.; Beltrán-Díaz, A.; Vargas-Espítia, A. Systemic analysis of the economic sustainability of family agricultural production units in a peasant community of Lebrija, Colombia. Granja Rev. Cienc. Vida 2021, 34, 141–153. [Google Scholar] [CrossRef]
  14. Stopps, H.; Thorneycroft, C.; Touchie, M.F.; Zimmermann, N.; Hamilton, I.; Kesik, T. High-rise residential building makeovers: Improving renovation quality in the United Kingdom and Canada through systemic analysis. Energy Res. Soc. Sci. 2021, 77, 102085. [Google Scholar] [CrossRef]
  15. Kharazishvili, Y.; Kwilinski, A.; Sukhodolia, O.; Dzwigol, H.; Bobro, D.; Kotowicz, J. The systemic approach for estimating and strategizing energy security: The case of Ukraine. Energies 2021, 14, 2126. [Google Scholar] [CrossRef]
  16. Koasidis, K.; Nikas, A.; Neofytou, H.; Karamaneas, A.; Gambhir, A.; Wachsmuth, J.; Doukas, H. The UK and German low-carbon industry transitions from a sectoral innovation and system failures perspective. Energies 2020, 13, 4994. [Google Scholar] [CrossRef]
  17. Sánchez-García, J.Y.; Ramírez-Gutiérrez, A.G.; Núñez-Ríos, J.E.; Cardoso-Castro, P.P.; Rojas, O.G. Systems thinking approach to sustainable performance in RAMSAR sites. Sustainability 2019, 11, 6469. [Google Scholar] [CrossRef] [Green Version]
  18. Suh, N.P. The Principles of Design; Oxford University Press: Oxford, UK, 1990. [Google Scholar]
  19. Suh, N.P. Axiomatic Design: Advances and Applications; Oxford University Press: New York, NY, USA, 2001. [Google Scholar]
  20. Kulak, O.; Selcuk, C.; Cengiz, K. Applications of axiomatic design principles: A literature review. Expert. Syst. Appl. 2010, 37, 6705–6717. [Google Scholar] [CrossRef]
  21. Cavique, M.; Gonçalves-Coelho, A.M. Axiomatic design and HVAC systems: An efficient design decision-making criterion. Energ. Build. 2009, 41, 146–153. [Google Scholar] [CrossRef]
  22. Fradinho, J.; Mourão, A.; Gabriel-Santos, A.; Gonçalves-Coelho, A. An Axiomatic Design interpretation for the synthesis of dimensional tolerances. Proc. CIRP 2016, 53, 89–94. [Google Scholar] [CrossRef] [Green Version]
  23. Brown, C.A.; Rauch, E. Axiomatic design for creativity, sustainability, and industry 4.0. MATEC Web Conf. 2019, 301, 00016. [Google Scholar] [CrossRef] [Green Version]
  24. Lapinskienė, V.; Motuzienė, V.; Rogoža, A. The assessment of building energy functionality in the integrated building design. Proceedings 2019, 16, 53. [Google Scholar] [CrossRef] [Green Version]
  25. Medini, K.; Wiesner, S.; Poursoltan, M.; Romero, D. Ramping up customer-centric modular design projects: Mobile app development for pandemic relief. Systems 2020, 8, 40. [Google Scholar] [CrossRef]
  26. Sundar, P.S.; Chowdhury, C.; Kamarthi, S. Evaluation of human ear anatomy and functionality by axiomatic design. Biomimetics 2021, 6, 31. [Google Scholar] [CrossRef]
  27. Moran, D.; Ertas, A.; Gulbulak, U. A unique transdisciplinary engineering-based integrated approach for the design of temporary refugee housing using Kano, HOQ/QFD, TRIZ, AD, ISM and DSM Tools. Designs 2021, 5, 31. [Google Scholar] [CrossRef]
  28. Saaty, T.L. The Analytic Hierarchy Process: Planning, Priority Setting, Resource Allocation; McGraw-Hill International Book Co.: New York, NY, USA; London, UK, 1980. [Google Scholar]
  29. Boukhari, S.; Djebbar, Y.; Amarchi, H.; Sohani, A. Application of the analytic hierarchy process to sustainability of water supply and sanitation services: The case of Algeria. Water Sci. Technol. 2018, 18, 1282–1293. [Google Scholar] [CrossRef]
  30. Kumar, R.; Errampalli, M.; Dahiya, A.; Sinha, S. Analytical hierarchy process for assessing sustainability. World J. Sci. Technol. Sustain. Dev. 2015, 12, 281–293. [Google Scholar] [CrossRef]
  31. Kluczek, A. An overall multicriteria approach to sustainability assessment of manufacturing processes. Procedia Manuf. 2017, 8, 136–143. [Google Scholar] [CrossRef]
  32. Li, Z.; Yiqing, Z.; Haiyun, Z. Assessment indicators and methods for developing the sustainability of mining communities. Int J. Sustain. Dev. World 2008, 15, 35S–43S. [Google Scholar] [CrossRef]
  33. Vieira, I.L.; Rangel, L.A.D.; da Silva, E.R.; De Martini Junior, L.C. Evaluation of the socioeconomic and environmental sustainability of banking institutions in Brazil using the Analytic Hierarchy Process with ratings approach. Gestão Produção 2021, 28, e5407. [Google Scholar] [CrossRef]
  34. Ocampo, L.A. Decision modeling for manufacturing sustainability with fuzzy analytic hierarchy process. Glob. Bus. Rev. 2019, 20, 25–41. [Google Scholar] [CrossRef]
  35. Ocampo, L.; Vergara, V.G.; Impas, C.; Tordillo, J.A.; Pastori, J.S. Identifying critical indicators in sustainable manufacturing using analytic hierarchy process (AHP). J. Manuf. Ind. Eng. 2015, 14, 1–8. [Google Scholar] [CrossRef] [Green Version]
  36. Budak, G.; Chen, X.; Celik, S.; Ozturk, B. A systematic approach for assessment of renewable Energy using analytic hierarchy process. Energy Sustain. Soc. 2019, 9, 37. [Google Scholar] [CrossRef] [Green Version]
  37. Shukla, O.J.; Jangid, V.; Siddh, M.M.; Kumar, R.; Soni, G. Evaluating key factors of sustainable manufacturing in Indian automobile industries using Analytic Hierarchy Process (AHP). In Proceedings of the 2017 International Conference on Advances in Mechanical, Industrial, Automation and Management Systems (AMIAMS), Allahabad, India, 3–5 February 2017; pp. 42–47. [Google Scholar] [CrossRef]
  38. Schlickmann, M.N.; Ferreira, J.C.E.; Pereira, A.C. Method for assessing the obsolescence of manufacturing equipment based on the triple bottom line. Production 2020, 30, e20190003. [Google Scholar] [CrossRef]
  39. Komissarov, V.I.; Leontiev, V.I.; Starostin, V.G. Dimensional Adjustment of Universal Cutting Machine Tool; Mashinostroenie: Moscow, Russia, 1968. (In Russian) [Google Scholar]
  40. Goepel, K.D. AHP Priority Calculator. 2019. Available online: http://bpmsg.com/academic/ahp_calc.php (accessed on 20 July 2021).
Publisher’s Note: MDPI stays neutral with regard to jurisdictional claims in published maps and institutional affiliations.

Article Metrics

Citations

Article Access Statistics

Multiple requests from the same IP address are counted as one view.