Single-Wheel Failure Stability Control for Vehicle Equipped with Brake-by-Wire System
Abstract
1. Introduction
2. Vehicle Model and Tire Model
2.1. 7-DOF Vehicle Model
2.2. Tire Model
3. Braking Force Redistribution Strategy
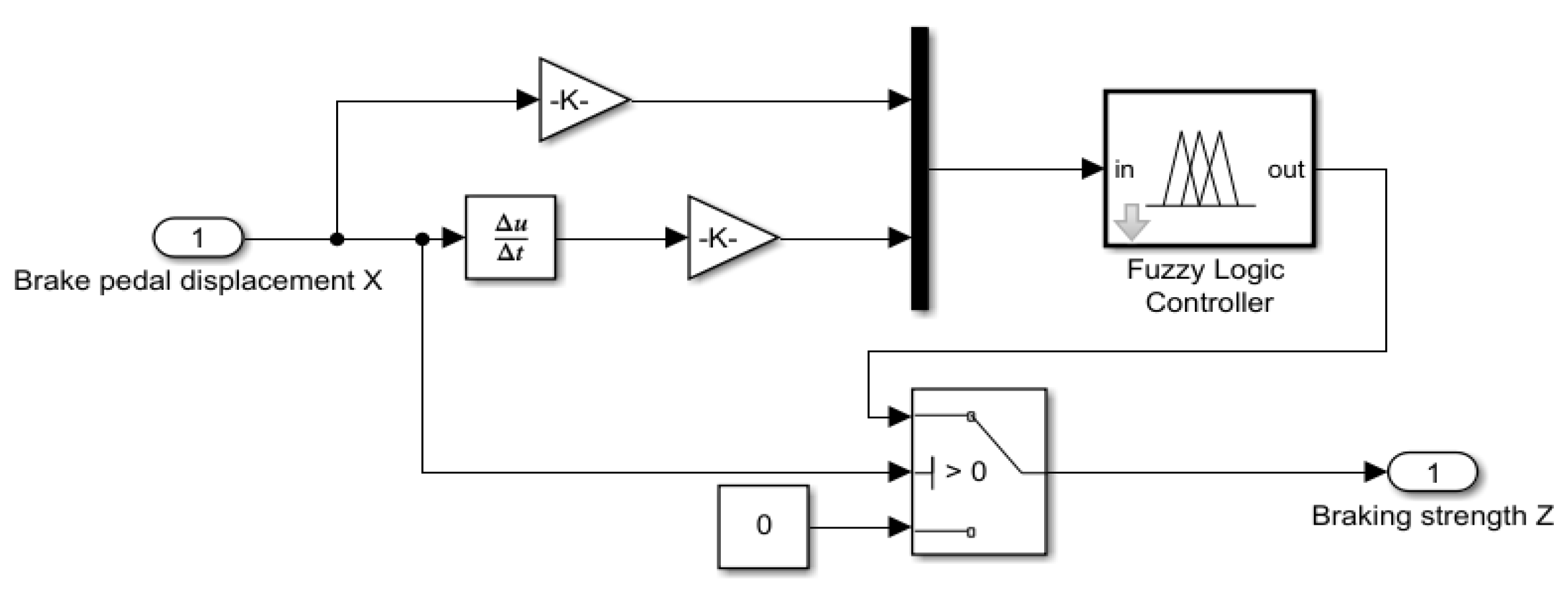
3.1. Braking Intention Recognition
3.2. Ideal Braking Force Distribution
3.3. Initial Distribution of Brake Failure
- (1)
- When the desired braking deceleration rate is low, or the braking failure degree of the wheel is small, the braking force lost by the left front wheel due to brake failure can be compensated by the left rear wheel, at which time the braking force of each wheel is
- (2)
- When the desired braking force is larger, or the braking force failure of the wheels is higher, the braking force lost by the left front wheel due to brake failure cannot be completely compensated by the left rear wheel, and the part that cannot be compensated should be compensated by the right wheels. At the same time, in order to minimize the yaw moment caused by the imbalance of the left and right braking force, the braking force provided by the left rear wheel should reach its limit. The remaining braking force that cannot be compensated should be distributed to the right front wheel and the right rear wheel according to the braking force distribution ratio of the front and rear axles. At this time, the braking force of each wheel is
- (3)
- When the desired braking strength is large, at this time, the three normal wheels have reached the limit of their respective braking force, the braking force lost by the left front wheel due to braking failure cannot be compensated by the three normal wheels, the vehicle cannot reach the driver’s desired braking deceleration, and runaway is more significant. The braking force of each wheel is
4. Yaw Moment Controller
4.1. Reference Model
4.2. Additional Yaw Moment Controller
4.3. Additional Yaw Moment Distribution Strategy
5. Simulation and Analysis
5.1. Light Braking When Driving in a Straight Line with Complete Failure of the Left Front Wheel Brake
5.2. Emergency Braking When Driving in a Straight Line with the Left Front Wheel Brake Failed 30%
5.3. Emergency Braking When Driving in a Straight Line with Complete Failure of the Left Front Wheel Brake
5.4. Light Braking When Driving in Turning with Complete Failure of the Left Front Wheel Brake
6. Conclusions
Author Contributions
Funding
Data Availability Statement
Conflicts of Interest
References
- Mopidevi, S.; Narasipuram, R.P.; Aemalla, S.R.; Rajan, H. E-mobility: Impacts and analysis of future transportation electrification market in economic, renewable energy and infrastructure perspective. Int. J. Powertrains 2022, 11, 264–284. [Google Scholar] [CrossRef]
- Narasipuram, R.P.; Mopidevi, S. A technological overview & design considerations for developing electric vehicle charging stations. J. Energy Storage 2021, 43, 103225. [Google Scholar]
- Xiao, F.; Gong, X.; Lu, Z.; Qian, L.; Zhang, Y.; Wang, L. Design and Control of New Brake-by-Wire Actuator for Vehicle Based on Linear Motor and Lever Mechanism. IEEE Access 2021, 9, 95832–95842. [Google Scholar] [CrossRef]
- Yong, J.; Wang, H.; Dong, J.; Chen, Q.; Zhang, Q. Review on the Research Status and Development Trend of Wire Control Technology. China Auto 2022, 368, 16–22. [Google Scholar]
- Chen, S.; Wang, J.; Zhang, X. Coordinated Control of Braking and Yaw Stability for Vehicle Equipped with Brake-by-Wire System. J. Univ. Jinan (Sci. Technol.) 2020, 34, 371–376+383. [Google Scholar]
- Zuo, B. Research on The KeV Technologies of Controller of Automotive Electromechanical Brake System. Master’s Thesis, Zhejiang University, Hangzhou, China, 2014. [Google Scholar]
- Huang, Y. Study of Brake Force Distribution Method for Brake-by-Wire System. Master’s Thesis, Hunan University, Changsha, China, 2011. [Google Scholar]
- Xia, L. The Study on Distributed Hybrid Braking System Based on EMB. Ph.D. Thesis, Chongqing University, Chongqing, China, 2019. [Google Scholar]
- Liu, Y. Research on Vehicle Stability Control Strategy of The Brake-by-Wire System Brake Failure. Master’s Thesis, Hunan University, Changsha, China, 2017. [Google Scholar]
- Hac, A. Control of Brake- and Steer-by-Wire Systems during Brake Actuator Failure; SAE Technical Paper; SAE: Warrendale, PA, USA, 2006. [Google Scholar]
- Kim, S.; Huh, K. Fault-tolerant braking control with integrated EMBs and regenerative in-wheel motors. Int. J. Automot. Technol. 2016, 17, 923–936. [Google Scholar] [CrossRef]
- Pang, H.; Liu, M.H.; Hu, C.; Liu, N. Practical Nonlinear Model Predictive Controller Design for Trajectory Tracking of Unmanned Vehicles. Electronics 2022, 11, 1110. [Google Scholar] [CrossRef]
- Zhou, X.Y.; Wang, Z.J.; Wang, J.M. Automated Vehicle Path Following: A Non-Quadratic-Lyapunov-Function-Based Model Reference Adaptive Control Approach With e(infinity)-Smooth Projection Modification. IEEE Trans. Intell. Transp. Syst. 2022, 23, 21653–21664. [Google Scholar] [CrossRef]
- Zhao, J.; Li, W.F.; Hu, C.A.; Guo, G.; Xie, Z.C.; Wong, P.K. Robust Gain-Scheduling Path Following Control of Autonomous Vehicles Considering Stochastic Network-Induced Delay. IEEE Trans. Intell. Transp. Syst. 2022, 23, 23324–23333. [Google Scholar] [CrossRef]
- Ji, I.P.; Jeon, K.; Choi, S. Design of fail-safe controller for brake-by-wire systems using optimal braking force distribution. In Proceedings of the Electric Vehicle Symposium & Exhibition, Barcelona, Spain, 17–20 November 2014. [Google Scholar]
- Xia, P. Research on Fault Tolerant Control for Brake Execution System of Electromechanical Brake Vehicle. Master’s Thesis, Jilin University, Changchun, China, 2012. [Google Scholar]
- Wang, M. Fault Diagnosis of the Brake-by-Wire Actuators Sensors and Coordination Control of Vehicle Stability. Master’s Thesis, Jilin University, Changchun, China, 2013. [Google Scholar]
- Fei, W.; Hong, C.; Cao, D. Nonlinear Coordinated Motion Control of Road Vehicles After a Tire Blowout. IEEE Trans. Control Syst. Technol. 2016, 24, 956–970. [Google Scholar]
- Straky, H.; Kochem, M.; Schmitt, J.; Isermann, R. Influences of braking system faults on vehicle dynamics. IFAC Proc. Vol. 2003, 11, 337–343. [Google Scholar] [CrossRef]
- Sugisaka, M.; Mbaïtiga, Z. Design of PID Fuzzy Controller for Electric Vehicle Brake Control System Based on Parallel Structure of PI Fuzzy and PD Fuzzy. IEEJ Trans. Ind. Appl. 2005, 125, 245–252. [Google Scholar] [CrossRef]
- Li, Q.; Zhang, H.; Shuai, Y.; Chao, G. Single Wheel Failure Stability Control for Four-wheel Independent Drive Electric Vehicles. Control Eng. China 2021, 28, 155–163. [Google Scholar]
- Peng, X.; Wen, K. Control Strategy of Optimal Braking Force Distribution for Vehicle with Brake-by-wire System after Single Wheel Brake Failure. J. Hunan Univ. (Nat. Sci.) 2018, 45, 44–53. [Google Scholar]
- Yang, K.; Dong, D.; Ma, C.; Tian, Z.; Chang, Y.; Wang, G. Stability Control for Electric Vehicles with Four In-Wheel-Motors Based on Sideslip Angle. World Electr. Veh. J. 2021, 12, 42. [Google Scholar] [CrossRef]
- Ou, J.; Yan, D.; Zhang, Y.; Yang, E.; Huang, D. Research on the Stability Control Strategy of Distributed Electric Vehicles Based on Cooperative Reconfiguration Allocation. World Electr. Veh. J. 2023, 14, 31. [Google Scholar] [CrossRef]
- Yang, H.; Ji, F.; Yang, S. Research of Braking Energy Recovery System Based on Simulink-Cruise Combined Simulation. Control Eng. China 2018, 25, 1086–1090. [Google Scholar]
- Zhang, G. Matching and Simulation Analysis of the Braking System. Master’s Thesis, Beijing Institute of Technology, Beijing, China, 2016. [Google Scholar]
- Cheng, J.; Zheng, K.; Qin, J.; Wu, X. Functional safety analysis and application design of EMB system for intelligent vehicles. J. Automot. Saf. Energy 2023, 14, 69–79. [Google Scholar]
- Li, B.Y.; Du, H.P.; Li, W.H. Fault-tolerant control of electric vehicles with in-wheel motors using actuator-grouping sliding mode controllers. Mech. Syst. Signal Proc. 2016, 72–73, 462–485. [Google Scholar] [CrossRef]
- Song, C.X.; Xiao, F.; Song, S.X.; Li, S.K.; Li, J.H.; Ieee. Stability Control of 4WD Electric Vehicle with In Wheel-Motors Based on Sliding Mode Control. In Proceedings of the IEEE Proceedings Sixth Int Conference Intelligent Control Inform Processing, Wuhan, China, 26–28 November 2015; pp. 251–257. [Google Scholar]
- Zhang, D.; Liu, G.H.; Zhou, H.W.; Zhao, W.X. Adaptive Sliding Mode Fault-Tolerant Coordination Control for Four-Wheel Independently Driven Electric Vehicles. IEEE Trans. Ind. Electron. 2018, 65, 9090–9100. [Google Scholar] [CrossRef]








| Vehicle Parameters | Value |
|---|---|
| Vehicle weight (/kg) | 1651 |
| Distance from front axle to center of mass (/m) | 1.595 |
| Distance from rear axle to center of mass (/m) | 1.365 |
| )) | 1536.7 |
| Wheel pitch (/m) | 1.675 |
| Wheel radius (R/m) | 0.31 |
| /m) | 0.5718 |
| )) | 107,610 |
| )) | 74,520 |
| /m) | 0.16 |
| Road adhesion coefficient () | 0.8 |
Disclaimer/Publisher’s Note: The statements, opinions and data contained in all publications are solely those of the individual author(s) and contributor(s) and not of MDPI and/or the editor(s). MDPI and/or the editor(s) disclaim responsibility for any injury to people or property resulting from any ideas, methods, instructions or products referred to in the content. |
© 2023 by the authors. Licensee MDPI, Basel, Switzerland. This article is an open access article distributed under the terms and conditions of the Creative Commons Attribution (CC BY) license (https://creativecommons.org/licenses/by/4.0/).
Share and Cite
Zhou, J.; Di, Y.; Miao, X. Single-Wheel Failure Stability Control for Vehicle Equipped with Brake-by-Wire System. World Electr. Veh. J. 2023, 14, 177. https://doi.org/10.3390/wevj14070177
Zhou J, Di Y, Miao X. Single-Wheel Failure Stability Control for Vehicle Equipped with Brake-by-Wire System. World Electric Vehicle Journal. 2023; 14(7):177. https://doi.org/10.3390/wevj14070177
Chicago/Turabian StyleZhou, Jian, Yage Di, and Xuelong Miao. 2023. "Single-Wheel Failure Stability Control for Vehicle Equipped with Brake-by-Wire System" World Electric Vehicle Journal 14, no. 7: 177. https://doi.org/10.3390/wevj14070177
APA StyleZhou, J., Di, Y., & Miao, X. (2023). Single-Wheel Failure Stability Control for Vehicle Equipped with Brake-by-Wire System. World Electric Vehicle Journal, 14(7), 177. https://doi.org/10.3390/wevj14070177
