Reader–Tag Commands via Modulation Cutoff Intervals in RFID Systems †
Abstract
:1. Introduction
- Replacing the CW detection circuit from the RF frontend to the digital part of the tag’s IC, namely, the digital baseband modulation termination (DBMT) circuit. This objective eases the fabrication process of the tag’s IC and reduces the power consumption of the previously current-driven and “power-hungry” operational amplifiers.
- Enabling not only the detection of CW cutoffs but also the periods of such cutoffs. This objective utilizes the DBMT circuit to provide multiple flags, and each flag indicates a specific period of the CW cutoff.
2. Background and Motivation
- No modification to the RF interface of the tag.
- DBMT is digital and part of the logic module of the tag IC.
- DBMT provides a prompt and uniform interpretation of the CW cutoff or reduction, regardless of orientation/distance to the reader.
- DBMT enables the tag to interpret the CW cutoff and the period of this cutoff independently of the received power from the reader.
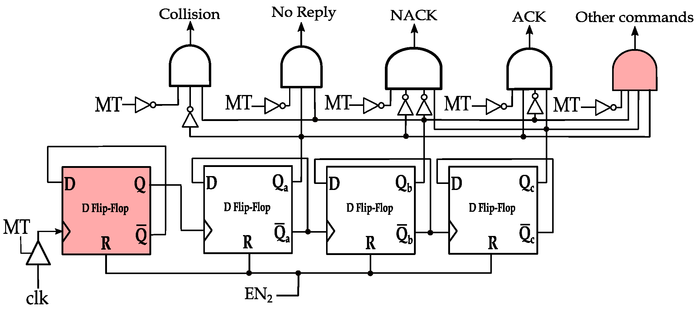
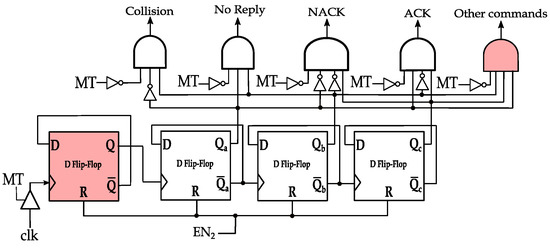
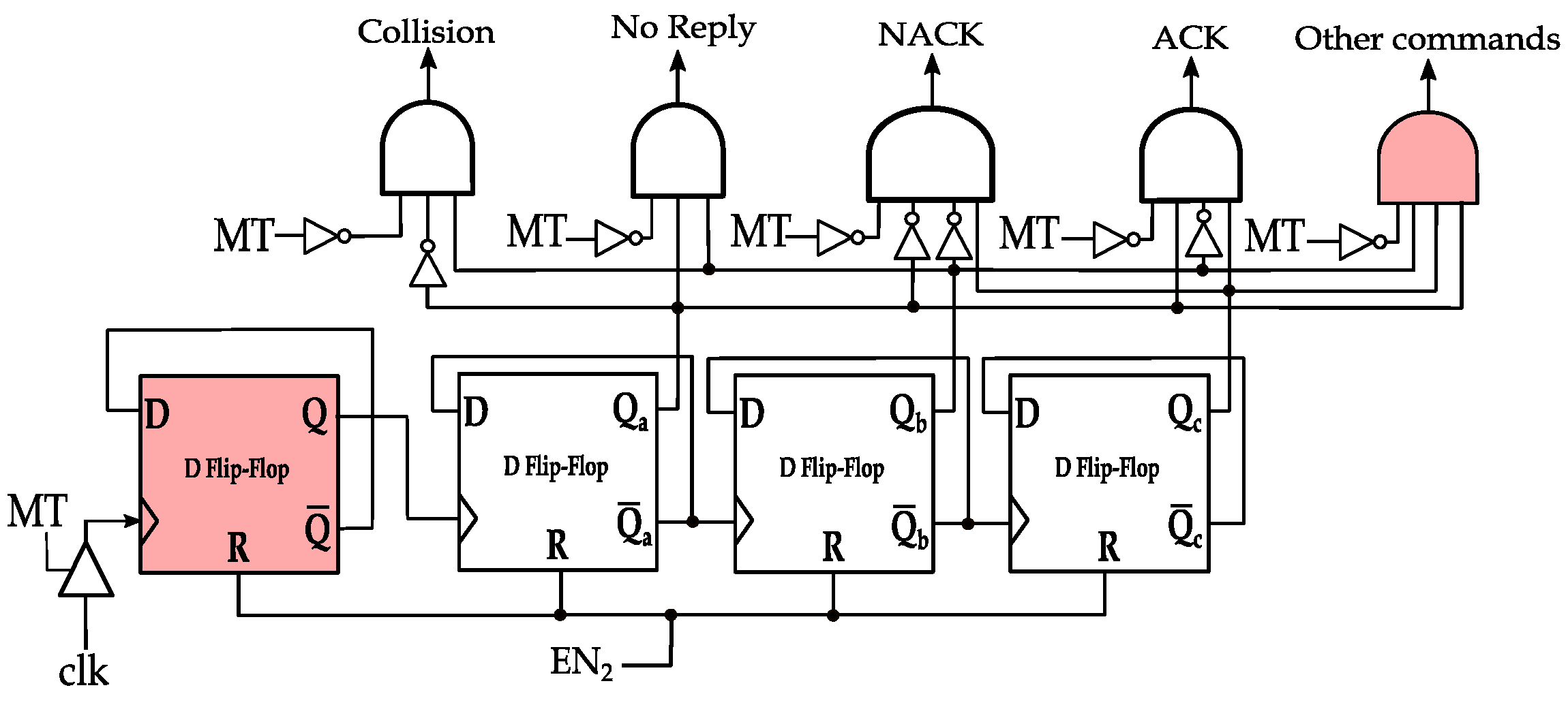
3. Digital Baseband Modulation Termination
3.1. DBMT Design
3.2. DBMT Operation
4. Modulation Cutoff Intervals Process
4.1. Anti-Collision Protocols
4.2. Counting Protocols
- If the preamble (a standardized bit pattern that is sent by the tags before sending their data) is received error-free in a given slot, the reader stops its CW for seven clock cycles to indicate a single slot.
- If the preamble is received incorrectly, the reader stops its CW for nine clock cycles to indicate a collision slot.
- Finally, if the time gap in the standard passed with no tags replying, the reader stops its CW for eleven clock cycles to indicate an empty slot.
5. Performance Evaluation
5.1. Anti-Collision Protocols
5.2. Counting Protocols
6. Conclusions
Author Contributions
Funding
Institutional Review Board Statement
Informed Consent Statement
Data Availability Statement
Conflicts of Interest
References
- Jiang, Z.; Li, B.; Yang, M.; Yan, Z. LC-DFSA: Low Complexity Dynamic Frame Slotted Aloha Anti-Collision Algorithm for RFID System. Sensors 2020, 20, 228. [Google Scholar] [CrossRef] [Green Version]
- Su, J.; Sheng, Z.; Hong, D.; Leung, V.C.M. An efficient sub-frame based tag identification algorithm for UHF RFID systems. In Proceedings of the 2016 IEEE International Conference on Communications (ICC), Kuala Lumpur, Malaysia, 22–27 May 2016; pp. 1–6. [Google Scholar] [CrossRef]
- Oliveira, L.; Rodrigues, J.J.P.C.; Kozlov, S.A.; Rabêlo, R.A.L.; de Albuquerque, V.H.C. MAC Layer Protocols for Internet of Things: A Survey. Future Internet 2019, 11, 16. [Google Scholar] [CrossRef] [Green Version]
- Zhang, L.; Xiang, W. An energy- and time-efficient M-ary detecting tree RFID MAC protocol. In Proceedings of the 2015 IEEE International Conference on Communications (ICC), London, UK, 8–12 June 2015; pp. 2882–2887. [Google Scholar] [CrossRef]
- Zhang, J.; Wang, X.; Yu, Z.; Lyu, Y.; Mao, S.; Periaswamy, S.C.; Patton, J.; Wang, X. Robust RFID Based 6-DoF Localization for Unmanned Aerial Vehicles. IEEE Access 2019, 7, 77348–77361. [Google Scholar] [CrossRef]
- Zhao, R.; Zhang, Q.; Li, D.; Chen, H.; Wang, D. PRTS: A Passive RFID Real-Time Tracking System under the Conditions of Sparse Measurements. IEEE Sens. J. 2018, 18, 2097–2106. [Google Scholar] [CrossRef]
- Li, J.; Feng, G.; Wei, W.; Luo, C.; Cheng, L.; Wang, H.; Song, H.; Ming, Z. PSOTrack: A RFID-Based System for Random Moving Objects Tracking in Unconstrained Indoor Environment. IEEE Internet Things J. 2018, 5, 4632–4641. [Google Scholar] [CrossRef]
- Alma’aitah, A.Y.; Eslim, L.M.; Hassanein, H.S. Tag Localization with Asynchronous Inertial-Based Shifting and Trilateration. Sensors 2019, 19, 5204. [Google Scholar] [CrossRef] [PubMed] [Green Version]
- Dobkin, D. The RF in RFID: Passive UHF RFID in Practice; Newnes: Newton, MA, USA, 2007. [Google Scholar]
- Boyer, C.; Roy, S. Communication and RFID: Coding, Energy, and MIMO Analysis. IEEE Trans. Commun. 2014, 62, 770–785. [Google Scholar] [CrossRef]
- Chakraborty, R.; Roy, S.; Jandhyala, V. Revisiting RFID Link Budgets for Technology Scaling: Range Maximization of RFID Tags. IEEE Trans. Microw. Theory Tech. 2011, 59, 496–503. [Google Scholar] [CrossRef] [Green Version]
- Alma’aitah, A.; Hassanein, H.S.; Ibnkahla, M. Tag Modulation Silencing: Design and Application in RFID Anti-Collision Protocols. IEEE Trans. Commun. 2014, 62, 4068–4079. [Google Scholar] [CrossRef]
- Alma’aitah, A.Y.; Hassanein, H.S.; Ibnkahla, M. Rapid tag collision resolution using enhanced continuous wave absence detection. In Proceedings of the 38th Annual IEEE Conference on Local Computer Networks—Workshops, Sydney, Australia, 21–24 October 2013; pp. 861–867. [Google Scholar] [CrossRef]
- Klair, D.K.; Chin, K.; Raad, R. A Survey and Tutorial of RFID Anti-Collision Protocols. IEEE Commun. Surv. Tutor. 2010, 12, 400–421. [Google Scholar] [CrossRef] [Green Version]
- Cole, P. Fundamentals in Radio Frequency Identification; Technical Report; Auto-ID Res. Lab.: Adelaide, Australia.
- EPC Radio-Frequency Identification Protocols Class-1 Gen-2 UHF RFID Protocol for Communications at 860 MHz–960 MHz, EPCglobal Std. Rev. 1.2.0. October 2008. Available online: https://www.gs1.org/sites/default/files/docs/epc/Gen2_Protocol_Standard.pdf (accessed on 15 August 2021).
- Arjona, L.; Landaluce, H.; Perallos, A.; Onieva, E. Dynamic Frame Update Policy for UHF RFID Sensor Tag Collisions. Sensors 2020, 20, 2696. [Google Scholar] [CrossRef] [PubMed]
- Xie, L.; Sheng, B.; Tan, C.C.; Han, H.; Li, Q.; Chen, D. Efficient Tag Identification in Mobile RFID Systems. In Proceedings of the 2010 Proceedings IEEE INFOCOM, San Diego, CA, USA, 14–19 March 2010; pp. 1–9. [Google Scholar] [CrossRef] [Green Version]
- Chen, Y.-H.; Chen, Y.-A.; Huang, S.-R. A Mobility Aware Binary Tree Algorithm to Resolve RFID Jam and Bottleneck Problems in a Next Generation Specimen Management System. Micromachines 2020, 11, 755. [Google Scholar] [CrossRef] [PubMed]
- Alma’aitah, A.Y.; Hassanein, H.S.; Ibnkahla, M. Efficient and anonymous RFID tag counting and estimation using Modulation Silencing. In Proceedings of the 2012 8th International Wireless Communications and Mobile Computing Conference (IWCMC), Limassol, Cyprus, 27–31 August 2012; pp. 515–520. [Google Scholar] [CrossRef]
- Kodialam, M.; Nandagopal, T. Fast and reliable estimation schemes in RFID systems. In Proceedings of the 12th Annual International Conference on Mobile Computing and Networking, Los Angeles, CA, USA, 23–29 September 2006. [Google Scholar]
- Kodialam, M.; Nandagopal, T.; Lau, W.C. Anonymous Tracking Using RFID Tags. In Proceedings of the IEEE INFOCOM 2007—26th IEEE International Conference on Computer Communications, Anchorage, AK, USA, 6–12 May 2007; pp. 1217–1225. [Google Scholar] [CrossRef]
- Han, H.; Sheng, B.; Tan, C.C.; Li, Q.; Mao, W.; Lu, S. Counting RFID Tags Efficiently and Anonymously. In Proceedings of the 2010 Proceedings IEEE INFOCOM, San Diego, CA, USA, 14–19 March 2010; pp. 1–9. [Google Scholar] [CrossRef]













| Slot Type | Collision | Single | Empty |
|---|---|---|---|
| Standardized slot length [16] | 117.2 | 145.3 | 70 |
| MCI process on standardized slot length | 78 | 87 | 70 |
Publisher’s Note: MDPI stays neutral with regard to jurisdictional claims in published maps and institutional affiliations. |
© 2021 by the authors. Licensee MDPI, Basel, Switzerland. This article is an open access article distributed under the terms and conditions of the Creative Commons Attribution (CC BY) license (https://creativecommons.org/licenses/by/4.0/).
Share and Cite
Alma’aitah, A.Y.; Massad, M.A. Reader–Tag Commands via Modulation Cutoff Intervals in RFID Systems. Future Internet 2021, 13, 235. https://doi.org/10.3390/fi13090235
Alma’aitah AY, Massad MA. Reader–Tag Commands via Modulation Cutoff Intervals in RFID Systems. Future Internet. 2021; 13(9):235. https://doi.org/10.3390/fi13090235
Chicago/Turabian StyleAlma’aitah, Abdallah Y., and Mohammad A. Massad. 2021. "Reader–Tag Commands via Modulation Cutoff Intervals in RFID Systems" Future Internet 13, no. 9: 235. https://doi.org/10.3390/fi13090235
APA StyleAlma’aitah, A. Y., & Massad, M. A. (2021). Reader–Tag Commands via Modulation Cutoff Intervals in RFID Systems. Future Internet, 13(9), 235. https://doi.org/10.3390/fi13090235

