A Variable-Speed and Multi-Condition Bearing Fault Diagnosis Method Based on Adaptive Signal Decomposition and Deep Feature Fusion
Abstract
1. Introduction
2. Theoretical Background
2.1. CPO-Optimized ICEEMDAN-Based Adaptive Nonstationary Signal Decomposition Method
2.1.1. CPO
- (1)
- Population Initialization
- (2)
- Visual Defense Strategy
- (3)
- Acoustic Defense Strategy
- (4)
- Olfactory Defense Strategy
- (5)
- Physical Attack Defense Strategy
2.1.2. ICEEMDAN
- (1)
- Add white noise to the original data sequence
- (2)
- Calculate the first decomposition residual
- (3)
- Obtain the first component by subtracting the first calculated residual from the original signal :
- (4)
- Estimate the second residual as the mean value of a series of and obtain the second component:
- (5)
- The residual of the order modal:
- (6)
- Calculate the order intrinsic mode function
- (7)
- Return to step 5 to calculate .
2.1.3. Selection Criteria for IMF Components
- (1)
- Correlation Coefficient
- (2)
- Variance Contribution Rate
2.2. ResNet18-GRU Parallel Fusion Network
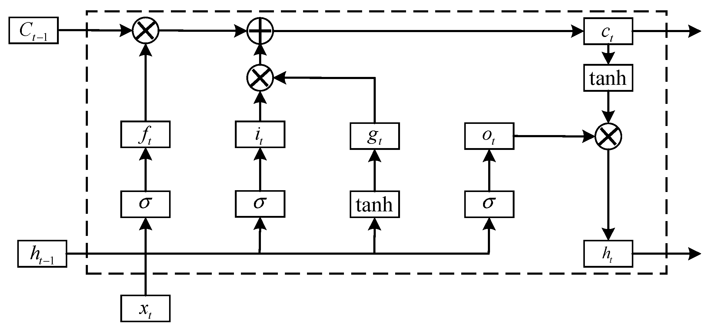
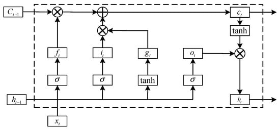
2.2.1. ResNet18 Network Principles
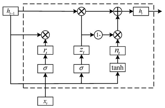
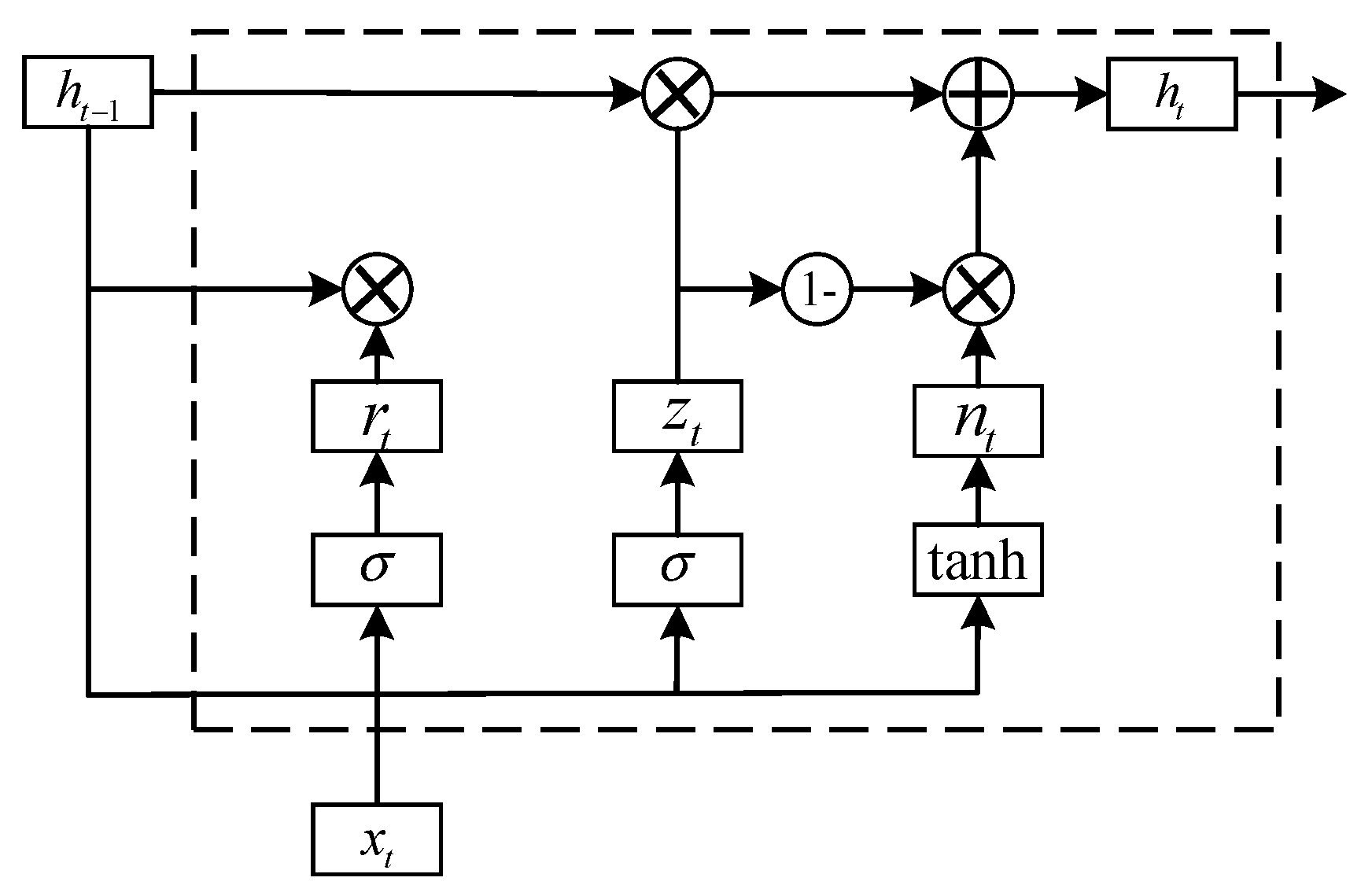
2.2.2. GRU Network Principles
2.2.3. Principles of the SE Attention Mechanism
- (1)
- A feature map is generated through the transformation process. Among them, , the convolution kernel is , and the output is as shown in the formula:
- (2)
- The feature maps from Conv_1 are spatially compressed without changing the channel number. Each 2D feature channel is reduced to a scalar via global average pooling, as shown below:
- (3)
- After obtaining global channel features, excitation is performed using a gating mechanism with two fully connected layers. The first layer with ReLU reduces dimensions and introduces nonlinearity, while the second layer with Sigmoid restores dimensions and produces channel weights, as shown below:
- (4)
- Each channel’s learned weight is multiplied with its corresponding feature map to enhance important features and suppress less relevant ones, as shown below:
3. Fault Diagnosis Model Based on CPO-ICEEMDAN and ResNet18-GRU
3.1. Time-Frequency and Temporal Feature Extraction
3.1.1. Generation of Images via Generalized S-Transform
3.1.2. Time-Domain Feature Extraction
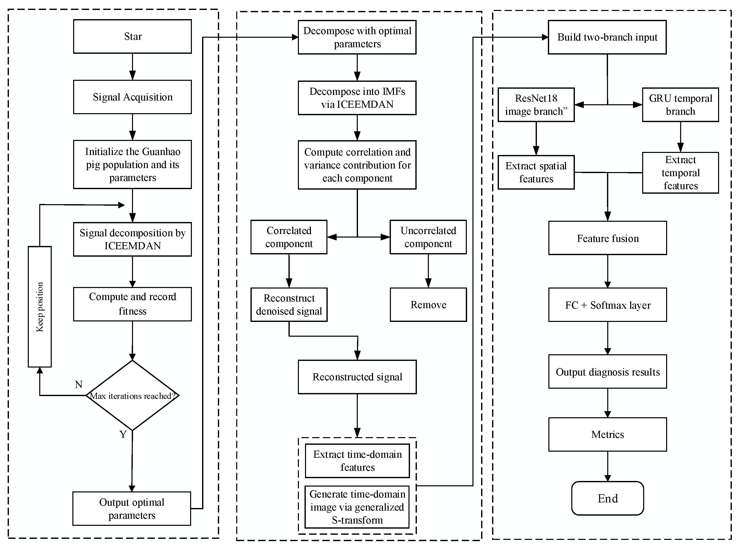
3.2. Fault Diagnosis Model Architecture and Workflow Diagram
- (1)
- Data acquisition: Collect bearing fault signals under varying speed conditions on a simulated test rig, covering multiple conditions.
- (2)
- CPO initialization: Initialize the CPO algorithm by setting population size, maximum iterations, search space dimensions, and related parameters.
- (3)
- ICEEMDAN decomposition using individual parameters: Execute ICEEMDAN decomposition on the raw vibration signal using the parameters corresponding to the current individual (candidate solution) to obtain intrinsic mode function (IMF) components.
- (4)
- Fitness calculation and recording: Evaluate the effectiveness of the current parameter combination by computing the fitness function from the decomposition results, and record the resulting fitness value.
- (5)
- Check maximum iterations: If the maximum iteration number is not reached, return to Step 3 to update individual parameters and continue decomposition; otherwise, output the current optimal parameter combination.
- (6)
- ICEEMDAN decomposition: Apply ICEEMDAN decomposition to the raw signal using the optimized parameters to obtain multiple IMF components.
- (7)
- IMF component selection: Analyze the correlation and variance contribution of each IMF component relative to the original signal, selecting the components containing major fault information and discarding irrelevant components.
- (8)
- Reconstructed denoised signal: Reconstruct the selected relevant IMF components to form a denoised signal with improved quality.
- (9)
- Signal feature extraction: Extraction of Time-Domain Features and Construction of Frequency-Domain Images
- (10)
- Dual-branch input construction: Input the time-domain features and time–frequency images into two parallel branches: a GRU branch for sequential features and a ResNet18 branch for image features.
- (11)
- Spatial feature extraction: Extract spatial features from the time–frequency images using the ResNet18 convolutional neural network.
- (12)
- Sequential dependency feature extraction: Model the time-domain feature sequence using the GRU network to capture temporal dependencies.
- (13)
- Feature fusion: Fusion of time-domain and frequency-domain features
- (14)
- Fully connected + Softmax layer: Pass the fused features through a fully connected layer and a Softmax classification layer to output the probability of each fault category.
- (15)
- Output fault diagnosis results: Determine the bearing fault condition based on the classification probabilities.
- (16)
- Evaluation metrics: Evaluate the diagnosis results by calculating accuracy, recall, F1-score, and other metrics to validate model performance.
- (17)
- End: The fault diagnosis process concludes.
4. Experiments and Results Analysis
4.1. Self-Collected Dataset
4.2. Experimental Results and Analysis of the Self-Collected Dataset
4.2.1. Decomposition and Reconstruction of Bearing Vibration Signals
4.2.2. Experimental Results and Analysis of the Fault Diagnosis Model
4.2.3. Comparison with Other Methods
4.3. Validation Experiments Using a Public Bearing Dataset
5. Conclusions
Author Contributions
Funding
Data Availability Statement
Acknowledgments
Conflicts of Interest
References
- Peng, B.; Bi, Y.; Xue, B.; Zhang, M.; Wan, S. A survey on fault diagnosis of rolling bearings. Algorithms 2022, 15, 347. [Google Scholar] [CrossRef]
- Cerrada, M.; Sánchez, R.V.; Li, C.; Pacheco, F.; Cabrera, D.; de Oliveira, J.V.; Vásquez, R.E. A review on data-driven fault severity assessment in rolling bearings. Mech. Syst. Signal Process. 2018, 99, 169–196. [Google Scholar] [CrossRef]
- He, M.; He, D. Deep learning based approach for bearing fault diagnosis. IEEE Trans. Ind. Appl. 2017, 53, 3057–3065. [Google Scholar] [CrossRef]
- Sun, S.; Xia, X.; Zhou, H. Bearing fault diagnosis under time-varying speeds with limited samples using frequency temporal series graph and graph generative classified adversarial networks. Neurocomputing 2025, 647, 130613. [Google Scholar] [CrossRef]
- Chen, Y.; Yue, J.; Liu, Z.; Chen, J. A semi-supervised wise-attention weighted prototype network for rolling bearing fault diagnosis under noisy and limited labeled data conditions. Neurocomputing 2025, 647, 130563. [Google Scholar] [CrossRef]
- Li, X.; Wang, J.; Wang, J.; Wang, J.; Liu, J.; Chen, J.; Yu, X. Research on CNC Machine Tool Spindle Fault Diagnosis Method Based on Deep Residual Shrinkage Network with Dynamic Convolution and Selective Kernel Attention Model. Algorithms 2025, 18, 569. [Google Scholar] [CrossRef]
- Song, B.; Liu, Y.; Fang, J.; Liu, W.; Zhong, M.; Liu, X. An optimized CNN-BiLSTM network for bearing fault diagnosis under multiple working conditions with limited training samples. Neurocomputing 2024, 574, 127284. [Google Scholar] [CrossRef]
- Zhang, L.; Zhang, Y.; Li, G. Fault-diagnosis method for rotating machinery based on SVMD entropy and machine learning. Algorithms 2023, 16, 304. [Google Scholar] [CrossRef]
- Chen, Y.; Zhang, T.; Zhao, W.; Luo, Z.; Sun, K. Fault diagnosis of rolling bearing using multiscale amplitude-aware permutation entropy and random forest. Algorithms 2019, 12, 184. [Google Scholar] [CrossRef]
- Bang, J.; Di Marco, P.; Shin, H.; Park, P. Deep Transfer Learning-Based Fault Diagnosis Using Wavelet Transform for Limited Data. Appl. Sci. 2022, 12, 7450. [Google Scholar] [CrossRef]
- Meng, D.; Wang, H.; Yang, S.; Lv, Z.; Hu, Z.; Wang, Z. Fault Analysis of Wind Power Rolling Bearing Based on EMD Feature Extraction. Comput. Model. Eng. Sci. 2022, 130, 543–558. [Google Scholar] [CrossRef]
- Peng, Y.H. De-Noising by Modified Soft-Thresholding. In Proceedings of the 2000 IEEE Asia-Pacific Conference on Circuits and Systems. Electronic Communication Systems, Tianjin, China, 4–6 December 2000; Volume 3. [Google Scholar]
- Chen, Y.; Wang, Y.; Ma, G.; Wang, Y.; Sun, Y.; He, Y. Weak fault feature extraction of rolling bearings based on improved ensemble noise-reconstructed EMD and adaptive threshold denoising. Mech. Syst. Signal Process. 2022, 171, 108834. [Google Scholar] [CrossRef]
- Wu, Z.; Huang, N.E. Ensemble empirical mode decomposition: A noise-assisted data analysis method. Adv. Adapt. Data Anal. 2009, 1, 1–41. [Google Scholar] [CrossRef]
- Puntambekar, R.; Vyas, P.; Thakkar, A.; Patel, D. A survey of machine learning and deep learning methods for vibration-based Bearing fault diagnosis: The need, challenges, and potential future research Directions. Neurocomputing 2025, 659, 131628. [Google Scholar] [CrossRef]
- Colominas, M.A.; Schlotthauer, G.; Torres, M.E. Improved complete ensemble EMD: A suitable tool for biomedical signal processing. Biomed. Signal Process. Control 2014, 14, 19–29. [Google Scholar] [CrossRef]
- Lei, Y.; Liu, Z.; Ouazri, J.; Lin, J. A fault diagnosis method of rolling element bearings based on CEEMDAN. Proc. Inst. Mech. Eng. Part C J. Mech. Eng. Sci. 2017, 231, 1804–1815. [Google Scholar] [CrossRef]
- Li, T.; Yu, M.; Ma, T.; Du, Y.; Dou, S. Fault Diagnosis of Printing Machine Bearings based on Improved Empirical Mode Decomposition and DBO-SVM. J. Imaging Sci. Technol. 2025, 69, 1–14. [Google Scholar] [CrossRef]
- Hou, S.Z.; Guo, W.; Wang, Z.Q.; Liu, Y.T. Deep-learning-based fault type identification using modified CEEMDAN and image augmentation in distribution power grid. IEEE Sens. J. 2021, 22, 1583–1596. [Google Scholar] [CrossRef]
- Lv, Z.; Luo, J.; Li, L.; Jia, X.; Zhou, J.; Wang, Z. Weak fault feature extraction method for RV reducer based on CPO-MNAD and LCPSO-BP neural network. IEEE Sens. J. 2025, 25, 26383–26397. [Google Scholar] [CrossRef]
- Chen, S.; Shi, H.; Luo, L.; Qiu, H.; Chang, L. A Hybrid Fault Diagnosis Framework for High-Voltage Circuit Breakers: NRBO-Optimized ICEEMDAN and CPO-Enhanced CNN-SVM. IEEE Access 2025, 13, 175821–175846. [Google Scholar] [CrossRef]
- Chen, X.; Yang, R.; Xue, Y.; Huang, M.; Ferrero, R.; Wang, Z. Deep transfer learning for bearing fault diagnosis: A systematic review since 2016. IEEE Trans. Instrum. Meas. 2023, 72, 1–21. [Google Scholar] [CrossRef]
- Li, Z.; Liu, F.; Yang, W.; Peng, S.; Zhou, J. A survey of convolutional neural networks: Analysis, applications, and prospects. IEEE Trans. Neural Netw. Learn. Syst. 2021, 33, 6999–7019. [Google Scholar] [CrossRef] [PubMed]
- He, K.; Gkioxari, G.; Dollár, P.; Girshick, R. Mask R-CNN. In Proceedings of the IEEE International Conference on Computer Vision, Venice, Italy, 22–29 October 2017; pp. 2961–2969. [Google Scholar]
- Chua, L.O. CNN: A Paradigm for Complexity; World Scientific: Singapore, 1998. [Google Scholar]
- Kattenborn, T.; Leitloff, J.; Schiefer, F.; Hinz, S. Review on Convolutional Neural Networks (CNN) in vegetation remote sensing. ISPRS J. Photogramm. Remote Sens. 2021, 173, 24–49. [Google Scholar] [CrossRef]
- Liang, H.; Zhao, X. Rolling bearing fault diagnosis based on one-dimensional dilated convolution network with residual connection. IEEE Access 2021, 9, 31078–31091. [Google Scholar] [CrossRef]
- Luo, Z.; Pan, S.; Dong, X.; Zhang, X. Interpretable quadratic convolutional residual neural network for bearing fault diagnosis. J. Braz. Soc. Mech. Sci. Eng. 2025, 47, 158. [Google Scholar] [CrossRef]
- Li, Y.; Gu, X.; Wei, Y. A Deep Learning-Based Method for Bearing Fault Diagnosis with Few-Shot Learning. Sensors 2024, 24, 7516. [Google Scholar] [CrossRef]
- Huang, T.; Zhang, Q.; Tang, X.; Zhao, S.; Lu, X. A novel fault diagnosis method based on CNN and LSTM and its application in fault diagnosis for complex systems. Artif. Intell. Rev. 2022, 55, 1289–1315. [Google Scholar] [CrossRef]
- Lei, X.; Sui, Z. Intelligent fault detection of high voltage line based on the Faster R-CNN. Measurement 2019, 138, 379–385. [Google Scholar] [CrossRef]
- Zaman, W.; Siddique, M.F.; Khan, S.U.; Kim, J.-M. A new dual-input CNN for multimodal fault classification using acoustic emission and vibration signals. Eng. Fail. Anal. 2025, 179, 109787. [Google Scholar] [CrossRef]
- Chen, X.; Zhang, B.; Gao, D. Bearing fault diagnosis base on multi-scale CNN and LSTM model. J. Intell. Manuf. 2021, 32, 971–987. [Google Scholar] [CrossRef]
- Wang, X.; Mao, D.; Li, X. Bearing fault diagnosis based on vibro-acoustic data fusion and 1D-CNN network. Measurement 2021, 173, 108518. [Google Scholar] [CrossRef]
- Han, K.; Wang, W.; Guo, J. Research on a Bearing Fault Diagnosis Method Based on a CNN-LSTM-GRU Model. Machines 2024, 12, 927. [Google Scholar] [CrossRef]
- Siddique, M.F.; Saleem, F.; Umar, M.; Kim, C.H.; Kim, J.-M. A hybrid deep learning approach for bearing fault diagnosis using continuous wavelet transform and attention-enhanced spatiotemporal feature extraction. Sensors 2025, 25, 2712. [Google Scholar] [CrossRef] [PubMed]
- Huang, H.; Baddour, N. Bearing vibration data collected under time-varying rotational speed conditions. Data Brief 2018, 21, 1745–1749. [Google Scholar] [CrossRef] [PubMed]
- Li, S.; Peng, Y.; Shen, Y.; Zhao, S.; Shao, H.; Bin, G.; Guo, Y.; Yang, X.; Fan, C. Rolling bearing fault diagnosis under data imbalance and variable speed based on adaptive clustering weighted oversampling. Reliab. Eng. Syst. Saf. 2024, 244, 109938. [Google Scholar] [CrossRef]





















| Time—Domain Features | Equation | Time—Domain Features | Equation |
|---|---|---|---|
| Mean value | RMS | ||
| Standard deviation | crest factor | ||
| Skewness | Amplitude factor | ||
| Kurtosis | Waveform factor | ||
| Maximum minimum | Impact factor | ||
| Peak-to-peak value | Margin factor |
| Label | Bearing State | Training Set | Sample Set | Frequency |
|---|---|---|---|---|
| 1 | normal (0–5 s) | 420 | 180 | - |
| 2 | inner (0–5 s) | 420 | 180 | 164.74 |
| 3 | outer (0–5 s) | 420 | 180 | 101.44 |
| 4 | roll (0–5 s) | 420 | 180 | 66.29 |
| 5 | mix (0–5 s) | 420 | 180 | 332.47 |
| 6 | normal (0–10 s) | 420 | 180 | - |
| 7 | inner (0–10 s) | 420 | 180 | 164.74 |
| 8 | outer (0–10 s) | 420 | 180 | 101.44 |
| 9 | roll (0–10 s) | 420 | 180 | 66.29 |
| 10 | mix (0–10 s) | 420 | 180 | 332.47 |
| IMF1 | IMF2 | IMF3 | IMF4 | IMF5 |
|---|---|---|---|---|
| 0.51516 | 0.17995 | 0.15227 | 0.1095 | 0.05604 |
| IMF6 | IMF7 | IMF8 | IMF9 | Res |
| 0.05842 | 0.039094 | 0.020231 | 0.0057391 | 0.95947 |
| IMF1 | IMF2 | IMF3 | IMF4 | IMF5 |
|---|---|---|---|---|
| 0.034899 | 0.009299 | 0.0050403 | 0.0040812 | 0.00039066 |
| IMF6 | IMF7 | IMF8 | IMF9 | Res |
| 0.0017265 | 0.00012662 | 6.9926 × 10−6 | 8.7357 × 10−8 | 0.92096 |
| Label | MCC | Kappa | F1 Score | Accuracy |
|---|---|---|---|---|
| Envelope Entropy | 0.902 | 0.904 | 92.85 | 85.56% |
| Sample Entropy | 0.955 | 0.933 | 96.43 | 93.22% |
| Information Entropy | 0.970 | 0.938 | 97.74 | 95.56% |
| Permutation Entropy | 0.998 | 0.992 | 99.78 | 99.7222% |
| Model | ResNet18-GRU | ICEEMDAN-ResNet18-GRU | CPO-ICEEMDAN-ResNet18-GRU |
|---|---|---|---|
| Accuracy | 64.1677% | 87.5% | 99.7222% |
| Model | Parameter Settings | Accuracy |
|---|---|---|
| DBO-SVM | Population size: 22, Iterations: 100 | 92.11% |
| DBN-LSSVM | Learning rate: 0.1, Hidden nodes: 30, Iterations: 2000 | 93.5% |
| MCNN | Training epochs: 30, Learning rate: 0.001, Learning rate decay factor: 0.01 | 95.22% |
| CNN-LSTM | Training epochs: 50, Learning rate: 0.001, Batch size: 64, Regularization: 0.0001 | 98.56% |
| GRU-ResNet18 | Training epochs: 50, Learning rate: 0.0001, Batch size: 64, Regularization: 0.0001 | 99.72% |
| Bearing Health Conditions | Speed Varying Conditions | |||
|---|---|---|---|---|
| Increasing Speed (Hz) | Decreasing Speed (Hz) | Increasing then Decreasing Speed (Hz) | Decreasing then Increasing Speed (Hz) | |
| Healthy | H-A-1 (14.1–23.8) | H-B-1 (28.9–13.7) | H-C-1 (14.7–25.3–21.0) | H-D-1 (24.2–14.8–20.6) |
| H-A-2 (14.1–29.0) | H-B-2 (25.7–11.6) | H-C-2 (14.4–24.0–18.7) | H-D-2 (24.6–14.0–18.6) | |
| H-A-3 (15.2–26.7) | H-B-3 (28.6–13.9) | H-C-3 (15.4–24.0–18.7) | H-D-3 (26.0–16.9–23.2) | |
| Inner race fault | I-A-1 (15.2–26.7) | I-B-1 (24.3–9.9) | I-C-1 (15.1–24.4–18.7) | I-D-1 (25.3–14.8–19.4) |
| I-A-2 (13.0–25.7) | I-B-2 (25.1–13.1) | I-C-2 (14.1–23.5–18.0) | I-D-2 (25.3–15.1–19.8) | |
| I-A-3 (13.5–28.5) | I-B-3 (25.8–12.0) | I-C-3 (14.8–21.7–13.6) | I-D-3 (23.1–15.7–23.6) | |
| Outer race fault | O-A-1 (14.8–27.1) | O-B-1 (24.9–9.8) | O-C-1 (14.0–21.7–14.5) | O-D-1 (26.0–18.9–24.5) |
| O-A-2 (12.9–23.0) | O-B-2 (24.7–10.2) | O-C-2 (14.0–24.5–19.8) | O-D-2 (25.2–14.6–19.5 | |
| O-A-3 (13.3–26.3) | O-B-3 (25.4–10.3) | O-C-3 (14.2–23.4–17.6) | O-D-3 (25.5–15.0–19.6) | |
| Ball fault | B-A-1 (14.3–24.6) | B-B-1 (27.0–11.5) | B-C-1 (16.9–23.7–15.7) | B-D-1 (22.0–14.6–20.9) |
| B-A-2 (13.1–28.4) | B-B-2 (25.4–10.0) | B-C-2 (14.3–23.4–17.8) | B-D-2 (23.5–15.4–22.1) | |
| B-A-3 (13.4–28.0) | B-B-3 (30.6–15.1) | B-C-3 (15.2–22.1–14.6) | B-D-3 (25.5–17.4–23.9) | |
| Compound fault | C-A-1 (13.3–27.8) | C-B-1 (26.8–11.4) | C-C-1 (15.1–21.1–12.3) | C-D-1 (24.3–15.5–21.5) |
| C-A-2 (13.2–28.5) | C-B-2 (27.4–12.0) | C-C-2 (14.9–21.6–13.4) | C-D-2 (23.9–16.1–22.9) | |
| C-A-3 (13.5–28.3) | C-B-3 (27.9–12.5) | C-C-3 (15.1–22.7–15.8) | C-D-3 (23.7–16.5–23.8) | |
Disclaimer/Publisher’s Note: The statements, opinions and data contained in all publications are solely those of the individual author(s) and contributor(s) and not of MDPI and/or the editor(s). MDPI and/or the editor(s) disclaim responsibility for any injury to people or property resulting from any ideas, methods, instructions or products referred to in the content. |
© 2025 by the authors. Licensee MDPI, Basel, Switzerland. This article is an open access article distributed under the terms and conditions of the Creative Commons Attribution (CC BY) license (https://creativecommons.org/licenses/by/4.0/).
Share and Cite
Li, T.; Yu, M.; Ma, T.; Du, Y.; Dou, S. A Variable-Speed and Multi-Condition Bearing Fault Diagnosis Method Based on Adaptive Signal Decomposition and Deep Feature Fusion. Algorithms 2025, 18, 753. https://doi.org/10.3390/a18120753
Li T, Yu M, Ma T, Du Y, Dou S. A Variable-Speed and Multi-Condition Bearing Fault Diagnosis Method Based on Adaptive Signal Decomposition and Deep Feature Fusion. Algorithms. 2025; 18(12):753. https://doi.org/10.3390/a18120753
Chicago/Turabian StyleLi, Ting, Mingyang Yu, Tianyi Ma, Yanping Du, and Shuihai Dou. 2025. "A Variable-Speed and Multi-Condition Bearing Fault Diagnosis Method Based on Adaptive Signal Decomposition and Deep Feature Fusion" Algorithms 18, no. 12: 753. https://doi.org/10.3390/a18120753
APA StyleLi, T., Yu, M., Ma, T., Du, Y., & Dou, S. (2025). A Variable-Speed and Multi-Condition Bearing Fault Diagnosis Method Based on Adaptive Signal Decomposition and Deep Feature Fusion. Algorithms, 18(12), 753. https://doi.org/10.3390/a18120753

