Quenched Flux-Coupling Superconducting Fault Current Limiter Scheme and Its Electromagnetic Design Method
Abstract
:1. Introduction
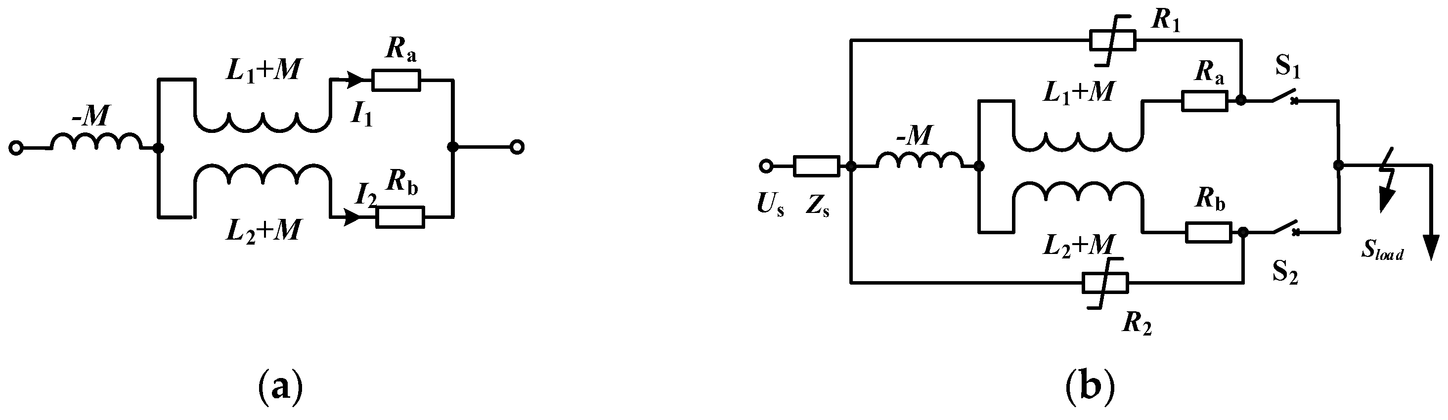
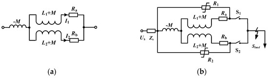
2. Operating Principle and Equivalent Circuit
2.1. Operating Principle of the Quenched FC-SFCL
2.2. Equivalent Circuit Analysis of the Quenched FC-SFCL
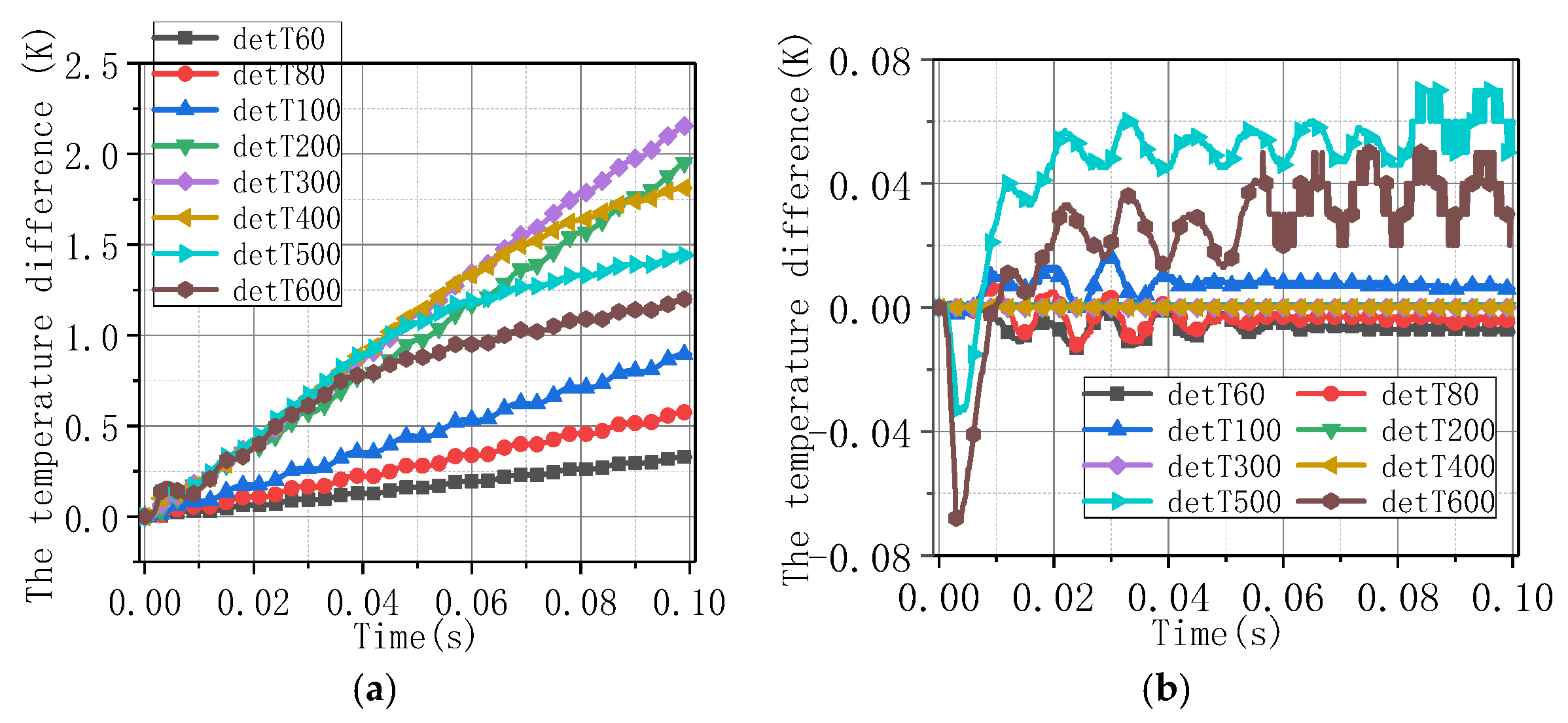
2.3. Current-Limiting Effect Analysis
3. Research on the Simplified Calculation Method of the Number of Parallel Tapes
3.1. Based Models
3.1.1. Electromagnetic Field Equation Model
3.1.2. Heat Transfer Model
3.1.3. Electromagnetic-Thermal Coupling Model
3.2. The Overcurrent Model of Tapes
3.3. The Overcurrent Model of Coils
4. The Electromagnetic Design Method of the Quenched FC-SFCL
5. The Electromagnetic Design Example of the Quenched FC-SFCL
5.1. The Design Example
5.2. Comparison of Quenched and Non-Quenched Schemes
6. Conclusions
- (1)
- Considering that the quench-type parallel inductance can limit the first peak value of the fault current, a quench-type improvement scheme was proposed. The scheme can limit the first peak value of fault current to a certain extent by the quench resistance at the initial stage of the fault. After the parallel inductance is decoupled, the quench resistance and the current-limiting inductance jointly limit the fault current, which improves the current limiting capability of the limiter and reduces the interruption requirements of the circuit breakers.
- (2)
- In order to reduce the design difficulty of the quenched FC-SFCL, a simplified calculation idea of the number of parallel tapes and a design method based on the simplified calculation idea of the parallel inductance were proposed. The idea is to ignore the superconducting characteristics and calculate the impact boundary curve of the tape according to the normal conducting wire. Then the allowable over-current multiples were selected according to the over-current requirements, and the number of parallel tapes of the parallel inductance were determined according to the maximum through-current and allowable over-current multiples. This design method is based on the idea of simplifying the calculation of the number of parallel tapes, which can ignore the influence of magnetic field, simplify the design process, and reduce the design difficulty.
- (3)
- Taking the 10 kV/500 A/5 kA prototype as an example, the electromagnetic design of quenched parallel inductance was completed, and the performance of the two schemes was compared. Compared to the non-quenched structure, the technical economics of the quenched one were more prominent, and it can be used preferentially for engineering prototypes.
Author Contributions
Funding
Institutional Review Board Statement
Informed Consent Statement
Data Availability Statement
Conflicts of Interest
References
- Zhang, G.; Wang, H.; Qiu, Q.; Zhang, Z.; Xiao, L.; Lin, L. Recent progress of superconducting fault current limiter in China. Supercond. Sci. Technol. 2020, 34, 013001. [Google Scholar] [CrossRef]
- Degtyarenko, P.N.; Zheltov, V.V.; Balashov, N.N.; Arkhangelsky, A.Y.; Degtyarenko, A.Y.; Kovalev, K.L. Fault Current Limitation in Electrical Power Networks Containing HTS Cable and HTS Fuse. Materials 2022, 15, 8754. [Google Scholar] [CrossRef] [PubMed]
- Barzegar-Bafrooei, M.R.; Akbari Foroud, A.; Dehghani Ashkezari, J.; Niasati, M. On the advance of SFCL: A comprehensive review. IET Gener. Transm. Dis. 2019, 13, 3745–3759. [Google Scholar] [CrossRef]
- Dai, S.; Ma, T.; Xue, C.; Zhao, L.; Huang, Y.; Hu, L.; Wang, B.; Zhang, T.; Xu, X.; Cai, L.; et al. Development and test of a 220 kV/1.5 kA resistive type superconducting fault current limiter. Phys. C Supercond. Its Appl. 2019, 565, 1253501. [Google Scholar] [CrossRef]
- Leung, E.; Burley, B.; Chitwood, N.; Gurol, H.; Miyata, G.; Morris, D.; Ngyuen, L.; Hea, B.O.; Paganini, D.; Pidcoe, S.; et al. Design and development of a 15 kV, 20 kA HTS fault current limiter. IEEE Trans. Appl. Supercond. 2000, 10, 832–835. [Google Scholar] [CrossRef]
- Xin, Y.; Gong, W.Z.; Hong, H.; Niu, X.Y.; Zhang, J.Y.; Ren, A.R.; Tian, B. Saturated iron-core superconductive fault current limiter developed at Innopower. Am. Inst. Phys. Conf. Ser. 2014, 1573, 1042–1048. [Google Scholar]
- Badakhshan, M.; Mousavi, G.S.M. Flux-lock type of superconducting fault current limiters: A comprehensive review. Phys. C Supercond. Its Appl. 2018, 547, 51–54. [Google Scholar] [CrossRef]
- Chen, L.; Tang, Y.; Li, Z.; Ren, L.; Shi, J.; Cheng, S. Current Limiting Characteristics of a Novel Flux-Coupling Type Superconducting Fault Current Limiter. IEEE Trans. Appl. Supercond. 2010, 20, 1143–1146. [Google Scholar] [CrossRef]
- Li, Z.; Ren, L.; Cai, Z.; Guo, S.; Zheng, H.; Xu, Y.; Song, Z.; Tan, X.; Shi, J.; Tang, Y.; et al. Performance Comparison of Three Types of SFCL in Shipboard MVDC IPS. IEEE Trans. Appl. Supercond. 2021, 31, 5604905. [Google Scholar] [CrossRef]
- Chen, L.; Deng, X.; Ding, M.; Chen, H.; Li, G.; Li, Y.; Qiao, X.; Yin, Y.; Wang, L.; He, H. Investigation of Flux-Coupling-Type SFCLs for Enhancing Interconnectivity of Multiple Microgrid Clusters Under Fault Conditions. IEEE Trans. Appl. Supercond. 2021, 31, 5603407. [Google Scholar] [CrossRef]
- Li, Z.; Liang, S.; Ren, L.; Tan, X.; Xu, Y.; Tang, Y.; Li, J.; Shi, J. Application of Flux-Coupling-Type Superconducting Fault Current Limiter on Shipboard MVDC Integrated Power System. IEEE Trans. Appl. Supercond. 2020, 30, 5601908. [Google Scholar] [CrossRef]
- Yan, S.; Tang, Y.; Ren, L.; Wang, Z.; Zhang, L.; Yang, Z.; Xu, Y.; Zhang, Z. Electromagnetic Design and Performance Analysis of a Flux-Coupling-Type SFCL. IEEE Trans. Appl. Supercond. 2018, 28, 5600305. [Google Scholar] [CrossRef]
- Zhang, L.; Shi, J.; Yan, S.; Ren, L.; Tang, Y. System Application of Flux-Coupling Superconducting Fault Current Limiting Switch. Trans. China Electrotech. Soc. 2018, 33, 5292–5299. [Google Scholar]
- Yan, S.; Ren, L.; Wang, Z.; Yang, Z.; Xu, Y.; Chen, L.; Yu, B.; Tang, Y.; Liang, S. Simulation Analysis and Experimental Tests of a Small-Scale Flux-Coupling Type Superconducting Fault Current Limiter. IEEE Trans. Appl. Supercond. 2017, 27, 5600205. [Google Scholar] [CrossRef]
- Ainslie, M.D.; Rodriguez-Zermeno, V.M.; Hong, Z.; Yuan, W.; Flack, T.J.; Coombs, T.A. An improved FEM model for computing transport AC loss in coils made of RABiTS YBCO coated conductors for electric machines. Supercon. Sci. Technol. 2011, 24, 045005. [Google Scholar] [CrossRef]
- Zhang, M.; Kvitkovic, J.; Pamidi, S.V.; Coombs, T.A. Experimental and numerical study of a YBCO pancake coil with a magnetic substrate. Supercon. Sci. Technol. 2012, 25, 125020. [Google Scholar] [CrossRef]
- Liu, I.S. On Fourier’s law of heat conduction. Continuum Mech. Thermodyn. 1990, 2, 301–305. [Google Scholar] [CrossRef]
- Amemiya, N.; Murasawa, S.-I.; Banno, N.; Miyamoto, K. Numerical modelings of superconducting wires for AC loss calculations. Phys. C Supercond. 1998, 310, 16–29. [Google Scholar] [CrossRef]
- Comsol Multiphysics. Available online: http://cn.comsol.com (accessed on 10 December 2022).
- de Sousa, W.T.B.; Polasek, A.; Dias, R.; Matt, C.F.T.; de Andrade, R. Thermal–electrical analogy for simulations of superconducting fault current limiters. Cryogenics 2014, 62, 97–109. [Google Scholar] [CrossRef]
- Ruuskanen, J.; Stenvall, A.; Lahtinen, V.; van Nugteren, J.; Kirby, G.; Murtomaki, J. How to Computationally Determine the Maximum Stable Operation Current of an HTS Magnet. IEEE Trans. Appl. Supercond. 2019, 29, 4701204. [Google Scholar] [CrossRef]


















| Terms | Parameters |
|---|---|
| Generator | Vn = 10 kV, f = 50 Hz |
| Transmission line | Rl = 0.512 Ω, Ll = 2.384 mH, Cl = 86.6 nF |
| Load | Vn = 10 kV, Pn = 5.0 MW, Qn = 280 kVar |
| Conditions | Wo.L | W.L (the Value of R) | |||
|---|---|---|---|---|---|
| 0 | 0.01 Ω | 0.5 Ω | 1 Ω | ||
| Imax in state 2 (kA) | 7.70 | 7.70 | 7.68 | 6.83 | 6.13 |
| Imax in state 3 (kA) | 7.66 | 4.14 | 4.13 | 4.05 | 3.35 |
| Irms in state 3 (kA) | 5.41 | 2.61 | 2.60 | 2.41 | 2.23 |
| δ% 1st peak current | / | 0.0% | 0.3% | 11.3% | 20.3% |
| δ%max | / | 45.9% | 46.0% | 47.1% | 56.3% |
| δ%rms | / | 51.8% | 51.9% | 55.4% | 58.7% |
| Terms | Non-Quench Type | Quench Type |
|---|---|---|
| Advantages | (1) No quench recovery problem; (2) Cooperate with system automatic reclosing; (3) Large current margin and low loss during rated operation. | (1) Saves tape and reduces cost; (2) Quench resistance can limit the peak value of fault current. |
| Disadvantages | (1) Uses a large number of tapes; (2) Cost is high; (3) Cannot limit the peak value of the fault current. | (1) Has a certain degree of quench recovery problem; (2) Cannot effectively cooperate with system automatic reclosing; (3) Higher refrigeration requirements. |
| Applicable scenarios | Which can effectively remove faults, improve system stability and recovery automatically without limiting the first peak value of fault current | Which needs the limiter respond automatically and limit the first peak value of the fault current and has high technical and economic efficiency |
Disclaimer/Publisher’s Note: The statements, opinions and data contained in all publications are solely those of the individual author(s) and contributor(s) and not of MDPI and/or the editor(s). MDPI and/or the editor(s) disclaim responsibility for any injury to people or property resulting from any ideas, methods, instructions or products referred to in the content. |
© 2023 by the authors. Licensee MDPI, Basel, Switzerland. This article is an open access article distributed under the terms and conditions of the Creative Commons Attribution (CC BY) license (https://creativecommons.org/licenses/by/4.0/).
Share and Cite
Yan, S.; Ren, L.; Zhao, J.; Xu, Y.; Shen, S.; Xiong, Y.; Liu, B.; Xiao, F. Quenched Flux-Coupling Superconducting Fault Current Limiter Scheme and Its Electromagnetic Design Method. Materials 2023, 16, 754. https://doi.org/10.3390/ma16020754
Yan S, Ren L, Zhao J, Xu Y, Shen S, Xiong Y, Liu B, Xiao F. Quenched Flux-Coupling Superconducting Fault Current Limiter Scheme and Its Electromagnetic Design Method. Materials. 2023; 16(2):754. https://doi.org/10.3390/ma16020754
Chicago/Turabian StyleYan, Sinian, Li Ren, Jinghong Zhao, Ying Xu, Shifeng Shen, Yiyong Xiong, Baolong Liu, and Feiran Xiao. 2023. "Quenched Flux-Coupling Superconducting Fault Current Limiter Scheme and Its Electromagnetic Design Method" Materials 16, no. 2: 754. https://doi.org/10.3390/ma16020754
APA StyleYan, S., Ren, L., Zhao, J., Xu, Y., Shen, S., Xiong, Y., Liu, B., & Xiao, F. (2023). Quenched Flux-Coupling Superconducting Fault Current Limiter Scheme and Its Electromagnetic Design Method. Materials, 16(2), 754. https://doi.org/10.3390/ma16020754

