Abstract
This work presents a new approach for studying crack growth resulting from fatigue, which utilizes the plastic contribution of crack-tip opening displacement (CTODp). CTODp is used to predict austenitic stainless-steel crack propagation. Unlike linear elastic fracture mechanics analysis, the method presented here is also helpful for tasks other than small-scale yielding. The approach was based on correlating full-field displacement information with post-processing digital images. This work describes a detailed post-processing protocol that can be used to calculate CTODp. The results for steel compact-tension specimens were especially promising. Of note, there was a linear relationship between the propagation rate of fatigue cracks and the CTODp range.
1. Introduction
Engineers, designers, and researchers from all over the world face constant demand to reduce cost, weight, and emissions in engineering systems. When these systems are put into operation, most of their individual components experience cyclic stress from pressure changes, wind, waves, or vibrations. Consequently, the majority of system failures result from fatigue [1]. When designing elements, damage tolerance methods anticipate that there will be inherent flaws caused by manufacturing practices (e.g., faults in casting, machining, welding, and additive fabrication) [2] and unforeseen loading circumstances, thermal stresses, and fatigue [3]. During operation, these minor flaws can develop into larger cracks, primarily because of fatigue.
Fatigue is localized structural damage that worsens over time and causes liability issues, environmental contamination, and economic disruption [4]. Given that precise estimates of fatigue-crack-growth rates (FCGRs) are essential to defining the interval between maintenance inspections during crack growth, fatigue performance considerations are crucial in the design phase of new components and structures. In the literature, numerous models have been developed to estimate FCGRs based on different loads and material properties [5,6,7]. In this sense, Paris and Erdogan [8] proposed a model that employed a power law to relate the FCGR (da/dN) to the stress intensity factor (SIF) a as follows in Equation (1):
C and m are constants that encompass material and environmental influences. Because there are analytical solutions [9,10,11] for a wide range of geometries, the aforementioned relationship has been exploited extensively. According to the premise that crack growth is controlled by the elastic field surrounding a crack [12], linear elastic fracture mechanics (LEFMs) remain advantageous for analyzing extensive cracks with small-scale yielding [8,13,14,15]. The SIF can also be useful for quantifying stress singularity according to the loading conditions and crack size. Nevertheless, the SIF has some limitations: (i) the process of obtaining da/dN–K relationships is purely empirical and was not developed based on the concepts of physics; and (ii) variable amplitude effects, the load ratio, and inconsistent behavior reported for short cracks cannot be explained [16].
In this sense, unlike crack-tip opening displacement (CTOD), the J-integral and the plastic zone size, which have physical significance and are easily understood, the K lacks of physical meaning because the K units were derived analytically based on the √r singularity. Thus, a number of alternatives have been proposed to avoid the limitations of the SIF, including the notion of crack closure, as suggested by Elber [17]. This proposal, which replaces ∆K with ∆Keff (Equation (2)), slightly modified the Paris Law, which was founded on the assumption that the cycle phase representing the moment when the crack is fully closed should not be considered when estimating the growth rate of fatigue cracks.
Hence, represents the SIF computed as the maximum load minus the opening load. Of note, the crack-closure levels also appear to be dependent on the measuring procedure. Even though closure was incorporated into the evaluation of short cracks [18], the stress state [19], specimen thickness [20,21], and load history [22], there is still some disagreement regarding the best method to determine the closure level. Moreover, some studies have suggested that the impact of crack closure resulting from plasticity is much lower when plane strain states dominate [23]. This strategy was expanded by incorporating the idea of partial crack closure [24,25], as well as other closure mechanisms, such as those produced by viscous fluids [26], phase changes [27], oxides [28], and roughness [29].
In contrast, other authors have suggested alternative methods that consider both the Kmax and ∆K values as shields against crack growth [30,31]. Of note, the four-parameter Christopher–James–Patterson (CJP) and T-stress models used to understand the distribution of stresses in the vicinity of the crack tip [32,33] and the geometry effect [34,35,36,37], respectively, have also been used to investigate the FCGR. However, Ritchie and coworkers drew attention to the fact that the CJP model does not consider the connection between material properties and the FCGR [38].
While crack propagation appears to be an irreversible and non-linear process affecting the material surrounding the crack tip, the SIF range is an elastic and linear parameter. Thus, rather than the SIF itself, many researchers have focused on investigating fatigue crack growth based on the strain and stress fields [31], energy dissipated at the crack tip [39], cyclic plastic strain range [40,41], reversed plastic zone size [42,43], equivalent material concept [44,45], crack-opening displacement [46,47], strain range [48,49,50], and strain intensity factor [51]. In this context, the CTOD and the J-integral appear to be good candidates for including the plasticity effect in FCGR modelling [52].
Hence, Wells [53] initially proposed CTOD to explore the crack extension mechanism. This was further reinforced by the slip-based blunting mechanism, which indicated a clear connection between crack propagation and CTOD [46,54,55]. Subsequently, some authors postulated that the association between da/dN and CTOD is polynomial [56,57], while others suggested that the connection between CTOD and the rate of crack growth is linear [58]. Dong et al. [59] offered a model with a linear association between ∆CTOD and da/dN, while others [52,60] hypothesized a relationship between da/dN and the cyclic J-integral. Regardless, because CTOD is a local parameter, its experimental evaluation seems to be more convenient.
The determination of accumulated plastic strain [61], crack-tip strain fields [62], closure stress [63,64], plastic zone size [65], and effective values of ∆K [65,66,67] are just a few examples of how digital image correlation (DIC) has been successfully applied in the arena of fracture mechanics and fatigue in recent years. Part of the novelty of this present work was that CTOD was extracted from DIC-derived displacement fields from behind the crack tip. Antunes et al. first identified the utility of the range of the plastic CTOD (∆CTODp) [68,69,70] given its strong influence on fatigue-crack-propagation processes. The aforementioned work was based on numerical data for different materials, but they more recently laid out a standard for differentiating between large- and small-scale yielding settings according to the contribution of the total elastic CTOD (CTODe) [71]. Thus, the main purpose of this current research was the elucidation of a new crack-propagation law by experimentally determining ∆CTODp for 316L stainless steel.
2. Materials and Methods
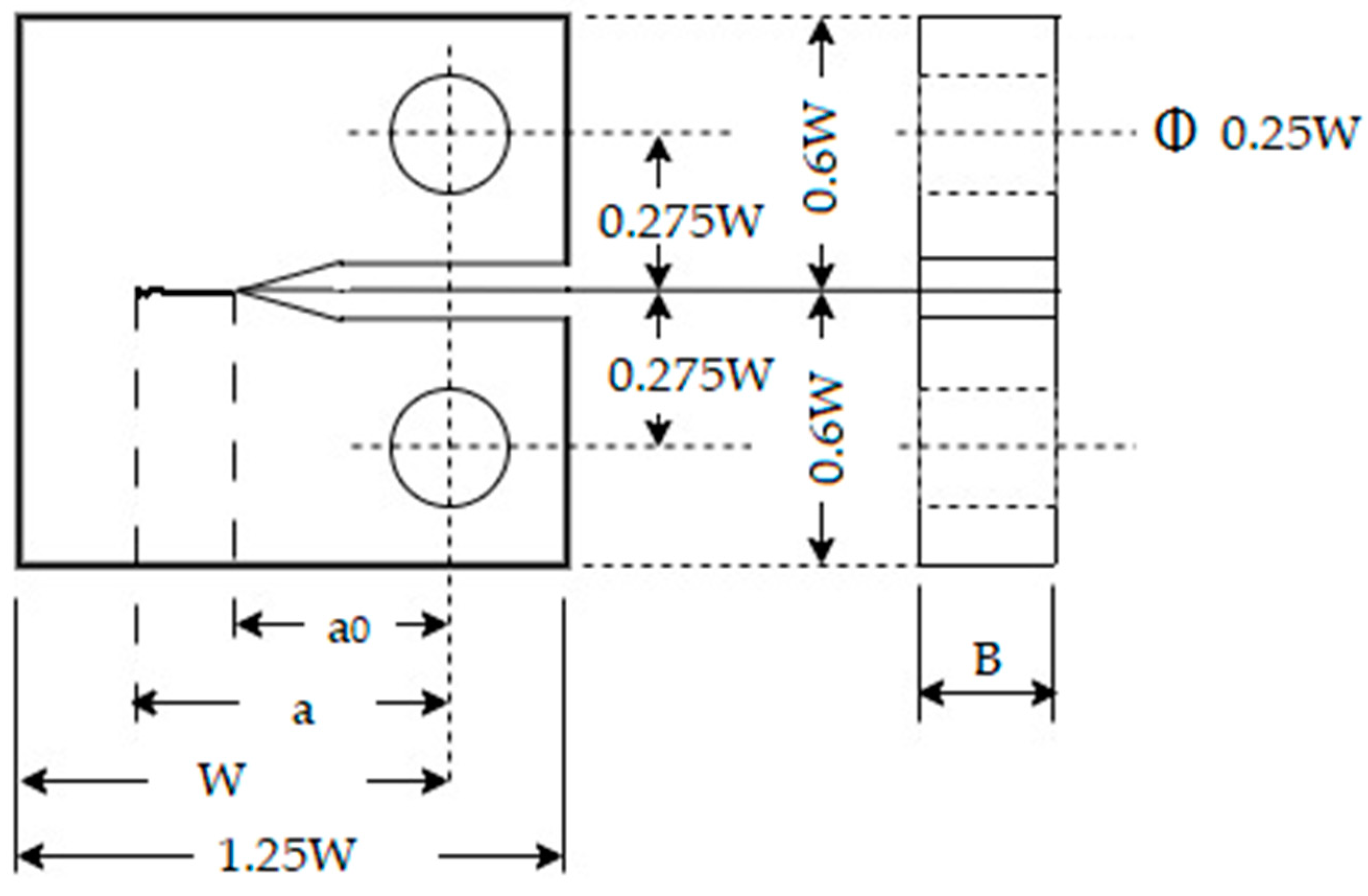
In this current work, 316L stainless steel was used. The Young’s modulus of E of this material is 195 GPa, with an approximate yield stress (σ0) of 304 MPa [64]. This alloy displays remarkable corrosion resistance and high strength and toughness even at subzero temperatures. As a result, it is widely employed in heavy gauge components for the shipbuilding, offshore, piping, transportation, aerospace, and nuclear industries [72]. An ASTM E64713 [73]-compliant compact-tension (CT) geometry-specimen configuration was used to fabricate a 50 mm wide fatigue-crack-growth specimen. All tests were conducted in one testing sample. The details of the geometry are given in Figure 1. Based on the relationship between the thickness and the specimen ligament, the specimen was deemed thick. A thickness of 12 mm, B, was used, with a 0.5 ratio between B and the length of the ligament. Electrical discharge machining (MV 1200-S M800 WIRE EDM, Mitsubishi Electric) was used to create an EDM notch in the CT specimen with a 90° opening angle and a notch-tip radius of about 0.25 mm.
Figure 1.
Schematic of the compact-tension (CT) geometry.
2.1. Description of the Fatigue Tests
The critical stress intensity factor was Kc = 35 MPa [64]. The fatigue-crack-growth experiments were conducted at 20 °C, employing a servo-hydraulic testing system from ESH Testing Ltd. (Brierley Hill, UK). With a loading range of ±10 kN. A total of 200,000 cycles were applied to pre-crack the specimen. Minimum and maximum loads of 0.15 and 2.95 kN, respectively, were used throughout the test. The DIC recording started at 230,792 cycles, with an initial crack length of 36.01 mm. The test finished at 331,273 cycles, with a final crack length of 37.35 mm. Four different fatigue stages were studied, as summarized in Table 1. Figure 2 shows a graphic representation of the experiment. The fatigue testing frequency applied to the specimen was 30 Hz, and the image acquisition required for DIC was carried out at several crack-growth stages. The frequency utilized for the load during image acquisition was substantially lower (1/100 Hz) than that applied for the rest of the experiment.
Table 1.
The change in the displacement of the plastic component of crack-tip opening displacement (ΔCTODp) and fatigue crack growth da/dN data with increasing fatigue cycles.
Figure 2.
The experimental configuration employed in this work [64].
2.2. Digital Image Correlation Technique
Both image acquisition and image correlation processing were performed using LaVision (DAVIS StrainMaster) [74]. A macro lens with a teleconverter was fixed to a 12-bit 4-mega-pixel charge-coupled device (CCD) camera in the experimental optical setup (Figure 2). Even specimen surface lighting was achieved with lens-coupled ring illumination. To create a random texture that would provide enough contrast for the correlation method, the surface was sanded with medium-grit silicon carbide paper. Next, a 10 × 10 mm2 area was scanned with a 0.2 pixel per µm conversion factor. The displacement fields were generated using 32 × 32 pixel interrogation windows with a 75% overlap over the 200 frames captured during each loading cycle. The surface finish quality produced by the grit paper, as well as the distribution of the displacement vectors around the crack, are shown in Figure 3. Some additional details about the DIC technique used in this work can be found in previous publications [75,76].
Figure 3.
Photograph of the propagating crack on the compact-tension geometry specimen. The displacement field is shown as red directional arrows superimposed onto the image. The fatigue crack runs horizontally, growing from the left to right side.
3. Post-Processing Strategy
3.1. Identification of the Displacement of the Crack-Tip Opening
The CTOD range (ΔCTOD) was determined at different positions from the tip by subtracting the vertical displacement data collected below the crack plane (, Figure 4) from the vertical displacement data collected above the crack plane (, Figure 4), as also described in Equation (3) [64]:
where x is the direction of crack growth and y represents the direction of the crack widening, as shown in Figure 2 and Figure 4. The rigid body motion that may have occurred during loading was removed. Any experimental method that can provide full-field displacement information, including DIC [77], Moiré interferometry [78], and electronic speckle-pattern interferometry [66], can be employed to calculate the CTOD following the above description. Furthermore, Equation (3) can determine CTOD in both the scenario depicted in Figure 2 and in the case of a wedge-applied load. The crack-tip position was first identified from the horizontal and vertical displacement maps generated using DIC [79,80].
Figure 4.
Description of data sets collected above the crack plane, , and those collected below the crack plane, , used to compute displacement of the crack-tip opening.
Of note, the distance behind the crack tip used to estimate CTOD also influenced the output values. In this work, CTOD was evaluated 104 µm (20 pixels) from the crack tip (see Figure 4) because, when detecting the crack tip as previously indicated, the pixel pitch of the CCD camera was 5.2 µm after the crack travelled a certain distance. To analyze both the specimen unloading and loading, the crack-opening and crack-closure phases throughout the cycle were studied in this way to determine CTOD in every frame recorded. The CTOD load plot slopes were then used to distinguish and quantify the elastic and plastic contributions to the CTOD.
In addition to studying crack shutting, large- and small-scale yielding at the crack tips and fatigue propagation can also analyzed when tested with biaxial loading conditions by examining the relationship between the conventional plot curve of CTOD and the load. Moreover, this correlation can also be used to rule out elastic deformation, which is only weakly linked to the FCGR [81]. The methodology set out in this work is critical to efficiently investigate the CTOD–load relationship when using DIC-derived full-field displacement data [82]. Original displacement data can be used to create the CTOD versus load curves depicted in Figure 5 but only for CTODp because it produces permanent damage at the crack tip.
Figure 5.
Crack-tip opening displacement versus load curve represented as a schematic, with the identification of characteristic points [83].
Figure 5 depicts the data points retrieved from 2D-DIC as a standard CTOD versus load curve. Given the sensitivity of the technique, DIC identified very minor displacements between points A and B, even though the crack should be totally closed for loads. The increasing load caused opening of the crack at point B, which continued linearly up to point D, the elastic regime limit of the system. Plastic deformation gradually increased between points D and E, peaking at the maximum load. Load reduction causes reverse elastic deformation in line with the loading rate between points E and F. As a result, the maximal permissible deviation between the elastic deformation loading and unloading slopes was 1%. Reverse plastic deformation began after point F, with the crack closing again at point G. Of note, the loads for opening and closing also slightly differed. This property may be associated with events occurring at the closed crack tip and so it would be worth investigating further.
As set out in Figure 6, the minimum and maximum loads employed during the cycle were Fmin and Fmax. In turn, the loads present when the crack opened or closed during loading and unloading, respectively, were FB and FG, with these parameters corresponding to points B and G (Figure 5).
Figure 6.
Parameters for fatigue-crack-growth analysis [83].
These characteristics yielded two interesting crack attributes, Uop and Ucl, as set out in Equations (4) and (5) below.
Crack-opening level:
Crack-closure level:
Finally, was always valid for the CTOD versus load cycle curve.
3.2. Algorithm to Obtain Measurement Parameters
To ensure that the parameters were extracted correctly, a clearly outlined sequence of steps, based on a set of positions on the CTOD versus load cycle plot (Figure 6), must be adhered to. Point Fmin, representing the minimum load, gradually increases to a peak value, Fmax, and then returns to the minimum value. However, depending on the DIC methodology employed, the exact number of points on the CTOD versus load cycle plot may vary.
3.2.1. Determination of Crack Opening and Crack Closure
The levels of crack opening and closing are determined using Equations (4) and (5). Thus, in Figure 7a, the purple and green data points represent CTOD versus load cycle curve loading and unloading, respectively. The extrapolation procedure is represented as a schematic in Figure 7b, which shows the application of loading in a finite number of steps, with crack closing at step 1 and crack opening at step 2. Consequently, the crack opens somewhere between points 1 and 2. To determine the actual opening load, two post-opening positions (points 2 and 3) were used to establish linear extrapolation. However, it is worth noting that this kind of extrapolation is not needed under plain strain conditions where the crack is already open.
Figure 7.
(a) Changes in the data near the crack-opening and crack-closing positions shown through selected plots of loading and unloading; (b) a graphic representation showing the procedure used to extrapolate the loads at which the crack opened and closed [83].
The load at which the crack opened was sometimes unclear because of inherent data variability. This may have resulted from experimental noise derived from the CCD camera signal, lighting settings, the speckled surface of the specimen, or surface warping when under load. This could perhaps be addressed by taking the first of the four successive CTOD values as point 2 when these four values increase after zero (Figure 7b).
3.2.2. The Elastic Regime System Slope (SeU) While Unloading
Next, the slope of the elastic regime system could be identified during the unloading phase (region EF in Figure 8a), where there was no interference from other events, such as crack closure, starting from the maximum cycle load. ‘Correlation coefficient maximization’ was used to determine how many points to consider to characterize the elastic regime slope. In this technique, the least-squares correlation coefficient is calculated, starting with the origin (the point of maximum load) and the second most maximal load point. The correlation coefficient is then recalculated by incorporating the next data point and discarding the origin data point, repeating the process with rolling regression for all the unloading data (Figure 8b). The rolling regression method available from the Python libraries [84] is employed to maximize the correlation coefficient. The rolling regression is a least-squares fitting that is independently applied to a fixed number of data points (or window), and then rolls or moves across the rest of the data set. In this work, the window incorporated four data points. The data that produce the maximum correlation coefficient establish the very last point used to define the linear regime slope (point F, Figure 8).
Figure 8.
(a) Graphic representation demonstrating the application of rolling regression to maximize the point of correlation on the unloading curve. (b) Magnification of the curve in the maximum load. The numbers 1, 2, 3 are showing progressive steps (windows) taken by the rolling regression.
3.2.3. The Ranges of Plastic and Elastic Crack-Tip Opening Displacement during Unloading
Thus, based on the above, CTODe could be calculated by applying Equations (6) and (7), set out below.
In Equation (6), SeU represents the slope in the elastic part and FU signifies the unloading force. The difference between the maximum load (Fmax = FE) and the closing load (FG) was the maximum value of FU, while the plastic CTOD was the elastic values subtracted from the total value.
In FCG analysis, one of the most important factors, CTODp (δp), is zero in the elastic regime and gradually increases as unloading progresses. Thus, unloading provides a convenient way to quantify the elastic and plastic ranges throughout the course of a single cycle, with these being denoted as ∆δe,U and ∆δp,U, respectively. Both ∆δe,U and ∆δp,U can be calculated as illustrated in Figure 6.
3.2.4. Analysis of the Slope during Loading Portion of the Cycle (Se,L)
Subsequently, the slope of the elastic linear section was determined throughout the loading period (section CD, Figure 5), which only begins when the crack is completely open. After opening, given that the maximum permitted variation does not typically exceed 1%, if the slope of the two points significantly differed from SeU, point one was discarded and the next point in the analysis was examined. The operation continued until point SeU ± tol was reached on the slope, with tol representing the tolerance of the slope. Consequently, point C (Figure 5), is the first post-crack-opening data point that satisfies the elastic loading regime-deviation criterion.
3.2.5. Elastic and Plastic Crack-Tip Opening Displacement throughout Loading
The CTODe and CTODp loading contributions were computed based on the loading-phase slope, Se,L, as described in Equation (8).
The elastic and plastic CTOD ranges were as follows in Equations (9) and (10), respectively:
where ∆δe,L is the total CTODe during loading and δC denotes a part of it that depends on where CTOD is measured. In addition, it is worth noting that variation between B and C may be non-linear.
4. Results and Discussion
To facilitate comparisons, five sets of data depicting CTOD in relation to load were collected at five distinct locations behind the crack tip. After considering all of them, a satisfactory compromise 104 µm behind the crack tip was established. This optimized distance was (i) sufficiently close to the crack tip to be sensitive to its mechanics but (ii) not too far away to maintain an acceptable signal-to-noise ratio. For this purpose, several built-in libraries were used to create software in Python (v3.7), and matplotlib packages were used to graphically represent the data retrieved (Figure 9).

Figure 9.
(a) The loading and unloading curves of crack-tip opening displacement (CTOD) plotted against load; (b) the plastic contribution of CTOD (CTODp) plotted against load.
In this present analysis, the CTOD values versus load were acquired at four crack-propagation stages, 104 µm behind the crack tip. First, a data set was collected at 230,792 cycles, with a visible point of inflection (Figure 10a), indicating that contact with the crack was maintained for the first few loading values. CTODp was depicted for both the loading and unloading plots (Figure 10b). At 250,786 cycles, the crack contact data and the cyclic CTODp phase (Figure 11) were nearly identical to those for 230,792 cycles (Figure 10). In turn, the data collected at 290,838 cycles showed a shallower point of inflection (Figure 12), with this being indicative of less crack closure, resulting in larger CTODp values. With more crack progression, the last data set was collected at 331,273 cycles and showed much less crack closure, leading to higher CTODp values (Figure 13).

Figure 10.
(a) Evolution of CTOD versus load at 230,792 cycles, together with the linear fitting for both portions of the cycle (loading and unloading); (b) the plastic contribution of the CTOD based on the information extracted from (a).

Figure 11.
(a) Evolution of CTOD versus load at 250,786 cycles, together with the linear fitting for both portions of the cycle (loading and unloading); (b) the plastic contribution of the CTOD based on the information extracted from (a).

Figure 12.
(a) Evolution of CTOD versus load at 290,838 cycles, together with the linear fitting for both portions of the cycle (loading and unloading); (b) the plastic contribution of the CTOD based on the information extracted from (a).

Figure 13.
(a) Evolution of CTOD versus load at 331,273 cycles, together with the linear fitting for both portions of the cycle (loading and unloading); (b) the plastic contribution of the CTOD based on the information extracted from (a).
In general, changes in the crack-opening load can be attributed to (i) the roughness of the fracture surface, with the effect being greater around the threshold values and tending to diminish with increasing crack length [85]; and (ii) the amount of material remaining at the front of the crack (the less the volume of material present, the lower its ability to compress the crack and keep it closed, meaning that the crack can open with a lower applied force) [86]. In other words, CTODp was significantly affected by the range of the load, especially by crack closure. In a similar manner to the SIF, the use of CTODp is based on its evolution per cycle. Accordingly, the range of CTODp (that is, ΔCTODp) is proposed as the driving force. For each cycle, ΔCTODp is computed as the maximum CTODp measured minus the minimum CTODp measured. The primary results of this study, namely crack propagation across multiple fatigue stages, were based on the analysis of da/dN versus ΔCTODp, as summarized in Table 1 and represented in the scatter plot shown in Figure 14.
Figure 14.
A graphic plot of da/dN versus change in plastic contribution of crack-tip opening displacement (∆CTODp) for the data shown in Table 1. The blue dots represent the experimental points obtained with the new methodology.
It is reasonable to assume that when a fatigue crack grows, CTODp (plastic deformation of the crack tip) also increases. Thus, Python NumPy [84] linear regression was used to fit a model to the data plot, which gave rise to the expression in Equation (11), in which da/dN and ∆CTODp represent mm/cycle and mm, respectively.
The goodness-of-fit of this expression to the experimental data was high, as shown by the linear-model-fitting residual value (R2: 0.993). Furthermore, the linear relationship between da/dN and ∆CTODp was extremely intriguing because it means that the dimensional concerns with standard da/dN–∆K curves can be avoided. The slope of this linear relationship can be viewed as a material attribute, while its variation may rely on the method employed (i.e., the distance behind the crack tip where the measurements are taken or the geometry of the specimen). In this experimental set-up, the specimen thickness used was 12 mm and dominance of the plain strain was assumed. In order to be able to predict the fatigue-crack-growth behavior of 316L stainless steel, more tests are required, and the analysis needs to be extended to more samples, including different thicknesses, different fatigue geometries, and additional crack length ranges. Of note, the aforementioned linear relationship implies that the stress state did not change during the experiment. This work also emphasized the power of applying the DIC approach at the submicron level while still managing to achieve good spatial resolution.
5. Conclusions
This research used a new tool to experimentally investigate crack growth in 316L austenitic stainless steel. This algorithm, written in Python, correlates full-field digital images to isolate the plastic contribution of CTOD to quickly extract characteristic points from CTODp versus load data correlations. Some key data output by this tool are the crack-opening and crack-closure levels, elastic and plastic contributions of CTOD, and loading and unloading curve ranges. Given that crack-tip plasticity was the most significant factor in fatigue crack growth, the relationship between da/dN and ∆CTODp could perhaps be employed to forecast crack growth resulting from fatigue. The new tool is expected to be valid on other metal alloys that are homogeneous and isotropic. Of note, in this work, the relationship between ∆CTODp and the propagation of fatigue cracks in 316L stainless steel was shown to be linear. CTODp was used to derive a crack-propagation law, which naturally incorporated phenomenon, including residual stresses and crack closing, that directly affect crack-tip plasticity. The advantages of using ∆CTODp rather than ∆K are that (i) both FCGRs and CTODs are lengths and so the slope is unitless and can be considered a material property; and (ii) the relationship between CTODp and da/dN is linear, rather than being logarithmic as in the case of da/dN and ∆K.
Author Contributions
Conceptualization, A.S.C. and P.L.-C.; Methodology, M.A., C.L.-C., A.S.C. and P.L.-C.; Software, M.A.; Validation, C.L.-C.; Formal analysis, M.A. and C.L.-C.; Investigation, M.A. and C.L.-C.; Resources, C.L.-C.; Data curation, M.A. and A.S.C.; Writing—original draft, M.A.; Writing—review & editing, C.L.-C., A.S.C. and P.L.-C.; Visualization, M.A. and C.L.-C.; Supervision, A.S.C. and P.L.-C.; Project administration, A.S.C. and P.L.-C.; Funding acquisition, P.L.-C. All authors have read and agreed to the published version of the manuscript.
Funding
This research was funded by the Junta de Andalucía (Spain) FEDER Operational Program through grant number UMA18-FEDERJA-250.
Informed Consent Statement
Not applicable.
Data Availability Statement
Raw data of this article are available upon request from the authors.
Acknowledgments
The authors gratefully acknowledge the industrial support from Jesus Marin Polytechnic Institute and M. Luque-Lama for access to different automotive components, structures, and materials, and also the industrial support from Yanbu Industrial College and M. Rafique for access to different piping and offshore structures and components.
Conflicts of Interest
The authors declare no conflict of interest.
Nomenclature
| Fcl | closure load |
| Fep,L | ela stic–plastic transition load |
| Fmax | maximum load |
| Fmin | minimum load |
| Fop | opening load |
| FU | force applied during unloading |
| Se,L | loading slope (elastic contribution) |
| Se,U | unloading slope (elastic contribution) |
| ∆δe,L, ∆δp,L | range of CTOD elastic and plastic contributions during loading |
| ∆δe,U, ∆δp,U | range of CTOD elastic and plastic contributions during unloading |
| Uop | crack-opening level |
| Ucl | crack-closure level |
References
- Nishida, S. Failure analysis in engineering applications. Mater. Des. 1992, 13, 121. [Google Scholar]
- Burstow, M.C.; Howard, I.C. Damage mechanics models of ductile crack growth in welded specimens. Fatigue Fract. Eng. Mater. Struct. 2000, 23, 691–708. [Google Scholar] [CrossRef]
- Findlay, S.J.; Harrison, N.D. Why aircraft fail. Mater. Today 2002, 5, 18–25. [Google Scholar] [CrossRef]
- Schütz, W. A history of fatigue. Eng. Fract. Mech. 1996, 54, 263–300. [Google Scholar] [CrossRef]
- Newman, J.C.; Phillips, E.P.; Swain, M.H. Fatigue-life prediction methodology using small-crack theory. Int. J. Fatigue 1999, 21, 109–119. [Google Scholar] [CrossRef]
- Correia, J.A.; Blasón, S.; De Jesus, A.M.; Canteli, A.F.; Moreira, P.M.; Tavares, P.J. Fatigue life prediction based on an equivalent initial fl aw size approach and a new normalized fatigue crack growth model. Eng. Fail. Anal. 2016, 69, 15–28. [Google Scholar] [CrossRef]
- Forman, R.G.; Mettu, S.R. Behavior of Surface and Corner Cracks Subjected to Tensile and Bending Loads in Ti-6Al-4V Alloy; NASA: Washington, DC, USA, 1990.
- Paris, P.; Erdogan, F. A critical analysis of crack propagation laws. J. Fluids Eng. 1963, 85, 528–533. [Google Scholar] [CrossRef]
- Murakami, Y. Stress Intensity Factors Handbook; Pergamon Press: Oxford, UK, 1987. [Google Scholar]
- Carpinteri, A. Handbook of Fatigue Crack: Propagation in Metallic Structures; Elsevier: Amsterdam, The Netherlands, 1994. [Google Scholar]
- Tada, H.; Paris, P.C.; Irwin, G.R. The Stress Analysis of Cracks Handbook, 3rd ed.; ASME Press: New York, NY, USA, 2010. [Google Scholar]
- Rice, J.R. Mechanics of crack tip deformation and extension by fatigue. In Fatigue Crack Propagation; ASTM: West Conshohocken, PA, USA, 1967; pp. 247–311. [Google Scholar] [CrossRef]
- Lim, J.-Y.; Hong, S.-G.; Lee, S.-B. Application of local stress–strain approaches in the prediction of fatigue crack initiation life for cyclically non-stabilized and non-Masing steel. Int. J. Fatigue 2005, 27, 1653–1660. [Google Scholar] [CrossRef]
- Correia, J.; Blasón, S.; Arcari, A.; Calvente, M.; Apetre, N.; Moreira, P.; De Jesus, A.; Canteli, A. Modified CCS fatigue crack growth model for the AA2019-T851 based on plasticity-induced crack-closure. Theor. Appl. Fract. Mech. 2016, 85, 26–36. [Google Scholar] [CrossRef]
- Liu, Y.; Mahadevan, S. Probabilistic fatigue life prediction using an equivalent initial flaw size distribution. Int. J. Fatigue 2009, 31, 476–487. [Google Scholar] [CrossRef]
- Antunes, F.V.; Ferreira, M.S.C.; Branco, R.; Prates, P.; Gardin, C.; Sarrazin-Baudoux, C. Fatigue crack growth versus plastic CTOD in the 304L stainless steel. Eng. Fract. Mech. 2019, 214, 487–503. [Google Scholar] [CrossRef]
- Elber, W. The Significance of Fatigue Crack Closure; American Society for Testing and Materials: West Conshohocken, PA, USA, 1971; pp. 230–242. [Google Scholar]
- Rao, K.T.V.; Yu, W.; Ritchie, R.O. On the behavior of small fatigue cracks in commercial aluminum-lithium alloys. Eng. Fract. Mech. 1988, 31, 623–635. [Google Scholar] [CrossRef]
- Blom, A.F.; Holm, D.K. An experimental and numerical study of crack closure. Eng. Fract. Mech. 1985, 22, 997–1011. [Google Scholar] [CrossRef]
- Bao, H.; McEvily, A.J. On plane stress–plane strain interactions in fatigue crack growth. Int. J. Fatigue 1998, 20, 441–448. [Google Scholar] [CrossRef]
- Costa, J.D.M.; Ferreira, J.A.M. Effect of stress ratio and specimen thickness on fatigue crack growth of CK45 steel. Theor. Appl. Fract. Mech. 1998, 30, 65–73. [Google Scholar] [CrossRef]
- Borrego, L.P.; Ferreira, J.M.; Costa, J.M. Fatigue crack growth and crack closure in an AlMgSi alloy. Fatigue Fract. Eng. Mater. Struct. 2001, 24, 255–265. [Google Scholar] [CrossRef]
- Vasudevan, A.K.; Sadananda, K.; Louat, N. Reconsideration of fatigue crack closure. Scr. Metall. Mater. 1992, 27, 1673–1678. [Google Scholar] [CrossRef]
- Donald, K.; Paris, P.C. An evaluation of ΔKeff estimation procedures on 6061-T6 and 2024-T3 aluminum alloys. Int. J. Fatigue 1999, 21, S47–S57. [Google Scholar] [CrossRef]
- Kujawski, D. Enhanced model of partial crack closure for correlation of R-ratio effects in aluminum alloys. Int. J. Fatigue 2001, 23, 95–102. [Google Scholar] [CrossRef]
- Endo, K.; Okada, T.; Komai, K.; Kiyota, M. Fatigue crack propagation of steel in oil. Bull. JSME 1972, 15, 1316–1323. [Google Scholar] [CrossRef]
- Pineau, A.G.; Pelloux, R.M. Influence of strain-induced martensitic transformations on fatigue crack growth rates in stainless steels. Metall. Mater. Trans. B 1974, 5, 1103–1112. [Google Scholar] [CrossRef]
- Suresh, S.; Zamiski, G.F.; Ritchie, D.R.O. Oxide-Induced Crack Closure: An Explanation for Near-Threshold Corrosion Fatigue Crack Growth Behavior. Metall. Mater. Trans. A 1981, 12A, 1435–1443. [Google Scholar] [CrossRef]
- Walker, N.; Beevers, C.J. Fatigue crack closure mechanism in titanium. Fatigue Fract. Eng. Mater. Struct. 1979, 1, 135–148. [Google Scholar] [CrossRef]
- Kujawski, D. A new (ΔK+Kmax)0.5 driving force parameter for crack growth in aluminum alloys. Int. J. Fatigue 2001, 23, 733–740. [Google Scholar] [CrossRef]
- Noroozi, A.H.; Glinka, G.; Lambert, S. A two parameter driving force for fatigue crack growth analysis. Int. J. Fatigue 2005, 27, 1277–1296. [Google Scholar] [CrossRef]
- Christopher, C.J.; James, M.N.; Patterson, E.A.; Tee, K.F. Towards a new model of crack tip stress fields. Int. J. Fract. 2007, 148, 361–371. [Google Scholar] [CrossRef]
- Christopher, C.J.; James, M.N.; Patterson, E.A.; Tee, K.F. A quantitative evaluation of fatigue crack shielding forces using photoelasticity. Eng. Fract. Mech. 2008, 75, 4190–4199. [Google Scholar] [CrossRef]
- Lugo, M.; Daniewicz, S.R. The influence of T-stress on plasticity induced crack closure under plane strain conditions. Int. J. Fatigue 2011, 33, 176–185. [Google Scholar] [CrossRef]
- Larsson, S.G.; Carlsson, A.J. Influence of non-singular stress terms and specimen geometry on small-scale yielding at crack tips in elastic-plastic materials. J. Mech. Phys. Solids 1973, 21, 263–277. [Google Scholar] [CrossRef]
- Miarka, P.; Cruces, A.S.; Seitl, S.; Malíková, L.; Lopez-Crespo, P. Evaluation of the SIF and T-stress values of the Brazilian disc with a central notch by hybrid method. Int. J. Fatigue 2020, 135, 105562. [Google Scholar] [CrossRef]
- Miarka, P.; Cruces, A.S.; Seitl, S.; Malíková, L.; Lopez-Crespo, P. Influence of the constraint effect on the fatigue crack growth rate in S355 J2 steel using digital image correlation. Fatigue Fract. Eng. Mater. Struct. 2020, 43, 1703–1718. [Google Scholar] [CrossRef]
- Hosseini, Z.S.; Dadfarnia, M.; Somerday, B.P.; Sofronis, P.; Ritchie, R.O. On the theoretical modeling of fatigue crack growth. J. Mech. Phys. Solids 2018, 121, 341–362. [Google Scholar] [CrossRef]
- Zheng, X.; Cui, H.; Su, X.; Engler-Pinto, C.C.; Wen, W. Numerical modeling of fatigue crack propagation based on the theory of critical distances. Eng. Fract. Mech. 2013, 114, 151–165. [Google Scholar] [CrossRef]
- Pokluda, J. Dislocation-based model of plasticity and roughness-induced crack closure. Int. J. Fatigue 2013, 46, 35–40. [Google Scholar] [CrossRef]
- Chen, H.; Chen, W.; Li, T.; Ure, J. Effect of circular holes on the ratchet limit and crack tip plastic strain range in a centre cracked plate. Eng. Fract. Mech. 2011, 78, 2310–2324. [Google Scholar] [CrossRef]
- Park, H.B.; Kim, K.M.; Lee, B.W. Plastic zone size in fatigue cracking. Int. J. Press. Vessel. Pip. 1996, 68, 279–285. [Google Scholar] [CrossRef]
- Zhang, J.; He, X.D.; Du, S.Y. Analyses of the fatigue crack propagation process and stress ratio effects using the two parameter method. Int. J. Fatigue 2005, 27, 1314–1318. [Google Scholar] [CrossRef]
- Torabi, A.R.; Alaei, M. Mixed-mode ductile failure analysis of V-notched Al 7075-T6 thin sheets. Eng. Fract. Mech. 2015, 150, 70–95. [Google Scholar] [CrossRef]
- Torabi, A.R.; Keshavarzian, M. Evaluation of the load-carrying capacity of notched ductile plates under mixed mode loading. Theor. Appl. Fract. Mech. 2016, 85, 375–386. [Google Scholar] [CrossRef]
- Pelloux, R.M.N. Crack extension by alternating shear. Eng. Fract. Mech. 1970, 1, 170–174. [Google Scholar] [CrossRef]
- Garrett, G.G.; Knott, J.F. On the influence of cyclic hardening and crack opening displacement (COD) on crack advance during fatigue. Metall. Trans. A 1976, 7, 884–887. [Google Scholar] [CrossRef]
- Glinka, G. A notch stress-strain analysis approach to fatigue crack growth. Eng. Fract. Mech. 1985, 21, 245–261. [Google Scholar] [CrossRef]
- Hafezi, M.H.; Abdullah, N.N.; Correia, J.F.O.; De Jesus, A.M.P. An assessment of a strain-life approach for fatigue crack growth. Int. J. Struct. Integr. 2012, 3, 344–376. [Google Scholar] [CrossRef]
- De Jesus, A.M.P.; Correia, J.A.F.O. Critical Assessment of a Local Strain-Based Fatigue Crack Growth Model Using Experimental Data Available for the P355NL1 Steel. J. Press. Vessel Technol. 2012, 135, 011404. [Google Scholar] [CrossRef]
- Zhang, W.; Liu, H.; Wang, Q.; He, J. A fatigue life prediction method based on strain intensity factor. Materials 2017, 10, 689. [Google Scholar] [CrossRef]
- Shahani, A.R.; Kashani, M.H.; Rastegar, M.; Dehkordi, B.M. A unified model for the fatigue crack growth rate in variable stress ratio. Fatigue Fract. Eng. Mater. Struct. 2009, 32, 105–118. [Google Scholar] [CrossRef]
- Wells, A.A. Unstable Crack Propagation in Metals: Cleavage and Fast Fracture. Proc. Crack Propag. Symp. 1961, 1, 84. [Google Scholar]
- Laird, C.; Smith, G.C. Crack propagation in high stress fatigue. Philos. Mag. 1962, 77, 847–857. [Google Scholar] [CrossRef]
- Laird, C. The influence of metallurgical structure on the mechanisms of fatigue crack propagation. In Fatigue Crack Propagation, ASTM STP NO 415; ASTM: West Conshohocken, PA, USA, 1967; pp. 170–174. [Google Scholar]
- Nicholls, D.J. The relation between crack blunting and fatigue crack growth rates. Fatigue Fract. Eng. Mater. Struct. 1994, 17, 459–467. [Google Scholar] [CrossRef]
- Tvergaard, V. On fatigue crack growth in ductile materials by crack-tip blunting. J. Mech. Phys. Solids 2004, 52, 2149–2166. [Google Scholar] [CrossRef]
- Pippan, R.; Grosinger, W. Fatigue crack closure: From LCF to small scale yielding. Int. J. Fatigue 2013, 46, 41–48. [Google Scholar] [CrossRef]
- Dong, Q.; Yang, P.; Xu, G.; Deng, J. Mechanisms and modeling of low cycle fatigue crack propagation in a pressure vessel steel Q345. Int. J. Fatigue 2016, 89, 2–10. [Google Scholar] [CrossRef]
- Ktari, A.; Baccar, M.; Shah, M.; Haddar, N.; Ayedi, H.F.; Rezai-Aria, F. A crack propagation criterion based on ΔCTOD measured with 2D-digital image correlation technique. Fatigue Fract. Eng. Mater. Struct. 2014, 37, 682–694. [Google Scholar] [CrossRef]
- Deng, J.; Yang, P.; Dong, Q.; Wang, D. Research on CTOD for low-cycle fatigue analysis of central-through cracked plates considering accumulative plastic strain. Eng. Fract. Mech. 2016, 154, 128–139. [Google Scholar] [CrossRef]
- Sutton, M.A.; McNeill, S.R.; Helm, J.D.; Boone, M.L. Measurement of crack tip opening displacement and full-field deformations during fracture of aerospace materials using 2D and 3D image correlation methods. In Iutam Symposium on Advanced Optical Methods and Applications in Solid Mechanics; Springer: Berlin/Heidelberg, Germany, 2000; Volume 82, pp. 571–580. [Google Scholar]
- Nowell, D.; De Matos, P.F.P. Application of digital image correlation to the investigation of crack closure following overloads. Procedia Eng. 2010, 2, 1035–1043. [Google Scholar] [CrossRef]
- Yusof, F.; Lopez-Crespo, P.; Withers, P.J. Effect of overload on crack closure in thick and thin specimens via digital image correlation. Int. J. Fatigue 2013, 56, 17–24. [Google Scholar] [CrossRef]
- Lopez-Crespo, P.; Shterenlikht, A.; Yates, J.R.; Patterson, E.A.; Withers, P.J. Some experimental observations on crack closure and crack-tip plasticity. Fatigue Fract. Eng. Mater. Struct. 2009, 32, 418–429. [Google Scholar] [CrossRef]
- Shterenlikht, A.; Garrido, F.A.D.; Lopez-Crespo, P.; Withers, P.J.; Patterson, E.A. Mixed Mode (KI+KII) Stress Intensity Factor Measurement by Electronic Speckle Pattern Interferometry and Image Correlation. Appl. Mech. Mater. 2004, 1, 107–112. [Google Scholar] [CrossRef]
- López-Crespo, P.; Burguete, R.L.; Patterson, E.A.; Shterenlikht, A.; Withers, P.J.; Yates, J.R. Study of a Crack at a Fastener Hole by Digital Image Correlation. Exp. Mech. 2008, 49, 551–559. [Google Scholar] [CrossRef]
- Antunes, F.V.; Rodrigues, S.M.; Branco, R.; Camas, D. A numerical analysis of CTOD in constant amplitude fatigue crack growth. Theor. Appl. Fract. Mech. 2016, 85, 45–55. [Google Scholar] [CrossRef]
- Antunes, F.V.; Branco, R.; Prates, P.A.; Borrego, L. Fatigue crack growth modelling based on CTOD for the 7050-T6 alloy. Fatigue Fract. Eng. Mater. Struct. 2017, 40, 1309–1320. [Google Scholar] [CrossRef]
- Antunes, F.V.; Serrano, S.; Branco, R.; Prates, P. Fatigue crack growth in the 2050-T8 aluminium alloy. Int. J. Fatigue 2018, 115, 79–88. [Google Scholar] [CrossRef]
- Marques, B.; Borges, M.F.; Antunes, F.V.; Vasco-Olmo, J.M.; Díaz, F.A.; James, M.N. Limitations of small-scale yielding for fatigue crack growth. Eng. Fract. Mech. 2021, 252, 107806. [Google Scholar] [CrossRef]
- O’Sullivan, J. Use of Nickel and 316 L Stainless Steel Filter Assemblies in High Purity Corrosive Gas Distribution Systems. 2017. Available online: https://www.pall.com/content/dam/pall/microelectronics/literature-library/non-gated/Use%20of%20Nickel%20and%20316L%20Stainless%20Steel%20Filter%20Assemblies%20in%20High%20Purity%20Corrosive%20Gas%20Distribution%20Systems%20.pdf (accessed on 18 January 2023).
- ASTM E647−13; Standard Test Method for Measurement of Fatigue Crack Growth Rates. ASTM: West Conshohocken, PA, USA, 2014.
- GmbH, L.V. PIV Software Manual. 1999. Available online: https://www.lavision.de/de/downloads/manuals/systems.php (accessed on 18 January 2023).
- Yusof, F.; Withers, P.J. Real-time acquisition of fatigue crack images for monitoring crack-tip stress intensity variations within fatigue cycles. J. Strain Anal. Eng. Des. 2009, 44, 149–158. [Google Scholar] [CrossRef]
- Lopez-Crespo, P.; Withers, P.J.; Yusof, F.; Dai, H.; Steuwer, A.; Kelleher, J.F.; Buslaps, T. Overload effects on fatigue crack-tip fields under plane stress conditions: Surface and bulk analysis. Fatigue Fract. Eng. Mater. Struct. 2013, 36, 75–84. [Google Scholar] [CrossRef]
- Sutton, M.A.; Zhao, W.; McNeill, S.R.; Helm, J.D.; Piascik, R.S.; Riddell, W.T. Local crack closure measurements: Development of a measurement system using computer vision and a far-field microscope. In Advances in Fatigue Crack Closure Measurement and Analysis, 2nd Volume; McClung, R.C., Newman, J.C., Eds.; ASTM STP, 1343; ASTM: West Conshohocken, PA, USA, 1999; pp. 145–156. [Google Scholar]
- Nicoletto, G. Plastic zones about fatigue cracks in metals. Int. J. Fatigue 1989, 11, 107–115. [Google Scholar] [CrossRef]
- Lopez-Crespo, P.; Shterenlikht, A.; Patterson, E.A.; Yates, J.R.; Withers, P.J. The stress intensity of mixed mode cracks determined by digital image correlation. J. Strain Anal. Eng. Des. 2008, 43, 769–780. [Google Scholar] [CrossRef]
- Vasco-Olmo, J.M.; Díaz, F.A.; Antunes, F.V.; James, M.N. Experimental evaluation of CTOD in constant amplitude fatigue crack growth from crack tip displacement fields. Frat. Integrita Strutt. 2017, 11, 157–165. [Google Scholar] [CrossRef]
- Cruces, A.S.; Mokhtarishirazabad, M.; Moreno, B.; Zanganeh, M.; Lopez-Crespo, P. Study of the biaxial fatigue behaviour and overloads on S355 low carbon steel. Int. J. Fatigue 2020, 134, 105466. [Google Scholar] [CrossRef]
- Schreier, H.; Orteu, J.J.; Sutton, M.A. Image Correlation for Shape, Motion and Deformation Measurements: Basic Concepts, Theory and Applications; Springer: Berlin/Heidelberg, Germany, 2009. [Google Scholar]
- Marques, B.; Neto, D.; Antunes, F.; Vasco-Olmo, J.; Díaz, F. Numerical tool for the analysis of CTOD curves obtained by DIC or FEM. Fatigue Fract. Eng. Mater. Struct. 2020, 43, 2984–2997. [Google Scholar] [CrossRef]
- Harris, C.R.; Millman, K.J.; van der Walt, S.J.; Gommers, R.; Virtanen, P.; Cournapeau, D.; Wieser, E.; Taylor, J.; Berg, S.; Smith, N.J.; et al. Array programming with NumPy. Nature 2020, 585, 357–362. [Google Scholar] [CrossRef] [PubMed]
- Suresh, S. Fatigue of Materials, 2nd ed.; Cambridge University Press: Cambridge, UK, 1998. [Google Scholar]
- McClung, R.C. The influence of applied stress, crack length, and stress intensity factor on crack closure. Metall. Trans. A 1991, 22, 1559–1571. [Google Scholar] [CrossRef]
Disclaimer/Publisher’s Note: The statements, opinions and data contained in all publications are solely those of the individual author(s) and contributor(s) and not of MDPI and/or the editor(s). MDPI and/or the editor(s) disclaim responsibility for any injury to people or property resulting from any ideas, methods, instructions or products referred to in the content. |
© 2023 by the authors. Licensee MDPI, Basel, Switzerland. This article is an open access article distributed under the terms and conditions of the Creative Commons Attribution (CC BY) license (https://creativecommons.org/licenses/by/4.0/).


















