Fluorinated Siloxane Modified Layered Double Hydroxide Sealing Film to Enhance the Corrosion Resistance of Anodic Oxide Film of Fricition Stir Welding Joint of Aluminum Alloys
Abstract
1. Introduction
2. Materials and Methods
2.1. The Preparation of FSW Samples of Aluminum Alloys
2.2. The Preparation of Anodic Oxide Film (CSA Film)
2.3. The LDH Sealing Process
2.4. The Modification of LDH Sealing Film via PF (C14H19F13O3Si)
2.5. Characterization Structural Analysis
2.6. Electrochemical Measurements
3. Results and Discussions
3.1. The Characterization of CSA Film
3.2. The Characterization of CSA-LDH Film
3.3. The Characterization of CSA-LDH-PF Film
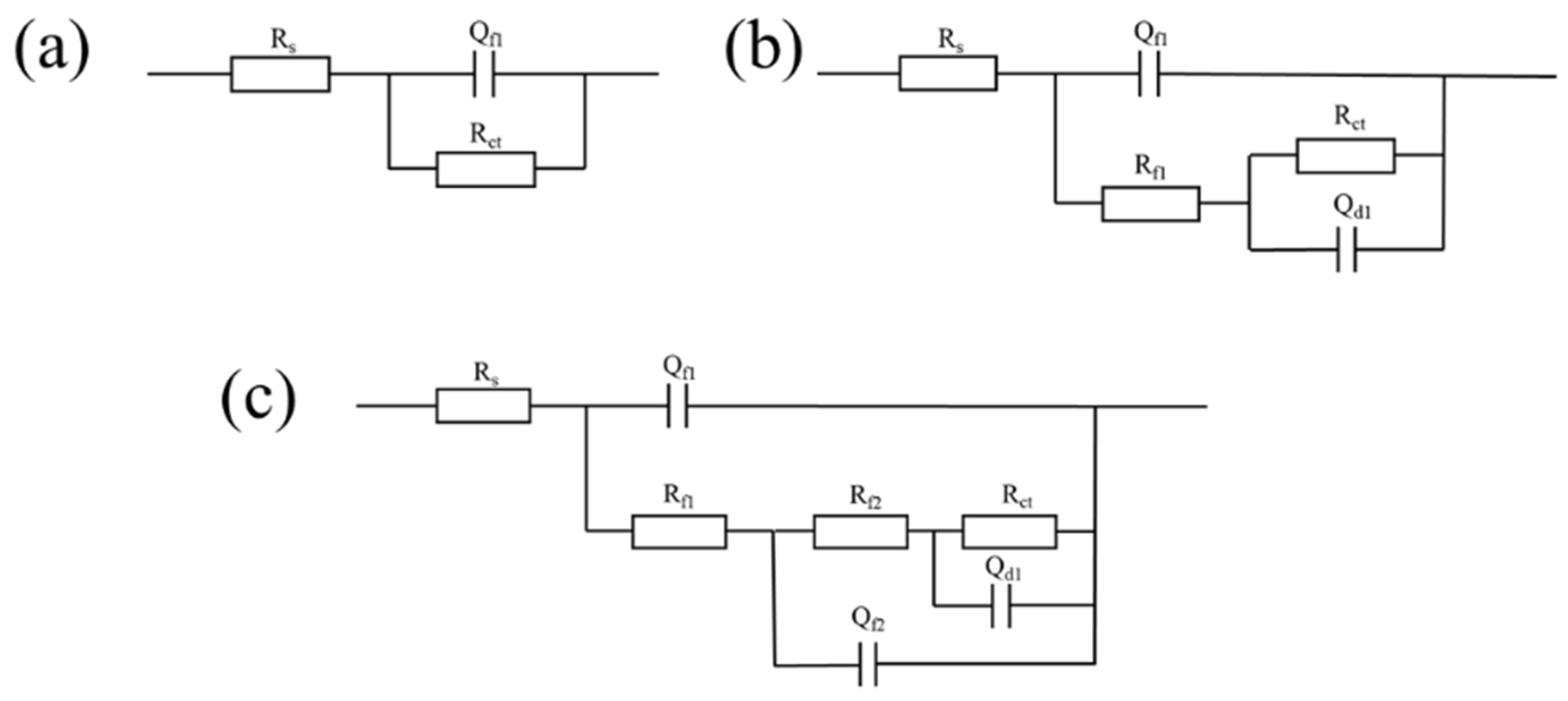
3.4. Electrochemical Measurements
3.5. Contact Angle Tests
4. Conclusions
Author Contributions
Funding
Institutional Review Board Statement
Informed Consent Statement
Data Availability Statement
Conflicts of Interest
References
- Cheng, Q.; Guo, N.; Fu, Y.; Zhang, D.; Zhang, S.; Zhang, X.; Chen, H.; Wang, L.; He, J. Study on preparation and stiffness of NiTi shape memory alloy/2A12 aluminum alloy laminated structure. Int. J. Adv. Manuf. Technol. 2022, 122, 4179–4189. [Google Scholar] [CrossRef]
- Shen, X.; Wang, J. Study on Mechanical Properties of Anodized Films on 5052 Aluminum Alloy. Int. J. Electrochem. Sci. 2022, 17, 221022. [Google Scholar] [CrossRef]
- Adin, M.Ş. Investigation of Mechanical Properties of Aluminum Alloys Welded by Laser Welding and Optimization of Welding Parameters Using Taguchi and ANOVA Methods. J. Sci. Technol. Eng. Res. 2022, 3, 50–59. [Google Scholar] [CrossRef]
- Abdel-Gawad, S.A.; Sadik, M.A.; Shoeib, M.A. Preparation and properties of a novel nano Ni-B-Sn by electroless deposition on 7075-T6 aluminum alloy for aerospace application. J. Alloy. Compd. 2019, 785, 1284–1292. [Google Scholar] [CrossRef]
- Wang, G.; Zhao, Y.; Hao, Y. Friction stir welding of high-strength aerospace aluminum alloy and application in rocket tank manufacturing. J. Mater. Sci. Technol. 2018, 34, 73–91. [Google Scholar] [CrossRef]
- Nakai, M.; Eto, T. New aspects of development of high strength aluminum alloys for aerospace applications. Mater. Sci. Eng. A 2000, 285, 62–68. [Google Scholar] [CrossRef]
- Wu, Z.; Wang, S.; Zhen, N. Corrosion Behavior of 7075 and 2A12 Aluminum Alloys in Different Water Environments. J. Phys. Conf. Ser. 2021, 2101, 012082. [Google Scholar] [CrossRef]
- Wang, X.; Cui, Y.; Yuan, T. Nosing Process of 2A12 Aluminum Alloy Spacing Shims for Non-disengagement Fastening Devices for Spacecrafts. Metals 2022, 12, 1348. [Google Scholar] [CrossRef]
- Adin, M.Ş.; Mustafa, O. Investigation of Microstructural and Mechanical Properties of Dissimilar Metal Weld Between AISI 420 and AISI 1018 STEELS. Arab. J. Sci. Eng. 2022, 47, 8341–8350. [Google Scholar] [CrossRef]
- Adin, M.Ş.; İşcan, B.; Baday, Ş. Optimization of Welding Parameters of AISI 431 and AISI 1020 Joints Joined by Friction Welding Using Taguchi Method. BSEU J. Sci. 2022, 9, 453–470. [Google Scholar]
- Jariyaboon, M.; Davenport, A.J.; Ambat, R.; Connolly, B.J.; Williams, S.W.; Price, D.A. The effect of welding parameters on the corrosion behaviour of friction stir welded AA2024–T351. Corros. Sci. 2007, 49, 877–909. [Google Scholar] [CrossRef]
- Threadgill, P.L.; Leonard, A.J.; Shercliff, H.R.; Withers, P.J. Friction stir welding of aluminium alloys. Int. Mater. Rev. 2013, 54, 49–93. [Google Scholar] [CrossRef]
- Patel, V.; Li, W.; Wang, G.; Wang, F.; Vairis, A.; Niu, P. Friction Stir Welding of Dissimilar Aluminum Alloy Combinations: State-of-the-Art. Metals 2019, 9, 270. [Google Scholar] [CrossRef]
- He, X.; Gu, F.; Ball, A. A review of numerical analysis of friction stir welding. Prog. Mater. Sci. 2014, 65, 1–66. [Google Scholar] [CrossRef]
- Ma, X.; Xu, S.; Wang, F.; Zhao, Y.; Meng, X.; Xie, Y.; Wan, L.; Huang, Y. Effect of Temperature and Material Flow Gradients on Mechanical Performances of Friction Stir Welded AA6082-T6 Joints. Materials 2022, 15, 6579. [Google Scholar] [CrossRef]
- Eliseev, A.; Osipovich, K.; Fortuna, S. Gradient Structure of the Transfer Layer in Friction Stir Welding Joints. Materials 2022, 15, 6772. [Google Scholar] [CrossRef]
- Feng, Y. Effect of Friction Stir Weld Parameters on Mechanical and Corrosion Performances of 5A06 Aluminum Alloy Plate Joints in 3.5 wt% NaCl solution. Int. J. Electrochem. Sci. 2022, 17, 221039. [Google Scholar] [CrossRef]
- Efzan, E.; Kovalan, K.V.; Suriati, G. A review of welding parameter on corrosion behavior of aluminum. Int. J. Eng. Appl. Sci. 2012, 1, 2305–8269. [Google Scholar]
- Meng, X.; Huang, Y.; Cao, J.; Shen, J.; dos Santos, J.F. Recent progress on control strategies for inherent issues in friction stir welding. Prog. Mater. Sci. 2021, 115, 100706. [Google Scholar] [CrossRef]
- Hu, N.; Dong, X.; He, X.; Browning, J.F.; Schaefer, D.W. Effect of sealing on the morphology of anodized aluminum oxide. Corros. Sci. 2015, 97, 17–24. [Google Scholar] [CrossRef]
- Fedel, M.; Franch, J.; Rossi, S. Effect of thickness and sealing treatments on the corrosion protection properties of anodic oxide coatings on AA5005. Surf. Coat. Technol. 2021, 408, 126761. [Google Scholar] [CrossRef]
- Ono, S.; Asoh, H. Mechanism of hot water sealing of anodic films formed on aluminum. Corros. Sci. 2021, 181, 109221. [Google Scholar] [CrossRef]
- Carangelo, A.; Curioni, M.; Acquesta, A.; Monetta, T.; Bellucci, F. Application of EIS to In Situ Characterization of Hydrothermal Sealing of Anodized Aluminum Alloys: Comparison between Hexavalent Chromium-Based Sealing, Hot Water Sealing and Cerium-Based Sealing. J. Electrochem. Soc. 2016, 163, C619–C626. [Google Scholar] [CrossRef]
- Canyook, R.; Seubsom, P.; Sang-ngean, J.; Trirujirapapong, T.; Taweesup, K. Influences of sealing solutions on anodized layer properties of 7075 aluminium alloy. Mater. Today Proc. 2018, 5, 9483–9488. [Google Scholar] [CrossRef]
- Zuo, Y.; Zhao, P.-H.; Zhao, J.-M. The influences of sealing methods on corrosion behavior of anodized aluminum alloys in NaCl solutions. Surf. Coat. Technol. 2003, 166, 237–242. [Google Scholar] [CrossRef]
- Yanlong, M.; Xuhan, Z.; Bingyuan, Y.; Yu, M. Development Trend of the Sealing Technology for Anodic Films on Aluminum Alloys. J. Chongqing Univ. Technol. 2020, 34, 131–140. [Google Scholar]
- Cao, Y.; Zheng, D.; Zhang, F.; Pan, J.; Lin, C. Layered double hydroxide (LDH) for multi-functionalized corrosion protection of metals: A review. J. Mater. Sci. Technol. 2022, 102, 232–263. [Google Scholar] [CrossRef]
- Shchukin, D.G. Container-based multifunctional self-healing polymer coatings. Polym. Chem. 2013, 4, 4871–4877. [Google Scholar] [CrossRef]
- Zhang, G.; Wu, L.; Tang, A.; Weng, B.; Atrens, A.; Ma, S.; Liu, L.; Pan, F. Sealing of anodized magnesium alloy AZ31 with MgAl layered double hydroxides layers. RSC Adv. 2018, 8, 2248–2259. [Google Scholar] [CrossRef]
- Anantharaj, S.; Karthick, K.; Kundu, S. Evolution of layered double hydroxides (LDH) as high performance water oxidation electrocatalysts: A review with insights on structure, activity and mechanism. Mater. Today Energy 2017, 6, 1–26. [Google Scholar] [CrossRef]
- Kuznetsov, B.; Serdechnova, M.; Tedim, J.; Starykevich, M.; Kallip, S.; Oliveira, M.P.; Hack, T.; Nixon, S.; Ferreira, M.G.S.; Zheludkevich, M.L. Sealing of tartaric sulfuric (TSA) anodized AA2024 with nanostructured LDH layers. RSC Adv. 2016, 6, 13942–13952. [Google Scholar] [CrossRef]
- Mata, D.; Serdechnova, M.; Mohedano, M.; Mendis, C.L.; Lamaka, S.V.; Tedim, J.; Hack, T.; Nixon, S.; Zheludkevich, M.L. Hierarchically organized Li-Al-LDH nano-flakes: A low-temperature approach to seal porous anodic oxide on aluminum alloys. RSC Adv. 2017, 7, 35357–35367. [Google Scholar] [CrossRef]
- Visser, P.; Liu, Y.; Zhou, X.; Hashimoto, T.; Thompson, G.E.; Lyon, S.B.; van der Ven, L.G.; Mol, A.J.; Terryn, H.A. The corrosion protection of AA2024-T3 aluminium alloy by leaching of lithium containing salts from organic coating. Faraday Discuss. 2015, 180, 511–526. [Google Scholar] [CrossRef]
- Biffinger, J.C.; Kim, H.W.; DiMagno, S.G. The polar hydrophobicity of fluorinated compounds. ChemBioChem 2004, 5, 622–627. [Google Scholar] [CrossRef]










| Element | Mg | Cu | Mn | Zn | Ti | Cr | Fe | Si | Al |
|---|---|---|---|---|---|---|---|---|---|
| Content | 1.40 | 4.40 | 0.60 | 0.048 | 0.022 | 0.004 | 0.180 | 0.076 | Bal. |
| Element | Cu | Li | Mn | Mg | Zn | Zr | Al |
|---|---|---|---|---|---|---|---|
| Content | 3.82 | 1.53 | 0.30 | 0.48 | 0.51 | 0.16 | Bal. |
| Areas | BM-2A12 | BM-2A97 | HAZ | NZ |
|---|---|---|---|---|
| Rq/nm | 59.6 | 94.0 | 57.9 | 54.2 |
| Ra/nm | 40.2 | 71.2 | 42.2 | 41.4 |
| Ra/Rq | 0.674 | 0.757 | 0.729 | 0.764 |
| Areas | TMAZ | BM-2A12 | BM-2A97 | HAZ |
|---|---|---|---|---|
| Rq/nm | 28.5 | 25.2 | 55.3 | 49.5 |
| Ra/nm | 22.1 | 20.3 | 43.9 | 37.1 |
| Ra/Rq | 0.775 | 0.806 | 0.794 | 0.749 |
| Samples | Blank | CSA | CSA-LDH | CSA-LDH-PF |
|---|---|---|---|---|
| Ecorr (V) | −0.665 | −0.626 | −0.687 | −0.680 |
| icorr (A·cm−2) | 1.267 × 10−5 | 1.657 × 10−6 | 2.483 × 10−7 | 7.150 × 10−9 |
| Samples | Rs/Ω·cm2 | Rf1/Ω·cm2 | Qf1/F·cm−2 | Rf2/Ω·cm2 | Qf2/F·cm−2 | Rct/Ω·cm2 | Qd1/F·cm−2 |
|---|---|---|---|---|---|---|---|
| Blank | 2.577 | / | 9.25 × 10−5 | / | / | 852 | / |
| CSA | 3.188 | 2909 | 1.06 × 10−5 | / | / | 3919 | 6.01 × 10−5 |
| CSA-LDH | 5.075 | 12,804 | 4.04 × 10−7 | 12,518 | 4.04 × 10−6 | 28,156 | 2.82 × 10−4 |
| CSA-LDH-PF | 65.56 | 44,583 | 2.26 × 10−8 | 44,061 | 1.22 × 10−7 | 891,310 | 9.20 × 10−6 |
Publisher’s Note: MDPI stays neutral with regard to jurisdictional claims in published maps and institutional affiliations. |
© 2022 by the authors. Licensee MDPI, Basel, Switzerland. This article is an open access article distributed under the terms and conditions of the Creative Commons Attribution (CC BY) license (https://creativecommons.org/licenses/by/4.0/).
Share and Cite
Li, W.; Wang, T.; Nan, Y.; Li, S.-J.; Li, W.-P. Fluorinated Siloxane Modified Layered Double Hydroxide Sealing Film to Enhance the Corrosion Resistance of Anodic Oxide Film of Fricition Stir Welding Joint of Aluminum Alloys. Materials 2022, 15, 8105. https://doi.org/10.3390/ma15228105
Li W, Wang T, Nan Y, Li S-J, Li W-P. Fluorinated Siloxane Modified Layered Double Hydroxide Sealing Film to Enhance the Corrosion Resistance of Anodic Oxide Film of Fricition Stir Welding Joint of Aluminum Alloys. Materials. 2022; 15(22):8105. https://doi.org/10.3390/ma15228105
Chicago/Turabian StyleLi, Wen, Tao Wang, Yang Nan, Shao-Jie Li, and Wei-Ping Li. 2022. "Fluorinated Siloxane Modified Layered Double Hydroxide Sealing Film to Enhance the Corrosion Resistance of Anodic Oxide Film of Fricition Stir Welding Joint of Aluminum Alloys" Materials 15, no. 22: 8105. https://doi.org/10.3390/ma15228105
APA StyleLi, W., Wang, T., Nan, Y., Li, S.-J., & Li, W.-P. (2022). Fluorinated Siloxane Modified Layered Double Hydroxide Sealing Film to Enhance the Corrosion Resistance of Anodic Oxide Film of Fricition Stir Welding Joint of Aluminum Alloys. Materials, 15(22), 8105. https://doi.org/10.3390/ma15228105
