Wire Arc Additive Manufactured Mild Steel and Austenitic Stainless Steel Components: Microstructure, Mechanical Properties and Residual Stresses
Abstract
1. Introduction
2. Materials and Methods
2.1. Experimental Setup
2.2. Materials and Experiment Conditions
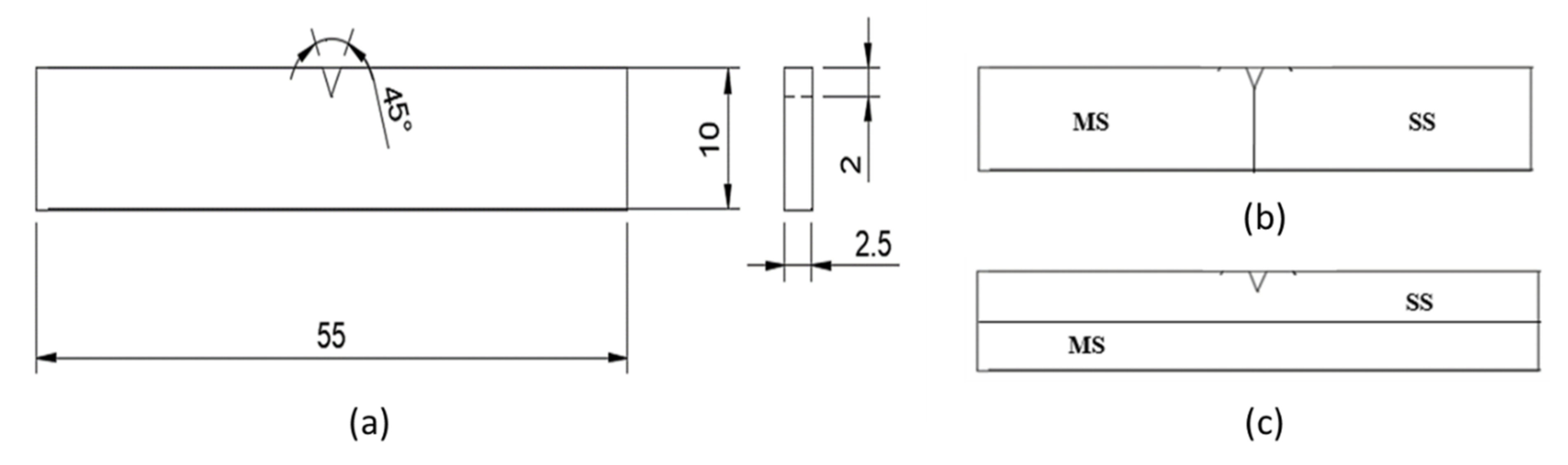
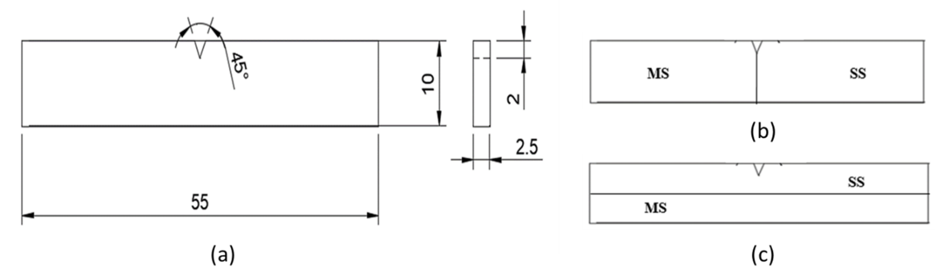
2.3. Sample Preparation for Metallographic Characterization and Mechanical Testing
3. Results and Discussion
3.1. Effect of Process Parameters on Bead Quality
3.2. Effect of Shielding Gas on Deposition during Fabrication of the Mild Steel Structure
3.2.1. Microstructure of MS
3.2.2. Hardness of MS
3.3. Deposition of Stainless Steel Sample
3.3.1. Microstructure of Stainless Steel
3.3.2. Hardness of Stainless Steel
3.4. Deposition of Bimetallic Structure
3.4.1. Microstructure of Bimetallic Structure
3.4.2. Hardness of Bimetallic Structure
3.5. Charpy Test
3.6. Tensile Strength Using Rockwell Hardness
3.7. Residual Stress Analysis
4. Conclusions
- A wood engraving machine was successfully transformed into a metal 3D printer for the WAAM process in this work.
- The mechanical properties, microstructure, and composition of the bimetallic specimen were investigated and compared with the mechanical properties of a single MS and SS material specimen. The hardness was observed to be higher in SS section in both the longitudinal and transverse directions and was in the range of 240–260 HV. However, in the MS section the hardness was in the range of 160–180 HV. The diffusion of chromium from the SS side into the MS is responsible for the increased hardness.
- There were no welding defects at the two-material contact. This research indicates that using the WAAM technique, MS and SS can be successfully merged without any defects.
- The samples’ tensile strength was calculated using Rockwell hardness values. The MS and SS tensile strength were found to be slightly higher than the conventional values. The tensile strength of bimetal was between that of the MS and SS.
- The residual stresses created in the bimetallic sample were determined using DHD. Both the longitudinal and transverse residual stresses were observed to be compressive in nature with a range of 50–80 MPa in the mild steel section, whereas in the SS section, the longitudinal stresses were tensile in nature, with a value of 90 MPa observed at the surface. The transverse residual stresses were found to be compressive, with a value of 30 MPa at the surface.
Author Contributions
Funding
Institutional Review Board Statement
Informed Consent Statement
Data Availability Statement
Conflicts of Interest
References
- Vartanian, K.; Brewer, L.; Manley, K.; Cobbs, T. Powder Bed Fusion vs. Directed Energy Deposition Benchmark Study: Mid-Size Part with Simple Geometry. Available online: https://optomec.com/wp-content/uploads/2018/06/PBF-vs-DED-STUDY_Final_PDF.pdf (accessed on 17 September 2022).
- Aldalur, E.; Veiga, F.; Suárez, A.; Bilbao, J.; Lamikiz, A. High deposition wire arc additive manufacturing of mild steel: Strategies and heat input effect on microstructure and mechanical properties. J. Manuf. Process 2020, 58, 615–626. [Google Scholar] [CrossRef]
- Liew, J.; Li, Z.; Alkahari, M.R.; Ana, N.; Rosli, B.; Hasan, R. Review of Wire Arc Additive Manufacturing for 3D Metal Printing Review of Wire Arc Additive Manufacturing for 3D Metal Printing. Int. J. Autom. Technol. 2019, 13, 346–353. [Google Scholar] [CrossRef]
- Bandyopadhyay, A.; Heer, B. Additive manufacturing of multi-material structures. Mater. Sci. Eng. R. 2018, 129, 1–16. [Google Scholar] [CrossRef]
- Pattanayak, S.; Sahoo, S.K. CIRP Journal of Manufacturing Science and Technology Gas metal arc welding based additive manufacturing—a review Gas Tungsten arc welding. CIRP J. Manuf. Sci. Technol. 2021, 33, 398–442. [Google Scholar] [CrossRef]
- Cong, B.; Ding, J.; Williams, S. Effect of arc mode in cold metal transfer process on porosity of additively manufactured Al-6. 3 % Cu alloy. Int. J. Adv. Manuf. Technol. 2014, 76, 1593–1606. [Google Scholar] [CrossRef]
- Paskual, A.; Álvarez, P.; Suárez, A. Study on Arc Welding processes for High Deposition Rate Additive Manufacturing. Procedia CIRP 2018, 68, 358–362. [Google Scholar] [CrossRef]
- Wu, Q.; Mukherjee, T.; De, A.; Debroy, T. Residual stresses in wire-arc additive manufacturing—Hierarchy of influential variables. Addit. Manuf. 2020, 35, 101355. [Google Scholar] [CrossRef]
- Li, F. applied sciences Thermoelectric Cooling-Aided Bead Geometry Regulation in Wire and Arc-Based Additive Manufacturing of Thin-Walled Structures. Appl. Sci. 2018, 8, 207. [Google Scholar] [CrossRef]
- Suarez, A.; Panfilo, A.; Aldalur, E.; Viega, F.; Gomez, P. Microstructure and Mechanical Properties of Mild Steel Bimetallic Structures Buit Using Wire Arc Additive Manufactureing. Available online: https://www.sciencedirect.com/science/article/abs/pii/S1755581722001298 (accessed on 17 September 2022).
- Chen, X.; Li, J.; Cheng, X.; He, B.; Wang, H.; Huang, Z. Microstructure and mechanical properties of the austenitic stainless steel 316L fabricated by gas metal arc additive manufacturing. Mater. Sci. Eng. A. 2017, 703, 567–577. [Google Scholar] [CrossRef]
- Le, V.T.; Si, D. Microstructural and mechanical characteristics of 308L stainless steel manufactured by gas metal arc welding-based additive manufacturing. Mater. Lett. 2020, 271, 127791. [Google Scholar] [CrossRef]
- Panchenko, O.; Kurushkin, D.; Mushnikov, I.; Khismatullin, A.; Popovich, A. A high-performance WAAM process for Al—Mg —Mn using controlled short-circuiting metal transfer at increased wire feed rate and increased travel speed. Mater. Des. 2020, 195, 109040. [Google Scholar] [CrossRef]
- Mishra, R.R.; Tiwari, V.K.; Rajesha, S. A study of tensile strength of MIG and TIG welded dissimilar joints of mild steel and stainless steel. Int. J. Adv. Mater. Sci. Eng. 2014, 3, 23–32. [Google Scholar] [CrossRef]
- Rashid, R.A.R.; Abaspour, S.; Palanisamy, S.; Matthews, N.; Dargusch, M.S. Surface & Coatings Technology Metallurgical and geometrical characterisation of the 316L stainless steel clad deposited on a mild steel substrate. Surf. Coat. Technol. 2017, 327, 174–184. [Google Scholar] [CrossRef]
- Abe, T.; Sasahara, H. Dissimilar metal deposition with a stainless steel and nickel-based alloy using wire and arc-based additive manufacturing. Precis. Eng. 2016, 45, 387–395. [Google Scholar] [CrossRef]
- Wu, B.; Qiu, Z.; Pan, Z.; Carpenter, K.; Wang, T.; Ding, D.; van Duin, S.; Li, H. Journal of Materials Science & Technology Enhanced interface strength in steel-nickel bimetallic component fabricated using wire arc additive manufacturing with interweaving deposition strategy. J. Mater. Sci. Technol. 2020, 52, 226–234. [Google Scholar] [CrossRef]
- Ahsan, R.U.; Newaz, A.; Tanvir, M.; Ross, T.; Elsawy, A. Fabrication of bimetallic additively manufactured structure (BAMS) of low carbon steel and 316L austenitic stainless steel with wire 1 arc additive manufacturing. Rapid Prototyp. J. 2020, 3, 519–530. [Google Scholar] [CrossRef]
- Ahsan, R.U.; Tanvir, A.N.M.; Seo, G.; Bates, B.; Hawkins, W.; Lee, C.; Liaw, P.K.; Noakes, M.; Nycz, A.; Bong, D. Heat-treatment e ff ects on a bimetallic additively-manufactured structure (BAMS) of the low-carbon steel and austenitic-stainless steel. Addit. Manuf. 2020, 32, 101036. [Google Scholar] [CrossRef]
- Ekambaram, S.; Murugan, N. Synthesis and Characterization of Aluminium Alloy AA6061-Alumina Metal Synthesis and Characterization of Aluminium Alloy AA6061-Alumina Metal Matrix Composite. Int. J. Curr. Eng. Technol. 2015, 5, e3216. [Google Scholar]
- Taylor, P.; Yadroitsev, I.; Yadroitsava, I.; Yadroitsev, I.; Yadroitsava, I. Virtual and Physical Prototyping Evaluation of residual stress in stainless steel 316L and Ti6Al4V samples produced by selective laser melting Evaluation of residual stress in stainless steel 316L and Ti6Al4V samples produced by selective laser melting. Virtual Phys. Prototyp. 2015, 10, 67–76. [Google Scholar] [CrossRef]
- Ogino, Y.; Asai, S.; Hirata, Y. Numerical simulation of WAAM process by a GMAW weld pool model. Weld. World 2018, 62, 393–401. [Google Scholar] [CrossRef]
- Mao, Y.; Coenen, J.W. Influence of specimen dimensions on ductile-to- brittle transition temperature in Charpy impact test Influence of specimen dimensions on ductile-to-brittle transition temperature in Charpy impact test. In IOP Conference Series: Materials Science and Engineering; IOP Publishing: Bristol, UK, 2017; pp. 1–7. [Google Scholar] [CrossRef]
- Bhanu, V.; Pandey, C.; Gupta, A. Dissimilar joining of the martensitic grade P91 and Incoloy 800HT alloy for AUSC boiler application: Microstructure, mechanical properties and residual stresses. CIRP J. Manuf. Sci. Technol. 2022, 38, 560–580. [Google Scholar] [CrossRef]
- Sirohi, S.; Pandey, C.; Goyal, A. Role of the Ni-based filler (IN625) and heat-treatment on the mechanical performance of the GTA welded dissimilar joint of P91 and SS304H steel. J. Manuf. Process 2021, 65, 174–189. [Google Scholar] [CrossRef]
- Singh, H.; Singh, A.; Singh, G. A review On residual stress analysis of thick wall welded pressure vessel. Int. J. Eng. Res. Technol. 2013, 2, 2278-0181. [Google Scholar]
- Gmaw, W.; Henckell, P.; Gierth, M.; Ali, Y.; Reimann, J.; Bergmann, J.P. Reduction of Energy Input in Wire Arc Additive Manufacturing (WAAM) with Gas Metal Arc. Materials 2020, 13, 2491. [Google Scholar]
- Savage, W.F.; Lippold, J.C. Solidification of Austenitic Stainless Steel Weldments: Part 2—The Effect of Alloy Composition on Ferrite Morphology. Weld. Res. Suppl. 1980, 59, 48–58. [Google Scholar]
- Baufeld, B.; van der Biest, O.; Gault, R. Additive manufacturing of Ti-6Al-4V components by shaped metal deposition: Microstructure and mechanical properties. Mater. Des. 2010, 31, S106–S111. [Google Scholar] [CrossRef]
- Saini, N.; Pandey, C.; Mahapatra, M.M.; Narang, H.K.; Mulik, R.S.; Kumar, P. A comparative study of ductile-brittle transition behavior and fractography of P91 and P92 steel. Eng. Fail. Anal. 2017, 81, 245–253. [Google Scholar] [CrossRef]
- Sirohi, S.; Kumar, S.; Bhanu, V.; Pandey, C.; Gupta, A. Study on the Variation in Mechanical Properties along the Dissimilar Weldments of P22 and P91 Steel. J. Mater. Eng. Perform. 2022, 31, 2281–2296. [Google Scholar] [CrossRef]
- Chen, H.U.I.; Cai, L. Theoretical Conversions of Different Hardness and Tensile Strength for Ductile Materials Based on Stress —Strain Curves. Metall. Mater. Trans. A 2018, 49, 1090–1101. [Google Scholar] [CrossRef]
- Genculu, S. Correlation of Hardness Values to Tensile Strength. Available online: https://www.cabinc.com/uploads/case_studies/CorrelationHardnessTensile-wp.pdf (accessed on 17 September 2022).
- Petrenko, N. Relationships between Rockwell and Brinell Numbers; US Government Printing Office: Washington, DC, USA, 1927.
- Vázquez, L.; Rodríguez, N.; Rodríguez, I.; Alberdi, E.; Álvarez, P. Influence of interpass cooling conditions on microstructure and tensile properties of Ti-6Al-4V parts manufactured by WAAM. Weld. World 2020, 64, 1377–1388. [Google Scholar] [CrossRef]
- Haden, C.V.; Zeng, G.; Carter, F.M.; Ruhl, C.; Krick, B.A.; Harlow, D.G. Wire and arc additive manufactured steel: Tensile and wear properties. Addit. Manuf. 2017, 16, 115–123. [Google Scholar] [CrossRef]
- Kumar, R.; Dey, H.C.; Pradhan, A.K.; Albert, S.K.; Thakre, J.G.; Mahapatra, M.M.; Pandey, C. Numerical and experimental investigation on distribution of residual stress and the influence of heat treatment in multi-pass dissimilar welded rotor joint of alloy 617/10Cr steel. Int. J. Press. Vessel. Pip. 2022, 199, 104715. [Google Scholar] [CrossRef]
- Kumar, A.; Pandey, C. Development and Evaluation of Dissimilar Gas Tungsten Arc-Welded Joint of P92 Steel/Inconel 617 Alloy for Advanced Ultra-Supercritical Boiler Applications. Metall. Mater. Trans. A 2022, 53, 3245–3273. [Google Scholar] [CrossRef]
- Dak, G.; Pandey, C. Experimental investigation on microstructure, mechanical properties, and residual stresses of dissimilar welded joint of martensitic P92 and AISI 304L austenitic stainless steel. Int. J. Press. Vessel. Pip. 2021, 194, 104536. [Google Scholar] [CrossRef]
- Mahmoudi, A.H.; Hossain, S.; Truman, C.E. A New Procedure to Measure Near Yield Residual Stresses Using the Deep Hole Drilling Technique. Exp. Mech. 2008, 49, 595–604. [Google Scholar] [CrossRef]
- Bhanu, V.; Gupta, A.; Pandey, C. Investigation on joining P91 steel and Incoloy 800HT through gas tungsten arc welding for Advanced Ultra Super Critical (AUSC) power plants. J. Manuf. Process 2022, 80, 558–580. [Google Scholar] [CrossRef]
- Tip, C. Effect of Residual Stresses on Fatigue Crack Growth: A Numerical Study Based on Cumulative Plastic Strain at the Crack Tip. Materials 2022, 15, 2156. [Google Scholar]






















| Components | Mg | Si | Fe | Cu | Zn | Ti | Mn | Cr | Al |
|---|---|---|---|---|---|---|---|---|---|
| Percentage | 0.8–1.2 | 0.4–0.8 | 0.7 | 0.15–0.40 | 0.25 | 0.15 | 0.15 | 0.04–0.35 | Balance |
| Steel | C | Si | Mn | Ni | P | S | Cr | Mo | Al |
|---|---|---|---|---|---|---|---|---|---|
| Substrate (S235JR) | 0.2 | 0.55 | 1.4 | 0.012 | 0.045 | 0.04 | 0.3 | 0.08 | 0.02 |
| Mild steel (G3Si1) | 0.15 | 0.25–0.75 | 0.2–0.5 | 0.65 | 0.07–0.15 | 0.03 | 0.5–1.25 | 0.001 | 0.015–0.06 |
| Stainless steel (304) | 0.07 | 1.00 | 2 | 8.00–10.50 | 0.045 | 0.015 | 17.50–19.50 | - | - |
| Properties | Mild Steel | Stainless Steel |
|---|---|---|
| Thermal conductivity (W/mK) | 45 | 16.2 |
| Specific heat (J/kgK) | 450 | 502.416 |
| Thermal expansion coefficient (10−6/°C) | 10 | 17.3 |
| Young’s modulus (GPa) | 200 | 193 |
| Density (kg/m3) | 7900 | 8000 |
| Yield strength (N/mm2) | 250 | 215 |
| Poisson’s ratio | 0.2786 | 0.275 |
| Melting point (°C) | 1350–1420 | 1400–1450 |
| Parameter | Mild Steel | Stainless Steel |
|---|---|---|
| Arc voltage (V) | 13–17 | 19 |
| Welding current (A) | 100–130 | 160 |
| Travel speed (mm/s) | 5–8 | 5–8 |
| Diameter (mm) | 1.2 | 1.2 |
| Shielding gas type | argon | argon |
| Shielding gas flow rate (L/min) | 14 | 14 |
| Substrate thickness (mm) | 3 | 3 |
| No. | Arc Voltage (V) | Welding Current (I) | Travel Speed (mm/s) | Shielding Gas | Bead Width (mm) | Bead Height (mm) | Observation |
|---|---|---|---|---|---|---|---|
| 1 | 25 | 240 | 8 | Ar | 8.52 | 1.1 | Regular deposition |
| 2 | 25 | 160 | 8 | Ar | 6.9 | 1.2 | Regular deposition |
| 3 | 25 | 130 | 7 | Ar | 7.2 | 1.1 | Regular deposition |
| 4 | 19 | 170 | 5 | CO2 | 5.5 | 1.2 | Regular deposition |
| 5 | 18 | 160 | 5 | CO2 | 4.8 | 1.3 | Regular deposition |
| 6 | 15 | 130 | 5 | CO2 | 4 | 1.5 | Discontinuous deposition |
| Direction | Mild Steel | Stainless Steel | Bimetal | |||||
|---|---|---|---|---|---|---|---|---|
| Position | 1 | 2 | 3 | 1 | 2 | 3 | Interface | |
| Transverse | Hardness (HRB) | 74 | 71 | 71 | 91 | 85 | 89 | 79 |
| Predicted Tensile Strength (MPa) | 450 | 425 | 420 | 615 | 565 | 610 | 485 | |
| Longitudinal | Hardness (HRB) | 70 | 76 | 69 | 89 | 88 | 91 | 82 |
| Predicted Tensile Strength (MPa) | 420 | 460 | 440 | 605 | 580 | 615 | 550 | |
Publisher’s Note: MDPI stays neutral with regard to jurisdictional claims in published maps and institutional affiliations. |
© 2022 by the authors. Licensee MDPI, Basel, Switzerland. This article is an open access article distributed under the terms and conditions of the Creative Commons Attribution (CC BY) license (https://creativecommons.org/licenses/by/4.0/).
Share and Cite
Rani, K.U.; Kumar, R.; Mahapatra, M.M.; Mulik, R.S.; Świerczyńska, A.; Fydrych, D.; Pandey, C. Wire Arc Additive Manufactured Mild Steel and Austenitic Stainless Steel Components: Microstructure, Mechanical Properties and Residual Stresses. Materials 2022, 15, 7094. https://doi.org/10.3390/ma15207094
Rani KU, Kumar R, Mahapatra MM, Mulik RS, Świerczyńska A, Fydrych D, Pandey C. Wire Arc Additive Manufactured Mild Steel and Austenitic Stainless Steel Components: Microstructure, Mechanical Properties and Residual Stresses. Materials. 2022; 15(20):7094. https://doi.org/10.3390/ma15207094
Chicago/Turabian StyleRani, Kasireddy Usha, Rajiv Kumar, Manas M. Mahapatra, Rahul S. Mulik, Aleksandra Świerczyńska, Dariusz Fydrych, and Chandan Pandey. 2022. "Wire Arc Additive Manufactured Mild Steel and Austenitic Stainless Steel Components: Microstructure, Mechanical Properties and Residual Stresses" Materials 15, no. 20: 7094. https://doi.org/10.3390/ma15207094
APA StyleRani, K. U., Kumar, R., Mahapatra, M. M., Mulik, R. S., Świerczyńska, A., Fydrych, D., & Pandey, C. (2022). Wire Arc Additive Manufactured Mild Steel and Austenitic Stainless Steel Components: Microstructure, Mechanical Properties and Residual Stresses. Materials, 15(20), 7094. https://doi.org/10.3390/ma15207094

