Upcycling of Pharmaceutical Glass into Highly Porous Ceramics: From Foams to Membranes
Abstract
:1. Introduction
2. Experimental
2.1. Materials and Methods
2.2. Characterization
3. Results
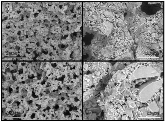
3.1. Revision of Gel Casting Technology: Reducing Both Surfactant and Firing Temperature
3.2. Application of Cold Consolidated Pharmaceutical Glass
4. Conclusions
Author Contributions
Funding
Institutional Review Board Statement
Informed Consent Statement
Acknowledgments
Conflicts of Interest
References
- Klemeš, J.J.; Jiang, P.; van Fan, Y.; Bokhari, A.; Wang, X.C. COVID-19 pandemics Stage II–energy and environmental impacts of vaccination. Renew. Sustain. Energy Rev. 2021, 1, 111400. [Google Scholar] [CrossRef] [PubMed]
- Tchetchik, A.; Kaplan, S.; Blass, V. Recycling and consumption reduction following the COVID-19 lockdown: The effect of threat and coping appraisal, past behavior and information. Resour. Conserv. Recycl. 2021, 1, 105370. [Google Scholar] [CrossRef]
- Pillai, S.A.; Chobisa, D.; Urimi, D.; Ravindra, N. Pharmaceutical glass interactions: A review of possibilities. J. Pharm. Sci. Res. 2016, 8, 103. [Google Scholar]
- Ponsot, I.M.; Pontikes, Y.; Baldi, G.; Chinnam, R.K.; Detsch, R.; Boccaccini, A.R.; Bernardo, E. Magnetic glass ceramics by sintering of borosilicate glass and inorganic waste. Materials 2014, 7, 5565–5580. [Google Scholar] [CrossRef] [PubMed] [Green Version]
- Ramakanth, D.; Singh, S.; Maji, P.K.; Lee, Y.S.; Gaikwad, K.K. Advanced packaging for distribution and storage of COVID-19 vaccines: A review. Environ. Chem. Lett. 2021, 19, 3597–3608. [Google Scholar] [CrossRef]
- Yao, Z.; Qin, B.; Huang, Z.; Ruan, J.; Xu, Z. Green Combined Resource Recycling System for the Recycling of Waste Glass. ACS Sustain. Chem. Eng. 2021, 9, 7361–7368. [Google Scholar] [CrossRef]
- Rincón, A.; Marangoni, M.; Cetin, S.; Bernardo, E. Recycling of inorganic waste in monolithic and cellular glass-based materials for structural and functional applications. J. Chem. Technol. Biotechnol. 2016, 7, 1946–1961. [Google Scholar] [CrossRef] [Green Version]
- Ramteke, D.D.; Hujova, M.; Kraxner, J.; Galusek, D.; Romero, A.R.; Falcone, R.; Bernardo, E. Up-cycling of ‘unrecyclable’glasses in glass-based foams by weak alkali-activation, gel casting and low-temperature sintering. J. Clean. Prod. 2021, 278, 123985. [Google Scholar] [CrossRef]
- Lebullenger, R.; Mear, F.O. Glass recycling. In Springer Handbook of Glass; Springer: Cham, Switzerland, 2019; pp. 1355–1377. [Google Scholar] [CrossRef]
- Rincón, A.; Giacomello, G.; Pasetto, M.; Bernardo, E. Novel ‘inorganic gel casting’ process for the manufacturing of glass foams. J. Eur. Ceram. Soc. 2017, 37, 2227–2234. [Google Scholar] [CrossRef]
- Elsayed, H.; Romero, A.R.; Molino, G.; Brovarone, C.V.; Bernardo, E. Bioactive glass-ceramic foam scaffolds from ‘inorganic gel casting’and sinter-crystallization. Materials 2018, 3, 349. [Google Scholar] [CrossRef] [Green Version]
- Romero, A.R.; Tamburini, S.; Taveri, G.; Toušek, J.; Dlouhy, I.; Bernardo, E. Extension of the ‘Inorganic Gel Casting’Process to the Manufacturing of Boro-Alumino-Silicate Glass Foams. Materials 2018, 12, 2545. [Google Scholar] [CrossRef] [PubMed] [Green Version]
- Duxson, P.; Provis, J.L.; Lukey, G.C.; van Deventer, J.S.; Separovic, F.; Gan, Z.H. 39K NMR of free potassium in geopolymers. Ind. Eng. Chem. Res. 2006, 45, 9208–9210. [Google Scholar] [CrossRef]
- Bruzzoniti, M.C.; Appendini, M.; Rivoira, L.; Onida, B.; del Bubba, M.; Jana, P.; Sorarù, G.D. Polymer-derived ceramic aerogels as sorbent materials for the removal of organic dyes from aqueous solutions. J. Am. Ceram. Soc. 2018, 2, 821–830. [Google Scholar] [CrossRef]
- Mehta, A.; Sharma, M.; Kumar, A.; Basu, S. Effect of Au content on the enhanced photocatalytic efficiency of mesoporous Au/TiO2 nanocomposites in UV and sunlight. Gold Bull. 2017, 50, 33–41. [Google Scholar] [CrossRef]
- Yusuf, M. Synthetic dyes: A threat to the environment and water ecosystem. Text. Cloth. 2019, 19, 11–26. [Google Scholar]
- Azeez, F.; Al-Hetlani, E.; Arafa, M.; Abdelmonem, Y.; Nazeer, A.A.; Amin, M.O.; Madkour, M. The effect of surface charge on photocatalytic degradation of methylene blue dye using chargeable titania nanoparticles. Sci. Rep. 2018, 8, 7104. [Google Scholar] [CrossRef] [PubMed]
- Mouni, L.; Belkhiri, L.; Bollinger, J.C.; Bouzaza, A.; Assadi, A.; Tirri, A.; Dahmoune, F.; Madani, K.; Remini, H. Removal of Methylene Blue from aqueous solutions by adsorption on Kaolin: Kinetic and equilibrium studies. Appl. Clay Sci. 2018, 153, 38–45. [Google Scholar] [CrossRef]
- Kumar, P.S.; Joshiba, G.J.; Femina, C.C.; Varshini, P.; Priyadharshini, S.; Karthick, M.A.; Jothirani, R. A critical review on recent developments in the low-cost adsorption of dyes from wastewater. Desalin. Water Treat. 2019, 172, 395–416. [Google Scholar] [CrossRef]
- Ertuş, E.B.; Vakifahmetoglu, C.; Öztürk, A. Enhanced methylene blue removal efficiency of TiO2 embedded porous glass. J. Eur. Ceram. Soc. 2021, 41, 1530–1536. [Google Scholar] [CrossRef]
- Scharnberg, A.R.; Loreto, A.C.; Wermuth, T.B.; Alves, A.K.; Arcaro, S.; Santos, P.A.; Rodríguez, A.D. Porous ceramic supported TiO2 nanoparticles: Enhanced photocatalytic activity for Rhodamine B degradation. Boletín De La Soc. Española De Cerámica Y Vidr. 2020, 59, 230–238. [Google Scholar] [CrossRef]
- Bernardo, E.; Scarinci, G. Sintering behaviour and mechanical properties of Al2O3 platelet-reinforced glass matrix composites obtained by powder technology. Ceram. Int. 2004, 5, 785–791. [Google Scholar] [CrossRef]
- Ashby, M.F.; Gibson, L.J. Cellular Solids: Structure and Properties; Press Syndicate of the University of Cambridge: Cambridge, UK, 1997; pp. 175–231. [Google Scholar]
- Ansys Granta Selector, Granta EduPack. R1. 2021. Available online: https://www.ansys.com/products/materials/granta-selector/ (accessed on 1 February 2022).
- Elbatal, H.A.; Azooz, M.A.; Saad, E.A.; Ezzeldin, F.M.; Amin, M.S. Corrosion behavior mechanism of borosilicate glasses towards different leaching solutions evaluated by the grain method and FTIR spectral analysis before and after gamma irradiation. Silicon 2018, 10, 1139–1149. [Google Scholar] [CrossRef]
- El-Egili, K. Infrared studies of Na2O–B2O3–SiO2 and Al2O3–Na2O–B2O3–SiO2 glasses. Phys. B Condens. Matter 2003, 325, 340–348. [Google Scholar] [CrossRef]
- Nyamutswa, L.T.; Zhu, B.; Collins, S.F.; Navaratna, D.; Duke, M.C. Light conducting photocatalytic membrane for chemical-free fouling control in water treatment. J. Membr. Sci. 2020, 604, 118018. [Google Scholar] [CrossRef]
- Bhuyan, M.A.; Gebre, R.K.; Finnilä, M.A.; Illikainen, M.; Luukkonen, T. Preparation of filter by alkali activation of blast furnace slag and its application for dye removal. J. Environ. Chem. Eng. 2022, 10, 107051. [Google Scholar] [CrossRef]
- Kaya-Özkiper, K.; Uzun, A.; Soyer-Uzun, S. A novel alkali-activated magnesium silicate as an effective and mechanically strong adsorbent for methylene blue removal. J. Hazard. Mater. 2022, 424, 127256. [Google Scholar] [CrossRef]
- Idir, R.; Cyr, M.; Pavoine, A. Investigations on the durability of alkali-activated recycled glass. Constr. Build. Mater. 2020, 236, 117477. [Google Scholar] [CrossRef]







| Surfactant (wt.%) | 4 | 2 | (No Foaming) | |||||||
|---|---|---|---|---|---|---|---|---|---|---|
| Firing T (°C) | 650 | 550 | green | 650 | 550 | green | 650 | 550 | green | green, after boiling |
| ρgeom (g/cm3) | 0.70 ± 0.03 | 0.54 ± 0.02 | 0.58 ± 0.03 | 0.77 ± 0.02 | 0.64 ± 0.03 | 0.57 ± 0.04 | 1.49 ± 0.05 | 1.41 ± 0.04 | 1.43 ± 0.10 | 1.32 ± 0.10 |
| ρapparent (g/cm3) | 2.17 ± 0.05 | 2.35 ± 0.05 | 2.31 ± 0.05 | 2.08 ± 0.05 | 2.36 ± 0.05 | 2.32 ± 0.05 | 2.01 ± 0.05 | 2.19 ± 0.05 | 2.33 ± 0.05 | 2.31 ± 0.05 |
| ρtrue (g/cm3) | 2.36 ± 0.05 | 2.37 ± 0.05 | 2.36 ± 0.05 | 2.37 ± 0.05 | 2.37 ± 0.05 | 2.36 ± 0.05 | 2.35 ± 0.05 | 2.36 ± 0.05 | 2.38 ± 0.05 | 2.37 ± 0.05 |
| Total porosity (%) | 70.3 | 75.4 | 77.2 | 67.5 | 72.9 | 75.8 | 36.5 | 40.2 | 38.7 | 42.5 |
| Open porosity (%) | 67.7 | 74.9 | 77.0 | 63.0 | 72.8 | 75.4 | 25.9 | 35.6 | 38.3 | 42.5 |
| Closed porosity (%) | 2.6 | 0.2 | 0.5 | 4.5 | 0.1 | 0.4 | 10.6 | 4.6 | 0.4 | 0 |
| σcomp (MPa) | 3.9 ± 0.1 | 0.8 ± 0.1 | 0.5 ± 0.1 | 2.1 ± 0.1 | 0.7 ± 0.1 | 0.7 ± 0.1 | 19.4 ± 0.8 | 16.4 ± 0.8 | 21.3 ± 0.8 | 19.4 ± 0.8 |
| σbend (MPa) | ~120 | ~35 | ~20 | ~25 | ~30 | |||||
| Sample | BET Surface Area (m2/g) | Pore Volume (cm3/g) | Pore Diameter (nm) |
|---|---|---|---|
| BSG, starting powders | 3.4 ± 1 | 0.014 | 2.9 |
| BSG activated, hardened, and crushed | 16.0 ± 1 | 0.028 | 2.2 |
| BSG activated, hardened, and crushed, after boiling | 2.5 ± 1 | 0.015 | 2.9 |
| BSG + TiO2 activated, hardened, and crushed | 95.5 ± 1 | 0.146 | 2.2 |
Publisher’s Note: MDPI stays neutral with regard to jurisdictional claims in published maps and institutional affiliations. |
© 2022 by the authors. Licensee MDPI, Basel, Switzerland. This article is an open access article distributed under the terms and conditions of the Creative Commons Attribution (CC BY) license (https://creativecommons.org/licenses/by/4.0/).
Share and Cite
Mehta, A.; Karbouche, K.; Kraxner, J.; Elsayed, H.; Galusek, D.; Bernardo, E. Upcycling of Pharmaceutical Glass into Highly Porous Ceramics: From Foams to Membranes. Materials 2022, 15, 3784. https://doi.org/10.3390/ma15113784
Mehta A, Karbouche K, Kraxner J, Elsayed H, Galusek D, Bernardo E. Upcycling of Pharmaceutical Glass into Highly Porous Ceramics: From Foams to Membranes. Materials. 2022; 15(11):3784. https://doi.org/10.3390/ma15113784
Chicago/Turabian StyleMehta, Akansha, Khaoula Karbouche, Jozef Kraxner, Hamada Elsayed, Dušan Galusek, and Enrico Bernardo. 2022. "Upcycling of Pharmaceutical Glass into Highly Porous Ceramics: From Foams to Membranes" Materials 15, no. 11: 3784. https://doi.org/10.3390/ma15113784
APA StyleMehta, A., Karbouche, K., Kraxner, J., Elsayed, H., Galusek, D., & Bernardo, E. (2022). Upcycling of Pharmaceutical Glass into Highly Porous Ceramics: From Foams to Membranes. Materials, 15(11), 3784. https://doi.org/10.3390/ma15113784

