Proof of Concept of an Irradiance Estimation System for Reconfigurable Photovoltaic Arrays
Abstract
:1. Introduction
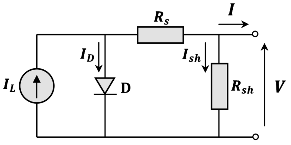
2. Photovoltaic Mathematical Model

- IL is the light-generated current,
- I0 the diode reverse saturation current,
- Rs and Rsh respectively the cell series and shunt resistance,
- Ns the number of cells series-connected,
- A the ideality factor,
- Vt is the thermal voltage which can be calculated as kTc/q, where k is the Boltzmann’s constant, q the electron charge and Tc the temperature of cell.
3. Irradiance Estimation System—IrradEst

3.1. Conditioning Circuit
3.2. Measuring Switches
3.3. Microcontroller
4. Experimental Tests and Results
4.1. Description of the Experimental Setup and Procedures
4.2. Test Explanation
| Solar module | Kyocera 175GHT2 |
|---|---|
| Pyranometer-Data Logger | Kipp and Zonen CMP 3 |
| Ambient Temperature | Delta Ohm TP 472 PT 100 |
| Cell Temperature | Delta Ohm TP 878.1 PT 100 |
| Temperature Data Logger | Delta Ohm DO9847 |
| Multimeter | Fluke 89 IV |
| Potentiometer | 0–10 Ω, supporting currents up to 10A |

- (1)
- K1 and K2 switches were closed in order to set the PV module in short-circuit and current Isc was acquired;
- (2)
- K1 switch was opened so that the load is not bypassed and the under-load voltage VL, current IL and cell temperature Ti were measured;
- (3)
- K1 and K2 switches were opened so that load was disconnected and open-circuit voltage Voc was sensed.
- (4)
- The estimated radiations were calculated:
- (a)
- GIsc calculated by Equation (8) using Isc and Ti;
- (b)
- Gload calculated by Equation (6) using VL, IL and Ti;
- (c)
- GVoc calculated by Equation (7) using Voc and Ti;
- (5)
- The acquired data and the estimated irradiances were sent to the host PC. New data was provided every 15 s (the acquisition period can be adjusted).

4.3. Analysis of the Experimental Results

| Methods | % | ||
|---|---|---|---|
| Short-circuit | 48 | 58 | 6.4 |
| Load | 55 | 64 | 6.8 |
| Open-circuit | 87 | 8 | 11.3 |
| Variable | Gisc | Gvoc | GLoad |
|---|---|---|---|
| V | - | 17 | 0.06 |
| I | 1.04 | - | 0.98 |
| T | 0.5 | 22 | 0.045 |
4.4. Application to Reconfigurable PV Arrays

5. Conclusions
Further Developments
Acknowledgments
Conflicts of Interest
References
- La Manna, D.; Li Vigni, V.; Riva Sanseverino, E.; Di Dio, V.; Romano, P. Reconfigurable electrical interconnection strategies for photovoltaic arrays: A review. Renew. Sustain. Energy Rev. 2014, 33, 412–426. [Google Scholar] [CrossRef]
- Kim, K.A.; Lertburapa, S.; Xu, C.Y. Efficiency and cost trade-offs for designing module integrated converter photovoltaic systems. In Proceedings of the Power Energy Conference at Illinois (PECI), Champaign, IL, USA, 24–25 February 2012.
- Elasser, A.; Agamy, M.; Sabate, J.; Steigerwald, R.; Fisher, R.; Harfman-Todorovic, M. A comparative study of central and distributed MPPT architectures for megawatt utility and large scale commercial photovoltaic plants. In Proceedings of the IECON 2010—36th Annual Conference on IEEE Industrial Electronics Society, Glendale, AZ, USA, 7–10 November 2010.
- Zhang, Z.; Chen, M.; Chen, W.; Qian, Z.M. Design and Analysis of the synchronization control method for BCM/DCM current-mode flyback micro-inverter. In Proceedings of the 2013 Twenty–Eighth Annual IEEE, Long Beach Applied Power Electronics Conference and Exposition (APEC), CA, USA, 17–21 March 2013.
- Ramos-Pajaet, C.A.; Bastidas, J.D.; Saavedra-Montes, A.J.; Guinjoan-Gispert, F.; Goez, M. Mathematical model of total cross-tied photovoltaic arrays in mismatching conditions. In Proceedings of the 2012 IEEE 4th Colombian Workshop on Circuits and Systems (CWCAS), Barranquilla, Colombia, 1–2 November 2012.
- Villa, L.F.L.; Picault, D.; Raison, B.; Bacha, S.; Labonne, A. Maximizing the power output of partially shaded photovoltaic plants through optimization of the interconnections among its modules. IEEE J. Photovolt. 2012, 154–163. [Google Scholar] [CrossRef]
- Wang, Y.J.; Hsu, P.C. An investigation on partial shading of PV modules with different connection configurations of PV cells. Energy 2011, 36, 3069–3078. [Google Scholar] [CrossRef]
- Nguyen, D.; Boston, M.A.; Lehman, B. An Adaptive Solar Photovoltaic Array Using Model-Based Reconfiguration Algorithm. IEEE Trans. Ind. Electron. 2008, 55, 2644–2654. [Google Scholar] [CrossRef]
- Alahmad, M.; Chaaban, M.A.; Lau, S.K.; Shi, J.; Neal, J. An adaptive utility interactive photovoltaic system based on a flexible switch matrix to optimize performance in real-time. Sol. Energy 2012, 86, 951–963. [Google Scholar] [CrossRef]
- Husain, N.S.; Zainal, N.A.; Singh, B.S.M.; Mohamed, N.M.; Mohd Nor, N. Integrated PV based solar insolation measurement and performance monitoring system. In Proceedings of the Science and Engineering 2011 IEEE Colloquium on Humanities, Penang, Malaysia, 5–6 December 2011.
- So, J.H.; Jung, Y.S.; Yu, G.J.; Choi, J.Y.; Choi, J.H. Performance results and analysis of 3kW grid-connected PV systems. Renew. Energy 2007, 32, 1858–1872. [Google Scholar] [CrossRef]
- Kang, M.S.; Kang, H.; Choi, E.C. Monitoring technology available for measuring multiple-photovoltaic panel arrays. In Proceedings of the TENCON Spring Conference, Sydney, Australia, 17–19 April 2013.
- Rivai, A.; Rahim, N. A low-cost photovoltaic (PV) array monitoring system. In Proceedings of the 2013 IEEE Conference on Clean Energy and Technology (CEAT), Lankgkawi, Malaysia, 18–20 November 2013; pp. 169–174.
- Prieto, M.J.; Pernia, A.M.; Nuno, F.; Diaz, J.; Villegas, P.J. Development of a Wireless Sensor Network for Individual Monitoring of Panels in a Photovoltaic Plant. Sensors 2014, 14, 2379–2396. [Google Scholar] [CrossRef] [PubMed]
- Patnaik, B. Distributed multi-sensor network for real time monitoring of illumination states for a reconfigurable solar photovoltaic array. Phys. Technol. 2012. [Google Scholar] [CrossRef]
- Zou, X.; Li, B.; Zhai, Y.H.; Liu, H.T. Performance Monitoring and Test System for Grid-Connected Photovoltaic Systems. In Proceedings of the Asia-Pacific Power and Energy Engineering Conference (APPEEC), Shanghai, China, 27–29 March 2012.
- Robinson Rodriguez, D.; Jutinico Alarcon, A.L.; Jimenez Moreno, R. Monitoring system for global solar radiation, temperature, current and power for a photovoltaic system interconnected with the electricity distribution network in Bogota. In Proceedings of the 56th International Midwest Symposium on Circuits and Systems, Columbus, OH, USA, 4–7 August 2013.
- Chouder, A.; Silvestre, S.; Taghezouit, B.; Karatepe, E. Monitoring, modelling and simulation of PV systems using LabVIEW. Sol. Energy 2013, 91, 337–349. [Google Scholar] [CrossRef]
- Chao, K.H.; Ho, S.H.; Wang, M.H. Modeling and fault diagnosis of a photovoltaic system. Electr. Power Syst. Res. 2008, 78, 97–105. [Google Scholar] [CrossRef]
- Chouder, A.; Silvestre, S. Automatic supervision and fault detection of PV systems based on power losses analysis. Energy Convers. Manag. 2010, 51, 1929–1937. [Google Scholar] [CrossRef]
- Alonso-Garcia, M.C.; Ruiz, J.M.; Chenlo, F. Experimental study of mismatch and shading effects in the I–V characteristic of a photovoltaic module. Sol. Energy Mater. Sol. Cells 2006, 90, 329–340. [Google Scholar] [CrossRef]
- Maki, A.; Valkealahti, S. Power losses in long string and parallel-connected short strings of series-connected silicon-based photovoltaic modules due to partial shading conditions. IEEE Trans. Energy Convers. 2012, 27, 173–183. [Google Scholar] [CrossRef]
- Bonanno, F.; Capizzi, G.; Graditi, C.N.; Tina, G.M. A radial basis function neural network based approach for the electrical characteristics estimation of a photovoltaic module. Appl. Energy 2012, 97, 956–961. [Google Scholar] [CrossRef]
- Calò, P.; Fiscelli, G.; Lo Bue, F.; Di Stefano, A.; Giaconia, C. An Electronic Emulator of Combined Photovoltaic and Solar Thermal Systems. In Proceedings of the 2010 Fifth International Conference on Ecological Vehicles and Renewable Energies (EVER), Monaco, 25–28 March 2010.
- Velasco-Quesada, G.; Negroni, J.J.; Guinjoan, F.; Pique, R. Radiation equalization method for output power optimization in plant oriented grid-connected PV generators. In Proceedings of the European Conference on Power Electronics and Applications, Dresden, Germany, 11–14 September 2005.
- Wilson, P.; Storey, J. Improved optimization strategy for radiation equalization in dynamic photovoltaic arrays. IEEE Trans. Power Electron. 2013, 28, 2946–2956. [Google Scholar]
- Romano, P.; Candela, R.; Cardinale, M.; Li, V.V.; Musso, D.; Riva, S.E. Optimization of photovoltaic energy production through an efficient switching matrix. J. Sustain. Dev. Energy Water Environ. Syst. 2013, 1, 227–236. [Google Scholar]
- Nguyen, D.D. Modeling and reconfiguration of solar photovoltaic arrays under non-uniform shadow conditions. Electr. Eng. Diss. 2008, Paper 14. [Google Scholar]
- Chaaban, M.A.; Alahmad, M.; Neal, J.; Shi, J.; Berryman, C.; Cho, Y.; Lau, S.; Li, H.; Schwer, A.; Shen, Z.; Stansbury, J.; Zhang, T. Adaptive photovoltaic system. In Proceedings of the IECON 2010—36th Annual Conference on IEEE Industrial Electronics Society, Glendale, AZ, USA, 7–10 November 2010; pp. 3192–3197.
- Patnaik, B.; Sharma, P.; Trimurthulu, E.; Duttagupta, S.P.; Agarwal, V. Reconfiguration strategy for optimization of solar photovoltaic array under non-uniform illumination conditions. In Proceedings of the 2011 37th IEEE Photovoltaic Specialists Conference, Seattle, WA, USA, 19–24 June 2011; pp. 1859–1864.
- Velasco-Quesada, G.; Guinjoan-Gispert, F.; Pique-Lopez, R.; Roman-Lumbreras, M.; Conesa-Roca, A. Electrical PV array reconfiguration strategy for energy extraction improvement in grid-connected PV systems. IEEE Trans. Ind. Electron. 2009, 56, 4319–4331. [Google Scholar] [CrossRef]
- Mohammadmehdi, S.; Mekhilef, S.; Rahmani, R.; Yusof, R.; Renani, E.T. Analytical modeling of partially shaded photovoltaic systems. Energies 2013, 6, 128–144. [Google Scholar]
- Ciulla, G.; Brano, V.L.; Dio, V.D.; Cipriani, G. A comparison of different one-diode models for the representation of I–V characteristic of a PV cell. Renew. Sustain. Energy Rev. 2014, 32, 684–696. [Google Scholar]
- Cipriani, G.; Dio, V.D.; Cascia, D.L.; Miceli, R.; Rizzo, R. A novel approach for parameters determination in four lumped PV parametric model with operative range evaluations. Int. Rev. Electr. Eng. 2013, 8, 1008–1017. [Google Scholar]
- Jazayeri, M.; Uysal, S.; Jazayeri, K. A simple Matlab/Simulink simulation for PV Modules Based on One Diode Model. In Proceedings of the 2013 10th International Conference on High Capacity Optical Networks and Enabling Technologies, Magosa, Cyprus, 11–13 December 2013.
- Celik, A.N.; Nasir, A. Modelling and experimental verification of the operating current of mono-crystalline photovoltaic modules using four-and five-parameter models. Appl. Energy 2007, 84, 1–15. [Google Scholar] [CrossRef]
- Skoplaki, E.; Palyvos, J. On the temperature dependence of photovoltaic module electrical performance: A review of efficiency/power correlations. Sol. Energy 2009, 83, 614–624. [Google Scholar] [CrossRef]
- De Soto, W.; Klein, S.A.; Beckman, W.A. Improvement and validation of a model for photovoltaic array performance. Sol. Energy 2006, 80, 78–88. [Google Scholar] [CrossRef]
- Armstrong, S.; Hurley, W.G. A thermal model for photovoltaic panels under varying atmospheric conditions. Appl. Ther. Eng. 2010, 30, 1488–1495. [Google Scholar] [CrossRef]
- Villalva, M.G.; Gazoli, J.R. Comprehensive approach to modeling and simulation of photovoltaic arrays. IEEE Trans. Power Electron. 2009, 24, 1198–1208. [Google Scholar] [CrossRef]
- Patel, H.; Agarwal, V. MATLAB-Based Modeling to Study the Effects of Partial Shading on PV Array Characteristics. IEEE Trans. Energy Convers. 2008, 23, 302–310. [Google Scholar] [CrossRef]
- David, L.; King, J.; Kratochvil, A.; Boyson, E. Measuring solar spectral and angle-of-incidence effects on photovoltaic modules and solar irradiance sensors. In Proceedings of the Conference Record of the Twenty-Sixth IEEE Photovoltaic Specialists Conference, Anaheim, CA, USA, 29 September–3 October 1997.
- Moballegh, S.; Jiang, J. Partial shading modeling of photovoltaicsystem with experimentalvalidations. In Proceedings of the Power and Energy Society General Meeting, 2011 IEEE, San Diego, CA, USA, 24–29 July 2011.
- Abete, A.; Barbisio, E.; Cane, P.; Demartini, P. Analysis of photovoltaicmodules with protectiondiodes in presence of mismatching. In Proceedings of the 1990 Conference Record of the Twenty First IEEE PhotovoltaicSpecialists Conference, Kissimmee, FL, USA, 21–25 May 1990.
- Wang, Y.J.; Lin, S.S. Analysis of a partiallyshaded PV array considering different module connection schemes and effects of bypass diodes. In Proceedings of the 2011 International Conference and IEEE Utility Exhibitionon Power and Energy Systems: Issues & Prospects for Asia (ICUE), Pattaya, Thailand, 28–30 September 2011.
- Shmilovitz, D.; Levron, Y. Distributed Maximum Power Point Tracking in Photovoltaic Systems—Emerging Architectures and Control Methods. Automatika 2012, 53, 142–155. [Google Scholar] [CrossRef]
© 2015 by the authors; licensee MDPI, Basel, Switzerland. This article is an open access article distributed under the terms and conditions of the Creative Commons Attribution license (http://creativecommons.org/licenses/by/4.0/).
Share and Cite
Vigni, V.L.; Manna, D.L.; Sanseverino, E.R.; Di Dio, V.; Romano, P.; Di Buono, P.; Pinto, M.; Miceli, R.; Giaconia, C. Proof of Concept of an Irradiance Estimation System for Reconfigurable Photovoltaic Arrays. Energies 2015, 8, 6641-6657. https://doi.org/10.3390/en8076641
Vigni VL, Manna DL, Sanseverino ER, Di Dio V, Romano P, Di Buono P, Pinto M, Miceli R, Giaconia C. Proof of Concept of an Irradiance Estimation System for Reconfigurable Photovoltaic Arrays. Energies. 2015; 8(7):6641-6657. https://doi.org/10.3390/en8076641
Chicago/Turabian StyleVigni, Vincenzo Li, Damiano La Manna, Eleonora Riva Sanseverino, Vincenzo Di Dio, Pietro Romano, Pietro Di Buono, Maurizio Pinto, Rosario Miceli, and Costantino Giaconia. 2015. "Proof of Concept of an Irradiance Estimation System for Reconfigurable Photovoltaic Arrays" Energies 8, no. 7: 6641-6657. https://doi.org/10.3390/en8076641
APA StyleVigni, V. L., Manna, D. L., Sanseverino, E. R., Di Dio, V., Romano, P., Di Buono, P., Pinto, M., Miceli, R., & Giaconia, C. (2015). Proof of Concept of an Irradiance Estimation System for Reconfigurable Photovoltaic Arrays. Energies, 8(7), 6641-6657. https://doi.org/10.3390/en8076641

