Analysis and Compensation of Current Measurement Errors in Machine Drive Systems—A Review
Abstract
1. Introduction
2. Analysis of Current Measurement Error
3. Compensation for Current Measurement Error
3.1. High-Frequency Current Measurement Error
3.2. Low-Frequency Current Measurement Error
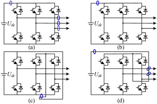
3.3. CME in Special Topologies
4. Future Trends
5. Conclusions
Author Contributions
Funding
Conflicts of Interest
References
- Sonandkar, S.; Selvaraj, R.; Chelliah, T.R. Fault Tolerant Capability of Battery Assisted Quasi-Z-Source Inverter Fed Five Phase PMSM Drive for Marine Propulsion Applications. In Proceedings of the 2020 IEEE International Conference on Power Electronics, Drives and Energy Systems (PEDES), Jaipur, India, 16–19 December 2020; pp. 1–6. [Google Scholar] [CrossRef]
- Choo, K.-M.; Won, C.-Y. Design and Analysis of Electrical Braking Torque Limit Trajectory for Regenerative Braking in Electric Vehicles With PMSM Drive Systems. IEEE Trans. Power Electron. 2020, 35, 13308–13321. [Google Scholar] [CrossRef]
- Bharatiraja, C.; Vinoth, J. A New Three Phase Twelve Switch Inverter for Three Wheel PMSM Drive Electric Transportation. In Proceedings of the 2024 IEEE 4th International Conference on Sustainable Energy and Future Electric Transportation (SEFET), Hyderabad, India, 31 July–3 August 2024; pp. 1–6. [Google Scholar] [CrossRef]
- Wang, Y.; Meng, J.; Zhang, X.; Xu, L. Control of PMSG-Based Wind Turbines for System Inertial Response and Power Oscillation Damping. IEEE Trans. Sustain. Energy 2015, 6, 565–574. [Google Scholar] [CrossRef]
- Miyama, Y.; Ishizuka, M.; Kometani, H.; Akatsu, K. Vibration Reduction by Applying Carrier Phase-Shift PWM on Dual Three-Phase Winding Permanent Magnet Synchronous Motor. IEEE Trans. Ind. Appl. 2018, 54, 5998–6004. [Google Scholar] [CrossRef]
- Cheema, M.A.M.; Fletcher, J.E.; Xiao, D.; Rahman, M.F. A Linear Quadratic Regulator-Based Optimal Direct Thrust Force Control of Linear Permanent-Magnet Synchronous Motor. IEEE Trans. Ind. Electron. 2016, 63, 2722–2733. [Google Scholar] [CrossRef]
- Jiang, C.; Liu, H.; Wheeler, P.; Wu, F.; Cai, Z.; Huo, J. A Novel Open-Circuit Fault Detection and Location for Open-End Winding PMSM Based on Differential-Mode Components. IEEE Trans. Ind. Electron. 2022, 69, 7776–7786. [Google Scholar] [CrossRef]
- Lee, H.; Lee, J. Design of Iterative Sliding Mode Observer for Sensorless PMSM Control. IEEE Trans. Control. Syst. Technol. 2013, 21, 1394–1399. [Google Scholar] [CrossRef]
- Gao, J.; Gong, C.; Li, W.; Liu, J. Novel Compensation Strategy for Calculation Delay of Finite Control Set Model Predictive Current Control in PMSM. IEEE Trans. Ind. Electron. 2020, 67, 5816–5819. [Google Scholar] [CrossRef]
- Niu, F.; Wang, B.; Babel, A.S.; Li, K.; Strangas, E.G. Comparative Evaluation of Direct Torque Control Strategies for Permanent Magnet Synchronous Machines. IEEE Trans. Power Electron. 2016, 31, 1408–1424. [Google Scholar] [CrossRef]
- Cho, K.-R.; Seok, J.-K. Correction on Current Measurement Errors for Accurate Flux Estimation of AC Drives at Low Stator Frequency. IEEE Trans. Ind. Appl. 2008, 44, 594–603. [Google Scholar] [CrossRef]
- Bourns, Inc. Using Current Sense Resistors for Accurate Current Measurement, Jan. 2017. Available online: https://www.bourns.com/docs/technical-documents/technical-library/current-sense-pulse-power-high-power-resistors/application-notes/bourns_n1702_current_sense_accurate_measurement_appnote.pdf (accessed on 5 March 2025).
- Crescentini, M.; Syeda, S.F.; Gibiino, G.P. Hall-Effect Current Sensors: Principles of Operation and Implementation Techniques. IEEE Sensors J. 2022, 22, 10137–10151. [Google Scholar] [CrossRef]
- Li, J.; Ren, W.; Luo, Y.; Zhang, X.; Liu, X.; Zhang, X. Design of Fluxgate Current Sensor Based on Magnetization Residence Times and Neural Networks. Sensors 2024, 24, 3752. [Google Scholar] [CrossRef] [PubMed]
- Mühlthaler, J.; Lehner, B.; Reeh, A. Detection of Inter-Turn Short-Circuits in Permanent Magnet Machines Based on Rogowski & Search Coil Based Monitoring. In Proceedings of the 2024 International Conference on Electrical Machines (ICEM), Torino, Italy, 1–4 September 2024; pp. 1–8. [Google Scholar] [CrossRef]
- Singh, R.P.; Khambadkone, A.M. Giant Magneto Resistive (GMR) Effect Based Current Sensing Technique for Low Voltage/High Current Voltage Regulator Modules. IEEE Trans. Power Electron. 2008, 23, 915–925. [Google Scholar] [CrossRef]
- Xiao, C.; Zhao, L.; Asada, T.; Odendaal, W.; Van Wyk, J. An overview of integratable current sensor technologies. In Proceedings of the 38th IAS Annual Meeting on Conference Record of the Industry Applications Conference, Salt Lake City, UT, USA, 12–16 October 2003; Volume 2. [Google Scholar] [CrossRef]
- Patel, A. Current Measurement in Power Electronic and Motor Drive Applications—A Comprehensive Study. Master’s Thesis, University of Missouri, Rolla, MO, USA, 2007. Available online: https://scholarsmine.mst.edu/masters_theses/4581 (accessed on 5 March 2025).
- Ziegler, S.; Woodward, R.C.; Iu, H.H.-C.; Borle, L.J. Current Sensing Techniques: A Review. IEEE Sensors J. 2009, 9, 354–376. [Google Scholar] [CrossRef]
- Kawahara, S.; Furuta, Y.; Wada, S.; Taniguchi, S.; Nezuka, T. A 30-nΩ Accuracy Low Power Two-Step Ratiometric Shunt Resistance Measurement System Using a Switching Regulator- Based Current Generator for Shunt-Based Current Sensors. IEEE Sens. J. 2024, 24, 40188–40195. [Google Scholar] [CrossRef]
- Chen, Q.; Li, K.; Ahmed, R. A high-bandwidth current shunt resistor for testing GaN devices. IET Conf. Proc. 2024, 2024, 547–552. [Google Scholar] [CrossRef]
- Zhang, W.; Zhang, Z.; Wang, F.; Brush, E.V.; Forcier, N. High-Bandwidth Low-Inductance Current Shunt for Wide-Bandgap Devices Dynamic Characterization. IEEE Trans. Power Electron. 2021, 36, 4522–4531. [Google Scholar] [CrossRef]
- Moon, J.-S.; Kim, J.-Y.; Lee, J.-S.; Kim, S.-J.; Lee, W.-R. The control strategy of In-wheel motor drive system using inverter leg shunt resistors. In Proceedings of the 2021 24th International Conference on Electrical Machines and Systems (ICEMS), Gyeongju, Republic of Korea, 31 October–3 November 2021; pp. 1742–1746. [Google Scholar]
- Guo, W.; Xiao, G.; Wang, L.; Gao, K. A Current Monitoring Method for Wire-bonding Power Modules based on Magnetoresistance-Planar Rogowski Coil. In Proceedings of the 2024 IEEE 10th International Power Electronics and Motion Control Conference (IPEMC2024-ECCE Asia), Chengdu, China, 17–20 May 2024; pp. 702–706. [Google Scholar]
- Liu, X.; He, Y.; Huang, H.; Xu, Q.; Huang, T. A Method for Increasing the Bandwidth of Rogowski Coils Without Changing Their Size. IEEE Trans. Instrum. Meas. 2022, 71, 1–10. [Google Scholar] [CrossRef]
- Krýsl, P.; Jára, M. Design of Current Measurement Circuit Using PCB Rogowski Coils for Resonant Converters. In Proceedings of the 2024 21st International Conference on Mechatronics-Mechatronika (ME), Brno, Czech Republic, 4–6 December 2024; pp. 1–4. [Google Scholar]
- Moser, S.; Incurvati, M.; Schiestl, M.; Stärz, R. Non-invasive wide-bandwidth current sensor for wide-bandgap devices. In Proceedings of the 2023 25th European Conference on Power Electronics and Applications (EPE’23 ECCE Europe), Aalborg, Denmark, 4–8 September 2023; pp. 1–7. [Google Scholar]
- Chen, B.; Zhang, Z.; Wu, Y.; Tian, C.; Chen, Y. A Novel Anti-DC Bias Energy Meter Based on Magnetic-Valve-Type Current Transformer. IEEE Trans. Instrum. Meas. 2022, 71, 1–9. [Google Scholar] [CrossRef]
- Hu, Y.; Ottoboni, R.; Li, J. A Novel Method for DC Current Measurement Using Current Transformer. IEEE Trans. Instrum. Meas. 2024, 73, 1–9. [Google Scholar] [CrossRef]
- Simonetti, F.; Mohamadian, S.; Buccella, C.; Cecati, C. DC Current Suppression in CHB-STATCOM With Model Predictive Control Employing Current Transformers. IEEE Trans. Ind. Electron. 2024, 71, 13135–13145. [Google Scholar] [CrossRef]
- Bashir, S.; Paul, S.; Chang, J. Novel Core Airgap Profiles Design Scheme for Winding and Thermal Loss Reduction in High-Frequency Current Transformer Sensors. IEEE Sensors J. 2020, 20, 892–898. [Google Scholar] [CrossRef]
- Fritsch, M.; Wolter, M. Saturation of High-Frequency Current Transformers: Challenges and Solutions. IEEE Trans. Instrum. Meas. 2023, 72, 1–10. [Google Scholar] [CrossRef]
- Wang, R.; Du, G.; Xiao, W.; Zhang, B.; Qiu, D. Wide Range Energy Harvesting Technique for Current Transformer Based on Coil Adaptive Switching. IEEE Sensors J. 2024, 24, 41875–41884. [Google Scholar] [CrossRef]
- Kim, K.; Kim, Y.; Han, J.-H.; Hong, S.-K. Analysis and Compensation of Phase Shift Errors of an Open-Loop Current Transducer Considering Eddy Current. IEEE Access 2024, 12, 62730–62737. [Google Scholar] [CrossRef]
- Zapf, F.; Weiss, R.; Itzke, A.; Gordon, R.; Weigel, R. Mechanically Flexible Sensor Array for Current Measurement. IEEE Trans. Instrum. Meas. 2020, 69, 8554–8561. [Google Scholar] [CrossRef]
- Qiu, G.; Ran, L.; Feng, H.; Jiang, H.; Long, T.; Forsyth, A.J.; Shao, W.; Hou, X. A Fluxgate-Based Current Sensor for DC Bias Elimination in a Dual Active Bridge Converter. IEEE Trans. Power Electron. 2022, 37, 3233–3246. [Google Scholar] [CrossRef]
- Sirat, A.P.; Niakan, H.; Gafford, J.; Parkhideh, B. Design and Development of Hybrid Current Sensors for Wide-Bandgap Power Electronics Applications. In Proceedings of the 2024 IEEE Applied Power Electronics Conference and Exposition (APEC), Long Beach, CA, USA, 25–29 February 2024; pp. 260–266. [Google Scholar]
- Wei, Y.; Li, C.; Zhao, W.; Xue, M.; Cao, B.; Chu, X.; Ye, C. Electrical Compensation for Magnetization Distortion of Magnetic Fluxgate Current Sensor. IEEE Trans. Instrum. Meas. 2022, 71, 1–9. [Google Scholar] [CrossRef]
- Tian, X.; Qian, Q.; Fu, W. Fluxgate Current Sensor Based on H-Bridge. In Proceedings of the 2023 6th International Conference on Electronics Technology (ICET), Chengdu, China, 12–15 May 2023; pp. 371–376. [Google Scholar]
- Scherzer, M.; Auer, M.; Valavanoglou, A.; Magnes, W. Implementation of a Fully Differential Low Noise Current Source for Fluxgate Sensors. In Proceedings of the 2022 IEEE 13th Latin America Symposium on Circuits and System (LASCAS), Puerto Varas, Chile, 1–4 March 2022; pp. 1–4. [Google Scholar]
- Yang, X.; Liu, H.; Wang, Y.; Wang, Y.; Dong, G.; Zhao, Z. A Giant Magneto Resistive (GMR) Effect Based Current Sensor with a Toroidal Magnetic Core as Flux Concentrator and Closed-Loop Configuration. IEEE Trans. Appl. Supercond. 2014, 24, 1–5. [Google Scholar] [CrossRef]
- Chen, Y.; Heredia, L.C.C.; Smit, J.J.; Niasar, M.G.; Ross, R. Giant Magneto-Resistive (GMR) Sensors for Non-Contacting Partial Discharge Detection. IEEE Trans. Instrum. Meas. 2023, 72, 1–11. [Google Scholar] [CrossRef]
- Kim, W.; Luo, S.; Lu, G.-Q.; Ngo, K.D.T. Integrated current sensor using giant magneto resistive (GMR) field detector for planar power module. In Proceedings of the 2013 Twenty-Eighth Annual IEEE Applied Power Electronics Conference and Exposition (APEC), Long Beach, CA, USA, 17–21 March 2013; pp. 2498–2505. [Google Scholar]
- Wireko-Brobby, A.; Hu, Y.; Wang, G.; Gong, C.; Lang, W.; Zhang, Z. Analysis of the Sources of Error Within PMSM-Based Electric Powertrains—A Review. IEEE Trans. Transp. Electrif. 2024, 10, 6370–6406. [Google Scholar] [CrossRef]
- Babayomi, O.; Zhang, Z.; Li, Z. Model-Free Predictive Control of DC–DC Boost Converters: Sensor Noise Suppression with Hybrid Extended State Observers. IEEE Trans. Power Electron. 2024, 39, 245–259. [Google Scholar] [CrossRef]
- Yang, D.; Ruan, X.; Wu, H. A Real-Time Computation Method With Dual Sampling Mode to Improve the Current Control Performance of the LCL-Type Grid-Connected Inverter. IEEE Trans. Ind. Electron. 2015, 62, 4563–4572. [Google Scholar] [CrossRef]
- Ding, X.; Zhang, Y.; Ye, Z. Current Sensors Offset Fault Online Estimation in Permanent Magnet Synchronous Generator (PMSG) Drives for Offshore Wind Turbines. IEEE Access 2021, 9, 135996–136003. [Google Scholar] [CrossRef]
- Yoo, M.-S.; Park, S.W.; Choi, Y.-Y.; Han, S.-H.; Yoon, Y.-D. Current-Scaling Gain Compensation of Motor Drives Under Locked-Rotor Condition Considering Inequality of Phase Resistances. IEEE Trans. Ind. Appl. 2020, 56, 4915–4923. [Google Scholar] [CrossRef]
- Hu, M.; Hua, W.; Xiao, H.; Wang, Z.; Liu, K.; Cai, K.; Wang, Y. Fast Current Control Without Computational Delay by Minimizing Update Latency. IEEE Trans. Power Electron. 2021, 36, 12207–12212. [Google Scholar] [CrossRef]
- Chung, D.-W.; Sul, S.-K. Analysis and compensation of current measurement error in vector-controlled AC motor drives. IEEE Trans. Ind. Appl. 1998, 34, 340–345. [Google Scholar] [CrossRef]
- Song, Y.; Lu, J.; Hu, Y.; Zhang, W.; Su, Y.; Wu, X.; Liu, J. Expanding Limit of Minimum Sampling Time Using Auxiliary Vectors for PMSM Drives With Single DC-Link Current Sensor. IEEE Trans. Ind. Electron. 2023, 70, 3437–3448. [Google Scholar] [CrossRef]
- Lu, J.; Zhang, X.; Hu, Y.; Liu, J.; Gan, C.; Wang, Z. Independent Phase Current Reconstruction Strategy for IPMSM Sensorless Control Without Using Null Switching States. IEEE Trans. Ind. Electron. 2018, 65, 4492–4502. [Google Scholar] [CrossRef]
- Retianza, D.V.; Arrozy, J.; Van Duivenbode, J.; Huisman, H.; Vermulst, B. Sequential Error Disentanglement of Three-Phase Current Sensor for AC Machine in Standstill Conditions. IEEE Access 2022, 10, 113902–113914. [Google Scholar] [CrossRef]
- Lu, J.; Hu, Y.; Wang, J.; Song, Y.; Su, Y.; Liu, J. Synergistic Correction of Current Sampling Errors in Dual-Motor Powered Electric Powertrain for High Power Electric Vehicles. IEEE Trans. Ind. Electron. 2022, 69, 225–235. [Google Scholar] [CrossRef]
- Xu, Y.; Yan, H.; Zou, J.; Wang, B.; Li, Y. Zero Voltage Vector Sampling Method for PMSM Three-Phase Current Reconstruction Using Single Current Sensor. IEEE Trans. Power Electron. 2016, 32, 3797–3807. [Google Scholar] [CrossRef]
- Lu, J.; Hu, Y.; Liu, J. Analysis and Compensation of Sampling Errors in TPFS IPMSM Drives With Single Current Sensor. IEEE Trans. Ind. Electron. 2019, 66, 3852–3855. [Google Scholar] [CrossRef]
- Lu, J.; Hu, Y.; Liu, J.; Wen, H. Self-Calibration of Phase Current Sensors With Sampling Errors by Multipoint Sampling of Current Values in a Single PWM Cycle. IEEE Trans. Ind. Electron. 2021, 68, 2942–2951. [Google Scholar] [CrossRef]
- Lu, J.; Hu, Y.; Liu, J.; Wang, J.; Li, P. Fixed-Point Sampling Strategy for Estimation on Current Measurement Errors in IPMSM Drives. IEEE Trans. Power Electron. 2021, 36, 5748–5759. [Google Scholar] [CrossRef]
- Gao, F.; Yin, Z.; Li, L.; Li, T.; Liu, J. Gaussian Noise Suppression in Deadbeat Predictive Current Control of Permanent Magnet Synchronous Motors Based on Augmented Fading Kalman Filter. IEEE Trans. Energy Convers. 2023, 38, 1410–1420. [Google Scholar] [CrossRef]
- Yan, L.; Zhu, Z.Q.; Shao, B. Current Measurement Gain Compensation Using High-Frequency Signal Injection in Dual Three-Phase PMSM Systems. IEEE Trans. Ind. Electron. 2024, 71, 3472–3482. [Google Scholar] [CrossRef]
- Song, Z.; Ma, X.; Yu, Y. Design of Zero-Sequence Current Controller for Open-End Winding PMSMs Considering Current Measurement Errors. IEEE Trans. Power Electron. 2020, 35, 6127–6139. [Google Scholar] [CrossRef]
- Sun, P.; Wu, X.; Ni, R.; Nie, S. A Study of RLS Adaptive Filter Algorithm in Current Loop Noise Suppression of PMSM Vector Control System. In Proceedings of the 2019 22nd International Conference on Electrical Machines and Systems (ICEMS), Harbin, China, 11–14 August 2019; pp. 1–4. [Google Scholar]
- Zhu, H.; Fujimoto, H. Suppression of Current Quantization Effects for Precise Current Control of SPMSM Using Dithering Techniques and Kalman Filter. IEEE Trans. Ind. Inform. 2014, 10, 1361–1371. [Google Scholar] [CrossRef]
- Liu, D.; Wang, Q.; Li, Y.; Gao, J.; Dong, G.; Zhi, W.; Sun, Y.; Wang, Y. An Improved Model Predictive Control method with Luenberger Observer for Measurement Noise Suppression and Reduction of Current Ripples. In Proceedings of the 2023 3rd International Conference on Intelligent Power and Systems (ICIPS), Shenzhen, China, 20–22 October 2023; pp. 326–330. [Google Scholar]
- Babayomi, O.; Li, Z.; Wang, Y.; Li, J.; Zhang, Z. Model-Free Predictive Torque Control of PMSM Drives with Measurement Noise Suppression. In Proceedings of the 2023 IEEE 2nd International Power Electronics and Application Symposium (PEAS), Guangzhou, China, 10–13 November 2023; pp. 912–917. [Google Scholar]
- Dutta, R.; Badajena, H.; Chakraborty, B.; Routray, A.; Jenamani, M. Enhanced Data Acquisition System of Current Signature for Diagnosis of Variable Speed Induction Motor Drives with Full ADC Range Utilization and Noise Cancellation. In Proceedings of the 2023 IEEE 2nd Industrial Electronics Society Annual OnLine Conference (ONCON), Virtual, 8–10 December 2023; pp. 1–6. [Google Scholar]
- Weber, B.; Wiedmann, K.; Mertens, A. Increased signal-to-noise ratio of sensorless control using current oversampling. In Proceedings of the 2015 9th International Conference on Power Electronics and ECCE Asia (ICPE 2015-ECCE Asia), Seoul, Republic of Korea, 1–5 June 2015; pp. 1129–1134. [Google Scholar]
- Landsmann, P.; Paulus, D.; Dotlinger, A.; Kennel, R. Silent injection for saliency based sensorless control by means of current oversampling. In Proceedings of the 2013 IEEE International Conference on Industrial Technology (ICIT 2013), Cape Town, South Africa, 25–28 February 2013; pp. 398–403. [Google Scholar]
- Zhang, H.; Lei, Y.; Zhang, Y. Harmonics Influence Analysis on Current-Oversampling-based Position Estimation under Multi-mode PWM for IPMSM Sensorless Drives in Rail Transit Applications. In Proceedings of the 2024 IEEE 10th International Power Electronics and Motion Control Conference (IPEMC2024-ECCE Asia), Chengdu, China, 17–20 May 2024; pp. 4227–4232. [Google Scholar]
- Texas Instruments, Inc. Application Note: ADC Oversampling, Susmitha Bumadi, August, 2024. Available online: https://www.ti.com/lit/an/sprad55a/sprad55a.pdf (accessed on 5 March 2025).
- Analog Devices, Inc. Datasheet: 8-/6-/4-Channel DAS with 16-Bit, Bipolar Input, Simultaneous Sampling ADC AD7606/AD7606-6/AD7606-4. Available online: https://www.analog.com/media/en/technical-documentation/data-sheets/AD7606_7606-6_7606-4.pdf (accessed on 5 March 2025).
- Li, D.; Liu, Z.; Gui, X. Noise Analysis and Suppression for High Accuracy Current Sampling in Motor Control. In Proceedings of the 2024 IEEE 7th International Electrical and Energy Conference (CIEEC), Harbin, China, 10–12 May 2024; pp. 1123–1128. [Google Scholar]
- Analog Devices, Inc. Technical Articles: Understanding SAR ADCs: Their Architecture and Comparison with Other ADCs, Oct, 2001. Available online: https://www.analog.com/en/resources/technical-articles/successive-approximation-registers-sar-and-flash-adcs.html (accessed on 5 March 2025).
- Analog Devices, Inc. Technical Articles: Fundamental Principles Behind the Sigma-Delta ADC Topology: Part 1, Michael Clifford, Jan, 2016. Available online: https://www.analog.com/en/resources/technical-articles/behind-the-sigma-delta-adc-topology.html (accessed on 5 March 2025).
- Wang, L.; Shi, Y.; Li, H. Anti-EMI Noise Digital Filter Design for a 60-kW Five-Level SiC Inverter Without Fiber Isolation. IEEE Trans. Power Electron. 2018, 33, 13–17. [Google Scholar] [CrossRef]
- Oswald, N.; Anthony, P.; McNeill, N.; Stark, B.H. An Experimental Investigation of the Tradeoff between Switching Losses and EMI Generation With Hard-Switched All-Si, Si-SiC, and All-SiC Device Combinations. IEEE Trans. Power Electron. 2014, 29, 2393–2407. [Google Scholar] [CrossRef]
- Zhang, X.; Li, H.; Brothers, J.A.; Fu, L.; Perales, M.; Wu, J.; Wang, J. A Gate Drive With Power Over Fiber-Based Isolated Power Supply and Comprehensive Protection Functions for 15-kV SiC MOSFET. IEEE J. Emerg. Sel. Top. Power Electron. 2016, 4, 946–955. [Google Scholar] [CrossRef]
- Boroyevich, D. Use of SiC devices in medium-voltage converters. Proc. CPES Workshop WBG Power Electron. Adv. Distrib. Grids, Apr. 2016. Available online: https://www.nist.gov/system/files/documents/pml/high_megawatt/Boroyevich_db-Workshop-on-MV-WBG-PE-for-ADG-2016.pdf (accessed on 5 March 2025).
- Cvetanovic, R.; Petric, I.; Mattavelli, P.; Buso, S. Median Filters for Switching Noise Mitigation in Oversampled Power Electronics Control Systems. In Proceedings of the 2023 IEEE Energy Conversion Congress and Exposition (ECCE), Nashville, TN, USA, 29 October–2 November 2023; pp. 2725–2731. [Google Scholar]
- Cvetanovic, R.; Petric, I.Z.; Mattavelli, P.; Buso, S. Switching Noise Propagation and Suppression in Multisampled Power Electronics Control Systems. IEEE Trans. Power Electron. 2024, 39, 149–163. [Google Scholar] [CrossRef]
- Corradini, L.; Mattavelli, P.; Tedeschi, E.; Trevisan, D. High-Bandwidth Multisampled Digitally Controlled DC–DC Converters Using Ripple Compensation. IEEE Trans. Ind. Electron. 2008, 55, 1501–1508. [Google Scholar] [CrossRef]
- Kim, H.; Degner, M.W.; Guerrero, J.M.; Briz, F.; Lorenz, R.D. Discrete-Time Current Regulator Design for AC Machine Drives. IEEE Trans. Ind. Appl. 2010, 46, 1425–1435. [Google Scholar] [CrossRef]
- Naouar, M.-W.; Monmasson, E.; Naassani, A.A.; Slama-Belkhodja, I.; Patin, N. FPGA-Based Current Controllers for AC Machine Drives—A Review. IEEE Trans. Ind. Electron. 2007, 54, 1907–1925. [Google Scholar] [CrossRef]
- Ke, X.; Buchman, B. Current Control for Passivity of a Power Converter. International Patent Application WO2020048579A1, 12 March 2020. [Google Scholar]
- Yoo, M.-S.; Park, S.-W.; Lee, H.-J.; Yoon, Y.-D. Offline Compensation Method for Current Scaling Gains in AC Motor Drive Systems With Three-Phase Current Sensors. IEEE Trans. Ind. Electron. 2021, 68, 4760–4768. [Google Scholar] [CrossRef]
- Zhang, Q.; Guo, H.; Liu, Y.; Guo, C.; Zhang, F.; Zhang, Z.; Li, G. A Novel Error-Injected Solution for Compensation of Current Measurement Errors in PMSM Drive. IEEE Trans. Ind. Electron. 2023, 70, 4608–4619. [Google Scholar] [CrossRef]
- Harke, M.C.; Guerrero, J.M.; Degner, M.W.; Briz, F.; Lorenz, R.D. Current Measurement Gain Tuning Using High-Frequency Signal Injection. IEEE Trans. Ind. Appl. 2008, 44, 1578–1586. [Google Scholar] [CrossRef]
- Lu, J.; Hu, Y.; Chen, G.; Wang, Z.; Liu, J. Mutual Calibration of Multiple Current Sensors With Accuracy Uncertainties in IPMSM Drives for Electric Vehicles. IEEE Trans. Ind. Electron. 2019, 67, 69–79. [Google Scholar] [CrossRef]
- Zhang, Q.; Guo, H.; Guo, C.; Liu, Y.; Wang, D.; Lu, K.; Zhang, Z.; Zhuang, X.; Chen, D. An adaptive proportional-integral-resonant controller for speed ripple suppression of PMSM drive due to current measurement error. Int. J. Electr. Power Energy Syst. 2021, 129, 106866. [Google Scholar] [CrossRef]
- Zhang, Q.; Guo, H.; Liu, Y.; Guo, C.; Lu, K.; Wang, D.; Zhang, Z.; Sun, J. Robust plug-in repetitive control for speed smoothness of cascaded-PI PMSM drive. Mech. Syst. Signal Process. 2022, 163, 108090. [Google Scholar] [CrossRef]
- Xia, C.; Ji, B.; Yan, Y. Smooth Speed Control for Low-Speed High-Torque Permanent-Magnet Synchronous Motor Using Proportional–Integral–Resonant Controller. IEEE Trans. Ind. Electron. 2015, 62, 2123–2134. [Google Scholar] [CrossRef]
- Qian, W.; Panda, S.; Xu, J. Speed Ripple Minimization in PM Synchronous Motor Using Iterative Learning Control. IEEE Trans. Energy Convers. 2005, 20, 53–61. [Google Scholar] [CrossRef]
- Qian, W.; Panda, S.; Xu, J. Periodic speed ripples minimization in PM synchronous motors using repetitive learning variable structure control. ISA Trans. 2003, 42, 605–613. [Google Scholar] [CrossRef] [PubMed]
- Zhang, K.; Fan, M.; Yang, Y.; Zhu, Z.; Garcia, C.; Rodriguez, J. An Improved Adaptive Selected Harmonic Elimination Algorithm for Current Measurement Error Correction of PMSMs. IEEE Trans. Power Electron. 2021, 36, 13128–13138. [Google Scholar] [CrossRef]
- Choi, C.-H.; Cho, K.-R.; Seok, J.-K. Inverter Nonlinearity Compensation in the Presence of Current Measurement Errors and Switching Device Parameter Uncertainties. IEEE Trans. Power Electron. 2007, 22, 576–583. [Google Scholar] [CrossRef]
- Li, X.; Cheng, S.; Wang, D.; Ji, Z.; Hu, Y.; Lv, Y. A Nonintrusive Current Sensor Gain Tuning Method for Interior Permanent Magnet Synchronous Motor Drives Using Controlled Short-Circuit Tests. IEEE Trans. Transp. Electrif. 2022, 8, 1278–1288. [Google Scholar] [CrossRef]
- Harke, M.C.; Lorenz, R.D. The Spatial Effect and Compensation ofCurrent Sensor Differential Gains for Three-Phase Three-Wire Systems. IEEE Trans. Ind. Appl. 2008, 44, 1181–1189. [Google Scholar] [CrossRef]
- Lee, K.-W.; Kim, S.-I. Dynamic Performance Improvement of a Current Offset Error Compensator in Current Vector-Controlled SPMSM Drives. IEEE Trans. Ind. Electron. 2019, 66, 6727–6736. [Google Scholar] [CrossRef]
- Kim, S.-I.; Kim, J.-Y.; Lee, K.-W. Current Measurement Offset Error Compensation Scheme Considering Saturation of Current Controller in SPMSM Drives. IEEE Access 2023, 11, 17233–17240. [Google Scholar] [CrossRef]
- Kim, M.; Sul, S.-K.; Lee, J. Compensation of Current Measurement Error for Current-Controlled PMSM Drives. IEEE Trans. Ind. Appl. 2014, 50, 3365–3373. [Google Scholar] [CrossRef]
- Bai, Y.; Li, B.; Wang, Q.; Ding, D.; Zhang, G.; Wang, G.; Xu, D. An Adaptive-Frequency Harmonic Suppression Strategy Based on Vector Reconstruction for Current Measurement Error of PMSM Drives. IEEE Trans. Power Electron. 2023, 38, 34–40. [Google Scholar] [CrossRef]
- Jung, H.-S.; Hwang, S.-H.; Kim, J.-M.; Kim, C.-U.; Choi, C. Diminution of Current-Measurement Error for Vector-Controlled AC Motor Drives. IEEE Trans. Ind. Appl. 2006, 42, 1249–1256. [Google Scholar] [CrossRef]
- Park, G.-G.; Hwang, S.-H.; Kim, J.-M.; Lee, K.-B.; Lee, D.-C. Reduction of Current Ripples due to Current Measurement Errors in a Doubly Fed Induction Generator. J. Power Electron. 2010, 10, 313–319. [Google Scholar] [CrossRef]
- Lee, S.; Kim, H.; Lee, K. Current Measurement Offset Error Compensation in Vector-Controlled SPMSM Drive Systems. IEEE J. Emerg. Sel. Top. Power Electron. 2022, 10, 2619–2628. [Google Scholar] [CrossRef]
- Hu, M.; Hua, W.; Wu, Z.; Dai, N.; Xiao, H.; Wang, W. Compensation of Current Measurement Offset Error for Permanent Magnet Synchronous Machines. IEEE Trans. Power Electron. 2020, 35, 11119–11128. [Google Scholar] [CrossRef]
- Zuo, Y.; Wang, H.; Ge, X.; Zuo, Y.; Woldegiorgis, A.T.; Feng, X.; Lee, C.H.T. A Novel Current Measurement Offset Error Compensation Method Based on the Adaptive Extended State Observer for IPMSM Drives. IEEE Trans. Ind. Electron. 2024, 71, 3371–3382. [Google Scholar] [CrossRef]
- Cho, K.-R.; Seok, J.-K. Pure-Integration-Based Flux Acquisition with Drift and Residual Error Compensation at a Low Stator Frequency. IEEE Trans. Ind. Appl. 2009, 45, 1276–1285. [Google Scholar] [CrossRef]
- Song, P.; Ma, E.; Wang, Y.; Wang, T.; Li, H.; Wu, L. Compensation of Current Measurement Error in PMSM Drives Based on Virtual Windings. In Proceedings of the 2024 International Conference on Electrical Machines (ICEM), Torino, Italy, 1–4 September 2024; pp. 1–7. [Google Scholar]
- Song, P.; Wang, Y.; Ma, E.; Wu, L.; Wang, T.; Li, H. Current Measurement Error Compensation Based on Modified Multiple Complex-Coefficient Filters in PMSM Drives. IEEE Trans. Power Electron. 2025, 40, 4067–4079. [Google Scholar] [CrossRef]
- Lu, J.; Hu, Y.; Liu, J.; Wang, Z. All Current Sensor Survivable IPMSM Drive With Reconfigurable Inverter. IEEE Trans. Ind. Electron. 2020, 67, 6331–6341. [Google Scholar] [CrossRef]
- Song, Y.; Lu, J.; Hu, Y.; Wu, X.; Wang, G. Fast Calibration With Raw Data Verification for Current Measurement of Dual-PMSM Drives. IEEE Trans. Ind. Electron. 2024, 71, 6875–6885. [Google Scholar] [CrossRef]
- Lee, Y.-R.; Yoo, J.; Hwang, I.; Sul, S.-K. Analysis of Position Estimation Error in Signal-Injection Sensorless Control Induced by Inverter dv/dt-Based Current Measurement Noise. IEEE Trans. Power Electron. 2023, 38, 839–851. [Google Scholar] [CrossRef]
- Trinh, Q.-N.; Choo, F.H.; Wang, P. Control Strategy to Eliminate Impact of Voltage Measurement Errors on Grid Current Performance of Three-Phase Grid-Connected Inverters. IEEE Trans. Ind. Electron. 2017, 64, 7508–7519. [Google Scholar] [CrossRef]
- Trinh, Q.N.; Wang, P.; Tang, Y.; Koh, L.H.; Choo, F.H. Compensation of DC Offset and Scaling Errors in Voltage and Current Measurements of Three-Phase AC/DC Converters. IEEE Trans. Power Electron. 2018, 33, 5401–5414. [Google Scholar] [CrossRef]
- Trinh, Q.N.; Choo, F.H.; Tang, Y.; Wang, P. Control Strategy to Compensate for Current and Voltage Measurement Errors in Three-Phase PWM Rectifiers. IEEE Trans. Ind. Appl. 2019, 55, 2879–2889. [Google Scholar] [CrossRef]
- Pramod, P. Synchronous Frame Current Estimation Inaccuracies in Permanent Magnet Synchronous Motor Drives. In Proceedings of the 2020 IEEE Energy Conversion Congress and Exposition (ECCE), Detroit, MI, USA, 11–15 October 2020; pp. 2379–2386. [Google Scholar]
- Han, J.; Kim, B.-H.; Sul, S.-K. Effect of current measurement error in angle estimation of permanent magnet AC motor sensorless control. In Proceedings of the 2017 IEEE 3rd International Future Energy Electronics Conference and ECCE Asia (IFEEC 2017-ECCE Asia), Kaohsiung, Taiwan, 3–7 June 2017; pp. 2171–2176. [Google Scholar]
- Kang, Y.G.; Reigosa, D.D. Dq-Transformed Error and Current Sensing Error Effects on Self-Sensing Control. IEEE J. Emerg. Sel. Top. Power Electron. 2022, 10, 1935–1945. [Google Scholar] [CrossRef]
- Feng, X.; Wang, B.; Wang, Z.; Hua, W.; Cheng, M. Diagnosis and Identification of Common Electrical Faults in PM Machine Drives. IEEE Trans. Power Electron. 2024, 39, 13686–13695. [Google Scholar] [CrossRef]
- Feng, X.; Wang, B.; Wang, Z.; Hua, W. Investigation and Diagnosis of Current Sensor Fault in Permanent Magnet Machine Drives. IEEE Trans. Ind. Electron. 2024, 72, 1261–1270. [Google Scholar] [CrossRef]
- Jeong, Y.-S.; Sul, S.-K.; Schulz, S.; Patel, N. Fault detection and fault-tolerant control of interior permanent-magnet motor drive system for electric vehicle. IEEE Trans. Ind. Appl. 2005, 41, 46–51. [Google Scholar] [CrossRef]
- Wu, S.; Ma, G.; Yao, C.; Sun, Z.; Xu, S. Current Sensor Fault Detection and Identification for PMSM Drives Using Multichannel Global Maximum Pooling CNN. IEEE Trans. Power Electron. 2024, 39, 10311–10325. [Google Scholar] [CrossRef]















| Reference | Sensor Type | Application | PCB Integrated | Bandwidth | Tested Frequency | Accuracy | Range | Main Contribution |
|---|---|---|---|---|---|---|---|---|
| [20] | Shunt resistance | Electric vehicles | Y | 3.7 MHz | 162.8 Hz | 0.12% | ±1.6 A(rms) | Calibrate aging drift of resistance; low loss (43 mA/A); |
| [21] | Shunt resistance | Power module (GaN) | Y | 150 MHz | Switching current | 0.40% | <20 A | Low parasitic inductance (0.55 nH); |
| [22] | Shunt resistance | Power module (GaN) | Y | 2.23 GHz | Switching current | 0.90% | <80 A | High bandwidth; low parasitic inductance (0.12 nH); |
| [23] | Shunt resistance | In-wheel motor | Y | - | - | - | ±100 A | Inverter leg current sensing; |
| [24] | MR + Rogowski coil | Power module | Y | 30 MHz | Switching current | 2% | ±30 A | DC current measurable; |
| [25] | Rogowski coil | Power module | N | 8 MHz | Switching current | 0.50% | ±60 A | Bandwidth improvement with segmented coils; |
| [26] | Rogowski coil | Resonant converter | Y | 40–150 MHz | 100 kHz | - | ±27 A | PCB mounted structure; |
| [27] | Rogowski coil | Power module (GaN) | Y | 30 MHz | Switching current | - | ±20 A | PCB mounted structure; |
| [28] | Current transformer | Energy meter | Y | - | 50 Hz | - | ±10 A | Electromagnetic saturation compensation; |
| [29] | Current transformer | HVDC | N | - | 50 Hz | - | ±60 A | DC current measurement periodically with switch device; |
| [30] | Current transformer | STATCOM | N | - | 50 Hz | - | ±10 A | DC current suppression; |
| [31] | High-frequency current transformer | HVDC | N | - | 900 kHz | - | ±100 A | Low loss with core airgap profiles design (1.1–1.5 W); |
| [32] | High-frequency current transformer | PD detection | N | 10 MHz | PD pulses | - | ±75 A | Optimal air gap length calculation; |
| [33] | Current transformer | AC transmission lines | N | - | 50 Hz | - | ±2 A~1.25 kA | Wide range sensing; |
| [34] | Hall sensor | Electric vehicles | N | 40 kHz | 500 Hz–1.5 kHz | 3.5% * | ±40 A | Phase shift error compensation; |
| [35] | Hall sensor | - | Y | 250 kHz | - | 0.50% | ±500 A | Mechanically flexible sensor array; |
| [36] | Fluxgate | Power converter | Y | - | 20 kHz | 0.03% | 15 A | DC bias elimination; |
| [37] | Fluxgate + Rogowski coil | Power module | Y | 50 MHz | Switching current | - | - | Hybrid current sensing; light-size; |
| [38] | Fluxgate | - | N | - | Switching current | - | ±1.5 kA | Suppress magnetization distortion; |
| [39] | Fluxgate | Electric vehicles | N | - | - | 0.50% | ±500 A | Zero-point drift elimination; |
| [40] | Fluxgate | - | Y | 1–512 Hz | - | - | - | Low-noise (SNR: 1.04.2 dB); |
| [41] | GMR | - | - | 100 kHz | - | ±0.7% ** | ±10 mA~20 A | Temperature drift suppression; |
| [42] | GMR | PD detection | N | 1–10 MHz | PD pulses | - | ±4.5 mA(rms) | Non-contacting PD detection; |
| [43] | GMR | Power module | Y | 1 MHz | Switching current | 1.25% | ±80 A | Active temperature drift suppression circuit; |
| Classification | [62] | [64] | [65] | [59] | [63] | [66] | [68] | [67] | [70] | [71] | [72] | [73] | [74] | [75] | [76] | [77] | [78] | [79] | [80] | [81] | [82] | [83] | [84] | [49] | [85] | [48] | [53] | [86] | [87] | |
|---|---|---|---|---|---|---|---|---|---|---|---|---|---|---|---|---|---|---|---|---|---|---|---|---|---|---|---|---|---|---|
| Source of information | Speed | × | × | × | √ | × | × | × | √ | √ | √ | √ | √ | √ | √ | × | × | × | × | × | × | × | × | × | × | × | × | × | × | × |
| Voltage | × | √ | √ | × | × | × | × | × | × | × | × | × | × | × | √ | × | × | × | √ | √ | × | × | × | √ | √ | √ | √ | × | × | |
| Current | √ | √ | √ | × | √ | √ | √ | × | × | × | √ | × | × | × | √ | √ | √ | √ | √ | × | √ | √ | √ | √ | √ | √ | √ | √ | √ | |
| CME type | CMGE | √ | √ | √ | √ | √ | √ | √ | √ | √ | √ | √ | √ | √ | √ | √ | √ | √ | × | × | √ | √ | √ | √ | × | × | × | √ | √ | √ |
| CMOE | × | × | √ | √ | × | × | √ | √ | √ | √ | √ | √ | √ | √ | √ | × | × | √ | √ | √ | √ | √ | √ | √ | √ | √ | √ | √ | √ | |
| Operating state | Running | √ | √ | √ | √ | √ | √ | √ | √ | √ | √ | √ | √ | √ | √ | √ | √ | √ | √ | √ | √ | √ | √ | √ | √ | √ | √ | |||
| Standstill | √ | √ | √ | |||||||||||||||||||||||||||
| Different conditions | Speed varying | - | - | - | × | × | √ | × | × | √ | √ | √ | × | × | × | × | × | × | √ | × | √ | √ | × | × | √ | √ | √ | √ | × | √ |
| Load varying | - | - | - | × | × | √ | × | × | √ | √ | √ | × | × | × | × | × | × | √ | × | √ | √ | × | × | √ | √ | √ | × | × | √ | |
| Current sensor numbers | 3 | 2 | 3 | 2 | 2 | 2 (1 set) | 3 * | 2 | 2 | 2 | Not mentioned | 2 | Not mentioned | 2 | Not mentioned | 2 | 3 | 2 | 2 | 2 | 2 | 2 | 2 | 2 | 2 | 2 | 2 | 2 | 2 | |
| Other issues | [63,66]: need HF injection; [68]: need reverse voltage vector injection; [77]: need short circuit test at coasting down condition. | |||||||||||||||||||||||||||||
Disclaimer/Publisher’s Note: The statements, opinions and data contained in all publications are solely those of the individual author(s) and contributor(s) and not of MDPI and/or the editor(s). MDPI and/or the editor(s) disclaim responsibility for any injury to people or property resulting from any ideas, methods, instructions or products referred to in the content. |
© 2025 by the authors. Licensee MDPI, Basel, Switzerland. This article is an open access article distributed under the terms and conditions of the Creative Commons Attribution (CC BY) license (https://creativecommons.org/licenses/by/4.0/).
Share and Cite
Song, P.; Wang, T.; Wu, L.; Li, H.; Meng, X.; Li, C. Analysis and Compensation of Current Measurement Errors in Machine Drive Systems—A Review. Energies 2025, 18, 1367. https://doi.org/10.3390/en18061367
Song P, Wang T, Wu L, Li H, Meng X, Li C. Analysis and Compensation of Current Measurement Errors in Machine Drive Systems—A Review. Energies. 2025; 18(6):1367. https://doi.org/10.3390/en18061367
Chicago/Turabian StyleSong, Pingyue, Tao Wang, Lijian Wu, Hao Li, Xiang Meng, and Cheng Li. 2025. "Analysis and Compensation of Current Measurement Errors in Machine Drive Systems—A Review" Energies 18, no. 6: 1367. https://doi.org/10.3390/en18061367
APA StyleSong, P., Wang, T., Wu, L., Li, H., Meng, X., & Li, C. (2025). Analysis and Compensation of Current Measurement Errors in Machine Drive Systems—A Review. Energies, 18(6), 1367. https://doi.org/10.3390/en18061367

