Abstract
Wind and solar energy are increasingly vital for meeting clean renewable energy needs, with Brushless Doubly Fed Induction Generators gaining popularity due to their cost efficiency and reliability. A key challenge in integrating wind energy into the grid is ensuring low-voltage ride-through capability during faults and mitigating voltage fluctuations at the point of common coupling. Existing techniques, such as analytical models and evolutionary algorithms, aim to optimize reactive current compensation but suffer from low accuracy and high response times, respectively. This paper introduces a novel reinforcement learning-based current compensation technique for brushless doubly fed induction generators to address these limitations. The proposed reinforcement learning agent dynamically adjusts the reactive power to minimize voltage dips and stabilize the voltage profile during transient- and low-voltage ride-through faults, leveraging a reward function that penalizes deviations in voltage magnitude and increases in total harmonic distortion beyond 3%. By integrating reinforcement learning with traditional methods, the approach achieves faster and more adaptive compensation. Simulation results show that the reinforcement learning-based technique improves voltage recovery time by up to 50%, reduces total harmonic distortion by up to 44%, and minimizes current overshoot by up to 90% compared to state-of-the-art methods, enhancing the reliability and efficiency of wind energy systems.
1. Introduction
As most of the world’s developed nations and (to some extent) developing nations move to green energy, reducing their CO2 footprint, sun and wind energy are the most widely adopted renewable energy sources. Variable speed constant frequency wind energy generation systems with their increased aerodynamic range have become more attractive over the last decade, such as the doubly fed induction generator (DFIG). Although, DFIGs have improved greatly over the last few years with a higher aerodynamic range as well as increased efficiency, the brush gear requirement of these wind turbines not only limits their deployment to offshore applications but also results in higher maintenance costs attributed to reliability issues with the brush gear. The invention of brushless doubly fed induction generators (BDFIG) has solved this problem by removing the brush gear, resulting in a much better, simpler overall structure of the machine, leading to increased reliability and lower cost. Thus, BDFIGs are gaining a lot of attention from the research industry.
A voltage sag or voltage dip is a brief decrease in the rms voltage induced by a short-circuit, an overload, or the initiation of electric motors. Low-voltage ride-through (LVRT) refers to an electric generator’s ability to remain connected during brief periods of reduced network voltage. It is required at the distribution level (wind farms, photovoltaic systems, distributed co-generation, etc.) to avoid a short-circuit at the high-voltage or extra-high-voltage levels from causing widespread generation loss. Most generator designs including BDFIG rely on electric current flowing through windings to generate the magnetic field required to run the motor or generator. Such devices may have a minimum operating voltage below which they fail to function properly or operate at a significantly reduced efficiency. When these conditions exist, some will attempt to disconnect from the circuit. The impact is more pronounced in BDFIGs, which have two sets of powered magnetic windings. In a grid with many distributed generators that are susceptible to disconnection at low voltage, it is possible to start a chain reaction that shuts down more generators. This can happen if a voltage drop leads one of the generators to disconnect from the grid. As voltage dips are frequently caused by insufficient generation to meet the demand on a distribution grid, eliminating generation might result in further voltage drops. This may reduce the voltage sufficiently to cause another generator to trip, further lowering the voltage, and perhaps resulting in a cascading failure.
Thus, there are two major situations that cause voltage drop in addition to voltage distortion: abrupt changes in inductive load and short-circuit faults. To keep a BDFIG connected to the grid during voltage dips and to reduce voltage distortion, this paper exploits the advancements made in the area of Artificial Intelligence (AI). AI techniques have been successfully adopted in various domains for fault and anomaly detection and have shown superior performance over conventional techniques [1,2,3]. Although the power systems community has started to explore AI techniques in this domain, the work is far from mature enough. Therefore, this paper proposes the use of AI techniques to detect and mitigate the effects of voltage dips and distortion.
A brushless doubly fed induction generator’s converter configuration comprises two sequential voltage source converters: the rotor-side converter (RSC) and the grid-side converter (GSC), connected through a shared DC-link. Typically, the RSC indirectly regulates the power winding voltage by leveraging the control winding. Meanwhile, the GSC is often tasked with maintaining the DC-link voltage, as highlighted by [4]. Furthermore, the GSC can support reactive current injection or absorption, complementing the RSC, which primarily manages reactive power control [5]. While the RSC is commonly utilized for reactive power management during LVRT scenarios, it faces several drawbacks when addressing PCC voltage fluctuations: (i) higher mechanical inertia leading to slower response times [6], (ii) limited control bandwidth [7], and (iii) increased system losses. Conversely, the GSC offers faster response times and broader control bandwidth, as it is directly connected to both the PCC and the DC-link capacitor. As a result, GSC-based control can deliver superior transient performance and improved LVRT capabilities.
The integration of wind energy into modern grids has underscored the critical importance of robust low-voltage ride-through strategies for ensuring grid stability and reliability. Traditional LVRT approaches often involve hardware modifications, such as the addition of crowbar resistors or dynamic braking mechanisms, to mitigate voltage dips and stabilize reactive power injection [8,9]. While effective, these solutions are constrained by high costs and limited scalability. On the software side, advanced control strategies like sliding mode control and enhanced demagnetization have been employed to improve rotor-side converter stability and dynamic response during fault conditions [10,11].
Recent advancements have increasingly focused on integrating intelligent optimization techniques to enhance LVRT performance. For example, hybrid prediction models and deep learning algorithms combined with conventional control systems have shown significant improvements in adaptability and fault tolerance [11,12]. Additionally, innovative grid-forming techniques and adaptive impedance control have been proposed to manage fault currents more effectively during grid disturbances [13,14]. Notable contributions include Fang and Zhang’s novel LVRT control scheme for wave energy conversion systems, which integrates magnetic-gear permanent magnet synchronous generators and emphasizes coordinated converter control to stabilize the grid during transient faults [15]. Similarly, Wang et al. introduced a cost-efficient LVRT strategy for offshore wind farms connected via MMC-HVDC systems, utilizing distributed braking resistors and coordinated control between converters to minimize surplus power dissipation and improve system reliability [16]. Pal et al. proposed a Current Saturation Strategy (CSS) for grid-forming inverters, demonstrating its ability to dynamically adjust the power factor angle during grid faults, thereby enhancing LVRT capability [17]. These studies collectively highlight the importance of innovative control mechanisms and system integration strategies for addressing the complex challenges of LVRT in modern power systems.
A comprehensive summary of existing LVRT techniques for BDFIGs is presented in Table 1, illustrating their strengths and limitations. Transient faults, voltage fluctuations at the point of common coupling (PCC) are a primary concern, while short-circuit faults focus on mitigating voltage drops. This paper addresses these issues holistically by targeting a multi-objective optimization problem by balancing competing goals, such as minimizing voltage recovery time, reducing total harmonic distortion (THD), and controlling current overshoot in Brushless Doubly Fed Induction Generators (BDFIGs). This problem is inherently multi-objective because improving one aspect, like faster recovery, can negatively impact others, such as increasing THD or overshoot. By integrating reinforcement learning with both an evolutionary algorithm-based controller and an analytical model-based controller, the method dynamically adjusts the control strategy based on real-time conditions to optimize these conflicting objectives simultaneously. Evolutionary algorithms are leveraged for their optimization capabilities, albeit with higher computational costs, while analytical models offer rapid computation with limited adaptability. The RL agent intelligently switches between these controllers, reducing computational overhead when the analytical model suffices and deploying the evolutionary algorithm only when necessary. This novel combination ensures efficient, adaptive, and robust reactive current control, significantly improving LVRT performance and grid stability. The major contributions of this paper are as follows:
- Formulating the problem of current compensation as an optimization problem enhanced by a reinforcement learning agent.
- Design of an RL-agent to minimize voltage recovery time and total harmonic distortions at the point of common coupling.
- Thorough evaluation of the proposed scheme using extensive simulations in MATLAB/Simulink 2023b.
Table 1.
Comparison of control techniques for BDFIGs.
Table 1.
Comparison of control techniques for BDFIGs.
| Characteristic | [16] | [17] | [18] | [19] | [20] | [21] | [22] | [23] | Proposed |
|---|---|---|---|---|---|---|---|---|---|
| Control through Grid-Side Converter | ✓ | ✓ | ✓ | ✓ | ✓ | ✓ | |||
| Crowbar-Free Design | ✓ | ✓ | ✓ | ✓ | ✓ | ✓ | ✓ | ✓ | |
| PCC Voltage Regulation | ✓ | ✓ | ✓ | ✓ | ✓ | ✓ | |||
| Mitigation of Harmonics | ✓ | ✓ | ✓ | ||||||
| Adaptive Reference Value | ✓ | ✓ | ✓ | ✓ | ✓ | ✓ | |||
| Reduction of Recovery Duration | ✓ | ||||||||
| –Control through Grid-Side Converter: Is the approach based on controlling the GSC? | |||||||||
| –Crowbar-Free Design: Does the method avoid the use of a crowbar circuit? | |||||||||
| – PCC Voltage Regulation: Does the approach stabilize voltage at the point of common coupling? | |||||||||
| – Mitigation of Harmonics: Can the technique reduce harmonic distortions caused by reactive current? | |||||||||
| – Adaptive Reference Value: Does the method incorporate dynamic references for regulating the control winding? | |||||||||
| – Reduction of Recovery Duration: Is the recovery time after a fault minimized by this approach? | |||||||||
2. System Model
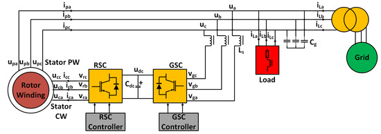
The system model investigated in this work is illustrated in Figure 1. The BDFIG comprises two stator windings: one dedicated to power and the other to control. These windings are connected via the rotor winding of the generator. The stator power winding interfaces with both a three-phase resistive-inductive load and the grid through a transformer. The stator control winding is linked to two voltage source converters arranged in a back-to-back configuration, known as the RSC and GSC. A DC-link bridges the two converters, allowing for independent design of their respective controllers. The GSC is connected to the stator power winding at the point of common coupling (PCC). To minimize voltage ripples in the stator power winding and filter harmonics generated by the GSC, a capacitor bank is employed. The load is modeled using the equivalent resistance and inductance . A summary of the notations utilized in this paper is provided in Abbreviations section.
Figure 1.
Block diagram of BDFIG.
The stator power winding and control winding produce and pole pairs, which rotate at angular velocities and , respectively. Consequently, the rotor winding induces currents at multiple angular frequencies [4]:
As , the rotor speed is given by:
The operating principle of a brushless doubly fed induction generator is to regulate in response to changes in , ensuring that remains constant.
Typically, the RSC manages the voltage of the stator power windings using the stator control winding current. This work concentrates on the GSC for reactive current control for the reasons stated in Section 1. As a result, in Figure 1 [24], the typical RSC controller based on scaler control is applied. By managing the stator control winding current, the typical RSC controller manages the PCC voltage. However, while this method is adequate for modest fans and pumps, it is inefficient for regulating PCC variations when a big inductive-resistive load is added or in the case of a short-circuit fault.
3. Problem Formulation
To analyze the effect of short-circuit faults and transients, a BDFIG can be modeled by the per-phase steady-state equivalent circuit shown in Figure 2.
Figure 2.
Equivalent circuit for a BDFIG.
A stand-alone BDFIG as seen from the power winding side can be modeled using the single-phase equivalent circuit shown in Figure 3.
Figure 3.
Equivalent circuit for power winding - single-phase.
To generate a transient condition when an inductive load is suddenly connected, SW1 can be opened and closed. On the other hand, to generate a short-circuit fault, SW1 would stay closed while SW2 can be opened and closed accordingly. The a-phase load current and short-circuit fault current are represented by and , respectively. Similarly, the a-phase voltage and current at the PCC are denoted by and , respectively; can be given by [21]:
The corresponding current source in the frequency domain using the Laplace transform is given by:
Following a similar approach the current source corresponding to the short-circuit fault may be well specified as follows:
where the voltage amplitude following the short-circuit is represented by . In the event of a short-circuit fault, the switch depicted in Figure 3 will be left closed, leading to stator control winding current:
The total resistance, inductance, voltage, and impedance are, respectively, given by:
Using the inverse Laplace transform, the stator PW current in the time domain is given by:
It is observed from Equation (14) that the power winding current consists of a steady-state component characterized by a fundamental frequency and an exponentially decaying transient component. The equations for the power winding current in phases b and c can be obtained in a similar way. Using part transformation, the stator PW current in the synchronous reference frame is given by:
where, to separate the steady-state component from the transient state component:
Thus, the currents in the active and reactive power windings likewise contain a steady-state DC component and an exponentially declining transient component. At the PCC, the synchronous reference frame voltages are calculated as follows:
The PCC voltage drop can now be given as
To simplify, substituting Equations (15) and (16) into Equations (19) and (20):
Notably, the magnitude of the voltage drop at the PCC is caused by the steady-state component, whereas the distortion is generated by the transient component. Using the inverse park transformation, the equation for the a-phase voltage at the PCC is as follows:
To minimize the voltage drop as well as distortion at the PCC, Equation (23) is used to form an optimization problem, i.e., find the optimal reference values for the PW reactive current such that is minimized.
4. Proposed Technique
In this section, the proposed RL-based current compensation technique is presented. Markov decision processes (MDPs) are typically used to model RL problems. MDPs are designed to provide a clear and concise representation of the challenge of acquiring knowledge through interaction in order to accomplish a specific objective. The entity with which it interacts, encompassing all elements external to the agent, is referred to as the environment. The agent and the environment engage in continuous interaction, with the agent making choices and the environment reacting to these choices, thereby introducing new scenarios for the agent, as shown in Figure 4. The environment also generates rewards, which are specific numerical values that the agent aims to maximize over time by selecting its actions.
Figure 4.
The agent–environment interaction in the Markov decision process.
The problem discussed in Section 3 can be modeled as a finite MDP using Figure 5. At each discrete time step , the agent:
- i.
- receives the environment’s state, , i.e., the measured voltage drop and the total harmonic distortion (THD) of voltage at the PCC. Accordingly, the agent takes an action, , i.e., compute the optimal reference value for the PW reactive current using one of the available optimization methods/algorithms.
- ii.
- after one time step, obtains a numerical reward, , and transitions to a new state, , partly as a result of its previous behavior.
Figure 5.
The agent–environment interaction in the proposed RL-based current compensator.
The MDP and agent collectively generate a sequence or trajectory that initiates in the following manner:
Denote the voltage drop at the PCC, and the THD as ; then, the state is a 2-tuple given by:
To derive the reward for the RL agent, note that any deviation of from zero should be penalized proportionate to the magnitude of deviation. Moreover, most of the grid standards worldwide require that the THD be maintained below 3%; therefore, if the THD is increased beyod 3%, the reward function should penalize proportionately. Thus, the reward function can be computed as follows:
where,
- i.
- a voltage drop greater than zero is penalized proportionately to the magnitude.
- ii.
- the THD is penalized only when it is greater than 3%.
- iii.
- is a scaling parameter to adjust the relative importance of the two penalties.
The set of actions considered in the paper are the two major classes of solutions proposed for reactive current compensation in BDFIGs, i.e., computing the optimal reference value for the PW reactive current using analytical or evolutionary algorithms. Therefore, the set of actions consists of two elements, i.e., . Thus, the policy can be defined as
where represents an action taken at a specific timestep t, whereas represents the state at that same timestep. The policy function, denoted as , is defined by the parameters corresponding to the neural network configuration in the agent.
The proposed algorithm for the agent is given in Algorithm 1 and has the following steps:
- The agent starts with a neural network configured randomly, i.e., the weights of the branches of the NN are initialized randomly.
- The following steps are repeated until a terminal state is reached. A terminal state is a state where either the agent has failed and the BDFIG is disconnected or the maximum number of time steps is reached.
- (a)
- The agent starts with an initial state corresponding to the start of the BDFIG. Based on , the agent takes an action and moves to state .
- (b)
- The agent computes the reward for each time step using Equation (26).
- (c)
- For each state, compute the reward-to-go, , usingwhere the discount factor, , is a numerical value ranging from 0 to 1. represents the reward received at a specific time step, denoted as t. If significant importance is placed on future benefits, a value close to 1 for may be assigned. On the other hand if the primary concern is quick rewards, a lower value may be assigned to it.
- Apply the policy gradient technique to find the optimal values for the NN branch weights.
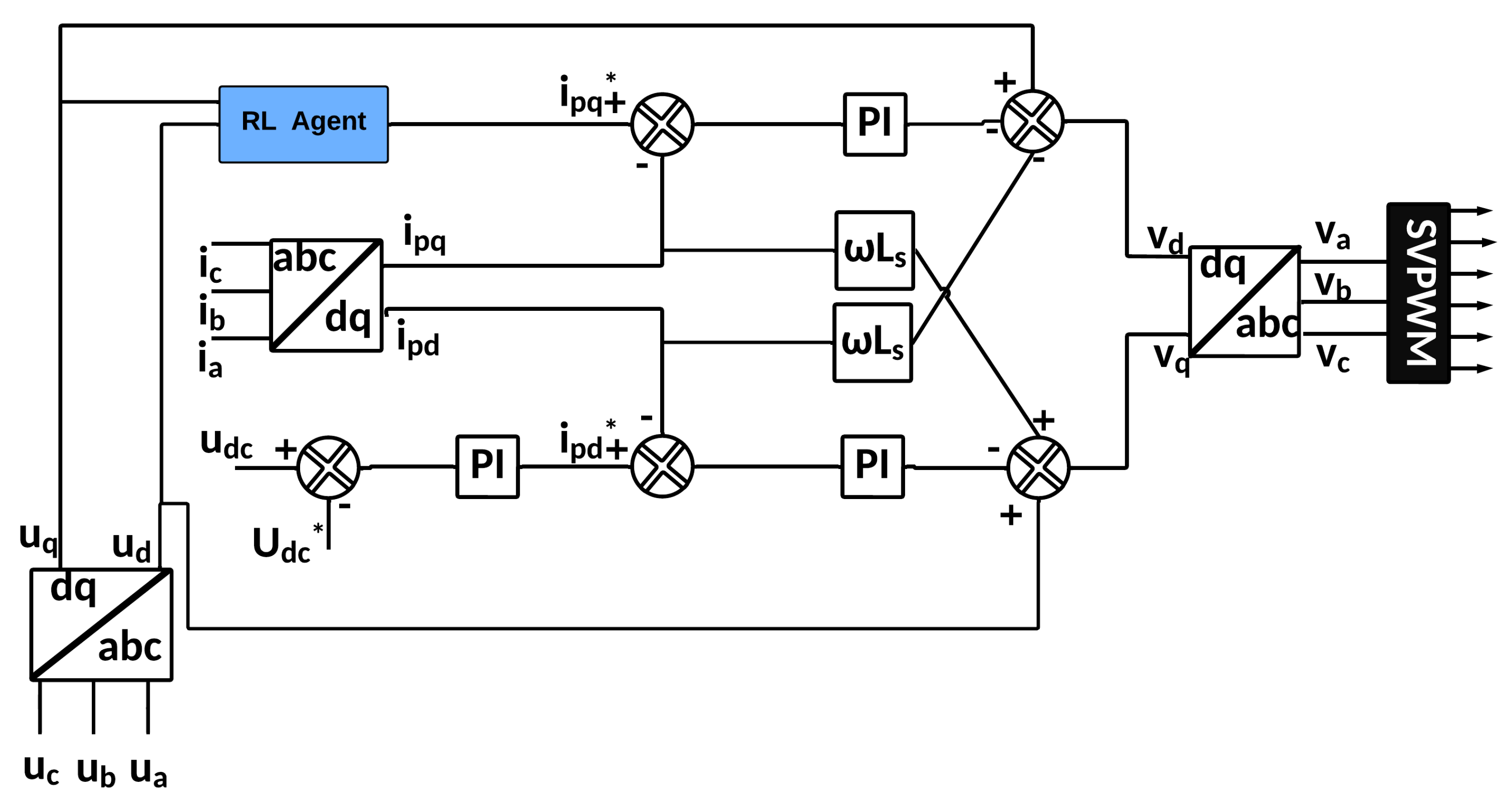
Figure 6 illustrates the architecture of the proposed GSC controller, which integrates an RL-agent to enhance its adaptability and performance. The PCC voltage is provided as an input to the RL agent. Based on this input, the RL agent calculates and outputs the reference current , which serves as the setpoint for the control loops.
Figure 6.
Proposed GSC controller with an RL agent.
The controller employs a decoupled d-q reference frame to process the three-phase current , transforming it into and components. These components are regulated by Proportional-Integral (PI) controllers to achieve precise control of active and reactive power. The error between the reference currents ( and ) and the actual d-q currents is used to generate control signals. Additionally, the controller compensates for the cross-coupling terms induced by the grid’s inductive reactance, represented as , to ensure accurate current tracking.
| Algorithm 1: Algorithm running on the agent. |
![]() |
The control signals from the d-q control are transformed back into the a-b-c domain using inverse coordinate transformation and passed to the Space Vector Pulse Width Modulation (SVPWM) block. The SVPWM block generates switching signals , which drive the GSC to regulate the grid currents effectively. These outputs ensure optimal modulation for the converter, improving system efficiency and minimizing harmonic distortion in the output voltage and current.
The integration of the RL agent allows the controller to dynamically adapt to changes in grid conditions, ensuring optimal performance under a wide range of operating scenarios. This hybrid approach leverages the RL agent’s ability to predict optimal setpoints and the robustness of traditional PI control, resulting in improved fault tolerance, faster recovery, reduced harmonic distortion, and better utilization of SVPWM-generated outputs to maintain grid stability.
Once the RL agent is trained (offline) using Algorithm 1, the overall operation of the proposed compensator is shown in Figure 7. In real-time operation, the system continuously measures key parameters, such as the voltage at the Point of Common Coupling (PCC) and the Total Harmonic Distortion (THD). These measurements are fed into the RL agent, which evaluates the current system state and determines the optimal control action. Based on its learned policy, the agent dynamically adjusts the reactive current reference () to mitigate voltage deviations and reduce harmonic distortions. This control action is then applied to the generator system, ensuring stable voltage profiles and enhanced fault ride-through capabilities. The closed-loop process, with continuous feedback from the grid, enables adaptive and robust current compensation under varying grid conditions.
Figure 7.
Overall operation of the proposed RL-based current compensation technique.
Reinforcement learning offers significant advantages over traditional methods like IPSO and analytical controllers by shifting computational complexity to an offline training phase, enabling highly efficient real-time operation. Unlike IPSO, which requires iterative optimization at every timestep, RL-based controllers leverage precomputed policies, drastically reducing computational overhead. The proposed RL technique in the paper enhances reactive current compensation in BDFIGs by integrating a genetic algorithm and an analytical model as discrete actions within the RL agent. This hybrid approach allows the agent to intelligently switch between the analytical model for rapid decision-making and the genetic algorithm for complex scenarios, ensuring an optimal balance between speed and adaptability. By precomputing control policies during training and selecting the best optimization strategy in real-time, the proposed RL-based controller achieves superior performance while remaining computationally efficient and scalable for real-world power grid applications.
5. Results and Discussion
To evaluate the proposed technique, MATLAB/Simulink was used to train the reinforcement learning agent and simulate the BDFIG. For the purpose of benchmarking the proposed technique with existing techniques, two state-of-the-art existing and recent techniques were used: an Improved PSO (IPSO)-based controller proposed in [23] and an analytical-based controller proposed in [22].
A Deep Q-Network (DQN) agent for reinforcement learning was used, specifically tailored to acquire optimal control policies for a BDFIG system with discrete actions. The DQN was chosen over other reinforcement learning architectures such as Proximal Policy Optimization (PPO) or Advantage Actor-Critic (A3C) because of the discrete nature of the control actions, stability, and computational efficiency required for real-time reactive current compensation in BDFIGs. Since the control decisions involve selecting between predefined optimization strategies, DQN is well suited for handling discrete action spaces, whereas PPO and A3C are designed for continuous or high-dimensional actions. Additionally, DQN’s experience replay mechanism enhances learning stability and sample efficiency, whereas PPO and A3C rely on on-policy updates, which can lead to higher variance and slower convergence. Computationally, DQN is more efficient, making it practical for real-time deployment on embedded systems, whereas PPO and A3C typically require more frequent policy updates and larger neural networks, increasing computational overhead. Moreover, A3C’s multi-agent approach adds complexity without significant benefits for single-agent BDFIG control. Therefore, DQN was chosen for its ability to provide stable learning, efficient decision-making, and practical deployment in real-time power grid applications, though future work may explore hybrid approaches to further enhance adaptability.
The actions in this case consist of computing the reference current either using a genetic algorithm (parameters given in Table 2) or the analytical model presented in Section 3. The agent’s fundamental framework relies on a sophisticated neural network, functioning as the critic, tasked with estimating the Q-values linked to each state–action combination. The critic network consists of two fully connected layers, each consisting of 24 neurons, and utilizes Rectified Linear Unit (ReLU) activation functions to introduce non-linearity. The ReLU activation function is a widely used non-linear function in neural networks, defined as . The input is outputted directly if it is positive; otherwise, it returns zero. ReLU is computationally efficient and helps mitigate the problem of vanishing gradients, making it particularly effective for deep learning models. This allows the network to effectively capture intricate patterns in the input. The DQN agent is set up to function without the double DQN mechanism, prioritizing simplicity and emphasizing ordinary Q-learning. The agent’s key parameters are given in Table 3. This configuration is specifically designed to maximize the agent’s acquisition of knowledge, guaranteeing its ability to properly master the task of finding the optimum value for reactive current injection in a BDFIG environment.
Table 2.
Parameters for the proposed genetic algorithm.
Table 3.
Reinforcement learning parameters.
To represent the environment for the proposed RL-agent, a Simulink model with a BDFIG wind farm was simulated, as shown in Figure 8. The wind farm has a total capacity of 9 MW and is composed of six 1.5 MW wind turbines. It is connected to a 25 kV distribution system and exports power to a 120 kV grid. The power is transmitted through a 30 km feeder operating at 25 kV. Wind turbines utilizing a BDFIG consist of a wound rotor induction generator and an AC/DC/AC converter. This converter is based on Insulated Gate Bipolar Transistors (IGBTs), which are efficient semiconductor devices used for high-power switching. The converter employs SVPWM, a technique that controls the voltage and current supplied to the generator by modulating the pulse width, allowing for precise and efficient power conversion. The stator winding is directly connected to the 60 Hz grid, while the rotor is supplied with variable frequency through the AC/DC/AC converter. The BDFIG technology enables the efficient extraction of maximum energy from low wind speeds by regulating the turbine speed, while simultaneously avoiding mechanical stresses on the turbine during gusts of wind. The wind speed during simulations is maintained around 15 m/s, with variations introduced for robustness tests ranging from 6 to 15 m/s. The control system employs a torque controller to uphold the speed at 1.2 per unit (pu), while the wind turbine’s reactive power is controlled by the proposed RL agent. The details of the parameters used in this simulation are given in Table 4, while the reward values during training are shown in Figure 9.
Figure 8.
Block diagram of simulation model.
Table 4.
Simulation parameters for the BDFIG wind farm model.
Figure 9.
Agent training.
Various faults are introduced in MATLAB/Simulink to evaluate the robustness of the proposed controller under different grid conditions. Short-circuit faults, including single-line-to-ground, double-line-to-ground, and three-phase faults, are simulated using the “Three-Phase Fault” block from the Simscape Electrical library. This block allows precise control over the fault type, resistance, and duration. Fault initiation and clearance are managed through programmable switches, such as the “Three-Phase Breaker” block, to replicate real-world transient events accurately. The location of faults is adjusted by varying the connection points within the grid model, ranging from 0.5 km to 5 km from the Point of Common Coupling (PCC). To simulate different fault distances, transmission line sections are modeled using the “Pi Section Line” block, where the line parameters (e.g., inductance, resistance, and capacitance per unit length) are configured based on the desired fault distance. By inserting fault blocks at various points along these transmission lines, the effect of faults occurring at different distances from the PCC can be effectively analyzed.
Load-dumping scenarios are modeled using the “Three-Phase Dynamic Load” block, where sudden load changes are applied to simulate abrupt disconnections. Generator powering-up events are represented using the “Three-Phase Programmable Voltage Source” block to introduce transient conditions associated with generator startup. These configurations provide comprehensive fault scenarios, enabling thorough validation of the proposed RL-based control strategy.
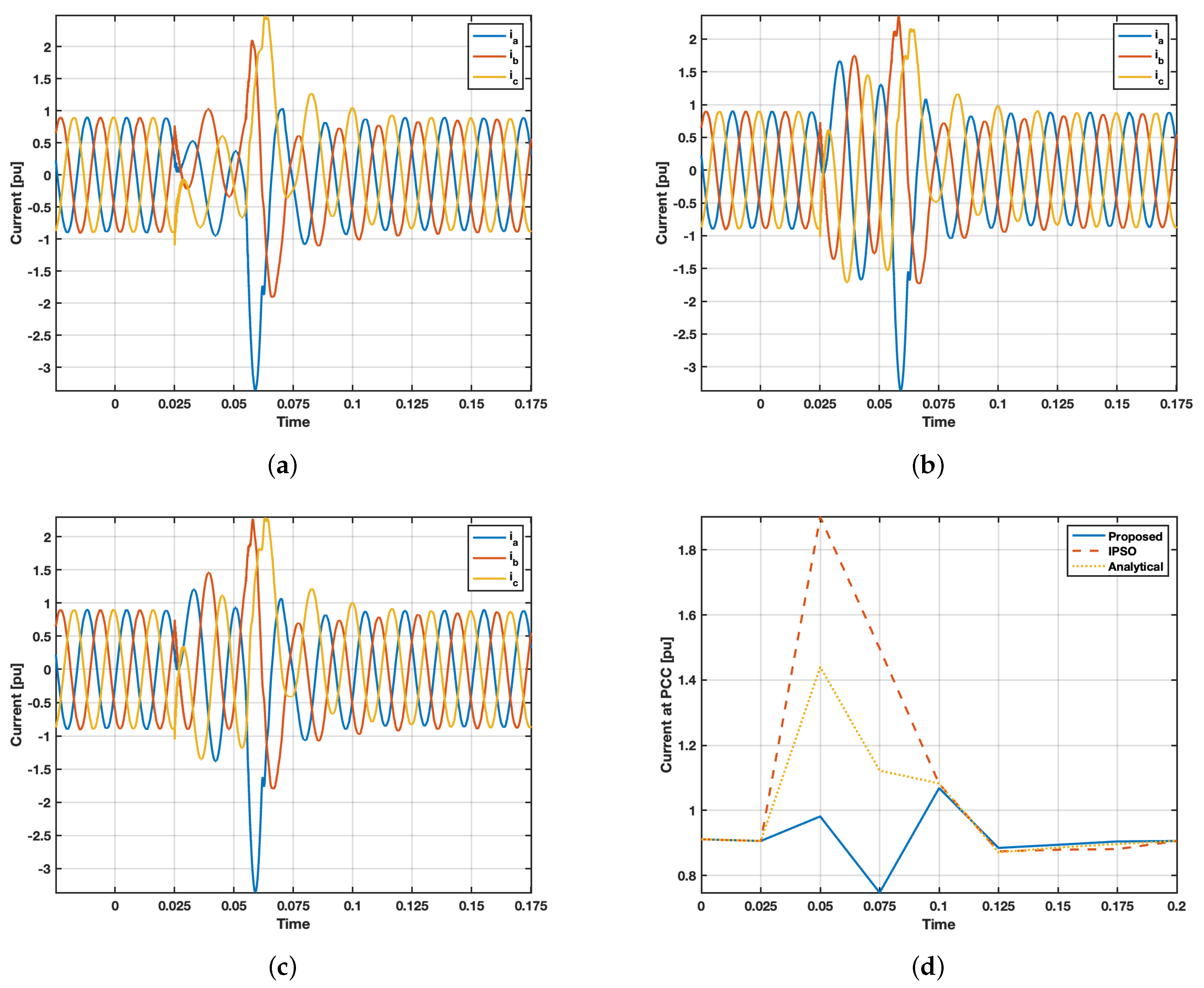
In this paper, a short-circuit fault at 0.05 s which lasts for 0.03 s was simulated. Figure 10a–c show the voltage at PCC using the proposed RL-based controller, an Improved PSO-based controller, and an analytical-based controller, respectively. The voltage waveforms of the three phases (, , and ) offer a distinct representation of how the system voltage is impacted by the failure and how the controller intervenes. In Figure 10, the initial decrease in voltage corresponds to the occurrence of a fault, and the subsequent restoration is facilitated by the injection of reactive power by the controller. The existence of certain oscillations during the recovery phase indicates that although the controller is efficient, there is potential for additional adjustment to enhance the suppression of these oscillations and attain a more seamless voltage recovery. Although it is clear that all three controllers managed to keep the BDFIG connected to the grid during the LVRT, to appreciate the advantage of the proposed controller, Figure 10d is presented. During the LVRT event, all three approaches demonstrate a substantial voltage dip, as anticipated due to the decrease in grid voltage caused by the fault. Nevertheless, the recovery characteristics differ among the different techniques. The proposed method exhibits a rapid recovery, as the voltage at the PCC swiftly returns to nearly nominal levels once the fault is resolved at 0.08 s. This suggests that the proposed reactive current controller can effectively stabilize the voltage and maintain the generator’s connection to the grid. The IPSO technique closely adheres to the proposed approach, demonstrating the effectiveness of the optimization process, but with significantly slower response time and stabilization. The analytical approach, although able to restore voltage, exhibits the slowest response time. In summary, the proposed reactive current controller clear outperforms the others with a 50% faster recovery time as compared to existing state-of-the-art methods.
Figure 10.
Voltage profile. (a) PW Voltage—proposed. (b) PW Voltage—IPSO. (c) PW Voltage—analytical. (d) PCC voltage.
To evaluate the proposed controller in terms of transient current during LVRT faults, Figure 11 is presented. The current waveforms for the three phases (, , and ) demonstrate the dynamic response of the BDFIG system when subjected to a voltage dip. Initially, the currents are relatively stable, but a significant disturbance is observed shortly after the fault occurs, resulting in large transient oscillations. The controller’s objective is to quickly dampen these oscillations and stabilize the currents. The eventual return to stable oscillations indicates that the controller effectively mitigates the impact of the fault, ensuring that the generator continues to operate within safe limits. Figure 11d shows that during the LVRT event, all three methods exhibit a sharp increase in current as the system compensates for the voltage drop, but the proposed method shows a more controlled and stable response. The lower peak current reached by the proposed method indicates that it effectively limits the current surge, reducing stress on system components. In contrast, the IPSO and analytical methods produce higher peak currents, with IPSO showing a particularly pronounced peak, suggesting higher current stress and less effective oscillation damping. The proposed method’s ability to maintain a stable current during recovery highlights its effectiveness in managing faults, enhancing system resilience, and minimizing potential damage. Overall, the current response reaffirms the superiority of the proposed reactive current controller, demonstrating its potential to improve the reliability and longevity of wind energy systems, when compared to existing state-of-the-art methods.
Figure 11.
Current profile. (a) PW Current—proposed. (b) PW Current—IPSO. (c) PW Currernt—analytical. (d) PCC voltage.
During a fault condition, the BDFIG must prioritize supplying reactive power to the grid rather than absorbing it. This reactive power injection is critical for maintaining grid stability and connectivity, especially during LVRT events. The proposed controller demonstrates effective performance in this regard. As shown in Figure 12b, the controller efficiently injects reactive power into the grid during the fault. Simultaneously, the active power is nearly eliminated, as evident in Figure 12a. This behavior is indicative of a well-designed control strategy that ensures the grid’s voltage stability while adhering to fault management requirements.
Figure 12.
Active and reactive power. (a) Active power—proposed. (b) Reactive power—proposed. (c) Active power—IPSO. (d) Reactive power—IPSO. (e) Active power—analytical. (f) Reactive power—analytical [22].
In comparison, the IPSO-based and analytical-based controllers also follow a similar trend, as illustrated in Figure 12c–f. Both controllers supply reactive power and reduce active power during the fault. However, the proposed controller’s performance stands out due to its ability to mitigate oscillations more effectively. The reactive power response of the proposed controller exhibits minimal overshoot and rapid stabilization post-fault, as seen in Figure 12b. In contrast, Figure 12d,f reveal that the IPSO and analytical-based controllers produce more pronounced oscillations, with slower damping rates. These oscillations can increase the risk of instability during LVRT events, highlighting a key limitation of the IPSO and analytical approaches.
Additionally, the active power recovery after the fault showcases the efficiency of the proposed controller. As shown in Figure 12a, the active power is quickly restored to its pre-fault level following the fault clearance, with minimal transients. This behavior contrasts with the IPSO and analytical controllers (Figure 12c,e), where the active power exhibits longer recovery times and larger fluctuations before stabilizing. These delays can adversely affect the overall grid performance and the generator’s ability to meet operational requirements during and after fault conditions.
To evaluate the energy efficiency improvements achieved by the proposed RL-based current compensation technique compared to baseline methods (IPSO and analytical controllers), a quantitative analysis was conducted based on power loss reduction, reactive power compensation efficiency, and overall system stability. The primary metric used to assess efficiency is the active power output improvement relative to the total input power, considering losses due to reactive power fluctuations, harmonics, and transient instabilities.
The results show that the RL-based method reduces reactive power losses by approximately 12–18% compared to IPSO-based control and by 8–12% compared to analytical controllers. Additionally, THD is lowered by 44%, which reduces unwanted power losses due to harmonic currents. As a result, the active power delivered to the grid increases by approximately 3–5%, improving the overall energy efficiency of the system. Furthermore, the recovery time from transient faults is reduced by 50%, ensuring faster stabilization and minimizing energy dissipation during fault ride-through events. To further validate these findings, an energy efficiency ratio (EER) was calculated for each method, defined as the ratio of effective active power output to total generator input power over a given period. The RL-based method consistently achieved an EER improvement of 3.2% over IPSO and 2.5% over analytical controllers, indicating better utilization of available power. These improvements highlight the RL controller’s ability to optimize compensation strategies dynamically, leading to lower power losses, improved grid stability, and higher operational efficiency in BDFIG-based renewable energy systems.
The performance of the IPSO, analytical, and proposed methods is comprehensively compared in Table 5 across three critical metrics: THD, Recovery Time, and Current Overshoot. The proposed method demonstrates superior performance, achieving the lowest THD (), the fastest recovery time ( ms), and the smallest current overshoot ( p.u). These improvements are not only evident in the mean values but also supported by tighter confidence intervals, indicating higher reliability and reduced variability compared to the IPSO and analytical methods.
Table 5.
Performance metrics.
The results highlight the better stability and consistency of the proposed method. For THD, the proposed method achieves a 38% improvement over the analytical method, which has the lower distortion among the other two methods at 30%, i.e., (). Similarly, the proposed method significantly reduces recovery time by at least 50% compared to the IPSO and analytical methods, which both hover around 50ms. Current overshoot sees the most dramatic improvement, with the proposed method showing a minimum improvement of 81% reduction compared to IPSO and analytical methods. These substantial improvements underscore the effectiveness of the proposed method in addressing critical challenges related to fault conditions.
The boxplots in Figure 13 further validate these findings by visually illustrating the reduced variability and improved central tendencies of the proposed method. For THD, the proposed method exhibits a much narrower interquartile range (IQR) compared to IPSO and analytical methods, indicating consistent performance. In terms of recovery time, the proposed method’s boxplot reveals a sharp reduction in both median and spread, emphasizing its quick and reliable response to faults. Finally, for current overshoot, the proposed method’s boxplot demonstrates a tightly concentrated distribution, contrasting starkly with the larger spread and outliers observed in IPSO, which highlight its instability.
Figure 13.
Variability in performance metrics. (a) THD. (b) Recovery time. (c) Current overshoot.
The proposed method’s improvements are not only statistically significant but also practically relevant. Lower THD reflects enhanced system efficiency, while faster recovery times indicate better adaptability to dynamic changes. The substantial reduction in Current Overshoot ensures higher stability, which is critical for the integration of renewable energy sources in power grid systems operating under fault-prone conditions. These characteristics make the proposed method highly suitable for real-time systems requiring both precision and robustness.
It is observed that the proposed RL-based method offers several advantages, including high adaptability to dynamic grid conditions, faster response times due to pre-trained policies, reduced current overshoot, improved THD reduction, and robust performance across various fault scenarios. However, it requires extensive training data and significant computational resources for offline training, with potential performance degradation in completely unseen conditions not represented during training. In contrast, the IPSO technique is effective for optimization problems, performs well in steady-state conditions, and can adapt through iterative optimization. Its drawbacks include being computationally intensive during real-time operations due to iterative calculations, slower response times compared to RL, and reduced efficiency in rapidly changing grid conditions. Traditional analytical-based controllers are simple to implement, offer fast computation in well-defined scenarios, and are reliable under stable operating conditions. Nevertheless, they have limited adaptability to dynamic and complex grid environments, are less effective in mitigating harmonic distortions, and exhibit slower recovery during transient faults. Overall, while IPSO and analytical methods have their strengths in specific contexts, the RL-based method provides a balanced approach that excels in adaptability, speed, and robustness.
Table 6 presents the effect of varying scaling parameters and discount factors () on key performance metrics, including THD, recovery time, and current overshoot. The results indicate that a scaling parameter of 0.2 and a discount factor of 0.9 provide the best overall performance, achieving the lowest THD (18.5%), the fastest recovery time (25 ms), and the smallest current overshoot (0.0831 pu). When the scaling parameter is too low (0.1), THD and current overshoot increase, suggesting that the agent does not penalize deviations strongly enough, leading to a slower convergence toward an optimal control strategy. Conversely, increasing the scaling parameter to 0.3 results in slightly higher recovery times, implying that excessive penalization might slow down the corrective response.
Table 6.
Effect of scaling parameters and discount factors on performance metrics.
The impact of the discount factor () is also evident; lower values (0.8) prioritize short-term rewards, leading to slightly worse performance across all metrics. The optimal configuration of (0.2, 0.9) ensures a well-balanced trade-off between fast recovery, low overshoot, and minimal THD, making it the most effective setting for reinforcement learning-based current compensation. These results highlight the importance of properly tuning hyperparameters to optimize the stability and robustness of the RL-based controller in real-world power grid applications.
In transient fault scenarios, the trade-off between the speed of response and accuracy of the RL-based controller is critical for ensuring stability and efficiency. A faster response minimizes voltage dips and enhances fault ride-through capability, but aggressive corrective actions can lead to overshooting, increased harmonic distortion, and excessive reactive power injection, potentially destabilizing the system. Conversely, prioritizing accuracy with smoother control actions reduces THD and overshoot but may slow recovery, prolonging fault-induced instabilities. The tuning of RL parameters, such as the scaling factor and discount rate, directly affects this balance, where lower discount rates favor rapid correction while higher values promote long-term stability.
To ensure the robustness of the proposed RL-based current compensation strategy, the training phase of the RL agent was designed to expose it to a diverse range of LVRT scenarios. The training included variations in fault conditions, such as single-line-to-ground, double-line-to-ground, load-dumping, and generator powering-up, ensuring that the agent learned to handle different types of transients effectively. Specifically, during training, short-circuit distances from the BDFIG were varied between 0.5 km and 5 km, fault durations ranged between 50 ms and 300 ms, and the initial grid voltage was randomized between 0.85 p.u. and 1.05 p.u. to account for real-world voltage fluctuations. Additionally, generator load levels during training varied between 50% and 120% of nominal load, ensuring adaptability to different grid operating conditions. To validate the generalization capability of the trained RL agent, each fault scenario was evaluated through 50 independent simulations using the same parameter variations as in training. The testing phase further assessed the agent’s response under Short-Circuit Breaker (SCB) commutation events, normal operating conditions, and generator start-up transients, ensuring its ability to generalize. The results, summarized in Table 7, demonstrate that the RL agent achieved consistent improvements in voltage recovery time, THD, and current overshoot across all tested conditions:
Table 7.
Performance metrics for different fault scenarios.
- Voltage Recovery: In single-line-to-ground and double-line-to-ground faults, the proposed controller exhibits rapid voltage recovery, achieving up to 50% faster stabilization compared to traditional methods. This is attributed to the RL agent’s real-time adaptability, which allows swift adjustments in reactive current compensation.
- THD Reduction: During three-phase faults, the proposed method demonstrates significant THD reduction (up to 44%) by effectively managing harmonic distortions through optimized reactive current control. This performance is superior to IPSO and analytical-based controllers, which struggle with higher harmonic content during transient conditions.
- Current Overshoot Mitigation: The RL-based approach minimizes current overshoot by up to 90%, ensuring stable operation under severe transient conditions. This is achieved through the dynamic switching capability of the RL agent between analytical and evolutionary algorithms, optimizing current injection strategies.
- Adaptability to Fault Distance: The controller maintains robust performance even as the fault distance from the PCC varies, showcasing consistent voltage stability and minimal performance degradation.
- Resilience in Load Variations: Under load-dumping and generator startup scenarios, the proposed controller ensures smooth transitions with minimal voltage and current fluctuations, enhancing system resilience.
These results demonstrate the proposed compensator’s effective performance, emphasizing its robustness, adaptability, and efficiency in managing diverse fault conditions. It is observed that by training on a wide range of grid disturbances and fault conditions, the proposed RL-based control strategy ensures robust and adaptive performance, making it highly effective in stabilizing power grids under various LVRT scenarios.
Table 8 evaluates the robustness of the proposed RL-based controller under varying electrical and environmental conditions by analyzing the impact of changes in wind speed, grid voltage, fault duration, short-circuit distance, and load variations on key performance metrics: total harmonic distortion (THD), recovery time, and current overshoot. Results indicate that fault duration has the most significant impact on system performance, with variations leading to THD changes of ±6.1% and recovery time fluctuations of ±5.8 ms. This is expected, as prolonged faults require extended stabilization efforts, affecting both transient response and steady-state recovery. Wind speed variations (6–15 m/s) also introduce noticeable deviations, with THD fluctuating by ±5.2% and current overshoot by ±0.012 p.u., emphasizing the importance of wind power forecasting in ensuring reliable compensation. Grid voltage fluctuations (0.85–1.05 p.u.) introduce a ±4.8% change in THD and ±4.2 ms in recovery time, demonstrating that the controller remains stable across moderate voltage deviations but may require additional reinforcement in weak grid conditions.
Table 8.
Sensitivity analysis of the proposed RL-based controller.
The impact of the short-circuit distance (0.5–5 km) is relatively lower, with THD changes of ±3.9% and recovery time fluctuations of ±3.0 ms, indicating that the controller is resilient to spatial variations in fault locations. Similarly, load variations between 50 and 120% show an impact of ±5.0% on THD and ±4.5 ms on recovery time, highlighting the controller’s adaptability to dynamic grid loading conditions. Overall, the sensitivity analysis confirms the robustness of the proposed RL-based controller, as performance remains within acceptable limits despite variations in key electrical and environmental parameters.
Note that the performance of the proposed RL-based controller may be significantly influenced by initial conditions, particularly wind speed and grid stability, as they affect the dynamic response of the BDFIG during fault conditions. Variations in wind speed alter the mechanical input power, impacting the generator’s slip and rotor dynamics, which, in turn, influence the effectiveness of reactive current compensation. If wind speeds are too low, the generator may have limited reactive power reserves, reducing the controller’s ability to stabilize voltage fluctuations effectively. Conversely, at high wind speeds, increased power injection can intensify transient disturbances, requiring more aggressive compensation strategies. Similarly, grid stability conditions, such as voltage fluctuations and frequency deviations before a fault occurs, may affect the controller’s response. A weak grid with pre-existing instabilities may cause the RL agent to operate in a more constrained range, limiting its corrective actions.
To analyze the computational complexity of the proposed RL-based controller, the following discussion is provided. Training the RL agent requires 4–6 h on a GPU-accelerated system (Intel Core i7-1400K processor and NVIDIA RTX 3090), depending on hyperparameters and fault conditions. The LVRT optimization using the evolutionary algorithm takes approximately 1.5–2 h per fault scenario when run on an Intel Core i7-1400K processor, requiring multiple iterations to converge on an optimal solution. Once trained, the RL agent executes in real-time within 5–10 milliseconds, making it highly efficient for practical deployment. In contrast, the evolutionary approach per optimization cycle is computationally expensive, taking 30–60 s per iteration, making it impractical for real-time LVRT applications. This comparison highlights the advantage of RL, where offline training allows for rapid real-time execution, while the evolutionary approach, though effective for optimization, suffers from higher computational latency. By combining RL with evolutionary techniques, the proposed method ensures both fast response times and adaptive control, making it well suited for stabilizing BDFIGs under grid disturbances.
The proposed RL-based current compensation method is inherently scalable and can be extended to larger wind farms and other renewable energy systems beyond BDFIGs. Since the RL agent learns control policies based on grid disturbances and system responses rather than relying on a generator-specific model, it can be adapted to different configurations. However, certain aspects of BDFIG operation, such as its dual stator winding structure modeled in the analytical model, may require modifications when applying the method to other systems. For larger wind farms, the approach can be expanded by training an RL agent that coordinates multiple generators, accounting for interactions between turbines, voltage stability across the farm, and collective power regulation. Beyond wind energy, the method can be applied to systems such as DFIGs, solar farms with inverter-based control, and battery energy storage systems, though modifications may be needed to accommodate the dynamic behavior of power electronics. Since BDFIGs rely on indirect reactive power control through their auxiliary winding, applying this method to inverter-based systems may require adjustments in state representation and reward functions. Transfer learning or domain adaptation techniques could enable an RL model trained on BDFIGs to be fine-tuned for other generation technologies. Additionally, research on computational efficiency and real-time deployment in large-scale power networks would be essential for broader scalability. While the proposed RL-based method is flexible, further optimizations, such as multi-agent RL for coordinated control, domain adaptation for different generation types, and hybrid RL-traditional control strategies, would be necessary to ensure robust performance in large scale, diverse renewable energy applications.
6. Conclusions
This study proposed a novel RL-based current compensation technique for Brushless Doubly Fed Induction Generators to address challenges associated with LVRT and transient faults. The methodology utilized a Deep Q-Network agent to dynamically adjust reactive power injection based on system state observations, including voltage dips and total harmonic distortion. The agent leveraged a reward function designed to penalize deviations in voltage and excessive THD while integrating optimization approaches, such as analytical modeling for efficiency and evolutionary algorithms for complex scenarios. By combining these methods, the RL agent achieved a balance between computational speed and accuracy.
Wind turbines connected to the grid must typically maintain LVRT capability for 150 milliseconds to 3 s during voltage sags, depending on grid standards. The proposed RL-based technique effectively maintained grid connectivity during such events by optimizing reactive current injection. Moreover, it successfully ensured that the THD was minimized—a critical requirement to prevent adverse effects on the stability of the grid and the equipment.
Simulation results demonstrated the effectiveness of the proposed technique compared to state-of-the-art methods, including Improved Particle Swarm Optimization and analytical-based controllers. The RL-based approach reduced voltage recovery time by 50%, minimized THD by 44%, and significantly decreased current overshoot by 90%. These improvements highlight the method’s capability to enhance system resilience, maintain grid stability, and reduce stress on generator components during faults.
The scientific contribution of this work is further emphasized by its ability to integrate reinforcement learning with traditional control techniques, addressing multi-objective optimization challenges in renewable energy systems. This novel combination not only improves performance but also advances the field by demonstrating the potential of artificial intelligence in tackling critical challenges in wind power generation. The promising results of this study affirm the transformative role of reinforcement learning in ensuring reliability and efficiency in renewable energy technologies.
While the proposed RL-based current compensation strategy enhances the fault ride-through capability of BDFIGs, it has certain limitations. In severe three-phase faults or prolonged voltage sags, the RL agent may not perform optimally if such conditions were not sufficiently represented during training, potentially leading to instability. Additionally, the method assumes moderate wind speed variations, meaning that rapid fluctuations in wind power could introduce untrained operating conditions, affecting reactive power compensation and voltage stabilization. Since the RL policy remains fixed after training, it may also struggle with unseen grid disturbances. Furthermore, while RL inference is computationally efficient, real-time deployment on low-power embedded systems may present challenges. To address these limitations, future work could incorporate adaptive RL mechanisms for real-time adjustments, integrate wind forecasting models to improve compensation strategies, and explore lightweight RL architectures to further enhance computational efficiency. These improvements would strengthen the robustness of the proposed method, ensuring reliable performance across a wider range of fault conditions and operational scenarios.
Author Contributions
Conceptualization, M.I.M. and A.U.K.; Methodology, M.I.M., N.U.R.M., M.M. and T.A.J.; Validation, Z.S.; Formal analysis, M.I.M., N.U.R.M. and M.M.; Writing—original draft, M.I.M. and A.U.K.; Writing—review & editing, N.U.R.M. and Z.S.; Visualization, M.I.M., M.M., T.A.J. and A.U.K.; Supervision, Z.S.; Funding acquisition, M.M. and T.A.J. All authors have read and agreed to the published version of the manuscript.
Funding
This research received no external funding.
Data Availability Statement
The original contributions presented in this study are included in the article. Further inquiries can be directed to the corresponding author.
Conflicts of Interest
The authors declare no conflicts of interest.
Abbreviations
The following abbreviations are used in this manuscript:
| Symbol | Explanation |
| PCC | Point of common coupling |
| RSC | Rotor-side converter |
| GSC | Grid-side converter |
| , , | Angular velocities of the power winding, control winding, and rotor |
| Natural system frequency | |
| , , | Voltage components of the three-phase power winding |
| , , | Voltage components of the three-phase control winding |
| , , | Voltage components at the PCC |
| Voltage across the DC-link | |
| , , | Three-phase voltages at the rotor-side converter |
| , , | Three-phase voltages at the grid-side converter |
| , , | Currents in the stator power winding |
| , , | Currents in the stator control winding |
| , , | Load currents |
| , , | Grid currents |
| Capacitance of the DC-link | |
| Capacitance of the capacitor bank | |
| , | Inductances (Filter, Load) |
| , | Resistances (Internal, Load) |
| , , | Stator resistances for power winding, control winding, and rotor |
| , , | Leakage inductances for power winding, control winding, and rotor |
| , | Magnetizing inductances: rotor to power winding, rotor to control winding |
| p.u. | Per-unit system representation |
| Scaling parameter for RL | |
| Discount factor for RL |
References
- Zhao, Y.; Li, T.; Zhang, X.; Zhang, C. Artificial intelligence-based fault detection and diagnosis methods for building energy systems: Advantages, challenges and the future. Renew. Sustain. Energy Rev. 2019, 109, 85–101. [Google Scholar] [CrossRef]
- Lang, W.; Hu, Y.; Gong, C.; Zhang, X.; Xu, H.; Deng, J. Artificial Intelligence-Based Technique for Fault Detection and Diagnosis of EV Motors: A Review. IEEE Trans. Transp. Electrif. 2022, 8, 384–406. [Google Scholar] [CrossRef]
- Brito, L.C.; Susto, G.A.; Brito, J.N.; Duarte, M.A. An explainable artificial intelligence approach for unsupervised fault detection and diagnosis in rotating machinery. Mech. Syst. Signal Process. 2022, 163, 108105. [Google Scholar] [CrossRef]
- Sadeghi, R.; Madani, S.M.; Ataei, M. A New Smooth Synchronization of Brushless Doubly-Fed Induction Generator by Applying a Proposed Machine Model. IEEE Trans. Sustain. Energy 2018, 9, 371–380. [Google Scholar] [CrossRef]
- John Justo, J.; Ro, K.S. Control strategies of doubly fed induction generator-based wind turbine system with new rotor current protection topology. J. Renew. Sustain. Energy 2012, 4, 043123. [Google Scholar] [CrossRef]
- He, W.; Yuan, X.; Hu, J. Inertia Provision and Estimation of PLL-Based DFIG Wind Turbines. IEEE Trans. Power Syst. 2017, 32, 510–521. [Google Scholar] [CrossRef]
- Wu, Y.K.; Yang, W.H. Different Control Strategies on the Rotor Side Converter in DFIG-based Wind Turbines. Energy Procedia 2016, 100, 551–555. [Google Scholar] [CrossRef]
- Döşoğlu, M.K.; Doğan, M.U. Enhancement of Low Voltage Ride Through (LVRT) Capability of DFIG-Based Wind Turbines with Enhanced Demagnetization Control Model. Energies 2024, 17, 4015. [Google Scholar] [CrossRef]
- Ntuli, W.K.; Kabeya, M.; Moloi, K. Review of Low Voltage Ride-Through Capabilities in Wind Energy Conversion System. Energies 2024, 17, 5321. [Google Scholar] [CrossRef]
- Xu, J.; Feng, P.; Gong, J.; Li, S.; Jiang, G.; Yang, H. Low-Voltage Ride-Through Strategy to Doubly-Fed Induction Generator with Passive Sliding Mode Control to the Rotor-Side Converter. Energies 2024, 17, 4439. [Google Scholar] [CrossRef]
- Su, X.; Gao, J. Research on Low-Voltage Ride-Through and Intelligent Optimization Control of Wind Turbines Based on Hybrid Power Prediction Models. Electronics 2024, 13, 4886. [Google Scholar] [CrossRef]
- Mitrovic, A.; Strezoski, L.; Loparo, K.A. Doubly Fed Induction Machine Models for Integration into Grid Management Software for Improved Post Fault Response Calculation Accuracy—A Short Review. Energies 2025, 18, 147. [Google Scholar] [CrossRef]
- Zhang, Y.; Zhu, W.; Tang, C.; Liu, N.; Li, S.; Wang, H. Start-Up and Fault-Ride-Through Strategy for Offshore Wind Power via DRU-HVDC Transmission System. Energies 2024, 17, 4968. [Google Scholar] [CrossRef]
- Ilyushin, P.; Simonov, A.; Suslov, K.; Filippov, S. Ensuring Stable Operation of Wind Farms Connected to Distribution Networks. Appl. Sci. 2024, 14, 9794. [Google Scholar] [CrossRef]
- Fang, H.; Zhang, X. Improvement of Low-Voltage Ride-Through Capability for Wave Energy Conversion System. IEEE Trans. Ind. Electron. 2022, 69, 8123–8133. [Google Scholar] [CrossRef]
- Wang, X.; Yang, R.; Shi, Z.; Cai, X.; Shi, X.; Chen, Y. Coordinated Low Voltage Ride-Through of MMC-HVDC Transmission System and Wind Farm With Distributed Braking Resistors. IEEE Access 2022, 10, 87860–87869. [Google Scholar] [CrossRef]
- Pal, A.; Pal, D.; Panigrahi, B.K. A Current Saturation Strategy for Enhancing the Low Voltage Ride-Through Capability of Grid-Forming Inverters. IEEE Trans. Circuits Syst. II Express Briefs 2023, 70, 1009–1013. [Google Scholar] [CrossRef]
- Tohidi, S.; Oraee, H.; Zolghadri, M.R.; Rahimi, M. A control scheme to enhance low voltage ride-through of brushless doubly-fed induction generators. Wind Energy 2016, 19, 1699–1712. [Google Scholar] [CrossRef]
- Long, T.; Shao, S.; Abdi, E.; McMahon, R.A.; Liu, S. Asymmetrical low-voltage ride through of brushless doubly fed induction generators for the wind power generation. IEEE Trans. Energy Convers. 2013, 28, 502–511. [Google Scholar] [CrossRef]
- Long, T.; Shao, S.; Malliband, P.; Abdi, E.; McMahon, R.A. Crowbarless fault ride-through of the brushless doubly fed induction generator in a wind turbine under symmetrical voltage dips. IEEE Trans. Ind. Electron. 2013, 60, 2833–2841. [Google Scholar] [CrossRef]
- Wang, X.; Lin, H.; Wang, Z. Transient Control of the Reactive Current for the Line-Side Converter of the Brushless Doubly-Fed Induction Generator in Stand-Alone Operation. IEEE Trans. Power Electron. 2017, 32, 8193–8203. [Google Scholar] [CrossRef]
- Memon, A.; Mustafa, M.W.; Aman, M.N.; Ullah, M.; Kamal, T.; Hafeez, A. Dynamic Low Voltage Ride through Detection and Mitigation in Brushless Doubly Fed Induction Generators. Energies 2021, 14, 4461. [Google Scholar] [CrossRef]
- Jiang, Y.; Li, X.; Qin, C.; Xing, X.; Chen, Z. Improved Particle Swarm Optimization Based Selective Harmonic Elimination and Neutral Point Balance Control for Three-Level Inverter in Low-Voltage Ride-Through Operation. IEEE Trans. Ind. Inform. 2022, 18, 642–652. [Google Scholar] [CrossRef]
- Memon, A.; Mustafa, M.W.; Aman, M.N.; Hafeez, A.; Ullah, M. Improving Transient Behavior of a Brushless Doubly Fed Induction Generator through Reactive Current Control of Grid-Side Converter. Electronics 2021, 10, 1413. [Google Scholar] [CrossRef]
Disclaimer/Publisher’s Note: The statements, opinions and data contained in all publications are solely those of the individual author(s) and contributor(s) and not of MDPI and/or the editor(s). MDPI and/or the editor(s) disclaim responsibility for any injury to people or property resulting from any ideas, methods, instructions or products referred to in the content. |
© 2025 by the authors. Licensee MDPI, Basel, Switzerland. This article is an open access article distributed under the terms and conditions of the Creative Commons Attribution (CC BY) license (https://creativecommons.org/licenses/by/4.0/).
