A Bidirectional Multidevice Interleaved SEPIC–ZETA DC–DC Converter for High-Efficiency Electric Mobility
Abstract
1. Introduction
- (1)
- Higher voltage gain can be achieved at lower transistor duty cycles, which is particularly beneficial for sources with a wide voltage range.
- (2)
- Operates in an interleaved manner, enabling input current ripple cancelation and reducing current stress on individual switching devices through multi-phase current sharing.
- (3)
- Supports continuous conduction mode (CCM) operation, enhancing versatility under varying load conditions.
- (4)
- Is easily expandable to an n-arm configuration while maintaining a consistent output voltage setting.
- (5)
- Presents a comprehensive investigation of a bidirectional interleaved SEPIC-Zeta converter designed for high-performance applications and suitable for operation under varying voltage gain.
- (6)
- The performance of the converter is validated through experimental results under open-loop control conditions in CCM.
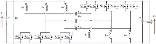
2. Description of the Proposed DC–DC Converter
3. Operation and Steady-State Analysis of Power Flow Direction from V1 to V2 (SEPIC Mode)
3.1. Stage Analysis in Region R2
3.2. DC Voltage Gain Expression for Power Flow from V1 to V2

3.3. Sizing of Passive Elements and Calculation of Component Stresses
4. Operation and Steady-State Analysis of Power Flow Direction from V2 to V1 (Zeta Mode)
4.1. Stage Analysis in Region R1
4.2. DC Voltage Gain Expression for Power Flow from V2 to V1
4.3. Component Stress Determination and Passive Elements Sizing
5. Technical Comparison with Reference Converter Architectures
6. Experimental Results and Efficiency Analysis
6.1. Experimental Results for Power Flow from V1 to V2
6.2. Experimental Results for Power Flow from V2 to V1
7. Conclusions
Supplementary Materials
Author Contributions
Funding
Data Availability Statement
Acknowledgments
Conflicts of Interest
References
- Bose, B.K. Global Energy Scenario and Impact of Power Electronics in 21st Century. IEEE Trans. Ind. Electron. 2013, 60, 2638–2651. [Google Scholar] [CrossRef]
- Wang, L.; Zhang, D.; Duan, J.; Gu, R. Research on High-Performance Multiphase DC–DC Converter Applied to Distributed Electric Propulsion Aircraft. IEEE Trans. Transp. Electrif. 2023, 9, 3545–3563. [Google Scholar] [CrossRef]
- Prasad Upputuri, R.; Subudhi, B. A Two-Stage Bidirectional DC–DC Converter with a Wide Output Voltage Range for DC Fast Charging Stations in E-Mobility Applications. IEEE J. Emerg. Sel. Top. Power Electron. 2025, 13, 294–303. [Google Scholar] [CrossRef]
- Singh, A.K.; Mishra, A.K.; Gupta, K.K.; Siwakoti, Y.P. High Voltage Gain Bidirectional DC-DC Converters for Supercapacitor Assisted Electric Vehicles: A Review. CPSS Trans. Power Electron. Appl. 2022, 7, 386–398. [Google Scholar] [CrossRef]
- Luo, Y.; Wu, Y.; Li, B.; Qu, J.; Feng, S.-P.; Chu, P.K. Optimization and cutting-edge design of fuel-cell hybrid electric vehicles. Int. J. Energy Res. 2021, 45, 18392–18423. [Google Scholar] [CrossRef]
- Cavalcante, K.D.N.; Kattel, M.B.E.; Praça, P.P.; Junior, D.S.O.; Antunes, F.L.M.; Barreto, L.H.S.C. 13 kW High-Efficiency Six-Arm High-Gain Transformerless Floating Interleaved Bidirectional Buck–Boost DC–DC Converter for EV Applications. IEEE Access 2024, 12, 183901–183917. [Google Scholar] [CrossRef]
- Igor Carvalho Lobato, G.; Berrehil El Kattel, M.; Marcelo Antunes, F.L.; Silva, S.M.; de Jesus Cardoso Filho, B. A novel topology of a non-isolated bidirectional multiphase single inductor DC–DC converter. Int. J. Circuit Theory Appl. 2025, 53, 2467–2495. [Google Scholar] [CrossRef]
- Mayer, R.; Kattel, M.B.E.; Oliveira, S.V.G. Multiphase Interleaved Bidirectional DC/DC Converter With Coupled Inductor for Electrified-Vehicle Applications. IEEE Trans. Power Electron. 2021, 36, 2533–2547. [Google Scholar] [CrossRef]
- Wu, Y.-E.; Huang, W.-C. Dual-Input Interleaved Bidirectional DC–DC Converter for Light Electric Vehicles. IEEE J. Emerg. Sel. Top. Power Electron. 2023, 11, 5037–5051. [Google Scholar] [CrossRef]
- Jiménez-Giménez, J.; Lázaro, A.; Mayor, Á.; López-López, J.; Barrado, A. New Bidirectional Isolated Three-Phase DC–DC Converter with Parallel-to-Serial Configuration for Energy Applications. IEEE Open J. Ind. Electron. Soc. 2025, 6, 459–477. [Google Scholar] [CrossRef]
- Alharbi, M.A.; Alcaide, A.M.; Dahidah, M.; Ethni, S.; Pickert, V.; Leon, J.I. Rotating Phase Shedding for Interleaved DC–DC Converter-Based EVs Fast DC Chargers. IEEE Trans. Power Electron. 2023, 38, 1901–1909. [Google Scholar] [CrossRef]
- Chang, C. Current ripple bounds in interleaved DC-DC power converters. In Proceedings of the 1995 International Conference on Power Electronics and Drive Systems, PEDS 95, Singapore, 21–24 February 1995; Volume 2, pp. 738–743. [Google Scholar] [CrossRef]
- Unnimaya, V.V.; George, S.; Paul, P.J. A Comprehensive study on Traditional and Derived SEPIC Topologies. In Proceedings of the 2022 Third International Conference on Intelligent Computing Instrumentation and Control Technologies (ICICICT), Kannur, India, 11–12 August 2022; pp. 1471–1476. [Google Scholar] [CrossRef]
- Aranda, E.D.; Litrán, S.P.; Prieto, M.B.F. Combination of interleaved single-input multiple-output DC-DC converters. CSEE J. Power Energy Syst. 2022, 8, 132–142. [Google Scholar] [CrossRef]
- Alargt, F.S.; Ashur, A.S.; Kharaz, A.H. Multiphase Interleaved SEPIC Converter Using ADM Control loop Suitable for Hybrid Energy Source Integration. In Proceedings of the 2022 Second International Conference on Sustainable Mobility Applications, Renewables and Technology (SMART), Cassino, Italy, 23–25 November 2022; pp. 1–8. [Google Scholar] [CrossRef]
- Prabhakaran, P.; Agarwal, V. Novel Boost-SEPIC Type Interleaved DC–DC Converter for Mitigation of Voltage Imbalance in a Low-Voltage Bipolar DC Microgrid. IEEE Trans. Ind. Electron. 2020, 67, 6494–6504. [Google Scholar] [CrossRef]
- Alharbi, S.S.; Alharbi, S.S.; Matin, M. An Improved Interleaved DC-DC SEPIC Converter Based on SiC-Cascade Power Devices for Renewable Energy Applications. In Proceedings of the 2018 IEEE International Conference on Electro/Information Technology (EIT), Rochester, MI, USA, 3–5 May 2018; pp. 0487–0492. [Google Scholar] [CrossRef]
- Zahedi, N.; Salehi, S.; Hosseini, S.H. An interleaved structure of sepic converter with lower current ripple. In Proceedings of the 2018 9th Annual Power Electronics, Drives Systems and Technologies Conference (PEDSTC), Tehran, Iran, 13–15 February 2018; pp. 493–498. [Google Scholar] [CrossRef]
- Chapparya, V.; Dey, A.; Singh, S.P. A Novel Non-Isolated Boost-Zeta Interleaved DC-DC Converter for Low Voltage Bipolar DC Micro-Grid Application. IEEE Trans. Ind. Appl. 2023, 59, 6182–6192. [Google Scholar] [CrossRef]
- Siva Alagesan, J.; Gnanavadivel, J.; Senthil Kumar, N.; Krishna Veni, K.S. Design and Simulation of Fuzzybased DC-DC Interleaved Zeta Converter for Photovoltaic Applications. In Proceedings of the 2018 2nd International Conference on Trends in Electronics and Informatics (ICOEI), Tirunelveli, India, 11–12 May 2018; pp. 704–709. [Google Scholar] [CrossRef]
- Hegazy, O.; Barrero, R.; Van Mierlo, J.; Lataire, P.; Omar, N.; Coosemans, T. An Advanced Power Electronics Interface for Electric Vehicles Applications. IEEE Trans. Power Electron. 2013, 28, 5508–5521. [Google Scholar] [CrossRef]
- Qin, H.; Zhang, Y.; Zhu, Z.; Ba, Z.; Liu, X. Parameter optimization method for multi-devices parallel of SiC MOSFET. In Proceedings of the CSAA/IET International Conference on Aircraft Utility Systems (AUS 2024), Xi’an, China, 16–19 August 2024; pp. 1982–1988. [Google Scholar] [CrossRef]
- Berrehil El Kattel, M.; Carvalho Lobato, G.I.; Maia, T.A.C.; de Jesus Cardoso Filho, B. 99%—Efficient, interleaved bidirectional DC-DC converter with new interleaved PWM method of parallel-connected Mosfets. Int. J. Circuit Theory Appl. 2022, 50, 2439–2470. [Google Scholar] [CrossRef]
- Christian, S.; Fantino, R.A.; Gomez, R.A.; Zhao, Y.; Balda, J.C. High Power Density Interleaved ZCS 80-kW Boost Converter for Automotive Applications. IEEE J. Emerg. Sel. Top. Power Electron. 2023, 11, 744–753. [Google Scholar] [CrossRef]
- Liu, S.; Dong, G.; Mishima, T.; Lai, C.-M. Over 98% Efficiency SiC-MOSFET Based Four-Phase Interleaved Bidirectional DC–DC Converter Featuring Wide-Range Voltage Ratio. IEEE Trans. Power Electron. 2024, 39, 8436–8455. [Google Scholar] [CrossRef]



















| Regions | Duty Cycle | Simultaneous Conducting |
|---|---|---|
| R1 | None | |
| R2 | Two switches | |
| R3 | Three switches |
| 7th Stage | 8th Stage | 9th Stage | 10th Stage | 11th Stage | 12th Stage | |
|---|---|---|---|---|---|---|
| Equivalent circuit | Figure 3g | Figure 3h | Figure 3i | Figure 3j | Figure 3k | Figure 3l |
| 7th Stage | 8th Stage | 9th Stage | 10th Stage | 11th Stage | 12th Stage | |
|---|---|---|---|---|---|---|
| Equivalent circuit | Figure 6e | Figure 6b | Figure 6f | Figure 6b | Figure 6g | Figure 6b |
| Parameters | [14] | [16] | [17] | [23] | [24] | [25] | Proposed | |
|---|---|---|---|---|---|---|---|---|
| DC Voltage Gain | ||||||||
| - | - | - | ||||||
| Switch Voltage Stress | ||||||||
| Switch current Stress | ||||||||
| Voltage V1/V2 (V) | 100/200 | 27/48 | 80~120/400 | 24/10 | 250~400/800 | 72/400–800 | 220/450 | |
| Converter Power (W) | 3.363 | 200 | 600 | 250 | 80.000 | 1.000 | 5.000 | |
| Switching Frequency (fS) | 25 kHz | 30 kHz | 50-250 kHz | 20 kHz | 50 kHz | 50 kHz | 20 kHz | |
| Efficiency (%) | 88 | 92 | 94.6 | 97.9 | 97 | 97.6 | 98.6 | |
| Components Count S/D/L/C | 4/8/12/1 | 4/0/3/4 | 2/2/4/4 | 8/0/2/2 | 6/0/3/2 | 8/0/4/5 | 12/0/6/5 | |
| Current and voltage ripple frequency at V1/V2 | 4 × fS | fS | 2 × fS | 4 × fS | 3 × fS | 2 × fS | 6 × fS | |
| Current ripple frequency of inductors | fS | fS | fS | 2 × fS | fS | fS | 2 × fS | |
| Bidirectional | no | no | no | yes | yes | yes | yes | |
| Normalized volume comparison | Inductors (PU) | 0.3 | 1 | 0.67 | 0.17 | 0.23 | 0.33 | 0.15 |
| Capacitors (PU) | 0.44 | 1 | 0.66 | 0.015 | 0.32 | 0.98 | 0.01 | |
| Specifications/Parameters | Value |
|---|---|
| Rated power | 6 kW |
| Voltage port (V1) | 220 V |
| Voltage port (V2) | 450 V |
| Switching frequency (fS) | 20 kHz |
| Duty cycle (D1) | 0.336 |
| Duty cycle (D2) | 0.164 |
| Inductance (L1, L2) | 1.5 mH |
| Capacitors (C1, C2, C3) | MKP1848C71050JY (VISHAY, 100 µF/500 V) |
| Capacitor (C4, C5) | MKP1848C (VISHAY, 25 µF/800 V) |
| Power Switches | G3R75MT12D SiC MOSFET |
| DSP module (For PWM modulation) | TMS320F28379D (Dual-Core Microcontrollers) |
Disclaimer/Publisher’s Note: The statements, opinions and data contained in all publications are solely those of the individual author(s) and contributor(s) and not of MDPI and/or the editor(s). MDPI and/or the editor(s) disclaim responsibility for any injury to people or property resulting from any ideas, methods, instructions or products referred to in the content. |
© 2025 by the authors. Licensee MDPI, Basel, Switzerland. This article is an open access article distributed under the terms and conditions of the Creative Commons Attribution (CC BY) license (https://creativecommons.org/licenses/by/4.0/).
Share and Cite
de Santiago, R.S.; El Kattel, M.B.; Mayer, R.; El Kattel, B.B.; de Araújo Honório, D.; Praca, P.P.; Antunes, F.L.M. A Bidirectional Multidevice Interleaved SEPIC–ZETA DC–DC Converter for High-Efficiency Electric Mobility. Energies 2025, 18, 6423. https://doi.org/10.3390/en18246423
de Santiago RS, El Kattel MB, Mayer R, El Kattel BB, de Araújo Honório D, Praca PP, Antunes FLM. A Bidirectional Multidevice Interleaved SEPIC–ZETA DC–DC Converter for High-Efficiency Electric Mobility. Energies. 2025; 18(24):6423. https://doi.org/10.3390/en18246423
Chicago/Turabian Stylede Santiago, Reuber Saraiva, Menaouar Berrehil El Kattel, Robson Mayer, Benameur Berrehil El Kattel, Dalton de Araújo Honório, Paulo Peixoto Praca, and Fernando Luiz Marcelo Antunes. 2025. "A Bidirectional Multidevice Interleaved SEPIC–ZETA DC–DC Converter for High-Efficiency Electric Mobility" Energies 18, no. 24: 6423. https://doi.org/10.3390/en18246423
APA Stylede Santiago, R. S., El Kattel, M. B., Mayer, R., El Kattel, B. B., de Araújo Honório, D., Praca, P. P., & Antunes, F. L. M. (2025). A Bidirectional Multidevice Interleaved SEPIC–ZETA DC–DC Converter for High-Efficiency Electric Mobility. Energies, 18(24), 6423. https://doi.org/10.3390/en18246423

