Abstract
Amid economic pressures in the U.S. electricity market, nuclear utilities are exploring new revenue streams, including hydrogen production. A generic pressurized water reactor simulator was modified to incorporate a novel design for a TPD system coupled to a hydrogen production plant. Standard malfunctions were included in the simulation design, including steam line breaks at various system locations and flow interruptions in the hydrogen plant due to multiple faults, reflecting anticipated operational challenges. It is imperative that the TPD system operation has a minimal effect on the reactor power, primary coolant system, and turbine system operation and performance. Due to the specific design and application of this TPD system, with the proposed turbine control system changes, the overall impact on the existing plant systems is low. Normal TPD operating scenarios resulted in minor effects on the existing plant systems: reactor power changes by at most 0.2%, and gross generator output changes by 20.5 MWe from 100 MWt of TPD. The most severe malfunction analyzed in this work is a full TPD steam line break downstream of the extraction location, which results in an increase in reactor power of about 0.5%. The gross generator output decreases by 36 MWe, a total decrease of 60 MWe from the full power steady state (FPSS) condition. These results indicate that an industrial hydrogen production plant could be coupled thermally to a nuclear power plant with limited effects on the existing system operation and safety.
1. Introduction
U.S. commercial nuclear power plants (NPPs) were built to serve as baseload electric generators during an era in which larger slow-moving generators used large transmission systems to move electricity throughout the electric grid to distant electric loads. In this traditional role, the U.S. fleet of NPPs is a resounding success, as evidenced by a high safety record and maintaining consistently high-capacity factors. However, recent trends are moving toward increasingly distributed electric generation co-located with consumers and less reliance on transmission from large generators. The distributed electric grid stems from the increasing adoption of smaller traditional and renewable generators, such as wind and solar. These smaller, renewable generators enhance electric grid dynamics, leading to fluctuating wholesale electricity markets where sunny and windy days drive electricity prices lower. Since U.S. NPPs were designed and engineered to operate at full power the entire time, utilities must pay other electricity generators to curtail their electricity production. To enhance the reactor’s economic viability, a method was needed to lower electrical generation without reducing reactor power, while still generating revenue from the fuel that is burned.
1.1. Thermal Power Dispatch Concept
U.S. commercial NPPs are critical energy sector infrastructure components and represent a substantial economic investment. As such, the Department of Energy’s (DOE’s) Light Water Reactor Sustainability (LWRS) Program supports research to safeguard the continued operation of the U.S. commercial reactor fleet. Under the LWRS program, the Flexible Plant Operations and Generation Pathway aims to evaluate alternative revenue sources and develop capabilities to enhance NPP economics and thus ensure their continued operation [1]. At their core, NPPs produce large quantities of heat that can be commoditized for several different applications. The three-loop pressurized water reactor (PWR) design traditionally uses this thermal energy to generate steam in the secondary system to spin a turbine coupled to an electric generator to produce electricity. Instead of producing electricity, this high-quality steam could be diverted away from the turbines to a system that would allow the reactor to remain at full power during periods of low electricity demand. Diverting steam away from the turbine reduces the electrical output while maintaining constant steam generation, and thus, the reactor requires no power manipulation. This system, called the thermal power dispatch (TPD) system, is the conduit for heat exchange and a physical barrier between the plant’s secondary system and the steam delivery loop for the external industrial process.
Nuclear TPD can support various industrial heat-consuming applications, with hydrogen production emerging as a leading option due to the high anticipated demand for clean hydrogen and the flexible operation of certain hydrogen plant designs. During a given day, the wholesale electricity market can roughly be divided into high-cost and low-cost periods corresponding to the overall generation and consumption. The planned TPD operations involve increasing hydrogen production when electricity prices are low to minimize opportunity costs, and decreasing hydrogen production when prices are high to maximize revenue. As such, the daily routine of operations has two primary transitions to engage or disengage the online configuration of the TPD system. The TPD system itself is maintained in a hot standby condition when the NPP plant is producing power and only taken offline during maintenance or when the NPP shuts down for refueling. Operational constraints necessitate rapid transitions of the TPD system from hot standby to online and back to maximize profits. These routine operations must be executed every day consistently and adhere to the impeccable safety standards of existing NPP operations. A simulator-based approach was utilized in the development and testing of the TPD concept.
This work focuses on using the TPD system as the thermal power source for high-temperature steam electrolysis (HTSE) co-located with the power plant. This process uses mainly electrical power in large amounts to split superheated steam into hydrogen gas and oxygen gas. Thermal power is used to perform the process of fluid preheating and steam vaporization steps in the HTSE plant [2]. The design of the HTSE plant that is coupled with the TPD and the NPP uses several other unit operations that perform preheating and heat recovery steps as well as the chemical separation processes to isolate the hydrogen gas produced [3]. The heat recuperation, combined with a small amount of electrical topping heat, allows the low-temperature thermal power source from a typical LWR (about 300 °C) to remain economically competitive for hydrogen production [4]. There are alternative methods for generating hydrogen using the heat generated by an NPP. These processes are mainly thermal processes, with a small amount of electricity required. One example of this is the sulfur–iodine process, which involves the formation and decomposition of sulfuric acid (H2SO4) and hydroiodic acid (HI) from various gases, including sulfur dioxide (SO2), iodine (I2), and water. The high-temperature acids decompose at temperatures as high as 850 °C, which allows for the generation and separation of hydrogen and oxygen gases [5]. Typical nuclear power applications for these thermochemical alternatives for hydrogen production include several generation IV reactor designs, such as the very-high-temperature reactor (VHTR) or the high-temperature gas reactor (HTGR), as these can achieve reactor coolant temperatures near the required temperatures to maintain these high-temperature endothermic chemical reactions [6]. HTSE is an appropriate application for exiting LWRs due to the lower reactor coolant temperature available for thermal power dispatch. Additionally, the low amount of thermal power required by a large HTSE plant has a significantly smaller effect on the operation of the existing plant systems.
1.2. Simulator Approach
Idaho National Laboratory (INL) (Idaho Falls, ID, USA) adopted a simulation-based approach to develop, test, and validate the operational concepts required to achieve TPD capability at an existing commercial light water reactor. In this effort, INL researchers partnered with GSE Solutions® to leverage their prior experience in simulator development and augment their generic pressurized water reactor (GPWR) simulator with a TPD system. This simulator supported a week-long operator study, which will be discussed in a separate report. This paper focuses on the simulator’s process model, as well as the implementation and testing of the instrumentation and control system in the GPWR full-scope training simulator, which served as a precursor to the final human-in-the-loop operator study. Results from several normal and abnormal operation simulations are discussed in this paper.
1.3. Full-Scope Simulators
This work is part of a broader initiative to develop, assess, and demonstrate a viable TPD capability, aimed at reducing costs and regulatory hurdles to accelerate industry adoption. Prior economic analysis, process modeling, system engineering, and human factors engineering developed the foundations for the TPD design implemented to support the study objectives. This prior work identified many of the TPD operational issues and developed solutions carried forward into the concept of operations evaluated in this study. To evaluate this concept of operations, a scenario-based experimental design approach was adopted. A scenario consists of a simulator, a simulator state (initial condition and faults for abnormal scenarios), a procedure, and operators to carry out the procedure and interact with the simulator. Operators are a central requirement for a scenario-based testing approach, allowing us to evaluate human-in-the-loop performance and potential error traps in a high-fidelity environment with expert operators.
Training simulators started in the 1970s with limited computer capabilities. In 1979, at the time of the Three Mile Island accident, only a few nuclear power plant control room simulators were in operation worldwide, and those that existed often had inaccurate representations of system performance and control room layouts [7]. Accidents such as this around the world have driven nuclear power plants to develop more accurate and robust training simulators for operator training and licensing purposes. The simulators most commonly used are full-scope plant reference simulators on site at the power plant [7]. These include detailed modeling of pertinent plant systems and a replica control room environment.
These simulators are often incorporated into detailed regulations that dictate operator training and licensing programs. In the United States, for example, 10 C.F.R. §55.46 details the process for obtaining an operator’s license. Part 55.46 discusses simulation facilities, and includes plant-referenced simulators. It states that a plant-referenced simulator must demonstrate the expected plant response to operator input and to various operating conditions.
Since real-time simulation is expected in these training simulators, liberties in modeling fidelity were often taken in the past to decrease computational time and allow for faster than real-time calculation during normal operations and real-time calculation during transient scenario operations. Advances in computational power and parallel processing have allowed for higher-fidelity models and more systems to be incorporated into the full-scope simulators of the reference power plant. This has improved the accuracy of not only primary system models but also auxiliary systems that have been improved from basic models to include complete system operation and pipeline geometry using best-estimate thermal-hydraulic codes.
GSE Solutions® supplies training simulators to customers worldwide in the nuclear power, fossil fuels, and chemical process industries. Nuclear power plant training simulators provided by GSE Solutions® are plant-referenced simulators used for training and licensing purposes. GSE provides simulators for existing, new, and first-of-a-kind nuclear power plants, including AP1000, NuScale, and more [8]. Modern training simulators use a variety of modeling codes, often from a variety of different vendors, to cover all aspects of the full-scope model: reactor physics, thermal hydraulics, electric systems, and logic and control systems. Although GSE provides all of these models, some simulators use other modeling codes such as RELAP5-3D for primary system thermal hydraulics, MAAP5 for severe accident simulations, or others, all of which are incorporated into the real-time simulation [8].
Using a simulator for developing and testing a novel system design provides a platform for experimenting with and maturing the design and control without the need to build various testbed stages. The best-estimate thermal hydraulic code used in the simulator has been used in training and engineering simulators at many NPPs and has been proven to provide a good starting point for the thermal hydraulic system models, which require only minor tuning to match exact plant conditions and operation [9].
Previous work used the GPWR to perform normal operation studies on a thermal power extraction (TPE) system, which was implemented in the GPWR to provide thermal power for the production of process steam in an HTSE plant. The HTSE plant was co-located with the nuclear power plant at an estimated distance of 1 km. That work made use of an additional heat transfer loop, containing a synthetic heat transfer oil, which would transport the thermal power and generate process steam at the HTSE plant site. The synthetic oil was heated by extraction steam from the main steam line at the main steam header prior to the high-pressure turbine inlet. That work analyzed the normal operation of the TPE system, increasing steam extraction flow to the operational setpoint, and decreasing extraction steam flow to the hot standby setpoint, and the effects that these had on primary system parameters. This was done at two extraction amounts, 15% and 50%, percentages based on total steam generator steam flow. This showed that primary system conditions were relatively unaffected by the maneuvering of the thermal power, and the reactor was capable of maintaining approximately 100% power during the changes. This required a change to the Tref program to account for the extraction steam as a secondary load and prevent the control rods from inserting into the reactor core during the TPE operations [3]. A part-task evaluation using only the human–machine interface (HMI) and some mock procedure was used to perform an initial evaluation of the thermal power dispatch concept of operations.
A subsequent effort modified this steam-oil design to a more complicated steam-to-steam design comprised of a preheater, kettle reboiler, and superheater. The steam-to-steam design also reduced the scale of the steam extraction to 5% thermal extraction. While the first model was used to perform thermohydraulic analysis as a proof of concept, the steam-to-steam model supported scenario-based testing in a full-scope study with a two-person operating crew performing normal operations. These normal operation scenarios tested the timing and task demands placed on the operators as they used the manual valve controls to transition the system from a hot standby to an online steam extraction mode. To achieve this transition, operators were required to place the turbine into a predetermined ramp and adjust the primary TPD system inlet valve proportionally without exceeding feedback thresholds that could induce undesired rod motion in the reactor core due to imbalances in steam demand and the resulting impacts to the Tref and Tavg mismatch program of the rod control system. Increasing turbine ramp rates were evaluated as the high ramp rates required greater operator workload as they managed manipulations that resulted in small imbalances that came closer to exceeding the deadband limits of the rod control system. This was repeated until the desired full level extraction was achieved for engaging the system or minimal steam extraction levels for returning the system to hot standby. A key result of this initial work was the need for an automatic control system to eliminate the difficulty experienced by the operators in managing manual valve manipulations. Furthermore, additional steam extraction locations that could lessen the overall envelope of possible plant impacts were identified.
An evolution of this process led to a similar application in a generic boiling water reactor simulator, This study analyzed the effects of the same TPD design connected to a boiling water reactor undergoing normal TPD operational changes [10].
The original design used manual transitions to support normal operations. An updated design implemented in the GSE simulator under this current work used a new system design developed to reduce impacts on the existing plant systems and reduce the workload required of operators by implementing an automatic control capability to transition the system from online to hot standby. The updated TPD model was also modified with numerous malfunctions or faults to support testing abnormal conditions in which the operator must respond to a system failure within the TPD as well as assess the impact that these conditions have on the existing plant systems.
2. Materials and Methods
This study is based on the work performed in previous studies over the past several years and represents advancements in the modeling and simulation efforts to couple a nuclear power plant to a hydrogen production facility. The simulation platform used to perform this work was the generic pressurized water reactor (GPWR) simulator (v6.2.0.3377, Columbia, MD, USA) from GSE Solutions®. This full-scope main control room training simulator represents a 3-loop Westinghouse PWR design. The simulator is based on an older version of the current plant-referenced simulator still in use today, which was made generic for research and teaching purposes [11].
The GPWR simulator uses a combination of different models and codes to support real-time dynamic and interactive simulation. The neutronics is modeled using the real-time multi-group advanced reactor kinetics model (REMARK), which was developed by GSE Solutions® for real-time simulation. REMARK uses true two-group time-dependent, three-dimensional diffusion equations with 23 decay heat groups, 6 delayed neutron groups, and Xenon and Samarium concentrations [12]. Primary coolant loop thermal hydraulics are calculated from RETACT, which is a one-dimensional, multi-node, nonhomogeneous, and non equilibrium simulation code [13] since the GPWR simulator used is an older version of an existing plant-referenced simulator. The GPWR simulator’s balance of plant is modeled using GSE’s JTopmeret, part of the JADE software package that is provided with the developer license of the simulator. JTopmeret is a proven two-phase network software tool for modeling thermal hydraulic fluid systems. It uses a two-phase, multi-component, non-thermal equilibrium model that solves mass, momentum, and energy balances for each phase with comprehensive heat transfer correlations for all heat transfer regimes [9]. The electrical system is modeled using JElectric and is also part of GSE Solution’s® JADE software package provided under the developer license. The control and logic systems are hand-coded in the simulator environment as is the main condenser, which is important for interfacing with the simulator model to complete the mass and energy balance on the secondary side.
2.1. System Design
As the project matured, changes were made to the TPD system design to make it more application-specific for HTSE and less invasive on the existing reactor systems and their operation. The original design used a heat transfer loop containing synthetic oil to support some of the initial thermal storage research objectives explored during the earlier phases of the project. The design of the TPD system was then modified by eliminating the heat transfer loop containing synthetic oil to support a direct steam-to-steam configuration. In this design, the steam extracted from the main steam system passes through heat exchangers to generate process steam in the TPD delivery line for direct use in the HTSE process. The TPD delivery line transports this steam to the HTSE plant through a 1 km pipeline with some thermal loss The remaining condensate and makeup water is stored at the HTSE plant and supplied back to the NPP, meaning it is no longer a continuous loop but a once-through system design, as shown in Figure 1.
Figure 1.
Processflow diagram of the initial steam-to-steam thermal power dispatch system to support extraction from the main steam system upstream of the high-pressure turbine inlet.
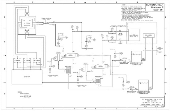
The design was further refined by the Architecture and Engineering Firm Sargent & Lundy (S&L) (Chicago, IL, USA), under contract by the Idaho National Laboratory to develop a pre-conceptual design of the steam-to-steam system configuration. The resulting system design and specification was the basis of the implementation described in this work [14]. The system underwent a name change from the thermal power extraction (TPE) to its current thermal power dispatch (TPD) designation in conjunction with these design changes. The most significant change was the steam extraction location being moved from the main steam to downstream of the high-pressure turbine outlet, prior to the moisture separator reheaters (MSRs) as can be seen in Figure 2. This shift in extraction location provides lower pressure and lower temperature steam to the TPD system than could be achieved by main steam extraction; however, the steam is still sufficient to meet the condition requirements for the HTSE plant, which are defined as steam of at least 148.89 °C (300 °F) and 0.34 MPa (50 psig). Additionally, the impact on the thermodynamics of the turbine-generator system is significantly lessened.
Figure 2.
Process flow diagram of turbine generator system showing steam extraction from new location at high-pressure turbine outlet.
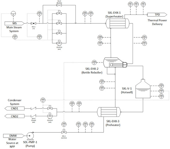
The S&L design report targeted two different TPD system scales to support a 100 MWe and 500 MWe HTSE plant. The MW size of the HTSE plant refers to the amount of electricity used in the electrolyzers to generate hydrogen. A 500 MWe plant design uses roughly half of the nominal electricity generated by a typical commercial nuclear plant, 1000 MWe. The 100 MWe plant is designed such that the total impact on the nuclear plant is almost negligible and serves as a first-of-a-kind design for proving feasibility [14]. The electrical rating of the HTSE plant governs the amount of thermal energy, as steam, that the electrolyzer requires to produce hydrogen. This work implements the 500 MWe design into the GPWR simulator for testing normal and abnormal operational conditions. As such, the total TPD dispatch capacity, in terms of thermal power extraction, suitable for a 500 MWe HTSE represents 2.8% of the total steam flow extracted from the turbine system, which is significantly less than the capacities of the TPD designs in previous work. The 500 MWe TPD designs utilize two separate, identical heat transfer systems running in parallel that could supply two or more separate HTSE facilities. The distance from the nuclear power plant to the HTSE facility in the S&L design is 500 m. The PID for the system is shown in Figure 3.
Figure 3.
Piping and instrumentation diagram of the 500 MWe TPD system designed by Sargent & Lundy.
The TPD system design for the 500 MWe hydrogen facility is located outside of the turbine building and inside of the protected area of the nuclear power plant. The TPD system connects to the existing secondary system of the NPP at the cross under the pipe of the high-pressure turbine. Two connections draw steam downstream of the high-pressure turbine, one for each cross under the pipe, each containing valves to provide two valve isolation locations prior to merging into a common extraction pipe. This common pipe exits the turbine building to a protected area, where the flow splits into two pipes supplying two identical trains of the TPD system. Each train has a set of double isolation valves to permit single-train operation if necessary. A flow control valve that controls the steam flow for normal system operation is located downstream from the isolation valves and upstream from the kettle reboiler. A flow transmitter is downstream of the control valve and controls the position of the flow control valve via a proportional–integral (PI) controller. The kettle reboiler is a shell and tube heat exchanger designed to fully condense the steam extracted from the secondary system prior to flowing to the drain receiver. This condensed steam then flows to a drain receiver designed to maintain a separation between liquid and vapor phases and prevent steam flow to the main condenser. This is done with a level transmitter connected to a level control valve downstream of the drain cooler. This valve is controlled by a PI controller modulating flow to maintain the drain receiver level in the desired range. Downstream of the drain receiver is a plate and frame-type heat exchanger called the drain cooler. This subcools the liquid prior to the return line connected to the main condenser.
The portion of the system connected to the hydrogen plant contains two demineralized water storage tanks located at the HTSE facility. At the outlet of the storage tank is the reboiler feed pump followed by the level control valve for the kettle reboiler shell side level. A level control valve is adjusted by a PI controller that uses the output of the level transmitter on the kettle reboiler. Downstream of this level control drain cooler, which on the hydrogen plant side provides preheating of the demineralized water prior to the kettle reboiler. On the shell side of the kettle reboiler, the liquid is boiled into steam and sent to the HTSE plant. The previously mentioned level control valve maintains the level in the kettle reboiler to ensure the tubes remain submerged and enhance heat transfer in the system. There is a pressure relief valve at the outlet of the kettle reboiler followed by a pressure transmitter and pressure control valve. Since the TPD system generates saturated steam, there are steam traps along the length of the pipeline to remove the condensate generated by the heat loss in the piping system.
S&L performed a thermal fluid analysis on both piping systems in the TPD system design and provided system geometry as well as the estimated heat loss through the pipe lengths. The heat loss between heat exchangers is negligible for this application; however, the heat loss over the 500 m length of pipe is significant, especially since the steam that is generated is saturated steam only and will cause condensation to form in the pipeline that must be monitored to protect the integrity of the system. S&L did not provide detailed heat exchanger designs in their analysis, instead they obtained quotes from a heat exchanger vendor using the design parameters to estimate the capital and operating costs of the TPD system.
This work developed heat exchanger designs for each of the heat exchangers in the pipe and instrument diagram (PID) based on the design data. These were developed using the AspenTech Exchanger and Design Rating (EDR) program [15]. The geometry of each heat exchanger was extracted and used to generate the simulator models so that the volumes and flow rates were accurate across the overall model.
2.2. Simulator Implementation
Since this work is the most recent iteration in the development of the TPD system into the simulator, a table is included for clarification of the development and differences between each design iteration. Several important aspects of the design and design decision are included to differentiate each TPD simulator implementation. The information in Table 1 depicts the evolution of the system design as it matured over the course of the project.
Table 1.
Explanation of the design type and decision for each iteration of the TPD simulator.
This system was integrated into the GPWR simulator with connections to the turbine system and the main condenser. The connections to the HTSE facility are boundary conditions representing the expected conditions of the HTSE plant. This is acceptable in this model because the effect of the HTSE steam boundary on the system only affects the steam flow into the HTSE facility, which should match the steam generation rate in the TPD. The water inlet to the TPD system from the HTSE facility comes from a large storage tank at atmospheric pressure and temperature conditions.
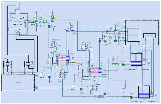
The TPD system was modeled with JTopmeret, the same as the balance of plant systems in the GSE. JTopmeret facilitates the interfacing with the existing systems and is generated with a GUI using simple building blocks for each of the common pieces of a thermal hydraulic system. Any abnormal systems can be represented with hand code to achieve the desired outcome. The TPD JTopmeret systems were overlaid on the PID for a better understanding of how the simulation model was built and what each node, valve, etc. represents. The JTopmeret drawing is shown in Figure 4.
Figure 4.
TPD nodalization in JTopmeret.
The S&L report was designed using a Westinghouse 4-loop PWR as the reference plant. Since the GPWR is a Westinghouse 3-loop PWR, there are a couple of minor differences in the design. First of all, the overall thermal power and electrical power generated by the power plant are different. Even though the GPWR has a lower thermal power output, the amount of steam extraction flow is maintained relatively similar between the two designs, so the piping design remains relevant. The S&L design has a total extraction flow rate of 161,112.85 kg/h (355,193 lbm/h) of steam, which corresponds to 44.75 kg/h (98.66 lbm/s). The TPD design in the GPWR has 45.36 kg/s (100.0 lbm/s) of steam as the design value, which corresponds to 22.68 kg/s (50 lbm/s) for each train.
The Westinghouse 4-loop design has one high-pressure turbine, two MSRs, and three low-pressure turbines, whereas the GPWR 3-loop reference plant has one high-pressure turbine, two MSRs, and only two low-pressure turbines. Since there are two low-pressure turbines, there are two different main condenser zones. Each of the TPD trains drains extraction condensate into each of the two main condenser zones.
Additional transmitters were added to the TPD simulator. A pressure transmitter was added to each of the drain receivers to monitor the pressure of the extraction side of the system. This is important for the procedures that were developed to bring the TPD system online from a cold shutdown state and to ensure that the system is completely depressurized in the shutdown state. The S&L report seems to account only for the steady-state online operation of the TPD. Additionally, a steam flow transmitter to the hydrogen facility was added at the end of the TPD steam line, just before the hydrogen facility boundary. This helps the nuclear operator to monitor that steam is being generated and delivered to the hydrogen facility, and might help in identifying if there is some type of leak or break in the steam transport pipeline. Finally, a level transmitter and controller were added to the demineralized water storage tank to maintain the tank level with the demineralized water supply accounting for the water lost to electrolysis during hydrogen production.
The control logic for each of the control valves was generated using JControl, part of the GSE’s JADE package. This control system was generated to mimic the existing control valves in the GPWR with auto/manual operation corresponding to the set point in automatic mode and the valve position in manual mode. The logic to interface the valve signals with the thermal hydraulic model, as well as other required logic for correct system operations was included as a manual code to accompany the TPD system.
Finally, a change to the existing control scheme for the turbine system was required so that the steam extraction from the high-pressure turbine outlet line would not cause an increase in reactor power by increasing the demand on the steam generator and primary system. Since the steam is extracted at the high-pressure turbine outlet, the turbine governor valves remain unaltered and do not see any difference in the system when the TPD is brought online. The low-pressure turbines see a difference in the steam flow and, more importantly, steam pressure. As a mitigating measure, a new control system was introduced to the turbine control system. This is a fix that is possible in the simulator but would not be feasible in an operating plant since it would require significant analysis of the safety and operation of the turbine system. However, since the focus of this study is on the thermal hydraulic behavior of the system, it is assumed that this change in the control logic is acceptable and can be trusted to behave correctly.
The new control scheme involves changing the isolation valve for the low-pressure turbines to be a control valve. The valve characteristics for these valves were changed in the simulator so that they behave like a turbine governor when not fully open. The controller is programmed to control the steam generator outlet flow when there is steam extraction to the TPD system. The set point for this controller is the FPSS total steam flow from the steam generators. Using this updated control scheme allows the turbine to ramp down the load automatically when the TPD system is in operation. An additional benefit of this system is that any malfunction in the TPD system, which has an affect on the steam flow to the TPD system, will automatically be compensated for by the turbine system. This helps to maintain reactor power at or near 100% during both normal and abnormal operations.
2.3. Operation
The TPD system is expected to operate only when the power plant is at full-power steady state (FPSS), meaning that the reactor and the turbine are operating at or near 100% and all systems are normal. Any abnormal conditions in the power plant would require a trip of the TPD system during the abnormal operating conditions so that the steam extraction does not affect existing procedures and timings. Tripping the TPD closes the isolation valves at the high-pressure turbine offtake pipes, train A and train B individual isolation valves in the plant-protected area after the common pipe, and the isolation valves in the extraction condensate pipe enter the main condenser. This fully isolates the TPD system so that there is no effect on the operation of the power plant and the control logic of the TPD system allows this to be accomplished using a single operating action. Any reactor or turbine trip will also automatically trip the TPD system so that existing reactor safety can systems and abnormal operating procedures may progress normally.
Similar to previous works, the TPD system has three different normal operating conditions [3,10].
- 1.
- Cold Shutdown: The TPD system has zero extraction steam flow and is at atmospheric temperature and pressure conditions.
- 2.
- Hot Standby: The TPD system is pressurized and at operating temperature with some extraction steam flow required to keep both the TPD system and the hydrogen facility at temperature. The extraction steam flow used in this work is 1.13 kg/s (2.5 lbm/s) in each train at hot standby. This is 5% of the design steam flow and is assumed to be a good approximation, but could be adjusted if needed.
- 3.
- Online: The TPD system is at nominal operating conditions for temperature, pressure, and flow. Process steam is being delivered to the hydrogen facility at nominal conditions for hydrogen production. The design extraction steam flow rate in each train is 22.68 kg/s (50 lbm/s) of steam, which results in 18.14 kg/s (40 lbm/s) of steam dispatched to the hydrogen facility.
Since there are two TPD trains in this design, this also applies to each train. This means that one can be online while the other is in hot standby or cold shutdown or vice versa. This allows for redundancy in the system so that all potential hydrogen production is not lost in the even of a failure in one of the trains. It also allows for only half of the potential hydrogen production if there is a lack of hydrogen production demand.
For the purposes of this study, only the hot standby and the online conditions will be examined. It is expected that the TPD system will operate a large majority of the time in these conditions to allow hydrogen production to be started and stopped relatively quickly based on market conditions. Procedures were developed for bringing the system to hot standby from cold shutdown and vice versa, but these are not of concern in this work due to the time length of the operation and the minimal impact that it has on the existing reactor systems. The initial conditions for the simulator scenarios were generated by maneuvering the TPD system from a cold shutdown condition to the other operating conditions while the power plant was at FPSS, so this operation has been tested. This operation takes several hours; however, most operator actions are at the beginning or end of the transition with occasional parameter monitoring required throughout.
The operation of the TPD is relatively simple for most of the transitions that will take place. Most of the time, the operator will be maneuvering the TPD system from hot standby to online or from online to hot standby. Previously this was performed manually by manipulating the extraction steam flow set point [3,10]. The updated TPD simulator uses an automatic control program to manipulate the extraction flow control valve based on operator input. The operator selects the set point ramp rate (lbm/s/min) and the final set point flow rate (lbm/s). Once these inputs are selected by the operator and confirmed, the operator places the control system into the “GO” mode to automatically ramp the extraction flow set point. This process can be canceled anytime by placing the program into the “HOLD” mode, which will pause the set point ramp. This gives the operator the freedom to monitor important power plant parameters during the ramping process to ensure that other systems are normal, rather than focusing mainly on the TPD system. The steam flow to the turbine is automatically adjusted by the new intercept valve control scheme that was implemented into the turbine control logic.
2.4. Scenarios
This study analyzes the primary reactor system response to normal and abnormal operating conditions in the TPD system to show that implementing a thermal power dispatch system into an existing nuclear power plant shows only a minimal effect on existing system operation. The normal operations are the transition of the TPD system from hot standby to online as well as the reverse process. The abnormal operations include several postulated malfunctions, which were included in the TPD simulator design.
There are several malfunctions added to the TPD simulator to analyze the effect that various faults in the TPD system have on the existing reactor systems. These malfunctions can be seen in the JTopmeret drawing in Figure 4 labeled as “MF”. The intent is to determine if postulated failures in the system will have a measurable effect on reactor power or primary systems conditions that might place the power plant as a whole into an unexpected transient scenario. These malfunctions include line breaks, valve failures, heat exchanger leaks, and hydrogen facility trips, all of which have been modeled in the simulator to the best understanding of the simulator engineers. A comprehensive list of each malfunction analyzed in this study, its description, and its severity is provided in Table 2. In each case, the worst case scenario is used for break and leak malfunctions; this is a double guillotine break for steam/water line breaks or a full design flow leak for heat exchanger leaks.
Table 2.
Selected malfunctions included in the TPD simulator for analysis.
The malfunction label in Table 2 is the three-letter code used in the modified GPWR simulator as the malfunction designation. The labeling scheme starts with the system designation, TPD, followed by the malfunction number, and then the affected train. In the case of TPD02, there is only one common pipe so there is no affected TPD train. The numbering shows that there were more malfunctions incorporated into the TPD simulator. In fact, a total of 27 different malfunctions were incorporated but only these were selected for this analysis as these cover a wide range of effects that would have an impact on the nuclear power plant operation.
2.5. Procedure
For normal operations, an automatic scenario is set up to perform the TPD transition in the following manner:
- Reset the simulator to the appropriate initial condition (IC 192 has TPD in hot standby mode; IC 193 has TPD in online mode).
- Run the simulator for two minutes to show steady-state operation. Waiting times represent the estimated time for the operators to ensure the power plant is stable before and after TPD changes.
- Initiate the TPD transition by setting the ramp rate (9.07 kg/s/min (20 lbm/s/min)) and final target setpoint (22.68 kg/min (50 lbm/s) or 1.13 kg/s (2.5 lbm/s)) for Train A and start the ramping program. The ramping program typically takes about 2.5 min to reach the target TPD steam flow.
- Wait one minute to show stable TPD operation for Train A.
- Repeat Step 3 for Train B.
- Let the simulator run with both trains online for about two minutes. The total simulation time is set to 10 min.
For the abnormal operations an automatic scenario is set up for each of the malfunction scenarios:
- Reset the simulator to the TPD online initial condition (IC 193).
- Run the simulator for two minutes to show steady-state operation.
- Insert the selected malfunction at the specified severity.
- Let the simulation run for eight minutes to monitor the primary reactor system parameters, then end the simulation.
The following nuclear power plant parameters were selected to characterize simulator behavior during the various scenarios:
- Reactor power;
- Reactor coolant system (RCS) hot leg temperature;
- RCS cold leg temperature;
- Pressurizer pressure;
- Pressurizer level;
- Steam header pressure;
- Steam generator level;
- Gross generator power;
- RCS average temperature;
- Reference temperature.
These values and patterns of these parameters are similar to the parameters used to characterize the simulator behavior in the previous work using GPWR [3]. Since the GPWR is a 3-loop PWR, there are multiple measurements for RCS coolant legs and steam generators, and it is assumed that they are consistent across each loop and only one was reported for brevity. Additionally, the TPD parameters were included to ensure that the selected operation or malfunction proceeded as expected in the observed simulator response. The TPD transmitters are as follows:
- Extraction steam flow;
- Drain receiver level;
- Drain receiver pressure;
- Kettle reboiler level;
- Process steam pressure;
- Process steam flow.
3. Results
The results for each scenario are presented as a series of plots containing the time-dependent simulator results. The first is a set of two plots, followed by a set of four plots. The first two plots show the flow, level, and pressure transmitters for both the extraction steam conditions and the process steam conditions of the TPD. The solid and dashed lines represent train A and B, respectively. This is to show that the scenario occurred as expected and to facilitate discussion on the behavior of the TPD system. The next four plots show the reactor system response. The first plot shows the reactor power percentage and the generator power. The next plot shows the reactor coolant system’s hot, cold, average, and reference temperatures. This plot is broken into three sections of the zoomed-in y-axis to show the variation in the temperatures for each parameter. The colors in this plot are red for hot leg temperature, blue for cold leg temperature, green for average coolant temperature, and black for reference temperature. The next plot shows the pressurizer pressure and level. The final plot shows the steam generator level and steam header pressure. The color of the y-axis matches the color of the corresponding line.
Generally, the scale of the y-axes of each plot is consistent across the various scenarios; however, in some cases, the scale is adjusted for values that are outside the predetermined range or to highlight something important to the parameter response of the adjusted scale. The intent of the overall study is to show that the effect of the TPD system in normal and abnormal operating conditions on the existing power plant is minimal. A future analysis would show how the TPD system affects the existing reactor systems’ operation during normal and abnormal operations. This would require additional input from licensed reactor operators who are familiar with the timing and progression of these operations.
3.1. Normal Operations
3.1.1. Hot Standby to Online
In hot standby mode, the TPD system maintains a small flow rate on both the extraction and process steam sides as described in Section 2.3. This requires that the controllers be in operation; therefore, the level in the drain receiver and the kettle reboiler is maintained at the set point value during the entire operation. The same is true for the process steam pressure. The extraction steam flow is increased by ramping the flow controller set point in the procedure. This results in the process steam flow increasing as more steam is generated in the kettle reboiler. The process is carried out in two separate steps, one for each train, to make sure that there is only one operational transient occurring in the power plant at a time.
The other parameter of interest is the extraction steam pressure in the drain receiver, shown in Figure 5a. The drain receiver pressure changes as the flow control valve opens to allow more steam to flow into the kettle reboiler. When the flow control valve is at the hot standby set point, the extraction steam decreases to match the pressure of the process steam because the kettle reboiler is operating far from its design point, causing the two sides to be at about the same temperature, resulting in the same steam pressure.
Figure 5.
TPD system parameters while transitioning TPD system from hot standby to online.
Examining the plots in Figure 6, there is little variation in the primary system conditions. Overall, the primary reactor system remains steady during the entire operation with the exception of the reactor power and the generator power. The decrease in generator power can be seen in Figure 6a, which happens in two gradual steps. The first step is from the first train ramping up and the second step is from the second train ramping up. This is caused by the new turbine control scheme introduced in this work, which decreases the steam flow to the low-pressure turbines to account for the increase in steam flow to the TPD system. Figure 6a also shows a slight increase in reactor power percent caused by a small change in the steam header conditions, which trace their way back to the reactor power. This total change in reactor power is small and keeps the total reactor power between approximately 99.4% and 99.6%, a change of about 0.2%. The gross generator output decreases from about 961.0 MWe to about 940.5 MWe, a decrease of 20.5 MWe caused by a thermal power extraction of about 100 MWt.
Figure 6.
Primary system parameters while transitioning TPD system from hot standby to online.
3.1.2. Online to Hot Standby
This is the reverse operation of the previous scenario, which results in a decrease of the extraction and process steam flows and the decrease of pressure in the TPD drain receiver as seen in Figure 7a,b. This operation appears to be less stable than the previous one based on the TPD system parameters, presumably due to residual thermal inertia in the system. Notably, an increase in the extraction steam flow just before hot standby is achieved in each of the TPD trains, see Figure 7a. This effect is reflected in Figure 7b; however, it has not yet been determined what causes this. Additionally, there is a variation in the drain receiver level that is noticeable in Figure 7a, though not very large. This is likely due to the control valve not moving or the controller not responding fast enough to the change in receiver level caused by the steam extraction flow rate.
Figure 7.
TPD system parameters while transitioning TPD system from online to hot standby.
The primary system response is as expected based on the previous operation. Since the reactor power increased slightly in the previous operation, it decreases slightly in this operation, see Figure 8a. Also, the generator power increases over two different steps, one for each of the TPD trains coming offline. Overall, the other parameters remain constant throughout the operation.
Figure 8.
Primary system parameters while transitioning TPD system from hot standby to online.
3.2. Abnormal Operations
3.2.1. Steam Line Break at Common Pipe
Figure 9 shows the TPD response for the 100% severity of the steam line break at the common pipe location causes there to be a large and sudden increase in the amount of extraction steam flow from the turbine generator system. Since the break is upstream of the TPD extraction steam flow transmitter, the flow in the TPD system drops to zero in both trains immediately. The pressure in the system drops due to the loss of flow but not to zero pressure since there is a check valve at the kettle reboiler inlet preventing additional back flow from the TPD system. The drain receiver level fluctuates as the condensate flow into the tank suddenly stops. There is some lag for the level control valve to adjust, but the level is returned to the set point, which would mean that the control valve is fully closed and there is no longer flow into the condenser.
Figure 9.
TPD system parameters during a break in the common header.
The effects on the process side are less noticeable since there is not a direct connection with the steam line break. The lack of extraction steam will cause the process steam flow to drop to zero. This drop is not as sudden since there is some lag in the heat transfer in the kettle reboiler as some steam is still condensing even after the steam line break. The pressure and levels change slightly to where the level control valve is fully closed and the pressure control valve is fully closed. The level cannot drop to the set point because there is no longer evaporation in the kettle reboiler causing the level to drop and the control valve is closed. The pressure cannot increase to the set point for the same reason, and there is no more evaporation in the kettle reboiler.
The primary system parameters show the effects on the primary reactor system in Figure 10. The main effect is seen in the generator power production with some minor effects in the primary coolant system. This is because the turbine control system implemented into the simulator for the system is still in operation. The steam leak in the TPD system is seen as an increased load in the TPD system, which starts to draw more steam. The flow controller for the low-pressure turbine intercept valve controller decreases the amount of flow to the low-pressure turbines to compensate for the extra steam extraction in the TPD system. This results in a decrease in gross generator power from about 940 MW prior to the break, to about 904 MW after the break occurred, see Figure 10a. The FPSS gross generator output for the unmodified plant is 963 MWe, meaning that a full steam line break in the TPD increases the reactor power by 0.5% and results in a maximum loss of 59 MWe from the generator. These lost MWe would be recovered quickly after operator interaction to isolate the TPD system. Additionally, the reactor power scale for Figure 10a was adjusted to allow values over 100% reactor power because, in the scenario, the reactor power increases to over 100%, although only slightly.

Figure 10.
Primary system parameters during a break in the common header.
Looking at the other plots in Figure 10 it can be seen that there is a slight drop in the cold leg temperature, which explains the slight increase in reactor power. Additionally, the pressurizer level and pressure fluctuate a little bit before returning to the starting levels. Finally, the steam generator level and the steam header pressure are affected. The steam header pressure drop is likely caused overall by the break before the turbine control system is able to accommodate the TPD break. This is likely what causes the cold leg temperature to drop slightly as well. The steam generator level fluctuates a little but seems to return to the FPSS level by the end of the simulation.
3.2.2. Steam Line Break at Train A
The main difference between this scenario and the previous scenario is that only one train suffers a full break while the other remains in normal operation. There is a full loss of steam flow in the affected train, as seen in Figure 11, while the other train experiences a sudden drop in extracted steam flow followed by an attempted recovery of steam flow. The initial drop in extracted steam flow in the unaffected train is caused by the sudden loss of pressure upstream of the flow control valve, which needs to open to attempt to maintain the flow control set point. This set point is unable to be maintained even with the flow control valve fully open due to the design of the piping system. As a result, not only is there a complete loss of process steam in the affected train, there is a slight decrease in the amount of process steam produced in the unaffected train.
Figure 11.
TPD system parameters during a break in Train A.
Figure 12a shows the drop in generator power caused by the extra extraction steam in the TPD from the break in train A. There is a decrease in generator power and an increase in reactor power, as seen in Figure 12a, associated with the line break; however, it is not as severe as the previous scenario. This is interesting since the size of the break would theoretically be the same since one train is experiencing a full break and the unaffected train is unable to maintain full extraction flow even with a fully opened flow control valve. This speaks to the design of the system, which allows for an additional limiting factor in the pressure drop through the system. Since the break is further removed from the steam extraction location in the turbine system, not as much steam is lost.
Figure 12.
Primary system parameters during a break in Train A.
3.2.3. Steam Line Break at Kettle Reboiler B Outlet
The break at the kettle reboiler outlet is downstream of the TPD flow control valve for train B. This causes a spike in the extraction steam flow, which is quickly recovered by the flow control valve, see Figure 13a. This break results in a full depressurization of the extraction steam system since the break is just upstream of the drain receiver where the pressure transmitter is located. The level of the drain receiver drops as some of the liquid inside is flushed. It is unclear from an initial look at Figure 13a why the drain receiver level has an additional drop six minutes following the break.
Figure 13.
TPD system parameters during a break in the reboiler outlet of Train B.
The process steam flow rate in Figure 13b decreases as a result of the break. Even though the design extraction steam flow is still supplied to the kettle reboiler, it is at a significantly lower pressure than the design. This largely decreases the saturation temperature difference across the kettle reboiler tubes, causing an instant drop in process steam production, followed by a slow decrease over time.
As the break moves further away from the steam extraction location in the turbine system, it seems that the effect on the reactor system is less severe, see Figure 14. There is essentially no effect on the primary system response; however, this is expected since the break is downstream of the TPD flow control valves, so the steam lost is not seen by the turbine system. However, this loss of inventory is a concern to the reactor system since there is still a loss of secondary coolant. Even though there seems to be no effect on the reactor system, after extended operation in this fault scenario state, there will be a decrease in secondary coolant large enough to cause issues with the reactor system, potentially causing a trip from a low condenser hot well level.
Figure 14.
Primary system parameters during a break in the reboiler outlet of Train B.
3.2.4. Kettle Reboiler B Tube Leak
In this scenario, there is a leak in the kettle reboiler of Train B. Figure 15a shows a small spike in the flow rate of train B caused by the leak, which is quickly recovered by the flow control valve, similar to the previous scenario. This leak causes the pressure to drop in Train B as the steam is leaked into the process steam side of the reboiler, which causes the drain receiver level to drop a little and recover by the level control valve closing.
Figure 15.
TPD system parameters during a tube leak in the reboiler of Train B.
The extraction steam is leaking into the process steam side, causing an increase in the process satem flow rate, which settles at a value higher than normal, see Figure 15b. Additionally, the kettle reboiler level is increasing as the steam that is leaking into the shell side of the heat exchanger also contains condensate, which is staying in the shell side of the heat exchanger. At this point, the level control valve for the kettle reboiler is fully closed and the level is still slowly increasing.
Since this scenario is very similar to the previous one, the overall primary system response is similar as well, see Figure 16. The primary system is not affected by this scenario since the TPD flow control valves are able to maintain control of the extraction steam flow rate.

Figure 16.
Primary system parameters during a tube leak in the reboiler of Train B.
3.2.5. Hydrogen Facility A Trip
The hydrogen facility trip is included in the model using what is believed to be the most conservative approach to the scenario. Since it is not fully understood what exactly this might entail or how the hydrogen facility might handle any of the abnormal operating conditions, this trip is modeled simply to stop process steam delivery to the hydrogen plant. In the simulator, this is achieved by closing an isolation valve at the hydrogen facility boundary.
This malfunction operation stops the process steam delivery to the hydrogen plant, as seen with the sudden drop of process steam flow in Figure 17b. This results in the increased process steam pressure, which will hit the pressure limit on the pressure relief valve at the kettle reboiler exit. The effect of this scenario on the extraction steam side is seen in Figure 17a. As the process steam flow stops, the extraction steam flow is decreased by the increase in pressure on the process side. Notice that the y-axis for the pressure value is increasing in Figure 17 in order to capture the full increase in steam pressure in extraction and process steam.
Figure 17.
TPD system parameters during an HTSE trip.
This is part of the natural mechanism of the system design. Process steam generation is the driving factor in the extraction steam flow rate; if there is no level in the kettle reboiler, then extraction steam condensation is severely reduced, which results in the drop of extraction flow to the kettle reboiler. The process side pressure increase has the same effect on the extraction side since the temperature increases on the process side to decrease extraction-side condensation. The decrease in extraction steam condensation increases the pressure on the extraction side since there is little driving force for condensation with the pressure rise on the process side.
Although there is interesting behavior in the TPD system as a result of this scenario, the effect on the reactor system remains relatively simple. All that is happening is that there is a decrease in extraction steam flow, which, based on normal operating conditions, would cause an increase in generator production and a slight decrease in reactor power. This is evident in Figure 18a. An interesting note here is that any loss in hydrogen production would be seen by a loss in process steam flow to the hydrogen plant. This actually results in a decrease in the reactor, showing that the fault scenario would trend reactor power in the safe direction.
Figure 18.
Primary system parameters during an HTSE trip.
3.2.6. Hydrogen Process TPD Pump B Trip
The reboiler feed is primarily responsible for maintaining the reboiler level, visible in Figure 19b. The lack of feed flow on the process side causes the steam extraction side to lose flow as the kettle reboiler level drops. The uncovering of the tubes in the kettle reboiler decreases heat transfer significantly and causes a reduction in extraction steam flow until the level in the kettle reboiler is fully dried up. The loss of steam extraction flow and loss of heat sink in the kettle reboiler cause the extraction side pressure to rise, which can be observed in Figure 19a.
Figure 19.
TPD System parameters during a reboiler feed pump trip.
The aforementioned reduction in steam flow to the steam extraction loop results in more steam flow being directed to the low-pressure turbines, leading to the increase in generator power seen in Figure 20a. Reactor power drops slightly due to the minor reduction in overall steam flow, while all other primary parameters visible in Figure 20 remain relatively constant.
Figure 20.
Primary system parameters during a reboiler feed pump trip.
3.3. Significance
The results clearly show that the effect on the existing plant systems is low. Therefore, the existence of the TPD system presents a limited additional risk to plant operation and safety while providing an additional revenue stream for the NPP. Plant-referenced simulators are not only used for operator training but can also be used to test potential engineering changes to existing systems that will increase the efficiency of the overall power plant. Using the results presented from these various normal and abnormal conditions with the proposed TPD system allow for engineering decisions to be made for modifications to the actual plant. For example, the effects of the various malfunctions on the existing plant systems are low; therefore, changes such as these could be used with §10 CFR 50.59(c)(1) to avoid a lengthy re-licensing process after further investigation.
4. Discussion
The thermal power dispatch simulator capability was developed as part of a larger project under the Flexible Plant Operation and Generation (FPOG) pathway of the Department of Energy’s LWRS Program. The simulator capability is necessary to support multi-stage validation for a thermal power dispatch concept of operations in accordance with the Nuclear Regulatory Commission’s (NRC) NUREG 0711 (O’Hare, 2012; rev 3) [16]. The validation approach itself is beyond the scope of this paper, but as context for the simulator development, the basic underlying concept is beneficial. The approach uses a set of scenarios selected to capture the key aspects of envisioned normal operations while also accounting for key aspects of envisioned abnormal or emergency scenarios. The simulator capabilities developed under this effort, such as the set of component malfunctions modeled in the TPD system, were selected to enable an operator to perform this scenario as a representation of actual operations. As such, it is vital to ensure the simulator behaves appropriately so as to serve as a faithful proxy for actual system operation. To this end, the TPD-modified simulator functionality was tested using scripted and human-in-the-loop (HITL) operated scenarios. The HITL testing was achieved with a prototype human–machine interface (HMI) developed as part of the simulator functionality. Both of these types of testing are important to verify that the simulation models respond properly. Scripted scenario testing is used during formative development activities when constructing the process models. The initial control system development also benefits from scripted testing. The HITL testing comes during the summative development to ensure the operability of the intended control functionality. This initial testing is intended to ensure the functionality of the simulator will support the concept of operations testing to validate the underlying technology and implementation from an integrated systems perspective comprised of the simulation process models, instrumentation and control models, HMI, procedures, and human operator.
4.1. Testing
All codes require extensive testing to verify their accuracy and precision, but simulation code testing must go beyond scripted scenarios, e.g., unit testing, performed on models and controllers included in the results section. This is due to the fact that simulators must replicate system behavior over time in response to user inputs in real time to be useful for scenario testing. Therefore, there is inherently a human element in the evaluation process. This testing also requires a level of expertise and knowledge of the physical processes and control dynamics to interpret the simulator as it responds to operator inputs. The testing paradigm may differ slightly in how it is executed. In all cases, an operator with knowledge of the processes and controls either views recorded scenarios and data or performs live control inputs to the running simulator. Developers and engineers with knowledge of the processes and control systems observe the recorded or live-executed scenarios. The key element of this testing is the exchange between the operator and the developers. The operators convey the expected response and any deviations to the developers so that the models can be modified for correction. For example, a common product of this testing is operator feedback that the modeled process responds too quickly or slowly to a given action, but during the steady state, the process response is accurate. The developer can then iteratively tune governing parameters, reset the simulator, and observe as the operator executes the scenario again.
In addition to testing the system itself, the simulator permits testing of various aspects of human factors of a thermal power dispatch system. This testing eases licensing requirements since 10 C.F.R. §52 requires human factor reports to be included in the licensing process. Given this is a new system, it must be verified that the thermal power dispatch system must not inhibit an operator’s ability to maintain the reactor plant or cause undue cognitive load on the operators.
4.2. Normal Operations
To minimize the cognitive load on the operators, an automatic operating mode was developed to transition the plant from hot standby to online and online to hot standby, as described in Section 2.2. Not only does this allow operators to monitor the rest of the plant while the system transitions operating modes, but it also allows the transition to be optimized to the valve characteristics curve. Since valve position changes do not result in linear changes in steam flow, constant position changes can lead to an inconsistent rate of change in the system. Instead, the transition can minimize the effect on the system by varying the speed of the valve position changes in different regions of the system impact the valve characteristics curve, allowing for faster system transitions. This will maximize the use of the excess thermal energy produced by reactors and maximize the profitability of the reactor.
Although the system has the ability to perform normal operations automatically, a stop functionality was inserted at the advisement of several operations experts. This is due to the possibility of abnormal indications arising during the automatic procedure that would induce a desire to stop the process and hold while conditions stabilized. This is separate from the functionality to trip the system offline at anytime.
Controllers were utilized in the simulator to maintain the reboiler level, steam extraction flow, and pressure within the TPD system, as described in Section 2.1. In nuclear reactors, there is a mix of PI controllers and proportional–integral–derivative (PID) controllers used. This simulation utilizes PI controllers, for which the characteristic oscillation can be seen in the steam extraction flow rate (blue line) and reboiler level (red line) in Figure 7a. This decision was made since the PI controller was inserted and tuned in a very early iteration of the simulator and met all performance requirements for the project. Although the spike observed as steam flow approaches the setpoint in Figure 7a, this has been verified to not be due to PI controller feedback by observing the valve position. This is further discussed as a limitation in Section 4.4.
4.3. Abnormal Operations
Although simulators are used in normal operations, they are used even more extensively to train and validate system safety in abnormal system conditions. Table 2 in Section 2.4 contains a list of malfunctions used to test the simulator. These malfunctions were chosen to test the simulation and the HMI developed by the human factors team at INL.
In the HITL study, the protective actions of the TPD system were discussed with multiple subject matter experts. There was agreement that the TPD system had an almost unobservable impact on the reactor plant as a whole. Given the GPWR reactor is in excess of 3000 MWth, this is to be expected since the full TPD system draws approximately 3% of the thermal energy produced by the reactor. Although the TPD system has minimal impact on the system in this simulator, a function was added to the simulator that isolates the TPD system automatically in most cases given this system is not essential for reactor operation. The behavior of this system could change to more closely resemble the operation of the main steam system if the TPD system’s thermal rating were to increase.
The leak malfunctions led to parameters that were consistent with the parameters in the portion of the GPWR simulator that have been validated for accuracy prior to alteration to allow for the connection of the TPD system. The numbers were consistent to the point that the operating team in a study was able to consistently predict the leak rate within 0.45 kg/s (1 lbm/s) based on the drop in turbine generator output.
Not included in Table 2 was a small reboiler leak designed to test the information presented in the HMI. Initially, identifying this malfunction was trivial since the two legs of the TPD system are identical. An operations subject matter expert on the human factors team requested the simulator be deliberately altered to simulate the imperfections of real systems causing the two trains of the TPD system to not behave perfectly identically. This leads to a system that behaves much more realistically and serves to obfuscate the malfunction. Although this was mainly done to serve as an HMI test, it also served to test the control logic of the system and as a method to improve the realism of the simulator.
4.4. Limitations
Although the simulation performed largely as expected based on feedback from several people with extensive operations experience, it is important to note that this simulation is not a fully accurate representation at this time. One such example of this imperfection is the presence of a small issue with the valve characteristics as the system transitions from online to hot standby that results in a momentary steam flow mismatch alarm, which is triggered by a difference between the flow transmitter and the flow set point of more than 0.9 kg/s (2.0 lbm/s).
Another limitation of the model in the current state is the level of complexity of the control systems in the TPD model. As an example, the current kettle reboiler level controller utilizes a relatively simple PI controller with steam flow and water level as the inputs. When this control system is fully developed, it is likely that the controller will resemble the steam generator water level control system in a nuclear reactor. The development of the steam generator water level controller was conducted to minimize carry-over caused by high water levels and uncovering of the u-tubes from low steam generator water levels [17].
Another common thing in simulators, including GSE Solutions® simulations, is to utilize data obtained in real-world systems to tune the simulation to more accurately reflect the true system behavior. In this simulator, people with experience operating systems at similar conditions provided feedback. However, until a physical system is built, there are no real-world data to tune the simulator.
5. Conclusions
The results in this paper indicate that the proposed system has minimal impact on the system, with a worst-case steam line break at the common pipe leading to a 0.5% increase in reactor power with no operator action. The malfunctions had more significant impacts on turbine output, with the aforementioned steam line break at the common pipe reducing turbine output by MW. Other malfunctions had even smaller impacts on the reactor and secondary systems. This indicates that the system could be larger while still remaining safe or being implemented as described with nearly zero impact on the current system. These effects on the system are a direct result of the system design, limiting the amount of steam flow during the break, as well as the implemented control system in the turbine system.
With the impact seen as described in this paper, it is possible that it could be implemented under §10 CFR 50.59(c)(1); however, further investigation of this would be necessary. This would require further model verification and validation to ensure that the results of this work are accurate. Since this system is in the design phase, it is difficult to validate the results of the simulation results. However, considering the regular use of the plant-referenced simulators for operator training programs at operator NPPs, the modeling software can be assumed to produce accurate results.
With data centers causing a meteoric rise in electricity demands, it is possible that the economics for augmenting existing light water reactors with TPD systems is diminishing since it is meant to use excess thermal energy not used for electricity production. There is still a possibility of it being useful for accommodating the fluctuating electrical power production of solar and wind power sources, but this work can be applied to advanced reactors seamlessly to make them more adaptable to fluctuations on the power grid.
Future work includes incorporating a fully developed control system for level controllers and valves, similar to those used in industry. This has led to a collaborative effort with Westinghouse Electric Company (WEC) to incorporate an industry quality control system. Because the control systems utilized by WEC include proprietary information, the TPD system’s control system in GPWR will also be improved since it is a generic plant simulator whose information is freely available.
As mentioned in Section 2.2, the current representation of the hydrogen plant follows boundary conditions that are fairly representative of the hydrogen plant. A model for the hydrogen manufacturing unit (HMU) will be connected to more accurately represent this system’s impact on the reactor and operators. GSE Solutions® also produces chemical process simulators that could be incorporated to represent other potential process heat applications. There are also plans to incorporate a full electric grid simulation to fully represent all aspects of the idea of cogeneration. Lastly, future work may also incorporate an increased capacity of the thermal power dispatch system.
Author Contributions
Conceptualization, T.A.U., S.H. and R.L.; methodology, S.H.; software, S.H., R.L. and T.A.U.; validation, S.H.; formal analysis, S.H.; investigation, S.H., J.K., D.J. and T.A.U.; resources, T.A.U. and S.H.; data curation, S.H. and D.J.; writing—original draft preparation, S.H., D.J. and T.A.U.; writing—review and editing, R.L., J.K. and O.G.; visualization, S.H. and D.J.; supervision, T.A.U.; project administration, T.A.U. and S.H.; funding acquisition, T.A.U. All authors have read and agreed to the published version of the manuscript.
Funding
This research was funded by Idaho National Laboratory under Contract DE-AC07-05ID14517, an agency of the U.S. Government. The U.S. Government, associated agencies, and their employees make no warranty, express or implied, or assume any legal liability or responsibility for the accuracy, completeness, or usefulness of any information, apparatus, product, or process disclosed, or represent that its use would not infringe privately owned rights. The APC was funded by GSE Solutions®.
Data Availability Statement
Data are contained within the article.
Acknowledgments
The authors would like to express special appreciation of Kelly Dickerson’s contribution to the human-in-the-loop studies conducted using this simulation. Her expertise in human factors and study design were instrumental to the successful completion of those studies and the evaluation of the data obtained from them.
Conflicts of Interest
Author Stephen Hancock was employed by the company GSE Solutions®. The remaining authors declare that the research was conducted in the absence of any commercial or financial relationships that could be construed as a potential conflict of interest.
Abbreviations
The following abbreviations are used in this manuscript:
| C.F.R. | Code of Federal Regulations |
| DOE | Department of Energy |
| EDR | Exchanger and Design Rating |
| GPWR | Generic Power Water Reactor |
| FPOG | Flexible Plant Operation and Generation |
| FPSS | Full Power Steady State |
| HITL | Human-In-The-Loop |
| HMI | Human–Machine Interface |
| HMU | Hydrogen Manufacturing Unit |
| HTSE | High-Temperature Steam Electrolysis |
| IC | Initial Condition |
| INL | Idaho National Laboratory |
| LWRS | Light Water Reactor Sustainability |
| MSR | Moisture Separator Reheater |
| NPP | Nuclear Power Plant |
| NRC | Nuclear Regulatory Commission |
| PI | Proportional–Integral |
| PID | Proportional–Integral–Derivative |
| P&ID | Pipe and Instrument Diagram |
| PWR | Pressurized Water Reactor |
| RCS | Reactor Coolant System |
| S&L | Sargent & Lundy |
| TPD | Thermal Power Dispatch |
| TPE | Thermal Power Extraction |
| WEC | Westinghouse Electric Company |
References
- Knighton, L.T.; Shigrekar, A.; Wendt, D.S.; Murphy, B.; Boardman, R.D.; James, B.D. Markets and Economics for Thermal Power Extraction from Nuclear Power Plants Aiding the Decarbonization of Industrial Processes; Technical report; Idaho National Laboratory: Idaho Falls, ID, USA, 2020. [Google Scholar] [CrossRef]
- Khan, S.U.D. Using next generation nuclear power reactors for development of a techno-economic model for hydrogen production. Int. J. Energy Res. 2019, 43, 6827–6839. [Google Scholar] [CrossRef]
- Hancock, S.; Westover, T. Simulation of 15% and 50% Thermal Power Dispatch to an Industrial Facility Using a Flexible Generic Full-Scope Pressurized Water Reactor Plant Simulator. Energies 2022, 15, 1151. [Google Scholar] [CrossRef]
- Boardman, R.D.; Rabiti, C.; Hancock, S.G.; Wendt, D.S.; Frick, K.L.; Bragg-Sitton, S.M.; Hu, H.; Weber, R.; Holladay, J.; Kim, J.S.; et al. Evaluation of Non-Electric Market Options for a Light Water Reactor in the Midwest; Technical report; Idaho National Laboratory: Idaho Falls, ID, USA, 2019. [Google Scholar]
- Zeng, J.; Zhang, J.; Ling, B.; He, Y.; Weng, W.; Wang, Z. Hydrogen production by sulfur-iodine thermochemical cycle—Current status and recent advances. Int. J. Hydrogen Energy 2024, 86, 677–702. [Google Scholar] [CrossRef]
- Bolfo, L.; Devia, F.; Lomonaco, G. Nuclear Hydrogen Production: Modeling and Preliminary Optimization of a Helical Tube Heat Exchanger. Energies 2021, 14, 3113. [Google Scholar] [CrossRef]
- IAEA. Use of Control Room Simulators for Training of Nuclear Power Plant Personnel; Technical report; International Atomic Energy Agency: Vienna, Austria, 2004. [Google Scholar]
- Systems, G. GSE Solutions®|Simulator Upgrades and Maintenance. Available online: https://gses.com/systems-and-simulation/upgrades/ (accessed on 5 November 2024).
- Systems, G. JTopmeretTM JADETM Two-Phase Fluid Modeling Software, 2016. Available online: https://gses.com/wp-content/uploads/GSE-JTopmeret-datasheet.pdf (accessed on 4 November 2024).
- Smola, T.; Watson, J.; Hancock, S.; Westover, T.; Yeh, H.; Umholtz, J. Integrated thermohydraulic transient testing of steam extraction loop system to support joint electricity-hydrogen production using generic boiling water reactor. Prog. Nucl. Energy 2023, 160, 104692. [Google Scholar] [CrossRef]
- Systems, G. Generic PWR: Control Room Simulator, 2016. Available online: https://gses.com/wp-content/uploads/GSE-GPWR-brochure.pdf (accessed on 4 November 2024).
- Systems, G. REMARKTM Real-Time Simulation Multi-Group Core Model, 2014. Available online: https://gses.com/wp-content/uploads/GSE-REMARK-datasheet.pdf (accessed on 3 November 2024).
- Society, C.N. Retact Models in Link’s TMI-1 Advanced Simulator. In Proceedings of the Second International Conference on Simulation Methods in Nuclear Engineering, Montreal, PQ, Canada, 14–16 October 1986. [Google Scholar]
- Westover, T.L.; Boardman, R.D.; Abughofah, H.; Amen, G.R.; Fidlow, H.R.; Garza, I.A.; Klemp, C.; Kut, P.; Rennels, C.L.; Ross, M.M.; et al. Preconceptual Designs of Coupled Power Delivery Between a 4-Loop PWR and 100–500 MWe HTSE Plants; Technical report; Idaho National Laboratory: Idaho Falls, ID, USA, 2023. [Google Scholar]
- AspenTech. Exchanger Design and Rating Program, 2022. Available online: https://www.aspentech.com/en/products/engineering/aspen-exchanger-design-and-rating (accessed on 25 October 2024).
- Vazquez, J.A.; Green, B.D.; Desaulniers, D.R. Regulatory Considerations for the Potential Use of a Multi-Stage Validation Testing Approach to Support Human Factors Engineering Technical Reviews for Proposed Nuclear Power Plant Control Room Design Modifications. Proc. Hum. Factors Ergon. Soc. Annu. Meet. 2022, 66, 1381–1385. [Google Scholar] [CrossRef]
- Basher, A.M. Development of a Robust Model-Based Water Level Controller for U-Tube Steam Generator; Technical report; Oak Ridge National Laboratory: Oak Ridge, TN, USA, 2001. [Google Scholar]
Disclaimer/Publisher’s Note: The statements, opinions and data contained in all publications are solely those of the individual author(s) and contributor(s) and not of MDPI and/or the editor(s). MDPI and/or the editor(s) disclaim responsibility for any injury to people or property resulting from any ideas, methods, instructions or products referred to in the content. |
© 2025 by the authors. Licensee MDPI, Basel, Switzerland. This article is an open access article distributed under the terms and conditions of the Creative Commons Attribution (CC BY) license (https://creativecommons.org/licenses/by/4.0/).