Transient Voltage Stability Analysis of the Dual-Source DC Power System
Abstract
1. Introduction
- (1)
- The source–load interaction characteristics of the system are represented intuitively based on the equivalent system model derived through equivalence transformation of the VSR’s control structure and circuit configuration, thereby revealing the essential requirements for stable operation. On the basis of stable operating requirements, the critical cutting voltage and critical cutting time when different large disturbances occur can be determined under ideal conditions, which is further validated through MATLAB/Simulink simulations.
- (2)
- Transient voltage instability mechanisms are investigated considering line parameters and current inner-loop control parameters of VSRs. Under different large disturbances (e.g., abrupt load increases or short-circuit faults with varying depths), the influence of system parameters on the source power supply capacity is discussed, revealing the system’s dynamic characteristics during transient processes.
- (3)
- The stability criterion and boundaries of the system are revealed based on the mixed potential theory. In accordance with Lyapunov’s third theorem on stability, the impact of crucial parameters on transient voltage stability is analyzed and verified through MATLAB/Simulink simulations and experiments. The obtained results provide valuable guidance for the design of system parameters.
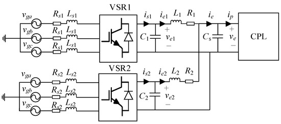
2. Topology and Modeling of the Dual-Source DC Power System
2.1. Topology and Control of the Dual-Source DC Power System
2.2. Modeling of the Dual-Source DC Power System
3. Transient Voltage Instability Mechanisms Considering System Parameters
3.1. Operational Characteristics and Requirements for Stable Operations
3.2. Effect Mechanisms of System Parameters on the Transient Voltage Stability
3.3. Influence of Different Large Disturbances on the Transient Voltage Stability
3.3.1. Abrupt Load Increases
3.3.2. Short-Circuit Failures
4. Determination of Critical Cutting Voltage for the Dual-Source DC Power System
5. Stability Analysis of the Dual-Source DC Power System Based on the Mixed Potential Function Method
5.1. Mixed Potential Function Construction for the System
5.2. Stability Criterion and Boundary Analysis for the System
6. Simulation and Experimental Verification
- (1)
- Figure 13a demonstrates the system’s transition from stable to unstable operation following an abrupt load increase, with the corresponding parameters listed in Table 2. As analyzed in Section 3.1 and supported by the Plimo calculated in Section 5.2, the system exhibits stable behavior prior to the load change, but the system will become unstable afterward because Ps exceeds the limit. The simulation results validate both the mechanistic analysis and the stability criterion.
- (2)
- As shown in Figure 13b, when Ve1* increases to 700 V and Ve2* increases to 720 V, there are no oscillations in the bus voltage ve, and the system has reached a new stable equilibrium state. This phenomenon occurs because increasing parameter Ve1* and Ve2* increases the source supply’s rated voltage value A/R1/R2, thereby enhancing its energy delivery capability as the stability boundary Plim expands. Increasing values of Ve1* and Ve2* can help the system retain the stable operation point during disturbances.
- (3)
- Compared to Figure 13a, in Figure 13c, increasing values of K1 and K2 helps the system transform to a new equilibrium point, which enhances the system’s transient voltage stability. The rationale is that increasing K1 and K2 effectively reduces the voltage source’s internal resistance, thereby enhancing the power delivery capacity of ie to the load side and expanding the stability margin.
- (4)
- Case (d) increases T1 and T2 on the basis of case (b). As depicted in Figure 13d, variations in T1 and T2 destabilize the system. From the perspective of instability mechanisms, this phenomenon occurs because increasing parameters T1 and T2 reduces the source supply’s rated voltage value, consequently diminishing its energy delivery capability. In addition, the stability boundary Plim is limited when T1 and T2 increase. Therefore, selecting smaller inertial time constants of current control loops is essential to ensure stable operation.
- (5)
- Based on case (b), reducing R2 and R1 while increasing L1 and L2 leads to bus voltage oscillations before and after a large disturbance, as shown in Figure 13e. These oscillations become more severe following the disturbance. As analyzed in Section 3.3 and based on the Plim calculated in Section 5.2, the values of R2/L2 and R1/L1 are crucial to the transient voltage stability of the system, and decreasing the values of R2/L2 and R1/L1 will cause damage to the system stability. The simulation results exhibit agreement with the theoretical analysis.
- (6)
- In Figure 13f, decreasing Cs based on case (c) makes the bus voltage ve oscillate, and the oscillations become more severe following the disturbance. This is because reducing Cs diminishes the stability limit power Plim indicated by (21), consequently weakening the system’s disturbance rejection capability. However, the transient response of the system demonstrates significant improvement in speed.
7. Conclusions
- (1)
- Stable operation requirements: To achieve stable operation, the source and load operating characteristic curves must share at least one common operating point, with the initial bus voltage during dynamic processes exceeding the limit operating point Uo. Under ideal conditions, the system’s critical cutting voltage is Uo when different large disturbances occur, and the critical cutting time is the time interval between the fault inception and the instant when the bus voltage drops to Uo. These results provide guidance for the fault protection.
- (2)
- Impact of converter control and line parameters: The line parameters and current inner-loop control parameters of VSRs reduce the power supply capacity of the source during transient processes, deteriorating the transient voltage stability of the system. When the system experiences large disturbances, such as abrupt load increases or short-circuit faults with varying depths, the transient voltage instability is fundamentally attributed to the absence of common operating points between the source and load characteristic curves, which violates the essential stability requirements. Therefore, in the design of source converter controllers, the current inner-loop inertia constant should be minimized to enhance the dynamic performance.
- (3)
- Crucial stability factors and design guidelines: The line resistance/inductance ratios and converter control parameters, such as the inertia constants of current control inner loops, critically influence transient voltage stability. Increasing the reference voltages, droop coefficients and DC-side capacitors, or reducing the inertial time constants of the current control loop and the line inductance-to-resistance ratios, enhances the transient voltage stability of the system. These findings offer quantitative design guidelines for optimal parameter selection in dual-source DC power systems.
- (4)
- Limitations and future work: However, during the transient process, the source curve is actually variable considering line parameters and the current inner-loop control dynamics. To obtain accurate Uc and tc, it is necessary to predict the moving trajectories of the source characteristic curve ie during the transient process. In addition, the influences of limiters and over-modulation are ignored. Further research can continue to address these deficiencies. Future work will also investigate instability mechanisms of DC power systems under multiple operational scenarios, including submarine DC power systems with pulsed power loads.
Author Contributions
Funding
Data Availability Statement
Conflicts of Interest
Nomenclature
| R1, R2 | Line resistances |
| L1, L2 | Line inductance |
| Cs | DC-side capacitance of CPL |
| C1, C2 | DC-side capacitance of VSR1 and VSR2 |
| K1, K2 | Droop control coefficients of VSR1 and VSR2 |
| Ve1*, Ve2* | Reference voltages of VSR1 and VSR2 |
| T1, T2 | Inertial time constants of the current control loop in VSR1 and VSR2 |
| Ls1, Ls2 | Grid inductance |
| Rs1, Rs2 | Grid resistances |
| KPWM1, KPWM2 | Gains of PWM in VSR1 and VSR2 |
| kpi1, kpi2 | Proportional coefficients of the current controllers in VSR1 and VSR2 |
| kii1, kii2 | Integral coefficients of the current controllers in VSR1 and VSR2 |
| Wci1, Wci2 | Equivalent first-order models of current controllers in VSR1 and VSR2 |
| vga, vgb, vgc | Grid voltages |
| w | Grid angular frequency |
| is1, is2 | Output currents of VSR1 and VSR2 |
| ve1, ve2 | Output voltages of VSR1 and VSR2 |
| ie1, ie2 | Line currents |
| ie | Source current |
| A | Composite variable in the expression of ie |
| ip | Load current |
| Ps | Load power |
| ve | Bus voltage |
| ipc | Load current in the short-circuit condition |
| Rf | Short-circuit resistance |
| ief | Source current ignoring line parameters and current controller parameters |
| ipf | Post-disturbance load current ignoring line parameters and current controller parameters |
| Uo | Limit operating voltage |
| Uc | Critical cutting voltage |
| tc | Critical cutting time |
| Abbreviations | |
| The following abbreviations are used in this manuscript: | |
| DC | Direct Current |
| AC | Alternating Current |
| VSR | Voltage Source Rectifier |
| CPL | Constant Power Load |
| NIR | Negative Incremental Resistance |
| VSC | Voltage Source Converter |
| PWM | Pulse Width Modulation |
References
- Wang, T.; Li, F.; Yin, C.; Jin, G. Small Disturbance Stability Analysis of Onshore Wind Power All-DC Power Generation System Based on Impedance Method. Energies 2024, 17, 1459. [Google Scholar] [CrossRef]
- Hu, H.; Wang, X.; Peng, Y.; Xia, Y.; Yu, M.; Wei, W. Stability Analysis and Stability Enhancement Based on Virtual Harmonic Resistance for Meshed DC Distributed Power Systems with Constant Power Loads. Energies 2017, 10, 69. [Google Scholar] [CrossRef]
- Sun, K.; Yao, W.; Fang, J.; Ai, X.; Wen, J.; Cheng, S. Impedance Modeling and Stability Analysis of Grid-Connected DFIG-Based Wind Farm with a VSC-HVDC. IEEE J. Emerg. Sel. Top. Power Electron. 2020, 8, 1375–1390. [Google Scholar] [CrossRef]
- Nasirian, V.; Moayedi, S.; Davoudi, A.; Lewis, F.L. Distributed Cooperative Control of DC Microgrids. IEEE Trans. Power Electron. 2015, 30, 2288–2303. [Google Scholar] [CrossRef]
- Kunjumuhammed, L.P.; Pal, B.C.; Gupta, R.; Dyke, K.J. Stability Analysis of a PMSG-Based Large Offshore Wind Farm Connected to a VSC-HVDC. IEEE Trans. Energy Convers. 2017, 32, 1166–1176. [Google Scholar] [CrossRef]
- Zheng, L.T.; Luo, Y.B.; Fang, S.D.; Niu, T.; Chen, G.H.; Liao, R.J. Large-Signal Stability Analysis of All-Electric Ships with Integrated Energy Storage Systems. IEEE Trans. Ind. Appl. 2025. early access. [Google Scholar] [CrossRef]
- Ku, H.-K.; Park, C.-H.; Kim, J.-M. Full Simulation Modeling of All-Electric Ship with Medium Voltage DC Power System. Energies 2022, 15, 4184. [Google Scholar] [CrossRef]
- Bosich, D.; Giadrossi, G.; Pastore, S.; Sulligoi, G. Weighted Bandwidth Method for Stability Assessment of Complex DC Power Systems on Ships. Energies 2022, 15, 258. [Google Scholar] [CrossRef]
- Griffo, A.; Wang, J. Large Signal Stability Analysis of ‘More Electric’ Aircraft Power Systems with Constant Power Loads. IEEE Trans. Aerosp. Electron. Syst. 2012, 48, 477–489. [Google Scholar] [CrossRef]
- Kwasinski, A.; Onwuchekwa, C.N. Dynamic Behavior and Stabilization of DC Microgrids With Instantaneous Constant-Power Loads. IEEE Trans. Power Electron. 2011, 26, 822–834. [Google Scholar] [CrossRef]
- Chang, F.; Cui, X.; Wang, M.; Su, W.; Huang, A.Q. Large-Signal Stability Criteria in DC Power Grids with Distributed-Controlled Converters and Constant Power Loads. IEEE Trans. Smart Grid. 2020, 11, 5273–5287. [Google Scholar] [CrossRef]
- Herrera, L.; Zhang, W.; Wang, J. Stability Analysis and Controller Design of DC Microgrids with Constant Power Loads. IEEE Trans. Smart Grid. 2017, 8, 881–888. [Google Scholar]
- Belkhayat, M.; Cooley, R.; Witulski, A. Large Signal Stability Criteria for Distributed Systems with Constant Power Loads. In Proceedings of the PESC’95-Power Electronics Specialist Conference, Atlanta, GA, USA, 18–22 June 1995; Volume 2, pp. 1333–1338. [Google Scholar]
- Kim, H.; Kang, S.; Seo, G.; Jang, P.; Cho, B. Large-Signal Stability Analysis of DC Power System with Shunt Active Damper. IEEE Trans. Ind. Electron. 2016, 63, 6270–6280. [Google Scholar] [CrossRef]
- Marx, D.; Magne, P.; Nahid-Mobarakeh, B.; Pierfederici, S.; Davat, B. Large Signal Stability Analysis Tools in DC Power Systems with Constant Power Loads and Variable Power Loads—A Review. IEEE Trans. Power Electron. 2012, 27, 1773–1787. [Google Scholar] [CrossRef]
- Teng, C.P.; Wang, Y.B.; Zhou, B.K.; Wang, F.; Zhang, F.Y. Large-Signal Stability Analysis of DC Microgrid with Constant Power Loads. Trans. China Electro. Soc. 2019, 34, 973–982. [Google Scholar]
- Nie, J.T.; Zhao, Z.M.; Yuan, L.Q.; Wen, W.S.; Zhang, Y.C. Stability of Three-Phase Grid-Connected PWM Rectifier Cascaded with Constant Power Loads Based on TS Fuzzy Models. Power Syst. Technol. 2020, 44, 973–982. [Google Scholar]
- Kabalan, M.; Singh, P.; Niebur, D. Large Signal Lyapunov-Based Stability Studies in Microgrids: A Review. IEEE Trans. Smart Grid. 2017, 8, 2287–2295. [Google Scholar] [CrossRef]
- Brayton, R.K.; Moser, J.K. A Theory of Nonlinear Networks. I. Quart. Appl. Math. 1964, 22, 1–33. [Google Scholar] [CrossRef]
- Jeltsema, D.; Scherpen, J.M.A. On Brayton and Moser’s Missing Stability Theorem. IEEE Trans. Circuits Syst. II-Express Briefs 2005, 52, 550–552. [Google Scholar] [CrossRef]
- Xiong, L.S.; Liu, X.K.; Liu, Y.H.; Zhuo, F. Modeling and Stability Issues of Voltage-source Converter-dominated Power Systems: A Review. CSEE J. Power Energy Syst. 2022, 8, 1530–1549. [Google Scholar]
- Yin, H.H.; Xu, Q.M.; Zhou, X.P.; Huang, X.C.; Wang, L.; Shuai, Z.K. Large-Signal Stability Analysis of Modular Multilevel Converter Base on Mixed Potential Theory. CSEE J. Power Energy Syst. 2025, 11, 1211–1225. [Google Scholar]
- Anghel, M.; Milano, F.; Papachristodoulou, A. Algorithmic Construction of Lyapunov Functions for Power System Stability Analysis. IEEE Trans. Circuits Syst. I-Regul. Pap. 2013, 60, 2533–2546. [Google Scholar] [CrossRef]
- Meng, F.W.; Wang, D.N.; Yang, P.H.; Xie, G.Z.; Guo, F. Application of Sum-of-Squares Method in Estimation of Region of Attraction for Nonlinear Polynomial Systems. IEEE Access 2020, 8, 14234–14243. [Google Scholar] [CrossRef]
- Hu, Q.; Fu, L.J.; Ma, F.; Ji, F. Large Signal Synchronizing Instability of PLL-Based VSC Connected to Weak AC Grid. IEEE Trans. Power Syst. 2019, 34, 3220–3229. [Google Scholar] [CrossRef]
- Li, P.F.; Li, X.L.; Wang, C.S.; Guo, L.; Peng, K.; Zhang, Y.; Wang, Z. Review of Stability Analysis Model and Mechanism Research of Medium- and Low-Voltage Flexible DC Distribution System. Electr. Power Autom. Equip. 2021, 41, 3–21. [Google Scholar]
- Pan, L.; Li, X.L.; Wang, Z.; Tang, W.Q.Y.; Guo, L. Overview of Transient Stability Analysis of Phase Locked Loop Synchronization in Weak-Grid Connected VSC. Electr. Power Autom. Equip. 2023, 43, 138–151. [Google Scholar]
- Shen, C.; Shuai, Z.K.; Shen, Y.; Peng, Y.L.; Liu, X.; Li, Z.Y.; Shen, Z. Transient Stability and Current Injection Design of Paralleled Current-controlled VSCs and Virtual Synchronous Generators. IEEE Trans. Smart Grid. 2021, 12, 1118–1134. [Google Scholar] [CrossRef]
- Zhao, F.; Shuai, Z.K.; Huang, W.; Shen, Y.; Shen, Z.J.; Shen, C. A Unified Model of Voltage-Controlled Inverter for Transient Angle Stability Analysis. IEEE Trans. Power Deliv. 2022, 37, 2275–2288. [Google Scholar] [CrossRef]
- Shen, Y.; Peng, Y.L.; Shuai, Z.K.; Zhou, Q.; Zhu, L.P.; Shen, Z.J. Hierarchical Time-Series Assessment and Control for Transient Stability Enhancement in Islanded Microgrids. IEEE Trans. Smart Grid. 2023, 14, 3362–3374. [Google Scholar] [CrossRef]
- Zhao, F.; Shuai, Z.K.; Huang, W.; Peng, Y.L.; Zhou, K.; Li, R.E. Transient Stability Analysis of SG-VSG Parallel Systems Considering Mode Switching Control. CSEE J. Power Energy Syst. 2023. early access. [Google Scholar]
- Zhang, X.Y.; Shao, X.Y.; Fu, Y.; Zhao, X.Y.; Jiang, G.W. Transient Voltage Recovery Control and Stability Criterion of VSC-based DC Power Grid. IEEE Trans. Power Syst. 2021, 36, 3496–3506. [Google Scholar] [CrossRef]
- Karlsson, P. DC Distributed Power Systems-Analysis, Design and Control for a Renewable Energy System. Doctoral Thesis, LUND University, Lund, Sweden, 2002. [Google Scholar]
- Zhang, X.; Zhang, C.W. PWM Rectifiers and Their Control, 1st ed.; China Machine Press: Beijing, China, 2017; pp. 89–91. [Google Scholar]
- Ma, S.C.; Xu, B.Y.; Bo, Z.Q.; Andrew, K. The Research on Lumped Parameter Equivalent Circuit of Transmission Line. In Proceedings of the 8th International Conference on Advances in Power System Control, Operation and Management (APSCOM 2009), Hong Kong, China, 8–11 November 2009; pp. 1–5. [Google Scholar]
- Wang, G.Z.; Guo, J.B.; Ma, S.C.; Zhang, X.; Guo, Q.L.; Fan, S.X. Data-driven Transient Stability Assessment Using Sparse PMU Sampling and Online Self-check Function. CSEE J. Power Energy Syst. 2023, 9, 910–920. [Google Scholar]
- Liu, S.; Chen, C. Analysis of Energy Function for Transient Stability of Power System, 1st ed.; Science Press: Beijing, China, 2014; p. 11. [Google Scholar]















| Method | Advantages | Limitations |
|---|---|---|
| Time-domain simulation methods [21] |
| For high-order nonlinear systems, the calculation process is complex and time-consuming. |
| TS fuzzy modeling methods [14,15,21] |
|
|
| Mixed potential function methods [19,20,22] |
| If only the circuit structure is taken into consideration when constructing the mixed potential function, the stability boundaries obtained are conservative. |
| Sum-of-squares programming methods [23,24] | Less conservative. | Higher orders make it computationally intractable due to the large scale of the semi-definite programming problem to be solved. |
| Inverse trajectory methods [25,26,27] | Accurately depict the attraction domain of power systems and achieve visualization. | Only applicable to low-order power systems. |
| Items | Symbols | Values |
|---|---|---|
| Line resistance | R1, R2 | 0.3 Ω, 1 Ω |
| Line inductance | L1, L2 | 3 mH, 3 mH |
| DC-side capacitance of CPL | Cs | 1.5 mF |
| DC-side capacitance of VSR1 | C1 | 4.3 mF |
| DC-side capacitance of VSR2 | C2 | 4.3 mF |
| Droop control coefficient of VSR1 | K1 | 0.8 |
| Droop control coefficient of VSR2 | K2 | 0.5 |
| Reference voltage of VSR1 | Ve1* | 650 |
| Reference voltage of VSR2 | Ve2* | 700 |
| Inertial time constant of the current control loop in VSR1 | T1 | 15 × 10−5 |
| Inertial time constant of the current control loop in VSR2 | T2 | 21 × 10−5 |
| Grid inductance | Ls1, Ls2 | 2 mH, 2 mH |
| Grid resistance | Rs1, Rs2 | 0.1 Ω, 0.1 Ω |
| Grid voltage | vg | 311 V |
| Grid angular frequency | w | 314 rad/s |
| Changed Parameters | Transient Value of ve | Value of Plim |
|---|---|---|
| R1 = 0.2 Ω, L1 = 5 mH | 550 V | 18.15 kW |
| Ve1* = 660 V, Ve2* = 710 V | 564 V | 47.71 kW |
| K1 = 1, K2 = 0.8 | 592 V | 52.57 kW |
| Cs = 1 mF | 552 V | 30.47 kW |
| T1 = 3 × 10−3, T2 = 15 × 10−3 | 500 V | 37.5 kW |
| Changed Parameters | Transient Value of ve | Value of Plim |
|---|---|---|
| R2 = 0.05 Ω, L2 = 5 mH | 526 V | 4.15 kW |
| Ve1* = 655 V, Ve2* = 705 V | 530 V | 14.05 kW |
| K1 = 0.9, K2 = 0.6 | 577 V | 16.65 kW |
| Cs = 1 mF | 515 V | 8.84 kW |
| T1 = 3 × 10−3, T2 = 15 × 10−3 | 470 V | 11.05 kW |
Disclaimer/Publisher’s Note: The statements, opinions and data contained in all publications are solely those of the individual author(s) and contributor(s) and not of MDPI and/or the editor(s). MDPI and/or the editor(s) disclaim responsibility for any injury to people or property resulting from any ideas, methods, instructions or products referred to in the content. |
© 2025 by the authors. Licensee MDPI, Basel, Switzerland. This article is an open access article distributed under the terms and conditions of the Creative Commons Attribution (CC BY) license (https://creativecommons.org/licenses/by/4.0/).
Share and Cite
Lei, Y.; Li, Y.; Zhao, F.; Peng, Y.; Mei, Z.; Shuai, Z. Transient Voltage Stability Analysis of the Dual-Source DC Power System. Energies 2025, 18, 3663. https://doi.org/10.3390/en18143663
Lei Y, Li Y, Zhao F, Peng Y, Mei Z, Shuai Z. Transient Voltage Stability Analysis of the Dual-Source DC Power System. Energies. 2025; 18(14):3663. https://doi.org/10.3390/en18143663
Chicago/Turabian StyleLei, Yi, Yang Li, Feng Zhao, Yelun Peng, Zhen Mei, and Zhikang Shuai. 2025. "Transient Voltage Stability Analysis of the Dual-Source DC Power System" Energies 18, no. 14: 3663. https://doi.org/10.3390/en18143663
APA StyleLei, Y., Li, Y., Zhao, F., Peng, Y., Mei, Z., & Shuai, Z. (2025). Transient Voltage Stability Analysis of the Dual-Source DC Power System. Energies, 18(14), 3663. https://doi.org/10.3390/en18143663

