Abstract
During the energy transition, new types of electrical equipment, especially power electronic devices, are proposed to increase the flexibility of electricity distribution grids. One type is the solid-state transformer (SST), which offers excellent possibilities to improve the voltage quality in electricity distribution grids and integrate hybrid AC/DC grids. This paper compares SST to conventional copper-based power transformers (CPT) with and without an on-load tap changer (OLTC) and with additional downstream converters. For this purpose, a corresponding electricity distribution grid is set up in the power system analysis tool DIgSILENT PowerFactory 2022. A DC generator like a photovoltaic system, a DC load like an electric vehicle fast charging station, and an AC load are connected. Based on load flow simulations, the four power transformers are compared concerning voltage stability during a generator-based and a load-based scenario. The results of load flow simulations show that SSTs are most valuable when additional generators and loads are to be connected to the infrastructure, which would overload the existing grid equipment. The efficiency of using SSTs also depends on the parameters of the electrical grid, especially the lengths of the low-voltage (LV) lines. In addition, a flowchart-based decision process is proposed to support the decision-making process for the appropriate power transformer from an electrical perspective. Beyond these electrical properties, an evaluation matrix lists other relevant criteria like characteristics of the installation site, noise level, expected lifetime, and economic criteria that must be considered.
1. Introduction
In the electricity grid, power flow is traditionally going from large-scale power plants connected to the transmission level to the customers, mainly connected to the LV grid. The load follows a predictable pattern and the electricity production of the generation units is adapted to the load pattern. Progressively more electricity generation from renewable energy sources such as wind and solar is increasing and a distributed generation (DG) with intermittent electricity generation has to be considered. In addition, new types of loads, such as charging stations for electric vehicles and heat pumps, are coming up in distribution grids and often internally operating on DC [1].
As a result, distribution grids are faced with new tasks. There are challenges with voltage control in distribution grids with DG and bidirectional power flow. Moreover, the direct connection of devices via DC becomes an alternative to conventional solutions.
Various options are briefly presented below. The conventional power transfer between different voltage levels with the same frequency is realized by two-winding or, in some cases, even three-winding CPT, which are simple, robust, long-living, and cheap with high efficiency [2,3]. The turns ratio is fixed for medium-voltage (MV) to LV CPTs. An adjustment with a few fixed steps to adapt to the voltage requirements at the recent location is often possible in offline operation. Different types of tap changers can be added to the CPT to implement voltage control on the LV side but the primary and secondary side still need to be decoupled [4]. More advanced power transformers have been proposed for several years, increasing the degree of freedom and the possibilities for direct DC connections [5,6].
The concept for a power electronics-based AC/AC converter with a high-frequency link was already presented in 1968 [7] and various topologies and designs have been presented since that time [8,9,10,11]. Also, advanced hybrid designs with integrated storage have been proposed [12]. Losses and efficiency of different types and topologies of transformers have been reviewed in the literature [2]. These transformers can also fulfil control, measurement, and communication functionalities. SSTs offer beneficial services for the distribution grid and various fields of application such as the supply of microgrids, connecting wind turbines, supply of residential customers, and traction systems [3,13,14,15,16,17,18,19]. Comparisons between SSTs and CPTs have been published with various focuses. In [13,20], a 1 MVA CPT is compared to a 1 MVA SST regarding weight, volume, and costs.
The Impact of SSTs on the distribution grid is studied in [6,18,21,22,23,24,25] even with the possibility of power supply during fault conditions [26]. In [27], a closer look is taken at the power delivery characteristics of SSTs; further requirements have been mentioned in [28]. The decision to choose the appropriate power transformer depending on the specific use case has yet to be discussed sufficiently.
For Distribution System Operators, there are no ready-to-use guidelines for choosing the appropriate transformer type depending on the various conditions in their grid. In the Directive (EU) 2019/944 of the European Parliament and of the Council of 5 June 2019 [29], functional evolution of the transmission and distribution grids and underlying investments in grid edge technologies are required. It has to consider investment efficiency as an indicator and quality performance concerning future-oriented grid solutions like grid flexibility and interaction between system operators’ operational platforms.
Therefore, national regulatory authorities should develop a methodology to implement necessary infrastructure modernization. The methodology must consider monitoring and evaluating the performance of transmission and distribution system operators to develop a smart grid to support energy efficiency and integrate energy from renewable sources based on limited indicators. It is necessary to consider this methodology early for the long-term planning of infrastructure measures. The challenge is, on the one hand, to formulate the assessment in a simple and comprehensible manner with few steps and, on the other hand, to adequately consider the diverse technical and non-technical aspects. An assessment accepted by all stakeholders has yet to be made available.
The first attempts to choose the appropriate transformer using key performance indicators (KPI) in smart grids are described in [29,30,31]. Using KPIs is suitable for measuring effectiveness but not an adequate tool for strategic grid planning. Therefore, work must be conducted to establish an efficient and comprehensible decision process regarding optimal power transformers depending on the actual use case and grid situation (see [32,33]). This paper addresses the question by a first approach for choosing appropriate power transformers between different voltage levels in distribution grids. This approach is based on load flow simulations, in which the four power transformers are evaluated for two scenarios in terms of load and voltage stability. It is intended to be used as an initial point for a guideline.
2. Types of Power Transformers
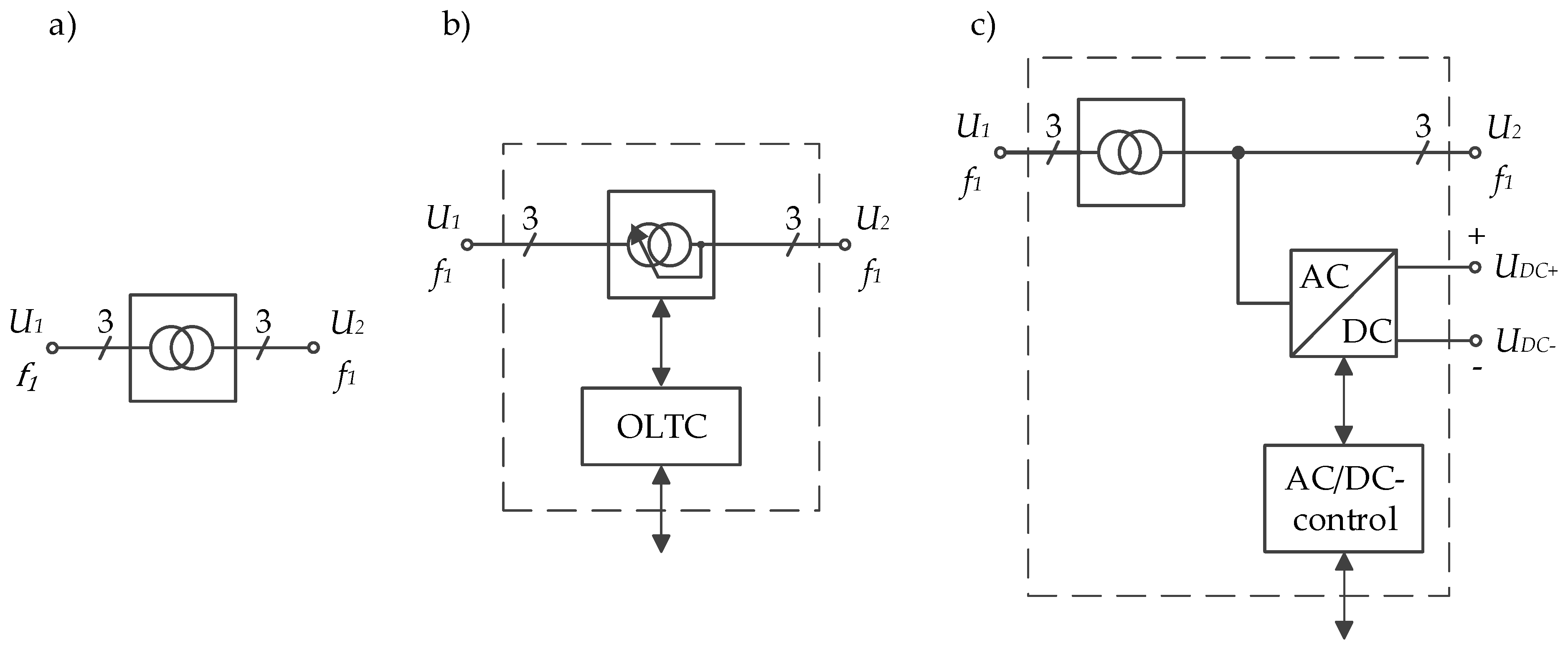
Figure 1a shows the CPT used for power transfer in AC distribution grids with a nominal frequency of 50 Hz or 60 Hz between MV and LV and a quiet constant load or generation situation on the LV side. Suppose there are significant variations between load and generation situations on the LV side. In that case, the CPT is extended with an OLTC, usually based on switches on the primary side, as demonstrated in Figure 1b. It enables adjusting the windings ratio between the primary and secondary sides in a few steps with a step size of some percent. The transformer has a control unit to maintain the voltage on the LV side within the desired voltage range. In Figure 1c, the CPT is extended with a downstream AC/DC converter, providing an LVDC voltage that can be controlled for significant variations in DC load or generation power.
Figure 1.
(a) CPT without OLTC, (b) with OLTC and, (c) with downstream AC/DC power converter.
In the literature, various design variants for SSTs are discussed. An overview of SST’s various concepts, schematics, and characteristics is given in [1,34]. For this paper, an often-used SST type for MV/LV power transfer is shown in Figure 2. The schematic shows an AC/DC converter at MV level on the primary side with the DC side connected to a DC/DC converter with a high-frequency transformer providing galvanic insulation and where the voltage transformation between MV and LV occurs. A DC voltage is available on the secondary side and a DC/AC converter provides the AC voltage. Due to the converters on both sides, the SST is flexible in providing ancillary services to the grid.
Figure 2.
SST with AC and DC connection on the LV side.
The voltage control on the LV is flexible and continuous. On both AC connections, voltage control is continuous and independent of the reactive power control. If a high-frequency pulsed MV-AC/DC converter and a high-frequency pulsed LV-DC/AC converter are used, the voltage quality can be improved by reducing harmonics and flicker.
In applications, additional secondary equipment is needed besides the primary devices for power transfer. This includes protection relays and control systems at each busbar on the primary and secondary side. The secondary equipment’s exact type and placement are out of the focus for this paper and strongly depend on the use case and the connected devices.
Additional devices, such as series voltage regulators, are available for voltage control on the LV grid. However, this paper focuses on devices for power transfer between different voltage levels and other devices are not considered. The intention is to limit the number of power transformers to be compared.
The three power transformers shown in Figure 1 are well-proven and accepted standard components, while the SST in Figure 2 is a novel technology not widely used yet.
As the four different types of power transformers presented in this section provide various levels of flexibility and ancillary services for different use cases, they have been chosen for this paper’s evaluation and decision process. The following section shows load flow simulations for different load scenarios where the four power transformers are compared to each other. The results are a base for the evaluation and decision process in Figure 3.
Figure 3.
Flowchart for a decision process to determine the most beneficial power transformer.
3. Evaluation and Decision Process for Using SSTs
This paper presents two alternatives for the decision process, which can be combined to evaluate the use of SSTs. The first alternative is a flowchart based on load flow simulations which is a fast method to get a first opinion of which power transformer is the most beneficial for the current use case. A second method is a value-benefit-based approach providing a higher granularity and the possibility to adapt the decision process to the individual needs of the recent use case.
3.1. Flowchart-Based Decision-Making for Using SSTs
Figure 3 shows a flowchart with a potential approach to choose the power transformer depending on the recent use case. As a result, the flowchart leads to one of the four power transformers. The CPT with and without OLTC are listed together in one field due to the topic described in Section 4.1.
The flowchart starts with the statement of whether a DC grid is required. If not, the connection of new fluctuating generators or loads is checked as a second step. If the grid structure does not change, assuming a stable initial situation, then a CPT is still the right choice.
Possible adverse effects on the distribution grid are considered for additional generators or loads. It must be checked whether a violation of specific grid specifications, including a CPT and line overload and voltage violation, are expected. The existing CPT is the best choice if no violations are expected. Otherwise, whether load flows can be limited in a generator and a load-based situation is checked. If load flow limitations are not possible, then using the SST is valuable, depending on the explicit parameters. In particular situations, the SST may be insufficient and the considered grid has to be expanded.
If the load flow can be limited flexibly, the decision for one power transformer depends on multiple extra functions. These functions include improving power quality, reactive power flow control and LV ride-through capability. Furthermore, the decision depends on multiple extra functions on the primary side. This flowchart is an example that should be adapted to individual needs.
3.2. Value-Benefit-Based Decision-Making for Using SSTs
In addition to the decision process, with the help of a flowchart, a value-benefit-based decision process can be used. Table 1 shows a detailed list of properties and functionalities of the different power transformers and has three categories to group the properties and facilitates the decision process: Reliability, Sustainability, and Profitability. The identified categories are connected to the qualities of the SST, environmental aspects and aspects of costs, installation and operation.
Table 1.
Value-benefit-based decision-making.
Table 1 can be used as the base for a value-benefit analysis. The plus and minus illustrate fulfilling the required characteristics from sufficient over nearly sufficient with restrictions to insufficient. Instead of a plus and a minus, numerical values can be added for the properties to obtain a more detailed granularity. The numbers must be generated and verified according to the preferences and needs of the recent use case since the priority varies a lot.
In order to show the variation of the properties as an example, the Required Space is explained in the category Sustainability. In some use cases, the required space is an important criterion. It becomes a limiting factor if the power transformer installation is planned in an urban area with only a defined space. In other cases, space is manageable if the power transformer is part of a new installation in the countryside. Thus, the relevance of the property can vary a lot between different use cases. In addition, it has to be considered that the detailed construction and design of the power transformer based on the cooling or filters can be different.
Valid results are received if the different properties are independent and their relevance is appropriately chosen. The value benefit method indicates the most beneficial power transformer. After extending the table with more values, each property’s values are calculated for the appropriate power transformer. For this purpose, the relevance of the property is multiplied by the value of the property of the corresponding device. Finally, the resulting values are summarized device by device. The device with the highest value is the most beneficial alternative for the current use case. For the type and value of the properties, the KPIs presented in [2,3,4] can be used as bases. The next chapter deals with the value-benefit analysis from a grid technology perspective.
4. Load Flow Simulation for Different Scenarios
This paper shows the use of SST compared to CPT with and without OLTC as well as with additional downstream converters. For this purpose, a corresponding electricity distribution grid is set up in the power system analysis tool DIgSILENT PowerFactory. Static load flow simulations are carried out according to the Newton-Raphson method. The main parameters specified for the load flow calculations are demonstrated in Table 2 [35].
Table 2.
Connected power and line parameters.
Due to the lack of standardised DC cables, the DC generators and consumers are connected directly to converters. In addition to the initial situation, two extreme scenarios are selected for the simulation. One is the maximum feed-in power (generator-based scenario) and the second is the maximum consumption power (load-based scenario). A fast charging station for electric vehicles can also feed in and consume electricity. Next, these two extreme scenarios will be presented and simulated for all four power transformers.
4.1. Copper-Based Transformer with/without OLTC
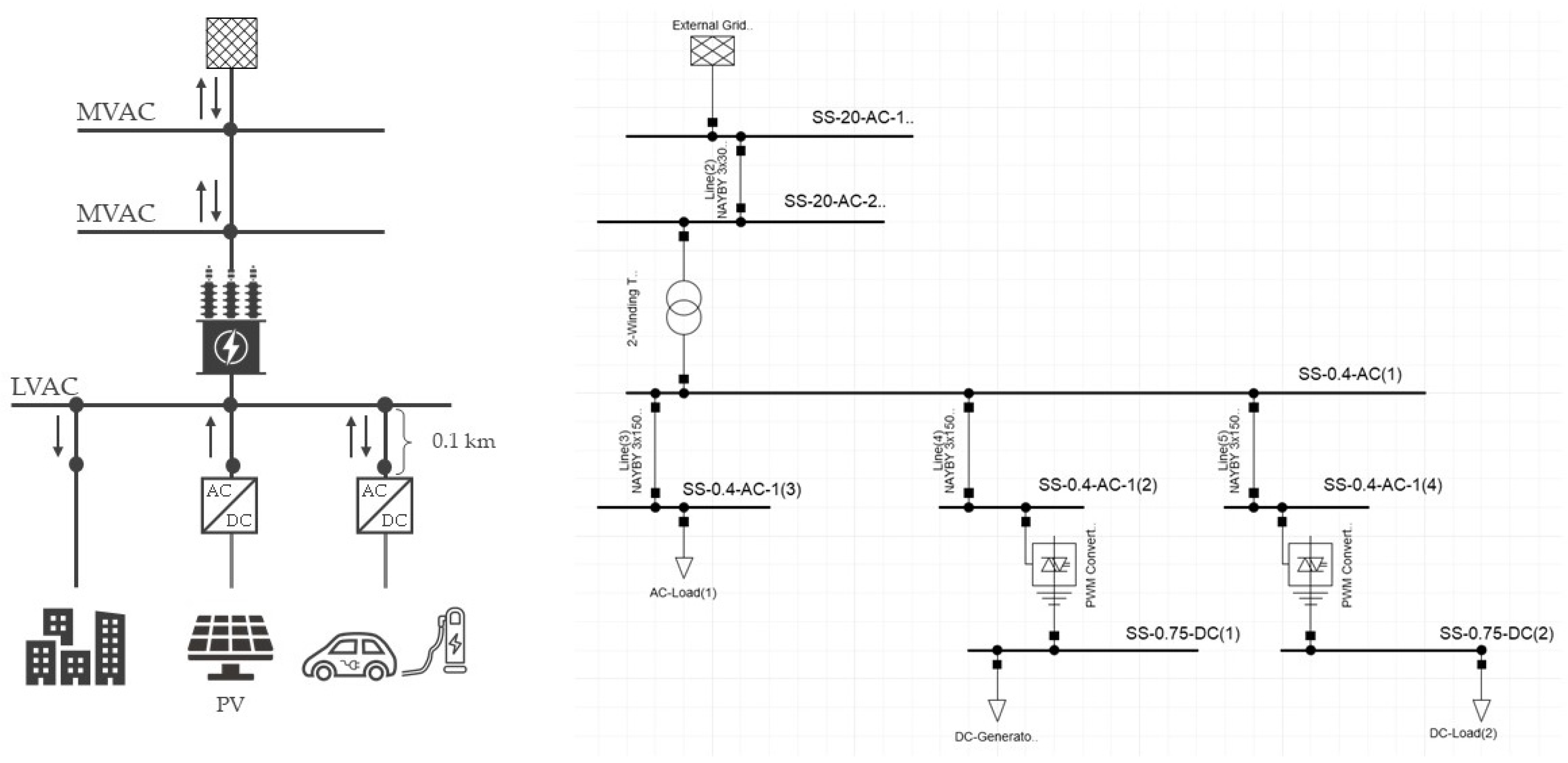
Because of the given grid structure and similar results, the CPT and CPT with OLTC are considered together in one section. With generators and loads connected to the same LV feeder, the power flow characteristic of the feeder shifts between load and generation dominated. Thus, at the end of the feeder, high and low voltages can occur at different times but not simultaneously. In such situations, the CPT with OLTC can prevent a voltage violation on the LV grid by adjusting the voltage at the LV busbar. The CPT with OLTC is used when an LV feeder with generators or loads with strongly fluctuating power is installed. However, the voltage regulation on the CPT cannot control the voltage fluctuations of new and heavily fluctuating loads and generators in several parallel LV line feeders. Figure 4 shows the connection of the entire power transformer to the electrical distribution grid.
Figure 4.
A possible connection to an LVAC distribution grid with a CPT with and without OLTC.
A CPT with and without OLTC is chosen in this case. PV devices and fast charging stations for electric vehicles have a separate converter to connect to the AC grid. For the load flow simulation, the line length is 0.1 km.
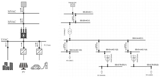
4.2. Copper-Based Transformer with Converter
Figure 5 shows the connection of the CPT with a converter to the distribution grid. In this case, PV devices and fast charging stations for electric vehicles share one converter to connect to the AC grid.
Figure 5.
Connection to an LVAC distribution grid with a CPT with converter.
4.3. Solid-State Transformer
Figure 6 shows the connection of the entire device to the power grid with the support of an SST. In this case, PV devices and electric vehicle charging stations are connected directly to the SST.
Figure 6.
Connection to an LVAC distribution grid with an SST.
For the static load flow analysis, the SST is modelled by the program DIgSILENT PowerFactory as controlled MV-rectifier/inverter in series with a controlled LV-inverter/rectifier.
4.4. Comparison of the Results
In the initial situation, the fast charging station for electric vehicles and the AC load are the consumers, while the PV system serves as a generator. Two further extreme scenarios with a capacity of around 600 kW are selected for the simulation. One is the generator-based scenario (maximum feed-in power), in which the fast-charging station feeds into the grid in addition to the PV device, so that the AC load is the only consumer in this case. In the second load-based scenario (maximum consumption power), there is no generator, but only two consumers, namely the AC load and the fast-charging station for electric vehicles.
The main results of the simulations are shown in the following table: relative voltage, line and transformer loading as well as grid losses.
Table 3 summarises the results of the static load flow simulations for all scenarios, they are the relative voltage in % at the connection points of the generators and consumers in addition to the loading in % at the lines and transformers as well as grid losses. In the initial scenario, grid losses are less in CPT with converter and SST in comparison with the CPT with OLTC. In the generator-based situation, the line to PV and to the fast-charging station for EV is overloaded, because the fast-charging station feeds also power into the grid. All transformers are overloaded in the load-based scenario. In that case, only the SST is lightly loaded and best suited for this distribution grid and able to replace the conventional transformers by increasing the load and generator power.
Table 3.
The results of the load flow simulations.
These load flow simulations are chosen to prepare for future extreme scenarios as part of the energy transition. Thus, SSTs can be most valuable when additional generators and loads are connected to the infrastructure and would overload the existing grid equipment.
5. Conclusions
The usage of SST is an often-discussed solution for future smart grids. A consistent, simple, accepted methodology for strategic grid planning with SST is still being determined. This paper presents two approaches to choose an appropriate MV/LV power transformer. For these approaches, a simple MV/LV grid is set up in DIgSILENT PowerFactory in order to be able to evaluate the various transformers regarding specific grid situations.
First of all, the decision process is made by a flowchart to determine the most beneficial power transformer. If DC distribution and multiple extra functions on the primary side are needed, the SST should be analysed in detail for infrastructure planning. Supposed that additional flexible loads or generators should be installed and the CPT violates existing grid specifications, an SST should be considered, especially if a power limitation of the new component is not possible.
If the flowchart indicates that a solution with SST should be checked, then the paper proposes to apply the value-benefit-decision method as second step. A first try for a value-beneficial based decision-making table with a simple qualitative evaluation is presented to figure out whether SST is an alternative that should be considered or not. It is crucial to be aware of the various properties’ relevance and determine each property’s value. Thus, this approach can find a beneficial solution for an individual use case but at the cost of doing research in advance.
The results of the pre-analysis are taken further and completed with static load flow simulations in a simple grid. They are carried out with all four transformers for an initial situation and a generator-based and a load-based scenario. The simulation summarises the results of the static load flow simulations for all scenarios: the relative voltage in % at the connection points of the generators and consumers in addition to the loading in % at the lines and transformers as well as grid losses. In the initial scenario, grid losses are less in CPT with converter and SST in comparison with the CPT with OLTC. In the generator-based situation, the line to PV and to the fast-charging station for EV is overloaded, because the fast-charging station feeds also power into the grid. All transformers are overloaded in the load-based scenario. In that case, only the SST is lightly loaded and best suited for this distribution grid and able to replace the conventional transformers by increasing the load and generator power.
The results show the benefits of using SST instead of CPT, CPT with OLTC, or CPT with a converter in some use cases. The SST can be particularly valuable when new fluctuating generators and loads are connected to the distribution grid and load flow limitations are impossible. That means SSTs can be most valuable when additional generators and loads are connected to the existing infrastructure and would overload the grid equipment. SSTs are compared with other conventional transformers and proven to be part of the energy transition for future extreme scenarios through load flow simulations.
Future work should continue on a detailed selection procedure based on commonly used KPIs for smart grids to develop reproducible and transparent methods on how the relevance of the properties is determined and to which extent the different types of devices represent the value of each property. Well-known and accepted numerical results for each characteristic and the weight of the characteristics could be the result of future work.
Author Contributions
Conceptualization, R.S.; Methodology, I.L.; Investigation, N.D.; Resources, B.R. All authors have read and agreed to the published version of the manuscript.
Funding
Land Schleswig-Holstein within the funding programme Open Access Publikationsfonds, Nr.1.
Data Availability Statement
The original contributions presented in the study are included in the article, further inquiries can be directed to the corresponding authors.
Conflicts of Interest
The authors declare no conflict of interest.
References
- Cervero, D.; Fotopoulou, M.; Muñoz-Cruzado, J.; Rakopoulos, D.; Stergiopoulos, F.; Nikolopoulos, N.; Voutetakis, S.; Sanz, J.F. Solid State Transformers: A Critical Review of Projects with Relevant Prototypes and Demonstrators. Electronics 2023, 12, 931. [Google Scholar] [CrossRef]
- Kehler, L.B.; Kaminski, A.M.; Bemardon, D.; Rech, C.; Marchesan, T.B. A Strategy for Increasing SST’s Efficiency at Low Load Operation. In Proceedings of the 2018 IEEE PES Innovative Smart Grid Technologies Conference Europe (ISGT-Europe), Sarajevo, Bosnia and Herzegovina, 21–25 October 2018; pp. 1–6, ISBN 978-1-5386-4505-5. [Google Scholar]
- Ferreira Costa, L.; de Carne, G.; Buticchi, G.; Liserre, M. The Smart Transformer: A solid-state transformer tailored to provide ancillary services to the distribution grid. IEEE Power Electron. Mag. 2017, 4, 56–67. [Google Scholar] [CrossRef]
- Forum Netztechnik/Netzbetrieb im VDE. Voltage Regulating Distribution Transformer (VRDT)—Use in Grid Planning and Operation. 2016. Available online: https://www.vde.com/resource/blob/1570326/c4c73c2670f47f82071b81eab368b85e/hinweis--ront--download-englisch-data.pdf (accessed on 16 April 2023).
- Valedsaravi, S.; El Aroudi, A.; Martínez-Salamero, L. Review of Solid-State Transformer Applications on Electric Vehicle DC Ultra-Fast Charging Station. Energies 2022, 15, 5602. [Google Scholar] [CrossRef]
- Londero, R.P.; de Mello, A.P.C.; Da Silva, G.S. Comparison between conventional and solid state transformers in smart distribution grids. In Proceedings of the 2019 IEEE PES Innovative Smart Grid Technologies Conference—Latin America (ISGT Latin America), Gramado, Brazil, 15–18 September 2019; pp. 1–6, ISBN 978-1-5386-9567-8. [Google Scholar]
- Huber, J.E.; Kolar, J.W. Solid-State Transformers: On the Origins and Evolution of Key Concepts. IEEE Ind. Electron. Mag. 2016, 10, 19–28. [Google Scholar] [CrossRef]
- Shamshuddin, M.A.; Rojas, F.; Cardenas, R.; Pereda, J.; Diaz, M.; Kennel, R. Solid State Transformers: Concepts, Classification, and Control. Energies 2020, 13, 2319. [Google Scholar] [CrossRef]
- Helali, H.; Bouallegue, A.; Khedher, A. A review of smart transformer architectures and topologies. In Proceedings of the 2016 17th International Conference on Sciences and Techniques of Automatic Control and Computer Engineering (STA), Sousse, Tunisia, 19–21 December 2016; pp. 449–454, ISBN 978-1-5090-3407-9. [Google Scholar]
- Solid-State-Transformers: Key Components of Future Traction and Smart Grid Systems. In Proceedings of the Power Electronic Systems Laboratory/D-ITET/ETH, Zurich, Switzerland, 1 April 2014; IEEE: Piscataway, NJ, USA, 2014.
- Kuprat, J.; Andresen, M.; Raveendran, V.; Liserre, M. Modular Smart Transformer Topology for the Interconnection of Multiple Isolated AC and DC Grids. In Proceedings of the 2020 IEEE Energy Conversion Congress and Exposition (ECCE), Detroit, MI, USA, 11–15 October 2020; pp. 4836–4841, ISBN 978-1-7281-5826-6. [Google Scholar]
- Zheng, L.; Marellapudi, A.; Chowdhury, V.R.; Bilakanti, N.; Kandula, R.P.; Saeedifard, M.; Grijalva, S.; Divan, D. Solid-State Transformer and Hybrid Transformer With Integrated Energy Storage in Active Distribution Grids: Technical and Economic Comparison, Dispatch, and Control. IEEE J. Emerg. Sel. Topics Power Electron. 2022, 10, 3771–3787. [Google Scholar] [CrossRef]
- Liserre, M.; Buticchi, G.; Andresen, M.; de Carne, G. The Smart Transformer: Impact on the Electric Grid and Technology Challenges. IEEE Ind. Electron. 2016, 10, 46–58. [Google Scholar] [CrossRef]
- Kumar, C.; Liserre, M. Operation and control of smart transformer for improving performance of medium voltage power distribution system. In Proceedings of the 2015 IEEE 6th International Symposium on Power Electronics for Distributed Generation Systems (PEDG), Aachen, Germany, 22–25 June 2015; pp. 1–6, ISBN 978-1-4799-8586-9. [Google Scholar]
- Gao, X.; de Carne, G.; Liserre, M.; Vournas, C. Voltage control by means of smart transformer in medium voltage feeder with distribution generation. In Proceedings of the 2017 IEEE Manchester PowerTech, Manchester, UK, 18–22 June 2017; pp. 1–6, ISBN 978-1-5090-4237-1. [Google Scholar]
- de Carne, G.; Buticchi, G.; Liserre, M.; Yoon, C.; Blaabjerg, F. Voltage and current balancing in Low and Medium Voltage grid by means of Smart Transformer. In Proceedings of the 2015 IEEE Power & Energy Society General Meeting, Denver, CO, USA, 26–30 July 2015; pp. 1–5, ISBN 978-1-4673-8040-9. [Google Scholar]
- Verma, N.; Singh, N.; Yadav, S. Solid State Transformer for Electrical System: Challenges and Solution. In Proceedings of the 2018 2nd International Conference on Electronics, Materials Engineering & Nano-Technology (IEMENTech), Kolkata, India, 4–5 May 2018; pp. 1–5, ISBN 978-1-5386-5550-4. [Google Scholar]
- Bignucolo, F.; Bertoluzzo, M.; Fontana, C. Applications of the solid state transformer concept in the electrical power system. In Proceedings of the 2015 AEIT International Annual Conference (AEIT), Naples, Italy, 14–16 October 2015; pp. 1–6, ISBN 978-8-8872-3728-3. [Google Scholar]
- Mollik, M.S.; Hannan, M.A.; Reza, M.S.; Abd Rahman, M.S.; Lipu, M.S.H.; Ker, P.J.; Mansor, M.; Muttaqi, K.M. The Advancement of Solid-State Transformer Technology and Its Operation and Control with Power Grids: A Review. Electronics 2022, 11, 2648. [Google Scholar] [CrossRef]
- Huber, J.E.; Kolar, J.W. Volume/weight/cost comparison of a 1MVA 10 kV/400 V solid-state against a conventional low-frequency distribution transformer. In Proceedings of the 2014 IEEE Energy Conversion Congress and Exposition (ECCE), Pittsburgh, PA, USA, 14–18 September 2014; pp. 4545–4552, ISBN 978-1-4799-5776-7. [Google Scholar]
- Milczarek, A.; Malinowski, M. Comparison of Classical and Smart Transformers Impact on MV Distribution Grid. IEEE Trans. Power Deliv. 2020, 35, 1339–1347. [Google Scholar] [CrossRef]
- Chen, J.; Zhu, R.; OlDonnell, T.; Liserre, M. Smart Transformer and Low Frequency Transformer Comparison on Power Delivery Characteristics in the Power System. In Proceedings of the 2018 AEIT International Annual Conference, Bari, Italy, 3–5 October 2018; pp. 1–6, ISBN 978-8-8872-3740-5. [Google Scholar]
- Zhu, R.; Andresen, M.; Langwasser, M.; Liserre, M.; Lopes, J.P.; Moreira, C.; Rodrigues, J.; Couto, M. Smart transformer/large flexible transformer. Trans. Electr. Mach. Syst. 2020, 4, 264–274. [Google Scholar] [CrossRef]
- Guzman, P.; Vazquez, N.; Liserre, M. Indirect Front-End Smart Transformer with Reactive Power Management. In Proceedings of the 2020 IEEE 9th International Power Electronics and Motion Control Conference, IPEMC2020-ECCE Asia, Nanjing, China, 29 November–2 December 2020; IEEE: Piscataway, NJ, USA, 2020; pp. 3482–3487, ISBN 978-1-7281-5301-8. [Google Scholar]
- Giacomuzzi, S.; Langwasser, M.; De Carne, G.; Buja, G.; Liserre, M. Smart transformer-based medium voltage grid support by means of active power control. Trans. Electr. Mach. Syst. 2020, 4, 285–294. [Google Scholar] [CrossRef]
- Zhu, R.; Liserre, M. Continuous Operation of Smart Transformer-fed Distribution Grid with Single-phase Faults. In Proceedings of the 2018 IEEE Energy Conversion Congress and Exposition (ECCE), Portland, OR, USA, 23–27 September 2018; IEEE: Piscataway, NJ, USA, 2018; pp. 458–464, ISBN 978-1-4799-7312-5. [Google Scholar]
- Chen, J.; Zhu, R.; Liu, M.; de Carne, G.; Liserre, M.; Milano, F.; O’Donnell, T. Smart Transformer for the Provision of Coordinated Voltage and Frequency Support in the Grid. In Proceedings of the IECON 2018—44th Annual Conference of the IEEE Industrial Electronics Society, Washington, DC, USA, 20–23 October 2018; IEEE: Piscataway, NJ, USA, 2018; pp. 5574–5579, ISBN 978-1-5090-6684-1. [Google Scholar]
- Zhu, R.; Liserre, M. Requirements for Smart Transformer. In Proceedings of the PCIM Europe 2019, International Exhibition and Conference for Power Electronics, Intelligent Motion, Renewable Energy and Energy Management, Nuremberg, Germany, 7–9 May 2019. [Google Scholar]
- CEDEC; E.DSO; EURELECTRIC; GEODE. Smart Grid Key Performance Indicators: A DSO Perspective. Available online: https://cdn.eurelectric.org/media/5272/smart_grid_key_performance_indicators__a_dso_perspective-2021-030-0129-01-e-h-B85F16BF.pdf (accessed on 16 April 2024).
- Uginet, P.; Villavicencio, M. KPIs Measuring the Value of Flexiblitied Project Report OSMOSE. 2020. Available online: https://www.osmose-h2020.eu/wp-content/uploads/2021/03/OSMOSE_WP2_KPIs-measuring-the-value-of-flexibility.pdf (accessed on 16 April 2023).
- Harder, W.J. Key Performance Indicators for Smart Grids. 2017. Available online: https://essay.utwente.nl/73032/1/HARDER_MA_BMS.pdf (accessed on 16 April 2023).
- Energietechnische Gesellschaft. Von Komponenten bis zum Gesamtsystem für die Energiewende: ETG-Kongress 2021: 18.-19. Mai 2021, Online; VDE Verlag GmbH: Berlin, Offenbach, 2021; ISBN 978-3-8007-5549-3. [Google Scholar]
- Lindegaard, T.; Schütt, R.; Eggert, S.; Leiße, I.; Hebbeln, I.; Rose, M.; Dyussembekova, N. Concept and Control Strategy for the Grid Friendly Use of Medium Voltage Direct Current Links in German Distribution Grids. In Proceedings of the 2022 IEEE 13th International Symposium on Power Electronics for Distributed Generation Systems (PEDG), Kiel, Germany, 26–29 June 2022; pp. 1–5, ISBN 978-1-6654-6618-9. [Google Scholar]
- Monteiro, V.; Martins, J.S.; Aparício Fernandes, J.C.; Afonso, J.L. Review of a Disruptive Vision of Future Power Grids: A New Path Based on Hybrid AC/DC Grids and Solid-State Transformers. Sustainability 2021, 13, 9423. [Google Scholar] [CrossRef]
- BDEW Bundesverband der Energieund Wasserwirtschaft e.V. Beiblatt der Avacon Netz GmbH zu den Technischen Anschlussbedingungen TAB NS NORD 2019 Ausgabe 2019: Für den Anschluss an das Niederspannungsnetz der Avacon Netz GmbH 2019. Available online: https://www.avacon-netz.de/content/dam/revu-global/avacon-netz/documents/Energie_anschliessen/Stromnetz/TAB/Beiblatt_TAB_NS_Nord_2019%20der%20Avacon%20Netz%20GmbH%20-%20NDT-10-85_EGarage_2020.05.pdf (accessed on 30 April 2024).
Disclaimer/Publisher’s Note: The statements, opinions and data contained in all publications are solely those of the individual author(s) and contributor(s) and not of MDPI and/or the editor(s). MDPI and/or the editor(s) disclaim responsibility for any injury to people or property resulting from any ideas, methods, instructions or products referred to in the content. |
© 2024 by the authors. Licensee MDPI, Basel, Switzerland. This article is an open access article distributed under the terms and conditions of the Creative Commons Attribution (CC BY) license (https://creativecommons.org/licenses/by/4.0/).





