Desalinated Water Costs from Steam, Combined, and Nuclear Cogeneration Plants Using Power and Heat Allocation Methods
Abstract
1. Introduction
2. Power Plant Analysis
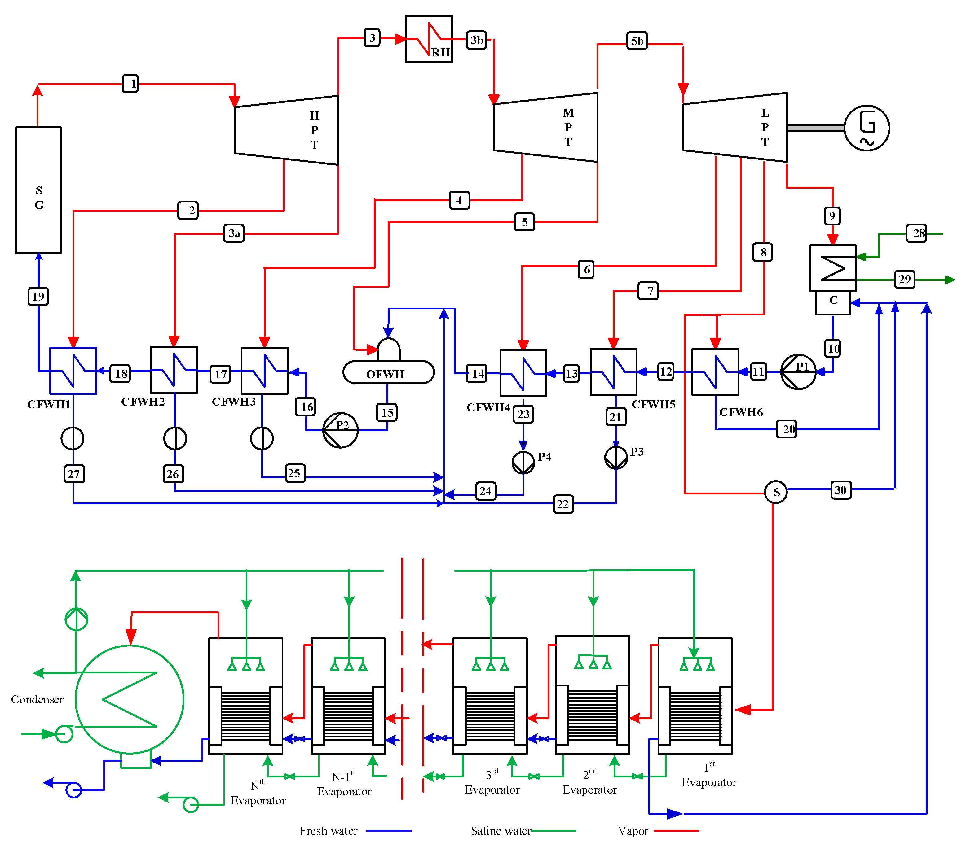
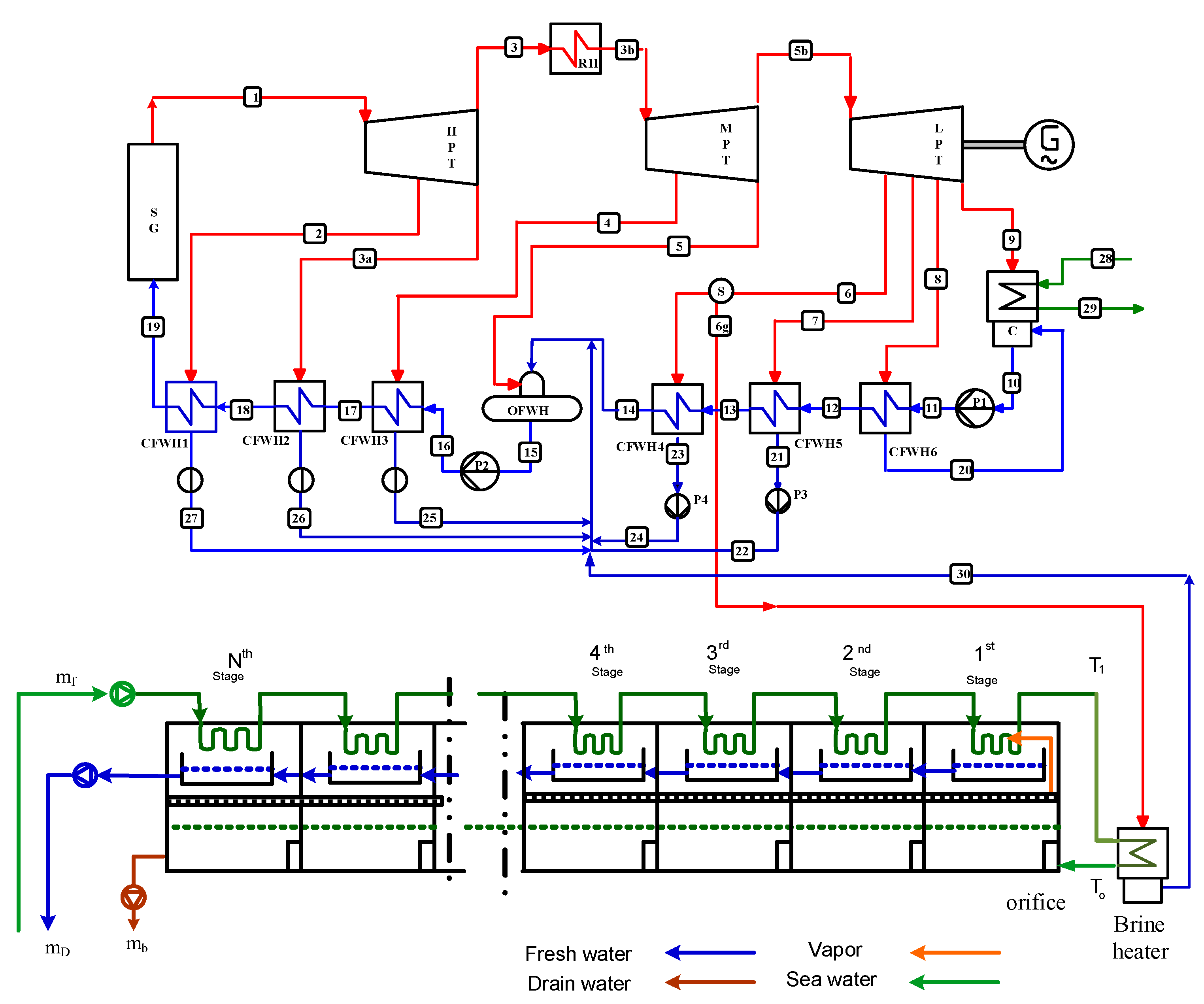
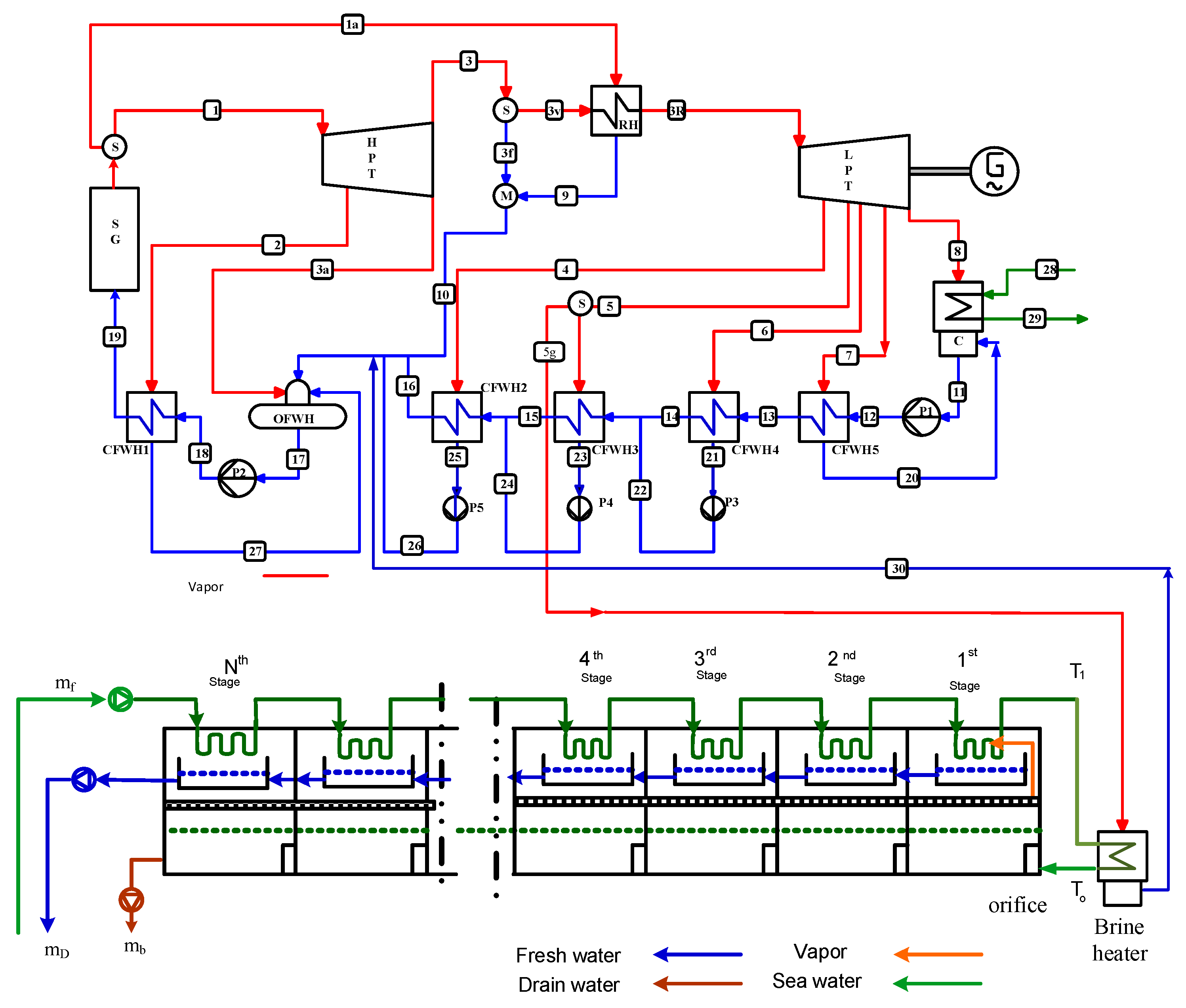
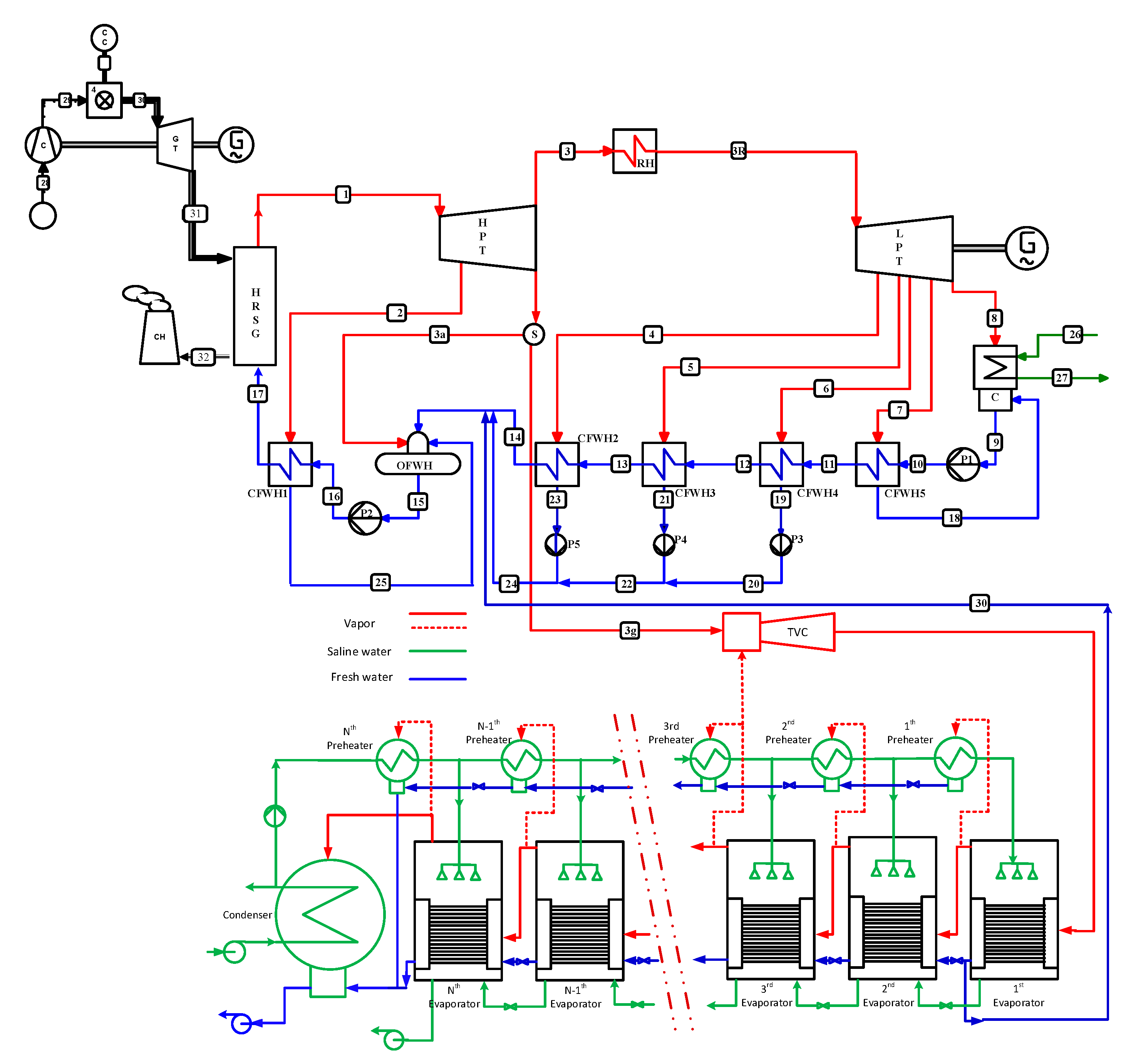
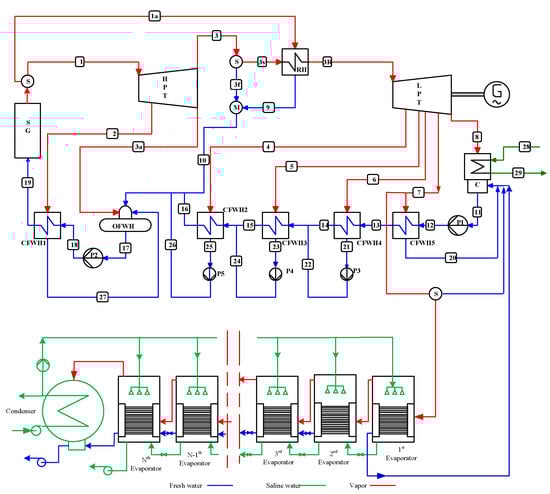
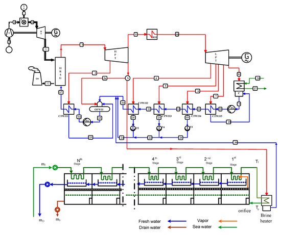
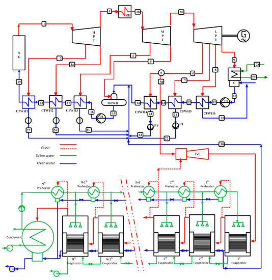
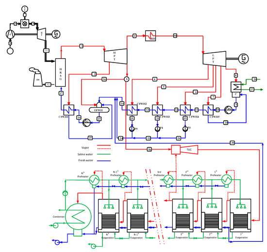
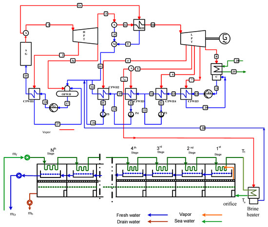
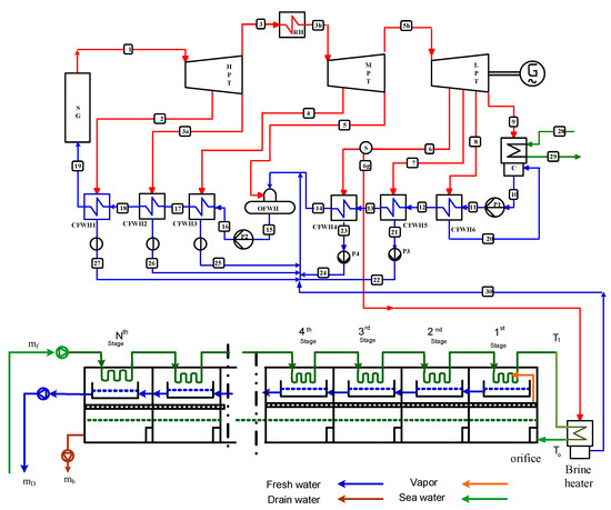
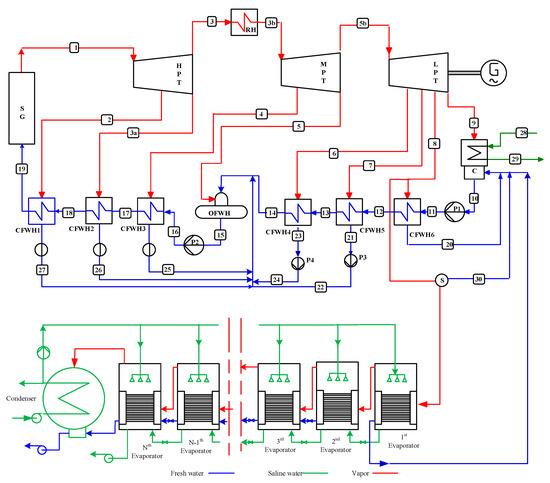
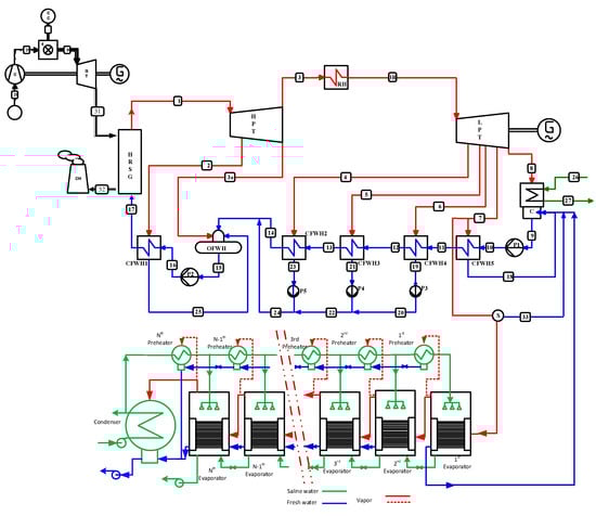
2.1. Power Plants Description

- -
- The heat available from natural gas or nuclear fuel to operate the power plant is fixed at QH = 3000 MW.
- -
- The condenser temperature is assumed to be 10 °C above the seawater temperature.
- -
- The efficiency of each component of each plant is given in Table 1.


2.2. Levelized Cost of Electricity (LPC) Evaluation
3. Water Cost
3.1. Power-Allocated Method
3.2. Heat-Added Allocated Method
4. Results and Discussion
5. Implications and Prospects
6. Conclusions
Author Contributions
Funding
Data Availability Statement
Conflicts of Interest
Acronyms
| CFWH | Closed-feed water heater |
| CPP | Combined power plant |
| DEEP | Desalination economic evaluation program |
| EES | Engineering equation solver |
| FWH | Feed-water heater |
| HAM | Heat-allocated method |
| HRSG | Heat recovery steam generator |
| HPT | High-pressure turbine |
| LPC | Levelized power cost |
| LPT | Low-pressure turbine |
| LWC | Levelized water cost |
| MED | Multi-effect desalination |
| MED-TVC | Multi-effect desalination with thermal vapor compression |
| MPT | Medium pressure turbine |
| MSF-OT | Multi-stage flash once through |
| NPP | Nuclear power plant |
| OAF | Operation availability factor |
| OFWH | Open feed-water heater |
| PAM | Power-allocated method |
| SG | Steam generator |
| SPP | Steam power plant |
| SWRO | Seawater reverse osmosis |
| RH | Reheater |
| TET | Turbine exit temperature |
| TIT | Turbine inlet temperature |
| TTD | Terminal temperature difference at exit of the last stage of MSF |
Nomenclature
| At | Heating surface area of desalination systems, m2 |
| AEP | Annual profit from electricity sale, USD/year |
| AWP | Annual profit from water sale, USD/year |
| CAPEX | Capital cost of desalination system per desalinated cubic meter, USD/m3 |
| Ch and PC | Chemical and parts cost per desalinated cubic meter, USD/m3 |
| ESP | Electricity sale price, USD/kWh |
| GOR | Gain output ratio |
| HeatCost | Cost of heat based on fuel source per desalinated cubic meter, USD/m3 |
| HR | Heat rate, kJ/kWh |
| InstC | Installation cost, USD/(m3/day) |
| LabC | Labor cost per desalinated cubic meter, USD/m3 |
| mD | Desalination capacity, m3/day |
| N | Number of stages or effect |
| NTVC | Number of effects connected to TVC |
| NGP | Natural gas price, USD/Mbtu |
| OPEcost | Operating energy cost per desalinated cubic meter, USD/m3 |
| OvhC | Overhead cost per desalinated cubic meter, USD/m3 |
| P | Pressure, bar |
| QH | Heat added, MW |
| T | Temperature, °C |
| W | Power, MW |
| WSP | Water sale price, USD/m3 |
Greek symbols
| ∆Q | Increase in heat added, MW |
| ∆W | Loss in power, MW |
| η | Efficiency |
Subscript
| D | Desalination |
| full | Full load |
| p | Power after connecting desalination system |
| pump | Pumps of desalination systems |
| s | Salable power |
| ov | Overall |
| m | Mechanical |
Appendix A. Power Plants and Desalination Systems






References
- Adhami, H. Development and thermoeconomic analysis of a 250 MW steam power plant by gas turbine, photovoltaic, photovoltaic/thermal and absorption chiller. Sol. Energy 2020, 209, 123–134. [Google Scholar] [CrossRef]
- Sadeghi, K.; Ghazaie, S.; Sokolova, E.; Fedorovich, E.; Shirani, A. Comprehensive techno-economic analysis of integrated nuclear power plant equipped with various hybrid desalination systems. Desalination 2020, 493, 114623. [Google Scholar] [CrossRef]
- British Electricity International. Modern Power Station Practice: Incorporating Modern Power System Practice, 3rd ed.; Reynolds, P.M., Ed.; Pergamon: Oxford, UK, 1991; Volume 12, ISBN 9781483293370. [Google Scholar]
- Morvaj, Z.; Bukarica, A. Energy efficiency policy. In Energy Efficiency; Palm, J., Ed.; Sciyo: Rijeka, Croatia, 2010; pp. 1–27. ISBN 978-953-307-137-4. [Google Scholar]
- Nag, P.K. Power Plant Engineering, 3rd ed.; McGraw Hill: New Delhi, India, 2008. [Google Scholar]
- Erdem, H.; Akkaya, A.; Cetin, B.; Dagads, A.; Sevilgen, S.; Sahin, B.; Teke, I.; Gungor, C.; Atas, S. Comparative energetic and exergetic performance analyses for coal-fired thermal power plants in Turkey. Int. J. Therm. Sci. 2009, 48, 2179–2186. [Google Scholar] [CrossRef]
- Ahmadi, M.; Sorouri, S.; Aghaj, G.; Nazerim, A. Prediction of power in solar Stirling heat engine by using neural network based on hybrid genetic algorithm and particle swarm optimization. Neural Comput. Appl. 2013, 22, 1141–1150. [Google Scholar] [CrossRef]
- Haynes, M.; Gunawan, A.; Yee, S. Techno-economic comparison between conventional and innovative combined solar thermal power and desalination methods for cogeneration. In Proceedings of the ASME 2018 Power Conference collocated with the ASME 2018 12th International Conference on Energy Sustainability and the ASME 2018 Nuclear Forum, Lake Buena Vista, FL, USA, 24–28 June 2018. [Google Scholar] [CrossRef]
- Danish; Khan, S.; Ahmad, A. Testing the pollution haven hypothesis on the pathway of sustainable development: Accounting the role of nuclear energy consumption. Nucl. Eng. Technol. 2021, 53, 2746–2752. [Google Scholar] [CrossRef]
- Kasaeian, A.; Ghalamchi, M.; Ahmadi, M.; Ghalamchi, M. GMDH algorithm for modeling the outlet temperatures of a solar chimney based on the ambient temperature. Mech. Ind. 2017, 18, 216. [Google Scholar] [CrossRef]
- Loni, R.; Kasaeian, A.; Shahverdi, K.; Asli-Ardeh, E.; Ghobadian, B.; Ahmadi, M. ANN model to predict the performance of parabolic dish collector with tubular cavity receiver. Mech. Ind. 2017, 18, 408. [Google Scholar] [CrossRef]
- Sadatsakkak, S.; Ahmadi, M.; Ahmadi, M. Optimization performance and thermodynamic analysis of an irreversible nano scale Brayton cycle operating with Maxwell–Boltzmann gas. Energy Convers Manag. 2015, 101, 592–605. [Google Scholar] [CrossRef]
- Naseri, A.; Bidi, M.; Ahmadi, M. Thermodynamic and exergy analysis of a hydrogen and permeate water production process by a solar-driven transcritical CO2 power cycle with liquefied natural gas heat sink. Renew Energy 2017, 113, 1215–1228. [Google Scholar] [CrossRef]
- Sengupta, S.; Datta, A.; Duttagupta, S. Exergy analysis of a coal-based 210 MW thermal power plant. Int. J. Energy Res. 2007, 31, 14–28. [Google Scholar] [CrossRef]
- Helios, M.; Pipatmanomai, S.; Nasir, S. Energy and exergy analysis of coal-fired power plants: The selected case studies in Thailand and Indonesia. 2011. In Proceedings of the 4th International Conference on Sustainable Energy and Environment, Bangkok, Thailand, 27–29 February 2012. [Google Scholar]
- Aljundi, I. Energy and exergy analysis of a steam power plant in Jordan. Appl. Therm. Eng. 2009, 29, 324–328. [Google Scholar] [CrossRef]
- Habib, M.; Zubair, S. Second-law-based thermodynamic analysis of regenerative-reheat Rankine-cycle power plants. Energy 1992, 17, 295–301. [Google Scholar] [CrossRef]
- Butcher, C.; Reddy, B. Second law analysis of a waste heat recovery based power generation system. Int. J. Heat Mass Transf. 2007, 50, 2355–2363. [Google Scholar] [CrossRef]
- Dong, Z.; Liu, M.; Huang, Z.; Zhang, Y.; Zhang, Z.; Dong, Y. Dynamical modeling and simulation analysis of a nuclear desalination plant based on the MED-TVC process. Desalination 2019, 456, 121–135. [Google Scholar] [CrossRef]
- Khan, S.; Khan, S. Karachi nuclear power plant (KANUPP): As case study for techno-economic assessment of nuclear power coupled with water desalination. Energy 2017, 127, 372–380. [Google Scholar] [CrossRef]
- Haya, N.; Shaheen, F.; Raed, H.; Nidal, H. Energy for desalination: A state-of-the-art review. Desalination 2020, 491, 114569. [Google Scholar] [CrossRef]
- Sadeghi, K.; Ghazaie, S.; Fedorovich, E.; Sokolova, E.; Shirani, A. Economic assessment of the possible desalination processes for the first unit of Bushehr nuclear power plant. Therm. Eng. 2020, 67, 271–281. [Google Scholar] [CrossRef]
- Jaskólski, M.; Reński, A.; Minkiewicz, T. Thermodynamic and economic analysis of nuclear power unit operating in partial cogeneration mode to produce electricity and district heat. Energy 2017, 141, 2470–2483. [Google Scholar] [CrossRef]
- Kavvadias, K.; Khamis, I. The IAEA DEEP desalination economic model: A critical review. Desalination 2010, 257, 150–157. [Google Scholar] [CrossRef]
- Altmann, T.; Robert, J.; Bouma, A.; Swaminathan, J.; Lienhard, J. Primary energy and exergy of desalination technologies in a power-water cogeneration scheme. Appl. Energy 2019, 252, 113319. [Google Scholar] [CrossRef]
- Ihm, S.; Al-Najdi, O.; Hamed, O.; Jun, G.; Chung, H. Energy cost comparison between MSF, MED and SWRO: Case studies for dual purpose plants. Desalination 2016, 397, 116–125. [Google Scholar] [CrossRef]
- El-Nashar, A. Cost allocation of electricity and water in a cogeneration plant. Desalination 1992, 85, 197–212. [Google Scholar] [CrossRef]
- El-Nashar, A. Cost allocation for electricity and water for the umm al nar west cogeneration plant using the exergy accounting method. Desalination 1989, 71, 57–71. [Google Scholar] [CrossRef]
- Hamed, O. Thermoeconomic analysis of combined power cycle integrated with MSF/SWRO desalination plant. Desalination Water Treat. 2016, 57, 26552–26561. [Google Scholar] [CrossRef]
- Wade, N. Energy and cost allocation in dual-purpose power and desalination plants. Desalination 1999, 123, 115–125. [Google Scholar] [CrossRef]
- El-Nashar, A. Cost allocation in a cogeneration plant for the production of power and desalted water comparison of the exergy cost accounting method with the WEA method. Desalination 1999, 122, 15–34. [Google Scholar] [CrossRef]
- Hamed, O.; Al-Washmi, H.; Al-Otaibi, H. Thermoeconomic analysis of a power/water cogeneration plant. Energy 2006, 31, 2699–2709. [Google Scholar] [CrossRef]
- Mabrouk, A.; Nafey, A.; Fath, H. Steam, electricity and water costs evaluation of power-desalination co-generation plants. Desalination Water Treat. 2010, 22, 56–64. [Google Scholar] [CrossRef]
- Rognoni, M. Energy cost for desalination evaporation versus reverse osmosis. Int. J. Nucl. Desalination 2011, 4, 277–284. [Google Scholar] [CrossRef]
- Dardour, S.; Safa, H. Energetic and economic cost of nuclear heat impact on the cost of desalination. EPJ Nuclear Sci. Technol. 2017, 3, 1. [Google Scholar] [CrossRef]
- Darwish, M.; Bin Amer, A. Cost allocation in cogeneration power–desalination plant utilising gas/steam combined cycle (GTCC) in Kuwait’. Int. J. Exergy 2014, 14, 275–302. [Google Scholar] [CrossRef]
- Darwish, M.; Al Asfour, F.; Al-Najem, N. Energy consumption in equivalent work by different desalting methods: Case study for Kuwait. Desalination 2003, 152, 83–92. [Google Scholar] [CrossRef]
- Darwish, M.; Al Awadhi, F.; Abdul Raheem, M. The MSF: Enough is enough. Desalination Water Treat. 2010, 22, 193–203. [Google Scholar] [CrossRef]
- Ng, K.; Shahzad, M.; Son, H.; Hamed, O. An exergy approach to efficiency evaluation of desalination. Appl. Phys. Lett. 2017, 110, 184101. [Google Scholar] [CrossRef]
- El-Wakil, M. Powerplant Technology; McGraw-Hill Education: New York, NY, USA, 1985. [Google Scholar]
- EES. Available online: https://www.fchartsoftware.com/ees/ (accessed on 22 February 2023).
- Available online: https://www.indexmundi.com/commodities/?commodity=natural-gas (accessed on 22 February 2023).
- U.S. Energy Information Administration. Cost and Performance Characteristics of New Generating Technologies. Annual Energy Outlook; 2022. Available online: https://www.eia.gov/outlooks/aeo/assumptions/pdf/table_8.2.pdf (accessed on 22 February 2023).
- International Energy Agency and Organisation for Economic Co-operation and Development/Nuclear Energy Agency. Projected Costs of Generating Electricity; IEA: Paris, France, 2020. [Google Scholar]
- Available online: https://world-nuclear.org/information-library/economic-aspects/economics-of-nuclear-power.aspx (accessed on 22 February 2023).
- Zeitoun, O.; Orfi, J.; Khan, S.; AlAnsary, H. Analysis of MED Systems; Internal Report; KCARE: Riyadh, Saudi Arabia, 2022. [Google Scholar]
- Zeitoun, O.; Orfi, J.; Khan, S.; AlAnsary, H. Multi Stage Flash Desalination; Internal Report; KCARE: Riyadh, Saudi Arabia, 2022. [Google Scholar]
- Bin Amer, A. Development and optimization of ME-TVC desalination system. Desalination 2009, 249, 1315–1331. [Google Scholar] [CrossRef]
- Alasfour, N.; Darwish, M.; Bin Amer, A. Thermal analysis of ME-TVC+MEE desalination systems. Desalination 2005, 174, 39–61. [Google Scholar] [CrossRef]
- Al-Mutaz, I.; Wazeer, I. Development of a steady-state mathematical model for MEE-TVC desalination plants. Desalination 2014, 351, 9–18. [Google Scholar] [CrossRef]
- Available online: https://www.desaldata.com (accessed on 22 February 2023).













| SPP Input Data | NPP Input Data | CPP Input Data | ||||||
|---|---|---|---|---|---|---|---|---|
| Press. (bar) | Temp. (°C) | Press. (bar) | Temp. (°C) | Press. (bar) | Temp. (°C) | |||
| Boiler outlet | 100 | 550 | Boiler outlet | 64.1 | 280 | Gas turbine inlet | 14 | 1227 |
| Condenser | 0.086 | 43 | Condenser | 0.086 | 43 | Condenser | 0.086 | 43 |
| Seawater | 33 | 33 | Seawater | 33 | ||||
| Reheater outlet | 35.9 | 550 | Reheater outlet | 19.9 | 270 | HRSG outlet | 20 | 492 |
| 1st FWH | 61.7 | 277.5 | 1st FWH | 37.2 | 246.1 | Reheater outlet | 6.8 | 482 |
| 2nd FWH | 35.9 | 244 | 2nd FWH | 19.9 | 212.3 | 1st FWH | 12.1 | 188.2 |
| 3rd FWH | 19.26 | 210.5 | 3rd FWH | 9.7 | 178.4 | 2nd FWH | 6.8 | 164 |
| 4th FWH | 9.35 | 177 | 4th FWH | 4.1 | 144.6 | 3rd FWH | 3.59 | 139.8 |
| 5th FWH | 3.98 | 143.5 | 5th FWH | 1.47 | 110.7 | 4th FWH | 1.7 | 115.6 |
| 6th FWH | 1.43 | 110 | 6th FWH | 0.42 | 76.86 | 5th FWH | 0.74 | 91.4 |
| 7th FWH | 0.41 | 76.5 | 6th FWH | 0.276 | 67.2 | |||
| Components’ efficiencies | Components’ efficiencies | Components’ efficiencies | ||||||
| ηt | 90% | ηt | 90% | ηc | 90% | |||
| ηb | 95% | ηp | 90% | ηt | 90% | |||
| ηp | 90% | ηm | 95% | ηp | 90% | |||
| ηm | 95% | ηm | 95% | |||||
| SPP Output Data | NPP Output Data | CPP Output Data | ||||||
| ηov | 39.5% | ηov | 35.6% | ηov | 51.4% | |||
| HRov | 9126 | kJ/kWh | HRov | 10,115 | kJ/kWh | HRov | 7002 | kJ/kWh |
| Wfull | 1184 | MW | Wfull | 1068 | MW | Wfull | 1542 | MW |
| Parameters | Units | Values |
|---|---|---|
| Interest rate | % | 5 |
| Discount rate | % | 5 |
| Lifetime of energy plant | Year | 35 |
| Construction duration | Month | 36 |
| SPP installation cost [43] | USD/kW | 895 |
| CPP installation cost [43] | USD/kW | 1200 |
| NPP1 installation cost [44] | USD/kW | 2157 |
| NPP2 installation cost [44] | USD/kW | 4250 |
| Nuclear fuel cost [45] | USD/MWh | 4.6 |
| Operation availability factor OAF [24] | 95% | |
| Annual fuel real escalation [24] | 3% | |
| Fossil fuel real escalation for backup heat source [24] | 2% | |
| Specific operation and maintenance costs [24] | USD/MWh | 3.3 |
| Additional site-related construction cost factor [24] | 10% | |
| Nuclear plant decommissioning cost factor [24] | 15% |
| Bin Amer Model [48] | Al-Taweelah MED-TVC Plant [48] | Current Model | |
|---|---|---|---|
| Distillate production D, kg/s | 200.2 | 198 | 198 |
| Number of effects | 6 | 6 | 6 |
| Location of TVC | 3 | 3 | 3 |
| Tsea, °C | 33 | ||
| Seawater TDS, ppm | 45,000 | ||
| Brine concentration coefficient at exit | 1.4 | ||
| Motive pressure Ps, bar | 2.8 | 2.8 | 2.8 |
| Heating steam temperature in the 1st effect, °C | 65.9 | ||
| GOR | 8.1 | 8 | 7.95 |
| Motive steam flow rate, kg/s | 24.6 | 24.6 | 24.9 |
| Feed seawater temperature to 6th effect TfN, | 40.5 | 40 | |
| Feed seawater temperature to 1st effect | 55.2 | 55.9 | 60 |
| Top brine temperature T1 | 63 | 62.8 | 62.8 |
| Minimum brine temperature | 43 | 43.8 | 43.6 |
| Motive to entrained vapor ratio | 0.95 | 1.244 | |
| Specific heat transfer area, m2/kg/s | 333.7 | 343.3 | |
| Specific heat consumption, kJ/kg | 300 | 307.7 |
| Umm AlNar | Alasfour et al. [49] | Al-Mutaz and Wazeer [50] | Current Model | |
|---|---|---|---|---|
| Distillate production D, kg/s | 184.4 | 184.4 | 183.2 | 184.4 |
| Number of effects | 6 | 6 | 6 | 6 |
| Location of TVC | 3 | 3 | ||
| Tsea, °C | 30 | 30 | 30 | 30 |
| Feed temperature, °C | 40 | 40 | 40 | 40 |
| Seawater TDS, ppm | 45,000 | 45,000 | 45,000 | 45,000 |
| Brine concentration coefficient at exit | 1.6 | |||
| Motive pressure Ps, bar | 25 | 25 | 25 | 25 |
| Heating steam temperature in the 1st effect, °C | 64.8 | |||
| Motive to entrained vapor ratio | 1.36 | 1.36 | 1.113 | |
| TVC Expansion ratio | 299.7 | 167.3 | ||
| GOR | 8.6 | 9.44 | 8.64 | 8.56 |
| Motive steam flow rate, kg/s | 21.2 | 21.2 | 21.2 | 21.6 |
| Top brine temperature, °C | 61.8 | 61.8 | 61.8 | 61.9 |
| Minimum brine temperature, °C | 42.8 | 42.8 | 42.8 | 43.6 |
| Specific heat transfer area, m2/kg/s | 308.9 | 384.2 | 357 | |
| Specific heat consumption, kJ/kg | 268.1 | 282.4 | 295.4 |
| MED | MSF | SWRO | |
|---|---|---|---|
| Range | ≤450,000 m3/day | ≤450,000 m3/day | ≤250,000 m3/day |
| Install. cost, USD/(m3/day) | InstC = 5178.6 mD0.9067 | InstC = 5926.2 mD0.9195 | InstC = 8027.1 mD0.8403 |
| CAPEX, USD/m3 | CAPEXMED = 1.4723 mD−0.093 | CAPEXMSF = 1.7176 mD−0.082 | CAPEXROSW = 2.594 mD−0.17 |
| Labor cost, USD/m3 | LabC = 224.39 mD−0.683 | LabC = 224.39 mD−0.683 | LabC = 126.05 mD−0.633 |
| Overhead cost, USD/m3 | OvhC = 121.92 mD−0.677 | OvhC = 121.92 mD−0.677 | OvhC = 80.187 mD−0.64 |
| Chem and parts cost, USD/m3 | 0.06 | 0.06 | 0.13 |
| SPP-MED GOR = 5.77 | NPP-MED GOR = 5.76 | CPP-MED GOR = 6.1 | |||||||
|---|---|---|---|---|---|---|---|---|---|
| mD | Wp | Wpump | WD | Wp | Wpump | WD | Wp | Wpump | WD |
| m3/day | MW | MW | MW | MW | MW | MW | MW | MW | MW |
| 0 | 1184 | 0.00 | 0 | 1068.0 | 00 | 00 | 1542.0 | 0.00 | 00 |
| 25,000 | 1172 | 0.67 | 12.3 | 1058.0 | 0.67 | 10.7 | 1535.0 | 0.65 | 7.65 |
| 50,000 | 1163 | 1.33 | 22.4 | 1048.0 | 1.33 | 21.3 | 1528.0 | 1.30 | 15.30 |
| 75,000 | 1153 | 2.00 | 32.4 | 1039.0 | 2.00 | 31.0 | 1521.0 | 1.94 | 22.94 |
| 100,000 | 1144 | 2.66 | 42.4 | 1029.0 | 2.67 | 41.7 | 1514.0 | 2.59 | 30.59 |
| 125,000 | 1135 | 3.33 | 52.5 | 1019.0 | 3.33 | 52.3 | 1507.0 | 3.24 | 38.24 |
| 150,000 | 1125 | 4.00 | 62.5 | 1010.0 | 4.00 | 62.0 | 1500.0 | 3.89 | 45.89 |
| 175,000 | 1116 | 4.66 | 72.6 | 1000.0 | 4.67 | 72.7 | |||
| 200,000 | 1106 | 5.33 | 82.6 | 990.5 | 5.33 | 82.8 | |||
| 225,000 | 1097 | 5.99 | 92.7 | 980.8 | 6.00 | 93.2 | |||
| 250,000 | 1088 | 6.66 | 102.7 | 971.2 | 6.67 | 103.5 | |||
| 300,000 | 1069 | 7.99 | 122.8 | 951.9 | 8.00 | 124.1 | |||
| 350,000 | 932.6 | 9.33 | 144.7 | ||||||
| 400,000 | 913.3 | 10.66 | 165.4 | ||||||
| SPP-MED-TVC N = 10, NTVC = 7 GOR = 14.15 | NPP-MED-TVC N = 10, NTVC = 7 GOR = 13.13 | CPP-MED-TVC N = 10, NTVC = 7 GOR = 15.37 | |||||||
|---|---|---|---|---|---|---|---|---|---|
| mD | Wp | Wpump | WD | Wp | Wpump | WD | Wp | Wpump | WD |
| m3/day | MW | MW | MW | MW | MW | MW | MW | MW | MW |
| 0 | 1184 | 1068 | 1542 | ||||||
| 25,000 | 1170 | 0.46 | 14.2 | 1056.0 | 0.45 | 12.5 | 1527 | 0.46 | 15.5 |
| 50,000 | 1159 | 0.92 | 25.6 | 1045.0 | 0.91 | 23.9 | 1511 | 0.91 | 31.9 |
| 75,000 | 1148 | 1.38 | 37.1 | 1033.0 | 1.36 | 36.4 | 1495 | 1.37 | 48.4 |
| 100,000 | 1137 | 1.84 | 48.5 | 1022.0 | 1.82 | 47.8 | 1479 | 1.82 | 64.8 |
| 125,000 | 1125 | 2.29 | 61.0 | 1011.0 | 2.27 | 59.3 | 1463 | 2.28 | 81.3 |
| 150,000 | 1114 | 2.75 | 72.5 | 999.2 | 2.73 | 71.5 | 1448 | 2.74 | 96.7 |
| 175,000 | 1103 | 3.21 | 83.9 | 987.8 | 3.18 | 83.4 | 1432 | 3.19 | 113.2 |
| 200,000 | 1092 | 3.67 | 95.4 | 976.4 | 3.63 | 95.2 | 1416 | 3.65 | 129.6 |
| 225,000 | 1080 | 4.13 | 107.8 | 965.0 | 4.09 | 107.1 | 1400 | 4.10 | 146.1 |
| 250,000 | 1069 | 4.59 | 119.3 | 953.6 | 4.54 | 118.9 | 1384 | 4.56 | 162.6 |
| 300,000 | 1047 | 5.51 | 142.2 | 930.8 | 5.45 | 142.7 | 1353 | 5.47 | 194.5 |
| 350,000 | 1024 | 6.42 | 166.1 | 908.0 | 6.36 | 166.4 | 1321 | 6.38 | 227.4 |
| 400,000 | 1002 | 7.34 | 189.0 | 885.2 | 7.27 | 190.1 | |||
| SPP-MSF GOR = 10.3 | NPP-MSF GOR = 9.3 | CPP-MSF GOR = 11.2 | |||||||
|---|---|---|---|---|---|---|---|---|---|
| mD | Wp | Wpump | WD | Wp | Wpump | WD | Wp | Wpump | WD |
| m3/day | MW | MW | MW | MW | MW | MW | MW | MW | MW |
| 0 | 1184 | 0.00 | 0 | 1068.0 | 0.00 | 0 | 1542 | 0.00 | 0 |
| 25,000 | 1168 | 0.84 | 16.54 | 1054.0 | 0.8 | 14.8 | 1523.0 | 0.8 | 19.8 |
| 50,000 | 1155 | 1.68 | 30.38 | 1041.0 | 1.7 | 28.7 | 1503.0 | 1.7 | 40.7 |
| 75,000 | 1142 | 2.52 | 44.22 | 1027.0 | 2.5 | 43.5 | 1483.0 | 2.5 | 61.5 |
| 100,000 | 1129 | 3.36 | 58.06 | 1014.0 | 3.4 | 57.4 | 1463.0 | 3.4 | 82.4 |
| 125,000 | 1116 | 4.20 | 71.90 | 1000.0 | 4.2 | 72.2 | 1443.0 | 4.2 | 103.2 |
| 150,000 | 1102 | 5.04 | 86.74 | 987.0 | 5.0 | 86.1 | 1423.0 | 5.0 | 124.0 |
| 200,000 | 1076 | 6.71 | 114.41 | 960.0 | 6.7 | 114.7 | 1384.0 | 6.7 | 164.7 |
| 225,000 | 1063 | 7.55 | 128.25 | 946.6 | 7.6 | 129.0 | 1364.0 | 7.6 | 185.6 |
| 250,000 | 1050 | 8.39 | 142.09 | 933.1 | 8.4 | 143.3 | 1344.0 | 8.4 | 206.4 |
| 300,000 | 1023 | 10.07 | 170.77 | 906.2 | 10.1 | 171.8 | 1304.0 | 10.1 | 248.1 |
| 350,000 | 997.1 | 11.75 | 198.35 | 879.3 | 11.7 | 200.4 | |||
| 400,000 | 970.8 | 13.43 | 226.33 | 852.4 | 13.4 | 229.0 | |||
| SPP-MED GOR = 5.77 | NPP-MED GOR = 5.76 | CPP-MED GOR = 6.1 | ||||
|---|---|---|---|---|---|---|
| mD | ΔQ | Wpump | ΔQ | Wpump | ΔQ | Wpump |
| m3/day | MW | MW | MW | MW | MW | MW |
| 25,000 | 29.57 | 0.67 | 28.01 | 0.67 | 12.89 | 0.65 |
| 50,000 | 53.39 | 1.33 | 55.12 | 1.33 | 26.52 | 1.30 |
| 75,000 | 77.2 | 2.00 | 82.24 | 2.00 | 40.15 | 1.94 |
| 100,000 | 101 | 2.66 | 109.3 | 2.67 | 53.77 | 2.59 |
| 125,000 | 124.8 | 3.33 | 136.5 | 3.33 | 67.4 | 3.24 |
| 150,000 | 148.6 | 4.00 | 163.6 | 4.00 | 81.03 | 3.89 |
| 175,000 | 172.5 | 4.66 | 190.7 | 4.67 | ||
| 200,000 | 196.3 | 5.33 | 217.8 | 5.33 | ||
| 225,000 | 220.1 | 5.99 | 244.9 | 6.00 | ||
| 250,000 | 243.9 | 6.66 | 272 | 6.67 | ||
| 300,000 | 291.5 | 7.99 | 326.2 | 8.00 | ||
| 350,000 | 339.2 | 9.32 | 380.5 | 9.33 | ||
| 400,000 | 386.8 | 10.65 | 434.7 | 10.66 | ||
| SPP-MED-TVC N = 10, NTVC = 7 GOR = 14.15 | NPP-MED-TVC N = 10, NTVC = 7 GOR = 13.13 | CPP-MED-TVC N = 10, NTVC = 7 GOR = 15.37 | ||||
|---|---|---|---|---|---|---|
| mD | ΔQ | Wpump | ΔQ | Wpump | ΔQ | Wpump |
| m3/day | MW | MW | MW | MW | MW | MW |
| 25,000 | 34.28 | 0.46 | 32.95 | 0.45 | 30.02 | 0.46 |
| 50,000 | 62.79 | 0.92 | 65.01 | 0.91 | 60.78 | 0.91 |
| 75,000 | 91.31 | 1.38 | 97.06 | 1.36 | 91.54 | 1.37 |
| 100,000 | 119.8 | 1.84 | 129.1 | 1.82 | 122.3 | 1.82 |
| 125,000 | 148.3 | 2.29 | 161.2 | 2.27 | 153 | 2.28 |
| 150,000 | 176.9 | 2.75 | 193.2 | 2.73 | 183.8 | 2.74 |
| 175,000 | 205.4 | 3.21 | 225.3 | 3.18 | 214.6 | 3.19 |
| 200,000 | 233.9 | 3.67 | 257.3 | 3.63 | 245.3 | 3.65 |
| 225,000 | 262.4 | 4.13 | 289.4 | 4.09 | 276.1 | 4.10 |
| 250,000 | 290.9 | 4.59 | 321.4 | 4.54 | 306.8 | 4.56 |
| 300,000 | 348 | 5.51 | 385.5 | 5.45 | 368.3 | 5.47 |
| 350000 | 405 | 6.42 | 449.6 | 6.36 | 429.9 | 0.46 |
| 400,000 | 462 | 7.34 | 513.7 | 7.27 | 491.4 | 0.91 |
| SPP-MSF GOR = 10.3 | NPP-MSF GOR = 9.3 | CPP-MSF GOR = 11.2 | ||||
|---|---|---|---|---|---|---|
| mD | ΔQ | Wpump | ΔQ | Wpump | ΔQ | Wpump |
| m3/day | MW | MW | MW | MW | MW | MW |
| 25,000 | 39.19 | 0.84 | 38.7 | 0.84 | 37.85 | 0.84 |
| 50,000 | 72.62 | 1.68 | 76.51 | 1.68 | 76.42 | 1.68 |
| 75,000 | 106.1 | 2.52 | 114.3 | 2.52 | 115 | 2.52 |
| 100,000 | 139.5 | 3.36 | 152.1 | 3.36 | 153.6 | 3.36 |
| 125,000 | 172.9 | 4.20 | 189.9 | 4.20 | 192.2 | 4.20 |
| 150,000 | 206.4 | 5.04 | 227.7 | 5.04 | 230.7 | 5.04 |
| 200,000 | 273.2 | 6.71 | 303.3 | 6.71 | 307.9 | 6.71 |
| 225,000 | 306.7 | 7.55 | 341.1 | 7.55 | 346.5 | 7.55 |
| 250,000 | 340.1 | 8.39 | 378.9 | 8.39 | 385 | 8.39 |
| 300,000 | 407 | 10.07 | 454.5 | 10.07 | 462.2 | 10.07 |
| 350,000 | 473.8 | 11.75 | 530.1 | 11.75 | ||
| 400,000 | 540.7 | 13.43 | 605.8 | 13.43 | ||
Disclaimer/Publisher’s Note: The statements, opinions and data contained in all publications are solely those of the individual author(s) and contributor(s) and not of MDPI and/or the editor(s). MDPI and/or the editor(s) disclaim responsibility for any injury to people or property resulting from any ideas, methods, instructions or products referred to in the content. |
© 2023 by the authors. Licensee MDPI, Basel, Switzerland. This article is an open access article distributed under the terms and conditions of the Creative Commons Attribution (CC BY) license (https://creativecommons.org/licenses/by/4.0/).
Share and Cite
Zeitoun, O.; Orfi, J.; Khan, S.U.-D.; Al-Ansary, H. Desalinated Water Costs from Steam, Combined, and Nuclear Cogeneration Plants Using Power and Heat Allocation Methods. Energies 2023, 16, 2752. https://doi.org/10.3390/en16062752
Zeitoun O, Orfi J, Khan SU-D, Al-Ansary H. Desalinated Water Costs from Steam, Combined, and Nuclear Cogeneration Plants Using Power and Heat Allocation Methods. Energies. 2023; 16(6):2752. https://doi.org/10.3390/en16062752
Chicago/Turabian StyleZeitoun, Obida, Jamel Orfi, Salah Ud-Din Khan, and Hany Al-Ansary. 2023. "Desalinated Water Costs from Steam, Combined, and Nuclear Cogeneration Plants Using Power and Heat Allocation Methods" Energies 16, no. 6: 2752. https://doi.org/10.3390/en16062752
APA StyleZeitoun, O., Orfi, J., Khan, S. U.-D., & Al-Ansary, H. (2023). Desalinated Water Costs from Steam, Combined, and Nuclear Cogeneration Plants Using Power and Heat Allocation Methods. Energies, 16(6), 2752. https://doi.org/10.3390/en16062752

