Research on the Effect of an Air-Blown Interrupting Gap to Reduce the Rate of Lightning Tripping
Abstract
:1. Introduction
2. Gas Blowing Interrupting Gap
3. Simulation Design
3.1. Geometric Models
3.2. Analysis of Simulation Results
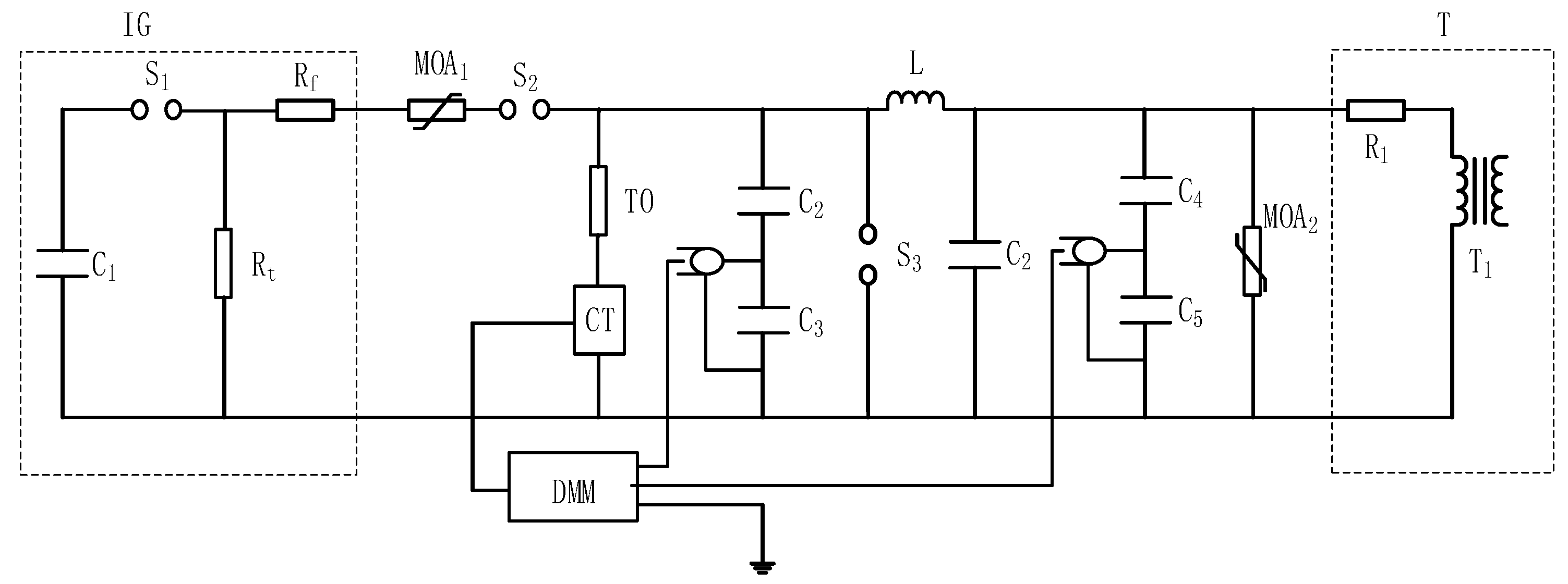
4. Air-Blowing Interrupting Gap Test
4.1. Industrial Frequency Renewal Current Test
Test Procedure
- (1)
- (2)
- The frequency voltage at both ends of the test article and 13.2 kV frequency voltage at both ends of the 10 kV air-blown interrupter gap were pre-applied.
- (3)
- After about 3 min, the left side of the shock power circuit was triggered to generate a lightning surge voltage, applied to both ends of the test product, and the voltage and current waveform and air blowing arc gap action process recorded. The frequency continuity test circuit was able to have a self-selected phase, and the test was selected in the frequency voltage waveform of the maximum positive half-cycle peak and the maximum negative half-cycle peak moment trigger surge voltage waveform as an example. The waveform diagram is shown in Figure 7. CH1 is the voltage waveform, and CH2 is the current waveform.
5. Calculation of Lightning Strike Trip Rate
5.1. Arc Building Rate
5.2. Lightning Strike Trip Rate
6. Example Analysis
Actual Working Situation
7. Conclusions
- (1)
- The air-blown interrupting gap protection method is a new protection method developed by the authors’ team. The method relies on the arc building process of suppressing the frequency continuation current before the relay protection device operates to reduce the lightning strike trip rate.
- (2)
- Through the simulation software to simulate the arc extinguishing process and the industrial frequency continuity test, an air-blown interrupter gap at 2.5~3 ms reliably extinguished the frequency arc and did not show reignition. Compared with the action time of relay device, the method presented herein has faster action time.
- (3)
- A lightning strike trip rate calculation method is provided under the condition of air-blown arc extinguishing gap with the arc building rate as an important indicator. The installation of the gas blowing arc gap altered the arc-building rate from 37.27% down to about 4.1%, and the lightning trip rate from 8.64 times/(40 thunderstorm days—100 km) down to 0.337 times/(40 thunderstorm days—100 km), a decline of more than 95%. During the year of actual grid operation, the average drop in lightning trips is more than 90%. The effect of reducing the lightning trip rate was significant, and good results were achieved in reducing the lightning trip rate in actual operation.
Author Contributions
Funding
Institutional Review Board Statement
Informed Consent Statement
Data Availability Statement
Conflicts of Interest
References
- Yi, H.; Cui, J. The present state and lightning protection of transmission line in China. High Volt. Technol. 2001, 6, 44–45+50. [Google Scholar]
- Zhen, L. Analysis of the causes of tripping of 10kV lines in agricultural networks. China High-Tech 2022, 3, 29–30. [Google Scholar]
- Chen, J.; Zhao, C.; Gu, S.; Xiang, N.; Wang, Y.; Lei, M. Status quo and development trend of lightning monitoring and protection technology in my country’s power grid. High Volt. Technol. 2016, 42, 3361–3375. [Google Scholar]
- Chen, W.; Sun, Z.; Wang, X.; Li, Q.; Yan, X.; Wang, F.; Li, H.; Wang, S.; Wang, Z.; Zhang, W. Study on Shunt Gap Lightning Protection for 35kV Overhead Transmission Lines. Power Syst. Technol. 2007, 31, 61–65. [Google Scholar]
- Wang, C.; Zhu, L.; Ji, S.; Zhang, Q. Status and development of lightning protection for high-voltage transmission lines and substations. Electr. Porcelain Light. Arrester 2010, 3, 35–46. [Google Scholar]
- Zhang, J.; Jin, M.; Cheng, Y.; Wang, H.; Xu, Y.; Zhang, Z.; Zhang, C.; Gan, P.; Yan, X. Selection of protection angle of lightning arrester for 10 kV insulated overhead lines. Electr. Porcelain Light. Arrester 2019, 2, 84–89. [Google Scholar] [CrossRef]
- Peng, X.; Li, Z.; Li, Z.; Wang, X.; Yu, Z.; He, J. Effect of tower grounding resistance on the lightning protection performance of multiple lines with the same tower. High Volt. Technol. 2011, 37, 3113–3119. [Google Scholar]
- Du, L.; Chen, H.; Chen, S.; Luo, T.; Li, J. Identification Method of shielding Failure and Back Striking for Overhead Transmission Line. High Volt. Eng. 2014, 40, 2885–2893. [Google Scholar]
- Chen, Y.; Lin, K.; Li, Y. Study on protection Effectiveness of Early Streamer Emission Lightning Protection Systems. In Proceedings of the 2017 International Conference on Manufacturing Engineering and Intelligent Materials (ICMEIM 2017), Guangzhou, China, 25–26 February 2017. [Google Scholar]
- Zhang, B.; He, J.; Zeng, R. State of art and prospect of grounding technology in power system. High Volt. Eng. 2015, 41, 2569–2582. [Google Scholar]
- Li, Z.; Chen, W.; Zhang, T.; Dai, M.; Jiang, W.; Wang, C.; Liu, Z. Electrical structure design of lattice composite material tower of 110kV double circuit transmission line. Power Syst. Technol. 2015, 39, 536–542. [Google Scholar]
- He, J.; Liu, J.; Hu, J.; Long, W.-C. Development of ZnO varistors in metal oxide arrestors utilized in Ultra High Voltage System. High Voltage Eng. 2011, 37, 634–643. [Google Scholar]
- Zhou, W.; Zhang, S.; Zhang, L.; Feng, K.; Lin, J.; Wu, K.; Liu, W.; Li, J.; Li, S. Investigation on the Statistical deviation of residual voltage for ZnO—Based varistors under Impulse currents. Insul. Surge Arresters 2020, 1, 16–22. [Google Scholar]
- Ge, D.; Feng, H.; Yuan, L.; Liu, J.; Zhang, C.-X.; Li, H. Experimental research on large power frequency current of parallel gap of insulator strings. High Volt. Eng. 2008, 7, 1499–1503. [Google Scholar]
- Chen, Y.; Wang, J.; Huang, P.; Wang, Y.; Zhang, Y. Arc-extinguishing characteristics of semi-enclosed structures based on theory of positive shock wave reflection. AIP Adv. 2022, 12, 015009. [Google Scholar] [CrossRef]
- Wang, J.; Han, L.; Lu, X.; Li, Z.; Zhang, Q. Research on the development and suppression mechanism of power frequency arc based on the gas blowing arc extinguishing model. Electr. Meas. Instrum. 2021, 58, 104–109. [Google Scholar]
- Mao, C.; Wang, J.; Zhou, Y.; Meng, W.; Han, L. Experimental Research on Power Frequency Freewheeling Interruption and Lightning Impulse of Compression Arc Extinguishing Lightning Protection Device for 10kV Distribution Network. Electr. Meas. Instrum. 2022, 59, 38–44. [Google Scholar]
- Wang, J.; Zhou, X.; Wang, Z.; Li, Z.; Han, L. Simulation optimization of arc suppression by self-energy multi-fracture structure. Power Grid Technol. 2019, 43, 739–745. [Google Scholar]
- He, Q.; Wang, J.; Lu, Y.; Song, Y.; Jia, Z.; Li, H.; Wang, Y.; Zhang, Y. Research on Energy Conversion in the Arc-Extinguishing Process of a Long-Gap Gas Lightning-Protection Device. Energies 2022, 15, 7490. [Google Scholar] [CrossRef]
- Yan, W.; Xiao, C.; Wu, X.; Li, J.; Tang, X.; Yang, F. Calculation of Lightning Trip Rate of 10 kV Distribution Line Based on Lightning Activity Characteristics. High Volt. Technol. 2021, 47, 1118–1127. [Google Scholar]
- Liu, H.; Han, Y.; Chen, C.; Chen, Y.; Cheng, Z.; Li, L. Calculation of Lightning Trip Rate of Distribution Lines and Research on Differentiated Lightning Protection Methods. Electr. Ceram. Surge Arrester 2020, 4, 7–13+26. [Google Scholar]










| Industrial Frequency Current /kA | Arc Extinguishing Time /ms | Arc Extinguishing Success Rate/% |
|---|---|---|
| 0.5 | 2.34 | 76.7 |
| 1.0 | 2.37 | 80.8 |
| Title | Reference Values | Unit |
|---|---|---|
| Line length | 100 | km |
| Annual thunderstorm days | 40 | d |
| Falling lightning density | 0.018 | times/km2·Td |
| Tower inductors | 4.95 | µH |
| Grounding resistance | 25 | Ω |
| Stroke rate | 0.5 | g |
| Insulator length | 0.195 | m |
| Line | Statistics Time | The Number of Lightning Trips | ||
|---|---|---|---|---|
| A | B | C | ||
| P-J Line | 2020.3–2021.3 | 4 | 2 | 3 |
| 2021.3–2022.3 | 0 | 1 | 0 | |
| L-H Line | 2020.3–2021.3 | 2 | 4 | 1 |
| 2021.3–2022.3 | 0 | 0 | 0 | |
| K-L Line | 2020.3–2021.3 | 2 | 3 | 5 |
| 2021.3–2022.3 | 1 | 1 | 0 | |
Disclaimer/Publisher’s Note: The statements, opinions and data contained in all publications are solely those of the individual author(s) and contributor(s) and not of MDPI and/or the editor(s). MDPI and/or the editor(s) disclaim responsibility for any injury to people or property resulting from any ideas, methods, instructions or products referred to in the content. |
© 2023 by the authors. Licensee MDPI, Basel, Switzerland. This article is an open access article distributed under the terms and conditions of the Creative Commons Attribution (CC BY) license (https://creativecommons.org/licenses/by/4.0/).
Share and Cite
Li, H.; Wang, J.; Huang, P.; Guo, K.; Wang, Y. Research on the Effect of an Air-Blown Interrupting Gap to Reduce the Rate of Lightning Tripping. Energies 2023, 16, 1474. https://doi.org/10.3390/en16031474
Li H, Wang J, Huang P, Guo K, Wang Y. Research on the Effect of an Air-Blown Interrupting Gap to Reduce the Rate of Lightning Tripping. Energies. 2023; 16(3):1474. https://doi.org/10.3390/en16031474
Chicago/Turabian StyleLi, Hao, Jufeng Wang, Ping Huang, Kezhu Guo, and Yanlei Wang. 2023. "Research on the Effect of an Air-Blown Interrupting Gap to Reduce the Rate of Lightning Tripping" Energies 16, no. 3: 1474. https://doi.org/10.3390/en16031474
APA StyleLi, H., Wang, J., Huang, P., Guo, K., & Wang, Y. (2023). Research on the Effect of an Air-Blown Interrupting Gap to Reduce the Rate of Lightning Tripping. Energies, 16(3), 1474. https://doi.org/10.3390/en16031474

