Next Article in Journal
Study on the Spatial Characteristics and Spillover Effects of Carbon Emissions in the Yangtze River (Main Stream) Basin
Previous Article in Journal
Simulation and Optimization of Insulation Wall Corner Construction for Ultra-Low Energy Buildings
 
 
Font Type:
Arial Georgia Verdana
Font Size:
Aa Aa Aa
Line Spacing:
Column Width:
Background:
Review

A Critical Review of Current and Future Options for Wind Farm Participation in Ancillary Service Provision

Wind Energy and Control Centre, Department of Electronic and Electrical Engineering, University of Strathclyde, Royal College Building, 204 George St, Glasgow G1 1XW, UK
*
Author to whom correspondence should be addressed.
Energies 2023, 16(3), 1324; https://doi.org/10.3390/en16031324
Submission received: 16 December 2022 / Revised: 19 January 2023 / Accepted: 23 January 2023 / Published: 27 January 2023

Abstract

This paper presents a critical review, from a wind farm control perspective, of different methodologies in the open literature that enable wind farms to participate in ancillary service provision. Firstly, it considers the services currently provided in power systems with high levels of wind generation (specifically, Denmark, Ireland, and Great Britain), reviewing current regulatory frameworks and recommendations. Secondly, it reviews the ancillary service markets that wind farms do not currently participate in, considering the barriers to entry and discussing potential solutions using a proper control-enabled framework. Thirdly, it also considers the future perspective for wind farm participation in ancillary service provision, including a review of the body of published academic research on wind farm participation in ancillary service provision. Finally, this review concludes by suggesting where the gaps are in the academic literature, and subsequently suggests future work. Two examples are the disconnect between the mechanical and farm side approaches with power-system-based modelling, and how much wind farm modelling is very-low-fidelity-omittedkey aspects such as wake effects and component fatigue analysis.

1. Introduction

The use of advanced control for wind farms/turbines for proving ancillary services to the grid has been the subject of several review papers in the last decade [1,2,3,4]. However, because of the rapid changes in climate policies, the subject has seen significant developments in the published literature. Hence, this review provides an updated perspective on the topic, with a focus on published work from the last five years. The scope of this review paper covers any service provided to the grid by wind farms, with a focus on wind farm control level perspectives, covering the following:
  • Mandatory requirements;
  • Market incentivised services;
  • Academic proposals for future contributions;
  • Policy case studies of grids with high levels of wind generation.
This scope does not cover individual turbine-level strategies or power electronic solutions other than where this intersects with farm-level control strategies such as virtual synchronous machines (VSMs). The three grid systems with high levels of wind penetration that will be considered as case studies are Great Britain, Denmark, and the Island of Ireland. Due to the high levels of wind generation in these grids, they can be considered as examples of how other power grids will adapt as they increase their share of generation from wind power. The paper then considers how these grid codes might change in future, focusing mainly on grid code changes for Great Britain, in the view of the recent “Operating Zero Carbon GB in 2025” strategy issued by the British government in several publications [5]. The paper then reviews the existing academic literature for how wind farm control can be used to provide grid support services. By considering novel academic research, possibilities for future provision technologies can be seen as the increase in grid penetration of wind energy necessitates innovative solutions.
The scope of the review was chosen to consider only the academic literature touching the topics of wind farm control, including three level strategies for clusters of wind arrays. This omits research and modelling based solely on single wind turbines. In addition to this, the control systems of turbine-level power electronics are revised at only a basic level.

2. Review of Ancillary Services with Participation of Wind Power

This section mostly focuses on power grids that have a high level of wind generation; this includes the grid codes of the Danish grid (Energinet), the Great Britain grid (National Grid), and the Ireland grid (EirGrid). As these three regions have high levels of wind generation at present, they provide a glimpse of how other power grids might look as wind energy increases rapidly as a source of electricity generation.
Several other papers [6,7,8,9,10,11] compared grid codes of different power systems’ however, due to the rapid technological progress in decarbonising energy grids, and subsequent policy changes, a new review of the updated grid codes is required as the most recent of these was conducted in 2019. This review considers three power grids with high levels of wind energy generation, as their policies and rules are likely to be adapted into other power grids as they increase their wind power penetration.

2.1. Case Study: National Grid

The National Grid code [12] and Guidance Notes for Power Park Modules [13] state that, presently, the requirements on wind parks for providing grid support are in three areas: voltage control, reactive power control, and droop control. The first two of these are provided by the power electronics and so are outside the scope of this paper. For wind farms with a capacity above 50 MW, droop control and frequency support must be provided through different response strategies at the instruction of National Grid. The “limited sensitivity mode” is the default operation of a wind farm [13], but large wind farms are required to switch to frequency sensitive mode when requested.
Figure 1a shows the “limited sensitivity” required frequency droop response of a large wind array as stipulated by National Grid. In this limited sensitivity mode, the wind farm must be curtailed at times where the grid frequency is too high; this mode does not require action when the frequency is too low.
Figure 1b shows the required droop curve when sensitive mode is active. In this mode, the wind farm is required to provide changes in power output at grid frequencies both higher and lower than the normal grid frequency of 50 Hz. The wind farm is required to hold a 10% reserve of power output so that at times of low frequency the power output of the farm can be increased. At the desired grid frequency of 50 Hz, there is a narrow deadband of 50 ± 0.015 Hz where no droop action is required.
A more detailed analysis of how the wind farm operators abide by the rules of NG is discussed in [5], so only a brief summary is provided here. In situations of high grid frequency, the response of the wind farm is provided relative to the power output of the wind farm at the time when the grid first exceeds the upper frequency threshold of 50.015 Hz. This locks the set-point of the wind farm until the frequency moves back below 50.015 Hz, regardless of changes in the wind speed at the wind farm. This paper notes that this can lead to large steps in power when the wind farm is released from the lock, which has undesirable impacts on both the wind turbines and the grid, which is an area where the policy should be reviewed as this is undesirable for all stakeholders. Ref. [5] suggests that Delta control could be a way to mitigate this issue. Delta control is the strategy of curtailing by a set amount, usually 10% of available power, to ensure a generating unit has a reserve of power that it can deliver in the event of a deviation of grid frequency. This would be a far more beneficial approach as the level of reserve is held in relation to the level of power available across a wind farm, so would be adjusted if there was a significant change in the wind speed, including allowing more power generation if the wind speed increases.

2.2. Case Study: EirGrid

The Irish grid code has similar requirements to the GB grid code for how a wind plant should provide droop control [14], with wind farms able to operate in both sensitive and nonsensitive modes.
Figure 2a,b show the required droop curves for times when the wind farm is not in sensitive mode and where the frequency of the grid is either very low or very high, respectively. It can be seen that if taken as a combined strategy, this would constitute a mandated droop control with a very wide deadband.
Figure 3 shows the droop curve for when a wind farm is in sensitive mode. The grid code stipulates that the minimum reserve in frequency sensitive mode is 5% reserve. It can be seen that, just as in the GB grid, there is a narrow deadband of frequencies where no action is taken.

2.3. Case Study: Energinet

The Danish grid [15] has a set of rules for a nonsensitive mode and a sensitive mode for droop control. As in the GB grid code, there is a requirement that generators must curtail their power output at times of very high grid frequency.
Figure 4 shows the requirements for droop control at high grid frequencies. As with the GB grid code and the island of Ireland grid code, this requirement is always stipulated due to the essential requirement to balance supply and demand with a power grid. This is required for all grid-connected wind turbines and wind farms.
Figure 5 shows the droop control frequency strategies for sensitive mode operation as stipulated by the Danish grid code [15]. In this mode, the wind plant must have the ability to set the values of the frequencies ( f m i n , f m a x , f 1 to f 7 ) shown in Figure 5 to any values between 47 and 52 Hz. The grid code states that the reasoning behind this is so that the droop curve can be changed to produce different curves as required to improve power stability. It also states that “In case of grid frequencies above f 5 , upward regulation of the wind power plant cannot be commenced until the grid frequency is lower than f 7 ”. This is only a grid requirement for wind farms with a rating higher than 25 MW.

2.4. Discussion

In each of these three case studies, there is either a requirement or an allowance for wind farms to participate in grid support through droop control responses. All three grids have similar rules where there are mandatory rules for extreme events such as overfrequency that will always require some form of droop controller. It can also be seen that each of the codes requires a similar frequency-sensitive approach where the wind farm does not have to change its power output within a narrow deadband near to the desired grid frequency. However, the Danish grid has far more strict requirements for large wind plants, which gives an idea of where the Irish and GB grid codes could develop further in the future. These codes are likely to require further development over the next five years as more nonsynchronous generation is added into the energy mix. This can still require developments in Denmark as it is supported by synchronous connection to Germany in its western continental grid and to Sweden in its eastern grid. This connection to other power grids provides Denmark with synchronous generation that can support its grid. While the future design of power systems is uncertain, some ideas of how they could develop are provided by considering the academic literature. A key area where the grid codes will need to developed is in inertial response from wind farms. It seems likely that this will be mandated for wind in the future due to the wealth of proposals for how wind farms can provide inertial response in the academic literature. These ideas are extensively covered in Section 4, Section 5, Section 6 and Section 7 of this paper. Section 4 details how virtual synchronous machines can be used as a method for providing grid support from a wind farm.
In Section 5, wind farm set-point power tracking for wind farms is reviewed. Building on Section 5, Section 6 discusses farm-level optimisation approaches for controlling wind farms. The utilisation of stored energy that already exists in the current hardware, such as rotor inertia or capacitance in an HVDC cable, is reviewed in Section 7.
Finally, Section 8 presents approaches that do not fit easily into any other category.

3. Review of Ancillary Services without Participation of Wind Power

3.1. Black Start

Wind farms do not currently provide black start capability. A National Grid report [16] notes large wind arrays’ “inability to self start” and wind energy being “grid following” rather than “grid forming” as specific weaknesses. It does, however, suggest that large wind energy arrays have strengths in supporting the latter stages of any restart, stating that “Large wind sites are a good supporting asset for network restoration as the majority of the sites can latch onto a grid signal and then provide balancing services, reactive power and frequency control”. The report proposes that energy storage could be used to provide enough power to restart a wind farm following a blackout, suggesting that energy storage of 5 to 10% of the farm’s nameplate capacity would be required to accommodate black start capability. It continues on to suggest that the level of storage could be reduced if the farm was restarted in stages, allowing for the restarted turbine’s power to be used to restart other areas of a wind farm. It is clear that any black start approach by a wind farm would require additional hardware, such as a backup generator or battery storage, without much scope for wind farm control strategies.

3.2. Inertial Response

Since wind turbines are decoupled from the grid through their power electronics, they do not naturally provide an inertial response. Small-scale studies show that wind turbines could provide fast frequency response close to inertial timescales through a change in the algorithms used in the power electronic converters. It should be noted that the converters are not directly contributing inertia, but are providing a fast power change that has an equivalent impact on providing inertia.

3.3. Future Participation

There has been a focus on the impact of the changing makeup of energy generation in the GB power system. For example, ref. [5] considered how a zero-carbon grid with limited levels of inertia can still have a stable frequency. It was found that events with a lower rate of change of frequency (RoCoF) (up to 0.125 Hz/s) can be contained with present measures. However, these measures are insufficient for events of greater magnitude, becoming inadequate for events with higher rate of change of frequency (0.5 Hz/s). In the specific context of wind energy, the paper notes that wind can currently participate in dynamic primary, secondary, and high-frequency response via the mandatory frequency response (MFR) market. It suggests that wind energy can provide dynamic moderation and containment services in the future but that this will only be the case at times of high wind resource, implying that energy storage will be required for offering an all-time solution.

3.4. Discussion

There are several areas of ancillary service provision in which wind farms do not currently participate. This is primarily the result of technical barriers based around the present design of wind turbines, which requires decoupling of the turbine generator from the grid. However, this barrier can be overcome with innovation, and this will likely need to happen in the next decade as the grid is decarbonised and asynchronous energy source begins to dominate generation. Through innovation, grid support can be provided in part from existing hardware without the requirement of large amounts of new expensive equipment such as batteries needing to be added into power systems. These potential innovations are detailed in the remainder of this paper, which considers novel academic research.

4. Virtual Synchronous Machines

A virtual synchronous machine (VSM) is a control algorithm for a power inverter that emulates the grid-supporting properties of a traditional synchronous generator.
A comprehensive assessment of virtual synchronous machine algorithms is detailed in [17]. The paper breaks the approaches used in VSM down into two groups: high- and low-order VSM algorithms. The high-order algorithms are based on models of synchronous machines with complexity of greater than second order, whereas the lower-order algorithms are based on either second-order models or a droop-control-based approach. Some models require an external energy storage in the system, whereas others do not. The higher-order models generally try to mimic the inertial behaviour of a synchronous machine, whereas the lower-order approaches only mimic the droop control mechanism based on the swing equation.
Ref. [18] discusses the mechanism for how VSMs work in the specific context of uses with wind turbine in the case of DFIG turbines and type 4 turbines (turbines that pass all of their output power through one back-to-back converter) that are decoupled from the grid through their power electronics. The paper suggests that the inclusion of energy storage improves the inertial response of wind turbine in below rated conditions for the type 4 case of turbines.
A trial inclusion of applying grid-forming converters to a wind farm to study the impacts that they could on have contributing to grid stability is presented in [19]. The study shows that small extractions of power for inertia do not have a noticeable effect on the wind turbines, but they did show that there would be a noticeable impact in a synthetic event with a large change in frequency.
It is clear from the academic literature that VSMs can provide a method of grid support but are usually considered at the wind turbine level; hence, further discussion is outside the scope of this review.

5. Wind Farm Set-Point Power Control

Wind farm set-point control is the method of having a wind farm output a desired power output. This is usually achieved by having a central wind farm controller that distributes either turbine-level power set-points or reductions in power to each wind turbine in a farm so that the desired power output is achieved.
The research from the University of Strathclyde considers a decentralised hierarchical two-level approach based on the method detailed in [20,21]. This method allocates reductions in power to the turbines based on binary flags sent from the turbines to a central controller which distributes changes in power to each of the wind turbines within a wind farm. These power changes are then implemented through a power-adjusting controller (PAC), as described in [21,22]. This farm level controller architecture can be seen in Figure 6.
The PAC is designed so that it can be fitted to any wind turbine, including retroactively, in order to enable any wind turbine to vary its power output flexibly and dynamically, including for the purposes of curtailment. The PAC implements changes in power through increments to the demanded generator torque. Where possible, changes in rotor speed caused by the increments in torque are ameliorated through increments in the pitch angle. Any remaining induced change to the rotor speed is input as a negative increment on the measured rotor speed, hence preventing the turbine controller from taking action to countermand the action of the PAC. The PAC is an augmentation to a wind turbine’s controller that is predominantly feedforward in nature, with minimal feedback around the turbine controller. As such, the feedforward gain of the wind turbine controller is unaffected by the presence of the PAC, and so performance of the controller is unaffected. The advantage of the PAC approach is that when requesting a reduction from the uncurtailed power, it maintains the generator speed at the same value, which means that curtailment is unlikely to excite any structural modes in the wind turbine. The PAC keeps all the wind turbines in a safe operational envelope through a system of flags which signal how far from the uncurtailed operational strategy the wind turbine is.
This PAC-based wind farm control approach is expanded on in [23], which details wind farm dispatch strategies to reduce turbine component fatigue. These strategies are also shown to be effective at reducing fatigue in a delta control curtailment [24].
A closed-loop approach of active power control at the wind farm level is presented in [25]. The paper shows an improved power tracking at the farm level in a disturbance through the presented method. However, whilst this work is interesting and is a useful first look at this issue, the turbine models used are simple second-order transfer models and so might not be representative of an actual turbine.
The research presented in [26] proposes an algorithm for a cluster of wind farms to control active and reactive power outputs with a two-level approach. The upper-level algorithm distributes active and reactive power set-points between the wind farms, and the lower-level algorithm at the wind farm level distributes power set-points amongst the wind turbines to achieve the active and reactive power set-points using a model-predictive-control approach. The paper shows, in a case study, that the point of connection voltage can be controlled using this approach. This is important as this controllability of power output is the underlying mechanism through which ancillary services such as synthetic inertial responses and droop control can be provided from a wind farm.
A three-layer approach (similar to [26]) using nonlinear model-predictive control for providing a frequency response from a wind farm is presented in [27]. The highest layer calculates a change to the farm active power reference to provide a proportionate frequency response. This change in power reference is then distributed amongst the wind turbines using a nonlinear model-predictive control approach through the use of a cost function. The lowest level of control is the turbine-level controllers where the change in power is implemented. The paper shows that the algorithm is effective but does not consider factors such as wake effects or structural fatigue in its analysis.
An active power dispatch algorithm for a wind farm to provide grid frequency regulation while also considering fatigue loads is considered in [28]. It achieves this through an optimisation-based approach based on a cost function which minimises variation of shaft torque and thrust forces of the wind turbines. While the results show a decrease in damage-equivalent loads, only one wind speed was used in the case studies, so these results might not be representative and a full validation should be performed to prove that this method works over a range of wind speeds, turbulences, and wind directions.
In [29], an open-loop wind farm controller is used to provide active power control to a set-point value provided by the transmission system operator (TSO). As the wind farm is providing frequency support, it is necessary to maintain a level of reserve power. The requested curtailment of the wind farm as a whole is regulated by a PI controller, with the total amount of curtailment distributed around the wind farm equally. Each turbine in the wind farm feeds its available power back to the WFC, which feeds the total to the TSO. Each wind turbine in the wind farm has a separate PI controller used to track local power demand. There is a provision for curtailment to be redistributed when individual turbines cannot reach the local requested level of curtailment. The main goal of the paper is to expand the model to work in a high waking environment. The model for a wind farm controller is tested in SOWFA (Simulator for Wind Farm Applications) in a 12 m/s windfield using the NREL (National Renewable Energy Laboratory) 5 MW reference model for a three-by-three wind farm arrangement: firstly with derating allocated at 50% across all of the wind turbines, and again but with deratings of 80% for the first row of wind turbines, 50% for the next row, and 20% for the third. The results show that the controller in both scenarios reduces RMS error and improves CAISO (California Independent System Operator) accuracy score (a requirement in California for ancillary service payments). However, both approaches generally show an increase in damage-equivalent loadings in the tower fore-aft and out-of-plane bending moments, with the 80–50–20 approach generally resulting in higher loads than the 50% approach. The paper does not explicitly state which approach it uses for curtailing the turbines; however, it does cite appropriate methods from the literature.

6. Optimisation-Based Dispatch Algorithms

The design of optimisation functions to distribute active power set-points across wind farms has become a popular topic in recent years. These approaches use cost-function-based approaches to find an optimal farm-wide operation rater than only considering the turbine level. In the literature, a variety of criteria are used in the cost function, depending on the goal of the model.
A three-layer approach (with a similar farm approach to [26,30]) to dispatch active power set-points across a wind farm is used in the research shown in [31]. This approach considers the wind farm as a series of clusters of wind turbines and considers the operational state of the turbines within these clusters when allocating the turbine-level power set-points. The results show that this yields a more stable accurate power generation at the farm level compared to an approach of derating the turbines at the turbine level. The approach shown in [32] also considers a three-layer approach to dispatch active power set-points across a wind farm using a receding horizon distribution strategy to improve the wind farm power tracking error and transmission loss. The paper discusses the practicality of implementing this strategy on an actual wind farm, stating that in practice it would need to operate at a time step of over 1 s rather than the simulated time step of the order of microseconds.
The research presented in [33] considers optimisation strategies for maximising farm power while maintaining kinetic stored energy, maximising stored kinetic energy while maintaining power output, and maximising stored kinetic energy while deloading by a preset amount. As with other approaches in this area, this paper does not include a dynamic wake model so might not be as effective in a real-world environment.
Ref. [34] considers an optimisation strategy based on the clustering of wind turbines with similar wind profiles with the aim of improving frequency support in a similar vein to [35]. The paper considers the method of switching between different wind farm operating strategies to maximise injected power stored as kinetic rotational energy in the turbines for frequency support. The three modes considered are maximising total power output, maximising stored kinetic energy while deloading, and minimising stored kinetic energy with nearly maximum power output. The paper shows an improvement in inertial grid response in a case study. While this approach does show improvement, it does not include a dynamic wake model which, when included, could see these improvements diminish or disappear, as the meandering effect of the wakes has been found to impact other research strategies with similar methodologies [36].
The approach shown in [37] is similar to [34,35], considering an optimisation-based approach to providing a variable droop strategy considering stored kinetic energy in turbine rotors. The paper shows that through the optimisation and adaption of the droop coefficient, more energy could be released when needed for grid support. As with other papers in this area, a static wind field including wakes was used, so these results might not be reproducible in a dynamic wind field simulation.
The research presented in [35] considers an optimisation algorithm for allocating active power set-points with a cluster of wind turbines using a model-predictive approach for improving power output stability and frequency support provision. The paper shows that the algorithm is effective but notes that further work could be required to improve solving times and eliminating disturbances.
The approach presented in [38] considers two optimisation function approaches for active power dispatch in a wind farm to reduce fatigue loads of the turbines. While these approaches are based on minimising the standard deviation of turbine bending moments (which is known to be an inaccurate approach [36]), the paper does acknowledge this and uses a modified approach to mitigate this flaw The results show that the two strategies result in lower levels of fatigue while approximately tracking a power set-point. However, the results shown only represent a single simulation without wake effects or variations in global turbulence at the farm level considered, so further work would be required to ensure that the approach is generalisable for a range of scenarios and at different scales.
Fatigue modelling using the NREL 5 MW wind turbine is shown in [39] for a wind farm comprising five wind turbines curtailed to 10 MW. A baseline was set of curtailing the power output to 2 MW. A wind farm controller was then implemented to control the power output using a linear–quadratic–Gaussian control optimisation strategy to allocate set-points across the wind farm based on the thrust at each wind turbine, reasoning that variations in the tower moment are mostly the result of variation in the thrust force. The result is that the total power output from the wind farm is maintained at 10 MW but the average reduction in fatigue load is 35%. With the level of curtailment used in this paper, there is a large scope for optimising for the minimisation of fatigue, so a large improvement in the level of fatigue would be expected. It would be interesting to see the impact that this approach would have in a more realistic curtailment environment such as a delta curtailment of 10% or following a set-point which is much higher than the one used. The model used does not account for wakes within the farm, which is a significant omission as wakes can have a large impact on the damage-equivalent loads in the wind farm.
The use of the partial derivative of load with respect to reference power in order to reduce the fatigue across a wind farm is considered by [40]. The wind farm control architecture used is one where most of the control is decentralised to the wind farm level with each turbine’s generator torque reference and pitch reference being controlled at this level. Using measurements from the wind turbines, the turbine level controller sends a partial derivative of the structural loads with respect to the power reference to the wind farm controller, which sends back a power reference. These power references are found through the use of an optimisation at the wind turbine level which finds the optimal set of power references for the wind farm to produce a requested farm-wide-level power total while also minimising the damage-equivalent loads of the turbines. The paper does not discuss the computational time required by the optimisation process, and the paper also fails to mention the turbulence intensity of the wind field used, which makes it difficult to draw concrete conclusions from the results presented.

7. Stored-Energy-Based Solutions

This section reviews the academic literature detailing the use of existing energy stored within a wind farm for ancillary service provision.
It is useful, first, to consider some of the different types of frequency response that are typically delivered following a large grid frequency event, as shown in Figure 7. The grid frequency is determined by the balance of generation and demand, with frequency increasing when generation is greater than demand and decreasing when the reverse is true, i.e., when demand is greater than generation. In an event of this kind, historically, the initial change in system frequency is dominated by the size of the power imbalance and by the inertia of the large mechanical inertia of synchronous generators, which are electromagnetically linked to the grid and so rotate at grid frequency. As large offshore arrays are decoupled from the grid due to the power being transported by HVDC links, they cannot directly provide inertia in this way. Hence, the topic of how HVDC-connected wind power can be used for the provision of synthetic inertia is an active area for research.
Frequency events such as the one shown in Figure 7 are not common, with the National Grid’s Frequency Risk and Control Report [42] describing frequencies between 49.2 Hz and 49.5 Hz as happening infrequently, and conditions of frequencies less than 49.2 Hz as being not often tested in real-world conditions. As large grid frequency deviations are not common, particularly of the magnitude seen in Figure 7, but must be corrected urgently, wind turbine loads are considered to be less important than maintaining grid stability. This urgency is necessary, as if a blackout occurs it is often disastrous due to society’s dependence on electricity and the difficulty of a black start, and will also be far more expensive than the cost of a slight increase in fatigue.
The response of the wind farm can be broken down into two parts: control of the wind turbines and control of the HVDC.
In the event that inertial response is required, wind turbines can temporarily increase their power output above the steady-state power taken from the wind as there is some energy stored in the rotational inertia of each wind turbine’s rotor. The amount of energy in the rotor is given by:
E = 1 2 J ω 2
where E is the energy stored in the rotor, J is the inertia of the rotor, and ω is the rotational speed of the rotor. Energy stored in the rotational inertia is often considered for very fast responses where a rapid increase in power is required. After the inertia of the wind turbine’s rotor has been used, the wind turbines must be derated briefly in order to return the generator speed to its standard operating value as the inertia of the rotor is restored.
An approach for utilising the stored kinetic energy in the rotors of DFIG turbines is presented in [43], with results shown for a wind farm over a range of wind speed conditions. The aforementioned power-adjusting controller (PAC) and hierarchical structure [21] were used to provide ancillary services in [44]; specifically, a wind farm controller was developed that provides droop control and synthetic inertia. The controller is capable of providing both droop and synthetic inertia simultaneously or either response individually. When providing synthetic inertia, the usual limits on rate of change of power from the PAC are suspended to enable an appropriately fast response. Built-in safety measures in the PAC ensure that operation is kept with a safe operational envelope defined by the control designer. The controller accounts for turbine availability within the wind farm and, if the requested change in power exceeds that which is available, the maximum available response is provided. The droop controller is similar to that initially proposed in [45], incorporating a deadband as per the National Grid standards described in Section 2.1. The droop controller described does not consider the wind farm as a whole, but each turbine in the farm instead provides a droop response individually. There is scope for this work to be expanded to account for alternative distributed control approaches such as the method described in [24], which demonstrates that a distributed control approach can greatly reduce the damage-equivalent loads on the wind turbines. Further work by the same research group demonstrated the implementation of a dispatch algorithm for holding sufficient reserve in a wind farm so that it can provide a 30 s primary response if required [46]. There was a significant reduction in the fatigue loads on the wind turbine structural components; however, this was coupled with a reduction in energy capture.
A novel approach is presented in [47], which suggests using the energy stored in the HVDC link and also the rotational inertia of the wind turbines in order to provide frequency response. The model used is a simplified version of an HVDC connection with resistance in the cable and higher-order dynamics neglected. In this simplified model, the rate of change of the DC link voltage can be found from the difference between the current at the wind farm side and the grid side. Using the energy stored in the HVDC link has the advantage of being a quick way of bringing increased amounts of power into the grid when required, with the amount of energy stored in the link given by:
E D C ( t ) = 1 2 C V D C ( t ) 2
and the power extracted from it given by:
P ( t ) = C V D C ( t ) d d t V D C ( t )
Three methods are presented to provide frequency support to the grid using an HVDC-connected wind farm. The first is to only change the power output of the wind farm considering a communication lag to account for the signal moving from the grid-side converter to either the wind turbines or a wind farm controller. The second is to use the energy stored in the HVDC link using the grid voltage at the point of common coupling (PCC). The limit of this approach is the capacitance of the DC link which can be expensive to scale. The third is a combination of the first two approaches. The proposed approach is that very-high-frequency responses can be provided from the stored capacitance in the cable, whereas lower-frequency responses can be provided using wind farm control. While the paper omits fatigue loads modelling of the wind turbines, the proposed strategy could potentially result in reduced fatigue on the wind farm as the proposed method would reduce changes in the wind farm power output, resulting in less fatigue. The paper discusses the trade-off between the capacitance of the DC link and the time constant, which is used to approximately separate the response of the DC link and the wind farm. This proposed controller infrastructure can be seen in Figure 8.

Generator Response Following

While virtual synchronous machines can allow for provision of frequency response at the wind turbine level, they cannot be used as effectively in large offshore arrays, which are often decoupled from the grid through long HVDC cables. While the research in this area has assumed that the generation source is wind, it does not include a full wind farm model, instead approximating output through an estimated farm power curve.
A novel method of providing frequency support from an HVDC-connected wind farm is presented by [48] through the use of a concept called generator response following. Generator response following utilises a small synchronous generator connected to the grid at the same point of common coupling (PCC) as the HVDC link. The synchronous generator is used as a sensor to provide information on the grid frequency. Hence, the wind farm is controlled to emulate response of the synchronous generator. The paper suggests that as the wind farm is emulating the response of the synchronous generator it could also mimic its load sharing, which would allow the wind farm to be curtailed to allow for a level of spinning reserve in a way that matches the grid frequency.
Two communication schemes are proposed, as shown in Figure 9, with one using a direct line of communication from the synchronous generator and the other using changes in the voltage of the HVDC link to change the frequency reference of the wind farm side VSC which then changes the offshore grid frequency, which can be used by the wind turbine converters as a signal to increase power output. The idea behind the signal from the synchronous generator is to send a request for a fast inertial response from the wind turbine, whereas the communication-less approach is for inertial frequency support. The paper considers two approaches based on differing sizes of deadband. The results show that having a narrow deadband for frequency with a shallower slope results in improved operation in normal conditions, but that having a wider deadband with a steeper gradient is better in fault conditions. The paper uses a model with a small synchronous generator that has one quarter of the capacity of the wind farm and subsequent HVDC link, but suggests that five percent of the size should be sufficient, or even another approach without a synchronous machine, but notes that this would lead to a weaker response. Further work is needed in this concept as it decouples the wind turbines from the offshore grid using a back-to-back converter with the assumption that the wind turbines can provide sufficient power.
Further work in this area is shown in [49], expanding on [48], by considering a large synchronous generator communicating the information to a large offshore wind farm of a similar rating. This paper considers a more wind-farm-based approach as it considers how the turbines would need to be derated in order to have some capacity to increase power output when required. The additional consideration here is that a conventional synchronous generator that already exists can be used for obtaining the information for the wind farm as long as it is connected near the PCC of the wind farm, which will make the implementation of this more cost-effective. The paper suggests that this would be beneficial for load balancing for times when the wind farm cannot produce a sufficient amount of wind. The proposed approach is one which considers both frequency support and also voltage support with the frequency support being provided through wind turbine control and the voltage support by the onshore HVDC converter. This echoes other papers’ ideas that the energy stored in the HVDC link can be utilised for services which are required on electrical time steps and that the wind farm can provide the support for the slower requirements. The frequency support approach is similar to the others discussed, using the frequency of the synchronous generator as a signal to the wind farm generators to change their power output to provide frequency response. The provision of voltage support is supplied by using the synchronous generator. It performs this by estimating the voltage and reactive power at the synchronous generator and then used by the HVDC converter on a per-unit basis to emulate the output of the synchronous generator by changing the reactive power set-point of the converter. The approach used considers the wind turbines only electrically, so this approach does not provide any information about the impact on wind farm damage-equivalent loads.
This research theme is continued in [50] by considering how a wind farm with wind turbines equipped with PACs (discussed in Section 5 and detailed in [21]) can be included in a GRF concept while also (similarly to [47]) considering the energy stored in the capacitance of the HVDC connection cabling for a rapid response. Despite considering how the turbine can provide an increase in power output when required, this paper also assumes this power rather than considering how this power increase would impact the turbines.
The research presented in [51] considers a model for controlling the grid frequency of a wind farm connected to a conventional generator, including a control system to make the wind farm aware of power variations. The paper focuses on the development of an optimisation-based approach for a multiobjective function using a particle swarm optimisation algorithm to find the tuning parameters for this signal of active power variation fed to the wind farm. The paper shows that the proposed approach has positive results but only in a single simulation case study. While this is not exactly the same as GRF, it is a similar approach, which shows that the concept has potential for further development.

8. Other Approaches

Ref. [52] considers a three-level approach to dispatch active power set-points across a wind farm based on the fuzzy c-means clustering algorithm and model-predictive-control method. The paper shows that the proposed approach is effective when compared to a proportional curtailment at the lower layer. The paper also includes a robustness analysis for the results. However, it does acknowledge several limitations in the modelling such as the models being simple first-order systems and requiring shorter controller time steps. It also states that for an industrial implementation, further modelling including wake effects, wind conditions, and load conditions would be required. The method shown in [53] considers an algorithm for derating wind turbines to maximise the amount of power the wind farm has in reserve for the purpose of ancillary service provision. Similar to other approaches, which aim to maximise the total power output, it achieves this by reducing the power output from the wind turbines which are in the front row more than those in subsequent rows. Hence, the wake effects downwind are reduced, meaning that the downstream wind speeds are increased and so more power is available. The levels of curtailment considered in scenario 1 are very high as scenario 1 considers a set-point power of 20 MW compared to an uncurtailed power output of 48 MW. In the case of scenario 3, the level of curtailment is lower but the improvement in total power is smaller. When the wind direction is varied, there is a large change in the increase of potential power, with scenario 3 at times having no improvement. This paper considers wake effects in a quasi-static wind field, and other research in this area shows that when turbulence is introduced into the model, increases in power output are likely to disappear [36]. When the prevailing direction of the wind changes even slightly, the potential power could be liable to change. In practice, wakes have a tendency to meander as they propagate through the wind farm, which would make it difficult to know what the optimum allocation of set-points would be. This paper does not consider damage-equivalent loads or fatigue, but suggests it as a future area of research.

9. Discussion

It is clear that the present grid codes of even the most wind-penetrated power grids will need to be developed further in the near term as wind energy increasingly dominates generation in high-resource areas. These advancements will likely be driven by the pipeline of innovation from academia to deployment; hence, by reviewing the present academic literature, it can be seen that the existing grid codes are likely to increasingly require inertial provision from wind farms in addition to the present requirements to provide droop control. The exact mechanism of how this inertial response will be provided remains to be seen, as there are a range of proposals in the academic literature covering areas from virtual synchronous machines to provision from novel communication topographies, to allow dispatch from existing energy stored in the current hardware found in wind farms, and there is also a wealth ofnovel wind farm control strategies. Due to the need to rapidly decarbonise in response to the climate crisis, it is likely that many of these areas will be deployed in the next decade to facilitate a higher level of supply not just from wind farms but also from other nonsynchronous renewable resources such as wave energy or solar power. There could also be further changes in market incentives on wind farms. Previously, governments and grid operators wanted to incentivise the maximum amount of renewable generation possible to combat climate change; as grids become decarbonised, these incentives may need to change further to prioritise stability and ancillary service provision. This will need to be carried out in a careful way to not stifle innovation, by preventing the implementation of novel approaches, while also ensuring that the grid has as little fossil-fuel-based generation as possible.

9.1. Structural Modelling

Much of the research in the wind farm control modelling for ancillary service provision neglects structural loading. There is a clear disconnect between the modelling focusing on the power system integration aspect of the modelling and the research looking at fatigue modelling. This disconnect should be addressed, as droop provision could require the power output of a wind farm to change in response to maintain frequency stability. This variation could increase wind turbine component fatigue.

9.2. Farm Size Consideration

The presented research in this review covers a range of sizes of wind farms. Much of the research on smaller wind farms only presents a single simulation case. While this can show an indicative example of a control strategy efficacy, a single simulation cannot fully account for the range of conditions seen when accounting for wake meandering. There is a clear gap in the literature for an exercise in quantifying the uncertainty of any single simulation. This would require a comprehensive validation exercise simulating a vast number of conditions to have a mathematically sound quantification of the inherent uncertainty.

9.3. HVDC vs. AC Connection

Much of the research seen in the literature assumes an AC grid connection, as in cases where an HVDC link is used there is a requirement for additional communication pathways due to the decoupling of the HVDC connection. This would incur additional costs, but as wind farms are increasingly being located far offshore, they require a HVDC link. This would also be required in cases where the HVDC link exists and communication pathways need to be retrofitted.

10. Conclusions

From this review, it is clear that there is a comprehensive amount of high-quality research on wind farm participation in ancillary service provision. This research covers a wide range of perspectives such as power system modelling, control-based approaches, and fatigue modelling. However, most of the research is in a singular research area and ignores or negates the other areas of the modelling. While it has been shown that wind farms can provide certain services, such as frequency regulation to a grid, the impact of this provision on the fatigue of a wind farm has not been modelled in a simulation that also shows that the provision is actually contributing to the grid stability effectively. There is a clear disconnect between the two approaches to research in this area, between research that is based on a power systems approach and either neglects or simplifies the structural impact on the wind turbines, and research that is based on the structural modelling of the wind turbines and assumes or neglects the power system model. Hence, there is a significant gap in the academic literature regarding how the provision of ancillary service from a wind farm impacts fatigue loads in a dynamic model.

Author Contributions

All authors have made an important contribution to the creation of this paper. Conceptualization, M.C., D.C.-G. and A.S.; methodology, M.C., D.C.-G., A.S. and M.N.; formal analysis, M.C.; investigation, M.C.; writing—original draft preparation, M.C.; writing—review and editing, M.C., D.C.-G., A.S. and M.N.; supervision, D.C.-G. and A.S.; project administration, D.C.-G. and A.S.; funding acquisition, A.S. All authors have read and agreed to the published version of the manuscript.

Funding

This research project was supported by Offshore Renewable Energy Catapult.

Acknowledgments

We would like to thank Offshore Renewable Energy Catapult and the University of Strathclyde for funding this research.

Conflicts of Interest

The authors declare no conflict of interest.

References

  1. Attya, A.; Dominguez-Garcia, J.; Anaya-Lara, O. A review on frequency support provision by wind power plants: Current and future challenges. Renew. Sustain. Energy Rev. 2018, 81, 2071–2087. [Google Scholar] [CrossRef]
  2. Sonkar, P.; Rahi, O. Contribution of wind power plants in grid frequency regulation: Current perspective and future challenges. Wind Eng. 2020, 45, 442–456. [Google Scholar] [CrossRef]
  3. Wang, Z.; Wong, K.P.; Choi, S.; Gan, D.; Zong, Y. 1—An overview of codes and control strategies for frequency regulation in wind power generation. In Smart Power Distribution Systems; Yang, Q., Yang, T., Li, W., Eds.; Academic Press: London, UK, 2019; pp. 3–20. [Google Scholar] [CrossRef]
  4. Karbouj, H.; Rather, Z.H.; Flynn, D.; Qazi, H.W. Non-synchronous fast frequency reserves in renewable energy integrated power systems: A critical review. Int. J. Electr. Power Energy Syst. 2019, 106, 488–501. [Google Scholar] [CrossRef]
  5. Nedd, M.; Browell, J.; Egea-Alvarez, A.; Bell, K.; Hamilton, R.; Wang, S.; Brush, S. Operating a Zero Carbon GB Power System in 2025: Frequency and Fault Current [Annexes—Review of System and Network Issues, Frequency Stability, Power Electronic Devices and Fault Current, & Market Needs]; University of Strathclyde: Glasgow, UK, 2020. [Google Scholar] [CrossRef]
  6. Nycander, E.; Söder, L. Review of European Grid Codes for Wind Farms and Their Implications for Wind Power Curtailments. In Proceedings of the 17th International Wind Integration Workshop, Stockholm, Sweden, 17–19 October 2018. [Google Scholar]
  7. Altın, M.; Göksu, Ö.; Teodorescu, R.; Rodriguez, P.; Jensen, B.B.; Helle, L. Overview of recent grid codes for wind power integration. In Proceedings of the 2010 12th International Conference on Optimization of Electrical and Electronic Equipment, Brasov, Romania, 20–22 May 2010; pp. 1152–1160. [Google Scholar] [CrossRef]
  8. Mohseni, M.; Islam, S.M. Review of international grid codes for wind power integration: Diversity, technology and a case for global standard. Renew. Sustain. Energy Rev. 2012, 16, 3876–3890. [Google Scholar] [CrossRef]
  9. Díaz-González, F.; Hau, M.; Sumper, A.; Gomis-Bellmunt, O. Participation of wind power plants in system frequency control: Review of grid code requirements and control methods. Renew. Sustain. Energy Rev. 2014, 34, 551–564. [Google Scholar] [CrossRef]
  10. Bhawalkar, M.P.; Gopalakrishnan, N.; Nerkar, Y.P. A Review of Indian Grid Codes for Wind Power Generation. J. Inst. Eng. (India) Ser. B 2019, 100, 609–617. [Google Scholar] [CrossRef]
  11. Zhang, Y.; Duan, Z.; Liu, X. Comparison of Grid Code Requirements with Wind Turbine in China and Europe. In Proceedings of the 2010 Asia-Pacific Power and Energy Engineering Conference, Chengdu, China, 28–31 March 2010; pp. 1–4. [Google Scholar] [CrossRef]
  12. Grid, N. The Grid Code, Issue 5, Revision 38; National Grid, [Online]. 2019. Available online: https://www.nationalgrideso.com/document/33821/download (accessed on 22 January 2023).
  13. Grid, N. Guidance Notes for Power Park Modules; National Grid, [Online]. 2019. Available online: https://www.nationalgrideso.com/document/34031/download (accessed on 22 January 2023).
  14. EirGrid. EirGrid Grid Code Version 10; EirGrid, [Online]. 2021. Available online: https://www.eirgridgroup.com/site-files/library/EirGrid/MPID289_GC10-Green-Line-Version.pdf (accessed on 22 January 2023).
  15. Energinet. Technical Regulation 3.2.5 for Wind Power Plants above 11 kW; Energinet, [Online]. 2017. Available online: https://en.energinet.dk/media/3h4fzmqb/technical-regulation-325-for-wind-power-plants-above-11-kw-revision-4.pdf (accessed on 22 January 2023).
  16. Grid, N. Black Start from Non-Traditional Generation Technologies; Technical report; National Grid, [Online]. 2019. Available online: https://www.nationalgrideso.com/document/148201/download#:~:text=Black%20Start%20is%20the%20process,a%20partial%20or%20total%20shutdown. (accessed on 22 January 2023).
  17. Alsiraji, H.A.; El-Shatshat, R. Comprehensive assessment of virtual synchronous machine based voltage source converter controllers. IET Gener. Transm. Distrib. 2017, 11, 1762–1769. [Google Scholar] [CrossRef]
  18. Lu, L.; Cutululis, N.A. Virtual synchronous machine control for wind turbines: A review. J. Phys. Conf. Ser. 2019, 1356, 012028. [Google Scholar] [CrossRef]
  19. Roscoe, A.; Knueppel, T.; Da Silva, R.; Brogan, P.; Gutierrez, I.; Elliott, D.; Perez Campion, J. Response of a grid forming wind farm to system events, and the impact of external and internal dampingl. IET Renew. Power Gener. 2020, 14, 3908–3917. [Google Scholar] [CrossRef]
  20. Hur, S.; Leithead, W.E. Adjustment of wind farm power output through flexible turbine operation using wind farm control. Wind Energy 2016, 19, 1667–1686. [Google Scholar] [CrossRef]
  21. Stock, A.; Leithead, W. A generic approach to wind farm control and the power adjusting controller. Wind Energy 2022, 25, 1735–1757. [Google Scholar] [CrossRef]
  22. Stock, A. Augmented Control for Flexible Operation of Wind Turbines. Ph.D. Thesis, University of Strathclyde, Glasgow, UK, 2015. [Google Scholar]
  23. Wind Energy & Control Group; Kazacoks, R.; Cole, M.; Leithead, B. Supergen Wind Hub: D3.3 Report on Wind Farm Control Algorithms to Meet Asset Management Requirements; University of Strathclyde: Glasgow, UK, 2019. [Google Scholar]
  24. Stock, A.; Cole, M.; Leithead, W.E.; Amos, L. Distributed control of wind farm power set points to minimise fatigue loads. In Proceedings of the American Control Conference (ACC), Denver, CO, USA, 1–3 July 2020. [Google Scholar]
  25. Chen, Z.; Liu, J.; Lin, Z.; Duan, Z. Closed-loop active power control of wind farm based on frequency domain analysis. Electr. Power Syst. Res. 2019, 170, 13–24. [Google Scholar] [CrossRef]
  26. Huang, S.; Wu, Q.; Guo, Y.; Lin, Z. Bi-level decentralised active power control for large-scale wind farm cluster. IET Renew. Power Gener. 2018, 12, 1486–1492. [Google Scholar] [CrossRef]
  27. Kou, P.; Liang, D.; Yu, L.; Gao, L. Nonlinear Model Predictive Control of Wind Farm for System Frequency Support. IEEE Trans. Power Syst. 2019, 34, 3547–3561. [Google Scholar] [CrossRef]
  28. Liu, Y.; Wang, Y.; Wang, X.; Zhu, J.; Lio, W.H. Active Power Dispatch for Supporting Grid Frequency Regulation in Wind Farms Considering Fatigue Load. Energies 2019, 12, 1508. [Google Scholar] [CrossRef]
  29. van Wingerden, J.W.; Pao, L.; Aho, J.; Fleming, P. Active Power Control of Waked Wind Farms. IFAC-PapersOnLine 2017, 50, 4484–4491. [Google Scholar] [CrossRef]
  30. Thapa, K.B.; Jayasawal, K. Pitch Control Scheme for Rapid Active Power Control of a PMSG-Based Wind Power Plant. IEEE Trans. Ind. Appl. 2020, 56, 6756–6766. [Google Scholar] [CrossRef]
  31. Li, W.; Kong, D.; Xu, Q.; Wang, X.; Zhao, X.; Li, Y.; Han, H.; Wang, W.; Chen, Z. A Wind Farm Active Power Dispatch Strategy Considering the Wind Turbine Power-Tracking Characteristic via Model Predictive Control. Processes 2019, 7, 530. [Google Scholar] [CrossRef]
  32. Chu, J.; Yuan, L.; Lin, Z.; Xu, W.; Chen, Z. Receding Horizon Optimization of Wind Farm Active Power Distribution with Power Tracking Error and Transmission Loss. Processes 2018, 6, 259. [Google Scholar] [CrossRef]
  33. Ahmadyar, A.S.; Verbič, G. Coordinated Operation Strategy of Wind Farms for Frequency Control by Exploring Wake Interaction. IEEE Trans. Sustain. Energy 2017, 8, 230–238. [Google Scholar] [CrossRef]
  34. Ma, S.; Geng, H.; Yang, G.; Pal, B.C. Clustering-Based Coordinated Control of Large-Scale Wind Farm for Power System Frequency Support. IEEE Trans. Sustain. Energy 2018, 9, 1555–1564. [Google Scholar] [CrossRef]
  35. Chen, Z.; Liu, J.; Lin, Z.; Qu, C. Variable-Constrained Model Predictive Control of Coordinated Active Power Distribution for Wind-Turbine Cluster. Appl. Sci. 2018, 9, 112. [Google Scholar] [CrossRef]
  36. Knudsen, T.; Bak, T.; Svenstrup, M. Survey of wind farm control-power and fatigue optimization. Wind Energy 2014, 18, 1333–1351. [Google Scholar] [CrossRef]
  37. Liu, T.; Pan, W.; Quan, R.; Liu, M. A Variable Droop Frequency Control Strategy for Wind Farms that Considers Optimal Rotor Kinetic Energy. IEEE Access 2019, 7, 68636–68645. [Google Scholar] [CrossRef]
  38. Yao, Q.; Liu, J.; Hu, Y. Optimized Active Power Dispatching Strategy Considering Fatigue Load of Wind Turbines during De-Loading Operation. IEEE Access 2019, 7, 17439–17449. [Google Scholar] [CrossRef]
  39. Madjidian, D. Scalable minimum fatigue control of dispatchable wind farms. Wind Energy 2016, 19, 1933–1944. [Google Scholar] [CrossRef]
  40. Zhao, H.; Wu, Q.; Huang, S.; Shahidehpour, M.; Guo, Q.; Sun, H. Fatigue Load Sensitivity-Based Optimal Active Power Dispatch For Wind Farms. IEEE Trans. Sustain. Energy 2017, 8, 1247–1259. [Google Scholar] [CrossRef]
  41. Schmutz, J.; Koller, M.M. Primary Frequency Control Provided by Battery; EEH—Power Systems Laboratory, ETH: Zurich, Switzerland, 2013. [Google Scholar]
  42. Grid, N. Frequency Risk and Control Report Security & Quality of Supply Standard; National Grid, [Online]. 2022. Available online: https://www.nationalgrideso.com/document/248151/download (accessed on 22 January 2023).
  43. Gowaid, I.A.; El-Zawawi, A.; El-Gammal, M. Improved inertia and frequency support from grid-connected DFIG wind farms. In Proceedings of the 2011 IEEE/PES Power Systems Conference and Exposition, Phoenix, AZ, USA, 20–23 March 2011; pp. 1–9. [Google Scholar]
  44. Poushpas, S. Wind Farm Simulation Modelling and Control. Ph.D. Thesis, University of Strathclyde, Glasgow, UK, 2016. [Google Scholar]
  45. Stock, A.; Leithead, W.; Pennock, S. Providing frequency droop control using variable speed wind turbines with augmented control. In Proceedings of the European Wind Energy Association Conference and Exhibition 2014—EWEA 2014, Barcelona, Spain, 10–13 March 2014. [Google Scholar]
  46. Cole, M.; Stock, A.; Leithead, W.; Amos, L. Using rotor inertia as stored energy in below rated wind farms to provide primary frequency response. J. Phys. Conf. Ser. 2020, 1618. [Google Scholar] [CrossRef]
  47. Junyent-Ferre, A.; Pipelzadeh, Y.; Green, T.C. Blending HVDC-Link Energy Storage and Offshore Wind Turbine Inertia for Fast Frequency Response. Sustain. Energy 2015, 6, 1059–1066. [Google Scholar] [CrossRef]
  48. McGill, R.; Torres-Olguin, R.; Anaya-Lara, O.; Leithead, W. Generator response following as a primary frequency response control strategy for VSC-HVDC connected offshore wind farms. Energy Procedia 2017, 137, 108–118. [Google Scholar] [CrossRef]
  49. Attya, A.B.; Anaya-Lara, O.; Leithead, W.E. Novel concept of renewables association with synchronous generation for enhancing the provision of ancillary services. Appl. Energy 2018, 229, 1035–1047. [Google Scholar] [CrossRef]
  50. Campos-Gaona, D.; Stock, A.; Anaya-Lara, O.; Leithead, W. Dynamic Wind Power Plant Control for System Integration Using the Generator Response Following Concept. Energies 2020, 13, 1804. [Google Scholar] [CrossRef]
  51. Gholamrezaie, V.; Dozein, M.G.; Monsef, H.; Wu, B. An Optimal Frequency Control Method Through a Dynamic Load Frequency Control (LFC) Model Incorporating Wind Farm. IEEE Syst. J. 2018, 12, 392–401. [Google Scholar] [CrossRef]
  52. Lin, Z.; Chen, Z.; Qu, C.; Guo, Y.; Liu, J.; Wu, Q. A hierarchical clustering-based optimization strategy for active power dispatch of large-scale wind farm. Int. J. Electr. Power Energy Syst. 2020, 121, 106155. [Google Scholar] [CrossRef]
  53. Siniscalchi-Minn, S.; Bianchia, F.D.; De-Prada-Gil, M.; Ocampo-Martinez, C. A wind farm control strategy for power reserve maximization. Renew. Energy 2019, 131, 37–43. [Google Scholar] [CrossRef]
Figure 1. (a) The limited sensitivity mode of droop control from [12]. (b) Sensitive mode of droop control from [12].
Figure 1. (a) The limited sensitivity mode of droop control from [12]. (b) Sensitive mode of droop control from [12].
Energies 16 01324 g001
Figure 2. (a) Mandatory droop requirements from the Irish grid [14] at dangerously low frequencies. (b) Mandatory droop requirements from the Irish grid at dangerously high frequencies.
Figure 2. (a) Mandatory droop requirements from the Irish grid [14] at dangerously low frequencies. (b) Mandatory droop requirements from the Irish grid at dangerously high frequencies.
Energies 16 01324 g002
Figure 3. Droop requirements from the Irish grid for when the frequency sensitive mode is active.
Figure 3. Droop requirements from the Irish grid for when the frequency sensitive mode is active.
Energies 16 01324 g003
Figure 4. The mandatory droop control required at dangerously high frequencies from the Danish grid code [15].
Figure 4. The mandatory droop control required at dangerously high frequencies from the Danish grid code [15].
Energies 16 01324 g004
Figure 5. The plots shown here are the sensitive mode of droop control in the Danish grid from Danish grid code [15] The plots show (a) a case with low levels of reserve; (b) a higher level of reserve.
Figure 5. The plots shown here are the sensitive mode of droop control in the Danish grid from Danish grid code [15] The plots show (a) a case with low levels of reserve; (b) a higher level of reserve.
Energies 16 01324 g005
Figure 6. The generic form of the wind farm control architecture as shown in [21].
Figure 6. The generic form of the wind farm control architecture as shown in [21].
Energies 16 01324 g006
Figure 7. An example of the different responses to a grid frequency event [41].
Figure 7. An example of the different responses to a grid frequency event [41].
Energies 16 01324 g007
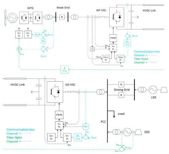
Figure 8. A diagram of the proposed controller infrastructure proposed in [47].
Figure 8. A diagram of the proposed controller infrastructure proposed in [47].
Energies 16 01324 g008
Figure 9. Offshore reference circuit proposed by [48].
Figure 9. Offshore reference circuit proposed by [48].
Energies 16 01324 g009
Disclaimer/Publisher’s Note: The statements, opinions and data contained in all publications are solely those of the individual author(s) and contributor(s) and not of MDPI and/or the editor(s). MDPI and/or the editor(s) disclaim responsibility for any injury to people or property resulting from any ideas, methods, instructions or products referred to in the content.

Share and Cite

MDPI and ACS Style

Cole, M.; Campos-Gaona, D.; Stock, A.; Nedd, M. A Critical Review of Current and Future Options for Wind Farm Participation in Ancillary Service Provision. Energies 2023, 16, 1324. https://doi.org/10.3390/en16031324

AMA Style

Cole M, Campos-Gaona D, Stock A, Nedd M. A Critical Review of Current and Future Options for Wind Farm Participation in Ancillary Service Provision. Energies. 2023; 16(3):1324. https://doi.org/10.3390/en16031324

Chicago/Turabian Style

Cole, Matthew, David Campos-Gaona, Adam Stock, and Marcel Nedd. 2023. "A Critical Review of Current and Future Options for Wind Farm Participation in Ancillary Service Provision" Energies 16, no. 3: 1324. https://doi.org/10.3390/en16031324

APA Style

Cole, M., Campos-Gaona, D., Stock, A., & Nedd, M. (2023). A Critical Review of Current and Future Options for Wind Farm Participation in Ancillary Service Provision. Energies, 16(3), 1324. https://doi.org/10.3390/en16031324

Note that from the first issue of 2016, this journal uses article numbers instead of page numbers. See further details here.

Article Metrics

Back to TopTop